模板验收规范
- 格式:doc
- 大小:50.50 KB
- 文档页数:7
4.3 模板拆除
主控项目
4.3.1 底模及其支架拆除时的混凝土强度应符合设计要求;当设计无具体要求时,混凝土强度应符合表4.3.1的规定。
检查数量:全数检查。
检验方法:检查同条件养护试件强度试验报告。
表4.3.1 底模拆除时的混凝土强度要求
4.3.2 对后张法预应力混凝土结构构件,侧模宜在预应力张拉前拆除;底模支架的拆除应按施工技术方案执行,当无具体要求时,不应在结构构件建立预应力前拆除。
检查数量:全数检查。
检验方法:观察。
4.3.3 后浇带模板的拆除和支顶应按施工技术方案执行。
检查数量:全数检查。
检验方法:观察。
一般项目
4.3.4 侧模拆除时的混凝土强度应能保证其表面及棱角不受损伤。
检查数量:全数检查。
检验方法:观察。
4.3.5 模板拆除时,不应对楼层形成冲击荷载。
拆除的模板和支架宜分散堆放并及时清运。
检查数量:全数检查。
检验方法:观察。
模板施工质量验收规范模板施工质量验收规范一、前期准备工作1. 施工质量验收前,必须完成施工单位组织设计文件、施工方案、施工图纸、施工工艺、工程质量标准等相关材料的归档工作。
2. 施工质量验收前,必须对施工现场进行清理整理,确保验收场地整洁,方便查验。
二、基本要求1. 施工质量验收必须按照相关法律法规和标准进行。
验收结果必须真实、客观、准确。
2. 验收过程必须有验收记录,并且签字确认。
验收记录必须详细描述验收的内容、结果和不合格项。
3. 验收过程必须有专业人员参与,不合格项的整改必须由专业人员负责。
三、审查验收内容1. 施工图纸的符合性:验收时必须核对施工图纸的符合性,包括图纸的尺寸、平面布置、剖面图、构造、结构等方面的符合性。
2. 施工工艺的符合性:验收时必须核对施工工艺的符合性,包括工序的顺序、要求、要点等方面的符合性。
3. 施工质量的符合性:验收时必须核对施工质量的符合性,包括材料的质量、安装的质量、施工的质量等方面的符合性。
4. 完成情况的符合性:验收时必须核对工程的完成情况,包括完成的比例、完成的质量等方面的符合性。
四、验收标准1. 施工图纸的符合性:必须符合国家标准、行业标准和设计要求。
2. 施工工艺的符合性:必须符合施工工艺要求和技术规范。
3. 施工质量的符合性:必须符合国家标准、行业标准和施工合同要求。
4. 完成情况的符合性:必须符合施工进度计划和工程质量标准。
五、验收方式1. 施工质量验收必须以旁观、目视、测量和测试为主要方法。
必要时可以采用抽样、破坏性试验等方法进行验收。
2. 验收人员必须具备相关专业知识和资质,并且要熟悉施工图纸、工艺规范和施工质量标准。
六、验收结果处理1. 若验收合格,应出具验收报告,并记录在施工档案中。
2. 若验收不合格,应出具不合格通知书,并要求施工单位整改。
整改完成后,重新进行验收。
七、补救措施1. 若发现施工质量存在问题,应及时采取补救措施。
补救措施必须符合设计要求和施工工艺要求。
桥梁墩柱模板验收标准一、模板尺寸1. 模板的宽度和高度应符合设计要求,偏差值应不大于设计尺寸的±2mm。
2. 模板的对角线偏差应不大于设计尺寸的±3mm。
3. 模板的平整度应符合设计要求,表面应无翘曲、凹凸不平等现象。
二、模板平整度1. 模板表面应平整,无损伤和变形。
2. 模板间的接缝应平顺,缝隙宽度应不大于2mm。
3. 模板与混凝土的接触面应无污垢、尘土等杂质。
三、模板连接1. 模板间的连接螺栓和销钉应紧固、齐全,无松动现象。
2. 模板连接处应有防漏浆措施,如采用橡皮条、泡沫条等材料密封缝隙。
3. 模板与混凝土的接触面应采取防粘措施,如涂刷脱模剂等。
四、模板支撑1. 模板应采用可靠的支撑体系,确保在浇筑混凝土过程中不发生变形和位移。
2. 支撑体系应具有足够的刚度和稳定性,确保模板的平整度和垂直度。
3. 支撑体系应按设计要求进行安装和固定,不得随意更改位置和高度。
五、模板脱模1. 模板应在混凝土达到一定强度后方可进行脱模,一般要求混凝土强度达到2.5MPa以上。
2. 脱模时应避免对模板和混凝土造成损伤。
3. 脱模后应对模板进行清理和维护,确保模板的重复使用性。
六、模板环保1. 模板制作和使用过程中应尽量采用环保材料,如可回收的钢材、木材等。
2. 模板拆下后应及时进行分类整理和存放,以便再利用。
3. 废旧模板应按照相关规定进行处理,不得随意丢弃和焚烧。
七、模板安全性1. 模板应具有足够的安全性,确保操作人员的人身安全。
2. 模板安装和拆卸时应遵守相关安全操作规程,不得随意攀爬和用力过猛。
3. 在浇筑混凝土时,应采取相应的安全措施,如佩戴安全帽、穿工作服等。
4. 在使用模板过程中,应注意避免因操作不当导致的安全事故。
八、模板耐久性:1. 模板应具有足够的耐久性,能够经受多次重复使用而不损坏。
2. 在使用过程中,应注意保护模板表面,避免因撞击、摩擦等造成的损坏。
同时应注意避免长时间暴露在阳光下或潮湿环境中。
监理模板验收规范建筑工程中的监理模板验收规范建筑工程中,模板是非常重要的一种施工工具,它直接影响着建筑结构的质量和安全。
因此,在模板的监理和验收中,必须遵守一定的规范和标准,以确保模板的质量和可靠性。
下面,本文将重点介绍监理模板验收的规范。
1. 模板的材质和规格建筑工程中,使用的模板材料必须符合国家相关标准和规定,如GB18248-2008《木质模板》、GB/T 17656-2010《铝合金模板》、GB/T 28949-2012《钢模板》等。
同时,在使用前要做好检查,确认其具有必要的强度、耐久性和稳定性,以保证其能够经受住施工中的各种荷载和作用。
2. 模板的搭设和连接模板的搭设和连接必须结实牢固,不得出现任何变形、位移、裂缝等缺陷,以确保模板的稳定和安全。
同时,在模板连接处需加强钢筋或钢管等的加强,使其具有足够的承载能力。
3. 模板的表面质量在模板的表面施工中,必须保证其光滑、平整、无毛刺,并且符合设计要求。
如果有损坏或变形等情况,必须及时进行修补和调整,以免影响后续施工和使用。
4. 模板的拆除与清洗模板的拆除和清洗也是非常重要的一步,必须按照规范和标准进行。
在拆除时,必须避免对其余工程的影响,如要在拆除前进行支撑或加固等操作,以确保其稳定性和安全性。
在清洗时,则需彻底清除其表面的水泥痕迹、石灰等污渍,以保证其表面质量。
5. 模板验收的标准模板完成后,必须进行验收,以确认其质量和安全性。
验收标准包括模板外观质量、尺寸规格、材质和强度等各方面。
在验收过程中,需严格按照相关标准进行,如GB/T 19001-2008《质量管理体系要求》、GB/T 19092-2008《建筑施工工程单位工程质量管理规范》等。
总之,模板的监理和验收是建筑工程非常重要的一环,它涉及到施工的质量和安全等方面。
因此,在施工过程中,必须严格遵守相关规范和标准,以保证模板的质量和可靠性。
在实际工作中,建筑单位应严格执行质量管理体系,加强对模板施工的监督和管理,确保施工质量和工期计划。
模板工程验收规范模板工程验收规范一、总体要求模板工程验收是指对模板工程施工的过程和成果进行检查、测试和确认,验证其是否符合设计要求、施工规范和相关标准,并评估其可行性和可操作性。
模板工程验收的目的是确保模板工程的质量合格,满足设计和使用需求。
二、验收准备1. 验收组织与人员:确定模板工程的验收组织机构,包括项目经理、工程质量检验人员、设计师、相关专家等。
验收人员应具有相关经验和资质,能够独立、客观地评估模板工程的质量和可行性。
2. 验收准备工作:(1)组织召开验收准备会议,明确验收程序和要求,并分配任务和责任;(2)收集相关的设计文件、施工图纸、合同及技术规范等资料,作为验收的依据;(3)对模板工程进行先行检查,排除可能存在的问题和隐患;(4)编制验收方案和验收记录表,明确验收的内容、方法和标准。
三、验收程序1. 验收前准备:(1)项目经理和设计师向验收组织提交相关资料,包括设计文件、施工图纸、合同及技术规范等;(2)验收组织根据提交的资料,对模板工程进行初步评估,确定验收的重点和重点部位,并与项目经理和设计师进行沟通和协商;(3)验收组织对模板工程进行实地踏勘,了解施工过程和施工现场,与工程质量检验人员一起检查施工质量。
2. 验收过程:(1)验收组织依据设计要求、施工规范和相关标准,检查模板工程的施工质量,包括材料使用、施工工艺、施工精度等;(2)验收组织对施工图纸、材料使用情况、工艺过程和施工质量进行全面、系统地检查和确认;(3)对于存在问题和不符合要求的部分,验收组织要记录,并提出整改要求和建议;(4)验收组织组织专家对模板工程进行评估,评估其可行性和可操作性,并提出改进建议;(5)验收组织与项目经理和设计师进行沟通和讨论,达成关于模板工程质量、可行性的认可,确认验收结果。
3. 验收报告:(1)验收组织根据实地踏勘和检查的结果,总结验收结果,编制验收报告;(2)验收报告应包括模板工程的基本情况、施工质量评估、可行性评估、存在问题和建议等;(3)验收报告应在规定时间内提交给相关部门,并抄送项目经理和设计师。
模板工程施工验收规范1. 总则1.1 为了保证模板工程的质量,确保施工安全,根据国家相关法律法规和行业标准,制定本验收规范。
1.2 本验收规范适用于各类建筑工程中的模板工程施工质量验收。
1.3 模板工程施工应遵循设计方案,严格按照施工工艺流程和操作规程进行。
1.4 模板工程施工验收应由施工单位负责组织,监理单位、设计单位等相关方参与。
2. 模板工程设计2.1 模板设计应根据工程结构形式、荷载大小、地基土类别、施工设备和材料供应等条件进行。
2.2 模板及其支架应具有足够的承载力、刚度和稳定性,能可靠地承受浇筑混凝土的重量、侧压力以及施工荷载。
2.3 模板设计应考虑施工操作空间和施工安全。
3. 模板工程施工3.1 模板安装3.1.1 模板安装应按照设计方案和施工图纸进行,确保模板的位置、尺寸和倾斜度符合要求。
3.1.2 模板安装应牢固可靠,接缝严密,不得漏浆。
3.1.3 模板与混凝土的接触面应清理干净,并涂刷隔离剂。
不得使用影响结构性能或妨碍装饰工程施工的隔离剂。
3.2 模板支架3.2.1 支架应根据设计要求进行搭设,确保支架的稳定性和承载力。
3.2.2 支架的立柱应对准,并铺设垫板。
3.2.3 支架的拆除应按照施工技术方案执行,确保施工安全。
4. 模板工程施工验收4.1 模板工程施工验收应包括模板安装质量、模板支架稳定性和承载力、模板接缝严密性等方面的检查。
4.2 验收合格标准:4.2.1 模板安装应符合设计方案和施工图纸要求,位置、尺寸和倾斜度偏差应在允许范围内。
4.2.2 模板接缝应严密,不得漏浆。
4.2.3 支架应稳定,不得有明显变形。
4.2.4 支架的承载力应满足施工要求。
5. 验收程序5.1 施工单位应按照验收规范要求,组织相关人员对模板工程施工进行自检。
5.2 监理单位应组织相关人员对模板工程施工进行验收,并对验收结果进行记录。
5.3 验收不合格的模板工程应按照验收意见进行整改,整改完成后重新进行验收。
模板木方进场验收标准一、前言。
模板木方是建筑施工中常用的材料之一,其质量直接关系到工程的施工质量和安全。
为了保证模板木方的质量,减少施工中的安全隐患,制定了模板木方进场验收标准。
本标准适用于所有使用模板木方的建筑施工单位,希望能够对施工单位的工作起到一定的指导和规范作用。
二、验收标准。
1. 外观质量。
(1)模板木方的表面应平整,无裂纹、变形、腐蚀等缺陷。
(2)模板木方的边缘应整齐,无毛刺、破损等现象。
(3)模板木方的接缝应紧密,无松动、开裂等情况。
2. 尺寸规格。
(1)模板木方的长度、宽度、厚度应符合设计要求,允许偏差范围在规定范围内。
(2)模板木方的对角线应相等,不得出现明显的变形现象。
3. 材质要求。
(1)模板木方应采用优质的木材制作,无虫蛀、腐朽等现象。
(2)模板木方的含水率应符合国家标准要求,不得超过规定数值。
4. 标识标牌。
(1)模板木方应有清晰的标识标牌,标明生产厂家、规格型号、质量等级等信息。
(2)标识标牌应牢固、不易脱落,信息应真实可靠。
5. 包装运输。
(1)模板木方的包装应完好,无破损、湿漏等情况。
(2)运输过程中,模板木方应避免受潮、受压等情况,保证其质量不受影响。
6. 检验方法。
(1)对于模板木方的外观质量、尺寸规格等,可以采用目测和测量的方式进行检验。
(2)对于模板木方的材质要求,可以采用化学检测、含水率检测等方法进行检验。
三、验收流程。
1. 接货验收。
(1)施工单位在接货时应按照验收标准对模板木方进行外观检查和尺寸测量。
(2)对于未达标的模板木方,应立即通知供货方进行退换货处理。
2. 入库验收。
(1)合格的模板木方应及时入库,并做好标识记录。
(2)对入库的模板木方进行全面检查,确保质量符合标准要求。
3. 使用验收。
(1)在使用模板木方前,施工单位应再次对其进行检查,确保质量合格。
(2)对于发现质量问题的模板木方,应立即停止使用并通知相关部门处理。
四、验收记录。
1. 接货验收记录。
模板验收规范及标准一、前言。
模板是指在一定格式范围内,规定了文档的各种元素如字体、字号、行距、页边距等的统一规范。
模板的制作需要遵循一定的规范和标准,以确保文档的整体风格一致,提高文档的可读性和美观性。
本文将对模板验收的规范及标准进行详细介绍。
二、模板验收规范。
1. 字体规范。
在制作模板时,需要统一规定文档中的字体及字号。
通常情况下,标题的字体要比正文的字体要大,而正文的字体一般为宋体、仿宋或微软雅黑,字号一般为小四号或五号。
在制作模板时,需要确保标题、正文、图表、表格等元素的字体及字号一致,以确保整个文档的统一性。
2. 标题层次规范。
在文档中,标题的层次结构是非常重要的。
通常情况下,一级标题为最大的标题,二级标题为次级标题,依次类推。
在制作模板时,需要规定各级标题的字号、加粗、居中等格式,以确保不同层次的标题在文档中具有清晰的层次感。
3. 行距和段落间距规范。
行距和段落间距对文档的整体排版影响非常大。
在制作模板时,需要规定正文的行距和段落间距,以确保整个文档的排版舒适、美观。
4. 图表及公式规范。
在文档中,图表及公式的排版也需要遵循一定的规范。
在制作模板时,需要规定图表及公式的编号、字号、字体、对齐方式等格式,以确保图表及公式的统一规范。
5. 页面边距规范。
页面边距对文档的整体版面设计有重要影响。
在制作模板时,需要规定页面的上、下、左、右边距,以确保文档的整体版面设计符合要求。
三、模板验收标准。
1. 文档格式正确。
在验收模板时,需要检查文档的格式是否正确。
包括但不限于字体、标题、行距、段落间距、图表、公式、页面边距等是否符合规范。
2. 文档排版整齐。
在验收模板时,需要检查文档的排版是否整齐。
包括但不限于标题的层次结构是否清晰、图表及公式的排版是否规范、页面边距是否一致等。
3. 文档风格统一。
在验收模板时,需要检查文档的风格是否统一。
包括但不限于字体、字号、加粗、对齐方式等是否一致,以确保整个文档的风格统一。
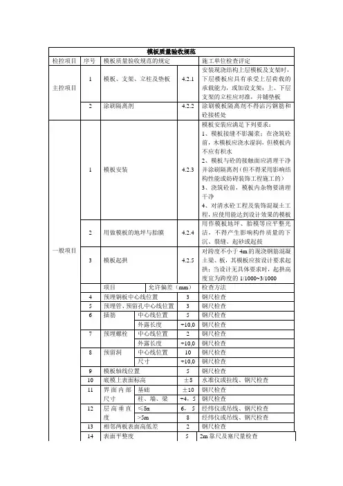
模板质量验收规范检控项目序号模板质量验收规范的规定施工单位检查评定主控项目1 模板、支架、立柱及垫板 4.2.1安装现浇结构上层模板及支架时,下层楼板应具有承受上层荷载的承载能力,或加设支架;上、下层支架的立柱应对准,并铺垫板2 涂刷隔离剂 4.2.2 涂刷模板隔离剂不得沾污钢筋和砼接槎处一般项目1 模板安装 4.2.3模板安装应满足下列要求:1、模板接缝不影漏浆;在浇筑砼前,木模板应浇水湿润,但模板内不应有积水2、模板与砼的接触面应清理干净并涂刷隔离剂(但不得采用影响结构性能或妨碍装饰工程施工的)3、浇筑砼前,模板内杂物要清理干净4、对清水砼工程及装饰混凝土工程,应使用能达到设计效果的模板2 用做模板的地坪与胎膜 4.2.4用作模板地坪、胎模等应平整光洁,不得产生影响构件质量的下沉、裂缝、起砂或起鼓3 模板起拱 4.2.5对跨度不小于4m的现浇钢筋混凝土梁、板,其模板应按设计要求起拱;当设计无具体要求时,起拱高度宜为跨度的1/1000~3/1000 项目允许偏差(mm)检查方法4 预埋钢板中心线位置 3 钢尺检查5 预埋管、预留孔中心线位置 3 钢尺检查6 插筋中心线位置 5 钢尺检查外露长度+10,0 钢尺检查7 预埋螺栓中心线位置 2 钢尺检查外露长度+10,0 钢尺检查8 预留洞中心线位置10 钢尺检查尺寸+10,0 钢尺检查9 模板轴线位置 5 钢尺检查10 底模上表面标高±5水准仪或拉线、钢尺检查11 界面内部尺寸基础±10钢尺检查柱、墙、梁+4,-5钢尺检查12 层高垂直度≤5m6,-5 经纬仪或吊线、钢尺检查>5m 8 经纬仪或吊线、钢尺检查13 相邻两板表面高低差 2 钢尺检查14 表面平整度 5 2m靠尺及塞尺量检查拼装式大模板组拼允许偏差与检验方法项次项目允许偏差(mm)检验方法1 模板高度±3钢尺量检查2 模板长度- 2 钢尺量检查3 模板板面对角线差≤3钢尺量检查4 板面平整度 2 2m靠尺及塞尺量检查5 相邻模板高低差≤1平尺及塞尺量检查6 相邻模板拼缝间隙≤1塞尺量检查大模板安装允许偏差与检验方法项次项目允许偏差(mm)检验方法1 轴线位置 4 钢尺量检查2 截面内部尺寸±2 钢尺量检查3 层高垂直度全高≤5m 3 线坠及钢尺量检查全高>5m 5 线坠及钢尺量检查4 相邻模板板面高低差 2 平尺及塞尺量检查5 表面平整度<4 20m内上口拉直线钢尺量检查下口按模板定位线为基准检查模板拆除的规范要求项次构件类型构件跨度(m)达到设计砼立方体抗压强度标准值百分率(%)1 板≤2 ≥50 >2,≤8 ≥75 >8≥1002 梁、拱、壳≤8 ≥75>68 ≥1003 悬臂构件-——≥100。
建筑木模板验收标准建筑木模板是建筑施工中常用的一种模板,其质量直接关系到施工质量和工程安全。
因此,在使用建筑木模板之前,必须进行验收,以确保其质量符合要求。
下面将介绍建筑木模板验收的相关标准。
一、外观质量。
1. 表面平整度,建筑木模板的表面应平整光滑,不得有明显的裂痕、变形和凹凸不平的情况。
2. 边缘处理,建筑木模板的边缘应平直,无明显破损和开裂。
3. 规格尺寸,建筑木模板的规格尺寸应符合设计要求,长度、宽度和厚度应在允许范围内。
二、材质质量。
1. 材料选择,建筑木模板应选择优质的原木或人造板材作为材料,不得使用有裂纹、腐朽和虫蛀的木材。
2. 湿度含量,建筑木模板的湿度含量应符合国家标准,不得过高或过低。
三、结构质量。
1. 连接方式,建筑木模板的连接方式应牢固可靠,不得有松动和脱落的情况。
2. 支撑间距,建筑木模板的支撑间距应符合设计要求,不得出现过大的跨距和不稳定的支撑情况。
四、防腐处理。
1. 防腐涂料,建筑木模板应进行防腐处理,防腐涂料应均匀覆盖整个表面,不得有漏刷和刷膜不均匀的情况。
2. 防腐效果,建筑木模板的防腐效果应符合国家标准要求,不得出现腐朽和霉变的情况。
五、其他要求。
1. 标识清晰,建筑木模板应有清晰的标识,标注材料、规格、生产日期等信息。
2. 保养要求,建筑木模板在使用过程中,应进行定期保养,确保其质量持续稳定。
综上所述,建筑木模板验收标准涉及外观质量、材质质量、结构质量、防腐处理和其他要求等方面,只有严格按照标准进行验收,才能确保建筑木模板的质量达标,为施工安全和质量提供保障。
模板工程验收规范模板工程验收规范一、概述模板工程验收是指根据设计文件和技术要求,对模板工程施工的质量、安全、进度等方面进行检查和验收,确保模板工程的质量达到设计和要求的要求。
本规范主要包括验收程序、验收内容、验收标准和验收报告等内容。
二、验收程序1. 预验收:在正式验收前,对模板工程进行预验收,包括对模板材料的质量、规格、型号等进行检查,并检查模板安装的平整度、牢固度等。
2. 正式验收:在预验收合格后,进行正式验收,包括对预制模板的制作、加工质量进行检查,对模板架设的质量进行检查,并对模板工程的质量、安全进行全面检查。
三、验收内容1. 模板材料质量:对模板材料进行检查,包括检查模板材料的规格、型号、强度、耐久性等是否符合技术要求。
2. 模板安装质量:对模板安装的平整度、牢固度等进行检查,确保模板安装符合设计要求。
3. 模板架设质量:对模板的架设工艺进行检查,包括模板的布置、支承、连接等是否合理,是否满足工程要求。
4. 模板工程质量:对模板工程的质量进行全面检查,包括模板表面光洁度、坚固度、稳定性等方面进行检查,确保模板工程质量符合设计和要求的要求。
5. 安全验收:对模板工程的安全进行检查,包括模板的搭设是否符合安全要求,施工现场是否存在危险因素等方面进行检查,并对施工过程中的安全措施是否合理进行评估。
四、验收标准1. 模板材料质量:模板材料的规格、型号、强度等应符合设计要求,并且经检测合格。
2. 模板安装质量:模板的安装平整度应符合设计要求,模板的牢固度应满足工程要求,无明显的断裂、松动等现象。
3. 模板架设质量:模板的布置应符合设计要求,模板的支承和连接应牢固可靠,满足工程要求。
4. 模板工程质量:模板表面应平整光洁,没有明显的裂缝、凹陷等缺陷,模板的坚固度和稳定性应符合设计和要求的要求。
5. 安全验收:施工现场应无明显的危险因素,模板的搭设和拆除应符合相关规定和要求。
五、验收报告验收完成后,应编写验收报告,报告内容主要包括模板材料的质量状况、模板安装和架设的质量状况、模板工程质量状况、安全情况等,报告应由项目负责人签字确认,并留存于工程档案中。
模板分项工程质量验收规范作为建设项目的一项重要环节,模板分项工程的质量验收是保证建筑工程质量稳定和可靠的基石。
模板分项工程质量验收的规范化、标准化和严格性,不仅可以提高工程质量,还可以有效避免安全事故的发生。
一、验收前要做好的准备在进行模板分项工程质量验收之前,相关人员应该进行严格的检查和准备。
首先,要检查模板的种类和规格是否符合设计要求,同时还需要对模板的加工、质量有足够的了解。
其次,要对模板的安装方式和安装位置进行检查,确定模板有无变形、开裂等质量问题。
此外,在检查过程中还需要注意是否有倾斜、松动等质量隐患存在。
二、验收时需要注意的事项1.检验工具和验收标准在进行模板分项工程质量验收过程中,必须要使用一些专业的检验工具。
例如,领高尺、钢尺、水平仪等常用工具,以及专业的冲孔机、焊接机等设备。
此外,还必须要制定一套完整的验收标准,以方便工程验收期间进行规范的操作和检验。
2.安全性检查在工程验收过程中,必须要进行安全性检查。
主要是对模板的承重能力以及安全性进行验证。
此外,在验收过程中也要特别注意检验模板的防护措施是否完善,以避免工人在施工中发生意外伤害。
3.质量检验在验收模板工程质量时,必须要进行一些基础的质量检验。
主要是检查模板的规格、尺寸、材质以及加工质量等方面的问题。
还要对模板胶合层的粘接性能进行检验,以确保模板的质量符合规范要求。
4.验收记录在进行模板分项工程质量验收之后,必须要做好验收记录。
记录应该包括施工人员、验收人员、验收时间以及验收结果等关键信息,以便于今后的查询和管理。
三、模板分项工程质量验收中常见的问题及处理方法1.模板松动如果在进行模板分项工程质量验收时发现模板出现松动的情况,我们需要及时进行评估和处理。
通常来说,处理方式包括重新拉紧螺钉、增加连接件等,并对模板进行整体检查和调整。
2.模板变形在进行质量验收时,如果发现模板出现变形的情况,可以考虑使用橡皮板车、铁丝绑扎等方式对其进行加固。
模板验收规范及标准一、前言。
在文档创作的过程中,模板的验收是至关重要的环节。
一个合格的模板不仅需要符合标准规范,还需要具备良好的设计和易用性。
本文将从模板验收的规范和标准两个方面进行详细介绍,希望能够帮助文档创作者更好地完成模板的验收工作。
二、模板验收规范。
1. 文件格式规范。
模板文件应当采用常见的文档格式,如doc、docx、pdf等,以确保用户能够正常打开和使用。
同时,需要注意文件大小不宜过大,以免影响用户的下载和使用体验。
2. 页面设置规范。
模板的页面设置应当符合常见的纸张规格和边距要求,同时需要注意页眉、页脚、页边距等元素的设置是否合理,以确保文档的整体美观和可读性。
3. 标题和正文格式规范。
模板中的标题、正文、列表、表格等内容应当统一使用规范的字体、字号和段落格式,以确保整个文档的风格统一和整洁。
4. 图片、表格格式规范。
模板中的图片、表格等元素应当清晰可见,同时需要注意其位置是否合理,是否与文字内容相符,以确保整个文档的信息表达清晰明了。
5. 版权声明规范。
模板中应当包含合适的版权声明,明确标明模板的作者、来源、使用权限等信息,以保护模板作者的合法权益。
三、模板验收标准。
1. 设计风格标准。
模板的设计风格应当符合用户的使用习惯和审美需求,同时需要注意色彩搭配、排版布局等方面的设计是否合理,以确保用户在使用过程中能够得到良好的视觉体验。
2. 功能实用性标准。
模板的功能应当符合用户的实际需求,同时需要注意模板中是否包含了常用的功能按钮、快捷键等,以提高用户的使用效率和便利性。
3. 兼容性标准。
模板应当具备良好的兼容性,能够在不同的操作系统和软件环境下正常使用,同时需要注意不同版本之间的兼容性,以确保用户能够顺利使用模板。
4. 更新维护标准。
模板的更新和维护工作是持续进行的,模板作者需要及时修复bug、添加新功能、改进设计等,以确保模板始终保持良好的使用状态。
5. 用户体验标准。
模板的用户体验是评判模板质量的重要标准,模板作者需要关注用户的反馈意见,不断改进和优化模板,以提高用户的满意度和忠诚度。
模板验收规范模板验收规范在进行模板验收时,需要按照一定的规范进行操作,以确保模板的质量和可用性。
下面是一份模板验收的规范,用于指导验收人员进行工作。
一、验收前准备1. 确定验收标准:验收人员需要与模板制作者充分沟通,明确模板的需求和要求,并制定相应的验收标准。
2. 准备验收环境:确保验收环境的稳定性和适用性,避免干扰和影响验收的因素存在。
3. 准备验收数据:准备一份充分和真实的验收数据,以确保在验收过程中能够完整地覆盖模板的所有功能和场景。
二、开始验收1. 模板功能验证:按照事先设定的功能要求,逐项检查模板的功能是否能够正常运行,包括输入、计算、逻辑判断、结果输出等。
2. 模板数据验证:使用准备好的验收数据,在模板中进行数据输入和计算,并验证模板的输出结果是否正确,进行对照检查。
3. 逻辑和算法验证:对于涉及到复杂逻辑和算法的模板,需要仔细核对逻辑和算法的实现是否正确和合理。
4. 用户界面验证:检查模板的用户界面设计是否简洁、易用、美观,是否符合用户需求和使用习惯。
5. 兼容性验证:对于需要在不同平台或系统中进行使用的模板,需要验证其在各个平台和系统下的兼容性是否良好。
6. 错误处理验证:对于模板中可能出现的错误情况,需要检查模板的错误处理是否得当,能够给出准确和有效的错误提示和解决方案。
三、验收报告1. 缺陷记录:对于发现的模板缺陷,需详细记录下来,包括缺陷的描述、复现步骤和截图等,便于后续的修复和改进。
2. 缺陷分类和优先级:对所记录的缺陷进行分类和评估,确定缺陷的优先级,以指导后续的修复和改进工作。
3. 问题反馈:将验收结果及缺陷记录整理成报告,并及时反馈给模板制作者,以便其进行问题的分析和解决。
4. 验收结束:经过模板制作者的修复和改进后,重新进行验收,直到模板完全符合验收标准为止。
以上是模板验收的一般规范,可以根据具体的需求和情况进行调整和补充。
在进行模板验收时,还应充分发挥验收人员的经验和专业知识,提出合理的建议和改进意见,以确保模板的质量和可用性。
模板支撑体系验收规范
1. 新建模板支撑体系时,需按照规范要求填写相关信息,并确保信息的准确性和一致性。
2. 模板支撑体系的设计应符合相关标准和规范要求,包括但不限于结构、尺寸、材料等方面。
3. 模板支撑体系的安装应按照设计图纸和施工方案进行,确保安装质量和安全性。
4. 针对模板支撑体系的验收,需按照相关规范执行验收程序,包括材料验收、施工工艺验收、安全验收等方面。
5. 验收过程中需进行全面检查,发现问题及时处理并进行整改,确保模板支撑体系的质量和安全。
6. 验收完成后,需及时填写验收记录,并由相关责任人签字确认,作为后续质量追溯和管理的依据。
7. 对于不符合规范要求的模板支撑体系,需立即停止使用,并进行整改或更换,确保施工安全和质量。
8. 验收完毕后,应及时通知相关部门,并让相关人员进行确认,以便后续施工工序的顺利进行。
模板的验收规范随着社会的发展和科技的进步,各行各业都开始需要标准化的流程和规范,软件开发也不例外。
在软件开发中,模板是常见的工具,用来标准化开发过程和规范开发文档。
由于模板在软件开发中的重要性,对于模板的验收也应该有一定的规范。
本文将探讨一些模板的验收规范。
一、全面性模板的验收应该从全面性考虑,要求开发人员按照验收标准对模板进行全面性的检查,从而确保模板的适用性和完整性。
验收人员应该针对开发过程中实际用到的文档,检查模板的适用性和完整性,包括文档结构、字体、大小、格式等方面的要求,确保所有要求都符合标准。
二、准确性模板的验收应该保证准确性,要求开发人员按照验收标准仔细检查每个功能点的实现效果,包括标点符号的使用、排版方式的规范等方面的要求。
如果有问题,应及时反馈并进行调整,以确保模板标准准确无误。
三、可读性模板的验收应该保证可读性,要求开发人员按照验收标准对模板的可读性进行检查,确保文档容易阅读。
对于格式、字体、大小等方面的要求,应确保阅读体验良好,减少用户操作困难和阅读的障碍。
四、一致性模板的验收应该保证一致性,要求开发人员按照验收标准对所有文档和模板的格式进行检查,确保格式一致。
如果有问题,应及时与其他开发人员进行沟通,并进行修改和优化。
五、易用性模板的验收应该保证易用性,要求开发人员按照验收标准对模板的操作流程和交互方式进行检查,确保文档易于使用。
如果有问题,应及时与其他开发人员进行沟通,并进行修改和优化。
六、安全性模板的验收应该保证安全性,要求开发人员按照验收标准对文档的内容进行敏感信息的过滤和保护,确保文档中的敏感信息不被外泄和篡改。
对于文件的安全操作权限,应严格限制,并对权限进行审核和管理。
七、验收人员模板的验收人员是模板验收的灵魂。
验收人员应具备良好的验收能力和丰富的软件开发经验,对于模板验收标准有深入的了解和熟练的掌握。
同时,验收人员应具有沟通和协作的能力,并能从用户的角度出发,注重用户的使用体验。
8-7-1 基本规定
1.模板及其支架应根据工程结构形式、荷载大小、地基土类别、施工设备和材料供应等条件进行设计。
模板及其支架应具有足够的承载能力、刚度和稳定性,能可靠地承受浇筑混凝土的重量、侧压力以及施工荷载。
2.在浇筑混凝土之前,应对模板工程进行验收。
模板安装和浇筑混凝土时,应对模板及其支架进行观察和维护。
发生异常情况时,应按施工技术方案及时进行处理。
3.模板及其支架拆除的顺序及安全措施应按施工技术方案执行。
8-7-2 模板安装
8-7-2-1 主控项目
1.安装现浇结构的上层模板及其支架时,下层楼板应具有承受上层荷载的承载能力,或加设支架;上、下层支架的立柱应对准,并铺设垫板。
检查数量:全数检查。
检验方法:对照模板设计文件和施工技术方案观察。
2.在涂刷模板隔离剂时,不得沾污钢筋和混凝土接槎处。
检查数量:全数检查。
检验方法:观察。
8-7-2-2 一般项目
1.模板安装应满足下列要求:
(1)模板的接缝不应漏浆;在浇筑混凝土前,木模板应浇水湿润,
但模板内不应有积水;
(2)模板与混凝土的接触面应清理干净并涂刷隔离剂,但不得采用影响结构性能或妨碍装饰工程施工的隔离剂;
(3)浇筑混凝土前,模板内的杂物应清理干净;
(4)对清水混凝土工程及装饰混凝土工程,应使用能达到设计效果的模板。
检查数量:全数检查。
检验方法:观察。
2.用作模板的地坪、胎模等应平整光洁,不得产生影响构件质量的下沉、裂缝、起砂或起鼓。
检查数量:全数检查。
检验方法:观察。
3.对跨度不小于4m的现浇钢筋混凝土梁、板,其模板应按设计要求起拱;当设计无具体要求时,起拱高度宜为跨度的1/1000~3/1000。
检查数量:在同一检验批内,对梁,应抽查构件数量的10%,且不少于3件;对板,应按有代表性的自然间抽查10%,且不少于3间;对大空间结构,板可按纵、横轴线划分检查面,抽查10%,且不少于3面。
检验方法:水准仪或拉线、钢尺检查。
4.固定在模板上的预埋件、预留孔和预留洞均不得遗漏,且应安装牢固,其偏差应符合表8-79的规定。
检查数量:在同一检验批内,对梁、柱和独立基础,应抽查构件数量
的10%,且不少于3件;对墙和板,应按有代表性的自然间抽查10%,且不少于3间;对大空间结构,墙可按相邻轴线间高度5m左右划分检查面,板可按纵横轴线划分检查面,抽查10%,且均不少于3面。
检验方法:钢尺检查。
预埋件和预留孔洞的允许偏差表8-79
注:检查中心线位置时,应沿纵、横两个方向量测,并取其中的较大值。
5.现浇结构模板安装的偏差应符合表8-80的规定。
检查数量:在同一检验批内,对梁、柱和独立基础,应抽查构件数量的10%,且不少于3件;对墙和板,应按有代表性的自然间抽查10%,且不少于3间;对大空间结构,墙可按相邻轴线间高度5m左右划分检查面,板可按纵、横轴线划分检查面,抽查10%,且均不少于3面。
现浇结构模板安装的允许偏差及检验方法表8-80
注:检查轴线位置时,应沿纵、横两个方向量测,并取其中的较大值。
6.预制构件模板安装的偏差应符合表8-81的规定。
检查数量:首次使用及大修后的模板应全数检查;使用中的模板应定期检查,并根据使用情况不定期抽查。
预制构件模板安装的允许偏差及检验方法表8-81
注:l为构件长度(mm)。
8-7-3 模板拆除
8-7-3-1 主控项目
1.底模及其支架拆除时的混凝土强度应符合设计要求;当设计无具体要求时,混凝土强度应符合表8-82的规定。
检查数量:全数检查。
检验方法:检查同条件养护试件强度试验报告。
底模拆除时的混凝土强度要求表8-82
2.对后张法预应力混凝土结构构件,侧模宜在预应力张拉前拆除;底模支架的拆除应按施工技术方案执行,当无具体要求时,不应在结构构件建立预应力前拆除。
检查数量:全数检查。
检验方法:观察。
3.后浇带模板的拆除和支顶应按施工技术方案执行。
检查数量:全数检查。
检验方法:观察。
8-7-3-2 一般项目
1.侧模拆除时的混凝土强度应能保证其表面及棱角不受损伤。
检查数量:全数检查。
检验方法:观察。
2.模板拆除时,不应对楼层形成冲击荷载。
拆除的模板和支架宜分散堆放并及时清运。
检查数量:全数检查。
检验方法:观察。