质量管理体系管理细化执行
- 格式:doc
- 大小:179.00 KB
- 文档页数:9
《质量管理工作细化执行与模板(第2版)》:把岗位的工作目标化把目标的实现流程化把流程化的工作细化把细化的执行模板化工作目标化——明确所做工作的目标和结果目标流程化——通过标准化的流程达成目标关键点细化——细化工作流程中的关键环节执行模板化——提供工具模板作为执行范例目录第一章质量管理岗位设计与工作事项第一节质量管理岗位设计与目标分解一、质量管理岗位设计模板(一)大型企业质量管理岗位设计(二)中型企业质量管理岗位设计(三)小型企业质量管理岗位设计(四)服务质量管理岗位设计二、质量管理工作目标分解(一)质量检验工作目标(二)质量控制工作目标(三)质量改进工作目标(四)质量成本控制工作目标(五)质量管理体系工作目标(六)服务质量管理工作目标第二节质量管理部各岗位工作事项一、管理岗位工作明细表(一)质量总监工作明细表(二)质量管理经理工作明细表二、采购质量管理岗位工作明细表(一)采购检验主管工作明细表(二)采购检验专员工作明细表三、制程检验管理岗位工作明细表(一)制程检验主管工作明细表(二)制程检验专员工作明细表(三)工序检验专员工作明细表四、仓储质量管理岗位工作明细表(一)仓储质量管理员工作明细表(二)出货质量检验专员工作明细表五、质量控制岗位工作明细表(一)质量控制主管工作明细表(二)质量控制专员工作明细表(三)质量先期策划工程师工作明细表六、质量改进岗位工作明细表(一)质量改进主管工作明细表(二)质量改进专员工作明细表七、质量成本控制岗位工作明细表(一)质量成本主管工作明细表(二)质量成本专员工作明细表八、质量管理体系管理工作明细表(一)质量管理体系主管工作明细表(二)质量保证工程师工作明细表九、服务质量管理岗位工作明细表(一)服务质量主管工作明细表(二)服务质量监控专员工作明细表第二章质量目标与计划细化执行与模板第一节质量方针目标管理流程与工作执行一、质量方针管理流程与工作变化(一)质量方针制定流程(二)质量方针控制程序二、质量目标管理流程与工作细化(一)质量目标控制流程(二)质量目标控制程序三、质量方针目标确定执行工具与模板(一)质量方针实施对策表(二)部门质量目标展开表(三)月度部门质量目标完成测量表(四)部门质量目标分解实施评审表(五)质量方针和质量目标书模板第二节质量管理计划管理流程与工作执行一、质量管理计划管理流程与工作细化(一)质量管理计划管理流程(二)质量管理计划控制程序二、质量管理计划制订执行工具与模板(一)质量管理工作计划单(二)年度质量工作计划检查表(三)年度质量工作计划变更表第三章质量先期策划细化执行与模板第一节质量设计与试制流程与工作执行一、质量设计流程与工作细化(一)质量设计管理流程(二)质量设计控制程序二、产品试制管理流程与工作细化(一)产品试制管理流程(二)产品试制控制程序三、产品质量设计执行工具与模板(一)产品质量先期策划小组成员表(二)产品质量先期策划任务清单(三)产品责任书模板(四)初始材料清单(五)项目开发进度表(六)送样通知书模板(七)客户样品评审确认书模板(八)样品生产计划表模板(九)样品生产状况确认表(十)试生产控制计划模板(十一)产品质量先期策划总结报告模板第二节质量标准制定流程与工作执行一、质量标准制定流程与工作细化(一)质量标准编制流程(二)质量标准编制控制程序二、质量标准制定执行工具与模板(一)产品质量标准表(二)质量标准修订单(三)质量管理标准变动通知单(四)标准作业指导书(sop)模板(五)标准检验指导书(sip)模板第三节质量先期策略管理方案一、质量设计更改评审方案二、产品质量标准修订方案第四章采购质量管理细化执行与模板第一节采购检验管理流程与工作执行一、采购检验流程与工作细化(一)采购检验流程(二)采购检验控制程序二、采购紧急放行流程与工作细化(一)采购紧急放行流程(二)采购紧急放行控制程序三、特采作业工作流程与工作细化(一)特采作业工作流程(二)特采作业控制程序四、采购异常处理流程与工作细化(一)采购异常处理流程(二)采购异常处理控制程序五、采购检验执行工具与模板(一)设备采购验收单(二)采购检验报告单(三)紧急放行申请单(四)特采作业申请书(五)材料试用检验通知单(六)采购检验规范模板第二节供应商质量控制流程与工作执行一、供应商质量评选流程与工作细化(一)供应商评选流程(二)供应商评选控制程序二、合格供应商管理控制流程与工作细化(一)合格供应商管理流程(二)合格供应商管理控制程序三、供应商质量控制执行工具与模板(一)供应商调查表(二)供应商质量检查表(三)供应商质量统计表(四)供应商不合格记录表(五)供应商考核评级表(六)供应商质量保证协议模板(七)合格供应商管理细则模板第三节采购质量管理方案一、采购质量控制方案二、进料检验管理方案三、供应商考核实施方案第五章制程质量管理细化执行与模板第一节制程检验流程与工作执行一、制程检验流程与工作细化(一)制程检验实施流程(二)制程检验控制程序二、制程检验执行工具与模板(一)生产事前质量检查表(二)生产过程控制标准表(三)制程首件检验记录表(四)制程巡回检验记录表(五)制程质量异常处理表(六)巡回检验作业制度模板第二节工序质量管理流程与工作执行一、工序质量管理流程与工作细化(一)工序质量管理流程(二)工序质量控制程序二、工序质量管理执行工具与模板(一)工序检验作业指导书(二)生产工序质量评定表(三)生产工序检验记录表(四)工序质量审核报告单(五)工序质量审核管理办法模板第三节制程质量异常处理流程与工作执行一、制程质量异常处理流程与工作细化(一)制程质量异常处理流程(二)制程质量异常处理控制程序(三)制程不合格品处理控制程序二、制程质量异常处理执行工具与模板(一)制程异常报告单(二)质量不良率分析表(三)制程不合格品处理单(四)制程不合格品报废申请单(五)制程不合格品隔离规定模板第四节制程管理方案一、制程质量管控方案二、制程不合格品处理方案三、工序质量控制点实施方案第六章仓储质量管理细化执行与模板第一节入库检验流程与工作执行一、入库检验流程与工作细化(一)入库检验流程(二)入库检验控制程序二、入库检验执行工具与模板(一)采购入库单(二)产成品入库单(三)采购入库明细表(四)成品入库检验报告第二节库存管理流程与工作执行一、库存管理流程与工作细化(一)库存控制流程(二)库存控制程序二、库存管理执行工具与模板(一)物资盘存表(二)物资保养记录单(三)呆/废料处理申请单(四)库存管理制度模板第三节出库检验流程与工作执行一、出库管理流程与工作细化(一)出库控制流程(二)出库控制程序二、出库管理执行工具与模板(一)出库单(二)出库明细表(三)物资领表单(四)成品出库检验汇总表(五)物资出库管理细则模板第四节仓储管理方案一、库存物资盘点方案二、呆/废料处理方案第七章质量控制管理细化执行与模板第一节质量控制流程与工作执行一、质量控制流程与工作细化(一)质量控制流程(二)质量控制程序二、质量控制执行工具与模板(一)质量管理标准表(二)产品质量管理表(三)质量因素变动表(四)质量异常通知单(五)质量异常报告单(六)质量异常统计表第二节产品标识和可追溯性控制流程与工作执行一、产品标识和可追溯性控制流程与工作细化(一)产品标识和可追溯性控制流程(二)产品标识和可追溯性控制程序二、产品标识和可追溯性控制流程执行工具与模板(一)采购不合格品标识卡(二)工序产品标识卡(三)物料存放标记牌(四)成品状态标识卡第三节不合格品控制流程与工作执行一、不合格品控制流程与工作细化(一)不合格品控制流程(二)不合格品控制程序二、纠正和预防措施流程与工作细化(一)纠正措施工作流程(二)预防措施工作流程(三)纠正与预防措施控制程序三、不合格品控制执行工具与模板(一)纠正和预防措施处理表单(二)纠正与预防措施制定实施记录表(三)纠正与预防措施实施情况汇总表(四)不合格现象纠正措施模板第四节qc小组工作流程与工作执行一、qc小组工作流程与工作细化(一)qc小组建立流程(二)qc小组活动组织流程(三)qc小组活动控制程序二、qc小组工作执行工具与模板(一)qc小组资料登记表(二)qc小组会议报告表(三)qc小组活动计划表(四)qc小组活动记录表(五)qc小组活动报告表(六)qc小组活动成果现场评审表(七)qc小组活动成果发表评审表(八)qc小组组建工作制度模板第五节质量控制管理方案一、qc小组活动方案二、qc小组活动成果评审方案三、纠正与预防措施工作实施方案第八章质量改进管理细化执行与模板第一节质量分析流程与工作执行一、质量分析流程与工作细化(一)质量分析工作流程(二)质量分析控制程序二、质量分析执行工具与模板(一)质量日报表(二)制程巡回检验日报表(三)月度质量分析报告模板第二节质量改进流程与工作执行一、质量改进流程与工作细化(一)质量改进工作流程(二)质量改进控制程序二、质量改进执行工具与模板(一)质量改进工作计划表(二)产品质量改进通知单(三)产品质量改进分析表(四)产品质量改进记录表(五)质量改进提案管理制度模板第三节质量改进管理方案一、质量改进分析方案二、全面质量管理推进方案第九章质量成本管理细化执行与模板第一节质量成本计划流程与工作执行一、质量成本计划流程与工作细化(一)质量成本计划控制流程(二)质量成本计划控制程序二、质量成本计划执行工具与模板(一)质量成本计划表(二)质量成本计划下达通知模板第二节质量成本控制流程与工作执行一、质量成本控制流程与工作细化(一)质量成本控制流程(二)质量成本控制程序二、质量成本控制执行工具与模板(一)质量成本月报表(二)预防成本统计明细表(三)鉴定成本统计明细表(四)内部故障成本统计明细表(五)外部故障成本统计明细表(六)报废明细表第三节质量成本分析流程与工作执行一、质量成本分析流程与工作细化(一)质量成本分析流程(二)质量成本核算控制程序(三)质量成本分析控制程序二、质量成本分析执行工具与模板(一)质量成本结构分析表(二)月度质量成本构成项目分析表(三)季度质量成本构成项目汇总表(四)质量成本分析报告书摸板第四节质量成本管理方案一、质量成本分析方案二、质量成本控制方案第十章质量管理体系管理细化执行与模板第一节质量管理体系建立流程与工作执行一、质量管理体系建立流程与工作细化(一)质量管理体系建立工作流程(一)质量管理体系完善工作流程(三)质量管理体系建立控制程序二、质量管理体系建立执行工具与模板(一)质量管理体系职能分配表(二)质量管理体系运行检查表(三)质量管理体系运行报告模板(四)质量管理体系管理制度模板(五)质量管理体系改进办法模板第二节质量管理体系文件编制流程与工作执行一、质量管理体系文件编制流程与工作细化(一)质量管理体系文件编制流程(二)质量管理体系文件控制流程(三)质量管理体系文件控制程序(四)质量记录控制程序二、质量管理体系文件编制执行工具与模板(一)质量管理体系文件一览表(二)质量管理体系受控文件一览表(三)质量管理体系文件更改申请表(四)质量管理体系文件销毁申请单第三节质量管理体系评审流程与工作执行一、质量管理体系内审流程与工作细化(一)质量管理体系内审流程(二)质量管理体系内审控制程序二、质量管理评审流程与工作细化(一)质量管理评审流程(二)质量管理评审控制程序三、质量管理体系审核执行工具与模板(一)质量管理体系审核计划表(二)质量管理体系审核检查表(三)质量管理体系文件评审表(四)质量管理内审检查表(五)内审不合格项汇总表(六)内部审核工作报告模板(七)质量管理评审报告模板第四节质量管理体系认证流程与工作执行一、质量管理体系认证流程与工作细化(一)质量管理体系认证流程(二)质量管理体系认证控制程序二、质量管理体系认证执行工具与模板(一)质量管理体系认证申请表(二)质量管理体系认证总结模板第五节质量管理体系管理方案一、质量手册编制方案二、质量管理体系导入方案第十一章现场质量管理细化执行与模板第一节s管理流程与工作执行一、5s实施管理流程与工作细化(一)5s实施管理流程(二)5s实施控制程序二、5s管理执行工具与模板(一)5s活动检查表(二)现场管理制度模板第二节现场改善管理流程与工作执行一、现场改善管理流程与工作细化(一)现场改善管理流程(二)现场改善控制程序二、现场改善管理执行工具与模板(一)现场作业检查卡(二)现场改善报告表第十二章计量器具管理细化执行与模板第一节计量器具日常管理流程与工作执行一、计量器具日常管理流程与工作细化(一)计量器具日常管理流程(二)计量器具日常管理控制程序二、计量器具日常管理执行工具与模板(一)计量器具台账(二)计量器具管理卡(三)计量器具采购申请表(四)计量器具分级管理办法模板第二节计量器具使用管理流程与工作执行一、计量器具使用管理流程与工作细化(一)计量器具使用管理流程(二)计量器具使用控制程序二、计量器具使用管理执行工具与模板(一)计量器具使用申请表(二)计量器具使用登记表(三)计量器具归还登记表(四)计量器具报废记录表第三节计量器具维护管理流程与工作执行一、计量器具维护流程与工作细化(一)计量器具维护保养流程(二)计量器具维护控制程序二、计量器具维护执行工具与模板(一)计量器具校正卡(二)计量器具定期维护保养/校正计划表(三)计量器具定期维护保养/校正记录表(四)计量器具校正管理细则模板第十三章服务质量管理细化执行与模板第一节服务过程质量管理流程与工作执行一、服务过程质量管理流程与工作细化(一)服务过程质量管理流程(二)服务过程质量管理程序二、服务过程质量管理执行工具与模板(一)服务质量调查表(二)服务过程质量检查表(三)服务过程质量标准规范模板第二节客户投诉处理流程与工作执行一、客户投诉处理流程与工作细化(一)客户投诉处理流程(二)客户投诉处理控制程序二、客户投诉处理执行工具与模板(一)客户投诉记录表(二)客户投诉分析表(三)客户投诉汇总表(四)客户投诉处理报告模板(五)客户投诉处理标准规范模板第三节服务质量改进流程与工作执行一、服务质量改进流程与工作细化(一)服务质量改进工作流程(二)服务质量改进控制程序二、服务质量改进执行工具与模板(一)服务质量差距分析表(二)服务质量改进汇报表(三)服务质量标准化手册修改控制记录表第四节服务质量管理方案一、避免客户投诉实施方案二、服务质量改进措施实施方案。
如何建立全面有效的企业管理制度体系与精细化执行导言企业管理是保证企业正常运作和增长的关键。
一个全面有效的企业管理制度体系与精细化执行对于企业的长期发展至关重要。
本文将从制度建设、执行力培养、沟通协作、激励机制、监督与反馈、信息化支撑、持续改进、人才培养、风险控制和企业文化等十个方面展开讨论,为企业建立全面有效的管理体系提供一些建议。
一、制度建设在企业管理中,制度是规范和指导员工行为的基础。
建立全面有效的企业管理体系必须首先进行制度建设。
制度建设包括制度设计、修订和发布等环节。
制度的设计要合理,明确规定岗位职责、权限与责任;制度的修订要根据实际情况及时进行,使其与企业需求保持一致;制度的发布要做到全员知晓,为执行奠定基础。
二、执行力培养制度只有在执行中才能发挥作用,因此,培养员工的执行力是企业管理的核心问题之一。
首先,要建立科学的绩效考核制度,将实际执行情况与员工绩效挂钩,激发员工的执行动力;其次,通过培训和学习不断提升员工的专业水平和执行能力;再次,领导示范和激励鼓励可以提高员工的执行能力。
三、沟通协作沟通是管理中的重要环节。
一个良好的沟通协作机制可以促进信息的传递和理解,增进团队的凝聚力。
企业管理中可以通过定期召开团队会议、制定沟通流程、搭建交流平台等方式来促进沟通。
同时,鼓励员工分享经验,倡导互助互利,培养团队合作精神,提高整体协作效能。
四、激励机制激励是推动员工积极性和创造力的重要手段。
企业管理中应建立科学合理的激励机制,既要有物质激励,如薪酬制度、福利待遇,也要有非物质激励,如晋升机会、培训发展等。
此外,要注重激励的差异化,因人而异,根据员工不同的素质和贡献给予相应的激励。
五、监督与反馈监督与反馈是保证企业管理有效性和规范性的重要环节。
企业管理中应建立监督机制,如内部审计、风险控制等,对制度的执行情况进行监督。
同时,及时给出反馈,对于执行不到位的问题进行纠正和改进,形成良性循环。
六、信息化支撑信息化是现代企业管理的必然选择。
质量管理部精细化管理方案1. 背景故事我们都知道,质量管理就像守护一座城堡,城堡里的每一块砖都代表着产品的一个细节。
以前呢,我们的质量管理有点粗枝大叶,就像只大概看一下城堡的轮廓,有些小问题就容易被忽略。
所以,为了让我们的城堡(产品)更加坚固完美,我们要搞这个精细化管理方案。
1.1 计划框架这个方案就像给城堡做一次全面的精细化装修。
我们先从基础开始检查(原材料的质量),就像检查城堡的地基石头是否坚固。
然后再看建造过程(生产流程),是不是每一步都按照精细的标准来做,这就好比看工匠们有没有按照精细的图纸来砌墙。
最后再检查成品(最终产品),就像给装修好的城堡做最后的验收,看看每一个角落是不是都完美。
2. 实施步骤2.1 启动阶段(第1 - 2周)2.1.1 责任人:质量管理部主管这个主管呢,需要有很强的组织协调能力和丰富的质量管理经验。
他要做的就是先把质量管理部的人员召集起来开个会。
就像开个家庭会议一样,告诉大家我们要开始对质量管理进行精细化管理了。
然后呢,他要把这个方案的大概框架和目标跟大家说清楚。
比如说,我们要把产品的合格率从现在的80%提升到90%。
2.2 规划阶段(第3 - 4周)2.2.1 责任人:质量管理部的骨干成员这些骨干成员要有很好的数据分析能力和对质量标准的深刻理解。
他们要做的是收集现有的质量管理资料,包括以前的质量检测报告、生产流程记录等。
这就像考古学家收集文物资料一样,要全面细致。
然后根据这些资料,制定出详细的质量管理流程细化图。
比如把原来简单的生产环节中的质量检测步骤,从三步细化到五步。
2.3 执行阶段(第5 - 10周)2.3.1 责任人:质量管理部全体成员全体成员都要参与进来,他们要做的就是按照新的质量管理流程去执行。
比如说在原材料检测环节,以前是抽检20%,现在要提高到30%。
而且检测的标准也要更加严格,像原材料的某一关键成分的含量偏差,以前允许在±3%,现在只能在±1%。
质量治理工作细化执行与模板北京目录第一章质量治理岗位设计与工作事项 (17)第一节质量治理岗位设计与目标分解 (17)一、质量治理岗位设计模板 (17)二、质量治理部门目标分解 (20)第二节质量治理部各岗位工作事项 (22)一、质量治理岗位工作明细 (22)二、进料治理岗位工作明细 (25)三、制程治理岗位工作明细 (26)四、成品治理岗位工作明细 (28)五、服务质量岗位工作明细 (29)第二章质量目标与打算细化执行与模板 (30)第一节质量目标治理流程与工作执行 (30)一、质量治理目标确定流程 (30)二、质量目标确定执行工具与模板 (32)第二节质量治理打算流程与工作执行 (33)第三章采购质量治理细化执行与模板 (33)第一节采购检验流程与工作执行 (33)一、采购检验流程 (33)二、采购检验执行工具与模板 (35)第二节供应商治理流程与工作执行 (37)第四章制程质量治理细化执行与模板 (41)第一节制程治理流程与工作执行 (41)一、制程检验流程 (41)二、制程检验执行工具与模板 (43)第二节工序治理流程与工作执行 (46)第五章产品质量治理细化执行与模板 (48)第一节成品检验流程与工作执行 (48)一、成品检验流程 (48)二、成品检验执行工具与模板 (50)第二节半成品检验流程与工作执行 (52)第三节不合格品处理流程与工作执行 (53)第六章质量操纵治理细化执行与模板 (56)第一节质量操纵流程与工作执行 (56)一、质量操纵流程与工作细化 (56)二、质量操纵执行工具与模板 (57)第二节质量标准制定流程与工作执行 (60)第三节质量治理小组工作流程与工作执行 (62)第七章质量改进治理细化执行与模板 (66)第一节质量分析流程与工作执行 (66)一、质量分析流程 (66)二、质量分析执行工具与模板 (68)第二节质量改进流程与工作执行 (69)第八章质量成本治理细化执行与模板 (71)第一节质量成本操纵流程与工作执行 (71)一、质量成本操纵流程 (71)二、质量成本操纵执行工具与模板 (74)第二节质量成本打算流程与工作执行 (78)第三节质量成本分析流程与工作执行 (80)第九章质量治理体系治理细化执行与模板 (83)第一节质量体系文件编写流程与工作执行 (83)一、质量体系文件编写流程 (83)二、质量体系文件编写执行工具与模板 (85)第二节质量治理体系审核流程与工作执行 (86)第十章服务质量治理细化执行与模板 (93)第一节服务质量体系治理流程与工作执行 (93)一、服务质量体系建立流程 (93)二、服务质量体系建立执行工具与模板 (94)第二节服务质量治理流程与工作执行 (96)第十一章现场质量治理细化执行与模板 (97)第一节 5S治理流程与工作执行 (97)一、5S实施治理流程 (97)二、5S治理执行工具与模板 (98)第二节现场改善治理流程与工作执行 (99)第十二章计量器具治理细化执行与模板 (100)第一节计量器具采购流程与工作执行 (100)一、计量器具采购流程 (100)二、计量器具采购执行工具与模板 (102)第二节计量器具治理流程与工作执行 (103)第一章质量治理岗位设计与工作事项第一节质量治理岗位设计与目标分解一、质量治理岗位设计模板(一)小型企业质量治理岗位设计(二)中型企业质量治理岗位设计(三)大型企业质量治理岗位设计二、质量治理部门目标分解(一)质量治理经理岗位工作目标。
质量管理体系的项目管理与执行计划一、引言在现代企业管理中,质量管理体系是确保产品和服务质量的关键要素之一。
为了确保质量管理体系能够有效实施,项目管理与执行计划起到关键作用。
本文将探讨质量管理体系项目的管理和执行计划,在实施过程中的关键要点以及如何提高效率和成果。
二、质量管理体系项目管理质量管理体系项目管理是指针对质量管理体系的实施过程进行有效的计划、组织、控制和监督,以确保项目目标的达成。
以下是质量管理体系项目管理的几个关键要点:1.项目计划:在实施质量管理体系项目之前,需要进行详细的项目计划。
这包括定义项目目标和范围、制定项目进度和时间表、确定资源需求和分配、确定项目风险和风险管理策略等。
2.项目组织:项目组织是指为实施质量管理体系项目而设立的组织结构和职责分配。
在项目组织中,需要明确项目经理和项目团队成员的角色和责任,并确保沟通与协作的顺畅。
3.项目控制:项目控制是指对项目实施过程进行监督和控制,以确保项目按照计划进行并达到预期的结果。
这包括对项目进度、成本、质量和风险等进行监控,并及时采取纠正措施以保持项目的正常运行。
4.项目评估:项目评估是指对质量管理体系项目的绩效进行评估和审查。
通过对项目的评估,可以发现问题和改进的机会,并及时进行调整和改进以提高项目的质量和效果。
三、质量管理体系项目执行计划质量管理体系项目的执行计划是指为了实施项目而制定的详细计划。
以下是质量管理体系项目执行计划的几个关键要点:1.资源调配:执行计划中需要明确资源的需求和调配,包括人员、设备、材料等方面。
通过合理的资源调配,可以保证项目的顺利进行,并确保质量管理体系的有效实施。
2.工作流程:在执行计划中,需要详细描述质量管理体系的工作流程和操作方法。
这包括各个环节的具体工作内容、工作顺序和相互关系。
通过明确工作流程,可以保证各项任务的顺利完成和协调配合。
3.时间安排:执行计划中需要明确各项任务的时间安排和进度要求。
这包括制定时间表、确定关键路径和里程碑,并设定相应的时间节点和目标。
生产质量管理细化执行生产质量管理是指在生产过程中,通过一系列的措施和方法,确保产品符合质量要求的管理活动。
细化执行是生产质量管理的关键环节,它涉及到各个环节的细节操作,对于保证产品质量具有重要意义。
下面将介绍生产质量管理细化执行的具体内容。
1.前期准备阶段:在产品生产之前,需要进行一系列的前期准备工作。
首先是确定生产目标和质量指标,明确产品的整体要求和标准。
然后进行生产工艺流程的分析和优化,确保在生产过程中每一个环节都能正确操作,并达到相应的质量要求。
同时,还需要进行设备和人员的准备,确保所有的设备都是正常运行,并且有足够的人员来操作和监控生产过程。
2.原材料的质量控制:原材料是产品的基础,对产品的质量起着至关重要的作用。
因此,在生产过程中,需要对原材料进行严格的质量控制。
首先,要选择质量稳定的供应商,并与供应商建立长期稳定的合作关系。
其次,在原材料的进货验收环节中,需要对原材料进行严格的检验,确保原材料符合质量要求。
最后,对于不合格的原材料,要及时追溯原因,并与供应商沟通和解决问题,以避免不良品的生产。
3.生产过程的控制:生产过程的控制是保证产品质量的关键环节。
在生产过程中,需要对每一个环节进行详细的操作指导和控制。
首先,要确保生产操作符合工艺要求,并进行操作人员的培训和考核,保证操作人员的技术水平和责任心。
其次,要进行过程监控和参数控制,确保每一道工序的参数都控制在标准范围内。
最后,要进行在线检测和抽样检验,及时发现生产过程中的问题,并进行调整和改进。
4.产品的质量验证:在产品生产完成后,需要进行质量验证,确保产品符合质量要求。
首先,要进行产品的质量检验,对产品进行全面的检测,包括外观、尺寸、物理性能等。
其次,要进行产品的功能性验证,确保产品能够正常使用和满足用户需求。
最后,要进行产品的可靠性验证,通过一系列的寿命测试和可靠性评估,确保产品具有足够的使用寿命和可靠性。
5.数据分析和改进:数据分析是生产质量管理的基础,通过对生产数据的收集和分析,可以发现生产中存在的问题,并进行改进措施的制定。
质量管理体系实施细则一、背景介绍随着社会经济的发展和市场竞争的日益激烈,企业越来越意识到质量管理的重要性。
建立和实施一套高效的质量管理体系,成为企业提高产品质量、提升市场竞争力的有效途径。
本文将介绍质量管理体系的实施细则,以期帮助企业更好地开展质量管理工作。
二、质量管理体系实施的基本原则1. 领导层承诺:企业的高层管理人员应对质量管理体系的实施充分重视,通过明确的承诺和资源投入,为质量管理工作提供有力保障。
2. 组织架构:建立适应企业规模和业务特点的质量管理组织架构,明确各级管理职责和权限,确保质量管理工作有序进行。
3. 过程流程管理:以过程为导向,通过流程分析和优化,确保企业各项活动均能按照规定的流程顺利展开,提高工作效率和质量。
4. 风险管理:建立完善的风险管理机制,识别和评估可能存在的风险,并采取相应的控制措施,降低风险对质量管理工作的影响。
5. 持续改进:通过持续改进的循环机制,不断优化质量管理体系,提高质量管理水平和能力,逐步实现精益求精。
三、质量管理体系实施步骤1. 确定目标:制定明确的质量管理目标,并与企业的战略目标相适应,确保质量管理体系的实施有明确的方向。
2. 规划实施:编制质量管理体系实施计划,明确实施的具体步骤、时间安排和资源投入,确保实施过程可控。
3. 建立档案:制定并建立质量管理体系相关的文件和记录,包括质量手册、程序文件、操作规程等,确保质量管理工作的规范性和可追溯性。
4. 培训与教育:对质量管理体系的实施进行培训和教育,提高员工对质量管理的认识和理解,增强其质量意识和责任感。
5. 实施运行:按照质量管理体系文件和要求,组织实施各项质量管理活动,包括质量计划制定、质量控制、内部审核等。
6. 检查与评估:定期对质量管理体系进行检查和评估,发现问题和不足,并采取相应的纠正和预防措施,确保质量管理工作的持续改进。
7. 沟通与反馈:加强与相关方的沟通与反馈,包括供应商、客户、员工等,倾听各方的需求和意见,不断提高质量管理工作的满意度。
质量治理工作细化执行与模板北京目录第一章质量治理岗位设计与工作事项 (17)第一节质量治理岗位设计与目标分解 (17)一、质量治理岗位设计模板 (17)二、质量治理部门目标分解 (20)第二节质量治理部各岗位工作事项 (22)一、质量治理岗位工作明细 (22)二、进料治理岗位工作明细 (25)三、制程治理岗位工作明细 (26)四、成品治理岗位工作明细 (28)五、服务质量岗位工作明细 (29)第二章质量目标与打算细化执行与模板 (30)第一节质量目标治理流程与工作执行 (30)一、质量治理目标确定流程 (30)二、质量目标确定执行工具与模板 (32)第二节质量治理打算流程与工作执行 (33)第三章采购质量治理细化执行与模板 (33)第一节采购检验流程与工作执行 (33)一、采购检验流程 (33)二、采购检验执行工具与模板 (35)第二节供应商治理流程与工作执行 (37)第四章制程质量治理细化执行与模板 (41)第一节制程治理流程与工作执行 (41)一、制程检验流程 (41)二、制程检验执行工具与模板 (43)第二节工序治理流程与工作执行 (46)第五章产品质量治理细化执行与模板 (48)第一节成品检验流程与工作执行 (48)一、成品检验流程 (48)二、成品检验执行工具与模板 (50)第二节半成品检验流程与工作执行 (52)第三节不合格品处理流程与工作执行 (53)第六章质量操纵治理细化执行与模板 (56)第一节质量操纵流程与工作执行 (56)一、质量操纵流程与工作细化 (56)二、质量操纵执行工具与模板 (57)第二节质量标准制定流程与工作执行 (60)第三节质量治理小组工作流程与工作执行 (62)第七章质量改进治理细化执行与模板 (66)第一节质量分析流程与工作执行 (66)一、质量分析流程 (66)二、质量分析执行工具与模板 (68)第二节质量改进流程与工作执行 (69)第八章质量成本治理细化执行与模板 (71)第一节质量成本操纵流程与工作执行 (71)一、质量成本操纵流程 (71)二、质量成本操纵执行工具与模板 (74)第二节质量成本打算流程与工作执行 (78)第三节质量成本分析流程与工作执行 (80)第九章质量治理体系治理细化执行与模板 (83)第一节质量体系文件编写流程与工作执行 (83)一、质量体系文件编写流程 (83)二、质量体系文件编写执行工具与模板 (85)第二节质量治理体系审核流程与工作执行 (86)第十章服务质量治理细化执行与模板 (93)第一节服务质量体系治理流程与工作执行 (93)一、服务质量体系建立流程 (93)二、服务质量体系建立执行工具与模板 (94)第二节服务质量治理流程与工作执行 (96)第十一章现场质量治理细化执行与模板 (97)第一节 5S治理流程与工作执行 (97)一、5S实施治理流程 (97)二、5S治理执行工具与模板 (98)第二节现场改善治理流程与工作执行 (99)第十二章计量器具治理细化执行与模板 (100)第一节计量器具采购流程与工作执行 (100)一、计量器具采购流程 (100)二、计量器具采购执行工具与模板 (102)第二节计量器具治理流程与工作执行 (103)第一章质量治理岗位设计与工作事项第一节质量治理岗位设计与目标分解一、质量治理岗位设计模板(一)小型企业质量治理岗位设计(二)中型企业质量治理岗位设计(三)大型企业质量治理岗位设计二、质量治理部门目标分解(一)质量治理经理岗位工作目标(二)质量检验治理岗位工作目标(三)服务质量治理岗位工作目标第二节质量治理部各岗位工作事项一、质量治理岗位工作明细(一)质量治理部经理工作明细表(二)质量工程师工作明细表(三)质量操纵主管工作明细表二、进料治理岗位工作明细(一)进料检验主管工作明细表(二)进料检验专职员作明细表(三)采购检验专职员作明细表三、制程治理岗位工作明细(一)制程检验主管工作明细表(二)制程检验专职员作明细表(三)工序检验专职员作明细表。
生产质量管理工作细化执行
一、生产质量管理工作知识准备
(五)生产质量检查工作内容
质量检查是对产品本身进行的直接检验,是企业整个生产过程中必不可少的一道手续。
其目的就是严格把关,反馈数据信息,监督和保证产品质量。
大多数企业进行质量检验是根据不同的生产阶段、不同的检验对象及不同的检查内容分为进料检验、工序检验和成品检验三种,如表9-4所示。
表9-4 生产质量检查工作内容
(六)建立质量管理体系的步骤
1.建立质量管理体系的工作阶段
一般而言,建立质量管理体系可分为总体设计、文件编制和实施运行三个阶段,如表9-5所示。
表9-5 建立质量管理体系的步骤。
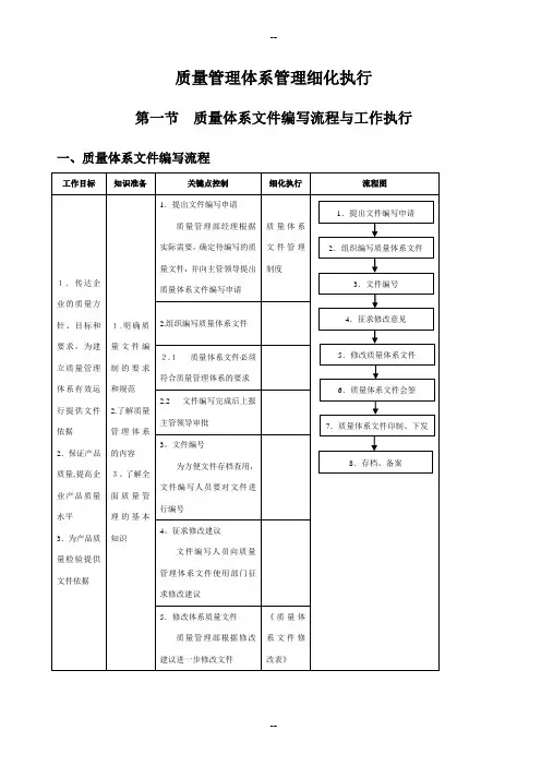
质量管理体系管理细化执行
第一节质量体系文件编写流程与工作执行一、质量体系文件编写流程
二、质量体系文件编写执行工具与模板
(一)质量文件记录清单
(二)受控质量文件清单
(三)质量文件更改申请表
(四)质量文件销毁申请单
(五)质量文件发放回收表
(六)质量文件借阅复制记录表单
第二节质量管理体系审核流程与工作执行一、质量管理体系审核计划表
二、质量体系文件评审记录表
说明:
1.“符合性”栏的填写指对符合标准要求的填“符合”,不符合标准要求的填“不符合";
2.“评审说明”栏的填写指对不符合要求的填写不符合的事实;
3。
“其他不符合事项”栏的填写指与法律法规等其他要求不符合的事项。
三、质量管理体系审核检查表
四、质量管理体系审核报告表
五、纠正和预防措施处理表单
审核小组组长:序号:
六、内部审核问题点报告表单
编号:日期:年月日
七、过程业绩评审报告表。
与目录第一章质量管理岗位设计与工作事项 (18)第一节质量管理岗位设计与目标分解 (18)一、质量管理岗位设计模板 (18)二、质量管理部门目标分解 (20)第二节质量管理部各岗位工作事项 (22)一、质量管理岗位工作明细 (22)二、进料管理岗位工作明细 (25)三、制程管理岗位工作明细 (26)四、成品管理岗位工作明细 (28)五、服务质量岗位工作明细 (29)第二章质量目标与计划细化执行与模板 (31)第一节质量目标管理流程与工作执行 (31)一、质量管理目标确定流程 (31)二、质量目标确定执行工具与模板 (32)第二节质量管理计划流程与工作执行 (33)第三章采购质量管理细化执行与模板 (34)第一节采购检验流程与工作执行 (34)一、采购检验流程 (34)二、采购检验执行工具与模板 (35)第二节供应商管理流程与工作执行 (38)第四章制程质量管理细化执行与模板 (42)第一节制程管理流程与工作执行 (42)一、制程检验流程 (42)二、制程检验执行工具与模板 (44)第二节工序管理流程与工作执行 (47)第五章产品质量管理细化执行与模板 (48)第一节成品检验流程与工作执行 (48)一、成品检验流程 (48)二、成品检验执行工具与模板 (51)第二节半成品检验流程与工作执行 (52)第三节不合格品处理流程与工作执行 (53)第六章质量控制管理细化执行与模板 (56)第一节质量控制流程与工作执行 (56)一、质量控制流程与工作细化 (56)二、质量控制执行工具与模板 (57)第二节质量标准制定流程与工作执行 (60)第三节质量管理小组工作流程与工作执行 (61)第七章质量改进管理细化执行与模板 (65)第一节质量分析流程与工作执行 (65)一、质量分析流程 (65)二、质量分析执行工具与模板 (66)第二节质量改进流程与工作执行 (68)第八章质量成本管理细化执行与模板 (70)第一节质量成本控制流程与工作执行 (70)一、质量成本控制流程 (70)二、质量成本控制执行工具与模板 (72)第二节质量成本计划流程与工作执行 (77)第三节质量成本分析流程与工作执行 (79)第九章质量管理体系管理细化执行与模板 (82)第一节质量体系文件编写流程与工作执行 (82)一、质量体系文件编写流程 (82)二、质量体系文件编写执行工具与模板 (83)第二节质量管理体系审核流程与工作执行 (85)第十章服务质量管理细化执行与模板 (91)第一节服务质量体系管理流程与工作执行 (91)一、服务质量体系建立流程 (91)二、服务质量体系建立执行工具与模板 (93)第二节服务质量管理流程与工作执行 (94)第十一章现场质量管理细化执行与模板 (95)第一节5S管理流程与工作执行 (95)一、5S实施管理流程 (95)二、5S管理执行工具与模板 (97)第二节现场改善管理流程与工作执行 (97)第十二章计量器具管理细化执行与模板 (99)第一节计量器具采购流程与工作执行 (99)一、计量器具采购流程 (99)二、计量器具采购执行工具与模板 (101)第二节计量器具管理流程与工作执行 (102)第一章 质量管理岗位设计与工作事项第一节 质量管理岗位设计与目标分解一、质量管理岗位设计模板(一)小型企业质量管理岗位设计质量管理部岗位设计图人员编制经理级1人主管级 3人专员级 人相关说明质量管理部经理来料检验主管制程检验主管成品检验主管来料检验专员制程检验专员成品检验专员(二)中型企业质量管理岗位设计质量管理部岗位设计图人员编制经理级 1人主管级 5人专员级 人相关说明质量管理部经理质量改进主管质量体系主管质量体系专员成本控制主管成本控制专员质量检验主管 制程质检员质量控制主管质量改进专员 质量控制专员 来料质检员成品质检员(三)大型企业质量管理岗位设计质量管理部岗位设计图人员编制经理级1人主管级人专员级人相关说明二、质量管理部门目标分解(一)质量管理经理岗位工作目标总体目标目标细化质量体系建设目标1.质量体系完备,重要内容完整,推行全面质量管理,确保质量方针和质量目标得到全面实现2.建立健全质量管理制度,组织实施质量管理体系认证工作,质量管理体系认证一次性通过率达到____%质量管理部经理制程检验主管B产品A产品C产品成品检验主管进料检验主管质量体系主管质量控制主管质量工程师质量控制专员质量改进专员质量体系专员质量统计专员进料检验专员制程检验专员成品检验专员进料检验目标1.确保进料的质量符合相关规定和企业要求,进厂合格率达到____%2.严格执行进料检验规程,进料检验准确率达到____%制程检验目标1.组织相关人员按照相关技术要求,做好产品生产过程的质量检验工作,制程检验准确率控制在____%以内2.不断改进质量,降低不合格率,力争做到零缺陷3.对于生产过程中出现的质量问题,给予及时妥善的处理成品检验目标1.组织、指导各子公司或车间进行成品检验,产品检验准确率达到____%2.确保产品出厂合格率达到100%质量成本目标1.根据上一年度质量成本信息,组织相关人员编制《年度质量成本控制计划》,并确保控制计划得到100%的贯彻执行2.根据质量成本核算信息,组织相关人员分析质量成本,及时提交《质量成本分析报告》(二)质量检验管理岗位工作目标目标类别目标项目目标细化进料检验目标进料检验标准及程序制定目标1.制定进料检验标准和程序,其重要内容完整2.相关制度和程序得到全面的执行进料检验实施目标1.按相关标准、要求,对原材料、外构件等进料物资进行检验,进料检验及时率达到100%,进料准确率达到____%2.在生产过程中不良物料使用投诉率不得高于____%3.进料检验结束后,及时出具检验单制程检验目标质量控制目标1.在制品检验准确率达到____%,错检、漏检发生率为0。
产品质量管理细化执行
第一节成品检验流程与工作执行一、成品检验流程
二、成品检验执行工具与模板
(一)成品检验通知单
编号:日期:
主管:检验员:
(二)成品检验记录表
编号:填写日期:
厂长:生产管理部:检验员:
(三)成品抽查汇总表
编号:填写日期:
(四)出货检验报告单
编号:填写日期:
检验员:复检:
第二节半成品检验流程与工作执行
一、半成品检验记录表
日期:年月日
二、半成品车间检验统计表
第三节不合格品处理流程与工作执行
一、不合格产品管理表
月日至月日页次
二、零件不合格处理单
编号:填写日期:
三、不合格报废申请单
部门主管:制表:
四、质量不良率分析表
编号:填写日期:
操作者:经办人:主管:。
全面推行质量管理体系落实精细化管理工作彭玉善在今天的生产型企业中,成本控制是一个重要的核心,随着市场经济的发展,CPI居高不下的情况下,企业将面临职工加薪等市场因素。
降低成本是企业的主要任务,为了达到这一目的企业通常采用技术创新和运用先进的管理模式。
技术创新是在企业发展一定程度时才采用,而先进的管理模式是一个企业在创立之初就可以考虑的办法,目前在国内提倡精细化管理的企业比较多,但是要落实这一先进管理模式,需要大量的工作量了支撑它的长久。
然而企业开始落实精细化管理时,是否考虑采用国际先进的管理体系帮助他的落实。
一、质量管理与精细化管理联系质量管理体系提出的八项质量管理原则提炼和概括了发达国家几十年的成功经验,具有广泛的适用性,而不受地域环境、文化、背景、组织规模和产品类型的限制。
质量管理八项原则是:关注顾客、领导作用、全员参与、过程方法、管理的系统方法、持续改进、基于事实的决策和互利的供方关系。
充分融合当代国际质量管理理论和实践发展成果的八项原则,其意义已远超出质量管理的领域和范畴,它将为企业精细化管理提供一条正确的思路。
精细化管理是一种管理理念和管理技术,是通过规则的系统化和细化,运用程序化、标准化和数据化的手段,使组织管理各单元精确、高效、协同和持续运行,它是基于组织战略清晰化、内部管理规范化,对指导企业质量管理和质量经营,建立科学量化的标准和可操作、易执行的作业程序,以及基于作业程序的管理工具,实现精细化管理,具有重要意义。
资源效益最大化的基础上提出的,它是组织个体利益和整体利益、短期利益和长期利益的综合需要,它体现了组织对管理的完美追求,是组织严谨、认真、精益求精思想的贯彻。
二、质量管理在企业中作用在矿山推行全面质量管理,即组织要以质量为中心,以全员参与为基础,目的在于通过让顾客满意使本组织所有成员及社会受益而达到长期成功的管理途径。
它与传统的质量理相比较有如下特点:把过去以事后检验和把关为主转变为以预防为主,即从管结果变为管因素;过去的就事论事、分散管理,转变为以系统的观点为指导进行全面的综合的管理;围绕质量开展全员的工作;并强调不断改进过程质量,从而不断改进产品质量。
弗布克细化执行与模板系列质量管理工作细化执行与模板配套光盘王光伟编著北京目录第一章质量管理岗位设计与工作事项 (16)第一节质量管理岗位设计与目标分解 (16)一、质量管理岗位设计模板 (16)二、质量管理部门目标分解 (18)第二节质量管理部各岗位工作事项 (20)一、质量管理岗位工作明细 (20)二、进料管理岗位工作明细 (22)三、制程管理岗位工作明细 (24)四、成品管理岗位工作明细 (25)五、服务质量岗位工作明细 (27)第二章质量目标与计划细化执行与模板 (28)第一节质量目标管理流程与工作执行 (28)一、质量管理目标确定流程 (28)二、质量目标确定执行工具与模板 (29)第二节质量管理计划流程与工作执行 (30)第三章采购质量管理细化执行与模板 (31)第一节采购检验流程与工作执行 (31)一、采购检验流程 (31)二、采购检验执行工具与模板 (32)第二节供应商管理流程与工作执行 (34)第四章制程质量管理细化执行与模板 (38)第一节制程管理流程与工作执行 (38)一、制程检验流程 (38)二、制程检验执行工具与模板 (40)第二节工序管理流程与工作执行 (43)第五章产品质量管理细化执行与模板 (44)第一节成品检验流程与工作执行 (44)一、成品检验流程 (44)二、成品检验执行工具与模板 (46)第二节半成品检验流程与工作执行 (48)第三节不合格品处理流程与工作执行 (48)第六章质量控制管理细化执行与模板 (51)第一节质量控制流程与工作执行 (51)一、质量控制流程与工作细化 (51)二、质量控制执行工具与模板 (52)第二节质量标准制定流程与工作执行 (55)第三节质量管理小组工作流程与工作执行 (56)第七章质量改进管理细化执行与模板 (60)第一节质量分析流程与工作执行 (60)一、质量分析流程 (60)二、质量分析执行工具与模板 (61)第二节质量改进流程与工作执行 (63)第八章质量成本管理细化执行与模板 (65)第一节质量成本控制流程与工作执行 (65)一、质量成本控制流程 (65)二、质量成本控制执行工具与模板 (67)第二节质量成本计划流程与工作执行 (71)第三节质量成本分析流程与工作执行 (73)第九章质量管理体系管理细化执行与模板 (76)第一节质量体系文件编写流程与工作执行 (76)一、质量体系文件编写流程 (76)二、质量体系文件编写执行工具与模板 (77)第二节质量管理体系审核流程与工作执行 (79)第十章服务质量管理细化执行与模板 (85)第一节服务质量体系管理流程与工作执行 (85)一、服务质量体系建立流程 (85)二、服务质量体系建立执行工具与模板 (86)第二节服务质量管理流程与工作执行 (88)第十一章现场质量管理细化执行与模板 (89)第一节5S管理流程与工作执行 (89)一、5S实施管理流程 (89)二、5S管理执行工具与模板 (90)第二节现场改善管理流程与工作执行 (90)第十二章计量器具管理细化执行与模板 (92)第一节计量器具采购流程与工作执行 (92)一、计量器具采购流程 (92)二、计量器具采购执行工具与模板 (94)第二节计量器具管理流程与工作执行 (95)第一章质量管理岗位设计与工作事项第一节质量管理岗位设计与目标分解一、质量管理岗位设计模板(一)小型企业质量管理岗位设计二、质量管理部门目标分解(一)质量管理经理岗位工作目标(二)质量检验管理岗位工作目标(三)服务质量管理岗位工作目标第二节质量管理部各岗位工作事项一、质量管理岗位工作明细(一)质量管理部经理工作明细表(二)质量工程师工作明细表(三)质量控制主管工作明细表二、进料管理岗位工作明细(一)进料检验主管工作明细表(二)进料检验专员工作明细表(三)采购检验专员工作明细表三、制程管理岗位工作明细(一)制程检验主管工作明细表(二)制程检验专员工作明细表(三)工序检验专员工作明细表四、成品管理岗位工作明细(一)成品检验主管工作明细表(二)成品检验专员工作明细表(三)出货检验专员工作明细表五、服务质量岗位工作明细(一)服务质量主管工作明细表(二)服务质量监控专员工作明细表第二章质量目标与计划细化执行与模板第一节质量目标管理流程与工作执行一、质量管理目标确定流程二、质量目标确定执行工具与模板(一)质量目标分解表(二)质量目标管理统计月报表单位:填写日期:单位负责人:制表人:第二节质量管理计划流程与工作执行一、质量管理工作计划单二、质量管理计划实施检查表编号:第三章采购质量管理细化执行与模板第一节采购检验流程与工作执行一、采购检验流程二、采购检验执行工具与模板(一)设备采购验收单(二)材料检验报告表编号:填写日期:(三)零件质量检验表零件编号:零件名称:号码:(四)零件检验报告表编号:填写日期:(五)材料试用检验通知单编号:填写日期:(六)进厂检验情况日报表第二节供应商管理流程与工作细化一、供应商调查表二、供应商质量检查表三、供应商质量统计表四、供应商不合格品记录表年度:月份:编号:五、供应商服务质量评估表六、供应商综合管理评审表第四章制程质量管理细化执行与模板第一节制程管理流程与工作执行一、制程检验流程二、制程检验执行工具与模板(一)生产事前质量检查表(二)生产过程质量记录卡批号:规格:工令:用途:编号:经办:审核:(三)生产过程控制标准表(四)生产过程质量控制表(五)生产作业质检记录表(六)制程巡检查核记录表日期:编号:(七)制程质量异常处理表第二节工序管理流程与工作执行一、检验工序作业指导书二、生产工序质量评定表审核:填单人:第五章产品质量管理细化执行与模板第一节成品检验流程与工作执行一、成品检验流程二、成品检验执行工具与模板(一)成品检验通知单编号:日期:主管:检验员:(二)成品检验记录表编号:填写日期:厂长:生产管理部:检验员:(三)成品抽查汇总表编号:填写日期:(四)出货检验报告单编号:填写日期:检验员:复检:第二节半成品检验流程与工作执行一、半成品检验记录表日期:年月日二、半成品车间检验统计表第三节不合格品处理流程与工作执行一、不合格产品管理表月日至月日页次二、零件不合格处理单编号:填写日期:三、不合格报废申请单部门主管:制表:四、质量不良率分析表编号:填写日期:操作者:经办人:主管:第六章质量控制管理细化执行与模板第一节质量控制流程与工作执行一、质量控制流程与工作细化二、质量控制执行工具与模板(一)质量管理标准表产品名称:(二)产品质量管理表(三)质量因素变动表编号:填写日期:(四)质量异常通知单通知单位:填写日期:部门主管:填表:(五)质量异常报告单编号:填写日期:(六)质量异常统计表编号:填写日期:填表人:(七)质量异常处理单第二节质量标准制定流程与工作执行一、产品质量标准表二、制程检验标准表产品名称:部门:页次:三、质量管理标准变动通知单编号:主管:经办:第三节质量管理小组工作流程与工作执行一、质量管理小组资料登记表二、质量管理小组会议报告表填写日期:三、质量管理小组活动计划表四、质量管理小组活动记录表五、质量管理小组活动报告表填写日期:六、质量管理小组活动成果评审表第七章质量改进管理细化执行与模板第一节质量分析流程与工作执行一、质量分析流程二、质量分析执行工具与模板(一)产品技术问题分析表制表:审核:(二)产品质量问题统计表制表:审核:(三)产品质量问题分析表产品名称:制表: 审核:(四)产品质量改进分析表时间: 年 月 日。
质量管理体系管理细化执行
第一节质量体系文件编写流程与工作执行一、质量体系文件编写流程
二、质量体系文件编写执行工具与模板
(一)质量文件记录清单
(二)受控质量文件清单
(三)质量文件更改申请表
(四)质量文件销毁申请单
(五)质量文件发放回收表
(六)质量文件借阅复制记录表单
第二节质量管理体系审核流程与工作执行一、质量管理体系审核计划表
二、质量体系文件评审记录表
说明:
1.“符合性”栏的填写指对符合标准要求的填“符合”,不符合标准要求的填“不符合”;
2.“评审说明”栏的填写指对不符合要求的填写不符合的事实;
3.“其他不符合事项”栏的填写指与法律法规等其他要求不符合的事项。
三、质量管理体系审核检查表
四、质量管理体系审核报告表
五、纠正和预防措施处理表单
审核小组组长:序号:
六、内部审核问题点报告表单
日期:年月日
编号:
七、过程业绩评审报告表。