钢筋分类及符号
- 格式:docx
- 大小:242.10 KB
- 文档页数:4
钢筋在⼯程中分类及分级符号钢筋施⼯⼀、钢筋的分类钢筋由于品种、规格、型号的不同和在构件中所起的作⽤不同,在施⼯中常常有不同的叫法。
对⼀个钢筋⼯来说,只有熟悉钢筋的分类,才能⽐较清楚地了解钢筋的性能和在构件中所起的作⽤,在钢筋加⼯和安装过程中不致发⽣差错。
钢筋的分类⽅法很多,主要有以下⼏种:(⼀)按钢筋在构件中的作⽤1、受⼒筋:是指构件中根据计算确定的主要钢筋,包括有:受拉筋、弯起筋、受压筋等。
2、构造钢筋:是指构件中根据构造要求设置的钢筋,包括有:分布筋、箍筋、架⽴筋、横筋、腰筋等。
(⼆)按钢筋的外形1、光圆钢筋:I级钢筋(Q235钢筋)均轧制为光⾯圆形截⾯,钢筋表⾯光滑⽆纹路,主要⽤于分布筋、箍筋等。
直径6-10的供应形式⼀般做成盘圆,直径12以上为直条。
2、带肋钢筋:有螺旋形、⼈字形和⽉⽛形三种,⼀般Ⅱ、Ⅲ级钢筋轧制成⼈字形,Ⅳ级钢筋轧制成螺旋形及⽉⽛形。
钢筋表⾯刻有不同的纹路,增强了钢筋与混凝⼟的粘结⼒,主要⽤于墩柱、梁等构件中的受⼒筋。
带肋钢筋的出⼚长度有9m、12m两种规格。
3、钢丝:分冷拔低碳钢丝和碳素⾼强钢丝两种,直径均在5以下。
4、钢绞线:有3股和7股两种,常⽤于预应⼒钢筋混凝⼟构件中(三)按钢筋的强度在钢筋混凝⼟结构中常⽤的是热轧钢筋,热轧钢筋按强度可分为四级,300(Ⅰ级钢),其屈服强度标准值为300;(2011年开始代替235)335(Ⅱ级钢),其屈服强度标准值为335;400(Ⅲ级钢),其屈服强度标准值为400;400(Ⅳ级钢),其屈服强度标准值为400。
(四)按直径⼤⼩钢丝(直径3~5)、细钢筋(直径6~10)、粗钢筋(直径⼤于22)。
(五)钢筋的符号A:Ⅰ级钢筋B:Ⅱ级钢筋C:Ⅲ级钢筋D:Ⅳ级钢筋—热轧光圆钢筋()。
—普通热轧带肋钢筋()。
例如:三圣特⼤桥中所使⽤钢筋型号为300(A6、A8、A10)、400(C12、C14、C16、C18、C20、C25、C28、C32、)两种型号。
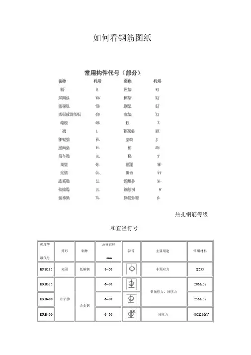
如何看钢筋图纸热扎钢筋等级和直径符号强度等公称直径外形主要用途常用材料钢种符号级代号mm光圆低碳钢非预应力Q235HPB2358--20 HRB3356--5020MnSi非预应力、预应力月牙肋6--50HRB40025MnSi合金钢预应力40Si2MnV6--50RRB400钢筋的标注在图样中一般采用引出线的方法,具体有以下两种标注方法:②标注钢筋的等级、直径和相邻钢筋中心①标注钢筋的根数、直径和等级距3Ф20:Ф8 @ 200:Ф:表示钢筋等级直径符号3:表示钢筋的根数8:表示钢筋直径Ф:表示钢筋等级直径符号@:相等中心距符号20:表示钢筋直径200:相邻钢筋的中心距(≤200mm)一般钢筋的表示方法名称图例名称图例名称图例半圆形弯钩钢筋带直钩的断面钢筋端部的钢筋塔接半直钩的无弯钩的带丝扣钢筋端部钢筋端部钢筋端部无弯钩的半圆形弯钩套管接头的钢筋端部钢筋塔接常用构件的代号序号名称代号序号名称代号序号名称代号1板B15吊车梁DL29基础J2屋面板WB16圈梁QL30设备基础SJ 3空心板KB17过梁GL31桩ZH4槽形板CB18连系梁LL32柱间支撑ZC5折板ZB19基础梁JL33垂直支撑CC6密筋板MB20楼梯梁TL34水平支撑SC7楼梯板TB21懔条LT35梯T8盖板或沟盖板GB22屋架WJ36雨蓬YP9挡雨板或口板檐板YB23托架TJ37阳台YT 10吊车安全走道板DB24天窗架CJ38梁垫LD11墙板QB25框架KJ39预埋件M12天沟板TGB26钢架GJ40天窗端壁TD13梁L27支架ZJ41钢筋网W14屋面梁WL28柱Z42钢筋骨架G一、梁上主筋和梁下主筋同时表示方法:⑴3Φ22,3Φ20表示上部钢筋为3Φ22,下部钢筋为3Φ20。
⑵2φ12,3Φ18 表示上部钢筋为2φ12, 下部钢筋为3Φ18。
⑶4Φ25,4Φ25 表示上部钢筋为4Φ25, 下部钢筋为4Φ25。
⑷3Φ25,5Φ25 表示上部钢筋为3Φ25, 下部钢筋为5Φ25。
钢筋种类级别及符号大全建筑钢筋符号大全钢筋主要分为一级钢筋、二级钢筋、三级钢筋等。
钢筋符号的表达方式有很多种,在不同的构造中有所不同。
在此,我们来看看建筑钢筋符号百科,为你标注钢筋时提供有益的参考。
钢筋种类符号钢筋混凝土结构中使用的钢筋包括热轧钢筋、余热处理钢筋、钢绞线、冷轧带肋钢筋、冷拉钢筋、冷拉钢丝和冷轧扭钢筋。
热轧钢筋是热轧成型并自然冷却的成品钢筋,分为热轧圆钢和热轧带肋钢筋。
冷轧带肋钢筋是将热轧盘条冷轧多道次,一次压肋,消除内应力而成的两个或三个月牙形状的钢筋。
热轧钢和冷轧钢中残余应力产生的原因不同,所以在截面上的分布也有很大的不同。
冷轧型钢允许截面局部屈曲,可以充分利用屈曲后杆件的承载力;但是,不允许热轧型钢出现局部屈曲。
热轧钢的自由扭转刚度高于冷轧钢,因此热轧钢的扭转性能优于冷轧钢。
热扎钢筋等级和直径符号这种钢筋符号的表示方法,主要是根据钢筋的形状、性能和等级。
可见钢筋的性能和等级有很多种,所以在购买钢筋时要注意这些问题。
钢筋的标注一般在施工过程中,我们还是会对所需钢筋的数量和尺寸以及钢筋之间的直径做一个表示,也就是上面的表示方法,在施工过程中可以做的更完美。
一般钢筋的表示方法以上是钢筋的一般符号。
钢筋常用的构件代号有哪些?接下来,我们继续带你去了解。
上图是部分常用的钢筋构件代号,例如板用B表示,屋架用WJ表示,这种表示方法既简单又易记,在建筑工程中运用得十分广泛。
钢筋常用的分类知识钢筋种类很多,通常按化学成分、生产工艺、轧制外形、供应形式、直径大小,以及在结构中的用途进行分类:(一)按轧制外形分(1)光面钢筋:I级钢筋(Q235钢钢筋)均轧制为光面圆形截面,供应形式有盘圆,直径不大于10mm,长度为6m~12m。
(2)带肋钢筋:有螺旋形、人字形和月牙形三种,一般Ⅱ、Ⅲ级钢筋轧制成人字形,Ⅳ级钢筋轧制成螺旋形及月牙形。
(3)钢丝(低碳钢丝和碳素钢丝)和钢绞线。
(4)冷轧扭钢筋:冷轧和冷扭。
如何看钢筋图纸热扎钢筋等级和直径符号强度等级代号外形钢种公称直径mm符号主要用途常用材料HPB235 光圆低碳钢8--20 非预应力Q235HRB335月牙肋合金钢6--50非预应力、预应力20MnSiHRB400 6--50 25MnSi RRB400 6--50 预应力40Si2MnV钢筋的标注在图样中一般采用引出线的方法;具体有以下两种标注方法:①标注钢筋的根数、直径和等级②标注钢筋的等级、直径和相邻钢筋中心距3Ф20:Ф8 200:3:表示钢筋的根数Ф:表示钢筋等级直径符号20:表示钢筋直径Ф:表示钢筋等级直径符号8:表示钢筋直径:相等中心距符号200:相邻钢筋的中心距≤200mm一般钢筋的表示方法名称图例名称图例名称图例钢筋断面带直钩的钢筋端部半圆形弯钩的钢筋塔接无弯钩的钢筋端部带丝扣钢筋端部半直钩的钢筋端部半圆形弯钩的钢筋端部无弯钩的钢筋塔接套管接头常用构件的代号序号名称代号序号名称代号序号名称代号1板B15吊车梁DL29基础J 2屋面板WB16圈梁QL30设备基础SJ 3空心板KB17过梁GL31桩ZH 4槽形板CB18连系梁LL32柱间支撑ZC一、梁上主筋和梁下主筋同时表示方法:⑴3Φ22;3Φ20 表示上部钢筋为3Φ22; 下部钢筋为3Φ20..⑵2φ12;3Φ18 表示上部钢筋为2φ12; 下部钢筋为3Φ18..⑶4Φ25;4Φ25 表示上部钢筋为4Φ25; 下部钢筋为4Φ25..⑷3Φ25;5Φ25 表示上部钢筋为3Φ25; 下部钢筋为5Φ25..二、梁上部钢筋表示方法:标在梁上支座处⑴ 2Φ20 表示两根Φ20的钢筋;通长布置;用于双肢箍..⑵ 2Φ22+4Φ12 表示2Φ22 为通长;4φ12架立筋;用于六肢箍..⑶ 6Φ25 4/2 表示上部钢筋上排为4Φ25;下排为2Φ25..⑷ 2Φ22+ 2Φ22 表示只有一排钢筋;两根在角部;两根在中部;均匀布置..三、梁腰中钢筋表示方法:⑴ G2φ12 表示梁两侧的构造钢筋;每侧一根φ12..⑵ G4Φ14 表示梁两侧的构造钢筋;每侧两根Φ14..⑶ N2Φ22 表示梁两侧的抗扭钢筋;每侧一根Φ22..⑷ N4Φ18 表示梁两侧的抗扭钢筋;每侧两根Φ18..四、梁下部钢筋表示方法:标在梁的下部⑴ 4Φ25 表示只有一排主筋;4Φ25 全部伸入支座内..⑵ 6Φ25 2/4 表示有两排钢筋;上排筋为2Φ25;下排筋4Φ25..⑶ 6Φ25 -2 /4 表示有两排钢筋;上排筋为2Φ25;不伸入支座;下排筋4Φ25;全部伸入支座..⑷ 2Φ25 + 3Φ22-3/ 5Φ25 表示有两排筋;上排筋为5根..2Φ25伸入支座;3Φ22;不伸入支座..下排筋 5Φ25;通长布置..一、箍筋表示方法:⑴φ10100/2002 表示箍筋为φ10 ;加密区间距100;非加密区间距200;全为双肢箍..⑵φ10100/2004 表示箍筋为φ10 ;加密区间距100;非加密区间距200;全为四肢箍..⑶φ82002 表示箍筋为φ8;间距为200;双肢箍..⑷φ81004/1502 表示箍筋为φ8;加密区间距100;四肢箍;非加密区间距150;双肢箍..一、梁上主筋和梁下主筋同时表示方法:⑴ 3Φ22;3Φ20 表示上部钢筋为3Φ22; 下部钢筋为3Φ20..⑵ 2φ12;3Φ18 表示上部钢筋为2φ12; 下部钢筋为3Φ18..⑶ 4Φ25;4Φ25 表示上部钢筋为4Φ25; 下部钢筋为4Φ25..⑷ 3Φ25;5Φ25 表示上部钢筋为3Φ25; 下部钢筋为5Φ25..二、梁上部钢筋表示方法:标在梁上支座处⑴ 2Φ20 表示两根Φ20的钢筋;通长布置;用于双肢箍..⑵ 2Φ22+4Φ12 表示2Φ22 为通长;4φ12架立筋;用于六肢箍..⑶ 6Φ25 4/2 表示上部钢筋上排为4Φ25;下排为2Φ25..⑷ 2Φ22+ 2Φ22 表示只有一排钢筋;两根在角部;两根在中部;均匀布置..三、梁腰中钢筋表示方法:⑴ G2φ12 表示梁两侧的构造钢筋;每侧一根φ12..⑵ G4Φ14 表示梁两侧的构造钢筋;每侧两根Φ14..⑶ N2Φ22 表示梁两侧的抗扭钢筋;每侧一根Φ22..⑷ N4Φ18 表示梁两侧的抗扭钢筋;每侧两根Φ18..四、梁下部钢筋表示方法:标在梁的下部⑴ 4Φ25 表示只有一排主筋;4Φ25 全部伸入支座内..⑵ 6Φ25 2/4 表示有两排钢筋;上排筋为2Φ25;下排筋4Φ25..⑶ 6Φ25 -2 /4 表示有两排钢筋;上排筋为2Φ25;不伸入支座;下排筋4Φ25;全部伸入支座..⑷ 2Φ25 + 3Φ22-3/ 5Φ25 表示有两排筋;上排筋为5根..2Φ25伸入支座;3Φ22;不伸入支座..下排筋 5Φ25;通长布置..五、标注示例:KL73300×700 Y500×250φ10100/2002 2Φ25N4Φ18-0.1004Φ25 6Φ25 4/2 6Φ25 4/2 6Φ25 4/2 4Φ25□———————————□———————□———————————□4Φ25 2Φ25 4Φ25300×700N4φ10KL73 300×700 表示框架梁7;有三跨;断面宽300;高700..Y500×250 表示梁下加腋;宽500;高250..N4Φ18 表示梁腰中抗扭钢筋..φ10100/2002 2Φ25 表示箍筋和架立筋..-0.100 表示梁上皮标高..钢筋混凝土粘结锚固能力可以由四种途径得到:①钢筋与混凝土接触面上化学吸附作用力;也称胶结力..②混凝土收缩;将钢筋紧紧握固而产生摩擦力..③钢筋表面凹凸不平与混凝土之间产生的机械咬合作用;也称咬合力..④钢筋端部加弯钩、弯折或在锚固区焊短钢筋、焊角钢来提供锚固能力..为了保护钢筋、防腐蚀、防火以及加强钢筋与混凝土的粘结力;在构件中的钢筋外面要留有保护层图 3.3.3..根据钢筋混凝土结构设计规范规定;梁、柱的保护层最小厚度为25mm;板和墙的保护层厚度为10~15mm..正筋就是正弯矩筋;简单的说;就是对于受弯构件来说;如梁板等;下部受拉的部位的钢筋;对于连续梁板;一般就在跨中; 同理;负筋一般在支座处上部受拉通长钢筋就是指在所标的区段内通长设置;直径可以不相同;可以采用搭接连接形式;保证梁各个部位的这个部分钢筋都能发挥其抗拉强度;而且两端应按受拉锚固的钢筋贯通筋是指贯穿于构件如梁整个长度的钢筋;中间既不弯起也不中断;当钢筋过长时可以搭接或焊接;但不改变直径..贯通筋既可以是受力钢筋;也可以是架力钢筋..支座有负筋;是相对而言的;一般应该是指梁的支座部位用以抵消负弯矩的钢筋;俗称担担筋..一般结构构件受力弯矩分正弯矩和负弯矩;抵抗负弯矩所配备的钢筋称为负筋;一般指板、梁的上部钢筋;有些上部配置的构造钢筋习惯上也称为负筋..当梁、板的上部钢筋通长时;大家也习惯地称之为上部钢筋..至于端支座负筋;中间支座负筋就是两端的和中间的盖筋又名盖铁、扣筋;通常设置在板的支座端支座;中间支座;位置在板的上皮;其作用是抵抗板的负弯矩;也可以叫板负筋现在板中差不多都有两层;下层筋都是通长的;应该叫主筋;而板负筋是架起来的;板负筋根据设计的不同也不一样;有板上全放的;也有不全放的;不全放的设计一般是长度有梁短跨的1/4吊筋是将作用于混凝土梁式构件底部的集中力传递至顶部;是提高梁承受集中荷载抗剪能力的一种钢筋;形状如元宝;又称为元宝筋..主要作用是:由于梁的某部受到大的集中荷载作用;可能会使梁上引起斜裂缝;特别是力作用在受拉区内;为了使梁体不产生局部严重破坏;同时使梁体的材料发挥各自的作用而设置的;主要布置在剪力有大幅突变部位;防止该部位产生过大的裂缝;引起结构的破坏;就必须配吊筋了;还要加配附加箍筋..“腹筋”作用:梁的抗扭它在设计上属构造配筋;即力学上不用设计计算具体力的大小;按国家设计规范的构造要求查得此数据..当梁高大到一定要求时;就得加设腰筋;按多少、加多大规格按构造要求规范查得..1、什么是负弯矩:在弯矩图上如果你学过结构力学你可以跳过这一部分;向上弯起的弯矩是正弯矩;反之;向下弯起的弯矩就是负弯矩;打个比方;你用手拗一只筷子;向下拗的时候;是筷子下部先断;这是正弯矩;向上拗的时候;是是筷子上部先断;这是负弯矩;明白了正负弯的区别;你就可以往下看了;2、为抵抗负弯矩而设置的钢筋就叫负弯矩筋;在工地上常常简称为“负筋”;一般来说;常碰到的负弯矩筋有两种;一种是楼板与梁交接的地方;也就是楼板“生根”的地方;在这个地方;在楼板受力的影响下;应该是梁面受力;对楼板来说;这就是负弯矩筋;一般长度为跨过梁面1米左右;另一种就是梁的支座处;因为梁支端两端受向下的弯矩;在梁支座处;存在负弯矩;这是一个关键部位;常按锚固要求放一定的负筋3、依据GB50010-2002;在温度;收缩应力较大的现浇板区域内;钢筋间距宜取为150~200MM;并应在板的未配筋表面布置温度收缩钢筋. 温度收缩钢筋可利用原有钢筋贯通布置;也可另行设置构造钢筋网;并与原有钢筋按受拉钢筋的要求搭接或在周边构件中锚固钢筋算量基本方法第一章梁第一节框架梁一、首跨钢筋的计算1、上部贯通筋上部贯通筋上通长筋1长度=通跨净跨长+首尾端支座锚固值2、端支座负筋端支座负筋长度:第一排为Ln/3+端支座锚固值;第二排为Ln/4+端支座锚固值3、下部钢筋下部钢筋长度=净跨长+左右支座锚固值注意:下部钢筋不论分排与否;计算的结果都是一样的;所以我们在标注梁的下部纵筋时可以不输入分排信息..以上三类钢筋中均涉及到支座锚固问题;那么;在软件中是如何实现03G101-1中关于支座锚固的判断呢现在我们来总结一下以上三类钢筋的支座锚固判断问题:支座宽≥Lae且≥0.5Hc+5d;为直锚;取Max{Lae;0.5Hc+5d }..钢筋的端支座锚固值=支座宽≤Lae或≤0.5Hc+5d;为弯锚;取Max{Lae;支座宽度-保护层+15d }..钢筋的中间支座锚固值=Max{Lae;0.5Hc+5d }4、腰筋构造钢筋:构造钢筋长度=净跨长+2×15d抗扭钢筋:算法同贯通钢筋5、拉筋拉筋长度=梁宽-2×保护层+2×11.9d抗震弯钩值+2d拉筋根数:如果我们没有在平法输入中给定拉筋的布筋间距;那么拉筋的根数=箍筋根数/2×构造筋根数/2;如果给定了拉筋的布筋间距;那么拉筋的根数=布筋长度/布筋间距..6、箍筋箍筋长度=梁宽-2×保护层+梁高-2×保护层+2×11.9d+8d箍筋根数=加密区长度/加密区间距+1×2+非加密区长度/非加密区间距-1+1 注意:因为构件扣减保护层时;都是扣至纵筋的外皮;那么;我们可以发现;拉筋和箍筋在每个保护层处均被多扣掉了直径值;并且我们在预算中计算钢筋长度时;都是按照外皮计算的;所以软件自动会将多扣掉的长度在补充回来;由此;拉筋计算时增加了2d;箍筋计算时增加了8d..如下图所示7、吊筋吊筋长度=2锚固+2斜段长度+次梁宽度+250;其中框梁高度>800mm 夹角=60°≤800mm 夹角=45°二、中间跨钢筋的计算1、中间支座负筋中间支座负筋:第一排为Ln/3+中间支座值+Ln/3;第二排为Ln/4+中间支座值+Ln/4注意:当中间跨两端的支座负筋延伸长度之和≥该跨的净跨长时;其钢筋长度:第一排为该跨净跨长+Ln/3+前中间支座值+Ln/3+后中间支座值;第二排为该跨净跨长+Ln/4+前中间支座值+Ln/4+后中间支座值..其他钢筋计算同首跨钢筋计算..三、尾跨钢筋计算类似首跨钢筋计算四、悬臂跨钢筋计算1、主筋软件配合03G101-1;在软件中主要有六种形式的悬臂钢筋;如下图所示这里;我们以2、5及6钢筋为例进行分析:2钢筋—悬臂上通筋=通跨净跨长+梁高+次梁宽度+钢筋距次梁内侧50mm起弯-4个保护层+钢筋的斜段长+下层钢筋锚固入梁内+支座锚固值5钢筋—上部下排钢筋=Ln/4+支座宽+0.75L6钢筋—下部钢筋=Ln--保护层+15d2、箍筋1、如果悬臂跨的截面为变截面;这时我们要同时输入其端部截面尺寸与根部梁高;这主要会影响悬臂梁截面的箍筋的长度计算;上部钢筋存在斜长的时候;斜段的高度及下部钢筋的长度;如果没有发生变截面的情况;我们只需在“截面”输入其端部尺寸即可..2、悬臂梁的箍筋根数计算时应不减去次梁的宽度;根据修定版03G101-1的66页..第二节其他梁一、非框架梁在03G101-1中;对于非框架梁的配筋简单的解释;与框架梁钢筋处理的不同之处在于:1、普通梁箍筋设置时不再区分加密区与非加密区的问题;2、下部纵筋锚入支座只需12d;3、上部纵筋锚入支座;不再考虑0.5Hc+5d的判断值..未尽解释请参考03G101-1说明..二、框支梁1、框支梁的支座负筋的延伸长度为Ln/3;2、下部纵筋端支座锚固值处理同框架梁;3、上部纵筋中第一排主筋端支座锚固长度=支座宽度-保护层+梁高-保护层+Lae;第二排主筋锚固长度≥Lae;4、梁中部筋伸至梁端部水平直锚;再横向弯折15d;5、箍筋的加密范围为≥0.2Ln1≥1.5hb;7、侧面构造钢筋与抗扭钢筋处理与框架梁一致..第二章剪力墙在钢筋工程量计算中剪力墙是最难计算的构件;具体体现在:1、剪力墙包括墙身、墙梁、墙柱、洞口;必须要整考虑它们的关系;2、剪力墙在平面上有直角、丁字角、十字角、斜交角等各种转角形式;3、剪力墙在立面上有各种洞口;4、墙身钢筋可能有单排、双排、多排;且可能每排钢筋不同;5、墙柱有各种箍筋组合;6、连梁要区分顶层与中间层;依据洞口的位置不同还有不同的计算方法..需要计算的工程量第一节剪力墙墙身一、剪力墙墙身水平钢筋1、墙端为暗柱时A、外侧钢筋连续通过外侧钢筋长度=墙长-保护层内侧钢筋=墙长-保护层+弯折B、外侧钢筋不连续通过外侧钢筋长度=墙长-保护层+0.65Lae内侧钢筋长度=墙长-保护层+弯折暗拄与墙身相平水平钢筋根数=层高/间距+1暗梁、连梁墙身水平筋照设2、墙端为端柱时A、外侧钢筋连续通过外侧钢筋长度=墙长-保护层内侧钢筋=墙净长+锚固长度弯锚、直锚B、外侧钢筋不连续通过外侧钢筋长度=墙长-保护层+0.65Lae内侧钢筋长度=墙净长+锚固长度弯锚、直锚水平钢筋根数=层高/间距+1暗梁、连梁墙身水平筋照设注意:如果剪力墙存在多排垂直筋和水平钢筋时;其中间水平钢筋在拐角处的锚固措施同该墙的内侧水平筋的锚固构造..3、剪力墙墙身有洞口时端拄突出墙当剪力墙墙身有洞口时;墙身水平筋在洞口左右两边截断;分别向下弯折15d..当剪力墙墙身有洞口时;墙身水平筋在洞口左右两边截断;分别向下弯折15d..二、剪力墙墙身竖向钢筋1、首层墙身纵筋长度=基础插筋+首层层高+伸入上层的搭接长度2、中间层墙身纵筋长度=本层层高+伸入上层的搭接长度3、顶层墙身纵筋长度=层净高+顶层锚固长度墙身竖向钢筋根数=墙净长/间距+1墙身竖向钢筋从暗柱、端柱边50mm开始布置中间层无变截面中间层变截面顶层内墙顶层外墙4、剪力墙墙身有洞口时;墙身竖向筋在洞口上下两边截断;分别横向弯折15d..三、墙身拉筋1、长度=墙厚-保护层+弯钩弯钩长度=11.9+2D2、根数=墙净面积/拉筋的布置面积注:墙净面积是指要扣除暗端柱、暗连梁;即墙面积-门洞总面积-暗柱剖面积 - 暗梁面积;拉筋的面筋面积是指其横向间距×竖向间距..例:80003840/600600第二节剪力墙墙柱一、纵筋1、首层墙柱纵筋长度=基础插筋+首层层高+伸入上层的搭接长度2、中间层墙柱纵筋长度=本层层高+伸入上层的搭接长度3、顶层墙柱纵筋长度=层净高+顶层锚固长度注意:如果是端柱;顶层锚固要区分边、中、角柱;要区分外侧钢筋和内侧钢筋..因为端柱可以看作是框架柱;所以其锚固也同框架柱相同..二、箍筋:依据设计图纸自由组合计算..第三节剪力墙墙梁一、连梁1、受力主筋顶层连梁主筋长度=洞口宽度+左右两边锚固值Lae中间层连梁纵筋长度=洞口宽度+左右两边锚固值Lae2、箍筋顶层连梁;纵筋长度范围内均布置箍筋即N=LAE-100/150+12+洞口宽-502/间距+1顶层中间层连梁;洞口范围内布置箍筋;洞口两边再各加一根即N=洞口宽-502/间距+1中间层二、暗梁1、主筋长度=暗梁净长+锚固2、箍筋第三章柱KZ钢筋的构造连接第一章基础层一、柱主筋基础插筋=基础底板厚度-保护层+伸入上层的钢筋长度+Max{10D;200mm}二、基础内箍筋基础内箍筋的作用仅起一个稳固作用;也可以说是防止钢筋在浇注时受到挠动..一般是按2根进行计算软件中是按三根..第二章中间层一、柱纵筋1、 KZ中间层的纵向钢筋=层高-当前层伸出地面的高度+上一层伸出楼地面的高度二、柱箍筋1、KZ中间层的箍筋根数=N个加密区/加密区间距+N+非加密区/非加密区间距-103G101-1中;关于柱箍筋的加密区的规定如下1首层柱箍筋的加密区有三个;分别为:下部的箍筋加密区长度取Hn/3;上部取Max{500;柱长边尺寸;Hn/6};梁节点范围内加密;如果该柱采用绑扎搭接;那么搭接范围内同时需要加密..2首层以上柱箍筋分别为:上、下部的箍筋加密区长度均取Max{500;柱长边尺寸;Hn/6};梁节点范围内加密;如果该柱采用绑扎搭接;那么搭接范围内同时需要加密..第三节顶层顶层KZ因其所处位置不同;分为角柱、边柱和中柱;也因此各种柱纵筋的顶层锚固各不相同..参看03G101-1第37、38页一、角柱角柱顶层纵筋长度=层净高Hn+顶层钢筋锚固值;那么角柱顶层钢筋锚固值是如何考虑的呢弯锚≦Lae:梁高-保护层+12da、内侧钢筋锚固长度为直锚≧Lae:梁高-保护层≧1.5Laeb、外侧钢筋锚固长度为柱顶部第一层:≧梁高-保护层+柱宽-保护层+8d柱顶部第二层:≧梁高-保护层+柱宽-保护层注意:在GGJ V8.1中;内侧钢筋锚固长度为弯锚≦Lae:梁高-保护层+12d直锚≧Lae:梁高-保护层外侧钢筋锚固长度=Max{1.5Lae ;梁高-保护层+柱宽-保护层}二、边柱边柱顶层纵筋长度=层净高Hn+顶层钢筋锚固值;那么边柱顶层钢筋锚固值是如何考虑的呢边柱顶层纵筋的锚固分为内侧钢筋锚固和外侧钢筋锚固:a、内侧钢筋锚固长度为弯锚≦Lae:梁高-保护层+12d直锚≧Lae:梁高-保护层b、外侧钢筋锚固长度为:≧1.5Lae注意:在GGJ V8.1中;内侧钢筋锚固长度为弯锚≦Lae:梁高-保护层+12d直锚≧Lae:梁高-保护层外侧钢筋锚固长度=Max{1.5Lae ;梁高-保护层+柱宽-保护层}三、中柱中柱顶层纵筋长度=层净高Hn+顶层钢筋锚固值;那么中柱顶层钢筋锚固值是如何考虑的呢中柱顶层纵筋的锚固长度为弯锚≦Lae:梁高-保护层+12d直锚≧Lae:梁高-保护层注意:在GGJ V8.1中;处理同上..第四章板在实际工程中;我们知道板分为预制板和现浇板;这里主要分析现浇板的布筋情况..板筋主要有:受力筋单向或双向;单层或双层、支座负筋、分布筋、附加钢筋角部附加放射筋、洞口附加钢筋、撑脚钢筋双层钢筋时支撑上下层..一、受力筋软件中;受力筋的长度是依据轴网计算的..受力筋长度=轴线尺寸+左锚固+右锚固+两端弯钩如果是Ⅰ级筋..根数=轴线长度-扣减值/布筋间距+1二、负筋及分布筋负筋长度=负筋长度+左弯折+右弯折负筋根数=布筋范围-扣减值/布筋间距+1分布筋长度=负筋布置范围长度-负筋扣减值负筋分布筋根数=负筋输入界面中负筋的长度/分布筋间距+1三、附加钢筋角部附加放射筋、洞口附加钢筋、支撑钢筋双层钢筋时支撑上下层根据实际情况直接计算钢筋的长度、根数即可;在软件中可以利用直接输入法输入计算..第五章常见问题为什么钢筋计算中;135o弯钩我们在软件中计算为11.9d我们软件中箍筋计算时取的11.9D实际上是弯钩加上量度差值的结果;我们知道弯钩平直段长度是10D;那么量度差值应该是1.9D;下面我们推导一下1.9D这个量度差值的来历:按照外皮计算的结果是1000+300;如果按照中心线计算那么是:1000-D/2-d+135/3603.14D/2+d/22+300;这里D取的是规范规定的最小半径2.5d;此时用后面的式子减前面的式子的结果是:1.87d≈1.9d..梁中出现两种吊筋时如何处理在吊筋信息输入框中用“/”将两种不同的吊筋连接起来放到“吊筋输入框中”如2B22/2B25..而后面的次梁宽度按照与吊筋一一对应的输入进去如250/3002B22对应250梁宽;2B25对应300梁宽当梁的中间支座两侧的钢筋不同时;软件是如何处理的当梁的中间支座两侧的钢筋不同时;我们在软件直接输入当前跨右支座负筋和下一跨左支座负筋的钢筋..软件计算的原则是支座两侧的钢筋相同;则通过;不同则进行锚固;判断原则是输入格式相同则通过;不同则锚固..如右支座负筋为5B22;下一跨左支座负筋为5B22+2B20;则5根22的钢筋通过支座;2根20锚固在支座..梁变截面在软件中是如何处理的在软件中;梁的变截面情况分为两种:1、当高差>1/6的梁高时;无论两侧的格式是否相同;两侧的钢筋全部按锚固进行计算..弯折长度为15d+高差..2、当高差<1/6的梁高时;按支座两侧的钢筋不同的判断条件进行处理..如果框架柱的混凝土强度等级发生变化;我们如何处理柱纵筋如果框架柱的混凝土强度等级发生变化;柱纵筋的处理分两种情况:1、若柱纵筋采用电渣压力焊;则按柱顶层的混凝土强度等级设置;2、若柱纵筋采用绑扎搭接;例如1~2层为C45;3~10层为C35;则柱要分开来建立两个构件:一个为C45;为3层;但3层只输入构件截面尺寸及层高;目的是不让2层作为顶层计算锚固;另一个构件建立1~10层;1~2层只输入构件截面尺寸及层高;钢筋信息自3层开始输入;这样就可以解决问题了..每米高圆形柱螺旋钢筋长度计算公式:L=NPP+D-2b+do^2π^2^0.5+两个弯钩长度式中:N=螺旋圈数;N=L/PL为构件长即圆形柱长P=螺距D=构件直径do=螺旋钢筋的直径b=保护层厚度.另外:钢筋理论质量=钢筋计算长度该钢筋每米质量钢筋总耗质量=钢筋理论质量1+钢筋铁件损耗率钢筋理论质量计算捷径:钢筋理论质量=钢筋直径的平方以毫米为单位0.00617。
钢筋级别分类符号
在建筑和工程领域,钢筋的等级分类符号是非常重要的。
这些符号表示钢筋的强度和其它特性,以确保在使用时能够满足特定的要求和设计标准。
以下是钢筋级别分类符号的一些常见例子:
1. SD:表示普通钢筋。
这种钢筋常用于住宅建筑和一些轻型结构。
2. LD:表示低合金钢筋。
这种钢筋比普通钢筋更强,通常用于大型建筑和桥梁等重型结构。
3. HD:表示高强度钢筋。
这种钢筋比低合金钢筋更强,通常用于高层建筑、大型桥梁和其他重要结构。
4. HRB:表示冷轧带肋钢筋。
这种钢筋通常用于混凝土结构中,以提高混凝土与钢筋之间的粘着性能。
5. HRA:表示热轧带肋钢筋。
这种钢筋通常用于需要更高强度的结构中。
以上是常见的几种钢筋级别分类符号。
在选择合适的钢筋时,需要根据具体的项目要求和设计标准来确定最适合的钢筋等级。
- 1 -。
钢筋是钢材中非常重要的组成部分,无论是普通的住房建设,还是大型的工程建设都是离不开钢筋的参与,现在对各型钢材的需求在不断增加,可供选择的钢筋也是多种多样。
本文主要收集了一些钢筋的分类知识以及表示符号,了解钢材的分类及表示符号,对于钢筋的选购会更加有利。
(一)结构中的作用分:受压钢筋、受拉钢筋、架立钢筋、分布钢筋、箍筋等。
(二)按直径大小分:钢丝(直径3~5mm)、细钢筋(直径6~10mm)、粗钢筋(直径大于22mm)。
(三)生产工艺分:热轧、冷轧、冷拉的钢筋,还有以Ⅳ级钢筋经热处理而成的热处理钢筋,强度比前者更高。
(四)按力学性能分:Ⅰ级钢筋(235/370级);Ⅱ级钢筋(335/510级);Ⅲ级钢筋(370/570)和Ⅳ级钢筋(540/835)(五)按轧制外形分:(1)冷轧扭钢筋:经冷轧并冷扭成型;(2)钢线(分低碳钢丝和碳素钢丝两种)及钢绞线;(3)带肋钢筋:有螺旋形、人字形和月牙形三种,一般Ⅱ、Ⅲ级钢筋轧制成人字形,Ⅳ级钢筋轧制成螺旋形及月牙形;(4)光面钢筋:I级钢筋(Q235钢钢筋)均轧制为光面圆形截面,供应形式有盘圆,直径不大于10mm,长度为6m~12m。
以上是钢筋的一些分类知识,了解钢筋分类有助于明确企业需要的产品,做到按需购买,接下来要为大家分享的是几种钢筋的符号表示方法。
一般采用引出线的方法,具体有以下两种标注方法:(一).标注钢筋的根数、直径和等级:【3Ф20】3:表示钢筋的根数Ф:表示钢筋等级直径符号20:表示钢筋直径(二).标注钢筋的等级、直径和相邻钢筋中心距:【Ф8 @ 200】Ф:表示钢筋等级直径符号8:表示钢筋直径@:相等中心距符号200:相邻钢筋的中心距(≤200mm)各类钢筋的表示方法(一)箍筋:(1)φ10@100/200 表示箍筋为φ10 ,加密区间距100,非加密区间距200,全为双肢箍;(2)φ10@100/200表示箍筋为φ10 ,加密区间距100,非加密区间距200,全为四肢箍;(3)φ8@200表示箍筋为φ8,间距为200,双肢箍;(4)φ8@100/150表示箍筋为φ8,加密区间距100,四肢箍,非加密区间距150,双肢箍。
钢筋种类及相关符号一、钢筋种类及相关符号HPB300- Ф(一级钢)热轧光圆钢筋强度级别300MPa HPB是热扎光圆钢筋的英文(Hot rolled Plain Bars)缩写。
300表示屈服强度为300MPa。
HRB335—(二级钢)热轧带肋钢筋强度级别335MPaHRB是热扎带肋钢筋的英文(Hot rolled Ribbed Bars)缩写。
335表示屈服强度为335MPa。
HRBF335—(二级钢)细晶粒热轧带肋钢筋强度级别335MPa HRBF是热扎带肋钢筋的英文缩写后面加“细”的英文(Fine)首位字母。
335表示屈服强度为335MPa。
HRB400— (三级钢)热轧带肋钢筋强度级别400MPaHRBF400—(三级钢)细晶粒热轧带肋钢筋强度级别400MPaRRB400—(三级钢)余热处理带肋钢筋强度级别400MPa RRB是余热处理带肋钢筋(Remained heat treatment Ribbed Steel Bars)缩写.钢筋(Bars)HRB400E—(三级钢)有较高抗震性能的普通热轧带肋钢筋强度级别400MPaHRB500-- (四级钢)普通热轧带肋钢筋强度级别500MPa HRBF 500- (四级钢)细粒热轧带肋钢筋强度级别500MPaH、P、R、B、F、E分别为热轧(Hotrolled)、光圆(Plain)、带肋(Ribbed)、钢筋(Bars)、细粒(Fine)、地震(Earthquake)5个词的英文首位字母。
后面的数代表屈服强度为*** Mpa 二、钢筋混凝土构件图示方法中钢筋的标注一般采用引出线的方法,具体有以下两种标注方法:1、标注钢筋的根数、直径和等级 :例如:3Ф20 3:表示钢筋的根数Ф:表示钢筋等级直径符号 20:表示钢筋直径2、标注钢筋的等级、直径和相邻钢筋中心距例如:Ф8 @ 200:Ф:表示钢筋等级直径符号 8:表示钢筋直径 @:相等中心距符号 200:相邻钢筋的中心距(≤200mm)3、梁箍筋梁箍筋包括钢筋级别、直径、加密区与非加密区间距及肢数.箍筋加密区与非加密区的不同间距及肢数需用斜线”/”分隔;当梁箍筋为同一种间距及肢数时,则不需用斜线;当加密区与非加密区的箍筋肢数相同时,则将肢数注写一次;箍筋肢数应写在括号内。
钢筋符号大全,请查收!一般采用引出线的方法,具体有以下两种标注方法:【1】标注钢筋的根数、直径和等级:3Ф203:表示钢筋的根数Ф:表示钢筋等级直径符号20:表示钢筋直径【2】标注钢筋的等级、直径和相邻钢筋中心距:Ф8 @ 200:Ф:表示钢筋等级直径符号8:表示钢筋直径@:相等中心距符号200:相邻钢筋的中心距(≤200mm)好好学习各类钢筋的表示方法1、梁箍筋梁箍筋包括钢筋级别、直径、加密区与非加密区间距及肢数。
箍筋加密区与蜚加密区的不同间距及肢数需用斜线'/'分隔;当梁箍筋为同一种间距及肢数时,则不需用斜线;当加密区与非加密区的箍筋肢数相同时,则将肢数注写一次;箍筋肢数应写在括号内。
(需要注意的是此处表示间距不是用'@',而是用'-'。
)例:A10-100/200(4),表示箍筋为Ⅰ级钢筋,直径φ10,加密区间距为100,非加密区间距为200,均为四肢箍。
A8-100(4)/150(2),表示箍筋为Ⅰ级钢筋,直径φ8,加密区间距为100,四肢箍,非加密区间距为150,两肢箍。
当抗震结构中的非框架梁及非抗震结构中的各类梁采用不同的箍筋间距及肢数时,也用斜线'/'将其分隔开来。
注写时,先注写梁支座端部的箍筋(包括箍筋的箍数、钢筋级别、直径、间距及肢数),在斜线后注写梁跨中部分的箍筋间距及肢数。
例:13A10-150/200(4),表示箍筋为Ⅰ级钢筋,直径φ10;梁的两端各有13个四肢箍,间距为150;梁跨中部分,间距为200,四肢箍。
18A12-120(4)/200(2),表示箍筋为Ⅰ级钢筋,直径φ12;梁的两端各有18个四肢箍,间距为120;梁跨中部分,间距为200,两肢箍。
2、梁上部贯通筋或架立筋梁上部贯通筋或架立筋根数,应根据结构受力要求及箍筋肢数等构造要求而定。
注写时,须将架立筋写入括号内。
例:2B22用于双肢箍;2B22+(4A12)用于六肢箍,其中2B22为贯通筋,4A12为架立筋。
最全钢筋符号,免费分享【1】标注钢筋的根数、直径和等级:3Ф203:表示钢筋的根数Ф:表示钢筋等级直径符号20:表示钢筋直径【2】标注钢筋的等级、直径和相邻钢筋中心距:Ф8 @ 200:Ф:表示钢筋等级直径符号8:表示钢筋直径@:相等中心距符号200:相邻钢筋的中心距(≤200mm)各类钢筋的表示方法1、梁箍筋梁箍筋包括钢筋级别、直径、加密区与非加密区间距及肢数。
箍筋加密区与蜚加密区的不同间距及肢数需用斜线"/"分隔;当梁箍筋为同一种间距及肢数时,则不需用斜线;当加密区与非加密区的箍筋肢数相同时,则将肢数注写一次;箍筋肢数应写在括号内。
(需要注意的是此处表示间距不是用"@",而是用"-"。
)例:A10-100/200(4),表示箍筋为Ⅰ级钢筋,直径φ10,加密区间距为100,非加密区间距为200,均为四肢箍。
A8-100(4)/150(2),表示箍筋为Ⅰ级钢筋,直径φ8,加密区间距为100,四肢箍,非加密区间距为150,两肢箍。
当抗震结构中的非框架梁及非抗震结构中的各类梁采用不同的箍筋间距及肢数时,也用斜线"/"将其分隔开来。
注写时,先注写梁支座端部的箍筋(包括箍筋的箍数、钢筋级别、直径、间距及肢数),在斜线后注写梁跨中部分的箍筋间距及肢数。
例:13A10-150/200(4),表示箍筋为Ⅰ级钢筋,直径φ10;梁的两端各有13个四肢箍,间距为150;梁跨中部分,间距为200,四肢箍。
18A12-120(4)/200(2),表示箍筋为Ⅰ级钢筋,直径φ12;梁的两端各有18个四肢箍,间距为120;梁跨中部分,间距为200,两肢箍。
2、梁上部贯通筋或架立筋梁上部贯通筋或架立筋根数,应根据结构受力要求及箍筋肢数等构造要求而定。
注写时,须将架立筋写入括号内。
例:2B22用于双肢箍;2B22+(4A12)用于六肢箍,其中2B22为贯通筋,4A12为架立筋。
如何看钢筋图纸热扎钢筋等级和直径符号强度等公称直径外形钢种符号主要用途常用材料级代号mmHPB235光圆低碳钢8--20非预应力Q235HRB3356--5020MnSi非预应力、预应力HRB400月牙肋6--5025MnSi合金钢RRB4006--50预应力40Si2MnV钢筋的标注在图样中一般采用引出线的方法,具体有以下两种标注方法:②标注钢筋的等级、直径和相邻钢筋中心①标注钢筋的根数、直径和等级距3Ф 20:Ф8 @ 200:Ф:表示钢筋等级直径符号3:表示钢筋的根数8:表示钢筋直径Ф:表示钢筋等级直径符号@:相等中心距符号20:表示钢筋直径200:相邻钢筋的中心距(≤200mm)一般钢筋的表示方法名称图例名称图例名称图例钢筋带直钩的半圆形弯钩断面钢筋端部的钢筋塔接无弯钩的带丝扣半直钩的钢筋端部钢筋端部钢筋端部半圆形弯钩无弯钩的套管接头的钢筋端部钢筋塔接常用构件的代号序号名称代号序号名称代号序号名称代号1板B15吊车梁DL29基础J 2屋面板WB16圈梁QL30设备基础SJ 3空心板KB17过梁GL31桩ZH 4槽形板CB18连系梁LL32柱间支撑ZC5折板ZB19基础梁JL33垂直支撑CC 6密筋板MB20楼梯梁TL34水平支撑SC 7楼梯板TB21懔条LT35梯T 8盖板或沟盖板GB22屋架WJ36雨蓬YP 9挡雨板或口板檐板YB23托架TJ37阳台YT 10吊车安全走道板DB24天窗架CJ38梁垫LD 11墙板QB25框架KJ39预埋件M 12天沟板TGB26钢架GJ40天窗端壁TD 13梁L27支架ZJ41钢筋网W 14屋面梁WL28柱Z42钢筋骨架G一、梁上主筋和梁下主筋同时表示方法:⑴ 3Φ22,3Φ20表示上部钢筋为3Φ22,下部钢筋为3Φ20。
⑵2φ12,3Φ18 表示上部钢筋为 2φ12, 下部钢筋为 3Φ 18。
⑶ 4Φ25,4Φ25 表示上部钢筋为 4Φ25, 下部钢筋为 4Φ 25。
钢筋符号大全,一级、二级、三级钢筋符号钢筋的分类:1、按力学性能分:HPB235级钢筋(一级),HRB335级钢筋(二级),HRB400级钢筋(三级)和RRB400级钢筋(四级)2、按轧制外形分为:光圆钢筋和带肋钢筋3、按钢筋直径大小分为:钢丝(3~5mm)细钢筋(6~10mm)中粗钢筋(12~20mm)粗钢筋(大于20mm)钢筋符号:1。
标注钢筋的根数、直径和等级:3Ф203:表示钢筋的根数Ф:表示钢筋等级直径符号20:表示钢筋直径2。
标注钢筋的等级、直径和相邻钢筋中心距Ф8 @ 200:Ф:表示钢筋等级直径符号8:表示钢筋直径@:相等中心距符号200:相邻钢筋的中心距(≤200mm)在Word文档中打钢筋符号:φ一级钢筋输入E000,选中E001(涂黑)后按ALT+X 即可变成二级钢筋输入E001,选中E002(涂黑)后按ALT+X 即可变成三级钢筋输入E002,选中E003(涂黑)后按ALT+X 即可变成一级、二级、三级钢筋符号如下图:(A、B、C分别代表一级、二级、三级)重量计算钢材理论重量计算的计量单位为公斤(kg)。
其基本公式为:W(重量,kg)=F(断面积m2)×L(长度,m)×ρ(密度,g/cm3)×1/1000钢的密度为:7.85g/cm3,螺纹钢理论重量计算公式如下:W=0.00617×d2(kg/m)d=断面直径mm,如断面直径为12mm的螺纹钢,每米重量=0.00617×144=0.888kg每米钢筋重量表Φ6=0.222㎏Φ8=0.395㎏Φ10=0.617㎏Φ12= 0.888㎏Φ14= 1.21㎏Φ16=1.58㎏Φ18=2㎏Φ20=2.47㎏Φ22= 3㎏Φ25=3.86㎏(0.617为圆10钢筋每米重量,钢筋的重量与直径的平方成正比。
)钢筋的重量=钢筋的直径*钢筋的直径*0.00617一般计算时Φ12以下和Φ28的钢筋取小数点后3位,Φ14到Φ25的钢筋取小数点后2位。
钢筋类型及符号
在建筑工程中,钢筋是不可或缺的重要材料之一。
根据其形状、尺寸和材质的不同,钢筋有着多种类型和用途。
以下是一些常见的钢筋类型及其符号:
1. 圆钢(R)
圆钢是最常见的钢筋类型,其形状为圆形,由低碳钢或高强度低合金钢经轧制而成。
圆钢主要用于房屋建筑、桥梁、隧道等结构的箍筋、拉筋和支撑筋。
符号为“R”。
2. 螺纹钢(B)
螺纹钢是一种带有纵肋和螺旋纹的钢筋,其形状为圆形或带有一定弯曲程度的直条状。
螺纹钢主要用于房屋建筑、桥梁等结构的受力钢筋和箍筋。
符号为“B”。
3. 槽钢(C)
槽钢是一种具有开口截面的型钢,其形状为“凹口”状,分为轻型、中型和重型三种类型。
槽钢主要用于房屋建筑、桥梁等结构的支撑和吊装。
符号为“C”。
4. 工字钢(I)
工字钢是一种具有工字形截面的型钢,其形状类似于英文字母“I”,分为普通工字钢和宽翼缘工字钢两种类型。
工字钢主要用于房屋建筑、桥梁等结构的支撑和吊装。
符号为“I”。
5. 角钢(L)
角钢是一种具有两个平行边的型钢,其形状类似于英文字母“L”,分为等边角钢和不等边角钢两种类型。
角钢主要用于房屋建筑、桥梁等结构的支撑和固定。
符号为“L”。
以上是一些常见的钢筋类型及其符号,每种钢筋都有其特定的用途和适用范围。
在建筑工程中,根据不同的设计和要求,选择合适的钢筋类型和规格是非常重要的。
钢筋形状及符号
钢筋的形状通常有圆形、方形和螺纹形等,而不同类型的钢筋会有不同的符号表示。
以下是一些常见的钢筋形状和符号:
热轧钢筋:分为HPB300、HRB335、HRB400、HRB500等8种。
预应力钢筋:分为钢绞线、消除预应力钢筋、中强度预应力钢丝、预应力螺纹钢筋等4种,其中消除预应力钢丝又细分为光面消除预应力钢丝和螺旋肋消除预应力钢丝两种,中强度预应力钢丝细分为光面中强度预应力钢丝和螺旋肋中强度预应力钢丝两种。
不同国家和地区的钢筋符号可能会有所不同,在使用钢筋时,需要根据具体的设计和施工要求选择合适的钢筋类型和符号,并严格按照相关标准和规范进行施工和质量控制。
钢筋的尺寸符号
1、钢筋符号:
(1)标注钢筋的根数、直径和等级:3Ф20(3:表示钢筋的根数,Ф:表示钢筋等级直径符号,20:表示钢筋直径。
)
(2)标注钢筋的等级、直径和相邻钢筋中心距:Ф8 @ 200:【Ф:表示钢筋等级直径符号,8:表示钢筋直径,@:相等中心距符号,200:相邻钢筋的中心距(≤200mm)。
】
2、钢筋的重量=钢筋的直径*钢筋的直径*0.00617 一般计算时Φ12以下和Φ28的钢筋取小数点后3位,Φ14到Φ25的钢筋取小数点后2位。
3、筋的分类:
按力学性能分:HPB235级钢筋(一级),HRB335级钢筋(二级),HRB400级钢筋(三级),RRB400级钢筋(四级)。
4、按轧制外形分为:光圆钢筋和带肋钢筋。
5、按钢筋直径大小分为:钢丝(3~5mm)细钢筋(6~10mm)中粗钢筋(12~20mm)粗钢筋(大于20mm)。
6、梁箍筋包括钢筋级别、直径、加密区与非加密区间距及肢数。
箍筋加密区与蜚加密区的不同间距及肢数需用斜线"/"分隔;当梁箍筋为同一种间距及肢数时,则不需用斜线;当加密区与非加密区的箍筋肢数相同时,则将肢数注写一次;箍筋肢数应写在括号内。
7、例:A10-100/200(4),表示箍筋为Ⅰ级钢筋,直径φ10,加密区间距为100,非加密区间距为200,均为四肢箍。
8、例:A8-100(4)/150(2),表示箍筋为Ⅰ级钢筋,直径φ8,加密区间距为100,四肢箍,非加密区间距为150,两肢箍。
钢筋等级及符号
钢筋等级符号如下:
1. 一级钢筋:符号为国字I,长度为一般钢筋的
2.5倍。
2. 二级钢筋:符号为国字II,长度为一般钢筋的1.5倍。
3. 三级钢筋:符号为国字III,长度为一般钢筋的1.25倍。
4. 四级钢筋:符号为国字IV,长度为一般钢筋的1.2倍。
5.五级钢筋:符号为国字V,长度为一般钢筋的1.05倍。
6.六级钢筋:符号为国字VI,长度为一般钢筋的0.95倍。
7. 七级钢筋:符号为国字VII,长度为一般钢筋的0.9倍。
8. 八级钢筋:符号为国字VIII,长度为一般钢筋的0.833倍。
9. 九级钢筋:符号为国字IX,长度为一般钢筋的0.767倍。
10.十级钢筋:符号为国字X,长度为一般钢筋的0.666倍。
注意:以上符号仅用于表示钢筋的等级,具体等级还必须结合钢筋的规格、用途等综合确定。
钢筋种类及相关符号
一、钢筋种类及相关符号
HPB300—Ф(一级钢)热轧光圆钢筋强度级别300MPa HPB是热扎光圆钢筋的英文(Hot rolled Plain Bars)缩写。
300表示屈服强度为300MPa。
HRB335—(二级钢)热轧带肋钢筋强度级别335MPa HRB是热扎带肋钢筋的英文(Hot rolled Ribbed Bars)缩写。
335表示屈服强度为335MPa。
HRBF335—(二级钢)细晶粒热轧带肋钢筋强度级别335MPa HRBF是热扎带肋钢筋的英文缩写后面加“细”的英文(Fine)首位字母。
335表示屈服强度为335MPa。
HRB400—(三级钢)热轧带肋钢筋强度级别400MPa
HRBF400—(三级钢)细晶粒热轧带肋钢筋强度级别400MPa
RRB400—(三级钢)余热处理带肋钢筋强度级别400MPa RRB是余热处理带肋钢筋(Remained heat treatment Ribbed Steel Bars)缩写。
钢筋(Bars)
HRB400E—(三级钢)有较高抗震性能的普通热轧带肋钢筋强度级别400MPa
HRB500-- (四级钢)普通热轧带肋钢筋强度级别500MPa HRBF 500—(四级钢)细粒热轧带肋钢筋强度级别500MPa
H、P、R、B、F、E分别为热轧(Hotrolled)、光圆(Plain)、带肋(Ribbed)、钢筋(Bars)、细粒(Fine)、地震(Earthquake)5个词的英文首位字母。
后面的数代表屈服强度为*** Mpa 二、钢筋混凝土构件图示方法中钢筋的标注
一般采用引出线的方法,具体有以下两种标注方法:
1、标注钢筋的根数、直径和等级:
例如:3Ф20 3:表示钢筋的根数Ф:表示钢筋等级直
径符号 20:表示钢筋直径
2、标注钢筋的等级、直径和相邻钢筋中心距
例如:Ф8 @ 200:Ф:表示钢筋等级直径符号 8:表
示钢筋直径 @:相等中心距符号 200:相邻钢筋的中心
距(≤200mm)
3、梁箍筋
梁箍筋包括钢筋级别、直径、加密区与非加密区间距及肢数。
箍筋加密区与非加密区的不同间距及肢数需用斜线"/"分隔;当梁箍筋为同一种间距及肢数时,则不需用斜线;当加密区与非加密区的箍筋肢数相同时,则将肢数注写一次;箍筋肢数应写在括号内。
例如:1、Ф10-100/200(4),表示箍筋为Ⅰ级钢筋,直径φ10,加密区间距为100,非加密区间距为200,均为四肢箍。
2、Ф8-100(4)/150(2),表示箍筋为Ⅰ级钢筋,直径φ8,加密区间距为100,四肢箍,非加密区间距为150,两肢箍。
3.箍筋作用及肢数判断
箍筋用来满足斜截面抗剪强度,并联结受拉主钢筋和受压区混凝土使其共同工作;此外,用来固定主钢筋的位置而使梁内各种钢筋构成钢筋骨架的钢筋,是梁和柱抵抗剪力配置的环形(当然有圆形的和矩形的)钢筋
箍筋分为梁式箍筋和柱式箍筋。
梁式箍筋只需要看水平方向竖直箍筋的根数;柱式箍筋分别要看水平方向竖直箍筋的根数和竖直方向水平钢筋的肢数。
最好记的方法就是查柱B边和H边的箍筋根数,有几根就是几肢箍,B边有3根,H边有3根就是3*3肢箍如截图的箍筋,如果B边有5肢H边有6肢,就是5*6肢箍。
如下图,多查几个就全记住了。
二、砼强度等级
砼强度等级共12个:低强度——C7.5、C10、C15;结构砼——C15、C20、C25、C30;高强度——C30、C35、C40、C45;超强度——C45、C50、C55、C60。