钢筋编号等级类型符号大全
- 格式:doc
- 大小:152.50 KB
- 文档页数:14
钢筋等级符号大全钢筋等级符号大全钢筋是建筑施工中常用的一种构件材料,用于加固混凝土结构,提高结构的整体强度和稳定性。
钢筋等级符号用于标识不同钢筋的强度等级,以便工程师和施工人员正确选择和使用适合的钢筋材料。
下面是钢筋等级符号的大全,供大家参考。
1. HPB——冷拔钢筋HPB钢筋是一种常用的冷拔钢筋,具有较高的强度和韧性,适用于各种结构加固和建筑工程。
2. HRB335——热轧带肋钢筋HRB335钢筋是一种热轧带肋钢筋,其抗拉强度为335MPa,适用于普通建筑结构的加固和施工。
3. HRB400——热轧带肋钢筋HRB400钢筋是一种热轧带肋钢筋,其抗拉强度为400MPa,适用于大型建筑结构、桥梁和高层建筑的加固和施工。
4. HRB500——热轧带肋钢筋HRB500钢筋是一种热轧带肋钢筋,其抗拉强度为500MPa,适用于超高层建筑、大型桥梁和重要基础设施的加固和施工。
5. HRB600——热轧带肋钢筋HRB600钢筋是一种热轧带肋钢筋,其抗拉强度为600MPa,适用于特殊要求的工程项目,如核电站、天然气储罐等。
6. HRB335E——热轧带肋钢筋HRB335E钢筋是一种热轧带肋钢筋,具有较高的抗拉强度和韧性,适用于特殊要求的工程项目和海洋工程。
HRB400E钢筋是一种热轧带肋钢筋,具有更高的抗拉强度和韧性,适用于工程结构要求较高的项目。
8. HRB500E——热轧带肋钢筋HRB500E钢筋是一种热轧带肋钢筋,具有更高的抗拉强度和韧性,适用于重要工程项目的加固和施工。
9. HRB335L——热轧带肋钢筋HRB335L钢筋是一种热轧带肋钢筋,具有较低的碳含量和较高的强度,适用于低碳环保建筑工程。
10. HRB400L——热轧带肋钢筋HRB400L钢筋是一种热轧带肋钢筋,具有较低的碳含量和较高的强度,适用于低碳环保建筑工程。
11. HRB500L——热轧带肋钢筋HRB500L钢筋是一种热轧带肋钢筋,具有较低的碳含量和较高的强度,适用于低碳环保建筑工程。
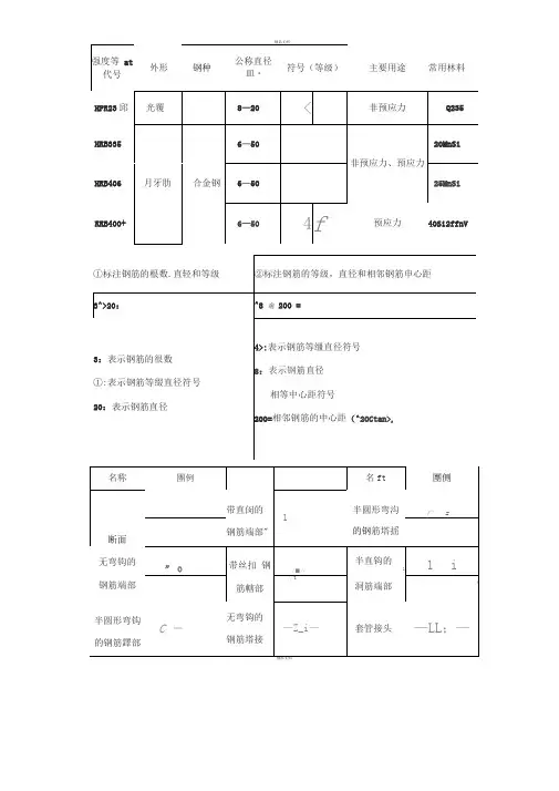
如何看钢筋图纸热扎钢筋等级和直径符号强度等公称直径外形主要用途常用材料钢种符号级代号mm光圆低碳钢非预应力Q235HPB2358--20 HRB3356--5020MnSi非预应力、预应力月牙肋6--50HRB40025MnSi合金钢预应力40Si2MnV6--50RRB400钢筋的标注在图样中一般采用引出线的方法,具体有以下两种标注方法:②标注钢筋的等级、直径和相邻钢筋中心①标注钢筋的根数、直径和等级距3Ф20:Ф8 @ 200:Ф:表示钢筋等级直径符号3:表示钢筋的根数8:表示钢筋直径Ф:表示钢筋等级直径符号@:相等中心距符号20:表示钢筋直径200:相邻钢筋的中心距(≤200mm)一般钢筋的表示方法名称图例名称图例名称图例半圆形弯钩钢筋带直钩的断面钢筋端部的钢筋塔接半直钩的无弯钩的带丝扣钢筋端部钢筋端部钢筋端部无弯钩的半圆形弯钩套管接头的钢筋端部钢筋塔接常用构件的代号序号名称代号序号名称代号序号名称代号1板B15吊车梁DL29基础J2屋面板WB16圈梁QL30设备基础SJ 3空心板KB17过梁GL31桩ZH4槽形板CB18连系梁LL32柱间支撑ZC5折板ZB19基础梁JL33垂直支撑CC6密筋板MB20楼梯梁TL34水平支撑SC7楼梯板TB21懔条LT35梯T8盖板或沟盖板GB22屋架WJ36雨蓬YP9挡雨板或口板檐板YB23托架TJ37阳台YT 10吊车安全走道板DB24天窗架CJ38梁垫LD11墙板QB25框架KJ39预埋件M12天沟板TGB26钢架GJ40天窗端壁TD13梁L27支架ZJ41钢筋网W14屋面梁WL28柱Z42钢筋骨架G一、梁上主筋和梁下主筋同时表示方法:⑴3Φ22,3Φ20表示上部钢筋为3Φ22,下部钢筋为3Φ20。
⑵2φ12,3Φ18 表示上部钢筋为2φ12, 下部钢筋为3Φ18。
⑶4Φ25,4Φ25 表示上部钢筋为4Φ25, 下部钢筋为4Φ25。
⑷3Φ25,5Φ25 表示上部钢筋为3Φ25, 下部钢筋为5Φ25。
如何看钢筋图纸热扎钢筋等级和直径符号强度等级代号外形钢种公称直径mm符号主要用途常用材料HPB235 光圆低碳钢8--20 非预应力Q235HRB335月牙肋合金钢6--50非预应力、预应力20MnSiHRB400 6--50 25MnSi RRB400 6--50 预应力40Si2MnV 钢筋的标注在图样中一般采用引出线的方法,具体有以下两种标注方法:①标注钢筋的根数、直径和等级②标注钢筋的等级、直径和相邻钢筋中心距3Ф20:Ф8 @ 200:3:表示钢筋的根数Ф:表示钢筋等级直径符号Ф:表示钢筋等级直径符号8:表示钢筋直径20:表示钢筋直径@:相等中心距符号200:相邻钢筋的中心距(≤200mm)一般钢筋的表示方法名称图例名称图例名称图例钢筋断面带直钩的钢筋端部半圆形弯钩的钢筋塔接无弯钩的钢筋端部带丝扣钢筋端部半直钩的钢筋端部半圆形弯钩的钢筋端部无弯钩的钢筋塔接套管接头常用构件的代号序号名称代号序号名称代号序号名称代号1板B15吊车梁DL29基础J 2屋面板WB16圈梁QL30设备基础SJ 3空心板KB17过梁GL31桩ZH 4槽形板CB18连系梁LL32柱间支撑ZC 5折板ZB19基础梁JL33垂直支撑CC 6密筋板MB20楼梯梁TL34水平支撑SC 7楼梯板TB21懔条LT35梯T 8盖板或沟盖板GB22屋架WJ36雨蓬YP 9挡雨板或口板檐板YB23托架TJ37阳台YT一、梁上主筋和梁下主筋同时表示方法:⑴3Φ22,3Φ20 表示上部钢筋为3Φ22, 下部钢筋为3Φ20。
⑵2φ12,3Φ18 表示上部钢筋为2φ12, 下部钢筋为3Φ18。
⑶4Φ25,4Φ25 表示上部钢筋为4Φ25, 下部钢筋为4Φ25。
⑷3Φ25,5Φ25 表示上部钢筋为3Φ25, 下部钢筋为5Φ25。
二、梁上部钢筋表示方法:(标在梁上支座处)⑴ 2Φ20 表示两根Φ20的钢筋,通长布置,用于双肢箍。
⑵ 2Φ22+(4Φ12)表示2Φ22 为通长,4φ12架立筋,用于六肢箍。
如何看钢筋图纸热扎钢筋等级和直径符号强度等级代号外形钢种公称直径mm符号主要用途常用材料HPB235 光圆低碳钢8--20 非预应力Q235HRB335月牙肋合金钢6--50非预应力、预应力20MnSiHRB400 6--50 25MnSi RRB400 6--50 预应力40Si2MnV钢筋的标注在图样中一般采用引出线的方法,具体有以下两种标注方法:①标注钢筋的根数、直径和等级②标注钢筋的等级、直径和相邻钢筋中心距3Ф20:Ф8 @ 200:3:表示钢筋的根数Ф:表示钢筋等级直径符号20:表示钢筋直径Ф:表示钢筋等级直径符号8:表示钢筋直径@:相等中心距符号200:相邻钢筋的中心距(≤200mm)一般钢筋的表示方法名称图例名称图例名称图例钢筋断面带直钩的钢筋端部半圆形弯钩的钢筋塔接无弯钩的钢筋端部带丝扣钢筋端部半直钩的钢筋端部半圆形弯钩的钢筋端部无弯钩的钢筋塔接套管接头常用构件的代号序号名称代号序号名称代号序号名称代号1板B15吊车梁DL29基础J 2屋面板WB16圈梁QL30设备基础SJ 3空心板KB17过梁GL31桩ZH 4槽形板CB18连系梁LL32柱间支撑ZC一、梁上主筋和梁下主筋同时表示方法:⑴3Φ22,3Φ20 表示上部钢筋为3Φ22, 下部钢筋为3Φ20。
⑵2φ12,3Φ18 表示上部钢筋为2φ12, 下部钢筋为3Φ18。
⑶4Φ25,4Φ25 表示上部钢筋为4Φ25, 下部钢筋为4Φ25。
⑷3Φ25,5Φ25 表示上部钢筋为3Φ25, 下部钢筋为5Φ25。
二、梁上部钢筋表示方法:(标在梁上支座处)⑴ 2Φ20 表示两根Φ20的钢筋,通长布置,用于双肢箍。
⑵ 2Φ22+(4Φ12)表示2Φ22 为通长,4φ12架立筋,用于六肢箍。
⑶ 6Φ25 4/2 表示上部钢筋上排为4Φ25,下排为2Φ25。
⑷ 2Φ22+ 2Φ22 表示只有一排钢筋,两根在角部,两根在中部,均匀布置。
三、梁腰中钢筋表示方法:⑴ G2φ12 表示梁两侧的构造钢筋,每侧一根φ12。
如何看钢筋图纸热扎钢筋等级和直径符号强度等级代号外形钢种公称直径mm符号主要用途常用材料HPB235 光圆低碳钢8--20 非预应力Q235HRB335月牙肋合金钢6--50非预应力、预应力20MnSiHRB400 6--50 25MnSi RRB400 6--50 预应力40Si2MnV钢筋的标注在图样中一般采用引出线的方法,具体有以下两种标注方法:①标注钢筋的根数、直径和等级②标注钢筋的等级、直径和相邻钢筋中心距3Ф20:Ф8 @ 200:3:表示钢筋的根数Ф:表示钢筋等级直径符号20:表示钢筋直径Ф:表示钢筋等级直径符号8:表示钢筋直径@:相等中心距符号200:相邻钢筋的中心距(≤200mm)一般钢筋的表示方法名称图例名称图例名称图例钢筋断面带直钩的钢筋端部半圆形弯钩的钢筋塔接无弯钩的钢筋端部带丝扣钢筋端部半直钩的钢筋端部半圆形弯钩的钢筋端部无弯钩的钢筋塔接套管接头常用构件的代号序号名称代号序号名称代号序号名称代号1板B15吊车梁DL29基础J 2屋面板WB16圈梁QL30设备基础SJ 3空心板KB17过梁GL31桩ZH 4槽形板CB18连系梁LL32柱间支撑ZC一、梁上主筋和梁下主筋同时表示方法:⑴ 3Φ22,3Φ20 表示上部钢筋为3Φ22, 下部钢筋为3Φ20。
⑵ 2φ12,3Φ18 表示上部钢筋为2φ12, 下部钢筋为3Φ18。
⑶ 4Φ25,4Φ25 表示上部钢筋为4Φ25, 下部钢筋为4Φ25。
⑷ 3Φ25,5Φ25 表示上部钢筋为3Φ25, 下部钢筋为5Φ25。
二、梁上部钢筋表示方法:(标在梁上支座处)⑴ 2Φ20 表示两根Φ20的钢筋,通长布置,用于双肢箍。
⑵ 2Φ22+(4Φ12)表示2Φ22 为通长,4φ12架立筋,用于六肢箍。
⑶ 6Φ25 4/2 表示上部钢筋上排为4Φ25,下排为2Φ25。
⑷ 2Φ22+ 2Φ22 表示只有一排钢筋,两根在角部,两根在中部,均匀布置。
三、梁腰中钢筋表示方法:⑴ G2φ12 表示梁两侧的构造钢筋,每侧一根φ12。
钢筋符号表
钢筋符号表包括多种钢筋的符号标识,以下为您列举部分常用的钢筋符号:
Ф:表示钢筋等级直径符号。
Ⅰ级钢筋:用Ф表示,也可用罗马数字Ⅰ表示。
Ⅱ级钢筋:用Ф加数字Ⅱ表示,也可用罗马数字Ⅱ表示。
Ⅲ级钢筋:用Ф加数字Ⅲ表示,也可用罗马数字Ⅲ表示。
Ⅳ级钢筋:用Ф加数字Ⅳ表示,也可用罗马数字Ⅳ表示。
Ф8@200:表示钢筋直径为8毫米,间距为200毫米的等距垂直钢筋。
Ф8@100/200:表示钢筋直径为8毫米,第一根垂直钢筋间距为100毫米,第二根垂直钢筋间距为200毫米的等距垂直钢筋。
Ф8@150/200(2):表示钢筋直径为8毫米,第一根垂直钢筋间距为150毫米,第二根垂直钢筋间距为200毫米,且在括号内的数字表示该组钢筋的总根数。
Ф8-100/200(4):表示钢筋直径为8毫米,垂直钢筋间距为100毫米,水平钢筋间距为200毫米,且在括号内的数字表示该组钢筋的总层数。
除此之外,还有许多特殊形状和符号用于表示不同类型和规格的钢筋。
具体使用时应根据实际情况和相关标准规范进行选择和应用。
如何看钢筋图纸热扎钢筋等级和直径符号钢筋的标注在图样中一般采用引出线的方法,具体有以下两种标注方法:一般钢筋的表示方法常用构件的代号一、梁上主筋和梁下主筋同时表示方法:⑴3Φ22,3Φ20 表示上部钢筋为3Φ22, 下部钢筋为3Φ20。
⑵2φ12,3Φ18 表示上部钢筋为2φ12, 下部钢筋为3Φ18。
⑶4Φ25,4Φ25 表示上部钢筋为4Φ25, 下部钢筋为4Φ25。
⑷3Φ25,5Φ25 表示上部钢筋为3Φ25, 下部钢筋为5Φ25。
二、梁上部钢筋表示方法:(标在梁上支座处)⑴2Φ20 表示两根Φ20的钢筋,通长布置,用于双肢箍。
⑵2Φ22+(4Φ12)表示2Φ22 为通长,4φ12架立筋,用于六肢箍。
⑶6Φ25 4/2 表示上部钢筋上排为4Φ25,下排为2Φ25。
⑷2Φ22+ 2Φ22 表示只有一排钢筋,两根在角部,两根在中部,均匀布置。
三、梁腰中钢筋表示方法:⑴G2φ12 表示梁两侧的构造钢筋,每侧一根φ12。
⑵G4Φ14 表示梁两侧的构造钢筋,每侧两根Φ14。
⑶N2Φ22 表示梁两侧的抗扭钢筋,每侧一根Φ22。
⑷N4Φ18 表示梁两侧的抗扭钢筋,每侧两根Φ18。
四、梁下部钢筋表示方法:(标在梁的下部)⑴4Φ25 表示只有一排主筋,4Φ25 全部伸入支座内。
⑵6Φ25 2/4 表示有两排钢筋,上排筋为2Φ25,下排筋4Φ25。
⑶6Φ25 (-2 )/4 表示有两排钢筋,上排筋为2Φ25,不伸入支座,下排筋4Φ25,全部伸入支座。
⑷2Φ25 + 3Φ22(-3)/ 5Φ25 表示有两排筋,上排筋为5根。
2Φ25伸入支座,3Φ22,不伸入支座。
下排筋5Φ25,通长布置。
一、箍筋表示方法:⑴φ10@100/200(2) 表示箍筋为φ10 ,加密区间距100,非加密区间距200,全为双肢箍。
⑵φ10@100/200(4) 表示箍筋为φ10 ,加密区间距100,非加密区间距200,全为四肢箍。
⑶φ8@200(2) 表示箍筋为φ8,间距为200,双肢箍。
如何看钢筋图纸热扎钢筋等级和直径符号强度等公称直径外形钢种符号主要用途常用材料级代号mmHPB235光圆低碳钢8--20非预应力Q235HRB3356--5020MnSi非预应力、预应力HRB400月牙肋6--5025MnSi合金钢RRB4006--50预应力40Si2MnV钢筋的标注在图样中一般采用引出线的方法,具体有以下两种标注方法:②标注钢筋的等级、直径和相邻钢筋中心①标注钢筋的根数、直径和等级距3Ф 20:Ф8 @ 200:Ф:表示钢筋等级直径符号3:表示钢筋的根数8:表示钢筋直径Ф:表示钢筋等级直径符号@:相等中心距符号20:表示钢筋直径200:相邻钢筋的中心距(≤200mm)一般钢筋的表示方法名称图例名称图例名称图例钢筋带直钩的半圆形弯钩断面钢筋端部的钢筋塔接无弯钩的带丝扣半直钩的钢筋端部钢筋端部钢筋端部半圆形弯钩无弯钩的套管接头的钢筋端部钢筋塔接常用构件的代号序号名称代号序号名称代号序号名称代号1板B15吊车梁DL29基础J 2屋面板WB16圈梁QL30设备基础SJ 3空心板KB17过梁GL31桩ZH 4槽形板CB18连系梁LL32柱间支撑ZC5折板ZB19基础梁JL33垂直支撑CC 6密筋板MB20楼梯梁TL34水平支撑SC 7楼梯板TB21懔条LT35梯T 8盖板或沟盖板GB22屋架WJ36雨蓬YP 9挡雨板或口板檐板YB23托架TJ37阳台YT 10吊车安全走道板DB24天窗架CJ38梁垫LD 11墙板QB25框架KJ39预埋件M 12天沟板TGB26钢架GJ40天窗端壁TD 13梁L27支架ZJ41钢筋网W 14屋面梁WL28柱Z42钢筋骨架G一、梁上主筋和梁下主筋同时表示方法:⑴ 3Φ22,3Φ20表示上部钢筋为3Φ22,下部钢筋为3Φ20。
⑵2φ12,3Φ18 表示上部钢筋为 2φ12, 下部钢筋为 3Φ 18。
⑶ 4Φ25,4Φ25 表示上部钢筋为 4Φ25, 下部钢筋为 4Φ 25。
热扎钢筋等级和直径符号钢筋的标注在图样中一般采用引出线的方法,具体有以下两种标注方法:一般钢筋的表示方法常用构件的代号一、梁上主筋和梁下主筋同时表示方法:⑴3Φ22,3Φ20 表示上部钢筋为3Φ22, 下部钢筋为3Φ20。
⑵2φ12,3Φ18 表示上部钢筋为2φ12, 下部钢筋为3Φ18。
⑶4Φ25,4Φ25 表示上部钢筋为4Φ25, 下部钢筋为4Φ25。
⑷3Φ25,5Φ25 表示上部钢筋为3Φ25, 下部钢筋为5Φ25。
二、梁上部钢筋表示方法:(标在梁上支座处)⑴ 2Φ20 表示两根Φ20的钢筋,通长布置,用于双肢箍。
⑵ 2Φ22+(4Φ12)表示2Φ22 为通长,4φ12架立筋,用于六肢箍。
⑶ 6Φ25 4/2 表示上部钢筋上排为4Φ25,下排为2Φ25。
⑷ 2Φ22+ 2Φ22 表示只有一排钢筋,两根在角部,两根在中部,均匀布置。
三、梁腰中钢筋表示方法:⑴ G2φ12 表示梁两侧的构造钢筋,每侧一根φ12。
⑵ G4Φ14 表示梁两侧的构造钢筋,每侧两根Φ14。
⑶ N2Φ22 表示梁两侧的抗扭钢筋,每侧一根Φ22。
⑷ N4Φ18 表示梁两侧的抗扭钢筋,每侧两根Φ18。
四、梁下部钢筋表示方法:(标在梁的下部)⑴ 4Φ25 表示只有一排主筋,4Φ25 全部伸入支座内。
⑵ 6Φ25 2/4 表示有两排钢筋,上排筋为2Φ25,下排筋4Φ25。
⑶ 6Φ25 (-2 )/4 表示有两排钢筋,上排筋为2Φ25,不伸入支座,下排筋4Φ25,全部伸入支座。
⑷ 2Φ25 + 3Φ22(-3)/ 5Φ25 表示有两排筋,上排筋为5根。
2Φ25伸入支座,3Φ22,不伸入支座。
下排筋 5Φ25,通长布置。
一、箍筋表示方法:⑴φ10@100/200(2) 表示箍筋为φ10 ,加密区间距100,非加密区间距200,全为双肢箍。
⑵φ10@100/200(4) 表示箍筋为φ10 ,加密区间距100,非加密区间距200,全为四肢箍。
钢筋等级符号大全1. 引言钢筋是建筑工程中常用的一种材料,用于增强混凝土结构的强度和韧性。
在建筑设计和施工过程中,经常会用到一些钢筋等级符号来表示钢筋的性能和规格。
本文将介绍钢筋等级符号的完整列表,并详细解释每个符号的含义。
2. 钢筋等级符号列表2.1. HRB•含义:Hot-Rolled Bars(热轧钢杆)•描述:这是一种热轧钢杆的等级符号,常见于构造钢筋中。
2.2. HRC•含义:Hot-Rolled Coils(热轧钢卷)•描述:这是一种热轧钢卷的等级符号,常见于建筑材料中。
2.3. HD•含义:Hot-Dipped(热浸镀)•描述:这是一种表面经过热浸镀处理的钢筋等级符号,常用于抗锈腐蚀的需求。
2.4. SD•含义:Superior Ductility(高韧性)•描述:这是一种钢筋等级符号,代表着具有较高韧性的特点。
2.5. PSB•含义:Prestressed Steel Bars(预应力钢筋)•描述:这是预应力钢筋的等级符号,用于增强混凝土结构的抗拉强度。
2.6. HRB335•含义:Hot-Rolled Bars with a yield strength of 335 MPa(屈服强度为335兆帕的热轧钢杆)•描述:这是一种热轧钢杆的等级符号,其屈服强度为335兆帕。
2.7. HRB400•含义:Hot-Rolled Bars with a yield strength of 400 MPa(屈服强度为400兆帕的热轧钢杆)•描述:这是一种热轧钢杆的等级符号,其屈服强度为400兆帕。
2.8. HRB500•含义:Hot-Rolled Bars with a yield strength of 500 MPa(屈服强度为500兆帕的热轧钢杆)•描述:这是一种热轧钢杆的等级符号,其屈服强度为500兆帕。
2.9. HPB•含义:Heat-treated Plain Bars(热处理钢杆)•描述:这是一种经过热处理的普通钢杆等级符号,用于提高钢筋的强度。
钢筋等级及符号
钢筋等级符号如下:
1. 一级钢筋:符号为国字I,长度为一般钢筋的
2.5倍。
2. 二级钢筋:符号为国字II,长度为一般钢筋的1.5倍。
3. 三级钢筋:符号为国字III,长度为一般钢筋的1.25倍。
4. 四级钢筋:符号为国字IV,长度为一般钢筋的1.2倍。
5.五级钢筋:符号为国字V,长度为一般钢筋的1.05倍。
6.六级钢筋:符号为国字VI,长度为一般钢筋的0.95倍。
7. 七级钢筋:符号为国字VII,长度为一般钢筋的0.9倍。
8. 八级钢筋:符号为国字VIII,长度为一般钢筋的0.833倍。
9. 九级钢筋:符号为国字IX,长度为一般钢筋的0.767倍。
10.十级钢筋:符号为国字X,长度为一般钢筋的0.666倍。
注意:以上符号仅用于表示钢筋的等级,具体等级还必须结合钢筋的规格、用途等综合确定。
如何看钢筋图纸热扎钢筋等级和直径符号强度等级代号外形钢种公称直径mm符号主要用途常用材料HPB235 光圆低碳钢8--20 非预应力Q235HRB335月牙肋合金钢6--50非预应力、预应力20MnSiHRB400 6--50 25MnSi RRB400 6--50 预应力40Si2MnV钢筋的标注在图样中一般采用引出线的方法,具体有以下两种标注方法:①标注钢筋的根数、直径和等级②标注钢筋的等级、直径和相邻钢筋中心距3Ф20:Ф8 @ 200:3:表示钢筋的根数Ф:表示钢筋等级直径符号20:表示钢筋直径Ф:表示钢筋等级直径符号8:表示钢筋直径@:相等中心距符号200:相邻钢筋的中心距(≤200mm)一般钢筋的表示方法名称图例名称图例名称图例钢筋断面带直钩的钢筋端部半圆形弯钩的钢筋塔接无弯钩的钢筋端部带丝扣钢筋端部半直钩的钢筋端部半圆形弯钩的钢筋端部无弯钩的钢筋塔接套管接头常用构件的代号序号名称代号序号名称代号序号名称代号1板B15吊车梁DL29基础J 2屋面板WB16圈梁QL30设备基础SJ 3空心板KB17过梁GL31桩ZH 4槽形板CB18连系梁LL32柱间支撑ZC一、梁上主筋和梁下主筋同时表示方法:⑴3Φ22,3Φ20 表示上部钢筋为3Φ22, 下部钢筋为3Φ20。
⑵2φ12,3Φ18 表示上部钢筋为2φ12, 下部钢筋为3Φ18。
⑶4Φ25,4Φ25 表示上部钢筋为4Φ25, 下部钢筋为4Φ25。
⑷3Φ25,5Φ25 表示上部钢筋为3Φ25, 下部钢筋为5Φ25。
二、梁上部钢筋表示方法:(标在梁上支座处)⑴ 2Φ20 表示两根Φ20的钢筋,通长布置,用于双肢箍。
⑵ 2Φ22+(4Φ12)表示2Φ22 为通长,4φ12架立筋,用于六肢箍。
⑶ 6Φ25 4/2 表示上部钢筋上排为4Φ25,下排为2Φ25。
⑷ 2Φ22+ 2Φ22 表示只有一排钢筋,两根在角部,两根在中部,均匀布置。
三、梁腰中钢筋表示方法:⑴ G2φ12 表示梁两侧的构造钢筋,每侧一根φ12。
如何看钢筋图纸热扎钢筋等级和直径符号钢筋的标注在图样中一般采用引出线的方法,具体有以下两种标注方法:一般钢筋的表示方法常用构件的代号一、梁上主筋和梁下主筋同时表示方法:⑴3Φ22,3Φ20 表示上部钢筋为3Φ22, 下部钢筋为3Φ20。
⑵2φ12,3Φ18 表示上部钢筋为2φ12, 下部钢筋为3Φ18。
⑶4Φ25,4Φ25 表示上部钢筋为4Φ25, 下部钢筋为4Φ25。
⑷3Φ25,5Φ25 表示上部钢筋为3Φ25, 下部钢筋为5Φ25。
二、梁上部钢筋表示方法:(标在梁上支座处)⑴2Φ20 表示两根Φ20的钢筋,通长布置,用于双肢箍。
⑵2Φ22+(4Φ12)表示2Φ22 为通长,4φ12架立筋,用于六肢箍。
⑶6Φ25 4/2 表示上部钢筋上排为4Φ25,下排为2Φ25。
⑷2Φ22+ 2Φ22 表示只有一排钢筋,两根在角部,两根在中部,均匀布置。
三、梁腰中钢筋表示方法:⑴G2φ12 表示梁两侧的构造钢筋,每侧一根φ12。
⑵G4Φ14 表示梁两侧的构造钢筋,每侧两根Φ14。
⑶N2Φ22 表示梁两侧的抗扭钢筋,每侧一根Φ22。
⑷N4Φ18 表示梁两侧的抗扭钢筋,每侧两根Φ18。
四、梁下部钢筋表示方法:(标在梁的下部)⑴4Φ25 表示只有一排主筋,4Φ25 全部伸入支座内。
⑵6Φ25 2/4 表示有两排钢筋,上排筋为2Φ25,下排筋4Φ25。
⑶6Φ25 (-2 )/4 表示有两排钢筋,上排筋为2Φ25,不伸入支座,下排筋4Φ25,全部伸入支座。
⑷2Φ25 + 3Φ22(-3)/ 5Φ25 表示有两排筋,上排筋为5根。
2Φ25伸入支座,3Φ22,不伸入支座。
下排筋5Φ25,通长布置。
一、箍筋表示方法:⑴φ10@100/200(2) 表示箍筋为φ10 ,加密区间距100,非加密区间距200,全为双肢箍。
⑵φ10@100/200(4) 表示箍筋为φ10 ,加密区间距100,非加密区间距200,全为四肢箍。
⑶φ8@200(2) 表示箍筋为φ8,间距为200,双肢箍。
钢筋符号大全,一级、二级、三级钢筋符号钢筋的分类:1、按力学性能分:HPB235级钢筋(一级),HRB335级钢筋(二级),HRB4 00级钢筋(三级)和RRB400级钢筋(四级)2、按轧制外形分为:光圆钢筋和带肋钢筋3、按钢筋直径大小分为:钢丝(3~5mm)细钢筋(6~10mm)中粗钢筋(12~ 20mm)粗钢筋(大于20mm)钢筋符号:1。
标注钢筋的根数、直径和等级:3Ф203:表示钢筋的根数Ф:表示钢筋等级直径符号20:表示钢筋直径2。
标注钢筋的等级、直径和相邻钢筋中心距Ф8 @ 200:Ф:表示钢筋等级直径符号8:表示钢筋直径@:相等中心距符号200:相邻钢筋的中心距(≤200mm)在Word文档中打钢筋符号:φ一级钢筋输入E000,选中E001(涂黑)后按ALT+X 即可变成二级钢筋输入E001,选中E002(涂黑)后按ALT+X 即可变成三级钢筋输入E002,选中E003(涂黑)后按ALT+X 即可变成一级、二级、三级钢筋符号如下图:(A、B、C分别代表一级、二级、三级)重量计算钢材理论重量计算的计量单位为公斤(kg)。
其基本公式为:W(重量,kg)=F(断面积m2)×L(长度,m)×ρ(密度,g/cm3)×1/1000 钢的密度为:7.85g/cm3,螺纹钢理论重量计算公式如下:W=0.00617×d2(kg/m)d=断面直径mm,如断面直径为12mm的螺纹钢,每米重量=0.00617×144=0.888kg 每米钢筋重量表Φ6=0.222㎏Φ8=0.395㎏Φ10=0.617㎏Φ12= 0.888㎏Φ14= 1.21㎏Φ16=1.58㎏Φ18=2㎏Φ20=2.47㎏Φ22= 3㎏Φ25=3.86㎏(0.617为圆10钢筋每米重量,钢筋的重量与直径的平方成正比。
)钢筋的重量=钢筋的直径*钢筋的直径*0.00617一般计算时Φ12以下和Φ28的钢筋取小数点后3位,Φ14到Φ25的钢筋取小数点后2位。
如何看钢筋图纸热扎钢筋等级和直径符号强度等级代号外形钢种公称直径mm符号主要用途常用材料HPB235 光圆低碳钢8-—20 非预应力Q235HRB335月牙肋合金钢6--50非预应力、预应力20MnSiHRB400 6—-50 25MnSi RRB400 6-—50 预应力40Si2MnV钢筋的标注在图样中一般采用引出线的方法,具体有以下两种标注方法:①标注钢筋的根数、直径和等级②标注钢筋的等级、直径和相邻钢筋中心距3Ф20: Ф8 @ 200:3:表示钢筋的根数Ф:表示钢筋等级直径符号20:表示钢筋直径Ф:表示钢筋等级直径符号8:表示钢筋直径@:相等中心距符号200:相邻钢筋的中心距(≤200mm)一般钢筋的表示方法名称图例名称图例名称图例钢筋断面带直钩的钢筋端部半圆形弯钩的钢筋塔接无弯钩的钢筋端部带丝扣钢筋端部半直钩的钢筋端部半圆形弯钩的钢筋端部无弯钩的钢筋塔接套管接头常用构件的代号序号名称代号序号名称代号序号名称代号1板B15吊车梁DL29基础J 2屋面板WB16圈梁QL30设备基础SJ 3空心板KB17过梁GL31桩ZH 4槽形板CB18连系梁LL32柱间支撑ZC一、梁上主筋和梁下主筋同时表示方法:⑴3Φ22,3Φ20 表示上部钢筋为3Φ22, 下部钢筋为3Φ20。
⑵2φ12,3Φ18 表示上部钢筋为2φ12, 下部钢筋为3Φ18。
⑶4Φ25,4Φ25 表示上部钢筋为4Φ25,下部钢筋为4Φ25。
⑷3Φ25,5Φ25 表示上部钢筋为3Φ25, 下部钢筋为5Φ25。
二、梁上部钢筋表示方法:(标在梁上支座处)⑴2Φ20 表示两根Φ20的钢筋,通长布置,用于双肢箍。
⑵2Φ22+(4Φ12)表示2Φ22 为通长,4φ12架立筋,用于六肢箍。
⑶6Φ25 4/2 表示上部钢筋上排为4Φ25,下排为2Φ25。
⑷2Φ22+ 2Φ22 表示只有一排钢筋,两根在角部,两根在中部,均匀布置。
三、梁腰中钢筋表示方法:⑴G2φ12 表示梁两侧的构造钢筋,每侧一根φ12。
如何看钢筋图纸热扎钢筋等级和直径符号钢筋的标注在图样中一般采用引出线的方法,具体有以下两种标注方法:一般钢筋的表示方法常用构件的代号一、梁上主筋和梁下主筋同时表示方法:⑴ 3Φ22,3Φ20表示上部钢筋为3Φ22,下部钢筋为3Φ20。
⑵ 2φ12,3Φ18表示上部钢筋为2φ12,下部钢筋为3Φ18。
⑶ 4Φ25,4Φ25表示上部钢筋为4Φ25,下部钢筋为4Φ25。
⑷ 3Φ25,5Φ25表示上部钢筋为3Φ25,下部钢筋为5Φ25。
二、梁上部钢筋表示方法:(标在梁上支座处)⑴ 2Φ20表示两根Φ20的钢筋,通长布置,用于双肢箍。
⑵ 2Φ22+(4Φ12)表示2Φ22 为通长,4φ12架立筋,用于六肢箍。
⑶ 6Φ25 4/2表示上部钢筋上排为4Φ25,下排为2Φ25。
⑷ 2Φ22+ 2Φ22表示只有一排钢筋,两根在角部,两根在中部,均匀布置。
三、梁腰中钢筋表示方法:⑴ G2φ12表示梁两侧的构造钢筋,每侧一根φ12。
⑵ G4Φ14表示梁两侧的构造钢筋,每侧两根Φ14。
⑶ N2Φ22表示梁两侧的抗扭钢筋,每侧一根Φ22。
⑷ N4Φ18表示梁两侧的抗扭钢筋,每侧两根Φ18。
四、梁下部钢筋表示方法:(标在梁的下部)⑴ 4Φ25表示只有一排主筋,4Φ25 全部伸入支座内。
⑵ 6Φ25 2/4表示有两排钢筋,上排筋为2Φ25,下排筋4Φ25。
⑶ 6Φ25 (-2 )/4表示有两排钢筋,上排筋为2Φ25,不伸入支座,下排筋4Φ25,全部伸入支座。
⑷ 2Φ25 + 3Φ22(-3)/ 5Φ25表示有两排筋,上排筋为5根。
2Φ25伸入支座,3Φ22,不伸入支座。
下排筋 5Φ25,通长布置。
一、箍筋表示方法:⑴φ10@100/200(2)表示箍筋为φ10 ,加密区间距100,非加密区间距200,全为双肢箍。
⑵φ10@100/200(4)表示箍筋为φ10 ,加密区间距100,非加密区间距200,全为四肢箍。
⑶φ8@200(2)表示箍筋为φ8,间距为200,双肢箍。
⑷φ8@100(4)/150(2)表示箍筋为φ8,加密区间距100,四肢箍,非加密区间距150,双肢箍。
一、梁上主筋和梁下主筋同时表示方法:⑴ 3Φ22,3Φ20表示上部钢筋为3Φ22,下部钢筋为3Φ20。
⑵ 2φ12,3Φ18表示上部钢筋为2φ12,下部钢筋为3Φ18。
⑶ 4Φ25,4Φ25表示上部钢筋为4Φ25,下部钢筋为4Φ25。
⑷ 3Φ25,5Φ25表示上部钢筋为3Φ25,下部钢筋为5Φ25。
二、梁上部钢筋表示方法:(标在梁上支座处)⑴ 2Φ20表示两根Φ20的钢筋,通长布置,用于双肢箍。
⑵ 2Φ22+(4Φ12)表示2Φ22 为通长,4φ12架立筋,用于六肢箍。
⑶ 6Φ25 4/2表示上部钢筋上排为4Φ25,下排为2Φ25。
⑷ 2Φ22+ 2Φ22表示只有一排钢筋,两根在角部,两根在中部,均匀布置。
三、梁腰中钢筋表示方法:⑴ G2φ12表示梁两侧的构造钢筋,每侧一根φ12。
⑵ G4Φ14表示梁两侧的构造钢筋,每侧两根Φ14。
⑶ N2Φ22表示梁两侧的抗扭钢筋,每侧一根Φ22。
⑷ N4Φ18表示梁两侧的抗扭钢筋,每侧两根Φ18。
四、梁下部钢筋表示方法:(标在梁的下部)⑴ 4Φ25表示只有一排主筋,4Φ25 全部伸入支座内。
⑵ 6Φ25 2/4表示有两排钢筋,上排筋为2Φ25,下排筋4Φ25。
⑶ 6Φ25 (-2 )/4表示有两排钢筋,上排筋为2Φ25,不伸入支座,下排筋4Φ25,全部伸入支座。
⑷ 2Φ25 + 3Φ22(-3)/ 5Φ25表示有两排筋,上排筋为5根。
2Φ25伸入支座,3Φ22,不伸入支座。
下排筋 5Φ25,通长布置。
五、标注示例:KL7(3)300×700 Y500×250φ10@100/200(2) 2Φ25N4Φ18(-0.100)4Φ25 6Φ25 4/2 6Φ25 4/2 6Φ25 4/2 4Φ25□———————————□———————□———————————□ 4Φ25 2Φ25 4Φ25300×700N4φ10KL7(3) 300×700表示框架梁7,有三跨,断面宽300,高700。
Y500×250表示梁下加腋,宽500,高 250。
N4Φ18表示梁腰中抗扭钢筋。
φ10@100/200(2) 2Φ25 表示箍筋和架立筋。
-0.100表示梁上皮标高。
钢筋混凝土粘结锚固能力可以由四种途径得到:①钢筋与混凝土接触面上化学吸附作用力,也称胶结力。
②混凝土收缩,将钢筋紧紧握固而产生摩擦力。
③钢筋表面凹凸不平与混凝土之间产生的机械咬合作用,也称咬合力。
④钢筋端部加弯钩、弯折或在锚固区焊短钢筋、焊角钢来提供锚固能力。
为了保护钢筋、防腐蚀、防火以及加强钢筋与混凝土的粘结力,在构件中的钢筋外面要留有保护层(图 3.3.3)。
根据钢筋混凝土结构设计规范规定,梁、柱的保护层最小厚度为25mm,板和墙的保护层厚度为10~15mm。
正筋就是正弯矩筋,简单的说,就是对于受弯构件来说,如梁板等,下部受拉的部位的钢筋,对于连续梁板,一般就在跨中, 同理,负筋一般在支座处(上部受拉)通长钢筋就是指在所标的区段内通长设置,直径可以不相同,可以采用搭接连接形式,保证梁各个部位的这个部分钢筋都能发挥其抗拉强度,而且两端应按受拉锚固的钢筋贯通筋是指贯穿于构件(如梁)整个长度的钢筋,中间既不弯起也不中断,当钢筋过长时可以搭接或焊接,但不改变直径。
贯通筋既可以是受力钢筋,也可以是架力钢筋。
支座有负筋,是相对而言的,一般应该是指梁的支座部位用以抵消负弯矩的钢筋,俗称担担筋。
一般结构构件受力弯矩分正弯矩和负弯矩,抵抗负弯矩所配备的钢筋称为负筋,一般指板、梁的上部钢筋,有些上部配置的构造钢筋习惯上也称为负筋。
当梁、板的上部钢筋通长时,大家也习惯地称之为上部钢筋。
至于端支座负筋,中间支座负筋就是两端的和中间的盖筋又名盖铁、扣筋,通常设置在板的支座(端支座,中间支座),位置在板的上皮,其作用是抵抗板的负弯矩,也可以叫板负筋现在板中差不多都有两层,下层筋都是通长的,应该叫主筋,而板负筋是架起来的,板负筋根据设计的不同也不一样,有板上全放的,也有不全放的,不全放的设计一般是长度有梁短跨的1/4吊筋是将作用于混凝土梁式构件底部的集中力传递至顶部,是提高梁承受集中荷载抗剪能力的一种钢筋,形状如元宝,又称为元宝筋。
主要作用是:由于梁的某部受到大的集中荷载作用,可能会使梁上引起斜裂缝,特别是力作用在受拉区内,为了使梁体不产生局部严重破坏,同时使梁体的材料发挥各自的作用而设置的,主要布置在剪力有大幅突变部位,防止该部位产生过大的裂缝,引起结构的破坏,就必须配吊筋了,还要加配附加箍筋。
“腹筋”作用:梁的抗扭它在设计上属构造配筋,即力学上不用设计计算具体力的大小,按国家设计规范的构造要求查得此数据。
当梁高大到一定要求时,就得加设腰筋,按多少、加多大规格按构造要求规范查得。
1、什么是负弯矩:在弯矩图上(如果你学过结构力学你可以跳过这一部分),向上弯起的弯矩是正弯矩,反之,向下弯起的弯矩就是负弯矩;打个比方,你用手拗一只筷子,向下拗的时候,是筷子下部先断;这是正弯矩,向上拗的时候,是是筷子上部先断,这是负弯矩;明白了正负弯的区别,你就可以往下看了;2、为抵抗负弯矩而设置的钢筋就叫负弯矩筋,在工地上常常简称为“负筋”,一般来说,常碰到的负弯矩筋有两种,一种是楼板与梁交接的地方,也就是楼板“生根”的地方,在这个地方,在楼板受力的影响下,应该是梁面受力,对楼板来说,这就是负弯矩筋,一般长度为跨过梁面1米左右;另一种就是梁的支座处,因为梁支端两端受向下的弯矩,在梁支座处,存在负弯矩,这是一个关键部位,常按锚固要求放一定的负筋3、依据GB50010-2002,在温度,收缩应力较大的现浇板区域内,钢筋间距宜取为150~200MM,并应在板的未配筋表面布置温度收缩钢筋. 温度收缩钢筋可利用原有钢筋贯通布置,也可另行设置构造钢筋网,并与原有钢筋按受拉钢筋的要求搭接或在周边构件中锚固钢筋算量基本方法第一章梁第一节框架梁一、首跨钢筋的计算1、上部贯通筋上部贯通筋(上通长筋1)长度=通跨净跨长+首尾端支座锚固值2、端支座负筋端支座负筋长度:第一排为Ln/3+端支座锚固值;第二排为Ln/4+端支座锚固值3、下部钢筋下部钢筋长度=净跨长+左右支座锚固值注意:下部钢筋不论分排与否,计算的结果都是一样的,所以我们在标注梁的下部纵筋时可以不输入分排信息。
以上三类钢筋中均涉及到支座锚固问题,那么,在软件中是如何实现03G101-1中关于支座锚固的判断呢?现在我们来总结一下以上三类钢筋的支座锚固判断问题:支座宽≥Lae且≥0.5Hc+5d,为直锚,取Max{Lae,0.5Hc+5d }。
钢筋的端支座锚固值=支座宽≤Lae或≤0.5Hc+5d,为弯锚,取Max{Lae,支座宽度-保护层+15d }。
钢筋的中间支座锚固值=Max{Lae,0.5Hc+5d }构造钢筋:构造钢筋长度=净跨长+2×15d抗扭钢筋:算法同贯通钢筋5、拉筋拉筋长度=(梁宽-2×保护层)+2×11.9d(抗震弯钩值)+2d拉筋根数:如果我们没有在平法输入中给定拉筋的布筋间距,那么拉筋的根数=(箍筋根数/2)×(构造筋根数/2);如果给定了拉筋的布筋间距,那么拉筋的根数=布筋长度/布筋间距。
6、箍筋箍筋长度=(梁宽-2×保护层+梁高-2×保护层)+2×11.9d+8d箍筋根数=(加密区长度/加密区间距+1)×2+(非加密区长度/非加密区间距-1)+1注意:因为构件扣减保护层时,都是扣至纵筋的外皮,那么,我们可以发现,拉筋和箍筋在每个保护层处均被多扣掉了直径值;并且我们在预算中计算钢筋长度时,都是按照外皮计算的,所以软件自动会将多扣掉的长度在补充回来,由此,拉筋计算时增加了2d,箍筋计算时增加了8d。
(如下图所示)7、吊筋吊筋长度=2*锚固+2*斜段长度+次梁宽度+2*50,其中框梁高度>800mm夹角=60°≤800mm夹角=45°二、中间跨钢筋的计算1、中间支座负筋中间支座负筋:第一排为Ln/3+中间支座值+Ln/3;第二排为Ln/4+中间支座值+Ln/4注意:当中间跨两端的支座负筋延伸长度之和≥该跨的净跨长时,其钢筋长度:第一排为该跨净跨长+(Ln/3+前中间支座值)+(Ln/3+后中间支座值);第二排为该跨净跨长+(Ln/4+前中间支座值)+(Ln/4+后中间支座值)。
其他钢筋计算同首跨钢筋计算。
三、尾跨钢筋计算类似首跨钢筋计算四、悬臂跨钢筋计算1、主筋软件配合03G101-1,在软件中主要有六种形式的悬臂钢筋,如下图所示这里,我们以2#、5#及6#钢筋为例进行分析:2#钢筋—悬臂上通筋=(通跨)净跨长+梁高+次梁宽度+钢筋距次梁内侧50mm起弯-4个保护层+钢筋的斜段长+下层钢筋锚固入梁内+支座锚固值5#钢筋—上部下排钢筋=Ln/4+支座宽+0.75L6#钢筋—下部钢筋=Ln--保护层+15d(1)、如果悬臂跨的截面为变截面,这时我们要同时输入其端部截面尺寸与根部梁高,这主要会影响悬臂梁截面的箍筋的长度计算,上部钢筋存在斜长的时候,斜段的高度及下部钢筋的长度;如果没有发生变截面的情况,我们只需在“截面”输入其端部尺寸即可。