职位等级管理制度
- 格式:pdf
- 大小:191.32 KB
- 文档页数:8
任职资格职级管理制度第一章总则第一条为规范企业员工的任职资格职级管理,制订本制度。
第二条本制度适用于本企业所有员工,是员工任职资格和职务职级评定的依据。
第三条任职资格职级应当坚持在公开、公平、竞争的原则下进行,所有员工均应当遵守。
第四条本制度所称任职资格,是指员工具备的工作职能和能力;职务职级,是指员工职位与等级。
第五条员工任职资格职级管理应当严格遵守国家相关法律法规,维护员工的合法权益,做到公正、公平。
第六条本制度由人力资源部门负责管理和执行。
第二章任职资格第七条员工任职资格的评定应当以其自身的特长、技能、经验、学历、职业资格证书等为评定依据。
第八条任职资格评定分初级、中级、高级三个级别,初级为基础水平、中级为熟练水准、高级为专业水平。
第九条初级员工应当具备基本的专业知识和技能,中级员工应当具备一定的工作经验并熟练掌握相关业务技能,高级员工应当具备丰富的工作经验和较高的专业技能。
第十条员工任职资格的评定应当由部门主管和人力资源部门共同评定,符合条件的员工方可晋升职位。
第十一条员工的任职资格评定结果应当定期进行复核,以保证员工的工作能力和技能处于合格水平。
第三章职务职级第十二条职务职级的评定应当根据员工的任职资格、工作表现、岗位需求等因素综合评定。
第十三条职务职级分初级、中级、高级三个级别,初级为普通岗位,中级为部门主管,高级为高级管理岗位。
第十四条初级员工可以担任普通的工作职责,中级员工可以独立组织部门工作并领导一定数量的员工,高级员工可以独立制定工作计划并对整个部门负责。
第十五条职务职级的晋升应当依据员工的工作表现、管理能力、团队协作等综合因素评定,经部门主管和人力资源部门审批后方可晋升。
第十六条职务职级的晋升需满足一定的工作年限和资格要求,不得违背晋升原则和程序。
第十七条员工晋升职务职级后,应当接受相应的培训和指导,并根据晋升后的新要求进行工作调整和能力提升。
第四章管理和执行第十八条人力资源部门应当建立完善的任职资格职级管理档案,记录员工的任职资格和职务职级情况,为员工的发展提供依据。
职位职级管理制度职位职级管理制度是一个组织内部用来管理和约束职位职级的制度。
它通过规定职位的等级、职责、权限和薪酬等方面的规定,使组织能够更加有效地运作和管理员工。
本文将从职位职级的定义、职位职级管理制度的目的和设计、实施以及评估的过程等方面进行详细的介绍。
一、职位职级的定义职位职级是指组织内不同职位所具有的等级和级别,它反映了员工在组织中的地位、权力和责任。
职位职级是根据员工的能力、经验、素质和岗位要求等因素综合评价而确定的,通常包括初级、中级、高级等级别。
二、职位职级管理制度的目的和设计1.目的1)明确职责和权限,避免职责不清、权限混乱的问题;2)促使员工进一步提升自己的能力和素质,实现职业生涯的发展;3)实现员工的公平待遇,提高员工的工作积极性和工作满意度。
2.设计1)职位定义和职责:明确不同职位的定义和具体职责;2)职位等级:制定不同职位所对应的等级和级别;3)职位权限:明确不同职位对应的权限和责任;4)工资薪酬:确定不同职位的工资和薪酬水平;5)晋升和晋级:规定晋升和晋级的条件和程序;6)评估体系:建立职位职级的评估体系,用于评估和判定员工的职位职级。
三、职位职级管理制度的实施1.初步构建在初步构建阶段,应该制定职位职级管理制度的原则,明确设计的目标、原则和方法,确定参与制定制度的相关部门和人员,并组织开展相关的调研和研讨活动。
2.设计制度在设计阶段,需要对职位职级制度进行详细设计,包括职位定义、职责和权限的规定、职位等级划分、薪酬水平制定、晋升和晋级的条件和程序等。
3.试行阶段制定完成后,应该将制度试行一段时间,收集员工和管理者对制度的反馈和建议,根据实际情况进行修订和完善。
4.正式实施在试行阶段结束后,经过修订和完善的职位职级管理制度将正式实施。
需要对员工进行详细的培训,使其充分了解制度的内容和使用方法。
四、职位职级管理制度的评估1.实施效果评估通过定期收集和分析组织内的信息和数据,包括员工的满意度、员工的离职率、员工的晋升速度和职业发展情况等,评估制度的实施效果。
薪酬绩效管理办法第一章晋升管理一职位职级体系1.职位序列公司全部职位划分为管理序列(M线)、专业序列(P线)两大类.管理序列全公司统一,所有部门、职位都一样;专业序列根据不同的工作职能又划分为多个子序列,如市场类专业序列、客服类专业序列等。
职位序列纵向划分为若干层级。
管理序列从M1到M11划分为11个层级;专业序列从P1至P6划分为6个层级,层级具体如下图:2.职位职级职位职级是职位之间相对价值的体现.职级的高低主要取决于职位所承担的职责大小、解决问题的负责难易程度、职位对组织的贡献大小以及对任职员工知识技能要求高低等因素。
职级从Band1至Band7,分为7级。
公司全部基准职位和实际职位均被赋予相应职级。
各序列职位职级对应表如下:二员工晋升1.晋升时间周期每年2月份、8月份各进行一次年度常规性人员晋升审评.管理岗位如果因为人员异动或结构调整产生空缺,需要及时补缺而内部有合适人选的,可以按需要随时启动晋升。
2.晋升人员基础要求:1.1.由一个职级晋升到更高职级的,须在公司本岗位工作满试用期,职位职级晋升应逐级依次进行,一次晋升一级,一年最多晋升一次.在全公司范围内业绩突出或对公司有特殊贡献的,每年最多可晋升两级。
1.2.每次晋升须逐级(职等)晋升,不越职等晋升。
如有表现特别优异与突出的或专业能力特别强的,需要列举突出成绩、专业能力及潜力,由直接上级、部门负责人、评审委评估后,由总裁审批才可越级晋升,且最多越一级晋升。
➢新入职员工,属于入职时成熟度较高,入职后综合表现评估优秀的,在同一岗位工作时间达到3个月即可;➢人员培养及发展项目中有轮岗需求的(如应届生等),员工轮岗期间的工作时限可以累计;➢管理岗位如出现空缺,须要从内部提拔补充的,工作年限不受限制。
1.1.绩效要求➢晋升到M2/P4及以上职级的,上年度绩效等级达到优秀(绩效等级第二档)及以上;➢晋升到M1/P3及以下职级的,上年度度绩效等级达到良好(绩效等级第三档)及以上;1.2.一年内未出现重大违纪情况1.3.符合申请岗位的任职资格要求2.管理岗位的晋升规定管理岗位(M1~M5)的晋升主要评估的因素是价值观、管理能力、本职能的专业能力。
第一章总则第一条为建立科学、合理、公正的职位等级管理体系,提高公司人力资源管理水平,保障公司长远发展,特制定本制度。
第二条本制度适用于公司全体员工,包括管理人员、专业技术人员和一般员工。
第三条职位等级管理制度应遵循以下原则:1. 公平性原则:确保各岗位等级的设定合理,符合岗位价值及员工能力水平;2. 竞争性原则:与行业薪酬水平保持竞争力,吸引和留住优秀人才;3. 激励性原则:通过职位等级的晋升激励员工积极进取,提高工作效率;4. 适应性原则:根据公司发展战略和业务需求,适时调整职位等级体系;5. 合法性原则:遵守国家相关法律法规,确保制度的合法性和可行性。
第二章职位等级划分第四条公司职位等级划分为管理序列(M)、专业序列(P)和技术序列(T)。
第五条管理序列(M):1. M1:主管级,负责团队管理,具备一定的决策能力;2. M2:经理级,负责部门管理,具备较强的决策能力;3. M3:总监级,负责公司重大决策,具备高度决策能力;4. M4:副总级,协助总经理管理公司,具备极高的决策能力;5. M5:总经理级,全面负责公司经营管理,具备最高决策能力。
第六条专业序列(P):1. P1:初级专业人员,具备一定专业知识和技能;2. P2:中级专业人员,具备丰富的专业知识和技能;3. P3:高级专业人员,具备深厚专业功底和丰富的实践经验。
第七条技术序列(T):1. T1:初级技术人员,具备一定的技术知识和操作能力;2. T2:中级技术人员,具备较强的技术知识和操作能力;3. T3:高级技术人员,具备深厚的专业技术和创新能力。
第三章职位等级晋升与调整第八条员工晋升应根据岗位需求、个人能力、工作表现和绩效考核结果进行。
第九条晋升程序:1. 员工申请晋升;2. 部门经理进行初步评审;3. 人力资源部组织评审委员会进行综合评审;4. 公司领导审批。
第十条职位等级调整:1. 因工作需要,员工岗位发生变动,相应调整职位等级;2. 因员工能力提升、工作表现突出,经评审委员会认定,调整职位等级;3. 因员工工作表现不佳,经评审委员会认定,调整职位等级。
职位、职级管理制度编制:人力资源中心审核:审批:实施日期:职位、职级管理制度1目的为规范公司职位职级体系管理,帮助员工明晰个人职业发展通道,明确各相关方职责与权限,特制定本制度。
2适用范围及换版说明本制度适用 x 公司集团所有员工。
3管理权责3.1人力资源中心权责人力资源中心的职责和权限如下:——负责公司职位职级体系的设计、管理及实施;——负责根据年度编制计划及用人部门招聘需求,确定候选人职位;——负责根据年度编制计划,结合候选人学历、工作经验等任职资格初步确定候选人职级。
3.2各部门权责——各部门负责根据年度编制计划、岗位胜任力等最终确定候选人职级。
——技术类职位,各职级任职资格的评定,需要各技术类职位部门出具明确的岗位等级任职标准。
4术语定义4.1职位类别定义职位类别是指根据职位性质的不同对职位进行划分,目前公司将职位分为四类,即管理类、技术类、营销类和职能类,具体各类划分依据为:(1)管理类职位:指管理一个业务单位,并对所管辖单位各项工作负责(或对某个职能工作负责,担负领导职责或管理任务的),并有直接下属的职位(不包括虚线下级),公司管理职位主要包括总裁、副总裁、助理总裁、总经理、副总经理、总监、副总监、经理;(2)技术类职位:根据实际工作需要设置的有明确职责、任职条件,需要具备专门的业务知识和技术水平才能担负的工作职位,并能站在专业或技术的角度上提出工作意见及解决方案,公司技术类职位主要为研发中心、技术中心、事业部包括分子公司、基建等部门内的职位;(3)营销类职位:指以满足顾客需要为中心,公司所进行的有关基地开发、产品采购、生产、销售和售后服务等与市场有关的一系列经营活动中所涉及的职位,公司营销类职位主要包括销售、业务开发、客户服务等职位。
(4)职能类指除管理类、技术类、营销类外的员工,包括人力、行政、财务、法务、审计监察、党务、采购、品牌、仓储物流、营销支持、后勤辅助等人员。
4.2职业发展通道定义为加强对员工能力的管理,结合公司实际情况,分别为员工设置管理通道、技术通道、营销通道、职能通道四个职业发展通道,员工可以根据自身能力选择直接向上的本专业发展通道,也可以在通道间进行转换。
公务员职位等级制度公务员职位等级制度是国家公务员管理制度的一个重要方面,旨在规范和分类管理公务员队伍,确保公务员队伍的公正、高效和稳定性。
本文将就公务员职位等级制度的背景、组成和运行机制进行探讨,旨在深入了解和分析这一制度的重要性和作用。
一、背景介绍公务员职位等级制度是中国政府为了提高公务员队伍的管理效能而逐步建立的。
随着社会经济的发展和政府职能的日益增强,公务员队伍的规模和需求不断扩大。
为了更好地管理和分类公务员,确保他们的权利和义务,并提高公务员队伍的执行力和稳定性,建立公务员职位等级制度变得尤为重要。
二、组成要素公务员职位等级制度主要由职位、等级和岗位权限三个要素组成。
1. 职位:职位是指公务员从事的具体工作岗位,它反映了公务员的工作内容和职责。
不同的职位反映了不同的专业性、技能要求和管理层次。
2. 等级:等级是指公务员的级别和职位的层次。
等级体现了公务员的工作经验、学历背景和职业能力水平。
不同的等级决定了公务员的薪酬待遇、晋升渠道和管理权限。
3. 岗位权限:岗位权限是指公务员在特定职位上具有的决策和管理权力。
不同的岗位权限决定了公务员在职位上的权威程度和责任范围。
三、运行机制公务员职位等级制度的运行机制包括招录、考试、晋升和奖惩等环节。
1. 招录:公务员职位等级制度首先涉及到对新人的招录。
招录通过公开、公平、公正的考试选拔合适的人员,确保公务员队伍的素质和能力。
2. 考试:公务员职位等级制度中的考试是对在职公务员进行晋升的重要途径。
通过考试,公务员可以提升自己的职位等级,获得更高的薪酬和更大的权力。
3. 晋升:公务员职位等级制度鼓励并规定了一定的晋升渠道。
通过积累工作经验和提升能力,公务员可以逐渐晋升到更高的职位和等级。
4. 奖惩:公务员职位等级制度对于公务员的绩效有明确的奖惩机制。
优秀的公务员可以获得奖励,并有机会晋升或获得其他福利待遇;而不称职或违反纪律的公务员将受到相应的惩罚。
四、重要性和作用公务员职位等级制度具有重要的意义和作用。
职位职级管理制度第一章总则第一条为支持集团战略发展需要,建立统一规范的职位职级体系,明确员工职业发展通道,满足集团管理要求,特制定本制度。
第二条本制度适用于创安利各部门/公司所有员工第二章管理职责第三条集团综合部1.负责确定权限内招聘员工的职位和职级;2.要求各部门/公司根据本制度的规定执行职位和职级管理工作,并对执行情况进行监督;3.组织对管理权限内晋升或通道转换人员进行任职资格评定。
第四条各部门总监/公司总经理4.执行职位职级管理制度,提出对拟招聘员工的职位职级建议;5.根据权责提出或审核本部门/公司员工的职级调整申请;6.参与所管辖内员工晋升或通道转换的任职资格评定。
第三章职位职级管理第五条职位职级体系由职位、职级、职级代码、职位称谓、职位任职资格等部分组成。
为鼓励员工在公司内部实现多通道长期发展,员工职业序列细分为管理序列(M)、专业序列(P)和技术序列(T),每个序列中细分若干职业等级。
第六条职级由低到高依次为操作层、经理层、管理层及决策层,分别对应1-16个等级。
其中,1-5级为操作层、6-11级为经理层、12-13级为管理层,14-16级为决策层。
第四章序列名称解释第七条管理序列指部门或团队的全面负责人,具有管理职能,全面承担部门或团队整体工作的计划、组织、领导、控制、下属培养等职责以及统筹管理团队日常行政工作等职责。
第八条专业序列和技术序列指在相应领域具备一定专业技术水平及经验,负责某项具体的专业技术工作,亲自参与某一特定的任务,不承担团队的行政管理职责。
第九条专业序列与技术序列人员各级别不体现行政级别的高低,体现专业水平及业绩贡献的高低第十条技术序列包括工程、合同预算和信息管理专业,其他专业为专业序列第五章职位职级关系与任职资格第十一条职位职级关系图第十二条集团将根据实际需要,逐步建立、完善各职位的任职资格条件,具体参照《创安利集团任职资格》。
第十三条员工职业发展路径不是两条平行无关联的直线路径,实践中员工可以以纵向和横向两种形式发展。
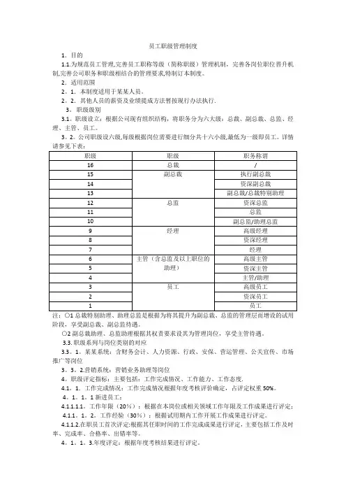
员工职级管理制度1.目的1.1.为规范员工管理,完善员工职称等级(简称职级)管理机制,完善各岗位职位晋升机制,完善公司职务和职级相结合的管理要求,特制订本制度。
2.适用范围2。
1.本制度适用于某某人员。
2。
2.其他人员的薪资及业绩提成方法暂按现行办法执行.3。
职级级别3.1。
职级设立:根据公司现有组织结构,将职务分为六大级:总裁、副总裁、总监、经理、主管、员工。
3。
2。
公司职级设六级,每级根据岗位需要进行细分共十六小级,最低为一级即员工。
详情注:○1总裁特别助理、助理总监是根据为将其提升为副总裁、总监的管理层而增设的试用阶段,享受副总裁、副总监待遇。
○2副总裁助理、总监助理根据其权责要求设其为管理岗位,享受主管待遇。
3.3. 职级系列与岗位类别的对应3.3。
1。
某某系统:含财务会计、人力资源、行政、安保、营运管理、公关宣传、市场推广等岗位3。
3。
2.营销系统:营销业务助理等岗位4。
职级评定指标:主要包括:工作完成情况、工作能力、工作态度.4.1。
1.工作完成情况:工作完成情况根据年度考核评价确定,占评定权重50%。
4。
1。
1。
1新进员工:4.1.1.1.1。
工作年限(20%):根据在本岗位或相关领域工作年限及工作成果进行评定;4.1.1。
1。
2。
工作经验(30%):根据试用期内工作开展工作成果进行评定。
4.1.1.2.在职员工首次评定:根据其任职时间的工作完成成果进行评定,主要包括工作及时率、完成率、合格率、出错率等。
4。
1。
1。
3.年度评定:根据年度考核结果进行评定。
4。
1。
2.能力评定指标,占评定权重30%注:各岗位根据上述能力进行选择,对岗位所需能力进行评定. 4.1。
3.工作态度指标根据日常工作行为进行评定,占评定权重20%.5。
职级评定标准5。
1。
评定方法:5.1。
1.新进员工:根据初试官评价(10%)、复试官评价(20%)、试用老师评价(30%)、上司评价(40%).5。
1.2。
在职员工首次评定:根据自我评价(10%)、上司评价(50%)、上上司评价(40%).5。
等级制度模板一、等级划分本制度将员工分为以下几个等级:1. 高级管理层:包括董事长、总经理、副总经理等高级职位;2. 管理层:包括部门经理、项目经理、主管等职位;3. 专业技术层:包括工程师、设计师、研究员等职位;4. 操作层:包括普通员工、技术员、操作员等职位。
二、等级晋升1. 晋升条件:(1)工作表现优秀,业务能力突出;(2)具备相应的学历和专业知识;(3)具备良好的职业道德和团队协作精神;(4)符合晋升职位的相关要求。
2. 晋升途径:(1)内部晋升:员工在本公司内部晋升,如从操作层晋升到专业技术层,从专业技术层晋升到管理层等;(2)外部招聘:公司根据需要从外部招聘高级管理人员或专业技术人才。
三、等级评定1. 评定标准:(1)业绩指标:员工的工作业绩,包括完成任务的质量、效率、创新等方面;(2)能力指标:员工的专业能力、管理能力、学习能力等方面;(3)态度指标:员工的工作态度、团队合作、职业道德等方面;(4)群众评价:同事、上级和下属对员工的评价。
2. 评定流程:(1)员工自评:员工对照评定标准,对自己的工作进行自我评价;(2)上级评价:上级对下属的工作表现进行评价;(3)同事评价:同事之间相互评价;(4)综合评定:人力资源部门根据各项评价结果,对员工进行综合评定;(5)等级确定:根据综合评定结果,确定员工的等级。
四、等级激励1. 薪酬激励:根据员工等级,给予相应的薪酬待遇,高等级享受更高薪酬;2. 晋升激励:为高等级员工提供更多晋升机会和空间;3. 培训激励:为高等级员工提供更多培训机会,提升其专业能力和综合素质;4. 荣誉激励:对表现优秀的员工给予表彰和奖励,提升其职业荣誉感。
五、等级管理1. 管理要求:各级管理人员要严格按照等级制度进行管理,确保制度的贯彻执行;2. 培训与指导:各级管理人员要负责对下属员工的培训和指导,提升员工的工作能力和素质;3. 监督与反馈:各级管理人员要加强对下属员工的监督,及时发现问题,给予反馈和改进;4. 调整与优化:根据员工的工作表现和公司发展需要,适时调整员工等级,优化人才结构。
员工职级晋升管理制度第一章绪论一、背景随着企业的快速发展和竞争的加剧,人力资源管理日益成为企业发展的重要环节。
员工职级晋升是人力资源管理的核心内容之一。
合理制定和实施员工职级晋升管理制度,可以提高员工的工作积极性和归属感,推动企业的发展。
二、目的本制度的目的是为了规范员工职级晋升的管理,确保晋升程序公平、透明、公正,并提供一个有效的晋升途径,激励员工不断提升自己的职业能力和素质。
三、适用范围本制度适用于本公司所有员工的职级晋升管理。
第二章职级分类和晋升条件一、职级分类本公司根据员工的职责和能力,将员工分为以下职级:初级、中级、高级。
二、晋升条件1. 职级初级晋升中级的条件:(1)工作经验不少于3年;(2)良好的工作表现,得到上级的认可;(3)完成所负责的工作任务,达到预期的工作目标;(4)具备相应的专业技能和知识。
2. 职级中级晋升高级的条件:(1)工作经验不少于5年;(2)出色的工作表现,得到上级的高度认可;(3)完成所负责的工作任务,超出预期的工作目标;(4)较高的专业技能和知识水平;(5)具备一定的团队管理和领导能力。
第三章晋升程序和程序一、晋升程序1. 员工提出晋升申请,向直接上级提出申请,并提交相应的材料。
2. 直接上级对员工的工作表现进行评估,结合员工的工作业绩、能力和发展潜力,决定是否推荐晋升。
3. 直接上级提出晋升推荐意见,并提交给部门负责人审批。
4. 部门负责人根据员工的工作表现、能力和发展潜力,决定是否同意审批。
5. 部门负责人审批通过后,将晋升申请提交给人力资源部门审批。
6. 人力资源部门根据部门负责人的意见和员工综合素质,决定是否同意晋升。
7. 审批通过后,人力资源部门会将晋升结果通知员工,并进行相应的职位调整。
二、晋升程序1. 员工提出晋升申请,包括个人简历、工作经验、工作业绩等相关材料。
2. 直接上级对员工的工作表现进行评估,并填写评估表格。
3. 部门负责人根据员工的工作表现和评估结果,决定是否推荐晋升,并填写推荐意见表格。
第一章总则第一条为规范公司内部管理,明确员工职位等级,激励员工积极工作,提高公司整体竞争力,特制定本制度。
第二条本制度适用于公司全体员工,包括正式员工、临时工及实习生。
第三条本制度依据公司业务发展、组织架构及岗位性质进行等级划分,确保公平、公正、公开。
第二章等级划分第四条公司等级划分为以下六个等级:一级:公司高层管理人员,包括董事长、总裁、总经理等。
二级:部门经理及副经理。
三级:主管、项目经理等。
四级:专员、助理等。
五级:普通员工。
六级:实习生。
第五条各等级划分标准如下:(一)一级:具备丰富的管理经验,对公司业务发展有重要贡献,能够带领团队实现公司战略目标。
(二)二级:具备较强的管理能力,能够独立负责部门工作,为公司创造价值。
(三)三级:具备一定的管理能力,能够协助部门经理完成工作任务,具备一定的团队领导能力。
(四)四级:具备较强的专业能力,能够独立完成工作任务,具备一定的沟通协调能力。
(五)五级:具备一定的专业技能,能够完成基本工作任务,具备良好的团队合作精神。
(六)六级:在校实习生,具备一定的学习能力和实践能力。
第三章等级晋升与调整第六条员工晋升需符合以下条件:(一)具备相应等级的工作能力和业绩。
(二)通过公司组织的晋升考核。
(三)无违规违纪行为。
第七条员工等级调整分为晋升和降级两种情况:(一)晋升:员工在原有等级的基础上,因工作表现突出、业绩优异等原因,经考核合格后,晋升至更高等级。
(二)降级:员工因工作能力不足、业绩不佳等原因,经考核不合格后,降级至更低等级。
第八条员工晋升和降级需按照以下程序进行:(一)员工提出晋升或降级申请。
(二)所在部门进行初步审核。
(三)公司人力资源部组织考核。
(四)考核合格后,经公司领导批准,办理晋升或降级手续。
第四章附则第九条本制度由公司人力资源部负责解释。
第十条本制度自发布之日起实施,原有相关规定与本制度不一致的,以本制度为准。
第十一条本制度如有未尽事宜,由公司领导决定。
职位职等管理制度一、总则为了规范和优化企业内部人才管理机制,提高员工工作积极性和效率,推动企业可持续发展,制定本制度。
二、适用范围本制度适用于企业内部所有员工的职位职等管理。
三、职位职等定义1. 职位:指员工在企业中担任的具体工作岗位,其职责和权限由企业根据岗位需求和员工能力进行设定。
2. 职等:指员工在企业中的职级或职位等级,根据员工的工作经验、资历、技能、绩效、发展潜力等因素进行评定。
四、职位职等设定及调整1. 职位设定:企业每个部门根据部门业务需要,制定相应的岗位职责和权限,明确岗位要求和职责范围。
2. 职等设定:企业将员工按照其工作经验、资历、技能等要素进行评定,确定其相应的职等。
五、职等评定标准1. 工作经验:指员工在本企业或其他企业从事相关工作的工作年限。
2. 资历:指员工所取得的相关资格证书或学历,以及在本岗位上的专业培训情况。
3. 技能:指员工具备的专业技能和能力水平,包括相关领域的专业知识、技术技能、沟通能力、团队合作能力等。
4. 绩效:指员工在工作中表现出来的业绩和效果。
5. 发展潜力:指员工在未来发展中展现出来的潜力和能力。
六、职位职等管理流程1. 员工入职:员工入职后,企业根据员工所担任的具体职位,确定其初始的职等,并设定个人发展计划。
2. 定期评定:企业按照一定的时间周期,对员工进行职等评定,根据员工的实际表现和发展情况,进行职等调整。
3. 岗位晋升:员工在公司工作一定年限,取得相关资格证书和在岗位上表现优秀的情况下,可申请晋升。
4. 聘用制度优化:企业可以根据员工的职等等级调整薪资待遇,并进行员工职业规划。
七、职位职等管理的价值1. 激励员工积极性:通过职位职等的设定和调整,激励员工努力工作,提高工作积极性和效率。
2. 优化人才结构:根据员工的工作经验和能力,合理分配人才,优化企业内部人才结构,提高团队合作效率。
3. 提升企业效益:通过合理设置职位职等和晋升机制,促进员工自我提升和发展,从而提高企业的整体绩效和效益。
职位分级管理制度一、制度目的为了规范和科学的管理企业员工的职位分级,建立稳定的人力资源结构,提高员工的职业满意度和工作积极性,提高企业的核心竞争力,特制定本制度。
二、适用范围本制度适用于本企业全体员工,是公司管理人力资源的基础制度之一,必须认真执行。
三、职位分级管理原则1、公平原则:职位分类和分级,严格遵循公平、公正原则,绝不偏袒任何一方。
2、科学原则:通过对员工岗位职责和工作业绩进行科学评价,制定职位分级评估标准。
3、激励原则:员工的在岗位上表现和贡献与岗位的等级和收入水平相对应,员工可以获得应有的待遇。
4、实效原则:实行结果导向的职位分级制度,以保证企业员工的工作成果最大化,企业利益最大化。
四、职位分类原则1、对于相同部门或工种的岗位,按照功能职责、技能要求、管理难度等要素进行区分和归类。
2、对于相同部门或工种的岗位,按照工作性质、专业技能要求进行分类。
3、对于各个部门或工种,职位在组织和协调上、管理难度上进行明确区分。
五、职位分级的依据和程序1、职位分级的依据(1)岗位特征:如职责、工作要求、技能要求、环境条件等。
(2)员工的专业水平:包括教育背景、技术能力等。
(3)员工的工作表现:全方位评价员工的工作表现,包括成绩、工作态度、团队合作、创新等。
2、职位分级的程序(1)确定评价标准,制定评价规则和流程。
(2)组织评价:人力资源部门负责组织员工岗位职责说明、绩效考核等材料。
(3)评价执行:经理对员工的工作表现进行评估,员工理事会对经理的评价进行审核,并进行最终确认。
(4)结果反馈:对员工的工作表现进行反馈,提出改进建议。
(5)调整职位分级:根据员工的工作表现和岗位需要,对岗位分级进行动态调整。
六、职位分级管理制度根据不同岗位的特点和需求,根据员工的能力水平和工作表现,将各个职位分为几个不同的级别,包括多个不同职能或类似职能的岗位。
1、高级岗位:对应企业的战略规划、高级管理、高技术岗位。
通常需要以上学历,丰富的工作经验和高超的专业技术能力。
职位等级评定管理
为了激励员工主动追求技能提升,满足员工职业发展需要,找出员工技能同在差异因素,将从员工的技能水平进行评定,评定标准划分为基本条件、专业知识、专业技能、心理特质四个模块。
具体评定管理规定如下:
(一)评定周期
1、试用期的技术人员,在转正后半年即可以参加技能等级的评定。
2、一般员工岗位中等级,评级周期是每六个月评定一次;
3、管理岗位中等级及一般员工岗位高等级的人员,评级周期为每12个月评定一次;
4、管理岗位高级级别的人员,评级周期为每24个月评定一次。
(二)评定时间
1、一般员工岗位为每年5月、12月评定,每年6月、次年1月公示执行;
2、管理岗位为每年12月评定,次年1月公示执行。
三、能力评定级别的确定
级别的评定方法是根据“岗位评定标准”进行逐项打分,将总分计算出来后就是该岗位的技术能力综合分,然后将所得分数与下表进行对照,即是评定级别:
四、等级评定指标设置及权重
计算方式:小项得分=指标分*级别权重五、等级评定标准
附件:
岗位等级评定申请表
岗位等级评定申请表。
职位等级管理制度一、总则为了对公司内部职位进行合理分类、管理和评估,规范员工职务等级和薪酬待遇,特制定本《职位等级管理制度》。
该制度适用于公司内所有员工,对员工的职位等级、薪酬待遇等均有明确的规定和管理程序。
二、职位等级的划分公司将员工的职位等级分为A、B、C、D四个级别。
其中A级为公司管理层或高级专业人员,B级为中级管理人员或专业人员,C级为一般员工,D级为实习生或临时工。
1. A级职位A级职位为公司的高级管理层职位,通常担负着公司核心业务和战略运营的职责。
A级职位分为A1、A2、A3三个级别,对应着不同职位的权力和职责范围。
A级职位的晋升由公司董事会或高级管理层审核决定。
2. B级职位B级职位为公司中级管理层或专业人员职位,负责具体部门或业务的管理和运营工作。
B 级职位分为B1、B2、B3三个级别,对应着不同职位的权力和职责范围。
B级职位的晋升由直接上级或人力资源部门审核决定。
3. C级职位C级职位为公司一般员工职位,负责具体的生产、管理、销售等工作。
C级职位分为C1、C2、C3三个级别,对应着不同职位的权力和职责范围。
C级职位的晋升由直接上级或人力资源部门审核决定。
4. D级职位D级职位为公司实习生或临时工职位,不设置具体的级别划分。
D级职位的晋升由实习生或临时工的表现和公司需要决定。
三、职位等级管理的权责1. 公司董事会公司董事会是公司的最高管理机构,对A级职位的分配和晋升拥有最终决定权。
同时,公司董事会对公司的整体战略和业务运营进行监督和管理。
2. 公司高级管理层公司高级管理层负有制定公司的战略规划和业务发展方向,对A级职位和B级职位的分配和晋升有较大的决策权。
3. 直接上级直接上级是员工的第一责任人,对员工的工作分配、绩效评定和职位晋升拥有重要的决策权。
直接上级应该充分了解员工的工作情况和能力表现,为员工的职业发展提供指导和支持。
4. 人力资源部门人力资源部门负责公司内部职位的评定、分级和薪酬待遇的制定。
1目的为规范公司职位等级管理,强化职级的引导与激励机制,拓宽员工的职业发展空间和职业晋升通道,为公司人力资源的高效运作和可持续发展提供保障,特制定本制度。
2适用范围本制度适用于集团总部及各子公司。
3术语及定义3.1职位:又名岗位,是公司最基本的组成单位,是组织日常管理的基础,是公司或部门中一系列功能相近、性质相近、复杂程度相近的工作职责的集合。
3.2职序:职位序列,是根据工作性质的不同对集团所有的职位进行分类,是工作性质相同或相近的一系列职位的集合。
集团所有职位分为管理序列、专业序列两大序列。
3.3职类:职位类别,是对同一序列内的所有职位,根据其工作内容、工作性质和任职资格条件的相似性进行细分而成。
职类的划分,与职位所在部门或公司无直接关系。
3.4职族:职位族,在职类下,根据工作内容、任职资格或者对组织贡献的相似程度,进行细化而划分为同一组的职位。
3.5职级:职位等级,根据职位价值的不同划分职位的等级,职级的高低取决于职位所需任职资格条件、对公司战略达成影响程度的大小、解决问题的难易程度、责任范围、监督管理的人数等因素。
3.6直接上下级:某一管理序列职位直接对另一职位行使所有人事管理权限,并对其工作结果承担管理责任,则这两个职位为直接上下级关系。
3.7部门:在组织架构中,具有独立工作职能的组织单元定义为部门。
部门最多可设置三级,分为一级部门、二级部门、三级部门,直接上级为公司领导层(含总经理及分管领导)的为一级部门,直接上级为一级部门的为二级部门,直接上级为二级部门的为三级部门。
4职责及权限集团各级人力资源部门是职位等级的归口管理部门。
4.1集团人力资源中心4.1.1制定集团职级管理相关制度和规定;4.1.2组织设计、优化集团职位等级体系;4.1.3组织开展集团总部职级管理工作,落实、完善职级管理有关材料备案及存档工作;4.1.4监督、指导各子公司开展职级管理工作。
4.2各子公司人力资源部门4.2.1遵循集团职级管理制度的要求,制定本公司的职级管理细则;4.2.2组织开展本公司职级管理工作,落实、完善职级管理有关材料备案及存档工作。
XXX职等职级划分标准第一章总则第一条为规范员工管理,加强公司人力资源基础性工作建设,故特制定本制度。
第二条公司实行浮动的职等职级制度。
每个岗位都有一个浮动的职等职级范围,且职务和职等职级相对挂钩,不绝对挂钩,即不同部门同等职务的岗位职等职级可以不同,同个岗位不同任职者的职等职级也可不同。
第三条员工职等职级的划分是员工各项福利待遇和职权划分的重要依据,其职等的划分和工作能力、学历、工作熟练程度及在公司内的服务年限有关。
第四条本制度适用于公司的所有员工。
第五条人事行政部负责整个公司的职等职级制度的整体管理和日常管理工作。
第二章岗位职等职级划分办法第六条公司实行十八个职等,每个职等内有三个职级的职等职级制度,其中一等最低,十八等最高,一级最低,三级最高。
第七条公司实行针对不同岗位的性质将所有岗位划分为三大序列,即行政序列、专业技术序列、和技术工人序列。
不同序列的岗位都有一个浮动的职等范围。
第八条职等表第九条各级别职数及人数限制表第三章职等职级确定与调整第十条对于新进员工,各部门应根据该员工拟担任的岗位的职等职级浮动范围,并结合该员工的学历、工作熟练程度(工作经验)、工作能力来核定该员工的职等职级。
原则上职等应从低,职级应以中间级为基准,如学历较高或较低,工作较熟练或较生疏,工作能力较强或不足,职级可以上下浮动1-3级,然后上报人事行政部批准,最后以人事行政部批准的职等职级为准,特殊引进人员除外。
第十一条员工在同一岗位每担任一年(超过6个月、不足1年的可按1年算)可在每年年初向所属部门申请调整职级,每担任两年(超过18个月,不到2年的可按1年算)的员工可向所属部门申请调整职等,后部门汇总至人事行政部。
其他时间一概不受理(人事异动除外),调整后的职等和职级不能超出该岗位核定的范围,特批除外。
第十二条各部门需要根据申请者的工作绩效以及平时表现给出审核意见并汇总至人事行政部,最后以人事行政部批准的职等职级为准。