桥梁单位工程观感质量检查记录表
- 格式:xls
- 大小:23.00 KB
- 文档页数:1
单位工程观感质量评定表
检查人员:
注:1、表中某项目含有若干分项时,其标准分值可根据比重大小先行分配,然后评定等级;
2、检查数量:室外全部检查;室内按有代表性部分抽查10%;
3、评定等级标准:被检查的点全部符合相应评定标准合格规定的,评为四级:其中有
20%~49%的点达到标准优良规定者,评为三级;有50%~79%的点达到标准优良规定者,评为二级;有80%及其以上的点,达到标准优良规定者,评为一级。
有不符合标准合格规定者,评为五级,并应处理至合格;
4、由于观感质量评分受评定人的技术水平和经验等主观因素的影响,所以评定时应由
三人以上共同评定。
单位工程观感质量检查记录一、前言工程观感质量是指建筑、结构、室内装饰等方面在外观上给人的直观感受。
工程观感质量直接关系到建筑美学、功能需求以及工程质量的综合表现。
为了确保工程观感质量符合设计要求,本次记录将对单位工程的观感质量进行检查与记录。
二、检查内容1.外观整体效果:检查单位工程在外观上的整体效果,包括建筑物的立面及立面材料、颜色搭配、各种装饰元素的布置等。
2.入口与出口设计:检查单位工程的入口与出口设计是否合理,并是否满足安全、便利的使用要求。
3.围墙与围栏:检查单位工程周围的围墙与围栏是否稳固、美观,并且是否满足安全要求。
4.照明设施:检查单位工程的照明设施是否合理、美观,并且是否能够提供足够的照明效果。
5.标识设计:检查单位工程内、外的标识设计是否清晰、准确,以及是否符合相关标准要求。
6.室内装饰材料:检查单位工程内的室内装饰材料是否合适,包括地面材料、墙面材料、天花板材料等。
7.室内灯光与照明:检查单位工程内的室内灯光与照明设计是否合理、美观,并且是否能够提供足够的照明效果。
8.门窗设计与安装:检查单位工程内门窗的设计与安装是否符合相关规范要求,包括开启方式、封闭性能等。
9.空调、供暖与通风设施:检查单位工程内的空调、供暖与通风设施是否合理、美观,并且是否能够提供足够的舒适性。
三、检查记录1.外观整体效果:检查结果显示,单位工程的外观整体效果良好。
建筑物立面的颜色搭配与立面材料的质量符合设计要求。
各种装饰元素的布置与比例协调,增加了建筑物的美感。
2.入口与出口设计:单位工程的入口与出口设计合理,并且满足安全、便利的使用要求。
入口处设置了防滑设施,以保证使用者的安全。
3.围墙与围栏:单位工程周围的围墙与围栏均稳固、美观,并且满足安全要求。
围墙的颜色与建筑物的风格相协调,营造了统一的视觉效果。
4.照明设施:单位工程的照明设施合理、美观,并且能够提供足够的照明效果。
夜间,照明设施将建筑物照亮,增加了安全性和美观性。
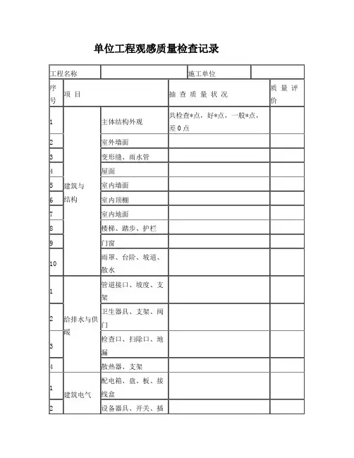
单位工程观感质量检查记录表工程名称施工单位序号项目抽查质量状况质量评价1结构工程混凝土露筋共检查点,好点,一般点,差点2蜂窝共检查点,好点,一般点,差点3孔洞共检查点,好点,一般点,差点4缝隙夹渣层共检查点,好点,一般点,差点5砌体砌筑错缝共检查点,好点,一般点,差点6砲体接槎共检查点,好点,一般点,差点7砌体表面质量共检查点,好点,一般点,差点1孔口防护工程防护门共检查点,好点,一般点,差点2防护密闭门共检查点,好点,一般点,差点3密闭门共检查点,好点,一般点,差点4门框墙共检查点,好点,一般点,差点5防爆波活门共检查点,好点,一般点,差点6防爆超压排气活门、自动排气活门共检查点,好点,一般点,差点1防水工程防水混凝土共检查点,好点,一般点,差点2水泥砂浆防水层共检查点,好点,一般点,差点3涂料防水层共检查点,好点,一般点,差点1装饰装修工程抹灰共检查点,好点,一般点,差点2涂饰共检查点,好点,一般点,差点3饰面板(砖)共检查点,好点,一般点,差点4地面面层共检查点,好点,一般点,差点5门窗共检查点,好点,一般点,差点6室内观感共检查点,好点,一般点,差点1给水排水工程管道坡度共检查点,好点,一般点,差点2接口共检查点,好点,一般点,差点3支架共检查点,好点,一般点,差点4卫生器具共检查点,好点,一般点,差点5配件共检查点,好点,一般点,差点6地漏共检查点,好点,一般点,差点7阀门共检查点,好点,一般点,差点1通风与空调工程通风管道共检查点,好点,一般点,差点2通风管线共检查点,好点,一般点,差点3风口共检查点,好点,一般点,差点4风阀共检查点,好点,一般点,差点5密闭阀门共检查点,好点,一般点,差点6滤尘器、过滤吸收器共检查点,好点,一般点,差点7通风机共检查点,好点,一般点,差点1建筑电气安装工程线路敷设共检查点,好点,一般点,差点2配电箱(盘)共检查点,好点,一般点,差点3开关、插座共检查点,好点,一般点,差点4接地共检查点,好点,一般点,差点5柴油发电机组共检查点,好点,一般点,差点共检查点,好点,一般点,差点观感质量综合评价结论:施工单位项目负责人:年月日总监理工程师:年月日。
单位工程观感质量检查记录1. 序言本文档记录了对单位工程的观感质量检查过程中的评估结果和发现的问题。
观感质量检查旨在对单位工程在施工过程中的整体美感和质量进行评价,以确保工程的最终交付符合预期和标准要求。
2. 检查概要本次观感质量检查主要关注以下几个方面:•外观质量:建筑物外观的整体协调性、装饰材料的质量和工艺。
•环境影响:单位工程对周边环境的影响,包括噪音、粉尘等。
•公共设施:公共区域的设施和水电设备的安装质量。
•平安性:施工过程中是否存在平安隐患。
3. 检查结果根据观感质量检查,对以下几个方面进行评估和记录:3.1 外观质量•主楼外观造型符合设计要求,整体外观美观。
•局部门窗与外墙色调不协调,需要重新调整。
•墙壁涂料存在脱落和气泡问题,需要返工修复。
3.2 环境影响•临时施工场地未进行合理的防尘措施,对周边居民造成不便。
•施工期间存在噪音超标问题,需要加强施工时间和区域的管控。
3.3 公共设施•公共区域的照明设施安装符合标准要求,无明显问题。
•局部公共电器设备安装不稳固,需要重新加固和校正。
3.4 平安性•施工现场周边存在未设立警示标志的施工隐患区域,需要立即设置警示标志。
4. 问题整改根据观感质量检查中发现的问题,以下为整改措施和时间安排:•外墙门窗调整:请相关施工单位在下周二之前完成调整。
•墙壁涂料返工:请涂料施工单位在本周五之前重新施工,确保涂料质量符合要求。
•临时施工场地控尘:请施工单位在本周末之前采取控尘措施,减轻对周边环境的影响。
•噪音管控加强:请施工单位在本周四起加强对施工噪音的管控,确保不超过规定标准。
•公共电器设备加固:请相关安装单位在本周六前完成设备加固工作。
•警示标志设置:请施工单位立即设置警示标志,确保施工平安。
5. 结论本次单位工程观感质量检查中发现了一些问题,但整体质量仍然符合预期要求。
通过针对问题的整改措施,相信可以在限定时间内解决问题并确保最终交付的单位工程质量到达预期目标。
桥梁工程单位(子单位)工程观感质量检查记录表编号:
填表说明
关于工程观感质量验收,这类检查往往难以定量,只能以观察、触摸或简单的量测方式进行。
(一)表格名称
表格名称不必填写单位(分部)工程名称。
(二)表头部分
工程名称、施工单位:与表G1-2要求相同。
(三)项目
本栏的项目是外观可查主要项目,除记录表格内已固定的项目外,可根据工程特殊性增减。
(四)抽查质量情况
检查质量情况是参加验收人员的客观评价,质量检查情况不能给出“符合要求”或“不符合要求”;而是对外观质量好的打“√”;外观质量一般的打“—”、外观质量差的打“×”。
(五) 质量评价
参加验收人员应对各检查项目进行质量评价,但评价结果不能给出“合格”或“不合格”,同样也以好“√”、一般“—”、差“×”来标注。
(六) 外观质量综合评价
外观综合评价是在各检查项目质量评价的基础上进行的,由验收小组商榷。
(七)结论
在各项质量评价及综合评价完成后,由施工单位项目经理提交总监理工程师或建设单位项目负责人组织审查,并在验收结论栏内,填上“通过验收”。
施工单位项目经理和总监理工程师(建设单位项目负责人)亲自签认,并负质量责任,以示本工程外观质量检查已通过验收。
桥梁工程质量验收表单位(子单位)工程观感检查记录编号:木模板制作检验批质量验收记录表钢模板制作检验批质量验收记录表模板、支架与拱架安装检验批质量验收记录表钢筋成形与安装检验批质量验收记录表混凝土原材料及配合比检验批质量验收记录表预应力材料检验批质量验收记录表钢丝、钢绞线先张法施工检验批质量验收记录表钢筋先张法施工检验批质量验收记录表钢筋后张法施工检验批质量验收记录表砌体工程检验批质量验收记录表基坑、地基、回填土检验批质量验收记录表现浇混凝土基础检验批质量验收记录表砌体基础检验批质量验收记录表预制桩检验批质量验收记录表钢管桩制作检验批质量验收记录表沉桩检验批质量验收记录表混凝土灌注桩检验批质量验收记录表沉井制作检验批质量验收记录表沉井浮运下沉与清基封底检验批质量验收记录表地下连续墙检验批质量验收记录表现浇混凝土承台检验批质量验收记录表浆砌块石砌筑墩台检验批质量验收记录表浆砌料石、砌块砌筑墩台检验批质量验收记录表现浇混凝土墩台检验批质量验收记录表现浇混凝土(柱)检验批质量验收记录表现浇混凝土挡墙检验批质量验收记录表预制安装混凝土柱检验批质量验收记录表现浇混凝土盖梁检验批质量验收记录表人行天桥钢墩柱检验批质量验收记录表台背填土检验批质量验收记录表支座检验批质量验收记录表支架上浇筑梁(板)检验批质量验收记录表混凝土梁(板)预制检验批质量验收记录表混凝土梁(板)安装检验批质量验收记录表悬臂浇筑混凝土梁检验批质量验收记录表悬臂拼装预应力混凝土梁检验批质量验收记录表钢梁现场安装检验批质量验收记录表钢-混凝土结合梁检验批质量验收记录表砌筑拱圈检验批质量验收记录表现浇混凝土拱圈检验批质量验收记录表。
英文回答:Unit Engineering Visual Quality On-site Inspection Report TemplateProject Name: [Insert Project Name]Location: [Insert Location]Date of Inspection: [Insert Date]Inspector: [Insert Inspector Name]Purpose:The purpose of this inspection is to evaluate and assess the visual quality of the unit engineering work at the site. This will involve aprehensive examination of the overall appearance, cleanliness, organization, and adherence to project specifications and standards. The inspection will specifically focus on the condition of structural elements, installation of mechanical and electricalponents, surface finishes, and other visual characteristics essential for determining the quality of the work.Inspection Parameters:The inspection will epass the assessment of the followingparameters:- Structural Elements: Examination of columns, beams, slabs, walls, and other structural members for visible defects, damage, or deviations from specifications.- Mechanical and Electrical Components: Evaluation of HVAC systems, plumbing, electrical wiring, lighting fixtures, and other mechanical or electricalponents for proper positioning, alignment, and quality of installation.- Surface Finishes: Inspection of paint, tiles, flooring, cladding and other decorative elements to ensure uniformity, cleanliness, absence of damage, and adherence to specified standards.- General Appearance: Consideration of overall cleanliness, organization, and visual appeal of the unit engineering work.Findings:The inspection findings will be meticulously recorded, including observations of visual defects, non-conformities, and areas of improvement. Deficiencies will be categorized according to their severity and impact on the visual quality of the work, and rmendations for corrective actions will be provided where necessary.单位工程视觉质量现场检查报告模板项目名称:【插入项目名称】地点:【插入位置】检查日期:【插入日期】检查员:【插入检查员名称】目的:这项检查的目的是评价和评估部队工程工程在现场的视觉质量。