地下工程渗漏水检测记录
- 格式:wps
- 大小:38.50 KB
- 文档页数:2
说 明
GD2301035
本表包括基桩位置偏移、基桩混凝土外观以及桩顶钢筋锚固长度等方面的检查内容。
1. 桩位平面偏差应符合GB 50202—2002第5.1.3条、第5.1.4条的规定:
预制桩(钢桩)桩位的允许偏差
灌注桩桩位允许偏差
2. 桩顶标高允许偏差为±30mm,灌注桩桩顶标高在凿除桩顶浮浆后,应保证设计的桩顶标高及混凝 土质量,低于设计标高的应妥善处理;受压预应力管桩桩顶超高部分切除应采用锯断方式,不得 造成桩顶混凝土损伤;受压预制方桩及利用预应力管桩纵筋锚固的抗拔桩应精打细凿,不得伤及 桩身。
3. 夹渣、夹泥、蜂窝、孔洞面积不超过混凝土裸露面积的3%,露筋及保护层厚度超过允许偏差的应 作处理。
4. 基桩钢筋笼纵筋外露长度从桩顶设计标高处计起。
钢筋笼安装深度偏差应不大于±100mm,钢筋笼 保护层允许偏差:水下灌注混凝土的桩为±20mm,非水下灌注混凝土的桩为±10mm。
5. 基桩应全数检查。
地下室渗漏水检测记录(一)引言概述:
地下室渗漏水是一项重要的维护任务,它对房屋结构和居住环境的影响不能忽视。
本文记录了地下室渗漏水检测的过程和结果,旨在提供帮助和指导,确保地下室的安全和舒适。
正文:
一、地下室渗漏水检测前准备工作
1.检查地下室周围环境,确保地面排水良好;
2.检查地下室外墙是否存在裂缝或破损;
3.检查地下室的排水系统是否正常运作;
4.查阅历史渗漏水记录。
二、地下室渗漏水检测方法选择
1.非破坏性检测方法的优势和适用范围;
2.常用的非破坏性检测方法有哪些,各自的原理和操作步骤;
3.确定最佳的渗漏水检测方法。
三、地下室渗漏水检测实施
1.按照选定的检测方法准备设备和工具;
2.对地下室进行全面的渗漏水检测;
3.记录每个检测点的渗漏情况;
4.及时处理出现的渗漏问题,以防止进一步损害。
四、地下室渗漏水检测结果分析
1.整理渗漏水检测记录,并进行统计分析;
2.分析渗漏问题的程度和范围,制定相应的维修计划;
3.评估维修计划的必要性和可行性。
五、地下室渗漏水检测后续工作
1.执行维修计划,并定期进行检查和维护;
2.跟踪维修效果,确保渗漏问题得到彻底解决;
3.定期进行地下室渗漏水检测,以防问题再次发生。
总结:
地下室渗漏水问题对房屋的稳定性和空气质量有着重要影响,
因此及时进行检测和维修是必要的。
本文介绍了地下室渗漏水检测
的全过程,包括准备工作、方法选择、实施、结果分析和后续工作。
通过遵循正确的步骤和方法,我们能够及时发现渗漏问题并采取措
施解决,从而确保地下室的安全和舒适。
地下工程渗漏水检查记录范本一:正式风格地下工程渗漏水检查记录1. 概述1.1. 目的本次地下工程渗漏水检查记录旨在全面记录工程施工过程中的渗漏水情况,早期发现和问题处理,以确保工程的质量和安全。
1.2. 适用范围本适用于所有参与地下工程渗漏水检查的工程师和技术人员。
1.3. 定义- 渗漏水:指地下工程中由于构筑物泄漏、渗漏等造成的水问题。
- 检查员:指负责对地下工程渗漏水进行检查的专业人员。
2. 检查前准备2.1. 检查区域划分将地下工程根据不同的功能和位置进行划分,明确每个区域的检查范围。
2.2. 确定检查方式根据工程特点和施工进度,确定合适的检查方式,包括现场实地检查、监测设备使用等。
3. 检查过程3.1. 检查人员到位确保检查人员按时到达检查现场,并进行必要的安全培训。
3.2. 实地检查按照设定的检查范围对地下工程进行实地检查,记录渗漏水情况、位置、程度等详细信息。
3.3. 渗漏水分析对检查记录的渗漏水情况进行分析,确定引起渗漏水的原因。
4. 问题处理4.1. 问题分类根据分析结果,对检查记录中的渗漏水问题进行分类。
4.2. 问题处理方案制定相应的问题处理方案,包括封堵漏点、修复漏损等。
4.3. 处理过程记录对问题处理过程进行详细记录,包括处理方法、使用材料等。
5. 检查报告编写5.1. 检查报告结构将检查过程、记录、分析和问题处理结果整理为检查报告。
5.2. 报告内容包括检查日期、检查地点、渗漏水情况、问题分析和处理方案等内容的详细描述。
6. 附件本所涉及的附件如下:6.1. 照片记录对渗漏水问题进行拍照记录,以便后续参考。
6.2. 监测数据如有使用监测设备进行检测的情况,将监测数据作为附件保存。
7. 法律名词及注释本涉及的法律名词及注释如下:7.1. 地下工程:指地下开挖、建设的工程。
7.2. 渗漏水:指地下工程中由于构筑物泄漏、渗漏等造成的水问题。
范本二:轻松活泼风格地下工程渗漏水检查记录亲爱的小伙伴们,这是一份详细记录地下工程渗漏水的,我们要确保工程质量和安全哟!1. 目的- 记录工程施工过程中渗漏水情况,及时发现问题哦!2. 适用范围- 这份适用于地下工程渗漏水检查中的工程师和技术人员。
地下工程渗漏水检测记录一、检测时间和地点检测时间:2024年5月1日至5月7日地点:市地下工程项目施工现场二、检测目的为了了解地下工程各区域是否存在渗漏水问题,及时采取相应措施进行修补,确保工程的安全和稳定运行。
三、检测方法1.监测点布置:根据地下工程施工图纸和现场情况,选择适宜的监测点进行布置。
监测点应包括各个区域的主要结构部位,例如地下管道、墙体等。
2.检测设备和仪器:选用高精度的水位和压力监测设备,如水位计、压力计等,以及红外热像仪等非接触式检测设备。
3.检测过程:按照设定的监测点进行逐一检测,先使用水位计进行水位的测量,然后使用压力计测量水压情况。
对于表面无法直接检测的区域,使用红外热像仪进行非接触式检测,寻找异常渗漏迹象。
四、检测结果及处理措施经过对地下工程不同区域的全面检测,得出以下结果:1.检测点1:位于地下一层的污水管道旁,未发现渗漏迹象,水位和压力正常。
2.检测点2:位于地下二层墙体附近,发现局部渗漏迹象,水位略高于正常水位,压力正常。
建议对该区域墙体进行修补。
3.检测点3:位于地下三层的电缆沟旁,发现明显渗漏迹象,水位明显高于正常水位,压力较大。
建议立即停止电缆沟周围施工,进行紧急修复。
4.检测点4:位于地下四层的停车场区域,未发现渗漏迹象,水位和压力正常。
5.检测点5:位于地下五层的消防水池旁,未发现渗漏迹象,水位和压力正常。
根据上述检测结果,进行相应的处理措施如下:1.对于检测点2,建议立即对墙体进行修补,以防渗漏进一步扩大。
2.对于检测点3,建议立即停止施工,并对电缆沟进行急修,以防水灾事故的发生。
对于其他未发现渗漏迹象的区域,应加强监测,确保工程的整体安全。
五、检测人员和时间检测人员:由相关专业技术人员和监理单位的工程师组成的检测队伍。
检测人员应具备相关的工程检测经验和技术能力。
检测时间:2024年5月1日至5月7日,每天工作8小时。
六、检测记录保存该份地下工程渗漏水检测记录应保存至少5年,以备日后查阅和参考之用。
引言概述:地下室渗漏水是许多房主和建筑物管理员必须面对的常见问题。
渗漏水不仅会导致地下室潮湿和发霉,还可能对房屋结构造成严重的损害。
本次地下室渗漏水检测记录(二)旨在提供一份详细的报告,介绍检测过程和结果,帮助业主和管理员了解并解决地下室渗漏水问题。
正文:一、检测过程1.选择合适的时间:地下室渗漏水检测通常在下雨后或雪融化后进行,因为这些时候地下室渗水问题容易暴露出来。
2.准备必要的设备:在开始检测之前,我们会确保所需的仪器和工具齐全,例如水浸探测仪、漏水探测仪和红外线热成像仪等。
3.检查外部排水系统:首先,我们会检查建筑物周围的排水系统,包括雨水管道、排水沟和防水处理等,以确保它们正常运行。
4.检查地下室内部墙壁和地面:我们会仔细检查地下室的墙壁和地面,观察是否存在裂缝、渗水迹象或潮湿。
5.使用水浸探测仪:为了查明可能的渗漏点,我们使用水浸探测仪来测量地下室地面的湿度,以确定是否存在渗漏。
二、检测结果1.外部排水系统:我们发现一些排水管道受损或堵塞,导致雨水流不畅,增加了地下室渗水的风险。
建议修复或更换受损的排水管道,并定期清理排水系统。
2.墙壁和地面检测:我们检测到地下室墙壁和地面存在多处裂缝和渗漏点,这些是导致渗水的主要原因。
推荐使用防水涂料或墙体防水膜进行修复,并加强地下室地面的防水处理。
3.隔离层检测:我们还检测到一些隔离层失效或损坏,这可能导致地下室渗漏水沿着墙壁渗透。
建议修复或更换受损的隔离层,确保其完整性。
4.外墙检测:我们发现外墙存在水分渗透的迹象,可能是由于外墙防水层失效或建筑结构问题引起。
应及时修复外墙防水层,以防止水分渗透到地下室。
5.通风系统检测:我们检测到地下室通风不良,导致湿气无法及时排出,进一步加剧了地下室潮湿和渗漏水问题。
建议改善地下室通风系统,增加自然通风或安装机械通风设备。
三、解决方案1.修复排水系统:根据检测结果,首先需要修复或更换受损的排水管道,并保持排水系统的畅通。
地下室渗漏水调查与检测方法
地下室渗漏水是指地下室墙体、地板或天花板处出现水滴、水渍或水迹的现象。
渗漏水问题对于地下室的使用和装修造成很大的困扰,如果不及时处理,还可能导致地下室的结构损坏和霉菌滋生等问题。
因此,及早发现和解决地下室渗漏水问题至关重要。
接下来将介绍一些地下室渗漏水的调查与检测方法。
1.目视观察法:
2.针孔试验法:
3.探测仪器法:
现代科技发展使得利用探测仪器来检测地下室渗漏水问题成为可能。
常用的探测仪器包括红外线热像仪、漏水检测仪、电子湿度计等。
这些仪器可以帮助定位和识别地下室渗漏水问题,提高检测的准确性和效率。
4.压力测试法:
压力测试法是一种检测地下室防水层效果的方法。
具体操作方式是对地下室进行压力测试,在地下室内外设置不同的水压差,观察是否有水渗入地下室。
这种方法可以有效判断地下室防水系统的性能和是否存在渗漏问题。
5.雷达扫描法:
总之,地下室渗漏水问题对于地下室的使用和装修带来很大的困扰,因此及早发现和解决地下室渗漏水问题至关重要。
通过目视观察、针孔试验、探测仪器、压力测试和雷达扫描等方法,可以有效地调查和检测地下室的渗漏水问题,以便及时采取相应的修复和防水措施。
地下工程防水渗漏检测方法及技术说到地下工程的防水问题,大家心里可能都不免有点小担忧吧。
毕竟,这种隐秘在地下的东西,坏了也不好修。
你看,墙壁上有裂缝了,大家都能看到,马上一眼就知道是不是漏水了;但地下的防水渗漏,哪有那么容易发现?不过,别着急,今天咱们就来聊聊怎么检测地下工程的防水,教你几招,让你也能当个小专家。
说实话,地下工程防水渗漏,简直是个“隐形杀手”。
你们可能会觉得这有什么大不了,反正地下的东西不会漏出来。
但真发生问题了,地下的水渗漏可不是闹着玩的,一旦发现了,那可就像是发现了地雷,随时会爆炸,甚至搞得整个建筑都不安全。
想象一下,如果是地铁、地下车库这样的地方,一旦出现漏水,影响的可就不仅仅是一个小小的水坑了。
得了,别说了,已经吓到大家了。
咱们还是先来看怎么检查,避免麻烦早早解决。
大家最常见的检测方法之一就是“目测检查”。
大家想象一下,假如你要检测一个地下车库或者隧道的防水层,是不是就像挑选新衣服一样?得好好看看每个角落,看看有没有什么水迹,或者漏水痕迹。
特别是那些接口、接缝的地方,一旦有点破损,水就悄悄跑出来了。
可是,光靠眼睛可不能百分百找到问题点,毕竟有些地方水漏得非常隐蔽,眼睛不容易发现。
这时候,咱们就得用点“黑科技”了。
第二个办法就是“漏水检测仪”。
这种仪器你可以想象成是现代科技的小帮手,专门帮你找漏水的地方。
就像侦探一样,它能通过探测地下结构内的水分,快速找到漏水源头。
比你自己瞎找强多了。
漏水检测仪的工作原理挺简单,基本上是通过电磁波或者超声波的方式,探测到水分的存在。
如果地下结构有水流渗透,设备就能发出信号,帮助你在短时间内锁定问题位置。
听起来是不是很牛?就像是给地下建筑装上了“透视眼”一样,不管是大漏小漏,都能轻松搞定。
还有一种叫做“压力测试法”。
这个方法可能听起来有点复杂,但其实它原理挺简单的。
就是通过给地下结构加压,看它在压力作用下,是否有渗水现象。
说白了,就是像给一个气球充气,看看有没有漏气。
地下室渗漏水检测记录
地下室渗漏水检测记录
1. 检测目的
本次检测旨在对地下室内的渗漏水问题进行全面调查和评估,以确定可能存在的渗漏源,并提供解决方案。
2. 检测范围
本次检测范围包括地下室内的各个区域,包括墙壁、地板、天花板等,并且还将进行地下水位的监测。
3. 检测过程
3.1 渗漏点标记
在开始检测之前,首先标记出地下室内存在的渗漏点,包括墙壁上的水迹、破损处等。
3.2 检测设备准备
准备相应的检测设备,包括水压测试仪、红外线相机、水平仪等。
3.3 检测方法
根据渗漏点标记和实际情况,采用不同的检测方法,包括水压测试法、红外线检测法等。
3.4 结果记录
将每次检测的结果记录下来,包括渗漏点位置、严重程度、检测方法等。
4. 检测结果分析
根据检测结果进行分析,确定渗漏源的位置以及可能的原因,了解渗漏的程度,并对渗漏问题进行分类和评级。
5. 解决方案提供
根据检测结果和分析,为每个渗漏点提供相应的解决方案,包括修复方法、所需材料和预计的成本。
6. 定期检测和维护
建议进行定期的地下室渗漏水检测,并采取相应的维护措施,以防止渗漏问题的再次发生。
7. 附件
本文档所涉及的附件如下:
- 检测记录表格
- 渗漏点位置示意图
- 渗漏点照片
8. 法律名词及注释
本文档所涉及的法律名词及注释如下:
- 水污染法:法律规定了对水污染进行监管和处罚的相关规定。
- 建筑安全法:法律规定了对建筑物安全进行监管和管理的相关规定。
防水工程试水检查记录
防水工程试水检查记录是记录防水工程施工完成后进行试水检查的文件,以确保防水层的质量和性能。
以下是一份可能包含的试水检查记录的示例:
防水工程试水检查记录表
项目名称:[防水工程项目名称]
工程地点:[防水工程施工地点]
日期:[试水检查日期]
施工单位:[承包商或施工单位名称]
监理单位:[监理单位名称]
1.试水目的:
•确保防水层的密封性和耐水性。
•检查施工是否符合相关标准和规范。
2.试水条件:
•试水时间:[具体的试水时间安排]
•试水水位:[试水水位设置]
•试水持续时间:[试水的持续时间]
3.试水步骤:
•[详细描述试水的步骤,包括水源的供应、试水过程中的监测等]
4.试水检查记录:
•检查点1:防水层表面
•[描述防水层表面的状况,是否有渗水、裂缝等情况] •检查点2:连接处和细部处理
•[检查连接处和细部处理是否牢固、无渗水] •检查点3:管道穿墙处理
•[检查管道穿墙处的防水工艺,是否符合要求] •...
5.试水检查结果:
•合格:[如有合格,详细说明]
•不合格:[如有不合格,说明不合格的具体问题和原因]
6.整改措施:
•不合格情况下,列明整改方案和责任人。
7.监理意见:
•[监理单位对试水检查结果的意见]
8.施工单位负责人签字:
•[施工单位负责人签字和日期]
9.监理单位负责人签字:
•[监理单位负责人签字和日期]
这是一个通用的示例,具体的内容和格式可能需要根据实际情况和工程要求进行调整。
在试水检查中,详细记录每个检查点的情况对于确保防水工程的质量至关重要。
排水管渗漏试验记录一、试验目的本次试验旨在检验和评估排水管的密封性能,以确定其抗渗漏能力及使用寿命。
二、试验材料和设备1. 排水管道:直径为150mm的PVC排水管道。
2.试验液体:自来水。
三、试验过程1.准备工作a.准备长度为3.6m的排水管道。
b.检查排水管道是否完整,无损坏或渗漏。
c.将管道两端用胶带封闭。
d.准备用于检测渗漏的仪器和设备。
2.密封试验a.将准备的排水管道放置在试验台上。
b.将试验液体自来水连续注入到管道中,直到管道充满为止。
c.关闭管道两端的胶带封闭物,使管道密封。
d.等待24小时,观察管道是否有渗漏现象。
3.渗漏检测a.在试验期间,定期观察管道表面是否有渗漏现象,特别注意排水管道接口和弯头处。
b.使用红外线热像仪定期检测管道表面温度,以寻找可疑的渗漏点。
c.检查试验过程中排水管道是否出现变形、开裂或其他损坏情况。
四、试验结果与分析在试验过程中,排水管道表面未出现任何渗漏现象。
使用红外线热像仪检测也未发现管道表面有明显的温度异常点,证明管道密封性能良好。
试验结束后,检查排水管道未发现任何变形、开裂或其他损坏情况。
综上所述,本次试验结果表明所使用的PVC排水管道在正常情况下具有良好的密封性能和抗渗漏能力。
建议继续进行长期试验以进一步评估其使用寿命。
五、试验结论本次排水管渗漏试验证明了所使用的PVC排水管道具有良好的密封性能和抗渗漏能力。
该管道适合在正常使用环境下进行排水工作,具有较长的使用寿命。
六、试验总结与建议在以后的排水管道安装和使用过程中,需严格按照相关规范要求进行设计和施工,以确保排水管道系统的完整性和密封性能。
在安装过程中应注意避免管道损坏或连接不严密等问题。
同时,建议进行长期试验和定期检查,以及加强维护和保养工作,以延长排水管道的使用寿命。
施工现场防水效果检查记录一、防水效果检查的重要性防水效果检查是防水施工过程一个重要的检测项目,其目的是为了确保建筑工程有防水要求的部位,防水性能符合要求,从而抵御水渗入,防止损害建筑结构。
因此防水工程完工后对防水效果进行实地检查是一项必不可少的工作。
二、防水效果检查部位防水效果检查部位主要包括:基础底板防水、地下室外墙防水、地上结构外墙(门窗)防水、外幕墙防水、装配式外墙防水、室内有防水要求的地面防水、屋面防水等等。
三、防水工程施工及验收参考规范四、防水效果检查要求1. 地下防水地下防水工程质量验收时,施工单位应对防水效果进行检查,根据不同漏水现象用不同符号标识清楚,并提供“结构内表面的渗漏水展开图”。
房屋建筑地下工程应调查混凝土结构表面的侧墙和底板。
检查完成后填写地下防水效果检查记录。
渗漏水现象定义和标识符号2.地面防水(1)依据《建筑与市政工程防水通用规范》(GB55030-2022)4.6.4条规定:“用水空间与非用水空间楼地面交接处应有防止水流人非用水房间的措施。
淋浴区墙面防水层翻起高度不应小于2000mm,且不低于淋浴喷淋口高度。
盥洗池盆等用水处墙面防水层翻起高度不应小于1200mm。
墙面其他部位泛水翻起高度不应小于250mm。
”(2)建筑室内工程在防水层完成后,应进行淋水、蓄水试验,并应符合下列规定:①楼、地面最小蓄水高度不应小于20mm,蓄水时间不应少于24h;②有防水要求的墙面应进行淋水试验,淋水时间不应小于30min;③独立水容器应进行满池蓄水试验,蓄水时间不应少于24h;④室内工程厕浴间楼地面防水层和饰面层完成后,均应进行蓄水试验。
3.屋面防水建筑屋面工程在屋面防水层和节点防水完成后,应进行雨后观察或淋水、蓄水试验,并应符合下列规定:(1)采用雨后观察时,降雨应达到中雨量级标准;(2)采用淋水试验时,持续淋水时间不应少于2h;(3)檐沟、天沟、雨水口等应进行蓄水试验,其最小蓄水高度不应小于20mm,蓄水时间不应少于24h。
房屋地下水渗漏检测方案水压传感器与漏水追踪技术在房屋建筑领域,地下水渗漏问题是一个常见但极具挑战性的难题。
由于地下水渗漏可能引发一系列严重后果,如地基沉降、墙壁渗水、结构损坏等,因此及早发现和解决这一问题至关重要。
本文将介绍一种基于水压传感器与漏水追踪技术的地下水渗漏检测方案。
一、水压传感器的原理与应用水压传感器是一种能够测量液体或气体压力的传感器。
通过将水压传感器放置于地下水位较高的区域,可以实时监测地下水的压力变化。
当地下水渗漏问题出现时,水压传感器将会捕捉到异常的压力信号,从而提醒用户可能存在地下水渗漏的风险。
水压传感器的应用不仅限于地下水渗漏检测,还可以用于地下管道、水泵系统等的监控。
通过合理布置水压传感器,我们可以建立一个完整的监测系统,实现对房屋地下环境的全方位掌控。
二、漏水追踪技术的原理与应用漏水追踪技术是一种通过分析水压信号的变化来确定漏水位置的方法。
当地下水渗漏问题出现时,水压传感器将记录到不同的压力波动。
利用这些波动信号,我们可以通过算法计算出漏水源头的位置。
漏水追踪技术的应用有助于快速准确地定位漏水问题,避免了传统的摸底式排查方式所需的大量时间和人力成本。
通过将漏水追踪技术与水压传感器相结合,我们可以实现对地下水渗漏问题的全面管理。
三、房屋地下水渗漏检测方案基于水压传感器与漏水追踪技术,我们可以提出一套房屋地下水渗漏检测方案。
具体步骤如下:1. 安装水压传感器:根据地下水位较高的区域,选择合适的位置安装水压传感器。
确保传感器与地下水位有充分接触,并与监测系统连接。
2. 监测水压信号:传感器将实时捕捉地下水的压力变化,并将信号发送至监测系统。
通过实时监测水压信号,我们可以获取有关地下水变化的重要信息。
3. 运用漏水追踪技术:使用漏水追踪技术,通过分析水压信号的变化,我们可以确定漏水发生的位置。
根据定位结果,及时采取修复措施,避免漏水问题扩大。
4. 报警与通知:当监测系统检测到地下水渗漏问题时,将会触发报警机制,及时通知相关人员采取措施。
地下室防水效果检查记录编号: 01 16 □□地下室防水效果检查记录说明《地下防水工程质量验收规范》GB50208-20023.0.10 地下防水工程应按工程设计的防水等级标准进行验收。
地下防水工程渗漏水调查与量测方法应按本规范附录C执行。
附录C 地下防水工程渗漏水调查与量测方法C.0.1渗漏水调查1、地下防水工程质量验收时,施工单位必须提供地下工程“背水内表面的结构工程展开图”。
2、房屋建筑地下室只调查围护结构内墙和底板。
3、全埋设于地下的结构(地下商场、地铁车站、军事地下库等),除调查围护结构内墙和底板外,背水的顶板(拱顶)系重点调查目标。
4、钢筋混凝土衬砌的隧道以及钢筋混凝土管片衬砌的隧道渗漏水调查的重点为上半环。
5、施工单位必须在“背水内表面的结构工程展开图”上详细标示:1)在工程自检时发现的裂缝,并标明位置、宽度、长度和渗漏水现象;2)经修补、堵漏的渗漏水部位;3)防水等级标准容许的渗漏水现象位置。
6、地下防水工程验收时,经检查、核对标示好的“背水内表面的结构工程展开图”必须纳入竣工验收资料。
C.0.2渗漏水现象描述使用的术语、定义和标识符号,可按表C.0.2选用。
C.0.3当被验收的地下工程有结露现象时,不宜进行渗漏水检测。
C.0.4房屋建筑地下室渗漏水现象检测1、地下工程防水等级对“湿渍面积”与“总防水面积”(包括顶板、墙面、地面)的比例作了规定。
按防水等级2级设防的房屋建筑地下室,单个湿渍的最大面积不大于0.1m2,任意100m2防水面积上的湿渍不超过1处。
2、湿渍的现象:湿渍主要是由混凝土密实度差异造成毛细现象或由混凝土容许裂缝(宽度小于0.2mm)产生,在混凝土表面肉眼可见的“明显色泽变化的潮湿斑”。
一般在人工通风条件下可消失,即蒸发量大于渗入量的状态。
3、湿渍的检测方法:检查人员用干手触摸湿斑,无水分浸润感觉。
用吸墨纸或报纸贴附,纸不变颜色。
检查时,要用粉笔构划出湿渍范围,然后用钢尺测量高度和宽度,计算面积,标示在“展开图”上。
地下室渗漏水检测记录一、检测背景随着城市建设的不断发展,地下室的应用越来越广泛,然而地下室渗漏水问题也日益突出。
为了保障地下室的正常使用功能,确保建筑物的结构安全和耐久性,对地下室进行渗漏水检测显得尤为重要。
本次检测的地下室位于具体地址,建筑面积为具体面积,用途为具体用途。
二、检测目的本次检测的主要目的是查明地下室渗漏水的部位、渗漏形式、渗漏程度以及渗漏原因,为后续的渗漏治理提供科学依据。
三、检测依据1、《地下防水工程质量验收规范》(GB 50208-2011)2、《建筑防水工程现场检测技术规范》(JGJ/T 299-2013)3、相关设计图纸和施工资料四、检测人员及设备1、检测人员:检测人员姓名 1、检测人员姓名 22、检测设备:红外热像仪、渗漏巡检仪、超声波检测仪、湿度检测仪等五、检测时间检测时间:开始时间结束时间六、检测部位及范围本次检测涵盖了地下室的所有区域,包括底板、侧墙、顶板、后浇带、变形缝、施工缝等部位。
七、检测方法及步骤1、宏观检查对地下室的整体进行目视检查,观察是否有明显的湿渍、水渍、渗漏痕迹等。
检查地下室的防水层是否有破损、开裂、空鼓等现象。
2、红外热像仪检测利用红外热像仪对地下室的表面温度分布进行检测,通过温度差异来判断是否存在渗漏区域。
对于温度异常的区域,进行重点标记和进一步检测。
3、渗漏巡检仪检测使用渗漏巡检仪对地下室的混凝土结构进行检测,检测其内部是否存在渗漏通道。
对检测到的渗漏信号进行分析和定位。
4、超声波检测仪检测采用超声波检测仪对地下室的混凝土结构进行检测,检测其内部是否存在裂缝、孔洞等缺陷。
对检测到的缺陷进行评估和分析,判断其是否与渗漏水有关。
5、湿度检测仪检测利用湿度检测仪对地下室的混凝土表面湿度进行检测,确定湿度异常的区域。
结合其他检测方法,综合判断渗漏水的情况。
八、检测结果1、底板在底板的具体位置1发现一处湿渍,面积约为具体面积1,经检测,此处存在轻微渗漏,渗漏原因可能是混凝土振捣不密实。
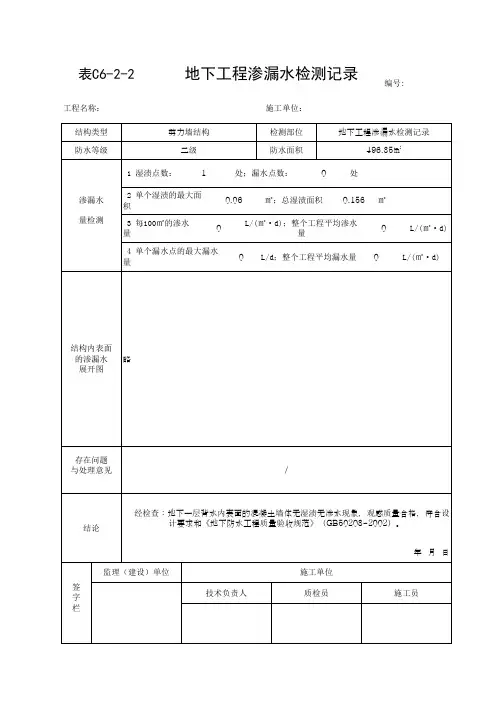
工程名称
珑湾锦园一期A 标
结构类型
剪力墙
防水等级 一级/二级 检测部位 地下室
渗漏水量 检测
1、单个湿渍的最大面积 0.4㎡;总湿渍面积4.49㎡
2、每100㎡的渗水量0.2L/(㎡*d );整个工程平均渗水量0.15L/(㎡*d )
3、单个漏水点的最大漏水量1.5L/d ;整个工程平均漏水量 0.02L/(㎡*d )
结构内表
面的渗漏 水展开图
附图
处理意见 与结论
经检查,地下 室背水内表面的混凝土墙面局部存在渗水现象,需做封堵处理,观感质量合格。
会签栏
建设或监理单位(签章) 施工单位(签章)
年 月 日
项目技术负责人 质量员 施工员
年 月 日
工程名称
珑湾锦园一期A 标
结构类型
剪力墙
防水等级 一级/二级 检测部位 地下室
渗漏水量 检测
1、单个湿渍的最大面积 0㎡;总湿渍面积 0㎡
2、每100㎡的渗水量 0 L/(㎡*d );整个工程平均渗水量 0 L/(㎡*d )
3、单个漏水点的最大漏水量 0 L/d ;整个工程平均漏水量 0 L/(㎡*d )
结构内表
面的渗漏 水展开图
附图
处理意见 与结论
经检查,地下室背水内表面的混凝土墙面原渗水部位,已处理到位,观感质量合格,符合设计和《地下防水工程质量验收规范》GB50208-2011的规定。
会签栏
建设或监理单位(签章) 施工单位(签章)
年 月 日
项目技术负责人 质量员 施工员
年 月 日。