建筑工程档案移交内容一览表
- 格式:doc
- 大小:51.00 KB
- 文档页数:3
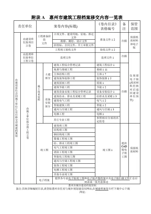
附录A 惠州市建筑工程档案移交内容一览表备注:具体详细编制目录,请登陆惠州市住房与城乡规划建设局网站,在城建档案馆专栏下载中心下载.网址:(建筑工程)(建筑工程)惠州市城市建设档案馆准备文件2(建筑工程)(建筑工程)(建筑工程)惠州市城市建设档案馆监理1(建筑工程)惠州市城市建设档案馆建筑工程综合1(建筑工程)惠州市城市建设档案馆基础1(建筑工程)惠州市城建档案馆基础2(建筑工程)惠州市城建档案馆基础3(建筑工程)惠州市城建档案馆基础4(建筑工程)(建筑工程)惠州市城建档案馆基础6(建筑工程)惠州市城建档案馆基础7 卷内目录(建筑工程)惠州市城建档案馆基础8 卷内目录卷号_______共_____页第_____页惠州市城建档案馆基础9 卷内目录卷号_______ (建筑工程)惠州市城建档案馆基础10 卷内目录卷号_______ (建筑工程)惠州市城建档案馆基础11 卷内目录卷号_______ (建筑工程)卷内目录卷号_______ (建筑工程)共_____页第_____页惠州市城建档案馆主体2 卷内目录卷号_______ (建筑工程)共_____页第_____页惠州市城建档案馆主体3 卷内目录卷号_______ (建筑工程)共_____页第_____页卷 内 目 录 卷 号_______(建筑工程)共_____页 第_____页惠州市城建档案馆 主体4惠州市城建档案馆主体5 卷内目录卷号_______ (建筑工程)共_____页第_____页惠州市城建档案馆主体6 卷内目录卷号_______ (建筑工程)共_____页第_____页惠州市城建档案馆主体7 卷内目录卷号_______ (建筑工程)共_____页第_____页惠州市城建档案馆装饰1 卷内目录卷号_______ (建筑工程)惠州市城建档案馆装饰2 卷内目录卷号_______ (建筑工程)惠州市城建档案馆装饰装修3 卷内目录卷号_______ (建筑工程)共_____页第_____页惠州市城建档案馆装饰装修4 卷内目录卷号_______ (建筑工程)共_____页第_____页惠州市城建档案馆装饰装修5 卷内目录卷号_______ (建筑工程)共_____页第_____页惠州市城建档案馆屋面1 卷内目录卷号_______ (建筑工程)惠州市城建档案馆节能1 卷内目录卷号_______ (建筑工程)惠州市城建档案馆节能2 卷内目录卷号_______ (建筑工程)惠州市城建档案馆安装工程综1 卷内目录卷号_______ (建筑工程)惠州市城建档案馆给排水及采暖1 卷内目录卷号_______ (建筑工程)惠州市城建档案馆给排水及采暖2 卷内目录卷号_______ (建筑工程)共_____页第_____页惠州市城建档案馆给排水及采暖3 卷内目录卷号_______ (建筑工程)共_____页第_____页惠州市城建档案馆电气1 卷内目录卷号_______ (建筑工程)惠州市城建档案馆电气2 卷内目录卷号_______ (建筑工程)惠州市城建档案馆智能1 卷内目录卷号_______ (建筑工程)惠州市城建档案馆智能2 卷内目录卷号_______ (建筑工程)惠州市城建档案馆通风与空调1 卷内目录卷号_______ (建筑工程)卷内目录卷号_______ (建筑工程)惠州市城建档案馆通风与空调3 卷内目录卷号_______ (建筑工程)惠州市城建档案馆电梯1 卷内目录卷号_______ (建筑工程)惠州市城建档案馆竣工图1。
建筑工程移交单移交单位:(填写单位名称)受移交单位:(填写单位名称)项目名称:(填写项目名称)项目地址:(填写项目地址)一、移交事项1.移交内容:依据相关合同及技术协议,移交的建筑工程包括但不限于以下内容:(1)建筑结构:包括框架结构、承重体系等。
(2)建筑设备:包括电气系统、管道系统、暖通系统等。
(3)建筑材料:包括各类原材料、成品材料等。
(4)建筑图纸及资料:包括施工图纸、设计图纸、验收资料等。
2.移交条件:移交单位应确保以下条件满足后进行工程移交:(1)工程竣工验收合格,符合相关国家或地方标准和规定。
(2)移交的建筑工程符合合同约定的质量标准和要求。
(3)移交单位已清理整理现场,将移交内容清单中的所有物品全部准备就绪。
二、移交程序1.准备阶段:(1)协商确定移交时间和地点。
(2)双方共同核对移交内容单,并签字确认。
2.移交过程:(1)移交单位按照清单中的移交内容,将相应物品逐一移交给受移交单位。
(2)受移交单位进行实际验收,并确认移交内容的完整性和质量。
(3)若发现移交内容有异常或缺失,受移交单位应及时提出异议,并与移交单位进行协商解决。
3.移交结束:(1)经双方确认移交内容无误后,正式结束移交程序。
(2)移交单位应移交给受移交单位所有与建筑工程有关的图纸、资料和技术交底等文件。
三、责任和义务1.移交单位的责任和义务:(1)确保移交内容的合法性和完整性。
(2)提供相应的技术交底和使用说明。
(3)在移交期间提供必要的协助和支持。
2.受移交单位的责任和义务:(1)认真进行实际验收,并提出异议和要求。
(2)对移交的建筑工程进行好维护和管理。
(3)及时进行相关手续的办理,如验收手续和工程移交备案等。
四、法律责任与争议解决1.各方应依法履行合同和约定,并承担因合同履行过程中产生的法律责任。
2.若发生争议,双方应通过友好协商解决。
若协商不成,可提交相关争议解决机构进行调解或仲裁。
五、其他事项1.本移交单自签署之日起生效。
临沂市城建档案馆建设工程竣工档案报送内容(建筑工程)一、工程准备阶段文件1.建设项目计划批复文件或登记备案证2.国有土地使用证及附图(复印件)3.建设用地规划许可证及规划总平图4. 建设工程规划许可证(复印件)5.建设项目选址意见书6.工程地质及水文地质勘察报告7.设计方案审查意见8.环保、消防、人防等有关主管部门(对设计方案)审查意见9.施工图设计文件的审查意见10.节能设计备案文件11.建设工程设计、勘察、施工、监理合同12.质量责任信息档案(法定代表人授权书、质量责任信息登记表)13.建设工程施工许可证14.建筑工程质量监督手续15.工程概况信息表16.建设、监理、施工单位工程项目负责人及现场管理人员名册17.其他有关文件二、竣工验收文件1.勘察单位工程质量检查报告2.设计单位工程质量检查报告3.施工单位工程竣工报告4.监理单位工程质量评估报告5.规划、消防、环保、防雷等部门出具的认可文件或准许使用文件6.建筑工程质量保证书、建筑工程使用说明书7.建设工程档案预验收意见书8.竣工验收备案表9.竣工综合验收监督报告10.房屋建筑结构设计使用年限登记表11.开工前原貌、施工阶段、竣工新貌照片12.工程建设过程的录音、录像资料三、监理文件1.监理规划2.监理实施细则3.监理工作总结4.工程暂停令5.工程复工报审表6.工程开工报审表7.质量事故报告及处理资料8.工程延期申请表9.工程延期审批表四、施工文件(一)土建(建筑与结构)工程1.施工管理及技术准备(1)建设单位质量事故勘查记录(2)建设工程质量事故报告书(3)图纸会审记录(4)设计变更通知单(5)工程洽商通知单2.工程进度文件(1)工程开工报审表(2)工程复工报审表(3)工程延期申请表3.施工现场准备(1)定位放线验收记录(2)工程定位测量记录(3)基槽验线记录(4)地基验槽检查记录4.桩基工程施工文件(1)开工报告(2)桩基分包资质(3)所用材料的检测报告(4)桩基施工记录(5)隐蔽验收记录(6)桩基检测报告(7)分部(子分部)工程质量验收表5.原材料进场复试报告(1)钢材(2)水泥(3)砂(4)碎(卵)石(5)外加剂(6)砖(砌块)(7)预应力筋复试报告(8)预应力锚具、夹具和连接器复试报告(9)其他6.施工试验记录及检测文件(1)土工击实试验报告(2)回填土试验报告(应附图)(3)砂浆(试块)抗压强度试验报告(4)混凝土(试块)抗压强度试验报告(5)钢筋接头(焊接)试验报告(6)主体结构抽样检测报告7.施工记录文件(1)隐蔽工程验收记录(2)沉降观测记录(3)混凝土施工记录(4)大型构件吊装记录(5)预应力筋张拉记录(二)电气、给排水、消防、通风、空调、建筑智能化、电梯工程1.图纸会审2.设计变更3.工程洽商记录4.水、电所用材料检测报告5.通风与空调工程绝热材料、风机盘管机组的见证取样复试报告6.消防、电梯等有效证明文件7.隐蔽工程检查验收记录8.施工试验记录(1)强度严密性试验记录(2)建筑物照明通电试运行记录(3)空调系统运转调试记录(4)自动扶梯、自动人行道整机性能、运行试验记录(三)施工验收文件1.分部(子分部)工程质量验收记录2.单位(子单位)工程竣工预验收报验表3.单位(子单位)工程质量竣工验收记录4.单位(子单位)工程质量控制资料核查记录5.单位(子单位)工程安全和功能检验资料核查及主要功能抽查记录6.单位(子单位)工程观感质量检查记录(四)钢结构工程1.分包单位资质2.图纸会审3.设计变更4.工程洽商5.进场复试报告(1)钢结构用钢材复试报告(2)钢结构用防火涂料复试报告(3)钢结构用焊接材料复试报告(4)高强度大六角螺栓连接副复试报告(5)钢结构用扭剪型高强螺栓连接副复试报告6.检测报告(1)超声波探伤报告、探伤记录(2)高强度螺栓抗滑移系数检测报告7.施工记录(1)网架(索膜)施工记录8.钢结构分部(子分部)验收记录(五)节能工程(单独组卷并复制)1.建筑节能产品设备使用年限册2.外窗节能工程(1)分包单位资质(2)施工组织设计和施工方案(3)玻璃、型材等质量证明文件(4)建筑外窗三性检测报告及现场喷淋报告(5)外窗工程隐蔽验收记录(6)外窗分部(子分部)工程质量验收记录3.外墙节能工程(1)分包单位资质(2)施工组织设计和施工方案(3)外墙所用材料质量证明文件及检测报告(4)外墙工程隐蔽验收记录(5)外墙分部(子分部)工程质量验收记录4.采暖节能工程(1)分包单位资质(2)施工组织设计和施工方案(3)所用材料质量证明文件及检测报告(4)采暖工程隐蔽验收记录(5)采暖工程分部(子分部)工程质量验收记录5.幕墙节能工程(1)幕墙所用材料质量证明文件(2)幕墙的抗风压性能、空气渗透性能、雨水渗透性能及平面内变形性能检测报告(3)幕墙工程隐蔽验收记录(4)幕墙分部(子分部)工程质量验收记录五、竣工图1.建筑竣工图2.结构竣工图3. 采暖竣工图4.给排水竣工图5.电气竣工图6.其它竣工图注:1、归档的纸质工程文件应为原件(除特别说明的接收复印件)。
一、工程准备阶段文件(一)立项文件1.项目立项批复文件及项目登记备案证。
2.可行性研究报告批复文件及可行性研究报告。
3.专家论证意见、项目评估文件。
4.有关立项的会议纪要、领导批示。
*政策性项目或财政投资项目提供1-4项,其他项目需提供有关立项的批复文件或登记备案等证明文件。
(二)建设用地、拆迁文件1.建设用地批准书或土地使用证明文件及其附件(复印件)。
2.建设用地规划许可证及其附件(复印件)。
(三)勘察、设计文件1.工程地质勘察报告。
2.设计方案审查意见。
3.人防、消防、环保、防雷等主管部门(对设计方案)审查意见。
4.施工图设计文件审查意见。
5.节能设计备案文件(含计算书)。
(四)招投标文件1.勘察、设计、施工、监理合同(含分包合同/协议)。
2.中标通知书、发承包审核通知书。
(五)开工审批文件1.建设工程规划许可证及其附件(复印件)。
2.已批准的规划总平图(复印件)。
3.建设工程施工许可证(复印件)。
(六)工程建设基本信息1.工程概况信息表。
2.建设单位工程项目负责人及现场管理人员名册。
3.监理单位工程项目总监及监理人员名册。
4.施工单位工程项目经理及质量管理人员名册。
5.参建五方项目负责人质量终身责任信息档案(建设、勘察、设计、监理、施工单位项目负责人工程质量终身责任承诺书/信息变更表)。
二、监理文件(一)监理管理文件1.监理规划。
2.监理实施细则。
3.监理工作总结。
(二)质量控制文件质量事故报告及处理资料。
(三)监理验收文件竣工移交证书。
三、施工文件(一)施工管理文件1.建设单位质量事故勘察记录。
2.建设工程质量事故报告书。
3.施工合同审查表。
4.施工现场质量管理检查记录表。
(二)施工技术文件1.图纸会审记录。
2.设计变更通知单。
3.工程洽商记录(技术核定单)。
4.施工组织设计及重要施工方案。
(三)进度控制文件1.工程开工报审表、开工令。
2.工程复工报审表、复工申请。
3.工程延期报审表、延期申请。
建筑工程资料移交方案一、引言在建筑工程项目完成后,相关资料的移交是非常重要的环节。
建筑工程资料对于项目的后续维护、管理和运营具有重要意义,因此必须进行合理的归档和移交。
本文将就建筑工程资料移交方案展开详细介绍。
二、移交的内容1. 监理资料监理资料是对工程监理过程进行记录的文件,包括工程日志、监理通知书、现场会议纪要、施工质量检验报告等。
由于监理是对工程质量和安全的保障,所以相关资料的移交尤为重要。
2. 施工图纸施工图纸是工程施工前后的设计文稿,包括土建施工图、装饰施工图、给排水施工图、电气施工图等。
这些图纸包含了工程的核心信息,是工程实施过程中必不可少的文件。
3. 施工合同和变更单施工合同和变更单是工程合同管理的重要文件,记录了双方之间的权利义务和责任,是施工管理的依据。
4. 施工日志施工日志是工程施工过程的日常记录,包括施工人员的工作情况、施工材料的使用情况、工程进度等。
这些信息可以为后续的工程管理和维护提供依据。
5. 检验报告和验收报告检验报告记录了施工过程中对材料和构件的检验情况,验收报告记录了工程的各项验收情况。
这些报告是工程质量和安全的重要依据。
6. 质量、安全和环保相关文件包括质量检验记录、安全生产记录、环境保护措施落实记录等,是对工程质量、安全和环保管理的重要证明文件。
7. 设计文件设计文件是工程设计阶段的相关文档,包括初步设计、施工图设计、图纸变更等,是工程实施的技术依据。
8. 完工资料包括竣工图纸、竣工验收资料、竣工结算资料等,对工程的最终验收和结算起着决定性作用。
以上内容是建筑工程资料移交的核心内容,通过合理的规划和归档,可以保障相关资料的完整性和可查找性。
三、移交的程序1. 资料整理在进行资料移交前,首先需要对相关资料进行归档和整理。
要求施工单位、设计单位、监理单位按照统一的标准对相关资料进行整理和打包。
2. 移交协调移交协调是指安排相关单位的工作人员进行资料的移交工作。
要求施工单位、设计单位、监理单位按照工程的实际情况和要求进行相关资料的移交,确保相关资料的完整和准确。
建筑工程竣工档案进馆内容一览表一、综合性文件(未注明复印件的均为原件,复印件应加盖建设单位公章)1、立项文件:固定资产投资项目备案表、项目立项登记通知、项目备案通知,项目建议书批复文件及项目建议书,可行性研究报告批复文件及可行性研究报告,专家论证意见、项目评估文件,有关立项的会议纪要、领导批示。
2、建设用地批准书(建设项目用地预审与选址意见书、选址申请)、建设用地规划许可证及用地红线图、建设工程规划许可证及附图、建设工程施工许可证(复印件)。
勘测定界图及成果表(原件)、土地使用证明文件及其附件(国土证或不动产权证、国有土地使用权出让合同或国有土地划拨决定书)、建设用地钉桩通知单(复印件)。
3、岩土工程地质勘察报告。
4、设计方案审查意见、人防、环保、消防等有关主管部门(对设计方案)审查意见、施工图设计文件审查意见及报告、节能设计备案文件(复印件)。
5、勘察合同、设计合同、施工合同、监理合同。
6、竣工验收报告、工程概况信息表、建设单位工程项目负责人及现场管理人员名册、监理单位工程项目总监及监理人员名册、施工单位工程项目经理及质量管理人员名册。
7、监理规划、监理实施细则、监理工作总结、工程暂停令、工程复工报告及报审表、质量事故报告及处理资料、工程延期申请表及审批表、监理竣工移交证书。
8、建设、勘察、设计、施工、监理单位五方责任主体项目负责人质量终身责任信息相关资料(包括:《五方主体项目负责人基本信息表》;各单位《法定代表人授权书》、《项目负责人质量终身责任承诺书》、项目负责人身份证和执业资格证书复印件;若工程建设施工过程中发生人员变更情况,还需提交相应的变更办理手续)。
二、土建竣工资料及竣工图(原件)1、开工报告及报审表、竣工工程申请验收报告。
2、图纸会审记录、设计变更通知单、工程洽商记录(技术核定单)、施工组织设计。
3、工程定位测量资料(定位放线测量记录、抄测记录、定位放线测量报审表或报验表、垂直度标高全高测量记录)、基槽验线记录。
工程档案报送告知书:根据《建设工程质量管理条例》(国务院第279号令)、《城市建设档案管理规定》(建设部第90号令)和国家标准《建设工程文件归档整理规范》(GB/T50328-2001)的规定,你单位建设的工程自竣工验收合格之日起3个月内必须向市城建档案室报送一套符合规定的工程档案。
为了做好该项目档案的编报工作,现就有关问题告知如下:一、工程档案报送的内容和组卷方法根据《建设工程文件归档整理规范》规定,向城建档案部门报送的工程档案为部分具有长期和永久保存价值的工程档案,具体内容和组卷方法可参照《三亚市建筑工程档案报送内容组卷表及整理说明》(见附件)整理。
二、工程档案的质量要求工程档案的案卷质量必须符合《建设工程文件归档整理规范》和《城市建设档案案卷质量规定》(建办[1995]679号)的要求。
三、工程档案报送期限自竣工验收合格之日起3个月内报送。
四、违法责任逾期末向市城建档案室报送工程档案的,将按《建设工程质量管理条例》第五十九条和《城市建设档案管理规定》第十四条处1-10万元罚款。
五、报送的工程档案经验收合格,即予以退还工程档案风险金。
附件:《三亚市建筑工程档案报送内容组卷表及整理说明》三亚市城建档案室年月日三亚市建筑工程档案报送内容组卷表及整理说明(一)三亚市建筑工程档案报送内容组卷表及整理说明(二)三亚市建筑工程档案报送内容组卷表及整理说明(三)三亚市建筑工程档案报送内容组卷表及整理说明(四)三亚市建筑工程档案报送内容组卷表及整理说明(五)三亚市建筑工程档案报送内容组卷表及整理说明(六)三亚市建筑工程档案报送内容组卷表及整理说明(七)三亚市建筑工程档案报送内容组卷表及整理说明(八)三亚市建筑工程档案报送内容组卷表及整理说明(九)三亚市建筑工程档案报送内容组卷表及整理说明(十)三亚市建筑工程档案报送内容组卷表及整理说明(十一)三亚市建筑工程档案报送内容组卷表及整理说明(十二)三亚市建筑工程档案报送内容组卷表及整理说明(十三)三亚市建筑工程档案报送内容组卷表及整理说明(十四)档号档案馆代号工程名称子项名称案卷题名编制单位编制日期密级保管期限共卷第卷卷内目录卷内备考表。
竣工的工程档案是要交档案馆的,就是建设局的城建档案馆。
一般来讲应该是建筑实体竣工了,然后施工单位讲施工资料交监督站审核,审核无误后就可以交档案馆了,这时建设单位才会组织竣工验收。
之后还有监理资料、建设单位资料要交档案馆。
作为建设单位来讲,这个阶段要交的资料就比较少,一般都是些程序上的节点文件,从土地一直到竣工的程序文件。
具体包括土地证啊,建设用地规划许可证及用地红线图,建设工程规划许可证及建设红线图,红线定位册,施工许可证,招投标文件,与施工、监理、设计、勘察、图审的备案后的合同文件,规划验收合格证及附图,勘察设计审查批准文件,人防、消防审核、验收意见书,环保审查、验收意见书,白蚁防治合同,供电、供气、供水等部门的批复或合同,勘察、设计、施工、监理单位中标文件,议标批准文件及议标申请书,工程项目管理机构及负责人名单,工程项目监理机构及负责人名单,工程项目施工管理机构及负责人名单,可行性研究报告书,概算、预算、审计报告及决算,勘察报告等。
房屋竣工后还有备案,那个也是要交些资料,不过好些都是竣工档案里的东东。
建设单位向档案馆移交资料程序建设单位、施⼯单位向城建档案馆移交档案内容顺序浏览次数:308 来⾃:沙湾县建设局发布时间:2008-07-02卷内⽬录第⼀部分⼯程准备阶段⽂件第⼀卷基建⽂件(开⼯类资料)1-00 照⽚(正⽴⾯、背⽴⾯、侧⽴⾯)1-01基本建设项⽬批复及报建1-02建设⽤地批准⽂件1-03投资许可证1-04建设⽤地批准书1-05建设项⽬选址意见书1-06建设⽤地规划许可证1-07建设⼯程规划许可证1-08图纸审查批准书及审查报告1-09建设⼯程施⼯许可证1-10消防审核意见书及防雷审核意见书1-11中标通知书1-12建设⼯程质量监督登记书及监督计划1-13勘察设计承包合同书1-14⼯程地质勘察报告1-15设计承包合同书1-16施⼯承包合同1-17监理委托合同1-18开⼯报告及停、复⼯报告1-19⼯程质量保证体系审查1-20测量⼯程定位通知单及定位图1-21见证备案表及见证记录汇总表1-22施⼯现场质量管理检查记录(附各项制度)1-23⼯程项⽬监理机构(项⽬监理部)及负责⼈名单、单位资质1-24⼯程项⽬施⼯管理机构(施⼯项⽬经理部)及负责⼈名单岗位证、单位资质、安全资质1-25安全⽣产许可证1-26试验室资质及⼈员岗位证第⼆部分施⼯⽂件第⼆卷原材料成品及半成品合格证、试验报告(提供材料分析表)2-01汇总表、报验单、材料进场检验记录、见证记录、钢筋出⼚合格证、试验报告2-02汇总表、报验单、材料进场检验记录、见证记录、⽔泥出⼚合格证(3d、7d、28d)及试验报告(安定性、3d、28d)2-03汇总表、报验单、材料设备进场检验记录、见证记录、砂⽯试验报告、合格证开采许可证2-04汇总表、报验单、材料设备进场检验记录、见证记录、砖(砌块)出⼚合格证、检验报告(各⼚家)及试验报告2-05汇总表、报验单、材料设备进场检验记录、商品砼出⼚合格证及28d试验报告2-06汇总表、报验单、材料进场检验记录、焊条(剂)合格证及焊⼯上岗证2-07汇总表、报验单、材料进场检验记录、外加剂材料合格证及试验报告2-08汇总表、报验单、材料进场检验记录、见证记录、防⽔材料(防⽔粉、聚氨酯、沥青、玛蹄脂、防⽔卷材、乳化沥青等)出⼚合格证及检验报告、复试报告(卫⽣间⽤聚氨酯或SQ⾼分⼦防⽔卷材、屋⾯⽤乳化沥青或沥青玛蹄脂、防⽔卷材)。
建筑工程竣工资料移交目录一、前言建筑工程竣工资料是指建筑工程施工完成后,由施工方将有关工程的相关资料移交给建筑档案馆保存的一项工作。
竣工资料的完整、准确和规范的移交,对于记录工程历史、维护工程质量、保障安全运营具有重要意义。
本文将从竣工资料的分类、准备工作、移交程序、档案管理等方面进行详细介绍。
二、竣工资料的分类1.施工图纸类:包括设计图纸、初步设计图、施工图、变更图纸等;2.工程合同类:包括工程合同、工程款支付证明、结算报告等;3.质量文件类:包括施工质量检验报告、质量验收报告、工程质量评定报告等;4.验收文件类:包括竣工验收报告、竣工验收备案表、竣工移交报告等;5.安全卫生类:包括安全技术措施文件、安全生产纪实、安全事故报告等;6.维修保养类:包括工程维修保养手册、设备维修记录、工程维修保养合同等。
三、准备工作1.整理归档:施工方需要对竣工资料进行仔细整理,并按照分类建立相应的文件夹或档案盒;2.标识命名:为每一份资料进行标识命名,以方便后期管理和查询;3.扫描备份:为了对资料进行长期保存,施工方可以将竣工资料进行扫描备份,并存储在电子设备或云端服务器上。
四、移交程序1.填写移交登记表:施工方需要按照规定的格式填写移交登记表,详细记录每一份移交的资料内容;2.移交验收:由建筑档案馆的相关人员进行移交验收,检查资料是否完整、准确,并在移交登记表上签字确认;3.签订协议:双方可以签订档案移交协议,明确双方的权责和义务;4.交接手续:竣工资料移交后,建筑档案馆会为施工方开具相关证明文件,确认移交完成。
五、档案管理1.存储环境:建筑档案馆需要提供适宜的存储环境,保证资料的安全和防火防潮;2.登记归档:档案馆工作人员需要对移交的资料进行登记归档,建立详细的档案目录,方便日后查询和利用;3.档案借阅:依据档案管理规定,允许相关单位或个人在办理借阅手续后,查阅需要的档案资料;4.档案维护:定期对档案进行检查、翻整、修缮和迁移等工作,确保档案的完整性和可读性;5.档案保密:建筑档案馆在提供档案资料的过程中,需要严格遵守相关的保密制度,确保档案的安全性。
建设工程档案移交(房建、构筑物)在工程竣工验收后6个月内,建设单位须向市城建档案馆移交一套符合规定的建设工程档案,内容如下:1、立项报批文件(项目申请报告、可行性研究报告及其审批文件);2、国土证(复印件);3、建设用地规划许可证和建设项目规划建筑设计要点(复印件);4、建设工程规划许可证和附件(复印件)5、红线图、总平面图、竣工实测图、竣工测量成果;;6、工程地质勘察报告;7、建设工程勘察合同、设计合同、监理合同、施工合同;8、建筑安装工程竣工图(含图纸目录):(1) 小区工程综合竣工图:①总平面布置图、竖向布置图、室外给水、排水、热力、燃气等管网综合图、电气(包括电力、电讯、电视系统等)综合图;②室外专业图:给水、雨水、污水、热力、燃气、电讯、电力、电视、消防、照明、水景、道路;(2) 单体工程专业竣工图:建筑、结构、钢结构、幕墙、装修、给排水、电气、消防、人防、智能化、通风、空调、燃气、电梯;9、小区和大型工程(总建筑面积3万平方米以上或16层以上的建筑)须提交400万以上像素的反映工程开工、施工过程及竣工的照片。
10、施工文件:(1)第一册:施工图审查合格书、质监登记表、安监登记表、建筑工程施工许可证(副本)、工程建设前期法定建设程序检查表;(2)第二册:试(检)验报告及施工管理记录资料;(3)第三册:建筑土建工程施工过程资料;(4)第四册:建筑土建工程各分部(子分部)质量验收记录、节能验收资料、商品住宅分户验收资料;(5)第五册:建筑设备安装工程施工记录资料;(6)第六册:设备安装工程各分部(子分部)质量验收记录;(7)第七册:工程竣工验收备案资料及消防验收文件、环保验收文件、竣工验收备案证书。
11、刻录以上第一条至第九条、第十条第1项和第7项资料电子文件的光盘。
备注:1、档案应按《东莞市建筑工程档案编制指南》的要求规范整理,施工文件第一至第六册凡注另立卷的资料由建设单位保存。
2、提交整套档案的目录及其电子文件。