顶管施工技术交底记录
- 格式:doc
- 大小:24.00 KB
- 文档页数:6
人工顶管安全技术交底记录一、项目背景人工顶管是指在城市建设中,为了避免对地面交通和管线排水系统的破坏,采用一种在地下的工作环境中施工的方法。
本次交底的目的是为了提高施工人员的安全意识,确保施工过程中的人身安全和设备安全。
二、施工现场安全管理1.施工现场必须设置合理的安全警示标识,如“脚手架”、“危险作业”等字样,以提醒人员注意安全。
2.施工现场应划定区域,做好安全防护;如在施工区域周围设置栅栏或警示线条,禁止外来人员进入施工区域。
3.施工现场应保持整洁,并清理各类杂物、工具及施工垃圾等,以免造成意外伤害。
4.施工现场必须配备必要的消防设施,并确保设施的正常运转。
同时要定期进行消防设施的检查和维护工作。
5.施工现场应设立专人负责安全监控,在施工过程中及时发现和处理各类安全隐患。
6.施工现场应配备合格的施工队伍,要求施工人员具备相关的安全培训和证书。
三、施工作业操作规程1.施工前,必须进行现场勘查和风险评估,确定施工方案和安全措施。
2.施工人员必须进行岗位培训和安全知识教育,熟悉操作规程和安全相关事项。
3.施工现场必须设置安全警示标志,并配备必要的安全防护设备,如安全帽、工作服、防护手套等。
4.施工人员必须按照规定穿戴个人防护装备,并正确使用。
5.施工现场应确保施工场地的安全通畅,防止无关人员进入施工现场。
6.施工人员必须按照施工方案进行操作,并遵守相关的操作规程,确保施工质量和安全。
四、人工固定施工工具和设备的使用方法1.人工顶管作业中常用的工具有电焊机、切割机、钻孔机等,必须由经过培训合格的人员操作。
2.使用电焊机时,必须穿戴好防护用具,并确保工作区域的通风良好,防止产生有害气体。
3.使用切割机和钻孔机时,必须保持工作区域的整洁和干燥,避免倒滑和意外伤害。
4.施工现场应设置专门的工具箱和设备存放区,保持工具和设备的整齐和干净。
5.使用工具和设备前,必须检查其是否完好,并保证正常使用。
五、紧急情况处理方法1.施工现场必须配备急救药品和急救设备,并有专人负责急救工作。
一、施工项目名称:[项目名称]二、施工地点:[施工地点]三、施工时间:[开始时间] 至 [结束时间]四、参加交底人员:1. 施工单位项目经理:[姓名]2. 施工单位技术负责人:[姓名]3. 施工单位安全员:[姓名]4. 施工单位施工人员:[姓名]5. 监理单位监理工程师:[姓名]五、交底内容:1. 施工方案及工艺要求:- 顶管施工的总体方案和施工流程;- 顶管设备的选择与配置;- 施工图纸和技术规范要求;- 顶管施工的进度计划。
2. 安全技术措施:- 顶管施工过程中可能存在的安全风险; - 针对安全风险的预防和控制措施;- 应急预案和事故处理流程;- 人员配备及职责分工。
3. 安全防护用品及设施:- 顶管施工人员必须配备的安全防护用品,如安全帽、安全带、防护眼镜、耳塞等;- 施工现场的安全设施,如警示标志、安全通道、安全梯等;- 安全防护用品的检查、使用和维护。
4. 通风和防尘措施:- 顶管施工现场的通风要求;- 防尘措施,如洒水降尘、防尘口罩等;- 确保施工现场空气流通,防止有害气体积聚。
5. 有限空间作业安全:- 有限空间作业的审批流程;- 有限空间作业的安全措施,如通风、检测、监护等;- 有限空间作业的紧急撤离方案。
6. 机械设备安全操作:- 机械设备的使用要求及操作规程;- 机械设备的安全检查和维护;- 机械设备操作人员的培训及考核。
7. 环境保护措施:- 顶管施工过程中对环境的影响及防治措施;- 施工现场固体废弃物、废水、废气的处理。
六、交底要求:1. 施工单位项目经理和技术负责人必须对施工人员进行详细的安全技术交底;2. 施工人员必须认真学习并掌握安全技术交底内容,确保施工安全;3. 施工过程中,如发现安全隐患,应及时上报并采取措施消除;4. 施工单位应定期对施工人员进行安全教育和培训,提高安全意识。
七、记录人:[记录人姓名]八、记录日期:[记录日期]九、备注:[如有其他事项,请在此处注明]。
安全技术交底记录表10、工作前必须检查机械、仪表、工具等,确认完好方准使用。
11、电气设备和线路必须绝缘良好,电线不得与金属物绑在一起;各种电动机具必须按规定接零接地,并设置单一开关;遇有临时停电或停工休息时,必须拉闸加锁。
12、挖掘机等机械作业严格按照机械操作规程进行,施工机械和电气设备不得带病运转和超负荷作业。
发现不正常情况应停机检查,不得在运转中修理。
13、电气、仪表、设备试运转,应严格按照单项安全技术措施进行。
运转时不准擦洗和修理,严禁将头手伸入机械行程范围内。
14、夜间施工现场设置充足的照明和明显的警戒标志,井内照明用电应使用低于36V安全低压照明,在潮湿场所或金属容器内工作时,行灯电压不得超过12伏。
15、从事高空作业要定期体检。
经医生诊断,凡患高血压、心脏病、贫血病、癫痫病以及其它不适于高空作业的,不得从事高空作业。
16、高空作业衣着要灵便,禁止穿硬底和带钉易滑的鞋。
高空作业所用材料要堆放平稳,工具应随手放入工具袋(套)内,上下传递物件禁止抛掷。
17、吊运泥土用的箩筐、滑轮、吊钩应完好牢固,不得装的太满。
混凝土管的吊装过程中,必须确保提升设备完好,吊点牢固,提升设备必须设置限位开关。
下管时,井下不得站人。
18、遇有恶劣气候(如风力在六级以上)影响施工安全时,禁止进行露天高空、起重等作业。
19、上下工作井应设置背笼式爬梯,爬梯用安全网防护好,与井壁连接牢固;梯子不得缺档,不得垫高使用,梯子横档间距以30厘米为宜。
20、施工现场集装箱、发电机等处配置灭火器材,做好消防安全管理工作。
工人不得在井下、管内等处抽烟,不得随意丢弃烟头。
21、暴雨大风前后,要检查工地临时设施、机电设备、临时线路,发现倾斜、变形、下沉、漏雨、漏电等现象,应及时修理加固,有严重危险的,立即排除。
极端天气时停止现场作业,做好工作井基坑抽排水工作。
22、密闭空间作业,应采取有效的通风措施。
向管内鼓风,防止管内人员发生高温中暑和窒息。
顶管施工技术交底专业文档供参考,如有帮助请下载。
.专业文档供参考,如有帮助请下载。
.专业文档供参考,如有帮助请下载。
.专业文档供参考,如有帮助请下载。
.专业文档供参考,如有帮助请下载。
.专业文档供参考,如有帮助请下载。
.专业文档供参考,如有帮助请下载。
.专业文档供参考,如有帮助请下载。
.专业文档供参考,如有帮助请下载。
.专业文档供参考,如有帮助请下载。
.专业文档供参考,如有帮助请下载。
.专业文档供参考,如有帮助请下载。
.专业文档供参考,如有帮助请下载。
.专业文档供参考,如有帮助请下载。
.专业文档供参考,如有帮助请下载。
.专业文档供参考,如有帮助请下载。
.专业文档供参考,如有帮助请下载。
.专业文档供参考,如有帮助请下载。
.专业文档供参考,如有帮助请下载。
.专业文档供参考,如有帮助请下载。
.。
钢筋绑扎,间距为150mm,保护层厚度40mm二、安装主顶装置和导轨钢轨,用压板固定工作坑底板施工前应提前进行钢板预埋作为枕铁,导轨选用22# 在枕铁上。
安装时先将它们大致固定,然后在测量的监测下,精确调整它们的位置,直至满足要求为止,随即将它们固定牢靠。
考虑设置一只中继间,并采用触变泥浆注浆米时,本顶管工程在顶进长度超过100 工艺。
中继间由前壳体、千斤顶及后壳体组成。
前壳体与前接管连接,后壳体与后接管连接,前后壳体间为承插式连接,两者间依靠橡胶止水带密封,防止管道外水土和浆液倒流入管道内。
中继间安装的千斤顶,千斤顶沿圆周均匀布置。
钢壳体结构进行精加工,保证其在使用过程中不发生变形。
中继间壳体外径与管节专业文档供参考,如有帮助请下载。
.专业文档供参考,如有帮助请下载。
.调1 泥水管(1506寸)钢管条 1专业文档供参考,如有帮助请下载。
.七、出洞措施由于顶管机正面主动土压力大于顶管机周边的摩擦力和与到轨道在出洞施工初期,间的摩阻力的总和,因此极易产生顶管机反弹,引起顶管机前方土体不规则坍塌,使顶管机再次推进时方向失控或向上爬高。
顶管施工安全技术交底一、背景介绍顶管是一种常见的地下工程施工技术,其目的是在不破坏地表的情况下完成各类管线的铺设和维修。
然而,由于顶管施工涉及到地下空间的开挖和施工作业等一系列风险,必须加强安全技术交底,以确保施工人员的安全和工程的顺利进行。
二、施工前准备工作1. 熟悉设计图纸:施工人员应仔细研究顶管工程的设计图纸,了解所需施工材料、规格及施工工艺等信息。
2. 完善方案安全措施:根据设计图纸和具体施工场地的实际情况,结合施工工艺和设备条件,制定完善的施工方案和安全措施,确保施工过程中的安全。
3. 检查施工设备和工器具:施工前应对所使用的顶管设备和工器具进行检查,确保其完好无损、工作正常,并进行必要的维修和更换。
三、施工现场安全要求1. 现场标识标牌:在施工现场及其周边设置合理明显的标识标牌,包括工作区域边界、安全警示标识和警戒线等,以提醒施工人员和外来人员注意安全。
2. 人员配备要求:严格按照工种和工作需要配置施工人员,保证每个施工工序都有相应的专业人员,并确保施工人员持有相应的资质证书和工作经验。
3. 安全防护措施:为施工人员提供必要的安全防护装备,如安全帽、安全鞋、防护手套等,并确保施工人员正确佩戴和使用。
4. 通风、排水系统:为施工区域提供良好的通风和排水系统,确保空气流通和施工现场无积水,预防各类事故的发生。
5. 临时设施安全:对于搭设的临时工作平台、临时通道和临时设备等,要确保其稳固可靠,防止施工人员受伤和设备损坏。
四、顶管施工安全注意事项1. 施工过程中要保持施工现场干净整洁,预防杂物堆积引发意外。
2. 严禁施工人员饮酒、吸烟等不良习惯,确保工作期间清醒、专心,并提供充足的饮水设施,保证施工人员身体健康。
3. 严格执行施工工艺和操作规范,特别要注意施工层次的控制,防止坍塌和滑坡等事故的发生。
4. 在施工过程中,必要时可以采取地下水的降低和管道的固定加固等措施,确保施工安全。
5. 施工现场应定期检查,及时排除施工过程中存在的安全隐患,并对施工人员进行安全教育和培训。
顶管穿越公路技术交底记录工程技术交底记录单位工程名称:顶管穿越公路工程编号:交底时间:工序名称:施工工序、测量放线和施工准备交底提要:本次交底主要包括施工工序、测量放线和施工准备等方面。
交底部位:顶管穿越公路交底内容:1.施工工序1.1 测量放线:根据设计施工图纸及控制桩点,用全站仪测量放出穿越管道的轴线、用地边界线及发送坑、接收坑的位置、尺寸线,撒白灰线进行标识。
1.2 操作坑开挖:测量放线后,在路两侧开挖作业坑。
作业坑的开挖包括发送坑与接受坑的开挖。
发送坑尺寸为4m×6m,接收坑尺寸不小于4m×4m。
作业坑深度根据穿越处管道设计管底标高确定。
人工配合挖掘机进行发送坑开挖。
1.3 退程加顶铁、接管:顶管作业坑维护可按照实际土质情况分为两种:当土质松软极易坍塌时,每开挖 1.5m深度后,坑壁四周现浇300mm厚钢筋混凝土,钢筋采用Φ20,这样每开挖1.5m即对接浇筑300mm厚钢筋混凝土,直至开挖浇筑到设计套管管底标高下0.8m深处;土质条件较好时,可一次将操作坑开挖成型,然后再一次性浇注混凝土护壁或设置沟壁硬维护维护。
顶管坑开挖完成后,底层浇筑顶管用混凝土靠背或放置钢靠背。
1.4 操作坑浇混凝土、做顶管靠背:操作坑浇混凝土,做顶管靠背。
1.5 安装轨道和设备套管顶进:安装轨道和设备套管顶进。
1.6 测量检验:土方开挖套管顶进顶管完毕测量检验。
1.7 穿越段管道预制、试压及绝缘支撑安装:穿越段管道预制、试压及绝缘支撑安装。
1.8 穿越段管道就位套管端部封固检查验收:穿越段管道就位套管端部封固检查验收。
1.9 套管接口封固:套管接口封固。
1.10 管沟回填、地貌恢复:管沟回填、地貌恢复。
2.测量放线和施工准备2.1 测量放线:根据设计施工图纸及控制桩点,用全站仪测量放出穿越管道的轴线、用地边界线及发送坑、接收坑的位置、尺寸线,撒白灰线进行标识。
2.2 施工准备:在穿越施工前,向公路及道路主管部门和监理单位提交施工方案和计划,在征得监理和相关主管部门批准同意并办理相关手续后,方可动土实施。
一、交底单位:(填写交底单位名称)二、交底时间:(填写具体日期)三、交底地点:(填写具体地点)四、交底人员:(填写交底人员姓名及职务)五、参与交底人员:(填写参与交底人员姓名及职务)六、交底内容:一、工程概况1. 工程名称:________________________2. 工程地点:________________________3. 施工单位:________________________4. 施工内容:________________________二、安全技术要求1. 施工人员必须熟悉本工程的安全技术要求,并严格遵守操作规程。
2. 作业人员必须佩戴安全帽、安全带等个人防护用品。
3. 严禁酒后作业、疲劳作业和违章作业。
三、作业现场安全措施1. 高处作业:- 搭设稳固的作业平台,平台脚手板必须满铺且绑扎牢固。
- 上下作业平台必须设有安全梯、斜道等攀登设施。
- 高处作业人员必须系好安全带,并使用安全绳。
2. 有限空间作业:- 进入有限空间作业前,必须进行通风、检测,确保气体浓度符合安全标准。
- 作业人员必须佩戴防毒面具、呼吸器等防护用品。
- 有限空间作业必须有专人监护,并配备必要的应急救援设备。
3. 机械设备安全:- 机械设备必须定期检查、保养,确保运行正常。
- 机械设备操作人员必须经过专业培训,持证上岗。
- 机械设备操作过程中,必须遵守操作规程,确保安全。
4. 管道施工安全:- 管道施工前,必须进行地质勘察,了解地下管线情况。
- 管道施工过程中,必须采取有效措施,防止管道变形、断裂。
- 管道施工完成后,必须进行试压、试漏,确保管道质量。
四、应急措施1. 发生安全事故时,立即停止作业,启动应急预案。
2. 采取有效措施,防止事故扩大。
3. 及时报告上级部门,并配合调查处理。
五、其他注意事项1. 施工现场必须保持整洁,及时清理施工垃圾。
2. 施工人员必须遵守施工现场规章制度,服从现场管理。
3. 加强施工人员的安全教育培训,提高安全意识。
上海青草沙凌桥支线C3标工程承包单位:中铁十六局集团有限公司合同号:监理单位:上海金桥建设监理有限公司编号:6)中继间的安装位置应通过计算决定;7)中继间应采用计算机联动控制;8)中继间拆除后应将其还原成管道,还原后的管道强度和防腐性应符合管道设计要求;9)中继间拆除后,在薄弱断面处应加焊内环,两端焊缝应平滑。
4减阻措施施工分包单位应根据顶进区间长度、中继间的设置情况采取适当措施减少管壁阻力。
顶管减阻的措施可采用扩孔和预留注浆孔,扩孔后的周边间隙可取10㎜~30㎜,在管底应保留支承弧面。
扩孔后的间隙应压注减阻泥浆。
每隔50m,安装一个注浆压力表,注浆泵处安装一个注浆流量计.减阻泥浆的基本要求:1)减阻泥浆可采用膨润土触变泥浆,施工分包单位也可根据自身施工经验采用其它的化学泥浆.2)膨润土触变泥浆技术参数应满足:静止24小时无离析水;失水量不大于15㎝/min。
3)顶管机后部断面缩小处应设置一组主注浆孔,中继间处应根据实际情况设注浆孔。
在同一横截面上每组预留压浆孔为2~3个,管底不宜设注浆孔。
4)主注浆孔应与管道顶进同步注浆,先注浆后顶进。
中继间注浆孔的注浆与中继间启动同步,运行中连续注浆。
注浆量为0.1~0。
14m3/m。
5)管道在覆盖层较薄的土层中顶进时,注浆量不宜过大,应防止地面拱起及管道上浮。
6)顶进结束,对已形成的泥浆套的浆液进行置换及固化,置换浆液为水泥砂浆并掺入适量的粉煤灰.压浆体凝结后(一般为24小时)应及时对孔口进行封堵和采取与管道内壁相同的防腐措施.封堵应采用螺栓封堵方式,预留注浆孔内螺纹管材进场后由分包单位现场制作预留并采取与管道外壁相同的防腐措施。
孔口具体封堵形式应在顶管施工前做验证试验。
注浆工作时注意事项。
最主要的是有专人开关闸门,把闸门手轮全去掉防止误操作。
顶进开始时,操作手观察润滑泥浆流量,无流量时马上停顶,检查管路,管路正常才能顶进.图 2—7 注浆孔布置图5测量施工分包单位应在顶管施工前制订施工测量方案,分析测量精度。
顶管安全技术交底记录一、任务目标及任务内容为确保项目施工期间的顶管施工安全,提高施工人员的安全意识和技能,特进行顶管安全技术交底。
本次交底内容包括顶管施工的安全要求、安全风险及防控措施、特殊工艺操作要点等方面内容。
二、施工现场安全要求1.工地安全区域划定:根据施工图纸确定安全范围,明确禁止人员临近的区域,并进行明显标示。
2.管线定位标识:清楚的标识井口和管线的位置,方便施工人员准确把握目标。
3.进出安全通道:明确划定安全通道,确保人员可以安全进出施工现场。
4.安全设施齐全:应配备好安全帽、安全绳、防护眼镜、手套等安全防护设施,确保施工人员安全。
5.施工人员配备:必须持有相关岗位证书和资质才能参与施工,且需要经过培训和考试合格。
三、顶管安全风险及防控措施1.地下管线:在顶管施工过程中,可能会遇到各种地下管线,包括电力、通信、自来水管线等。
在进行顶管作业前,需通过官方渠道查询地下管线的位置,并做好准确标识。
操作时需小心绕开地下管线,避免对其造成损伤。
2.起重设备:顶管过程中经常需要使用吊车等起重设备,对于吊装作业需要按照相关规定进行操作,严禁人员站在下方。
吊装时要注意绑扎牢固,防止物体滑落。
3.模具卸除:在完成顶管后,需要拆除顶管模具。
卸除模具前要确保模具固定牢固,防止误动。
同时,模具拆卸需由专业人员进行,避免安全事故的发生。
4.水密性检测:顶管施工完成后需要进行水密性检测,以确保施工质量。
检测时应保持人员安全距离,防止水压引起的事故发生。
四、特殊工艺操作要点1.地质勘查:在顶管施工前,需要进行地质勘查以了解地下情况。
勘查时要注意记录地下管线及其他障碍物的位置,以指导顶管施工的安全进行。
2.掘进技术:顶管施工中最关键的环节是掘进。
掘进时要按照设计要求和操作规范进行,确保施工的顺利进行。
在掘进过程中,要特别注意地质条件的变化,及时采取相应的支护措施。
3.插销固定:顶管施工时,需要将顶管连接处通过插销进行固定。
技术交底穿墙时为防止工具头处土体渗水导致地面塌陷,发生安全事故,或者在顶进时方向失去控制。
可在工具头穿墙进洞前,对穿墙管前方的土体进行加固,使工具头顺利安全地进出洞口。
为防止顶管机头出洞时土体从该间隙流失和保持工作泥水压力,需要安装洞门洞口防水密封环,洞门洞口防水密封环由钢圈止水橡胶、圆环形板、扇形压板及连接螺栓组成的密封装置,作为施工临时防水措施。
具体做法如图所示:穿墙止水设备现场安装示意图11、顶管正常顶进施工的操作:顶进施工主要利用机头在前端取土,千斤顶在后背不动的情况下将管材向前顶进,其操作过程如下:①、安装好顶管各系统。
然后采用机械切割,凿开位于工具头位置的沉井井壁,推进工具头。
工具头顶进到位后,吊放第一管节,将管节与机头连接,然后在工具管后管节内安装工具管辅助设备.②、先开动工具头,转速由慢至快,然后启动进排泥泵出泥,然后操作穿墙止水设备止水橡胶圈止水压板 前端墙 顶管机19 东污—62 √44 东污—87 √20 东污-63 45 东污-88 √21 东污-64 √46 东污-89 √22 东污—65 47 东污—90 √23 东污-66 √48 东污-91 √24 东污—67 √49 东污-92 √25 东污—682、工作井、接收井的结构型式顶管工作井、接收井采用现浇钢筋混凝土结构,采用沉井法施工。
沉井法施工采用一次排水下沉的施工方法。
工作井的平面图和剖面图如下:刃脚大样图:3、沉井法工艺流程:沉井制作挖土下沉基底清理封底4、沉井(工作井、接收井)的制作(1)、沉井采用钢筋混凝土制作,沉井的制作按设计图施工,沉井的深度要根据现场的实际情况确定,要保证不影响周边雨水及其他的管线及构筑物的施工。
(2)、在铺设垫木时,应用水平仪进行抄平,要使刃脚踏面在同一水平面上;承垫木在平面布置上应均匀对称。
(3)、沉井模板与一般现浇混凝土结构的模板基本上相同,采用定型组合钢模板,钢模应具有足够的强度、刚度、整体稳定性和缝隙严密不漏浆等。
顶管的施工技术交底顶管的施工技术交底一、前言顶管作为一种常见的管道施工方式,在现代工程建设中得到广泛应用。
为了确保顶管施工质量和安全性,必须进行详细的技术交底。
本文档旨在提供一个全面且详细的顶管施工技术交底范本供参考使用。
二、工程概述1. 工程名称:2. 工程位置:3. 工程范围:4. 工程施工单位:5. 工程监理单位:6. 工程设计单位:7. 工程施工时间:8. 工程总造价:三、施工方案1. 施工方案编制依据:- 相关工程规范和标准:- 设计图纸:- 土质勘探报告:- 环境保护要求:- 施工工艺要求:2. 施工流程及措施:- 施工准备工作:- 现场设备和材料准备:- 施工组织方案:- 施工方法和流程:- 安全防护措施:- 排水和降水措施:3. 施工技术要点:- 顶管机械选择:- 顶管孔洞预制:- 顶管沟占用临时交通组织:- 施工现场防护措施:- 顶管沟的排水与防涝:- 顶管的沉降监测:四、质量控制1. 施工质量控制要求:- 材料选用和质量要求:- 工艺要求和施工规范:- 施工过程中的质量检查: - 施工完工的质量验收:2. 施工记录和报告:- 施工日志和记录表:- 施工质量问题及处理记录: - 施工质量报告:五、安全管理1. 安全管理组织结构:- 项目部安全管理责任人: - 安全生产部门:- 安全员配备情况:- 安全培训与教育计划:2. 安全管理措施:- 施工现场安全防护措施: - 安全生产工作票管理: - 施工作业人员安全教育: - 安全事故处理程序:- 安全巡查和检查:六、文件附件1. 附件1: 设计图纸2. 附件2: 土质勘探报告3. 附件3: 施工日志和记录表4. 附件4: 施工质量报告5. 附件5: 安全生产工作票七、法律名词及注释1. 法律名词1: 注释12. 法律名词2: 注释23. 法律名词3: 注释3。
施工技术交底记录 - 顶管工程一、项目简介顶管工程是一种先进的管道施工技术,常用于城市道路、河道等地下管线的布设。
顶管工程采用的是地下推力方法,通过推动顶管来完成管线的铺设工作。
本文档将详细记录顶管工程的施工技术交底内容,旨在确保施工人员对此工程的工艺流程、安全要求和质量标准等方面有全面的了解。
二、工程流程1. 工艺流程顶管工程的工艺流程主要包括以下步骤:(1)现场准备:包括施工场地的勘测、土壤分类和测试、设备的调试与检查等。
(2)管道预制:根据设计要求预制顶管,包括管道的制作、预应力张拉等。
(3)开挖施工:根据设计要求进行地面的开挖,包括开挖断面的控制、围护结构的施工等。
(4)顶管铺设:利用推力机推动顶管,逐节铺设管道,包括管道的出土、定位、连接等。
(5)管道回填:在管道安装完成后进行回填,包括回填材料的选择和回填工艺的控制等。
(6)管道验收:进行管道的检查、测试和试验,确保管道的质量和安全。
2. 安全要求在顶管工程的施工过程中,必须严格执行下列安全要求:(1)施工现场应设置明显的警示标志,确保施工区域的安全。
(2)施工人员必须穿戴个人防护装备,包括安全帽、防护眼镜、耳塞、手套、防护靴等。
(3)施工现场应保持通风良好,防止有害气体积聚。
(4)施工过程中严禁将桩、管或其他物件放置在未进行足够坚固支撑的地方。
(5)施工人员必须严格执行防火措施,避免火源接近施工现场。
(6)施工机械设备必须经过检修和维护,并符合使用标准。
3. 质量标准顶管工程的质量标准应符合以下要求:(1)顶管的尺寸、材质和预制工艺应符合设计要求,且无破损、裂缝等缺陷。
(2)顶管的连接应牢固,不得出现渗漏情况。
(3)地面开挖和回填应符合正常施工规范,确保地面的平整和稳定。
(4)管道回填材料的选择应符合要求,且回填的过程应合理控制,避免对管道造成损害。
(5)管道的验收应符合相关标准和规范,包括可视检查、水压试验等。
三、技术交底内容在本次施工技术交底中,施工人员应了解以下内容:1. 工程图纸和设计要求:包括地面布置图、顶管参数、管道的材质和尺寸要求等。
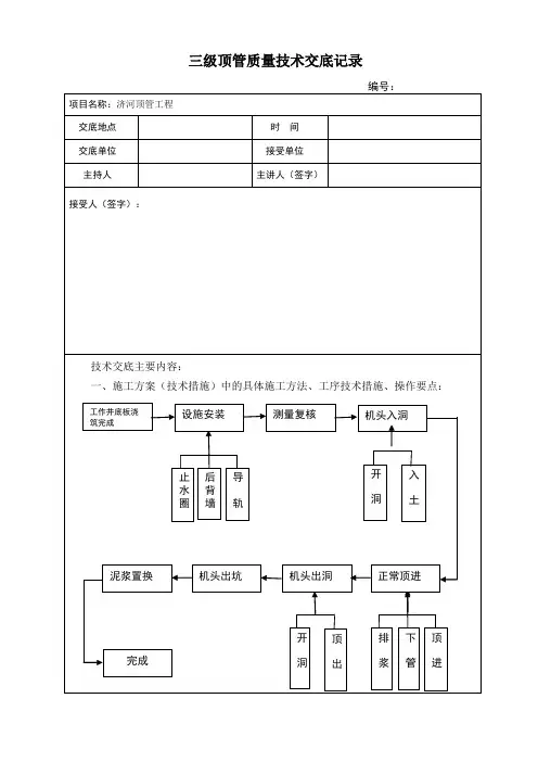
顶管施工技术交底记录
施工技术交底记录施管表5
年月日
合肥方兴大道(沪蓉高速~始信路)综工程名称分部工程管道主体工程合建设
工程
分项工程名称工作井围护结构、工作井、管道接口连接、顶管管道交底内容:
一、预埋件与导轨的安装及其精度控制
1、结合本工程的情况,预埋件应牢固地固定在混凝土垫层表面上,起上表面应
保持同一水平面,预埋件应交错排放,其中心间距控制在530mm。
2、导轨安装在前方,接近穿墙管处。
它的作用是支托未入土的管段和顶铁,
起导向的作用,导轨采用大于管壁厚的工字钢。
牢固地固定在底板上,底板上应有
预埋板与导轨连接。
导轨对管道的支撑角一般选用60?。
导轨安装应顺直、平行,
等高或略高与该处管道的设计高程,其纵坡应与管道的设计一致,导轨间距严格控
制在530mm。
3、导轨安装的允许偏差为:
轴线位置:左右3mm; 顶面高程:0,+3mm;
两间距:?2mm。
二、顶进设备及后背墙的安装及精度控制
1、安装在工作坑内的顶推设备称为顶进系统,其中主要设备是主油缸,其作
用是造成强大的顶力将管道沿着设计轴线顶出工作坑。
管道轴线离底板的高度(管内径加导轨高度)确定以后,主油缸的合力中心高度
也相应确定。
顶进设备安装时均应以此为依据。
顶进设备包括:导轨、主油缸、顶铁、后背及后座。
本工程采用装配公式后背墙,应符合下列规定:
装配式后背墙采用方木,型钢和钢板等组装,组装后的后背墙应有足够的强度和刚度;
(2)后背土体壁面应平整,并与管道顶进方向垂直;
(3)装配式后背墙的低端宜在工作坑以下,不宜小于50cm;
(4)后背土体壁面应与后背墙贴紧,有空隙时应采用沙石料填塞密实; (5)装配式后背墙的构件在同层内的规格应一致,各层之间的接触应紧贴,并层层固定。
(6)顶管工作坑及装配式后背墙的墙面应与管道轴线垂直,其施工允许偏差应符合下表的规定:
项目允许偏差
工作坑内径不小于施工设计规定
垂直度 0.1%H 装配式生背墙水平扭转度 0.1%L
注:1、H为装配式后背墙的高度(mm)
2、L为装配式后背墙的长度(mm)
三、施工顶进
1、顶进前应检查全部设备,是否处于良好的状态,工具管是否在导轨的中心线上,坡度和高程符合规范和设计要求后即可顶进施工。
D800手掘式顶管管前挖土是保证顶进质量及地上建筑物安全的关键,管前挖土的方向和开挖形状,直接影响顶进管位的准确性,因为,管子在顶进中是循已挖好的土壁前进的,因此,管前周围超挖应严格控制,对于密实土质,管端上方最好留有大于1.5cm空隙,以减少顶进阻力,管端下部135度中心角范围内不得超挖,也可预留,cm厚土层,在管子顶进时可防止管端下沉。
管前挖土长度,一般为千斤顶出镐长度(1米)。
由于本工程地层含水比较丰富,容易引起土方塌陷,因此在每掘进50cm时顶进一次确保工程安全。
管前掘出的土用牵引小车及时运出管道,用工作平台上的电动卷扬机送到平台,然后运出工作场地。
2、顶管施工过程中如发生较大偏移应对管道进行纠偏。
纠偏应按照勤测量,勤纠偏、小量纠的操作方法进行;采用同种规格的千斤顶,使其顶力、行程、顶速相一致,保持顶力合力与管道中心线相重合;加强顶管后背施工质量的控制,确保后背不发生位移,并应使后背平整,以保证顶进设备的安装精度;顶进过程中应随时绘制顶进曲线,以利指导工作。
顶管施工质量偏差
项目允许偏差
轴线位置 50mm
管道内底高程 D,1500 +30mm ,40mm
相邻管间错口钢管道 ?2.0mm
对顶时两端错口 50 4、通风与照明
1)通风:由于地下工程施工,为了保障施工人员安全,我方将采用空压机通过镀锌管向工作井及管内工作面连续送风,以保证工人和其它经许可入内的工作人员所吸入的空气中含氧量不低于20%,其它有毒或有害气体与灰尘等污染物的浓度不大于有害身体健康的浓度,并综合考虑时间、温度、湿度和几种地下污染物的综合作用,我方将装置进行检测的设备,连续测量工作面的空气指标。
2)照明:管道地方和入口,每隔10米安装与养护最弱装置度为100W的灯,顶管内采用低压安全工作灯,在每个工作面及坑底提供两只电池供电手提灯,以用来处理紧急事件和检查工程。
四、顶管接口型式
1、顶管管材拟采用:混凝土管钢筋砼管(?级管)
2、连接采用:防腐钢套环(厚度为8MM,宽度:180MM),
3、接口采用:麻丝接口(麻丝塞逢要拧紧、饱满;四周均匀捣实无脱漏)。
五、砼管接口捻缝操作规程
由于本工程顶管施工管材采用平口砼管,接口采用钢套环连接,其接口填料及内捻缝材料设计均无规定,根据《管道工程施工及验收标准规范实务全书》、《给水排水管道工程施工及验收规范》(GB50268-97),接口填料采用油麻辫、内勾捻缝材料采用配比石膏氯化钙水泥(如图):
1、钢护套 ;
2、油麻绳 ;
3、石膏氯化钙水泥 1、接口捻缝前准备
1( 管材安装顶进结束后,清扫管道,打坡口,凿毛冲净擦干,保证管道内无泥土、石块、渣子等
杂物开始捻缝,然后根据《给水排水管道工程施工及验收规范》(GB50268-97)接口采用直径
为1.5倍接口环向间隙的油麻辫(油麻是用线麻在,,的30号石油沥青和95%的汽油溶剂中浸
泡后风干而成的,具有较好的耐腐蚀性。
),环向搭接宜为50-100MM填打顶实后,确保管接口
纵向间隙7-15MM;
2、接口捻缝材料配比
根据《管道工程施工及验收标准规范实务全书》,石膏氯化钙水泥接口材料的重量配合比为:水泥:石膏粉:氯化钙:10:1:0.5。
水占水泥重量的20%。
三种材料中,水泥起强度作用,石膏粉起膨胀作用,氯化钙则促使速凝快干。
水泥可采用425号硅酸盐水泥,石膏粉的粒度应能通过200目的纱网。
操作时先把一定重量的水泥和石膏粉拌匀,把氯化钙粉碎溶于水中,然后与干料拌和,并搓成条状填入已打好油麻或橡胶圈的承接口中,并用灰凿捣实、抹平。
由于石膏的终凝时间不早于6min,并不迟于30 min,因此,拌和好的填料要在
15min内用完,要求操作十分迅速。
3、接口捻缝养护
除了柔性接口和青铅接口以外,以水泥为主要材料的各类刚性接口,在施工完毕后都需要养护。
养护的方法是在接口处用黄泥或缠草绳,并在三天内不断浇水,使其保持湿润,顶管属于地下隐蔽工程,可自然养护,石膏氯化钙水泥接口在8h 后可以通水。
进行压力试验时,接口需养护三天,养护后内接口处进行人工防腐。
六、闭水试验
按《给水排水管道工程施工及验收规范》(GB50268-97)的长度做闭水试验,先在管内灌水
24h,使管道及井室砌体充分润湿,然后加水至闭水规定高度30分钟,待水位下降稳定后正式做闭水试验。
并对实验过程(包括加水标准高度、水位下降情况、30分钟水
3位下降平均值)进行记录,闭水试验合格后(35.35m/24h.km),经业主代表及监理签认后方可进行下道工序的施工。
七、回填土
工作坑在管道闭水试验合格后进行回填。
回填前,应排出坑内所有积水,清除所有杂物及有机物。
或直径大于50mm的砖头、石块等硬物,回填时测定土壤含水率应符合或接近土壤最佳含水率,以保证回填能够达到设计要求的密度。
回填用机械进行,分层夯实,且高出设计地面20CM,回填土密实度要求如下所示: 沟顶管工作坑、部位压实度(%) 检查井
管顶以上25cm范围内 87 路基范围
管道两侧及管顶25cm以下 100 回填注意事项:
(1)回填必须及时,特别要将管道两侧部分填好,以防晾顶管工作坑、检查井过久造成损失。
(2)回填前保持坑内无积水,并将坑底木料、草帘等杂物及软泥清理干净。
(3)若挖出土方含水量较高,为了保证还土质量,必须采取集中翻晒,或加石灰拌合均匀才回填。
(4)如遇施工地段处于繁华地区或当年修路段,工期要求紧迫时,我方将道路结构层以下部分全部换成碎石屑代替土方回填。
(5)冬季施工回填不得用大冻块。
九、安全管理
在施工过程中必须做到“安全第一,预防为主”消除安全隐患,施工现场必须实现安全达标。
围绕安全达标必须做好以下几方面的工作。
(1)正确使用“三宝”(安全帽、安全带、安全网)。
(2)对施工现场临时用电要有一个总体规划,由电气工程师作出现场临时用电布线图,质安员审核,然后按图架设临时线路。
(3)施工现场临时用电必须实行三相五线制。
(4)起重及运输机械必须严格管理,防止起重伤人,确保运输安全。
(5)施工机具必须有良好的保护接地或接零,氧气瓶应有明显的标志,并有良好的安全措施。
(6)工地机动车辆应定人定车,制动灵活可靠,严禁违章行车。
(7)起重吊装及大件运输的装卸必须由去重工统一指挥,确保人、机安全。
安徽省公路桥梁工程公司交底单位接收单位施工班组方兴大道项目部
交底人接收人。