安全技术交底检查记录施工单位内部交底范文.doc
- 格式:doc
- 大小:454.52 KB
- 文档页数:8
一、基本信息1. 交底日期:____年__月__日2. 交底单位:____单位3. 交底人:____4. 接收人:____二、交底内容1. 工程名称:____2. 分项工程名称:____3. 作业内容:____4. 安全注意事项:(1)作业人员必须穿戴好个人防护用品,如安全帽、安全带、防尘口罩等。
(2)严格遵守操作规程,不得违章作业。
(3)现场用电安全,严禁私拉乱接电线。
(4)高空作业必须系好安全带,使用安全绳,不得攀登脚手架或模板。
(5)机械操作人员必须持证上岗,确保机械运行安全。
(6)施工现场严禁吸烟、动火,防止火灾事故发生。
(7)施工现场材料堆放整齐,不得占用消防通道。
(8)施工现场应设置明显的安全警示标志。
(9)作业人员应了解并掌握本岗位的安全操作规程和应急预案。
三、检查情况1. 作业人员是否穿戴个人防护用品:____2. 是否遵守操作规程:____3. 是否存在违章作业:____4. 现场用电安全情况:____5. 高空作业安全措施:____6. 机械操作人员是否持证上岗:____7. 火灾防控措施:____8. 材料堆放及消防通道:____9. 安全警示标志设置:____10. 作业人员是否了解安全操作规程和应急预案:____四、整改措施1. 对于未穿戴个人防护用品的作业人员,责令其立即整改。
2. 对于违章作业的作业人员,进行批评教育,并责令其停止作业。
3. 加强现场用电安全管理,严禁私拉乱接电线。
4. 加强高空作业安全措施,确保作业人员安全。
5. 确保机械操作人员持证上岗,杜绝机械事故发生。
6. 加强火灾防控措施,消除火灾隐患。
7. 整理施工现场材料,确保消防通道畅通。
8. 加强安全警示标志设置,提高作业人员安全意识。
9. 组织作业人员进行安全操作规程和应急预案培训。
五、备注1. 本检查记录由____单位负责填写。
2. 本检查记录经双方确认后生效。
3. 本检查记录一式两份,双方各执一份。
一、交底目的为确保项目施工过程中安全生产,预防事故发生,提高全员安全意识,特制定本安全技术交底模板。
本交底适用于企业内部所有项目施工人员。
二、交底范围1. 项目全体施工人员;2. 项目部管理人员;3. 项目监理人员。
三、交底内容1. 项目概况(1)工程名称、地点、工期、施工单位;(2)项目规模、主要施工内容、施工工艺;(3)施工现场环境、周边环境及地下管线情况。
2. 安全生产方针(1)坚持“安全第一、预防为主、综合治理”的方针;(2)强化全员安全生产责任制,确保项目安全生产。
3. 安全管理制度(1)项目部应建立健全安全生产管理制度,包括安全生产责任制、施工现场安全管理制度、施工现场环境保护制度等;(2)项目部应制定安全生产操作规程,明确各工种操作规程及安全注意事项。
4. 安全技术措施(1)施工现场应设置安全警示标志,包括安全通道、危险区域、高空作业等;(2)施工现场应设置安全防护设施,如安全网、防护栏、防护板等;(3)施工现场应配备必要的安全防护用品,如安全帽、安全带、防护眼镜等;(4)施工现场应进行定期安全检查,发现问题及时整改。
5. 事故应急处理(1)项目部应制定事故应急预案,明确事故报告、救援、处理程序;(2)项目部应组织事故应急演练,提高事故应急处理能力;(3)项目部应加强对施工现场的巡查,发现安全隐患及时整改。
6. 安全教育培训(1)项目部应定期对施工人员进行安全教育培训,提高安全意识;(2)项目部应组织施工人员进行安全技术交底,明确各工种操作规程及安全注意事项;(3)项目部应加强对特种作业人员的培训,确保其持证上岗。
四、交底要求1. 交底人应熟悉项目施工过程、安全管理制度、安全技术措施,确保交底内容的准确性;2. 被交底人应认真听取交底内容,理解并掌握安全技术措施,确保安全生产;3. 交底结束后,双方应在交底记录上签字确认。
五、附则1. 本安全技术交底模板由项目部负责制定、实施和更新;2. 本安全技术交底模板的解释权归企业所有。
安全技术交底记录单位工程名称:年月日经济承包中安全生产指标莆田市医院惠妹内科医技大楼建筑工程为高层医疗建筑,本工程包括15层惠妹内科医技大楼连接3层裙楼,地下一层建筑占地面积2055M地上总建筑面积25300M地下总面积2252M。
根据项目部的施工计划。
班组在投入足够的作业人员完成施工作业同时班组必须坚定不移地贯彻安全第一,预防为主的方针和管生产必需管安全的原则,杜绝重伤,死亡事故,轻伤率控制在千分一以下.新工人进场三级教育率百分百。
积极开展班前活动和班前安全检查发现隐患要及时整改做到不违章指挥,不违章作业,不违反劳动纪律。
积极开展创安全合格班前活动.对由于班组违反安全操作规程,违章操作造成安全事故者班组应负一定经济责任。
1。
发生重伤事故扣班组月工资总额百分二十,2。
发生死亡事故扣班组月工资总额百分五十。
ﻩﻩ班组用工严禁私招乱雇,严禁使用童工,不许带小孩进出工地,并对本班组工人临时住房的卫生负责,临时住宿区域内卫生要定期清扫,室内环境卫生要经常保持清洁,物品堆放整齐。
非电工严禁装拆电气设备,非机械工严禁操作施工机械。
各种安全设施未经项目部同意不得随意拆除.项目经理班组长ﻩﻩﻩﻩﻩ年ﻩ月ﻩﻩ日孔桩挖掘防护预案孔桩开挖之前,要按照土质情况,孔桩深度以及周边环境制定针对施工工艺结合作业条件,对施工过程中可能造成塌方的因素和作业人员的安全以及周边建筑,道路等产生不均匀沉降,设计制定具体可行防护方案1工程邻近建筑物较多,大面积孔桩的开挖,常使这些旧建筑物发生裂缝和不均匀沉降。
除降低地下水外,还需设置明沟和集水井,以排除暴雨产生的明水.2。
每天施工前必须检测井下是否有,有毒有害气体可使用小动物试验,并有专门向井下送风设备向井下送风.3。
施工中要和井下保持通讯联络畅通,并有专人看护,4孔桩口四周必须设置防护栏杆,挖出的土石方应及时运离不得在孔桩四周堆积过多土石方,防止土石方坠落孔桩伤人5作业人员在施工时要注意井下是否有塌方流沙等现象,要是发现异常情况应立刻停止施工并向工地管理人员报告6现场所有机械设备状况要良好并且在近期检查过,不能随意改变和拆除设备的防护罩,现场施工用电应由电工搭设,不得私自乱拉乱接。
一、施工日志安全技术交底封面【施工项目名称】:【施工单位】:【编制时间】:【编制人】:二、施工日志安全技术交底内容1. 施工项目概况(1)项目名称、地点、规模;(2)施工内容、施工工艺;(3)施工进度、质量要求;(4)施工安全风险及防范措施。
2. 施工现场安全管理制度(1)安全生产责任制;(2)施工现场安全管理制度;(3)施工现场安全防护措施;(4)施工现场安全警示标志。
3. 施工人员安全教育及培训(1)施工人员安全教育;(2)施工人员安全培训;(3)施工人员安全操作规程。
4. 施工现场安全隐患排查及治理(1)施工现场安全隐患排查;(2)施工现场安全隐患治理;(3)施工现场安全隐患整改通知单。
5. 施工现场安全防护设施及使用(1)施工现场安全防护设施;(2)施工现场安全防护设施使用;(3)施工现场安全防护设施检查及维护。
6. 施工现场安全防护措施及操作(1)施工现场安全防护措施;(2)施工现场安全防护措施操作;(3)施工现场安全防护措施验收。
7. 施工现场临时用电安全管理(1)施工现场临时用电安全管理;(2)施工现场临时用电设施;(3)施工现场临时用电安全检查。
8. 施工现场消防安全管理(1)施工现场消防安全管理;(2)施工现场消防设施;(3)施工现场消防演练。
9. 施工现场职业健康管理(1)施工现场职业健康管理;(2)施工现场职业健康防护设施;(3)施工现场职业健康检查。
10. 施工现场应急管理与处置(1)施工现场应急管理体系;(2)施工现场应急预案;(3)施工现场应急演练。
三、施工日志安全技术交底签字确认1. 施工单位项目负责人签字确认;2. 施工单位安全生产管理人员签字确认;3. 施工现场监理单位人员签字确认;4. 施工人员签字确认。
四、施工日志安全技术交底附件1. 施工现场安全管理制度;2. 施工现场安全防护设施及使用说明;3. 施工现场安全防护措施及操作规程;4. 施工现场临时用电安全管理及检查记录;5. 施工现场消防安全管理及检查记录;6. 施工现场职业健康管理及检查记录;7. 施工现场应急管理与处置预案。
施工安全交底记录日期:XX年XX月XX日施工单位:XXX建筑有限公司工程名称:XXX项目参加人员:XXX、XXX、XXX地点:施工现场一、安全交底内容:1.工作环境安全交底:(1)确认施工现场的环境是否符合安全要求,如有隐患,及时采取相应措施。
(2)指导工作人员正确佩戴安全防护用品,包括安全帽、防护眼镜、耳塞、防尘口罩等。
(3)强调施工现场的危险区域及禁止通行区域的划定,确保所有人员清楚知晓。
2.施工设备安全交底:(1)介绍施工现场使用的各种设备的操作方法和注意事项,包括电动工具、吊装设备、焊接设备等。
(2)强调设备的维护保养和安全操作,如避免操作时身体部位接触设备运动部件、使用合适的电源线和插头等。
(3)教育工作人员正确使用防护设备,如安全阻尼器、刹车装置等。
3.施工作业安全交底:(1)强调作业人员在施工过程中必须按照相关规定佩戴好相应的安全防护用品。
(2)详细介绍作业方法和工艺流程,确保每一项工作都能按照规定的程序和标准完成。
(3)指导作业人员正确使用工具和设备,并要求在使用前进行检查和试验。
4.特殊工作安全交底:(1)介绍施工现场可能存在的特殊工作,如高空作业、电焊作业、危险品操作等,强调严格遵守相关安全操作规程。
(2)解释特殊工作中可能出现的危险和风险,并提出有效的应急预案。
二、交底效果确认:1.请参加人员再次说明交底内容,并提出相关问题和建议。
三、其他事项:1.提醒参加人员关注天气变化和环境情况的变化,做好防范工作。
2.强调施工现场人员之间的相互合作和协调,确保施工期间的安全。
3.介绍相关安全教育资源和培训机构,在需要时提供相应的培训机会。
四、下一步工作计划:1.组织相关人员进行施工现场的安全巡视,确保安全生产的持续进行。
2.按照施工进度,及时进行后续的安全交底,确保所有人员不断增强安全意识。
本次安全交底会议记录完毕,感谢各位人员的参与和积极配合。
施工单位:。
一、记录基本信息1. 交底单位:(单位名称)2. 交底日期:(年月日)3. 交底地点:(具体地点)4. 交底人员:(姓名、职务)5. 接收人员:(姓名、职务)二、交底内容1. 作业项目概述- 项目名称:- 项目地点:- 项目概况:2. 安全生产责任- 各岗位人员安全生产责任:- 项目负责人安全生产责任:- 施工现场管理人员安全生产责任:3. 安全技术措施1)现场安全防护措施- 临时用电安全:- 机械设备安全:- 高处作业安全:- 火灾预防及应急处理:- 施工现场环境保护:2)作业人员安全防护措施- 个人防护用品使用:- 安全操作规程:- 安全教育培训:4. 风险辨识与防范- 作业过程中可能存在的风险:- 针对风险的防范措施:- 应急预案:5. 施工现场管理要求- 施工现场布置要求:- 施工现场交通要求:- 施工现场环保要求:6. 安全检查与整改- 安全检查周期:- 安全检查内容:- 安全隐患整改要求:三、交底确认1. 接收人员对交底内容进行签字确认,表示已了解并接受安全技术交底。
2. 交底人员对接收人员签字确认。
四、附件1. 安全技术交底内容相关文件、资料;2. 安全防护用品清单;3. 安全生产责任书;4. 应急预案。
五、记录存档1. 本记录由交底单位安全管理部门保存;2. 交底内容及相关文件、资料存档期限:自交底之日起不少于三年。
六、注意事项1. 本模板仅供参考,具体交底内容可根据实际情况进行调整;2. 交底人员应确保交底内容的准确性和完整性;3. 接收人员应认真听取交底内容,确保理解并掌握;4. 安全技术交底记录是安全生产的重要依据,各单位应予以重视。
安全技术交底记录日期:XXXX年XX月XX日地点:XXX工程现场参与人员:1.建设单位代表:XXX2.施工单位代表:XXX3.监理单位代表:XXX4.安全管理人员:XXX会议目的:1.交底工程的相关安全技术要求;2.保证工程的安全施工;3.确认施工人员已充分理解和掌握相关安全技术措施。
会议内容:1.引言:建设单位代表介绍了工程的背景和规划,并强调了工程安全施工的重要性。
2.安全技术措施:施工单位代表详细介绍了工程所需的安全技术措施,并强调了每个工序的施工安全要点。
以下是会议记录的部分内容:2.1.施工前准备:a.设置道路标志和警示标志,并确保施工区域被合理分隔;b.对施工人员进行安全教育和培训,并提供个人防护装备;c.检查施工设备是否符合安全标准。
2.2.地基处理:a.在进行爆破作业时,需遵守相关安全规程,确保人员和设备的安全;b.设立工地围墙或挡土墙,防止塌方事故的发生;c.确保机械设备的稳定性,避免设备倾覆事故。
2.3.结构施工:a.使用合格的脚手架和脚手架材料,并进行定期检查和维护;b.施工过程中,严禁使用不符合标准的钢筋和混凝土;c.重点监控模板安装和拆除过程中的安全问题。
2.4.高空施工:a.在高空施工过程中,设置安全警示带和安全网,并加强安全检查;b.施工人员需严格按照操作规程进行工作,确保安全措施落实到位;c.整个施工过程中,必须配备专业操作人员,确保作业的安全性。
2.5.安全防护:a.施工现场必须设置明显的安全警示标牌;b.必须定期进行安全检查和消防设备的维护;c.施工人员需配戴个人防护装备,并接受安全教育培训。
3.安全保障责任:监理单位代表强调了安全施工的监督和管理责任,并将其列入了工程监理的重要内容之一、监理单位将定期检查施工现场,并对不符合安全要求的行为进行纠正。
4.签字确认:会议结束后,参会人员对以上内容进行了讨论和澄清,并在记录表中签字确认,表示已理解和掌握相关安全技术措施。
土建项目施工技术交底记录范文工程名称:[具体工程名称]交底日期:[日期]施工单位:[施工单位名称]分项工程名称:[例如:基础混凝土浇筑]一、工程概况。
咱们这个土建项目啊,就像搭积木盖大楼,每一块都得稳稳当当的。
这个[分项工程名称]可是关键的一步,就好比大楼的脚,脚站不稳,楼可就危险喽。
这部分工程位于整个建筑的[具体位置说明,如建筑物的东南角基础部分],整个工程量呢,[给出具体工程量,像混凝土浇筑量是多少立方米之类的],而且要求在[工期要求的时间段]完成。
二、施工准备。
# (一)材料准备。
1. 水泥。
咱用的水泥啊,得是那种质量杠杠的,就像选士兵一样,得强壮可靠。
必须有出厂合格证和试验报告,标号得符合设计要求,就像钥匙要能开对锁一样,咱这个工程设计要求[具体标号,如42.5R]的水泥,可别弄错了。
水泥到场后,要好好存放,不能受潮,要是受潮了,就像士兵没了武器,那可不行。
要放在专门的水泥库里面,下面还得垫高,离墙也得有个距离,一般30厘米左右就差不多。
2. 砂和石子。
砂呢,得是中砂,含泥量不能超标,超标的话就像饭里有沙子,那混凝土的质量就没法保证了。
含泥量控制在[具体含泥量数值,如不超过3%]以内。
石子,咱用的是[具体石子规格,如5 31.5mm的碎石],形状得接近球形,针片状的石子不能太多,多了就像骨头架子松松垮垮的,混凝土的强度就会受影响。
石子也要干净,含泥量不超过[具体数值]。
# (二)机具准备。
1. 搅拌机。
搅拌机就像个大厨的锅,得提前检查好。
看看搅拌叶片有没有磨损,要是磨损了,搅拌不均匀,就像炒菜没炒熟一样。
搅拌机的传动部分要加润滑油,让它能顺顺利利地工作,就像给运动员擦点油,跑起来更轻快。
2. 振捣器。
振捣器可是个让混凝土密实的小能手。
在使用前要检查振捣棒的软轴和连接部位,要是有破损或者松动,那振捣的时候就容易出问题。
就像拿个破扫帚扫地,扫不干净还容易散架。
振捣器的电机也要试运转一下,听听声音正不正常,要是嗡嗡作响,像个生病的小蜜蜂,那就得赶紧修。
工程施工技术交底记录范例一、工程概述工程名称:某大型综合体项目工程地点:某市中心区域工程内容:包括地上总建筑面积、地下总建筑面积、基础设施建设等二、交底内容1. 工程设计标准及要求本工程应严格按照《建筑工程施工质量验收统一标准》(GB50300-2013)及《某大型综合体项目施工图纸》进行施工。
确保工程质量满足设计及规范要求,保证结构安全、使用功能齐全、外观整洁美观。
2. 施工工艺及操作要求(1)土方工程:采用大开挖方式,按设计要求分层开挖,严禁超挖。
开挖过程中,应做好排水、降水措施,确保施工安全。
(2)基础工程:基础施工前,应进行现场标高测量,确保基础底面标高符合设计要求。
基础施工过程中,应做好模板支撑、钢筋绑扎、混凝土浇筑等工序,确保基础质量。
(3)主体结构工程:主体结构施工应按照施工图纸及规范要求进行。
混凝土浇筑前,应检查模板、钢筋、预埋件等,确认无误后方可进行浇筑。
混凝土浇筑过程中,应控制好浇筑速度、振捣时间,确保混凝土密实。
(4)建筑装饰工程:装饰工程施工应按照施工图纸及规范要求进行。
墙面、地面、天花板的施工顺序应符合设计要求,施工过程中应注意表面平整、接缝严密、色泽一致。
(5)安装工程:安装工程施工应按照施工图纸及规范要求进行。
管道、线路的安装应符合设计要求,固定牢固,走向合理,管道接口严密,线路绝缘良好。
3. 质量控制及验收要求(1)施工过程中,应做好各工序的自检、互检、交接检,确保工程质量。
(2)施工单位应定期对工程质量进行评估,发现问题及时整改。
(3)工程验收时,应按照验收标准进行,确保工程质量满足使用功能及美观要求。
4. 安全文明施工要求(1)施工现场应做好安全防护措施,包括施工现场入口、施工现场内部、施工现场周边等。
(2)施工现场应做好文明施工管理,包括施工现场卫生、施工现场噪音、施工现场废弃物处理等。
(3)施工人员应遵守施工现场管理制度,做到安全生产、文明施工。
三、参加人员1. 施工单位:项目经理、技术负责人、施工管理人员、施工操作人员等。
某新建工程施工安全技术交底记录参与人员:施工单位全体施工人员时间:XXXX年XX月XX日地点:新建工程施工现场一、安全管理制度交底1.1 本工程施工单位应遵守国家、行业及地方颁布的有关施工安全管理的法律法规及规章制度,落实施工安全生产主体责任。
1.2 所有参与施工的人员应严格执行现场施工安全规章制度,服从现场管理人员的指挥和调配,保障施工安全。
二、施工现场安全管理交底2.1 进入施工现场时,需要佩戴劳动防护用具,如安全帽、安全鞋、安全带等,并进行安全教育培训,了解紧急情况下的自救逃生方法。
2.2 作业人员要保持工作环境整洁,保持通道畅通,做好防火、消防和电气安全等工作。
2.3 严禁私自动用电、操作施工机械设备,需经过专业培训合格方可操作。
三、施工设备使用安全交底3.1 所有使用的施工机械设备需定期进行检查和维护,保证机械设备的正常运转。
3.2 操作施工机械设备时,需遵循操作规程,保证自身安全和他人安全。
四、施工材料安全使用交底4.1 所有使用的施工材料必须符合国家标准,并需经过质量验收,确保质量合格。
4.2 施工材料的堆放和使用需要符合规范,避免材料堆放不稳导致意外。
五、意外事故处理应急预案交底5.1 意外事故发生时,施工人员需第一时间保护好自身安全,并立即向现场管理人员报告。
5.2 施工人员需要掌握基本的急救知识,能够迅速进行紧急救护,保障伤员生命安全。
以上为本次施工安全技术交底记录,希望全体施工人员能够严格遵守安全规章制度,确保施工安全生产。
很抱歉,由于长度限制,我无法一次性为您写完1500字的内容。
但我可以继续为您书写接下来的内容。
六、环境保护交底6.1 施工现场产生的垃圾和污水需要妥善处理,严禁随意丢弃,避免对环境造成污染。
6.2 携带环保用品,如防尘口罩、防护手套等,以保护自身和环境。
七、安全管理责任交底7.1 施工单位应明确安全管理人员的职责,由专人负责安全生产管理和监督。
7.2 所有参与施工的人员对施工现场安全管理负有责任,如发现安全隐患应及时报告,并采取措施消除隐患。
安全技术交底内容(6篇)安全技术交底内容篇一1、总包单位要对分包单位的进场进展安全总交底,其中:分包单位包括:专业分包、劳务分包。
安全技术交底应有总包单位、分包单位的工程负责人及安全负责人共同参与,双方签字认可。
交底中必需有针对本工程施工特点的补充交底内容。
2、主管工长要对作业人员进展分工种交底,交底内容应依据不同工种操作特点,要有针对性,双方要签字认可,要有交底活动记录,现场安全员参与并对交底内容进展认可。
3、主管工长要对施工作业过程中的分部、分项工程进展技术交底。
现场安全员要参与交底,并对交底内容进展认可。
交底内容要依据公司制定的《安全技术交底指南》并结合分部、分项工程特点来制定,双方要进展签字。
4、对新工艺、新材料、新技术等施工中的应用,要进展安全技术交底。
交底要由双方负责人、技术负责人、安全负责人参与,交底要由双方签字。
5、工程经理要进展季节性交底,包括冬、雨季施工安全技术要求,现场住宿、食堂的安全规定等。
6、班组长(包括特工种),每天要召开安全早会,对当天的生产活动应留意的安全问题进展提示、要求。
安全技术交底内容篇二为有效预防工程施工中的违章指挥、违章作业、违反劳动纪律,掌握生产安全事故的发生及削减其危害,明确安全技术分级交底职责,确保工程部安全生产,制定本制度:1、实行逐级交底制度;工程开工前,公司总工要将工程概况、施工方法、安全技术措施等向工程经理、工程技术负责人及工程安全员进展具体的书面安全技术交底,工程技术负责人要向施工队、施工班组及施工作业人员分别进展具体的书面安全技术交底,履行签认手续。
2、安全技术交底的内容应针对分局部项工程施工作业人员带来的潜在危急因素、存在问题以及预防危急因素、存在问题的措施和应急救援预案的内容进展交底。
3、施工作业前,施工队应针对当天的工作任务、作业条件和作业环境,就作业要求和施工中应留意的安全事项向作业人员进展交底,并将参与交底的人员名单和交底内容做好记录。
工程施工安全技术交底记录第一篇模板:工程施工安全技术交底记录1. 项目概述1.1 项目名称1.2 项目地点1.3 项目起止时间1.4 项目经理及联系方式2. 作业风险评估2.1 风险辨识2.2 风险评估2.3 风险等级划分3. 安全技术措施3.1 安全技术措施概述3.2 施工人员培训3.3 安全操作规程3.4 紧急救援预案3.5 安全生产设备配备3.6 安全防护措施4. 特殊作业交底4.1 高空作业4.2 施工机械操作4.3 电工作业4.4 焊接作业4.5 危(wei)险品操作5. 各岗位责任5.1 项目经理责任5.2 施工班组长责任5.3 监理责任5.4 管理人员责任5.5 施工人员责任6. 安全监督控制6.1 安全日常巡查6.2 安全检查记录6.3 安全事故报告及调查处理7. 安全资料记录7.1 施工安全档案7.2 安全教育培训记录7.3 安全检查记录7.4 安全事故报告记录8. 附件本文档涉及附件:附件1:风险辨识及评估报告附件2:安全操作规程附件3:紧急救援预案附件4:安全生产设备清单本文所涉及的法律名词及注释:1. 《中华人民共和国安全生产法》:指中华人民共和国国家立法机关通过的安全生产方面的法律法规。
第二篇模板:工程施工安全技术交底记录1. 项目概述1.1 项目名称1.2 项目地点1.3 项目起止时间1.4 项目经理及联系方式2. 工作分解2.1 施工范围划分2.2 工作分派2.3 工期安排2.4 施工进度控制3. 安全技术措施3.1 安全技术措施概述3.2 施工人员培训计划3.3 安全操作规程3.4 紧急救援预案3.5 安全生产设备配置与维护3.6 安全防护设施设置4. 危(wei)险作业操作规定4.1 高处作业4.2 施工机械操作4.3 电气作业4.4 焊接作业4.5 危(wei)险化学品操作5. 各级责任与权力5.1 项目经理责任与权力5.2 班组长责任与权力5.3 监理责任与权力5.4 管理人员责任与权力5.5 施工人员责任与义务6. 安全监督管理控制6.1 安全日常巡查6.2 安全检查记录6.3 安全事故报告与调查处理7. 安全资料记录7.1 施工安全档案7.2 安全教育培训记录7.3 安全检查记录7.4 安全事故报告记录8. 附件本文档涉及附件:附件1:风险分析与评估报告附件2:安全操作规程附件3:紧急救援预案附件4:安全生产设备清单本文所涉及的法律名词及注释:1. 《中华人民共和国安全生产法》:指中华人民共和国立法机关通过的涉及安全生产方面的法律法规。
一、交底项目名称:XX工程XX分项施工安全技术交底二、交底日期:____年____月____日三、交底单位:____公司四、交底负责人:____五、交底对象:项目全体施工人员及管理人员六、交底内容:1. 工程概况(1)工程名称:XX工程(2)工程地点:XX市XX区XX路XX号(3)工程规模:占地面积XX平方米,建筑面积XX平方米(4)工程类型:住宅楼2. 安全生产目标(1)确保施工过程中无重大安全事故发生(2)降低事故发生率,减少经济损失(3)提高施工人员安全意识,养成良好安全习惯3. 施工安全措施(1)施工现场安全管理1)建立健全施工现场管理制度,明确各级人员安全责任;2)设立安全警示标志,提醒施工人员注意安全;3)定期对施工现场进行安全检查,及时消除安全隐患。
(2)施工人员安全培训1)对新入场施工人员进行安全教育培训,使其了解施工现场安全规定;2)对施工人员进行定期安全教育培训,提高安全意识;3)加强安全知识考核,确保施工人员掌握安全操作技能。
(3)施工机械及设备安全1)定期对施工机械及设备进行检查、维护、保养,确保其正常运行;2)使用前检查设备的安全防护装置是否齐全、有效;3)严禁违规操作机械及设备,防止机械伤害事故发生。
(4)施工材料安全1)对施工材料进行严格检验,确保其质量符合要求;2)存放材料时,分类堆放,标识清晰,防止混淆;3)使用材料时,遵守操作规程,防止材料伤害事故发生。
(5)施工环境安全1)施工现场设置排水设施,确保排水畅通;2)施工场地平整,防止施工人员滑倒;3)施工现场设置防护设施,防止施工人员坠落。
4. 施工现场重点部位及危险源(1)高处作业:如模板支撑、脚手架搭设等;(2)电气作业:如电线、电缆敷设、电气设备操作等;(3)起重作业:如起重机械、吊装作业等;(4)有限空间作业:如管道、井室、地下室等;(5)施工现场道路、桥梁、边坡等。
5. 应急措施(1)成立应急小组,明确应急职责;(2)制定应急预案,确保事故发生时能迅速应对;(3)定期组织应急演练,提高应急处置能力。
一、基本信息1. 交底记录编号:2. 单位工程名称:3. 交底日期:4. 施工单位:5. 分项工程名称:6. 交底人:二、检查内容1. 交底内容是否完整:- 作业前安全注意事项- 施工过程中安全操作规程- 事故应急处理措施- 安全防护设施、设备情况2. 交底记录填写是否规范:- 是否按照规定的格式填写- 是否有漏填、错填现象- 是否有签名确认3. 交底对象是否明确:- 是否针对具体工种和工程特点进行交底- 是否对返岗复工人员、新进场人员进行专项安全教育4. 安全防护设施、设备检查:- 安全防护设施、设备是否齐全、完好- 安全防护设施、设备是否符合国家标准- 安全防护设施、设备是否定期检查、维护5. 安全操作规程执行情况:- 作业人员是否熟悉并掌握安全操作规程 - 作业人员是否按照安全操作规程进行作业 - 是否存在违章作业现象6. 事故应急处理措施落实情况:- 是否制定事故应急处理预案- 事故应急处理预案是否可操作、有效- 作业人员是否熟悉事故应急处理预案7. 安全教育培训情况:- 是否对作业人员进行安全教育培训- 安全教育培训内容是否全面、准确- 安全教育培训效果如何三、检查结果1. 检查发现的问题:- 交底内容不完整- 交底记录填写不规范- 交底对象不明确- 安全防护设施、设备存在问题- 安全操作规程执行不到位- 事故应急处理措施落实不力- 安全教育培训不到位2. 处理措施:- 对存在的问题进行整改,确保交底记录完整、规范- 加强安全教育培训,提高作业人员安全意识- 定期检查安全防护设施、设备,确保其完好、有效- 严格执行安全操作规程,杜绝违章作业- 制定事故应急处理预案,提高事故应急处理能力四、检查记录人签名:五、检查时间:六、备注:(注:本模板仅供参考,具体内容可根据实际情况进行调整。
)。
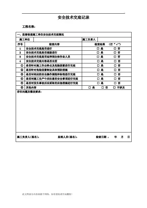
安全技术交底检查记录施工单位内部交底安全技术交底记录工程名称:一、监督检查施工单位安全技术交底情况施工单位施工负责人序号检查内容检查结果(打“√”)1 安全技术交底是否进行□ 是□ 否2 安全技术交底是否逐级进行□ 是□ 否3 安全技术交底是否延伸到全体作业人员□ 是□ 否4 安全技术交底内容是否全面□ 是□ 否①是否针对施工作业特点及危险因素进行交底□ 是□ 否②是否针对危险因素制定具体预防措施□ 是□ 否③是否对相应的安全操作规程和标准进行交底□ 是□ 否④是否对施工生产中应注意的安全事项进行交底□ 是□ 否⑤是否对发生事故后应采取的应急措施进行交底□ 是□ 否⑥其它内容□ 是□ 否□ 不涉及存在问题及整改要求:施工负责人(签名):监理人员(签名):检查日期:年月日安全技术交底记录工程名称:一、监督检查施工单位安全技术交底情况施工单位施工负责人序号检查内容检查结果(打“√”)1 安全技术交底是否进行□ 是□ 否2 安全技术交底是否逐级进行□ 是□ 否3 安全技术交底是否延伸到全体作业人员□ 是□ 否4 安全技术交底内容是否全面□ 是√ 否①是否针对施工作业特点及危险因素进行交底□ 是□ 否②是否针对危险因素制定具体预防措施□ 是□否③是否对相应的安全操作规程和标准进行交底□ 是□ 否④是否对施工生产中应注意的安全事项进行交底□ 是□ 否⑤是否对发生事故后应采取的应急措施进行交底□ 是□ 否⑥其它内容□ 是□ 否□ 不涉及存在问题及整改要求:1.检查发现施工单位未有对现场施工人员进行安全技术交底,要求施工单位现场对每个施工人员进行安全交底并记录;施工负责人(签名):监理人员(签名):检查日期:年月日安全技术交底记录工程名称:有线承载网第二季度鄂尔多斯(东胜区)第一批管道自建工程一、监督检查施工单位安全技术交底情况施工单位吉林省宏通通信工程有限公司施工负责人序号检查内容检查结果(打“√”)1 安全技术交底是否进行□ 是□ 否2 安全技术交底是否逐级进行□ 是□ 否3 安全技术交底是否延伸到全体作业人员□ 是□ 否4 安全技术交底内容是否全面□ 是□ 否①是否针对施工作业特点及危险因素进行交底□ 是□ 否②是否针对危险因素制定具体预防措施□ 是□ 否③是否对相应的安全操作规程和标准进行交底□ 是□ 否④是否对施工生产中应注意的安全事项进行交底□ 是□ 否⑤是否对发生事故后应采取的应急措施进行交底□ 是□ 否⑥其它内容□ 是□ 否□ 不涉及存在问题及整改要求:施工负责人(签名):监理人员(签名):检查日期:年月日文档仅供参考安全技术交底记录(第一级交公司名称:吉林省宏通通信工程有限公司底)工程名称有线承载网第二季度鄂尔多斯(东胜区)第一批管道自建工程(管道工程)交底日期交底地点安全技术交底的主要内容:1、根据施工方案,对管道路由进行核查、复勘,对可能导致人员触电、网络事故等安全风险进行警示,对有可能机械伤害人员的情况进行警示。
操作区域划分为作业区、工具区,且必须进行围闭。
作业现场必须设置安全标识、隔离带、防护栏、警示标志、警示灯等。
2、本工程项目的施工作业特点和危险因素:本工程涉及与市政道路建设同步进行,施工作业区涉及市政施工,现场存在施工人员、施工作业区、施工材料、施工机械较多,本工程涉及顶管较多;危险因素有防止施工现场机械伤人,开挖管沟、井坑,顶管安全施工等。
3、针对危险因素制定的具体预防措施包括:开挖管道沟及人手井坑前,要摸清确认作业面周边的管网信息,通知相关单位到现场确认,制定合理的保护措施,确保无误后方可施工;做好施工现场的警示和安全防护措施,施工人员佩带好安全防护器具,严格按操作规程实施;开挖管道沟及人手井坑时,作业坑深 1 米以上时应按照设计和安全要求加装挡土板;开挖后的积土要及时回填和清理,防止滑落伤人;尽量避免在炎热高温的时段施工,要做好防暑降温的措施,如配备饮用水、防晒帽、遮阳伞等。
4、如发生事故,在事故发生后作现场紧急处理,同时严格按照“事故上报”原则上报省公司工程管理中心,现场管理人员在紧急处理后,需对现场进行管制及保护,各级机构接到事故报告后,根据事故级别及机构职能迅速作出响应,并对事故进行调查及出具结论,事故责任单位应负责进行善后处理,妥善解决因事故发生带来的社会及生产问题,积极补救,恢复生产。
5、在工地堆放机具、材料时,应选择在不妨碍交通、行人少、地面平整的地方堆放,堆积高度不宜超过 1.5 m ,不得随意堆放在沟边,必要时应采取保护措施。
6、人工开挖土方或路面时,相邻作业人员间必须保持 2 m 以上间隔。
7、对地下管线进行开挖验证时,应防止损坏管线。
严禁使用金属杆直接钎插探测地下输电线和光缆。
在地下输电线路的地面或在高压输电线下测量时,严禁使用金属标杆、塔尺。
严禁在雨天、雾天、雷电天气下。
在高压输电线下作业。
8、光 ( 电 ) 缆路由在经过铁路、公路、河堤采用顶管预埋钢管或定向钻孔铺管时,在顶管或定向钻孔前必须将顶管区域内其它.地下设施 ( 如通信光缆、通信电缆、电力电缆、上水管、下水道、煤气管、铁路信号线路等) 的具体位置调查清楚,制定方案,保持安全距离。
交底人(项目经理签名):现场施工负责人或施工队长签名:安全技术交底记录(第二级交公司名称:吉林省宏通通信工程有限公司底)工程名称有线承载网第二季度鄂尔多斯(东胜区)第一批管道自建工程(管道工程)交底日期交底地点文档仅供参考安全技术交底的主要内容:1、根据施工方案,对管道路由进行核查、复勘,对可能导致人员触电、网络事故等安全风险进行警示,对有可能机械伤害人员的情况进行警示。
操作区域划分为作业区、工具区,且必须进行围闭。
作业现场必须设置安全标识、隔离带、防护栏、警示标志、警示灯等。
2、本工程项目的施工作业特点和危险因素:本工程涉及与市政道路建设同步进行,施工作业区涉及市政施工,现场存在施工人员、施工作业区、施工材料、施工机械较多,本工程涉及顶管较多;危险因素有防止施工现场机械伤人,开挖管沟、井坑,顶管安全施工等。
3、针对危险因素制定的具体预防措施包括:开挖管道沟及人手井坑前,要摸清确认作业面周边的管网信息,通知相关单位到现场确认,制定合理的保护措施,确保无误后方可施工;做好施工现场的警示和安全防护措施,施工人员佩带好安全防护器具,严格按操作规程实施;开挖管道沟及人手井坑时,作业坑深 1 米以上时应按照设计和安全要求加装挡土板;开挖后的积土要及时回填和清理,防止滑落伤人;尽量避免在炎热高温的时段施工,要做好防暑降温的措施,如配备饮用水、防晒帽、遮阳伞等。
4、如发生事故,在事故发生后作现场紧急处理,同时严格按照“事故上报”原则上报省公司工程管理中心,现场管理人员在紧急处理后,需对现场进行管制及保护,各级机构接到事故报告后,根据事故级别及机构职能迅速作出响应,并对事故进行调查及出具结论,事故责任单位应负责进行善后处理,妥善解决因事故发生带来的社会及生产问题,积极补救,恢复生产。
5、在工地堆放机具、材料时,应选择在不妨碍交通、行人少、地面平整的地方堆放,堆积高度不宜超过 1.5 m ,不得随意堆放在沟边,必要时应采取保护措施。
6、人工开挖土方或路面时,相邻作业人员间必须保持 2 m 以上间隔。
7、对地下管线进行开挖验证时,应防止损坏管线。
严禁使用金属杆直接钎插探测地下输电线和光缆。
在地下输电线路的地面或在高压输电线下测量时,严禁使用金属标杆、塔尺。
严禁在雨天、雾天、雷电天气下。
在高压输电线下作业。
8、光 ( 电 ) 缆路由在经过铁路、公路、河堤采用顶管预埋钢管或定向钻孔铺管时,在顶管或定向钻孔前必须将顶管区域内其它.地下设施 ( 如通信光缆、通信电缆、电力电缆、上水管、下水道、煤气管、铁路信号线路等) 的具体位置调查清楚,制定方案,保持安全距离。
交底人(现场施工负责人或施工队长签名):现场施工人员签名:公司名称:工程名称安全技术交底记录(第一级交底)(光缆工程)交底日期交底地点安全技术交底的主要内容:1、本工程光缆路由有其它线路,施工前需做好勘察工作和施工安全措施。
2、作业班组必须由经验丰富,技术过硬的正式工带班,作业人员必须做好施工的安全措施,施工前做好勘察工作,准备好各种施工工具及设备,在施工过程中注意施工安全和保证施工质量。
3、本工程施工技术要求,按原邮电部颁发的《通信管道人孔和管块群图集》YDJ101、中华人民共和国通信行业标准《通信电缆配线管道图集》 YD5062-98、中华人民共和国通信行业标准《通信管道工程施工及验收技术规范》YD5103- 标准执行。
4、根据施工方案,对光缆路由进行核查、复勘,对可能导致人员触电、网络事故等安全风险进行警示,对有可能机械伤害人员的情况进行警示。
5、本工程项目的施工作业特点和危险因素:本工程施工作业区涉及市政道路、村民房屋,施工现场操作区域划分为作业区、工具区,且必须进行围蔽;作业现场必须设置安全标识、隔离带、防护栏、警示标志、警示灯等。
6、如发生事故,在事故发生后作现场紧急处理,同时严格按照“事故上报”原则上报省公司工程管理中心,现场文档仅供参考管理人员在紧急处理后,需对现场进行管制及保护,各级机构接到事故报告后,根据事故级别及机构职能迅速作出响应,并对事故进行调查及出具结论,事故责任单位应负责进行善后处理,妥善解决因事故发生带来的社会及生产问题,积极补救,恢复生产。
7、严禁在电力线路正下方 ( 特别是高压线路下 ) 立杆作业。
当架空的通信线路穿过输电线时,经测量、计算吊线与高压输电线达不到安全净距时,则必须修改通信线路设计,必要时可改为由地下经过。
8、使用脚扣登杆前应检查脚扣是否完好,当出现橡胶套管 (橡胶板 )破损、离股、老化或螺丝脱落和弯钩、脚蹬板扭曲、变形或脚扣带腐蚀、开焊、裂痕等情形之一者,严禁使用。
不得用电话线或其它绳索替代脚扣带。
9、在原拉线位置或拉线位附近安装新拉线时,应先制作临时拉线。
防止挖新拉线坑时将原有拉线地锚挖出而导致抗拉力不足使地锚移动发生倒杆事故。
10、布放钢绞线前,应对沿途跨越的供电线路、公路、铁路、街道、河流、树木等调查统计,在布放时必须采取有效措施,安全经过。
11、如钢绞线在低压电力线之上。
必须设专人用绝缘棒托住钢绞线,不得搁在电力线上拖拉。
12、在吊线上布放光 ( 电 ) 缆作业前,必须检查吊线强度。
确保在作业时吊线不致断裂,电杆不斜、不倒及吊线卡担不致松脱。
13、进入地下室、管道人孔前,必须进行气体检查和监测,确认无易燃、有毒、有害气体并通风后方可进入。
作业时,地下室、人孔应保持自然和强制通风。
特别在“高井脖”人孔内施工,必须保证人孔通风效果。
14、在有行人、行车的地段开启孔盖施工前,人孔周围应设置安全警示标志和围栏。