生产车间设备编码规则
- 格式:docx
- 大小:24.02 KB
- 文档页数:9
【生产车间设备编码规则】基本生产车间生产车间设备编码规则(试用版)为加强对生产车间设备的管理,方便生产车间对设备的使用,技术部特制订本规则。
实施本规则后,生产车间的每一台生产设备都有其唯一的编码。
1,生产设备编码规则。
生产设备的编码原则:车间生产设备的编码共十位,前两位为备用位,以00表示。
第三位到第五位代表设备类型,以设备类型的汉语拼音声母表示,具接下来的三位编码代表该种设备的生产能力的某一参数,最后两位代表该类别设备的序列号。
如下所示。
2,各种型号设备编码规则具体如下:2.1,剪板机编码规则:剪板机的编码前两位为备用位,以00表示。
接下来的三位代表设备类型,以剪板的拼音声母大写JB开始,第五位区分剪板机是数控的还是非数控的或别的类型,若是数控的,在JB后加字母S,普通剪板机则在JB后加字母P,以后若增加其他类型的剪板机,以此位区别。
再接下来的三位代表剪板机的可剪最大厚度。
例如040代表剪板最大厚度为4mm,120代表剪板的最大厚度为12mm。
最后是剪板机的序列号,含两位。
因此,剪板机编码共包含10位,具体形式如下:举例1:00JBS0400100:备用位。
JBS:数控剪板机。
040:剪板的最大厚度为4mm。
01:剪板机的序列号,表示此剪板机在此类设备中序列号为01。
2.2,折弯机编码规则:折弯机的编码前两位为备用位,以00表示。
接下来的三位代表设备类型,以折弯的拼音声母大写ZW开始,代表设备类型:举例:00ZWS1000100:备用位。
ZWS:数控折弯机。
100:此折弯机的最大公称力为100吨。
01:折弯机的序列号,表示此折弯机在此类设备中序列号为01。
举例1:00CS00200100:备用位。
CS0:多工位冲床020:冲床的最大公称力20吨。
01:多工位冲床的序列号。
举例1:00CP01000100:备用位。
CP0:普通机械压力机(普冲)100:普冲的最大公称力100吨。
01:普冲冲床的序列号。
4 编码规则
4.1编码结构:
编码采用“部门代号+科室(车间)代号+设备大类+设备小类+流水码”的方式编码。
□□□□
部门代码科室(车间)代号连接符设备大别设备小类流水号
4.2编码说明:
4.2.1 部门代码
质量部-ZL;研发部-YF;生产制造部—SZ;采购部—CG;综合部—ZH;人力资源部—RZ;市场营销部—SY;计划经营部—JJ;物流部—WL;财务部—CW;
4.2.2 科室(车间)
如生产制造部,单相表车间01;三相表车间02;SMT车间03;注塑车间04。
部门无下设科室时以“00”补齐。
4.2.3 设备大类
高压设备-GY;低压设备-DY;变压器-BY;办公设备-BG;运输设备-YS;工具-GJ ;其它-QT
4.2.4 设备小类
4.2.5 流水号
在设备类别代号下,按设备购进的顺序依次编号,编号范围为001—999。
生产车间设备编码规则(试用版)为加强对生产车间设备的管理,方便生产车间对设备的使用,技术部特制订本规则。
实施本规则后,生产车间的每一台生产设备都有其唯一的编码。
1,生产设备编码规则。
生产设备的编码原则:车间生产设备的编码共十位,前两位为备用位,以00表示。
第三位到第五位代表设备类型,以设备类型的汉语拼音声母表示,具接下来的三位编码代表该种设备的生产能力的某一参数,最后两位代表该类别设备的序列号。
如下所示。
2,各种型号设备编码规则具体如下:2.1,剪板机编码规则:剪板机的编码前两位为备用位,以00表示。
接下来的三位代表设备类型,以剪板的拼音声母大写JB开始,第五位区分剪板机是数控的还是非数控的或别的类型,若是数控的,在JB后加字母S,普通剪板机则在JB后加字母P,以后若增加其他类型的剪板机,以此位区别。
再接下来的三位代表剪板机的可剪最大厚度。
例如040代表剪板最大厚度为4mm,120代表剪板的最大厚度为12mm。
最后是剪板机的序列号,含两位。
因此,剪板机编码共包含10位,具体形式如下:举例1:00JBS0400100:备用位。
JBS:数控剪板机。
040:剪板的最大厚度为4mm。
01:剪板机的序列号,表示此剪板机在此类设备中序列号为01。
2.2,折弯机编码规则:折弯机的编码前两位为备用位,以00表示。
接下来的三位代表设备类型,以折弯的拼音声母大写ZW开始,代表设备类型:折弯机,第五位区分此折弯机是数控的还是非数控的或别的类型,若是数控的,在字母ZW后加字母S。
普通折弯机则在ZW后加字母P,以后若增加其他类型的折弯机,以此位区别。
第五位到第八位代表折弯机的最大公称力,以吨为单位。
例如100表示此折弯机的最大公称力为100吨。
最后是折弯机的序列号,包含两位。
因此,折弯机的编码共包含10位,具体形式如下:举例:00ZWS1000100:备用位。
ZWS:数控折弯机。
100:此折弯机的最大公称力为100吨。
01:折弯机的序列号,表示此折弯机在此类设备中序列号为01。
制药有限公司GMP文件
设备分类编码管理规程
注:此页无正文
目的:建立设备分类及编码管理制度,便于设备管理和使用。
适用范围:适用于所有仪器设备。
责任者:工程设备部及设备、设施、仪器管理使用部门和人员。
内容:
1设备、设施、仪器从进入公司起由设备部按规定赋予唯一编码。
2 设备、设施、仪器编码不能更改,且不能重复。
该设备取消时,编码随之作废。
3 设备、设施、仪器编码原则:
00-99
001-999
(车间)拼音缩写代号
3.1第一层级代码表示设备、仪器使用部门,用拼音字母表示。
CW…财务部 XZ…行政人事部 QC…质量管理部 SB…工程设备部 WL…物料部GT…固体制剂车间 TQ…提取车间,其中各部门公用设备归主要使用部门管理。
3.2第二层级代码表示设备、仪器用途,用拼音字母表示。
SC…生产设备 SF…生产辅助设备(包括水处理、空调、压缩空气设备、真空设备等)JY…检验设备 JL…计量仪表
GC…公用工程设备(包括锅炉、动力等) BG…办公设备 QT…其它
3.3第三层级代码表示各仪器设备所在类别的流水号,用三位数字表示,从
001开始。
3.4第四层级代码表示相同型号设备的顺序号,用两位数字表示,从01开始。
4.根据设备编码规则建立设备编码一览表。
5.附表
《设备编码一览表》
变更历史。
江西希尔康泰制药有限公司GMP 管理文件
1、目的 规范公司所有生产厂房及设备的编号方法,便于管理,并符合GMP 的相关要求。
2 范围
适用于公司所有厂房房间及设备的编号。
3 职责 生产部、设备部、质量部负责对本规程进行实施。
4 内容
4.1 生产厂房房间的编号 4.1.1 编号规则
目前公司内生产厂房为口服固体制剂一车间、口服固体制剂二车间、口服固体制剂三车间、软膏一车间、软膏二车间、溶液一车间、溶液二车间、滴眼剂车间、原料药车间、提取车间。
对各车间房间进行编号时应根据管理需要所划分的房间进行编号,确保所有生产厂房内的每个房间具有唯一的编号,且具有可追溯性。
4.1.2 编号方法
公司对生产厂房房间进行编号时采用车间序号为前缀+房间流水号的方式进行。
如软膏一车间序号为1,具体代号见下表:
4.1.3 如根据生产需要对厂房房间名称变更时,可直接将名称进行变更,编号保持不变;如需将某个厂房变更为几个房间时,必须对增加的房间按4.1.2方法进行编号,保证每一个房间编号的唯一性,以上变更必须在相关文件中及时体现。
4.2 设备编号的管理
4.2.1编号原则
在对生产厂房内设备进行编号时应根据厂房内的设备进行编号,确保所有生产厂房内的每台设备具有唯一的编号,且具有可追溯性。
4.2.2 编号方法
在对设备进行编号时采用车间简称+流水序号的方式,车间简称见下表。
4.2.3 如某个房间内新增设备时,应根据新设备所在车间按4.2.2方法继续往下编号,如因设备因报废被搬出房间后,该编号可空下或用于新设备上,但必须在相应的生产工艺规程、批生产记录中及时体现。
5、变更记载及原因:。
生产车间设备编码规则GY03-03.0 设备编码规则生产车间设备编码规则(试用版)为加强对生产车间设备的管理,方便生产车间对设备的使用,技术部特制订本规则。
实施本规则后,生产车间的每一台生产设备都有其唯一的编码。
1,生产设备编码规则。
生产设备的编码原则:车间生产设备的编码共十位,前两位为备用位,以 00表示。
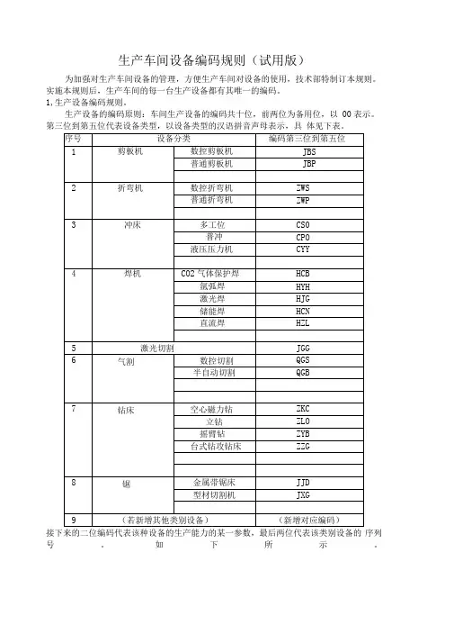
第三位到第五位代表设备类型,以设备类型的汉语拼音声母表示,具体见下表。
序号设备分类编码第三位到第五位数控剪板机 JBS1 剪板机普通剪板机 JBP数控折弯机 ZWS2 折弯机普通折弯机 ZWP多工位 CS03 冲床普冲 CP0液压压力机 CYYCO2气体保护焊 HCB氩弧焊 HYH4 焊机激光焊 HJG储能焊 HCN直流焊 HZL5 激光切割 JGG数控切割 QGS6 气割半自动切割 QGB空心磁力钻 ZKC立钻 ZL07 钻床摇臂钻 ZYB台式钻攻钻床 ZZG金属带锯床 JJD8 锯型材切割机 JXG9 (若新增其他类别设备) (新增对应编码)接下来的三位编码代表该种设备的生产能力的某一参数,最后两位代表该类GY03-03.0 设备编码规则别设备的序列号。
如下所示。
0 0 X X X X X X X X序列号备用位,编代表设备某一生码以0表示产能力的代码代表设备类型的代码2,各种型号设备编码规则具体如下:2.1,剪板机编码规则:剪板机的编码前两位为备用位,以00表示。
接下来的三位代表设备类型,以剪板的拼音声母大写JB开始,第五位区分剪板机是数控的还是非数控的或别的类型,若是数控的,在JB后加字母S,普通以后若增加其他类型的剪板机,以此位区别。
剪板机则在JB后加字母P,再接下来的三位代表剪板机的可剪最大厚度。
例如040代表剪板最大厚度为4mm,120代表剪板的最大厚度为12mm。
最后是剪板机的序列号,含两位。
因此,剪板机编码共包含10位,具体形式如下:0 0 J B X X X X X X序列号备用位,编最大剪板码以0表示厚度代码设备类型代码:剪板机举例1:00JBS0400100:备用位。
设备编码管理制度1. 简介本文档旨在建立和规范设备编码管理制度,以提高设备管理的效率和准确性,降低可能出现的错误和混乱。
该制度适用于所有使用设备编码的部门和员工。
2. 目标- 提供一个统一的设备编码系统,方便设备识别和管理。
- 确保设备编码的一致性和准确性。
- 简化设备查询和出借归还流程,节省时间和精力。
- 提高设备管理的透明度和可追溯性。
3. 设备编码制度3.1 设备编码规则设备编码应遵循以下规则:- 编码由字母和数字组成,不区分大小写。
- 编码长度为8位,不得超过或少于该长度。
- 每位编码应有明确的含义,例如设备类型、生产批次等。
- 不同设备类型应有不同的编码前缀。
- 各部门应统一使用设备编码系统,不得私自更改或重复使用已存在的编码。
3.2 设备编码流程设备编码的管理流程如下:1. 设备购置:设备购置部门将新设备信息登记到设备编码系统中,生成唯一的设备编码。
2. 设备标识:在设备上标识编码,并记录相关信息,如购置日期、责任人等。
3. 设备查询:员工需要查询设备信息时,可以通过设备编码在系统中快速查找。
4. 设备出借:如需要借出设备,借出方应在系统中记录借出信息,并确保记录设备归还日期。
5. 设备退役:当设备报废或不再使用时,应在系统中标记为退役状态,并记录退役日期和原因。
4. 制度执行各部门应负责执行设备编码管理制度,并确保以下事项得到妥善处理:- 对设备编码规则进行培训和宣传,以确保全体员工了解并遵守规定。
- 定期检查设备编码的准确性和一致性,如发现问题应及时纠正。
- 对设备编码的修改和更新应有相应的授权程序和记录。
- 对于丢失或损坏的设备,应及时在系统中进行更新和标记。
- 建立设备编码管理制度的违规处理机制,并及时解决违规行为。
5. 监督与评估设备编码管理制度应定期进行监督和评估,以确保其有效性和适应性。
有关部门和负责人应负责监督执行情况,并及时提出改进建议。
参考资料- 张三, 设备管理实践手册, 2020.- 国家标准化管理委员会, 设备编码规范, 2018.。
生产车间设备编码规则1.编码结构:设备编码一般由多个组成部分构成,其中各个部分对应着不同的设备信息,例如设备类别、设备属性、设备功能等。
一个设备编码示例:CDL-0234-FL-012.设备类别:根据设备的不同类型,可以将设备进行分类,并分配对应的字母代表设备类别。
例如:-M:机械设备-E:电子设备-C:化学设备-T:工具设备-P:生产设备3.设备属性:设备属性代表着设备的一些基本信息,例如设备的尺寸、重量、颜色等。
根据实际需要,可以选择不同的属性进行编码。
例如:-S:小型设备-M:中型设备-L:大型设备-W:白色设备-B:黑色设备4.设备功能:设备功能指设备所具备的主要功能,例如设备的生产加工方式、生产能力等。
根据具体情况,可以选择不同的功能进行编码。
例如:-PR:生产线-CA:采购设备-RE:维修设备-IN:检测设备-AS:组装设备5.设备序号:设备序号是设备在同类设备中的唯一编号,用于区分不同的设备。
可以根据实际情况进行编号,例如从01开始递增。
综合以上几点,可以得出设备编码规则示例:设备类别-设备序号-设备属性-设备功能。
例如,CDL-0234-FL-01的编码可以解读为:-CDL:机械设备-0234:设备序号-FL:大型白色设备-01:生产线设备通过这样的设备编码规则,生产车间可以方便地进行设备管理和标识。
不仅可以快速识别设备的类别、属性和功能,还能追踪设备的维护记录和备件管理情况,提高设备的使用效率和生产效益。
同时,设备编码规则还可以提供数据支持,用于制定设备维护计划和调度安排,实现生产车间设备的优化管理。
生产车间设备编码规则(试用版)为加强对生产车间设备的管理,方便生产车间对设备的使用,技术部特制订本规则。
实施本规则后,生产车间的每一台生产设备都有其唯一的编码。
1,生产设备编码规则。
生产设备的编码原则:车间生产设备的编码共十位,前两位为备用位,以00表示。
第三位到第五位代表设备类型,以设备类型的汉语拼音声母表示,具体见下表。
接下来的二位编码代表该种设备的生产能力的某一参数,最后两位代表该类别设备的序列号。
如下所示。
0OXXXXXXXX*代表设备类型的代码2,各种型号设备编码规则具体如下:2.1,剪板机编码规则:剪板机的编码前两位为备用位,以 00表示。
接下来的三位 代表设备类型,以剪板的拼音声母大写 JB 开始,第五位区分剪板机是数控的还是非数 控的或别的类型,若是数控的,在JB 后加字母S ,普通剪板机则在JB 后加字母P ,以后 若增加其他类型的剪板机,以此位区别。
再接下来的三位代表剪板机的可剪最大厚 度。
例如040代表剪板最大厚度为4mm ,120代表剪板的最大厚度为12mm 。
最后是剪 板机的序列号,含两位。
因此,剪板机编码共包含 10位,具体形式如下:4设备类型代码:剪板机举例1: 00:备用位。
JBS :数控剪板机。
040:剪板的最大厚度为4mm 。
01 :剪板机的序列号,表示此剪板机在此类设备中序列号为 01。
2.2, 折弯机编码规则:折弯机的编码前两位为备用位,以 00表示。
接下来的三位 代表设备类型,以折弯的拼音声母大写 ZW 开始,代表设备类型:折弯机,第五位区 分此折弯机是数控的还是非数控的或别的类型,若是数控的,在字母 ZW 后加字母S o 普通折弯机则在ZW 后加字母P ,以后若增加其他类型的折弯机,以此位区别。
第五位 到第代表设备某一生 产能力的代码J B X X X X X X•最大剪板 厚度代码00JBS04001 备用位,编 码以0表示序列号备用位,编 码以0表示0 0序列号八位代表折弯机的最大公称力,以吨为单位。
药厂设备编号管理制度一、总则为了规范药厂设备的管理,提高设备使用效率和延长设备使用寿命,制定本管理制度。
二、管理范围本管理制度适用于药厂内所有设备的编号管理,包括设备的购置、调拨、维修等环节。
三、编号原则1. 设备编号应基于国家相关规定进行统一管理,避免重复、混淆。
2. 设备编号应由专门负责设备管理的部门进行统一规划和分配。
3. 设备编号应具有时效性和可追溯性,易于查找和管理设备。
四、编号规范1. 设备编号由阿拉伯数字、英文字母或特定符号组成,编号长度应符合实际情况。
2. 设备编号应包含设备类型、购置日期、购置来源等信息,便于识别和管理。
3. 设备编号应与设备名称进行对应,便于查找和使用。
五、编号管理1. 设备管理部门负责设备编号的规划、分配和管理,保证设备编号的唯一性和完整性。
2. 新购置设备应及时申请设备编号,并填写设备信息登记表,交由设备管理部门进行登记。
3. 调拨设备应填写设备调拨申请表,经设备管理部门审核后进行设备编号变更。
4. 维修设备应填写设备维修申请表并登记设备编号,维修完毕后应更新设备信息登记表。
六、设备标识1. 设备编号应标识在设备的显著位置,便于识别和管理。
2. 设备标识应保持清晰、稳固,避免脱落或磨损。
七、设备台账1. 设备管理部门应建立设备台账,对设备信息进行登记和更新。
2. 设备台账应包括设备编号、设备名称、购置日期、购置来源、设备型号、规格、厂家等信息。
3. 设备管理部门应定期审核设备台账,保证设备信息的准确性和完整性。
八、设备维护1. 设备管理部门应定期检查设备的标识和编号,保持设备信息的完整性和准确性。
2. 设备维修部门应及时更新设备信息登记表,保证设备维修记录的及时性和准确性。
3. 设备管理部门应定期组织设备维修人员进行设备维护和保养,延长设备使用寿命。
九、违规处理1. 对于未按规定进行设备编号管理的单位或个人,设备管理部门应责令整改并进行警告。
2. 对于严重违规情况,设备管理部门应报告上级主管部门进行处理。
生产车间设备编码规则(试用版)为加强对生产车间设备的管理,方便生产车间对设备的使用,技术部特制订本规则。
实施本规则后,生产车间的每一台生产设备都有其唯一的编码。
1,生产设备编码规则。
生产设备的编码原则:车间生产设备的编码共十位,前两位为备用位,以00表示。
第三位到第五位代表设备类型,以设备类型的汉语拼音声母表示,具接下来的三位编码代表该种设备的生产能力的某一参数,最后两位代表该类别设备的序列号。
如下所示。
2,各种型号设备编码规则具体如下:2.1,剪板机编码规则:剪板机的编码前两位为备用位,以00表示。
接下来的三位代表设备类型,以剪板的拼音声母大写JB开始,第五位区分剪板机是数控的还是非数控的或别的类型,若是数控的,在JB后加字母S,普通剪板机则在JB后加字母P,以后若增加其他类型的剪板机,以此位区别。
再接下来的三位代表剪板机的可剪最大厚度。
例如040代表剪板最大厚度为4mm,120代表剪板的最大厚度为12mm。
最后是剪板机的序列号,含两位。
因此,剪板机编码共包含10位,具体形式如下:举例1:00JBS0400100:备用位。
JBS:数控剪板机。
040:剪板的最大厚度为4mm。
01:剪板机的序列号,表示此剪板机在此类设备中序列号为01。
2.2,折弯机编码规则:折弯机的编码前两位为备用位,以00表示。
接下来的三位代表设备类型,以折弯的拼音声母大写ZW开始,代表设备类型:折弯机,第五位区分此折弯机是数控的还是非数控的或别的类型,若是数控的,在字母ZW后加字母S。
普通折弯机则在ZW后加字母P,以后若增加其他类型的折弯机,以此位区别。
第五位到第八位代表折弯机的最大公称力,以吨为单位。
例如100表示此折弯机的最大公称力为100吨。
最后是折弯机的序列号,包含两位。
因此,折弯机的编码共包含10位,具体形式如下:举例:00ZWS1000100:备用位。
ZWS:数控折弯机。
100:此折弯机的最大公称力为100吨。
01:折弯机的序列号,表示此折弯机在此类设备中序列号为01。
工装编码规则
工装的合理使用不仅保证了零件加工质量而且提高了生产效率,因而切实搞好工装的设计、制造、保管和维护保养及编码工作,是保证正常生产和促进生产发展的重要措施。
按照使用范围的不同,对车间工装应进行编号,以便于管理。
编号规则:车间(大排、小排、双吸泵、清水泵)—名称—编号
例如:双吸泵—ZB—001
序号名称图例标识颜色
1 流转车车间—LZC—编号黑色
2 放置架车间—FZJ—编号黑色
3 图纸架车间—TZJ—编号黑色
4 工作台车间—GZT—编号黑色
5 放置框车间—FZK—编号黑色
6 木放置框车间—MFZK—编号黑色
7 栈板车间—ZB—编号黑色
8 木栈板车间—M ZB—编号黑色
若以上工装有损坏的,需要及时维修,维修部门为使用部门;若工装彻底作废的话,需要及时补充,并按编码规则及时编码。
注:在刚开始编码的时候,尽可能通知工艺人员在场,确保编码是合理有效的,并且写刷的编码是美观的(字与字之间必须成一定比例、协调)。
编制:审核:批准:。
备件编码规则编码方法,共14位,分为7 段,编码示意图如图1所示。
图1 结构类属分类编码法编码说明:第1 位代表部门(1-9)划分:指备件所属设备的归属部门或车间,如工辅部、生产部等。
第2、3 位代表所属的设备(01-99):指可以完成一个加工功能的独立装置,如转炉、天车等等。
第4、5 位代表所属的部件(01-99):指设备上相对独立,可以完成某一动作的组件,如减速机、联轴器等等。
为了使此项分类符合企业实际,需要在现场调查的基础上,结合设备图纸,进行逐一归类。
为了使编码规范统一,对不同设备系统上的同类部件,例如联轴器,使用统一编码。
码段划分:01~50 一般为通用部件编码范畴,如电机等;51~99 为专用部件编码范畴。
部件的划分是在全厂范围内进行,这样可以保证不同部门的同类零件同码。
第6、7位代表型号代码(01-99):指部件具体型号规格,如电机按照三相、两相,交、直流及异步、同步、伺服、鼠笼等形式所标定的不同型号。
通用型号排在前面,特殊型号排在后面。
第8 位代表备件来源(1,2,3,4):指进口或国产,国产成品为1,进口成品为2,国产毛坯为3,进口毛坯为4 等等。
第9~13 位代表零件(00001-99999):指独立的、一般不再分割的备件,如螺母,弹簧等等。
零件为5 位数码,分为两段,具体的编码原则如下图所示:零件流水号零件分类号图2 零件编码原则其中,零件分类号是根据零件的用途,结构及物理特性进行的综合分类,如紧固件(含螺丝、螺母、垫圈、弹簧等),啮合件(含齿轮、涡轮、蜗杆、丝杠、轴套等),密封件(含密封圈、法兰盘等),气动件(含气缸、电磁阀等),配合件(含轴、套、瓦等),轮盘件(含各种导论、链轮、车轮、转盘等),电气件(含各种强电配件,如开关、继电器等)、电子件(含电子仪器中的弱电元件电阻、电容、电感、集成块等),结构件(含各种机壳、箱、架、托等)。
码段划分:01~50 为易于分类的配件编码范畴;50~99 为无法分类的特殊、异型配件编码范畴。
山东森德数控机械有限公司固定资产编码暂行办法在现代化企业中,固定资产的种类、数量很多,尤其是设备、管线、仪器仪表等,占的比重较大,而且同类设备也较多,因此,应对这些固定资产进行编号。
编号的方法应力求科学、直观、简便、便于统一管理,又应减少文字说明提高工作效率。
我公司根据相关编码原则,结合公司的实际情况,采用以下编码规则。
1.设备编号的基本形式设备编号的基本形式为:口口××××以上编号中,第一组是一个或几个英文字母或拼音字母,代表不同类别的设备。
第二组是数字,其中第一位数字代表装置(或车间);第二位数字代表工号(或工段);后两位数代表设备位号,是按同一类型(即用同一字母命名的)设备,按工艺顺序来编排。
第一组的设置参照表1。
表1 设备代号一览表注:1.表中除电动机外,均为拼音字母。
2.其他未用字母可供企业选用第二组四位数字的第一位数为装置或地点代号,根据本公司装置或地点数给装置或地点编一个号,当单位超过十个,则采用十六进制编码。
第二组第1位设置参照表2。
表2 装置或地点代号表第二位数工号(或工段号),基本按流程顺序和行政划分的工序或工段依次编排,一般不会超过9个工序。
当超过9个工序时采用十六进制编码。
第二组第2位设置参照表3。
表3 工序或工段代号表第二组后二位数为位号,即设备序号。
2.设备编号中应遵循的原则(1)每一个设备编号,只代表一台设备。
在一个企业中,不允许有二台设备采用一个编号(说明:字母加数字构成一个完整编号,出现同样数字的编号是允许的)。
(2)编号要明确反映设备类型。
(3)能明确反映设备所属装置及所在位置。
(4)编号应尽量精简,数字位数与符号应尽量简单而少。
当设备编号后,应编制出统一的设备一览表,并应保持稳定。
如果设备调出或报废,发生空号,可在设备档案或一览表中注明。
若新增设备,则可以新增编号,或填补空号。
山东森德数控机械有限公司2008年2月19日。
冲压生产编码规定
1、目的
为便于在零件在整个生产过程不良追溯售后服务检查过程中的管理,特制定生产跟踪编码规则。
2、适用范围
适用于冲压车间大冲班组。
3、方法及要求
3.1 总则
生产跟踪编码根据零件生产工序看长短定义编码长度含义如下:
X X X X X
OP50 生产小组代码,如有后工序自动延续
OP40 生产小组代码
OP30 生产小组代码
OP20 生产小组代码
OP10 生产小组代码
3.2 操作工编码有车间负责人定义并报备质量部,每个人均需有代码定义,小组编码使用规定:生产小组组成采用编码应按员工编码顺序采用第一位员工代码例:ABCD 4位员工组成生产小组,按顺序
采用A作为此生产小组代码;如遇到A请假或其他原因未到岗,需调配其他员工顶岗则顶岗员工代码替代未到岗员工代码,例:A员工今天有事请假需E员工进行顶岗,则小组代码变更为E。
3.3、生产编码做为重要追溯依据应在零件上对位置进行规定(车间自行规定)在质量部进行备案,编码表示顺序为从左到右书写,不得随意更改。
在生产过程台账中要有编码记录。
4、管理办法
本文件用于冲压冲压车间,未按(冲压生产编码规定)执行的员工车间负责人有权对其执行100元以下的考核,对车间拒不执行的或执行不到位的质量部有权对车间负责人执行500元以下的考核。
2021.12.24。
生产车间设备编码规则(试用版)
为加强对生产车间设备的管理,方便生产车间对设备的使用,技术部特制订本规则。
实施本规则后,生产车间的每一台生产设备都有其唯一的编码。
1,生产设备编码规则。
生产设备的编码原则:车间生产设备的编码共十位,前两位为备用位,以
00表示。
第三位到第五位代表设备类型,以设备类型的汉语拼音声母表示,具
体见下表。
接下来的三位编码代表该种设备的生产能力的某一参数,最后两位代表该类别设备的序列号。
如下所示。
2,各种型号设备编码规则具体如下:
2.1,剪板机编码规则:剪板机的编码前两位为备用位,以00表示。
接下来的三位代表设备类型,以剪板的拼音声母大写JB开始,第五位区分剪板机是数控的还是非数控的或别的类型,若是数控的,在JB后加字母S,普通剪板机则在JB后加字母P,以后若增加其他类型的剪板机,以此位区别。
再接下来的三位代表剪板机的可剪最大厚度。
例如040代表剪板最大厚度为4mm,120代表剪板的最大厚度为12mm。
最后是剪板机的序列号,含两位。
因此,剪板机编码共包含10位,具体形式如下:
举例1:00JBS04001
00:备用位。
JBS:数控剪板机。
040:剪板的最大厚度为4mm。
01:剪板机的序列号,表示此剪板机在此类设备中序列号为01。
2.2,折弯机编码规则:折弯机的编码前两位为备用位,以00表示。
接下来的三位代表设备类型,以折弯的拼音声母大写ZW开始,代表设备类型:折弯机,第五位区分此折弯机是数控的还是非数控的或别的类型,若是数控的,在字母ZW后加字母S。
普通折弯机则在ZW后加字母P,以后若增加其他类型的折弯机,以此位区别。
第五位到第八位代表折弯机的最大公称力,以吨为单位。
例如100表示此折弯机的最大公称
力为100吨。
最后是折弯机的序列号,包含两位。
因此,折弯机的编码共包含10位,具体形式如下:
举例:00ZWS10001
00:备用位。
ZWS:数控折弯机。
100:此折弯机的最大公称力为100吨。
01:折弯机的序列号,表示此折弯机在此类设备中序列号为01。
2.3,冲床编码规则:冲床的编码前两位为备用位,接下来的三位代表设备类型,以冲床的冲字拼音声母大写C开始,CS0代表多工位冲床,CP0代表普冲,CYY代表液压压力机。
以后增加其他类型的冲床,以第四位和第五位区分。
第五位到第八位代表此压力机的最大公称力,以吨为单位。
例如020,代表此压力机的最大公称力为20吨,100代表此冲床的最大公称力为100吨。
最后两位是冲床的序列号。
因此,压力机的编码共包含10位,具体形式如下:
举例1:00CS002001
00:备用位。
CS0:多工位冲床
020:冲床的最大公称力20吨。
01:多工位冲床的序列号。
举例1:00CP010001
00:备用位。
CP0:普通机械压力机(普冲)
100:普冲的最大公称力100吨。
01:普冲冲床的序列号。
2.4,焊机的编码规则:电焊机的编码前两位为备用位,以00表示。
接下来的三位以“焊”字的拼音大写H开始,第四位与第五位代表焊机的类型,CB代表CO2气体保护焊,YH代表氩弧焊,JG代表激光焊,CN代表储能焊,ZL代表直流焊,同理,新增的焊机类型在这两位区别。
再接下来的三位代表该类型焊机的一个主要参数,电阻焊此三位代表额定功率,激光焊此三位代表激光功率(例如030代表激光功率300W),储能焊此三位代表最大充电电压。
直流焊代表额定输出电流,其他类型则代表最大输出电流。
编码最后两位代表电焊机的序列号。
因此,电焊机的编码共10位,具体形式如下:
举例1:00HCB05601
00:备用位。
HCB:CO2气体保护焊电焊机
056:该焊机的最大输入电流:56A
01:此焊机的序列号。
2.5,激光切割机的编码规则:同前,编码前两位为备用位,以00表示。
接下来的三位JGG( 激光割的汉语拼音声母)代表设备类型:激光切割机。
第五位到第八位代表此设备功率,例如025代表此设备最大功率为2500W。
最后是此种设备的序列号。
因此,激光切割机的编码共10位,具体形式如下:
举例:00JGG02501
00:备用位。
JGG:激光切割机
025:该激光切割机的功率2500W
01:激光切割机的序列号。
2.6,气割设备的编码规则:同前,编码前两位00开始,为备用位。
第三位到第四位以气割的汉语拼音声母QG表示,代表设备类型,第五位代表切割类型,S代表数控切割,B代表半自动切割。
以后若增加其他类型的气割设备,在此位区分。
接下来的三位代表该设备的最大切割厚度,例如012代表该设备的最大切割厚度为120mm。
最后两位是该类型设备的序列号,具体形式如下:
举例1:00QGS01201
00:备用位。
QGS:数控切割机
012:设备最大切割厚度120mm
01:数控切割机的序列号
2.7,钻床的编码规则:钻床的编码前两位为备用位,以00表示。
接下来的三位以“钻”字的汉语拼音声母开始,第四位与第五位代表钻床的类型,多余字符用0代替。
例如ZKC代表空心磁力钻,ZL0代表立钻(L代表立,第三位空余,用0代替),ZYB 代表摇臂钻,ZZG代表台式钻攻钻床,同理,新增的钻床类型在这两位区别。
十位编码
中接下来的三位代表钻床可钻孔的最大直径,例如032代表该钻床最大可钻直径为32的孔。
最后两位代表该种设备的序列号。
具体形式见下:
举例1:00ZKC03201
00:备用位。
ZKC:空心磁力钻
032:钻床可钻最大孔的直径32。
01:空心磁力钻的序列号
举例2:00ZYB03001
00:备用位。
ZYB:摇臂钻
030:钻床可钻最大孔的直径30。
01:摇臂钻的序列号
2.8,锯床的编码规则:锯床的编码前两位为备用位,以00表示。
第三位到第五位代表锯床的类型,以“锯”字的汉语拼音声母J开始,例如,JJD代表金属带锯床,JXG 代表型材锯割机,同理,新增的锯床类型在这两位区别。
十位编码中接下来的三位代表该剧床的最大锯削直径,例如380代表该锯床最大锯削直径为φ380mm。
最后两位是该种设备的序列号。
具体形式见下:
举例:00JJD26001
00:备用位。
JJD:金属带锯床
260:该锯床的最大锯削直径φ260mm
01:金属带锯床的序列号。
生产车间的设备编码规则大体如上所述,如有新类型生产设备的增加,必须由设备编码规则制订人员增加相应的设备编码。