IEC8705-101规约说明解析
- 格式:doc
- 大小:279.00 KB
- 文档页数:31
IEC870-5-101规约1.概述本篇介绍主站和RTU之间通讯的IEC870-5-101规约,该规约有两种传输方式:平衡式和非平衡式传输,在点对点和多个点对点的全双工通道结构中采用平衡式传输方式,在其它通道结构中只采用非平衡式传输方式。
平衡式传输方式中101规约是一种“问答+循环”式规约,即主站端和子站端都可以作为启动站;而当其用于非平衡式传输方式时101规约是问答式规约,只有主站端可以作为起动站。
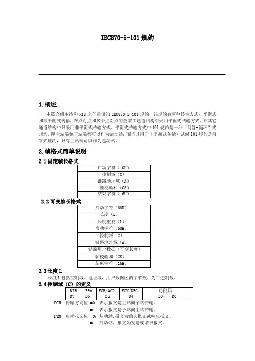
2.帧格式简单说明2.12.22.3长度L长度L包括控制域、地址域、用户数据区的字节数,为二进制数。
2.4DIR:传输方向位 =0:表示报文是主站向子站传输。
=1:表示报文是子站向主站传输。
PRM:启动报文位 =0:从动站,报文为确认报文或响应报文。
=1:启动站,报文为发送或请求报文。
FCB:帧计数位:启动站向从动站传输启动站向从动站传输新一轮的发送/确认、请求/响应服务时,将前一轮FCB取相反值。
FCV:帧计数有效位:启动站向从动站传输=0:表示FCB变化无效。
=1:表示FCB变化有效。
ACD:要求访问位:主站做从动站时ACD位无实际意义,ACD=0。
子站做从动站时ACD=0:表示子站无1级用户数据;ACD=1:表示子站有1级用户数据,希望向主站传输。
DCF:数据流控制位:从动站向启动站传输=0:表示子站可以继续接收数据。
=1:表示子站数据区满,无法接收新数据。
功能码(D3—D0):功能码范围为0—15(00H—0FH);功能码代表的意义较为烦琐,参考《关于基本远动任务配套标准的说明》(远动设备及系统传输规约)。
2.5链路地址域链路地址域为子站站址。
2.6帧检验和帧检验和是控制、地址、用户数据区所有字节的算术和(不考虑溢出位即256模和)。
3.非平衡式传输—即主站作为启动站的各种报文3.1 主站的询问顺序对于点对点和多个点对点的通道结构,主站或子站复位后首先进行初始化,总召唤和时钟同步后系统转入正常,然后在循环召唤2级用户数据的序列中定期插入按照分组召唤方式和按顺序收集各组数据进行召唤。
IEC870-5-101规约报文解释一、规约格式简介1、祯格式101规约的基本祯格式如下所示,具体的解释请参照规约手册,这里不再重复。
固定祯长格式:可变祯长格式:规约中不同的命令,可能采用不同的祯格式。
2、控制域功能码说明主站下发子站功能码子站上送主站功能码二、主站初始化RTU下发命令流程(以非平衡方式通信)以下adrs 表示链路地址(一般为rtu 站址),comadr 表示公共地址(一般为rtu 站址),infadr_l 表示信息体地址低位,infadr_h 表示信息体地址高位,CS 表示祯校验和。
对时祯为长时标方式。
1、 询问链路状态 10 49 adrs CS 16子站回答 10 80 adrs CS2、 复位远方链路1040 adrs CS 子站回答 10 89 adrs CS 3、总召唤 68 10 10 68 16子站确认 68 09 09 68 80 adrs 64 01 07 comadr00 00 14 CS 16子站发送遥测遥信祯(下面将详细解释)子站发送总召唤结束祯68 09 09 68 88 adrs 64 01 0a comadr00 00 14 CS 164、 如果没有召唤全则进行分组召唤下发命令码: 68 09 09 68 7b adrs 64 01 05 comadr子站发送遥测遥信祯(和总召唤的一样,只是信息体地址会有所区别)5、 发对时令 68 0f 0f 68 53 adrs 67 01 06 comadr00 00 milliseconds_l milliseconds_hminutes hours day month year CS 16子站确认祯 68 0f 0f 68 80 adrs 67 01 07 comadr00 00 milliseconds_l milliseconds_hminutes hours day month year CS 166、 召唤全电度 68 09 09 68 73 adrs 65 01 06 comadr00 00 45 CS 16子站发送电度总召唤确认祯68 09 09 68 80 adrs 65 01 07 comadr00 00 45 CS 16子站发送电度祯(下面将详细讲述)子站发送电度结束祯 68 09 09 68 80 adrs 65 01 0a comadr00 00 45 CS 167、 如果电度没有召唤全则进行分组召唤电度68 09 09 68 7b adrs 65 01 05 comadr8、如果ACD位为1则召唤一级数据10 5a adrs CS 16子站发送遥信状态变位祯(下面将详细讲述)如果没有则子站发送E59、召唤二级数据10 7b adrs CS 16如果有变化遥测则子站发送变化遥测祯(下面将详细讲述)如果有SOE则子站发送事件顺序记录祯如果没有相应信息则子站发送E5以上任何一祯发送后子站都应有所回答,如果超时子站没有回答主站都会连发3遍,再没有回答则主站重新询问子站链路状态。
IEC870-5-101规约1.概述本篇介绍主站和RTU之间通讯的IEC870-5-101规约,该规约有两种传输方式:平衡式和非平衡式传输,在点对点和多个点对点的全双工通道结构中采用平衡式传输方式,在其它通道结构中只采用非平衡式传输方式。
平衡式传输方式中101规约是一种“问答+循环”式规约,即主站端和子站端都可以作为启动站;而当其用于非平衡式传输方式时101规约是问答式规约,只有主站端可以作为起动站。
2.帧格式简单说明2.12.22.3长度L长度L包括控制域、地址域、用户数据区的字节数,为二进制数。
2.4DIR:传输方向位 =0:表示报文是主站向子站传输。
=1:表示报文是子站向主站传输(部版101有用)。
PRM:启动报文位 =0:从动站,报文为确认报文或响应报文。
=1:启动站,报文为发送或请求报文。
FCB:帧计数位:启动站向从动站传输启动站向从动站传输新一轮的发送/确认、请求/响应服务时,将前一轮FCB取相反值。
FCV:帧计数有效位:启动站向从动站传输=0:表示FCB变化无效。
=1:表示FCB变化有效。
ACD:要求访问位:主站做从动站时ACD位无实际意义,ACD=0。
子站做从动站时ACD=0:表示子站无1级用户数据;ACD=1:表示子站有1级用户数据,希望向主站传输。
DCF:数据流控制位:从动站向启动站传输=0:表示子站可以继续接收数据。
=1:表示子站数据区满,无法接收新数据。
功能码(D3—D0):功能码范围为0—15(00H—0FH);功能码代表的意义较为烦琐,参考《关于基本远动任务配套标准的说明》(远动设备及系统传输规约)。
2.5链路地址域链路地址域为子站站址。
2.6帧检验和帧检验和是控制、地址、用户数据区所有字节的算术和(不考虑溢出位即256模和)。
3.非平衡式传输—即主站作为启动站的各种报文3.1 主站的询问顺序对于点对点和多个点对点的通道结构,主站或子站复位后首先进行初始化,总召唤和时钟同步后系统转入正常,然后在循环召唤2级用户数据的序列中定期插入按照分组召唤方式和按顺序收集各组数据进行召唤。
(规约标准DL/T 634--1997 neq IEC870--5--101:1995 第101篇基本远动任务配套标准)一、规约支持子站->主站监视方向过程和控制信息类型标示<1> :不带时标的单点信息类型标示<2> :带时标的单点信息类型标示<3> :不带时标的双点信息类型标示<4> :带时标的双点信息类型标示<5> :变压器分接头信息类型标示<9> :测量值类型标示<15> :电能脉冲记数量类型标示<17> :带时标的继电保护或重合闸设备单个事件类型标示<21> :不带品质因数的测量值类型标示<70> :初始化结束主站->子站控制方向过程和控制信息类型标示<45> :单点遥控命令类型标示<46> :双点遥控命令类型标示<47> :升降命令(如果改为46,则不支持急停)类型标示<100>:召唤命令类型标示<101>:电能脉冲召唤命令类型标示<102>:读数据类型标示<103>:时钟同步命令类型标示<104>:测试命令类型标示<105>:复位进程命令二、通道参数配置1、首先进入参数配置的通道设置向导中;2、选择IEC101规约,配置串口参数;3、进入“高级配置”窗口。
a、请选择是否使用该通道对计算机校时;b、校时的基准年现在为2000,是当规约中用一个字节表示年份时,需要与之求和得到4位数的实际年份;c、本规约暂时只支持上送过程值;d、事故总、预告总复归时间设置,决定了事故总信号和预告总信号被置位后自动复归的时间间隔;e、遥控超时时间的设置应大于调度端所设遥控超时时间,一般不应小于10秒;f、遥测越限死区值,是当规约召唤2级数据时,上送的遥测的变化量大于此处所设置的的遥测变化千分比;g、禁止遥控的两个选项,本规约暂时未采用;h、切换通道参数中,误码帧数和判断误码时间间隔,由于本规约采用串口按字节接收,因此通道误码被忽略,只需按通讯中断时间来判断是否需要切换通道;i、允许通道中断时间应大于链路响应时间,波特率小时该时间应稍大(300波特率时应大于5秒),波特率大时可适当减小,但不应小于3秒,如果需要主动上送传输时该时间应加大至大于调度端链路响应时间。
I E C101规约介绍IEC870-5-101规约介绍1.概述本篇介绍主站和RTU之间通讯的IEC870-5-101规约,该规约有两种传输方式:平衡式和非平衡式传输,在点对点和多个点对点的全双工通道结构中采用平衡式传输方式,在其它通道结构中只采用非平衡式传输方式。
平衡式传输方式中101规约是一种“问答+循环”式规约,即主站端和子站端都可以作为启动站;而当其用于非平衡式传输方式时101规约是问答式规约,只有主站端可以作为启动站。
2.帧格式简单说明2.1固定帧长格式2.2可变帧长格式2.3长度L长度L包括控制域、地址域、用户数据区的字节数,为二进制数。
2.4控制域(C)的定义RES:备用PRM:启动报文位 =0:从动站,报文为确认报文或响应报文。
=1:启动站,报文为发送或请求报文。
FCB:帧计数位:启动站向从动站传输启动站向从动站传输新一轮的发送/确认、请求/响应服务时,将前一轮FCB取相反值。
FCV:帧计数有效位:启动站向从动站传输=0:表示FCB变化无效。
=1:表示FCB变化有效。
ACD:要求访问位:主站做从动站时ACD位无实际意义,ACD=0。
子站做从动站时ACD=0:表示子站无1级用户数据;ACD=1:表示子站有1级用户数据,希望向主站传输。
DFC:数据流控制位:从动站向启动站传输=0:表示子站可以继续接收数据。
=1:表示子站数据区满,无法接收新数据。
功能码(D3—D0):功能码范围为0—15(00H—0FH)。
2.5链路地址域链路地址域为子站站址。
2.6帧检验和帧检验和是控制、地址、用户数据区所有字节的算术和(不考虑溢出位即256模和)。
2.7 应用服务数据单元结构在监视方向上的过程信息类型标识=TYPE IDENTIFICATION:=UI8[1..8]<0..44><0>:= 未定义<1>:= 单点信息 M_SP_NA_1<2>:= 带时标的单点信息 M_SP_TA_1<3>:= 双点信息 M_DP_NA_1<4>:= 带时标的双点信息 M_DP_TA_1<5>:= 步位置信息 M_ST_NA_1<6>:= 带时标的步位置信息 M_ST_TA_1<7>:= 32比特串 M_BO_NA_1<8>:= 带时标的32比特串 M_BO_TA_1<9> := 测量值, 规一化值 M_ME_NA_1<10> := 测量值,带时标的规一化值 M_ME_TA_1<11> := 测量值, 标度化值 M_ME_NB_1<12> := 测量值, 带时标的标度化值 M_ME_TB_1<13> := 测量值, 短浮点数 M_ME_NC_1<14> := 测量值, 带时标的短浮点数 M_ME_TC_1<15> := 累计量 M_IT_NA_1<16> := 带时标的累计量 M_IT_TA_1<17> := 带时标的继电保护设备事件 M_EP_TA_1<18> := 带时标的继电保护设备成组启动事件 M_EP_TB_1<19> := 带时标的继电保护设备成组输出电路信息 M_EP_TC_1<20> := 带变位检出的成组单点信息 M_PS_NA_1<21> := 测量值, 不带品质描述词的规一化值 M_ME_ND_1<22..29> := 为将来兼容定义保留<30> := 带CP56Time2a时标的单点信息 M_SP_TB_1<31> := 带CP56Time2a时标的双点信息 M_DP_TB_1<32> := 带CP56Time2a时标的步位置信息 M_ST_TB_1<33> := 带CP56Time2a时标的32比特串 M_BO_TB_1<34> := 带CP56Time2a时标的测量值, 规一化值 M_ME_TD_1<35> := 带CP56Time2a时标的测量值, 标度化值 M_ME_TE_1<36> := 带CP56Time2a时标的测量值, 短浮点数 M_ME_TF_1<37> := 带CP56Time2a时标的累计量 M_IT_TB_1<38> := 带CP56Time2a时标的继电保护设备事件 M_EP_TD_1<39> := 带CP56Time2a时标的继电保护设备成组启动事件 M_EP_TE_1<40> := 带CP56Time2a时标的继电保护设备成组输出电路信息M_EP_TF_1<41..44> := 为将来兼容定义保留在控制方向的过程信息类型标识=TYPE IDENTIFICATION:=UI8[1..8]<45..69>CON<45>:= 单点命令 C_SC_NA_1CON<46>:= 双点命令 C_DC_NA_1CON<47>:= 步调节命令 C_RC_NA_1CON<48>:= 设定值命令, 规一化值 C_SE_NA_1CON<49>:= 设定值命令, 标度化值 C_SE_NB_1CON<50>:= 设定值命令, 短浮点数 C_SE_NC_1CON<51>:= 32比特串 C_BO_NA_1<52..69> := 为将来兼容定义保留在监视方向的系统命令类型标=TYPE IDENTIFICATION=:=UI8[1..8]<70..99><70>:= 初始化结束 M_EI_NA_1<71..99>:= 为将来兼容定义保留在控制方向的系统命令类型标识=TYPE IDENTIFICATION:=UI8[1..8]<100..109>CON<100>:= 总召唤命令 C_IC_NA_1CON<101>:= 计数量召唤命令 C_CI_NA_1CON <102>:= 读命令 C_RD_NA_1CON<103>:= 时钟同步命令 C_CS_NA_1CON<104>:= 测试命今 C_TS_NA_1注:在控制方向标上(CON) 的应用服务数据单元是被确认的应用服务,在监视方向形成镜像,但传送原因不同. 这些镜像的应用服务数据单元用来作为肯定/否定认可(验证) 。
1101规约概述1.1101规约的内容IEC 870-5-101是针对IEC 870-5基本标准中的FT1.2异步式字节传输帧格式,对物理层、链路层、应用层、用户进程作了大量具体的规定和定义。
1.2FT1.2帧格式FT1.2帧格式有可变帧长及固定帧长两种,这两种格式如图1所示:FT1.2可变帧长格式用于主站向子站传输数据或由子站向主站传输数据;FT1.2固定帧长格式用于子站回答主站的确认报文或主站向子站的询问报文。
本标准使用的参考模型源出于开放式互联的ISO—OSI参考模型,但由于远动系统在有限的传输带宽下要求短的反映时间,故本标准采用性能结构(EPA)———模型2。
这种模型仅用三层,即物理层、链路层、应用层,其模型如图2所示。
1.3物理层、链路层、应用层1.3.1物理层物理层是OSI模型的第1层,其任务是使网络内两实体间的物理连接,按位串行传送比特流,将数据信息从一个实体经物理信道送经另一个实体,向数据链路层提供一个透明的比特流传送服务。
因此,物理层接口和协议应考虑如下问题:a)机械方面,应考虑插接器的尺寸、引线数目和排列;b)电气方面,要考虑信号的波形和参数,如多少伏电压代表“1”和“0”,一个bit占多少毫秒;c)功能方面,要考虑每一条线路的作用和操作要求,比如是数据电路、控制电路还是时钟电路;d)过程方面,主要考虑利用接口传送比特流的整个过程和执行的先后顺序,比如怎样建立和拆除物理线路的连接,是全双工还是半双工操作。
具体到101规约,对物理层的规定选自ISO和ITU-T标准,该标准支持下述网络结构,包括点对点、多个点对点、多点星形、多点共线、多点环形等。
电气特性方面,对于非平衡式转接电路采用V.24/V.28,而平衡式转接电路则采用X.24/X.27。
1.3.2数据链路层数据链路层是OSI的第2层,其主要任务是将一条原始传输线路转换为对网络来说是无错的传输线路。
因此,它必须将输入数据分成数据块(帧),并依次传递各帧和处理由接收端发回的应答帧,解决了数据链路连接的建立、维持和释放;在链路上实现帧的同步或异步传输;差错控制与恢复;流量控制等一系列问题。
IEC870-5-101规约 1.概述本篇介绍主站和RTU之间通讯的IEC870-5-101规约,该规约有两种传输方式:平衡式和非平衡式传输,在点对点和多个点对点的全双工通道结构中采纳平衡式传输方式,在其它通道结构中只采纳非平衡式传输方式。
平衡式传输方式中101规约是一种“咨询答+循环〞式规约,即主站端和子站端都能够作为启动站;而当其用于非平衡式传输方式时101规约是咨询答式规约,只有主站端能够作为起动站。
2.帧格式简单讲明固定帧长格式启动字符〔10H〕操纵域〔C〕链路地址域〔A〕帧校验和〔CS〕结束字符〔16H〕可变帧长格式启动字符〔68H〕长度〔L〕长度重复〔L〕启动字符〔68H〕操纵域〔C〕链路地址域〔A〕链路用户数据〔可变长度〕帧校验和〔CS〕结束字符〔16H〕长度L长度L包括操纵域、地址域、用户数据区的字节数,为二进制数。
操纵域〔C〕的定义DIRD7PRMD6FCB/ACDD5FCV/DFCD4功能码D3----D0DIR:传输方向位=0:表示报文是主站向子站传输。
=1:表示报文是子站向主站传输。
PRM:启动报文位=0:从动站,报文为确认报文或响应报文。
=1:启动站,报文为发送或请求报文。
FCB:帧计数位:启动站向从动站传输启动站向从动站传输新一轮的发送/确认、请求/响应效劳时,将前一轮FCB取相反值。
FCV:帧计数有效位:启动站向从动站传输=0:表示FCB变化无效。
=1:表示FCB变化有效。
ACD:要求访咨询位:主站做从动站时ACD位无实际意义,ACD=0。
子站做从动站时ACD=0:表示子站无1级用户数据;ACD=1:表示子站有1级用户数据,盼看向主站传输。
DCF:数据流操纵位:从动站向启动站传输=0:表示子站能够接着接收数据。
=1:表示子站数据区满,无法接收新数据。
功能码〔D3—D0〕:功能码范围为0—15〔00H—0FH〕;功能码代表的意义较为烦琐,参考?关于全然远动任务配套标准的讲明?〔远动设备及系统传输规约〕。
101规约解读一、101远动规约的基本对话过程1)初始化过程(链路两端均已上电时):主站向子站询问链路状态,子站以链路状态回答主站,主站复位远方链路,子站确认回答;子站向主站询问链路状态,主站以链路状态回答子站,子站复位远方链路,主站确认回答;主站发总召唤命令,子站以全数据回答,主站发送时钟同步命令,子站以同步时钟事件回答。
2)基本问答过程:主站在初始化完毕,并召唤过全数据和时钟同步之后,开始轮询二级数据;而子站如果存在二级数据或一级数据,直接以数据回答,如不存在,则以否定报文回答(否定回答是单个字符“E5H”,也可以“无所请求数据”确认帧回答)。
3)其他问答过程:遥控选择命令以遥控选择确认帧回答,遥控执行命令以遥控执行确认帧回答,召唤电度命令以传送电度数据帧回答。
链路报文格式1)固定帧长帧格式固定长帧报文就是链路初始化报文主站:10 49 06 4F 16 (召唤链路状态)子站:10 0B 06 11 16 (状态正常)主站:10 40 06 46 16 (复位远方链路)子站:10 20 06 26 16 (确认)主站:10 5A 06 60 16(召唤一级数据)子站:ES(没有所召唤的数据)二、总召主站--子站68 09 09 68 5 3 066401 060600 00 14 DE 1668 09 09 68 73 01 64 01 06 01 00 00 14 F4 16主 子:总召唤命令帧C_IC_NA_1子站――主站68 09 09 68 28 066401070600 00 14B4 16遥测点号从16385开始子站――主站(总召遥测传送)68 88 88 68 28 06 15C0 14(20响应总召唤)06014006 00 D2 04 0E 00 EC 03 16 00 44 00 3F 00 CC 04 FF 00 F3 00 16 00 F5 FF 00 00 CB 04 EE 07 A9 FF D7 FF 5A 00 CA 04 17 00 C7 FF 3D 00 5C 08 00 00 00 00 87 01 87 00 8B 01 EB 06 D5 FB F0 FE 16 04 F2 06 00 00 00 00 00 00 94 06 F8 06 F4 06 FD 06 02 07 50 02 32 00 40 02 1C 00 2C 00 DD FF F1 00 E9 00 25 00 3E 02 35 00 17 02 15 FF 92 00 FF 00 15 FF 8E 00 00 01 9E 00 29 00 D8 01 00 00 00 00 DD 16=6:激活=7:激活确认=8:停止激活=9:停止激活确认=10:激活结束=11:远程命令引起的返送信息(未用)=12:当地命令引起的返送信息(未用)=13:文件传送(未用)=14~19:保留=20:响应总召唤=21:响应第一组召唤=22:响应第二组召唤=23:响应第三组召唤=24:响应第四组召唤=25:响应第五组召唤=26:响应第六组召唤=27:响应第七组召唤=28:响应第八组召唤=29:响应第九组召唤=30:响应第十组召唤=31:响应第十一组召唤=32:响应第十二组召唤=33:响应第十三组召唤=34:响应第十四组召唤=35:响应第十五组召唤=36:响应第十六组召唤=37:响应计数量总召唤=38:响应第一组计数量召唤=39:响应第二组计数量召唤=40:响应第三组计数量召唤=41:响应第四组计数量召唤=42~47:为配套标准保留=48~63:为特殊用途保留遥信点号从1开始子站――主站(总召单点遥信传送)68 87 87 68 28 0601FF 140601 0001 00 00 00 00 00 01 00 00 00 01 00 01 01 00 00 00 01 00 00 00 00 00 00 00 00 00 01 00 00 00 01 01 00 00 00 00 00 01 00 00 00 01 00 00 01 00 01 00 00 01 00 00 01 00 00 00 00 00 00 01 01 00 00 00 01 01 00 00 00 00 00 00 01 00 01 01 00 01 00 00 00 00 01 00 01 01 01 00 01 01 01 01 00 01 01 01 00 01 01 01 00 01 01 00 01 01 01 01 00 01 01 01 01 01 01 01 01 01 01 01 01 01 01 00 01 00 83 1668 09 09 68 08 28 01 01 03 28 12 00 01 70 16子→主总召结束68 09 09 68 08 0664010A0600 00 14 97 16子→主:总召唤结束帧M_IC_NA_1三、一般询问过程当没有变化数据时:1、主→子:召唤二级用户数据帧C_P2_NA_1 (10 7B 06 81 16)子→主:无所请求数据确认帧M_NV_NA_1或回答单个字符E5H 当有遥信变化(一级用户数据)时,直接以一级数据应答2、主→子:召唤二级用户数据帧C_P2_NA_1子→主:单点遥信变化响应帧M_SP_NA_1子→主:不带品质描述的遥测帧子 主:状态和状态变位的遥信帧带品质描述的单点信息SIQSPI(1bit)=0:OFF(开)RES(3bit):保留=1:ON(合)BL(1bit)=0:未被闭锁SB(1bit)=0:未被取代=1:被闭锁=1:被取代NT(1bit)=0:当前值IV(1bit)=0:有效=1:非当前值=1:无效遥控点号从24577开始1.遥控过程主 子:遥控选择命令的发送帧C_DC_NA_1子→主:遥控选择命令的确认帧M_DC_NA_1主→子:遥控执行命令的发送帧C_DC_NA_1子→主:遥控执行命令的确认帧M_DC_NA_1☆遥控命令DCOS/E=0:执行=1:选择QU:目前固定为0DCS =0:不允许=1:OFF,开=2:ON,合=3:不允许当子站发生事件顺序记录SOE(二级用户数据)时,报告SOE:主→子:召唤二级用户数据帧C_P2_NA_1子→主:单点/双点信息的事件顺序记录M_SP_TA_1/ M_DP_TA_1101规约解读遥控点号从3073开始11。
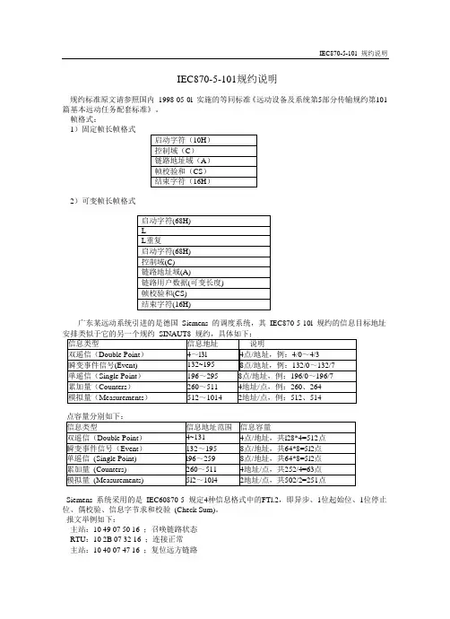
IEC870-5-101规约说明规约标准原文请参照国内1998-05-0l 实施的等同标准《远动设备及系统第5部分传输规约第101篇基本远动任务配套标准》。
帧格式:1)固定帧长帧格式2)可变帧长帧格式广东某远动系统引进的是德国Siemens 的调度系统,其IEC870-5-10l 规约的信息目标地址Siemens 系统采用的是IEC60870-5 规定4种信息格式中的FTl.2,即异步、1位起始位、1位停止位、偶校验、信息字节求和校验(Check Sum)。
报文举例如下:主站:10 49 07 50 16 ;召唤链路状态RTU:10 2B 07 32 16 ;连接正常主站:10 40 07 47 16 ;复位远方链路RTU.:10 20 07 27 16 ;确认主站:10 7B 07 47 16 ;召唤用户2级数据RTU:10 09 07 10 16 ;无所召唤的数据主站:10 5A 07 61 16 ;召唤用户1级数据RTU:10 09 07 10 16 ;无所召唤的数据主站:68 10 l0 68 44 FF 67 01 06 00 00 00 00 48 0F lE 0E l5 05 6l AF l6 ;主站广播对时命令RTU:68 l1 11 68 28 07 09 02 03 07 00 00 02 E7 03 00 00 02 02 64 00 98 l6 ;模拟量报文帧1,包含地址为5l2、5l4的两个模拟量RTU:68 0C 0C 68 28 07 09 0l 03 07 00 00 02 l9 FC 00 5A l6 ;模拟量报文帧2,包含地址为5l2 的1个模拟量RTU:68 0C 0C 68 28 07 09 01 03 07 00 00 02 FF FF 00 43 l6 ;模拟量报文帧3,包含地址为514的l个模拟量主站:68 0A 0A 68 73 07 2E 0l 06 07 00 04 00 82 3C l6 ;双遥控合4/0点主站:68 0A 0A 68 73 07 2E 0l 06 07 00 04 00 813B l6 ;双遥控分4/0点主站:68 0A 0A 68 73 07 2E 0l 06 07 01 04 00 81 3C l6 ;双遥控分4/1点RTU:68 0F 0 F68 28 07 11 01 03 07 01 84 00 0l 9A 02 09 03 lE 97 l6 ;事件报文(Event)132/0 点RTU:68 0A 0A 68 28 07 0l 0l 03 07 00 C4 00 0l FF l6 ;单遥信报文(Single Point Information) 196/0点RTU:68 0D 0D 68 28 07 04 01 03 07 00 04 00 0 l E7 03 lE 4B l6 ;双遥信带时标报文( M_DP_TA_l ) 4/0点分RTU:68 0D 0D 68 28 07 04 01 03 07 00 04 00 0 2 2B 02 lE 8F l6 ;双遥信带时标报文( M_DP_TA_l ) 4/0点分RTU:68 0D 0D 68 28 07 02 01 03 07 00 C4 00 0 l 1B 4E 32 9C l6 ;单遥信带时标报文( M_SP_TA_l ) 196/0点分。
IEC 870-5《远动设备及系统第五部分:传输规约》系列标准介绍谭文恕;李泽【期刊名称】《电力标准化与计量》【年(卷),期】1999(000)002【摘要】国际电工委员会(IEC)第57技术委员会(电力系统控制和通信)自1964年成立以来,一直致力于制定摇控、远方保护和电力系统控制方面的国际标准。
随着计算机应用水平的提高,EMS、SCADA、DMS、变电站自动化在电力系统得到大量应用,不同控制设备和系统越来越多的集成在一个总的控制系统中,需要交换大量的信息和数据,这样,由不同厂家生产的不同设备之间通信规约的问题便突出出来,IEC第57技术委员会(TCS)自八十年代初就成立了一个工作组(WG03)专门进行远动设备和系统传输规约方面系列标准的编制工作,并于九十年代初陆续发布了一系列国际标准,其中IEC870-5《远动设备及系统第五部分:传输规约》系列【总页数】6页(P1-6)【作者】谭文恕;李泽【作者单位】[1]电力科学研究院;[2]中电联标准化部【正文语种】中文【中图分类】TM7【相关文献】1.电力工业电力设备及仪表质量检验测试中心远动设备及系统传输规约一致性产品质检公告(第三号) [J],2.IEC60870-5-104远动规约在铁路电力远动系统中的应用 [J], 闫亮亮;陈剑云;费远鹏3.基于IEC60870-5-104远动规约的EDPF远动站系统设计及应用 [J], 商宁; 宋方儒; 邱华4.DL/T 634—1997《远动设备与系统传输规约第101篇基本远动任务配套标准》介绍 [J], 谭文恕5.电力工业电力设备及仪表质量检验测试中心远动设备及系统传输规约一致性产品质检公告(第4号) [J],因版权原因,仅展示原文概要,查看原文内容请购买。
IEC 870-5-101与DNP 3.0远动通信规约比较张胜【期刊名称】《电力自动化设备》【年(卷),期】2001(021)003【摘要】IEC 870-5-101 and DNP are two dominant telecontrol protocols. Inorder to deepen the understanding and help the selection and use of the relevant products and devices, detail descriptions are given on their functions, structure and standardization. They both provide data transmission and control functions for SCADA system, according to EPA model. They have many differences in layer definition, especially the data-link layer and application layer. Each has advantages with the consideration on content, implementation and application scope. The topologic structure of telecontrol system and the application environment should be analyzed for choosing one from the two protocols.%IEC870-5-101和DNP3.0是当前远动通信规约中占主导地位的两种。
为加深理解、选择和使用相关产品及设备提供参考,对两者在功能、结构、标准化等方面的异同点作详细说明。
IEC870-5-101 规约1.概述本篇介绍主站和RTU 之间通讯的IEC870-5-101 规约,该规约有两种传输方式:平衡式和非平衡式传输,在点对点和多个点对点的全双工通道结构中采用平衡式传输方式,在其它通道结构中只采用非平衡式传输方式。
平衡式传输方式中101 规约是一种“问答+循环”式规约,即主站端和子站端都可以作为启动站;而当其用于非平衡式传输方式时101 规约是问答式规约,只有主站端可以作为起动站。
2.帧格式简单说明2.1 固定帧长格式启动字符(10H)控制域(C)链路地址域(A)帧校验和(CS)结束字符(16H)2.2 可变帧长格式启动字符(68H)长度(L)长度重复(L)启动字符(68H)控制域(C)链路地址域(A)链路用户数据(可变长度)帧校验和(CS)结束字符(16H)2.3 长度L长度L 包括控制域、地址域、用户数据区的字节数,为二进制数。
2.4 控制域(C)的定义DIRD7PRMD6FCB/ACDD5FCV/DFCD4功能码D3----D0DIR:传输方向位=0:表示报文是主站向子站传输。
=1:表示报文是子站向主站传输。
PRM:启动报文位=0:从动站,报文为确认报文或响应报文。
=1:启动站,报文为发送或请求报文。
FCB:帧计数位:启动站向从动站传输启动站向从动站传输新一轮的发送/确认、请求/响应服务时,将前一轮FCB 取相反值。
FCV:帧计数有效位:启动站向从动站传输=0:表示FCB 变化无效。
=1:表示FCB 变化有效。
ACD:要求访问位:主站做从动站时ACD 位无实际意义,ACD=0。
子站做从动站时ACD=0:表示子站无1 级用户数据;ACD=1:表示子站有1 级用户数据,希望向主站传输。
DCF:数据流控制位:从动站向启动站传输=0:表示子站可以继续接收数据。
=1:表示子站数据区满,无法接收新数据。
功能码(D3— D0):功能码范围为0— 15(00H— 0FH);功能码代表的意义较为烦琐,参考《关于基本远动任务配套标准的说明》(远动设备及系统传输规约)。
IEC870-5-101规约说明规约标准原文请参照国内1998-05-01实施的等同标准《远动设备及系统第5部分传输规约第101篇基本远动任务配套标准》。
一.参考模型:本标准中使用的参考模型是源于开放式系统互联的ISO-OSI参考模型,由于远动系统在有限带宽下要求特别短的反应时间,故改进采用增强性能结构(EPA),见下图所示:在这样的参考模型下,各层次数据单元之间的关系如下图所示:二.帧格式:1.固定帧长帧格式2.可变帧长帧格式FT1.2的传输标准要求线路上低位先传;线路的空闲为二进制的1;两帧之间的线路空闲间隔需不小于33位;每个字符包括1位起始位、1位停止位、1位偶校验位、8位数据位,字符间无需线路空闲间隔;信息字节求和校验(Check Sum)。
其中各部分的含义如下1)长度L=C+A+链路用户数据的长度。
2)控制域C的定义如下:主站向子站传输时:DIR=0, PRM=1;子站向主站传输时:DIR=1, PRM=0。
主站向同一个子站传输新一轮的发送/确认和请求/响应传输服务时,将FCB位取反;主站为每一个子站保留一个帧计数位的拷贝,若超时没有从子站收到所期望的报文,或接收出现差错,则主站不改变帧计数位的状态,重复传送原报文,重复次数为3次。
FCV若等于0,FCB的变化无效。
主站向子站传输的功能码如下表所列:子站向主站传输的功能码如下表所列:3)链路地址域的内容指的是子站即RTU的站号,通常由调度与变电站协商确定。
4)链路用户数据(即前文所提到的ASDU)的定义见下节。
其中,各部分的解释如下:a.类型标识常用的有:子站-->主站过程信息1――不带时标的单点信息;2――带时标的单点信息;3――不带时标的双点信息;4――带时标的双点信息;5――步位置信息(变压器分接头信息)6――带时标的步位置信息(变压器分接头信息)(未用)7――子站远动终端状态(未用)9――测量值10――带时标的测量值(未用)15――电能脉冲计数量16――带时标的电能脉冲计数量(未用)17――带时标的继电保护或重合闸设备单个事件18――带时标的继电保护装置成组启动事件(未用)19――带时标的继电保护装置成组输出电路信息事件(未用)20――具有状态变位检出的成组单点信息21――不带品质描述的测量值22~24――为配套标准保留232――BCD码(水位值)主站→子站在控制方向的过程信息46――双点遥控命令(控单点也可)47――升降命令(未用)48――设定命令(未用)子站→主站在监视方向的系统信息70――初始化结束71~99――为配套标准保留主站→子站在控制方向的系统信息100――召唤命令101――电能脉冲召唤命令102――读数据命令(未用)103――时钟同步命令104――测试命令(未用)105――复位进程命令(未用)101~109――为配套标准保留b.可变结构限定词其结构如下:高位低位SQ=1:表明此帧中的信息体是按信息体地址顺序排列的。
SQ=0:表明此帧中的信息体不是按信息体地址顺序排列的。
信息体的个数小于128。
c.传送原因其字节的结构如下:高位低位P/N =0:肯定认可=1:否定认可T =0:未试验=1:试验传送原因=1:周期、循环=2:背景扫描=3:突发=4:初始化=5:请求或被请求=6:激活=7:激活确认=8:停止激活=9:停止激活确认=10:激活结束=11:远程命令引起的返送信息(未用)=12:当地命令引起的返送信息(未用)=13:文件传送(未用)=14~19:保留=20:响应总召唤=21:响应第一组召唤=22:响应第二组召唤=23:响应第三组召唤=24:响应第四组召唤=25:响应第五组召唤=26:响应第六组召唤=27:响应第七组召唤=28:响应第八组召唤=29:响应第九组召唤=30:响应第十组召唤=31:响应第十一组召唤=32:响应第十二组召唤=33:响应第十三组召唤=34:响应第十四组召唤=35:响应第十五组召唤=36:响应第十六组召唤=37:响应计数量总召唤=38:响应第一组计数量召唤=39:响应第二组计数量召唤=40:响应第三组计数量召唤=41:响应第四组计数量召唤=42~47:为配套标准保留=48~63:为特殊用途保留d.信息体地址信息体地址这一部分,不同调度系统厂家、不同区域、不同组织的定义会有所不同。
国内几个已经投入使用的接受IEC60870-5-101远动规约的调度系统,主要包括南瑞的SD6000系统、北京南瑞在天津城东应用的调度系统、广东中山应用的德国SIEMENS调度系统、华中网调应用的ABB调度系统等,这些调度系统对于信息体地址的定义不尽相同。
南瑞及其分公司的调度系统对于信息体的定义与全国电力远动通信标准化技术委员会颁布的标准定义相同,常用信息的具体定义如下:信息体地址为2个字节,范围为0~FFFFH;对于单点遥信,每一个遥信占用一个信息体地址;对于双点遥信,每一个点占用两个信息体地址;遥信的信息体地址服务为1H~400H。
继电保护单个事件的信息,每一个占用两个信息体地址,范围为501H~600H。
遥测值,每一个占用一个信息体地址,范围为701H~900H。
遥控、升降,每一个对象占用一个信息体地址,范围为B01H~B80H。
设定值,每一个占用一个信息体地址,范围为B81H~C00H。
电能脉冲计数量,每一个占用一个信息体地址,范围为C01H~C80H。
步位置信息,如变压器分接头,每一个占用一个信息体地址,范围为C81H~CA0H。
为了传送数据的方便,主站召唤数据的时候,可以将子站的数据分组上送,组的安排如下:第1组~第8组:遥信第9组~第12组:遥测第13组:步位置信息召唤电度时,电度量分4组,每组32个。
遥信每组最多128个信息体,各组起始地址如下:第1组1H第2组81H第3组101H第4组181H第5组201H第6组281H第7组301H第8组381H遥测每组最多128个信息体,各组起始地址如下:第9组701H第10组781H第11组801H第12组881H广东某远动系统引进的是德国Siemens的调度系统,其IEC870-5-101规约的信息体地址安排类似于它的另一个规约SINAUT 8规约,每个地址包括3个字节具体如下:点容量分别如下:华中网调引进的ABB的调度系统对于信息体地址的定义与国家标准比较相似,每个地址也是2个字节,具体如下:单点遥信,每一个遥信???占用一个信息体地址;双点遥信暂时没有用到;遥信的信息体地址服务为1H~FFFH。
遥测值,每一个占用一个信息体地址,范围为4000H~4FFFH。
遥控、升降,每一个对象占用一个信息体地址,范围为9000H~9FFFH。
电度量暂未使用。
在这个系统中,因为不采用分组召唤的方式,所以没有“组”的概念。
e.信息体元素经常用到的信息体元素主要包括以下几种:☆带品质描述的单点信息SIQSPI(1bit)=0:OFF(开)RES(3bit):保留=1:ON(合)BL(1bit)=0:未被闭锁SB(1bit)=0:未被取代=1:被闭锁=1:被取代NT(1bit)=0:当前值IV(1bit)=0:有效=1:非当前值=1:无效DIQ☆带品质描述的双点信息=1:确定状态OFF(开)=2:确定状态ON(合)=3:中间状态或不确定☆带瞬变状态指示的值VTI(如变压器分接头信息)T(1bit)=0:设备未处于瞬变状态V ALUE=值{-64~+63}=1:设备处于瞬变状态☆模拟量模数转换器的最高位为2-1,如模数转换器不是16位,而是12位的,则低位补0。
☆日历时钟0~59min0~23h1~7,Day of week1~31,Day of month1~12,Months0~99,Years☆遥控命令DCOS/E=0:执行=1:选择QU:目前固定为0DCS =0:不允许=1:OFF,开=2:ON,合=3:不允许☆时标☆继电保护装置的单个事件SEPES(2bit)=0:不确定RES(2bit):保留?=1:OFF(开)EI(1bit)=0:动作时间有效=2:ON(合)=1:动作时间无效=3:不确定☆对于继电保护装置的事件的品质描述QDPRES(3bit)☆单点信息事件顺序记录☆双点信息事件顺序记录☆ 继电保护装置或重合闸单个事件顺序记录继电保护或重合闸动作持续时间、继电保护或重合闸动作时间 事件顺序记录时标☆ 带时标的步位置信息如变压器分接头☆ 电能召唤命令的限定词QCCFRZ (2it ) =0:请求计数量=1: 冻结不带复位 EI (1bit )=0:动作时间有效=2: 冻结带复位 =1:动作时间无效 =3:计数器复位☆ 召唤遥信、遥测、BCD 码命令的限定词QOIQOI = 0:未用=1~19:为配套标准保留=20:整个站的总召唤(14H )=21:召唤第1组(15H )=22:召唤第2组(16H )=23:召唤第3组(17H )=24:召唤第4组(18H )=25:召唤第5组(19H )=26:召唤第6组(1aH )=27:召唤第7组(1bH )=28:召唤第8组(1cH )=29:召唤第9组(1dH )=30:召唤第10组(1eH)=31:召唤第11组(1fH)=32:召唤第12组(20H)=33:召唤第13组(21H)=34:召唤第14组(22H)=35:召唤第15组(23H)=36:召唤第16组(24H)=37~63:为配套标准保留=64~255:为特殊用途保留☆状态和状态变化检出SCDSCD包含2个字节的状态位ST和2个字节的状态变化检出位CD;STn=0:位序为n位的状态为OFF=1:位序为n位的状态为ONCDn=0:位序为n位的状态自上次报告后未检出状态变化=1:位序为n位的状态自上次报告后检出状态变化应答过程在国家标准中,制订了一套典型的问答式规范,一般来说,以下几个过程将依次出现:1.初始化过程主→子:请求链路状态C_RQ_NA_1子→主:回答链路状态M_RQ_NA_1××××=0001:链路忙;=1110:链路服务未工作;=1011:链路完好;=1111:链路服务未完成。
主→子:复位远方链路请求C_RL_NA_1子→主:复位远方链路确认M_RL_NA_12.对时过程主→子:时间同步的发送帧C_CS_NA_10~59999ms0~59min0~23h1~7,Day of week 1~31,Day of month 1~12,Months0~99,Years子→主:时间同步的确认帧M_CS_NA_10~59999ms0~59min0~23h1~7,Day of week1~31,Day of month1~12,Months0~99,Years3.总召唤过程主→子:总召唤命令帧C_IC_NA_1子→主:总召唤确认帧M_IC_NA_1子→主:遥测帧M_ME_NA_1传送原因=1:周期/循环=2:背景扫描=5:被请求=20:响应总召唤=29:响应分组召唤……=32:响应分组召唤子 主:单点遥信帧M_SP_NA_1子→主:双点遥信帧M_DP_NA_1传送原因=1:周期/循环=2:背景扫描=5:被请求=20:响应总召唤=21:响应分组召唤……=28:响应分组召唤子→主:总召唤结束帧M_IC_NA_1其中的遥测帧M_ME_NA_1可以用不带品质描述的遥测帧M_ME_ND_1代替,而两种遥信帧也可以状态和状态变位的遥信帧M_PS_NA_1代替,其格式如下:子 主:不带品质描述的遥测帧M_ME_ND_1传送原因与遥测帧M_ME_NA_1的相同子→主:状态和状态变位的遥信帧M_PS_NA_1传送原因与单、双点遥信帧相同以上所述的总召唤过程是国家标准中推荐的应答过程,这是一种非平衡式的传输方式,一问多答;但华中网调的ABB系统采用的纯粹的平衡式的传输方式,即一问一答,具体如下:主→子:总召唤命令帧C_IC_NA_1(同上)子→主:无所请求数据确认帧M_NV_NA_1或回答单个字符E5H主→子:召唤二级用户数据帧C_P2_NA_1子→主:总召唤确认帧M_IC_NA_1主→子:召唤二级用户数据帧C_P2_NA_1子→主:遥测帧M_ME_NA_1(或M_ME_ND_1)主→子:召唤二级用户数据帧C_P2_NA_1子→主:遥信帧M_SP_NA_1(或M_SP_NA_1、M_PS_NA_1)……(直到送完全部遥测遥信数据)4.分组召唤过程南瑞公司的主站系统经常采用依次召唤某组数据的方法得到全数据,过程如下:主→子:召唤某一组数据帧C_IC_NA_1QOI=21:召唤第1组……=36:召唤第16组而子站给予的回答则与总召唤时的回答格式相同,只有传送原因字节表示出不同的组号。