分子筛制氧机选购指南
- 格式:pdf
- 大小:186.21 KB
- 文档页数:19
家用制氧机的选择方法
1. 医生建议:首先,要与医生沟通,了解自身状况,以及家用氧疗的类型和所需氧气浓度,以便选择适合自己的制氧机。
2. 流量和浓度:可以根据医生建议和自身需要选择合适的流量和浓度。
高流量对肺部疾病的治疗效果更好,但需要更大的制氧机。
低浓度适合需要长时间氧疗的患者,而高浓度适合需要短时间氧疗的患者。
3. 适用范围:不同制氧机适用的范围也不同,可根据自己的需要选择。
比如,便携式制氧机轻便,方便患者出行,但流量和浓度受限;而家用制氧机能提供更高的流量和浓度。
4. 噪音和大小:制氧机的噪音和大小也是选择的考虑因素之一。
一般家用制氧机噪音在40分贝以下,大小一般较大,需要考虑安放位置。
5. 品牌和售后服务:品牌和售后服务也是选择制氧机的重要因素,应选择知名品牌和良好的售后服务,以确保售后服务满意度。
同时,也需要注意选择正规厂家生产的制氧机,以免购买劣质产品。
分子筛制氧机选购指南近年来,国内分子筛制氧机日益普及,正在成为主要的家庭氧疗设备。
而目前来说,我国还没有与国际接轨的医用小型分子筛制氧机行业标准。
国际标准ISO8359及美国标准F1464-93对分子筛制氧机以下几点做了强制性规范:●产品必须设计有不可更改的累计计时功能。
●产品必须设计有氧浓度监控系统。
●产品在连续工作状态下,额定流量下的氧气浓度变化必须在±3%以内,氧气流量波动平均值必须在±10%以内。
●产品在整个使用过程中氧浓度不得低于某一安全值,国际标准为82%,美国标准为85%(我国只对新机出厂作了要求,并未对使用过程中的氧浓度安全值作要求)。
●定期维护保养,保证氧气浓度和氧气流量精度等指标的稳定性。
目前国内分子筛制氧机品类繁多,质量参差不齐,性能区别很大。
参照以上几条标准规定,消费者可以从以下三个方面考虑,理性选择合适的分子筛制氧机。
1 产品性能●是否有累计计时功能,它能为日后的保养维护及服务提供客观、准确的依据。
●24小时不间断工作状态下的氧气浓度是否仍能保持达标(93%±3%)。
●要关注新机的性能,更要关注使用过程中是否长期氧气浓度稳定和长期运行可靠。
2 服务体系●能否提供专业的氧疗服务。
氧气是心肺类药物,氧气治疗是重要的医疗手段,应在医务人员或专业人员指导下使用。
如果未能做到规范、安全用氧,不但不能改善病情,还可能对用户产生不良后果。
氧疗用户需要明确了解氧气的供应来源、给氧方式、每日吸氧时间、疗程、以及在静息、活动以及睡眠时的吸氧流量,这样才能真正做到科学用氧。
对于已经伴有低氧血症的慢性阻塞性肺疾病患者,需要全天至少吸氧15小时,使动脉血氧分压至少达到60毫米汞柱,方可获得理想的治疗效果。
●能否提供专业的定期维护保养服务。
氧气浓度、氧流量的精度等指标直接影响氧疗效果,定期的维护保养服务至关重要。
3 制造商制造商实力雄厚、技术研发能力强及品牌含金量高,其产品性能和服务质量才有最根本的保证。
当你选购吸氧机的时候,以下几点需要提醒你注意一下。
第一:平时仅仅是用于氧疗保健的朋友,选购吸氧机的时候,购买一般的富氧膜吸氧机就可以了,这类制氧机制造出来的氧气浓度不是很大,如果你选择分子筛制氧机,就造成了一定的浪费。
不是必要的情况下,不要长时间进行氧疗保健,这样你会对吸氧产生依赖,严重的时候,还会发生氧气中毒。
第二:如果你是疾病患者,特别是呼吸系统疾病吸氧者,你的医生为了开了雾化的药物,请你购买具有雾化功能的制氧机
第三:如果你是在高海拔地区工作,因为不适应高原反应,适应不了那里的稀疏的氧气环境,你最好购买高原自适应机型
第四:需要24小时进行氧疗的使用者,请购买具有氧气浓度监控的机型,此类机型一般都是分子筛制氧机,最好是选用使用美国分子筛的吸氧机。
第五:对于一些慢性阻塞性肺疾病COPD,有经济条件的请你考虑一下专业的长期家庭制氧机,推荐英维康制氧机。
售后服务比较长,产品质量比较好,以及制造出的氧气浓度比较高的吸氧机,此外还请注意一下制氧机的噪音问题,因为噪音过大的制氧机,会影响你和家
人的正常休息。
关于制氧机选购技巧大全1、家用制氧机一般都采用分子筛制氧原理,所以分子筛的吸附性能及使用寿命十分重要,并且其安装工艺也是非常关键,购买时应该选择金属一体化结构,并带有分子筛自动预警装填的制氧机。
2、对于呼吸道、心血管疾病患者对家用制氧机性能要求更高呼,购买时应选择能够大道标准医疗指标,长时间持续供氧标准的机器。
3、家用制氧机是医疗养生器械,不是健康时尚用品,所以没必要选择外表花哨不适用的畸形,而是结构性能卓越,体积小巧,并且散热理想的机器。
4、具有经过ISO国际和CE欧洲质量体系认证的制氧机是选购的重要保障,另外产品投放市场的时间也很重要,最好选择问世两年以上的机器。
5、选购制氧机时要选择历史悠久、实力雄厚的制氧机/氧气机厂商,家用制氧机的售后维修与零件更换很重要,只有品牌悠久的厂家才能保证可持续发展与日后维修服务。
6、根据FDA的相关研究,一般用户需要的氧气量约相当于90%浓度时每分钟3升,建议用户以选择大流量机器为主。
7、遥控并不是必要功能,此功能在医疗上有一定的风险,吸氧麦实际上的吸收率很低,几乎可以忽略。
8、具备累计计时功能。
它可以统计氧气机的使用寿命,以便为日后长期保养维修和服务提供客观的准确数据。
国际标准的要求制氧机配备累计计时器,这也是产品质量优劣的体现,好的制氧机使用寿命要能保证上万小时。
大型空气分离设备一般设计的较高为的是能让氧\氮等气体能在爬升与下降的过程中充分置换热量,得以精馏,精馏的原理是氮气和氧气相对挥发度不一样,一级一级进行置换,从而达到提纯的目的。
工业制氧工业制氧方面,对于中小规模的制氧需求,也有使用变压吸附制氧的,包括PSA制氧及VPSA制氧工艺,工作原则是利用高效的氮氧分离吸附剂吸附氮气,吸附一定时间进行解吸再生,周期性操作,两塔或者更多吸附塔并联,达到连续产氧的目的。
家用制氧家用制氧机中,分子筛在减压时将所吸附的氮气排放回环境空气中,在下一次加压时又可以吸附氮气并制取氧气,整个过程为周期性地动态循环过程,分子筛并不消耗。
分子筛制氧机选购指南分子筛制氧机是一种通过分子筛技术将空气中的氮气去除,提供纯氧气的医疗设备。
在目前的医疗领域中,分子筛制氧机被广泛应用于氧疗、直肠癌及慢阻肺等需要长时间吸氧的患者。
但是,在选购分子筛制氧机时,由于市场上品牌众多、功能各异,消费者往往容易感到困惑。
以下是一些选购指南,以帮助消费者进行明智的选择。
第一,了解品牌及厂家。
在选购分子筛制氧机时,首先要了解不同品牌的声誉和信誉。
选择知名品牌的产品可以保证质量和售后服务。
此外,了解厂家的生产能力和技术实力也是非常重要的。
可以通过查看官方网站、客户评价以及相关媒体报道等多个渠道来获取这些信息。
第二,了解产品功能。
在选购分子筛制氧机时,需要根据自己的实际需要来选择适合自己的产品。
各个品牌和型号的分子筛制氧机的功能可能不尽相同,包括吸氧流量、氧气浓度、运行噪音等方面。
可以通过查看产品参数、用户手册或者向厂家提问来了解清楚。
第三,考虑使用便捷性。
选购分子筛制氧机时,还需要考虑到产品的使用便捷性。
包括设备的体积大小、重量、便携性。
如果需要经常外出使用,可以选择便携式的设备,便于携带和使用。
此外,产品的操作简便程度也是需要考虑的因素。
第四,了解产品的运行稳定性。
选购分子筛制氧机时,要了解产品的运行稳定性和故障率。
可以通过查看产品的质量认证、用户评价、以及与其他用户的交流来了解。
稳定性和故障率是衡量一个产品质量的重要指标。
第五,考虑产品的售后服务。
在选购分子筛制氧机时,要关注品牌和厂家的售后服务政策。
包括质保期、售后服务网络以及维修渠道等。
选择提供有质量保证和良好售后服务的产品和品牌,可以更好地保证设备的使用效果和安全性。
总之,在选购分子筛制氧机时,应该全面了解产品的品牌、厂家、功能、使用便捷性、运行稳定性以及售后服务等。
通过选择合适的产品来满足自己的需求,可以更好地提高治疗效果并提供便利和安全的使用体验。
家用制氧机哪种好?医疗电子走入家庭保健
社会科学技术不断进步的同时,我们生活的环境却不断遭到破坏,伴随着环境恶化与对身体健康的重视,很多家用医疗设备也随之应运而生。
特别是针对家里容易患上支气管炎以及哮喘等呼吸系统疾病的人来说,家里常备一台制氧机是最常见的身体保障方式。
家用制氧机哪种好?现在市面上眼花缭乱的制氧机品牌使得很多消费者无从下手,现在我们就来看看如何选购家用制氧机。
制氧方法:
1.分子筛制氧原理:采用先进的气体分离技术,利用分子筛物理吸附和解吸技术在制氧机内装填分子筛,在加压时可以将空气中的氮吸附,剩余的未被吸收的氧气被收集起来,经过精华处理成为高纯度的氧气,是目前制氧机市场中最为流行的家用制氧机技术。
医用分子筛制氧机标准
医用分子筛制氧机的标准主要包括以下几个方面:
1. 氧气纯度标准:医用分子筛制氧机需要能够产生高纯度的氧气,一般要求氧气纯度达到93%以上,以满足医疗使用的要求。
2. 氧气流量标准:医用分子筛制氧机需要能够提供足够的氧气流量,以满足病人吸氧的需要。
常见的流量标准有5升/分钟、10升/分钟等。
3. 噪音标准:医用分子筛制氧机需要具备低噪音的特点,以保证在使用过程中不会对病人和使用者造成干扰。
4. 稳定性标准:医用分子筛制氧机需要具备良好的稳定性,能够持续稳定地提供氧气,不受外界环境变化的影响。
5. 安全性标准:医用分子筛制氧机需要符合相关的安全标准,包括电气安全、防爆安全等,以确保使用过程中的安全性。
此外,不同国家和地区可能还存在一些细节上的差异,具体的医用分子筛制氧机标准可以参考当地的法规和标准。
Xxxxxxx有限公司产品技术要求医疗器械产品技术要求编号:医用分子筛制氧机1.产品型号/规格1.1 产品类别按医用电气安全分类医用分子筛制氧机(以下简称制氧机)属Ⅱ类设备,带B型应用部分。
1.2 产品型号划分说明制氧机产品型号按如下规定表示:1.3 结构组成制氧机由主机及附件组成。
附件主要为湿化杯、吸氧管、遥控器(适用型号见表1)、雾化杯(适用型号见表1)。
其中与病人接触的应用部分吸氧管、雾化杯、雾化面罩(苏州明基医疗:一次性使用输氧面罩,套装),选用有医疗器械产品注册证的产品。
1.4 基本性能与参数(见下表1,表2 )除表1和表2所列性能和参数外,制氧机还具有氧浓度低提示,低电压提示,断电提示,压缩机故障提示功能。
2. 性能指标2.1 工作条件a)工作环境温度范围:5℃~40℃;b)相对湿度范围:≤80﹪;c)大气压力范围:86.0kPa ~106.0kPa;d)电源电压:220V;e)电源频率:50Hz.2.2 外观质量表面应平整光洁,色泽均匀,不得有明显的锋棱、划痕和掉漆;设备上的控制和调节件应灵活可靠,安装牢固;设备上的文字、图形、符号和标志应清晰准确。
2.3 技术性能2.3.1氧产量制氧机正常工作时的氧气产量见表2;误差为±0.5L/min。
2.3.2氧流量调节与监测氧产量3L机型:调节及监测范围为0~3L/min,连续可调;标称氧产量下监测误差±0.2 L/min。
氧产量5L机型: 调节及监测范围为0~5L/min,连续可调;标称氧产量下监测误差±0.2 L/min。
2.3.3氧气输出压力制氧机正常工作情况下氧气输出口的静态压力应在0.045MPa—0.08MPa之间。
2.3.4氧浓度a)制氧机正常工作时的氧浓度符合表2对氧浓度的规定;b)部分型号(见表1)制氧机有氧浓度在线监测功能;c)氧产量:制氧设备开机30分钟其氧产量应达到设计要求,以L/min为单位。
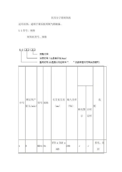
医用分子筛制氧机适用范围:适用于常压医用氧气的制备。
1.1型号、规格制氧机型号、规格1.2组成医用分子筛制氧机由主机、流量计、湿化瓶、一次性使用吸氧管、一次性使用雾化器(选配)、遥控器(选配)等组成。
2.1 工作条件医用分子筛制氧机正常工作条件a)环境温度:5℃~40℃;b)相对湿度:≤80%;c)大气压力:86kPa~106kPa;d)电源电压:220V±22V;e)电源频率:50Hz±1Hz。
2.2 技术指标2.2.1 氧浓度:≥90%(V/V);O)含量(露点)/℃≤-43;2.2.2水分(H22.2.3二氧化碳(CO)含量(体积分数)/10-6≤100;22.2.4 一氧化碳(CO)含量(体积分数)/10-6≤5;2.2.5 气态酸性物质和碱性物质含量应符合GB 8982-2009中3.2规定;2.2.6 臭氧及其他气态氧化物应符合GB 8982-2009中3.2的规定;2.2.7气味应无异味;2.2.8 总烃含量(体积分数)10-6≤60;2.2.9 固体物质粒径:≤10μm;固体物质含量:≤0.5mg/m3;2.2.10 二氧化硫:不得超过0.0001%(V/V);2.2.11 氮氧化物:不得超过0.0002%(V/V);2.2.12 油分:不得超过0.1mg/m3。
2.3 噪声医用分子筛制氧机的噪声应不大于50dB(A);2.4 气密性所有紧固件连接应牢靠,不得有任何松动,各种管路、管汇及阀门排列应整齐,其连接处不得漏气。
2.5 氧含量及氧产量:开机30min后,氧产量应达到标称值3L/min,氧浓度≥90%(V/V)。
2.6功能2.6.1 断电报警:当设备正常运行断电时发出蜂鸣警告;2.6.2 雾化功能(选配):在制氧机上加装雾化出口阀,并配备相应的雾化附件(雾化装置以及连接软管等);2.6.3 计时显示功能:计时显示误差应不大于2%。
在制氧机上加装计时器,开机后累计计时器开始计时,关机时停止计时;2.6.4 遥控功能(选配):遥控距离不大于5米;a)遥控功能:在距制氧机前壳平面5米以内的任意位置,遥控器可控制制氧机的开启与关闭;b)定时功能:可用遥控器控制定时,定时范围(0~12)h,定时结束时(允许误差为±5%),制氧机自动关闭。
医用分子筛制氧机产品技术要求1.设备结构和材料要求:(1)设备采用紧凑的结构设计,体积小巧、易于携带和存放。
(2)材料应该符合医疗器械的相关标准要求,必须符合无毒、无刺激性、无致敏性和无菌性等标准。
(3)设备应具备防震、防滑和防漏电等安全功能。
2.氧气浓度和流量调节要求:(1)设备应能够提供稳定的高浓度氧气,浓度范围应在90%以上。
(2)氧气流量调节范围应广泛,以满足不同患者的需求,通常在0.5升/分钟到10升/分钟之间。
(3)设备应具备精确的氧气浓度和流量调节功能,在各种工作场景下能够保持稳定的输出。
3.噪音和振动控制要求:(1)设备的噪音水平应低,不应超过45分贝。
(2)设备在工作过程中应尽量减少振动,确保患者的使用舒适度。
4.氧气传输和输送要求:(1)设备应具备高效的分子筛技术,能够有效地将空气中的氧气分离出来。
(2)设备应具备稳定且均匀的氧气输送能力,确保患者能够持续获得所需的氧气支持。
(3)设备的氧气传输管路应具备耐高压、耐腐蚀和耐磨损的特性。
5.温湿度控制要求:(1)设备应具备恒温和湿度控制功能,以防止患者在使用过程中受到过冷或过热的影响。
(2)温湿度传感器应精确可靠,能够实时监测温湿度变化,并能及时进行调节。
6.安全保护要求:(1)设备应具备高温、低温、过压、过流、欠压、漏电等安全保护功能,以确保设备在工作过程中的安全性。
(2)设备应具备故障自诊断和自动报警功能,能够及时发现和处理设备故障。
7.显示和控制功能要求:(1)设备应具备直观清晰的显示屏,能够显示氧气浓度、流量、温度、湿度等关键信息。
(2)设备的控制界面应简洁易用,操作方便,能够满足患者和医护人员的需求。
总之,医用分子筛制氧机的产品技术要求包括设备结构和材料、氧气浓度和流量调节、噪音和振动控制、氧气传输和输送、温湿度控制、安全保护以及显示和控制功能等方面。
通过满足这些技术要求,医用分子筛制氧机能够提供高质量的氧气供应,为病人的康复和治疗提供有效的支持。
医用分子筛制氧机适用范围:适用于常压医用氧气的制备。
1.1 产品型号:医用分子筛制氧机(以下简称:制氧机)包含以下型号的产品,见表11.2 型号划分说明1.3 产品组成1.3.1主机主机由动力系统(无油空气压缩机)、空气分离系统和控制系统组成,外壳采用塑料材料制成。
1.3.2附件1)吸氧管:规格为4米;2)雾化器。
2.1 工作条件:2.1.1 环境条件:a) 环境温度:5 ℃~40 ℃;b) 相对湿度:≤80 %;c) 大气压力:860 hPa~1060 hPa。
2.1.2 电源条件a) 电源电压:a.c.220 V ;b) 电源频率:50 Hz 。
2.2 技术指标:2.2.1主机技术指标:(见表2)2.2.2 氧气理化指标2.2.2.1 水分含量(露点)/℃:≤-43;2.2.2.2 二氧化碳含量(体积分数)/10-6:≤100;2.2.2.3 一氧化碳含量(体积分数)/10-6:≤5;2.2.2.4 气态酸和碱含量:按GB8982-2009中5.4检验合格;2.2.2.5 臭氧及其他气态氧化物:按GB8982-2009中5.5检验合格;2.2.2.6 气味:无异味;2.2.2.7 总烃含量(体积分数)/10-6:≤60;2.2.2.8 固体物质粒径:≤10μm;2.2.2.9 固体物质含量:≤0.5mg/m3;2.3 功能2.3.1 断电报警:接通断电报警当设备正常运行断电时发出蜂鸣警告;2.3.2高低气压报警:在通电开启状态下,设备发生故障时,进气气路压力大于0.195MPa±0.05Mpa或小于0.1MPa±0.050MPa时,发出蜂鸣警告;同时显示相应指示灯(红色高压、黄色低压)。
2.3.3 雾化功能:在制氧机上加装雾化出口阀,并配备相应的雾化附件(雾化装置以及连接软管等)。
雾化率应符合表2的规定;2.3.4 计时显示功能:开机时累计计时,关机时停止计时;显示误差为±5%。
制氧机购买注意事项1 制氧机的作用和种类制氧机是一种医疗设备,可以将空气中的氧气浓缩后供给患者呼吸。
根据不同的工作原理和用途,制氧机可以分为移动式、桌面式和工业用途等不同种类。
移动式制氧机通常体积小巧轻便,适合携带使用,桌面式适合家庭使用,而工业用途的制氧机则适合大型生产车间。
2 选择合适的制氧机尺寸制氧机有不同的尺寸和功率等级。
选择合适的制氧机尺寸通常要根据患者的病情和需要呼吸的氧气浓度等因素进行综合考虑。
一般而言,较大的制氧机可以满足更高浓度的氧气供应要求,同时也具有更长的工作寿命。
3 了解制氧机的维护和保养选购制氧机之前,一定要了解相关的维护和保养知识。
例如,制氧机安装地方需要通风良好,定期清洗过滤网、更换滤网,确保流量和压力正常等。
这些措施有助于保持制氧机的正常工作状态和延长使用寿命。
4 购买渠道和售后服务在购买制氧机时,应选择正规的渠道,如医院、药店或专业医疗设备代理商。
同时,购买前也要了解售后服务政策,如产品保修期限、售后服务内容等,以确保在购买后的使用中能够有可靠的售后保障。
5 了解制氧机的正确使用方法在购买制氧机后,一定要认真阅读相关的使用说明书,了解制氧机的正确使用方法,以确保安全使用。
除此之外还要注意一些细节问题,如定期更换拆下来的配件、保持使用环境干燥等等。
这些小细节都对制氧机的正常工作和使用寿命有着重要的影响。
综上所述,正确选购制氧机是十分重要的,不仅要考虑到产品的性能和价格,还要了解相关的维护和保养知识,选择正规的购买渠道,并掌握使用技巧和正确的使用方法,来确保患者呼吸氧气的质量和安全。
2023医用分子筛制氧机标准摘要:1.医用分子筛制氧机概述2.2023年医用分子筛制氧机标准3.分子筛制氧机的工作原理4.医用分子筛制氧机的技术参数与选型5.分子筛制氧机在医疗领域的应用6.如何选择适合自己的医用分子筛制氧机7.总结正文:一、医用分子筛制氧机概述医用分子筛制氧机是一种采用PSA(变压吸附)原理,以优质制氧分子筛为吸附剂,直接在常温下从空气中分离制取氧气的设备。
这种设备在我国医疗领域得到了广泛的应用,为医疗机构提供了稳定、高品质的氧气供应。
二、2023年医用分子筛制氧机标准根据2023年的医用分子筛制氧机标准,设备应具备以下特点:1.氧气浓度:制氧机输出的氧气浓度应达到93%以上,以确保医疗使用的需求。
2.氧气压力:制氧机的氧气压力应在0.3~1.0MPa范围内,以满足不同医疗设备的使用要求。
3.氧气露点:医用分子筛制氧机的氧气常压露点应低于-43℃,以确保氧气质量。
4.安全性:制氧机应具备良好的安全性能,包括防爆、防泄漏等功能,确保使用过程中的安全。
5.噪音和振动:医用分子筛制氧机的噪音和振动应控制在较低水平,以营造舒适的医疗环境。
三、分子筛制氧机的工作原理分子筛制氧机通过PSA(变压吸附)原理,利用分子筛吸附剂对空气中的氮气、二氧化碳和水份等进行大量吸附,使氧气在气相中富集输出。
当吸附剂吸附达到饱和时,降低压力使分子筛解吸再生,实现连续产出高品质氧气。
四、医用分子筛制氧机的技术参数与选型医用分子筛制氧机的技术参数包括氧气流量、氧气浓度、氧气压力和氧气常压露点等。
根据不同的氧气需求和适用范围,可以选择不同型号的制氧机。
例如,HHO-3Y型制氧机适用于100床的医疗机构,氧气产量为3Nm3/h,装机功率为7.5KW。
五、分子筛制氧机在医疗领域的应用分子筛制氧机在医疗领域具有广泛的应用,包括供氧治疗、呼吸机辅助治疗、氧气吸入器、手术室用氧、急诊科用氧等。
此外,分子筛制氧机还可应用于畜牧业、水产养殖、高原地区居民用氧等领域。
如何选择一款好的制氧机呢?选购制氧机的窍门是什么?目前市场上的制氧机五花八门,品类繁多,一般消费者在选选购时往往眼花缭乱、无从下手。
今天,结合实际销售过程中遇到的一些问题,总结下购买制氧机时的窍门。
如何选择一款好的制氧机呢?选购制氧机的窍门是什么?接下来,就带你了解一下吧~ - 一 -首先要确定自己是需要家用保健型的,还是辅助医疗型的。
家用保健型制氧机的氧气浓度一般在30%,辅助医疗型的氧气浓度一般在90%以上。
两者在功效上有不同。
另外对雾化功能有需要的也要注意选择带雾化功能的医用制氧机。
如果不知道自己该用什么型号的制氧机,可以咨询家庭医生或药店专业人士。
- 二 -价格。
一般大牌的制氧机价格肯定比较高。
医用制氧机,是制氧机中价格相对较高的。
品牌的家用制氧机价格也在3000-5000左右。
有保障的制氧机也在2000以上。
所以消费者可根据使用者的具体情况以及自己的经济实力来具体分析选购。
- 三 -制氧机的制氧原理有以下两种。
1、是利用分子筛的变压吸附能力分离氧气的制氧机,代表品牌有:鱼跃制氧机、心诺医用制氧机、米佑制氧机等,氧浓度是90%。
价格在3000元以上2、是利用富氧膜技术分离氧气的制氧机,以海氧之家为代表,氧浓度是30%。
价格在千元以上。
分子筛原理制氧机,氧浓度能达到90%以上- 四 -购买时,请索要发票,保存好相关单据,并问清楚保修期限和保修方式。
- 五 -选购家用制氧机时不能一味求低价,而忽略了制氧机本身的价值和售后服务。
- 六 -对于是否选择国外品牌还是国内品牌,有些人很纠结,认为只要能购买合适自己的制氧机,购买性价比高的就是最好的。
至于是否是大品牌,这个可以忽略(当然不差钱者例外),目前国产的制氧机,无论是产品质量,服务等都是过关的,更重要的是还有三秦济生堂为您把关。
分子筛制氧机中分子筛材料
分子筛制氧机中常用的分子筛材料包括13X分子筛、5A分子筛
和4A分子筛。
这些分子筛材料都是以无机物为主要成分,具有特定
的孔径和表面化学性质,适合用于气体分离和纯化过程。
首先,13X分子筛是一种具有较大孔径的分子筛材料,通常用
于分离和纯化氧气。
它的孔径大小约为10埃,能够有效地吸附和分
离空气中的氮气和水分子,从而提高氧气的纯度。
其次,5A和4A分子筛也是常见的分子筛材料,它们的孔径分
别为5埃和4埃。
它们通常用于去除空气中的水分子和二氧化碳分子,从而提高氧气的纯度和制备干燥的氧气。
除了孔径大小外,分子筛材料的选择还取决于其对不同气体分
子的选择性和吸附能力。
这些分子筛材料都具有良好的吸附性能和
化学稳定性,能够在制氧机中稳定地进行气体分离和纯化过程。
总的来说,分子筛制氧机中常用的分子筛材料包括13X分子筛、5A分子筛和4A分子筛,它们具有不同的孔径大小和吸附特性,能
够有效地提高氧气的纯度和干燥效果。
这些分子筛材料在制氧机中发挥着重要的作用,确保了制得的氧气符合医用和工业标准。
医用分子筛制氧机产品技术要求yian
一、产品名称及规格:
医用分子筛制氧机(Molecular Sieving Oxygen Generator),规格
可选:3L/min,5L/min,7L/min,10L/min,15L/min,20L/min,30L/min,50L/min。
二、产品性能及技术要求
1、产品应符合YB/T1049-2004《医用氧气机》安全技术规范的要求;
2、氧机应具有安全有效的电气系统,流量、氧浓度应精确可靠,送
气噪声较低,操作简便,无需繁琐的维护;
3、氧机应配备氧浓度控制系统,具备自动、手动切换功能,并可稳
定控制输出氧浓度;
4、氧机输出氧浓度及流量应符合下列要求:
(1)输出氧浓度要求为>90%V/V;
(2)氧机的输出流量可调范围要求为:5L/min:2-5L/min;7L/min:2-7L/min;10L/min:2-10L/min;15L/min:2-15L/min;20L/min:2-
20L/min;30L/min:2-30L/min;50L/min:2-50L/min;
(3)氧机的设备精度要求为<0.1L/min。
5、氧机应符合现行国家有关机械、电气安全要求,安装和使用时应
按照相关技术规范要求;
6、氧机外观及标识应确保清晰、规范、明了,标识应符合有关标准
要求。
三、运行及使用要求
1、氧机应有操作手册,并对操作人员的使用要求和操作程序作出详细说明;
2、氧机使用前,应按说明书检查各种性能参数,确保设备安全可靠运行;。
分子筛制氧机选购指南该文献选自互联网小型医用制氧机采用的国家标准及行业标准 GB/T191—2008 包装储运图示标志GB/T 5832.2—2008 气体中微量水分的测定 GB 8982—2009 医用氧及航空用氧GB/T 14710—2009 医用电器设备环境要求及试验方法GB 9706.1—2007 医用电器设备(第一部分)安全通用要求YY/T 0298—1998 医用分子筛制氧设备通用技术规范YY 0732—2009 医用氧气浓缩器安全要求国际医用小型制氧机及美国医用小型制氧机安全标准一、 ISO8359 国际医用氧浓缩器安全标准二、 F1464-93(1999年重新核准)美国家庭用氧浓缩器标准A.关于氧浓度的规定。
除规定出厂产氧浓度≥90%外,对设备在设计寿命内产氧浓度的最低值有硬性规定,即允许设备老化产氧浓度逐步下降,但不允许低于设定的最低值,以保护使用者根本权益。
ISO8359标准规定:设定最低值≥82%。
假如产生的氧气低于规定的最低值,制氧设备必须报警,即设备必须有氧浓度报警器。
B.关于累计使用时间计时的规定。
规定了制氧设备必须有不可更改的累计计时功能。
类似汽车里程表,累计计时是制氧设备设计寿命的使用证实,是正常使用时间的科学依据,也是后期维护的时间依据。
C.关于温度报警的规定。
F1464-93补充说明里对制氧设备的温度报警提出严格要求,要求在内部温度升高到一定度数时,设备为保护自己寿命要具有报警功能。
类似汽车水温表一样保护设备。
D.氧流量报警装置,因为在吸氧过程中,浓度及流量是很关键的指标。
分子筛制氧机选购指南近年来,国内分子筛制氧机日益普及,正在成为主要的家庭氧疗设备。
目前来说,我国已有与国际接轨的医用小型分子筛制氧机行业标准。
国际标准ISO8359、美国标准F1464-93及中国标准YY 0732-2009对分子筛制氧机以下五点做了强制性规范:●产品必须设计有不可更改的累计计时功能。
●产品必须设计有氧浓度监控系统。
●产品在连续工作状态下,额定流量下的氧气浓度变化必须在±3%以内,氧气流量波动平均值必须在±10%以内。
●产品在整个使用过程中氧浓度任何时间不得低于某一安全值,国际标准为82%,美国标准为85%,中国标准82%。
●定期维护保养,保证氧气浓度和氧气流量精度等指标的稳定性。
目前国内分子筛制氧机品类繁多,质量参差不齐,性能区别很大。
参照以上几条标准规定,消费者可以从以下三个方面考虑,理性选择合适的分子筛制氧机。
1 产品性能●是否有累计计时功能,它能为日后的保养维护及服务提供客观、准确的依据。
●24小时不间断工作状态下的氧气浓度是否仍能保持达标(93%±3%)。
●要关注新机的性能,更要关注使用过程中是否长期氧气浓度及流量的稳定和长期运行可靠。
2 服务体系●能否提供专业的氧疗服务。
氧气是心肺类药物,氧气治疗是重要的医疗手段,应在医务人员或专业人员指导下使用。
如果未能做到规范、安全用氧,不但不能改善病情,还可能对用户产生不良后果。
氧疗用户需要明确了解氧气的供应来源、给氧方式、每日吸氧时间、疗程、以及在静息、活动以及睡眠时的吸氧流量,这样才能真正做到科学用氧。
对于已经伴有低氧血症的慢性阻塞性肺疾病患者,需要全天至少吸氧15小时,使动脉血氧分压至少达到60毫米汞柱,方可获得理想的治疗效果。
●能否提供专业的定期维护保养服务。
氧气浓度、氧流量的精度等指标直接影响氧疗效果,定期的维护保养服务至关重要。
3 制造商制造商实力雄厚、技术研发能力强及品牌含金量高,其产品性能和服务质量才有最根本的保证。
应主要考察公司背景、注册资金、产品面市时间、用户口碑等因素。
还应考察该公司是否获得了医疗器械生产企业许可证,产品是否具有医疗器械注册证(可查看医疗器械注册登记表,是否有与你要购买的产品对应的型号、规格)。
随着社会的发展,越来越多的人开始选用家用制氧机作为家庭吸氧的设备。
家用制氧机的优点有很多,比如可以连续工作,比较节省能源,不存在高压部分,安全可靠等等。
但制氧机在使用的过程中也有一些注意事项及不足之处。
首先,制氧机是以空气为原料,以电为动力在比较低的压力下通过分子筛的变压吸附原理来分离空气中的氧气,使之达到医用氧气的标准(浓度93%以上,不含对人体有害的气体)。
制氧机的主要部件有压缩机和分子筛和控制阀。
压缩机是为系统提供动力的,它把空气压缩,并通过控制阀送入分子筛。
分子筛是一个有沸石填充的吸附塔,它可以吸附空气中的氮气,让氧气通过。
但经过一段时间的吸附,其吸附能力变弱,这时候必须有一个排氮的过程,即降低整个分子筛塔的压力。
所以一般制氧机内至少有两个分子筛塔交替工作,一个制氧,另一个排出氮气。
控制阀就是用来控制分子筛的制氧及排氮交替运行的,所以一般制氧机内使用一个两位五通阀。
氧气产生后通过储氧罐和限压阀进入湿化杯,氧气在这里经过水的湿化后,通过吸氧管输出。
这就是制氧机简单的制氧原理。
制氧机的寿命主要决定于一下几点1:压缩机的寿命:压缩机是提供动力的,是制氧机的核心部件之一,压缩机是以排气量来区分其大小的,理论上说排量越大,其功率越大,效果越好。
所以一般来说大功率的压缩机比小功率的要好。
较大排量的压缩机的余量比较大,即使排量在使用过程中有所衰减,也可以达到系统的最低要求,所以有较长的寿命。
目前国内大部分制氧机使用了相同厂家的压缩机,功率主要有280W,370W,400W。
压缩机消耗了整个制氧机的绝大部分电量,所以,相同技术条件下,功率较大的制氧机选用了排量较大的压缩机,因此有较长的寿命。
2:分子筛的寿命:分子筛是分离氧气的装置,它的优劣直接决定了制氧机的性能。
分子筛分国产分子筛和进口分子筛。
所谓进口分子筛是指填充分子筛的沸石是进口的。
最好的进口分子筛是法国的分子筛和美国的分子筛。
国产分子筛主要指上海生产的分子筛。
虽然制氧机在进气装置上安装了过滤器,但还是难免有灰尘和水分进入分子筛,灰尘和水分是分子筛最大的敌人(带有除水装置的制氧机应为购买首选),它们会降低分子筛的吸附能力,使氧气浓度下降。
进口分子筛的抗灰尘和潮湿的能力要比国产分子筛强很多,所以一般说进口分子筛的机器比国产分子筛的机器寿命要长。
3:控制阀的寿命:通过上面的介绍可以知道,在制氧机内是通过控制阀来控制两个分子筛的制氧和排氮的,这两个过程的切换时间一般是10秒左右,这就意味着控制阀每10秒就的动作一次,所以控制阀的寿命很重要,目前制氧机内的控制阀主要都是进口的,质量大都比较有保证。
制氧机使用过程中的主要问题:1:我怎么知道制氧机制出来的是氧气?答:一般制氧机厂家都会有专门的售后人员,他们可以使用测氧仪来检测制氧机产生的氧浓度。
当然我们也可以利用氧气的助燃性,用点燃的香烟来检测氧气。
不过这样的检测并不准确而且有一定的危险,不建议使用。
当然如果您特别在乎氧浓度的问题也可以选用带有氧浓度报警的机型,当然,你必须为这个功能多付出1000元左右,并且每二到四年就需要更换一次氧浓度探头,花费500元左右。
2:为什么我的制氧机噪音很大?而且在每10秒左右还有噗噗的声音出现?答:首先,制氧机内有压缩机,所以会存在噪音,噪音的控制水平和制氧机生产厂家的水平以及制氧机的体积结构有关系,一般体积较大的制氧机噪音较小,因为这种制氧机有足够的空间安置隔音部件。
而且比较容易设计制氧机的内部结构来减少制氧机的噪音。
对于已经购买的制氧机,尽量不要将其放置在狭小的空间内,因为这样会增加回声,很多时候较空旷的房间以及木质地板也会增加制氧机的噪音。
制氧机内周期性的发出的噗噗的声音是分子筛排氮的声音,是正常现象。
对于对噪音比较敏感的人,我们可以将制氧机远离吸氧者,并通过较长的吸氧管链接。
3:制氧机利用空气制氧,那么室内的氧气会不会越来越少?答:即使是在密闭的空间内制氧机的存在也不会减少空间中的氧气,因为制氧机并没有消耗氧气,只不过是将氧气分离。
在没有制氧机的时候,我们直接吸入空气中的氧,排出二氧化碳,当用制氧机吸氧的时候,我们仍旧是吸入氧,排出二氧化碳。
我们呼吸的时候吸收的氧是很少的(5%-10%),大部分氧通过我们的呼吸又回到了室内。
所以有制氧机的存在与我们直接在室内呼吸区别不大。
当然,即使是这样,我们还是建议经常开窗换气,以保证室内空气流通。
4:制氧机会排氮,那么它排出的氮气会不会影响室内的人?答:同3,空气中本来就有78%的氮气和21%的氧气1%的二氧化碳和其他气体。
制氧机排出的氮气与空气以及人没有吸收的氧气混合又变成了空气,制氧机不会制造和消耗任何气体,所以制氧机的存在是不会对空气产生影响的。
在一个绝对密闭的空间内,打开一台制氧机,不管多长时间,空气中的氧气和氮气的含量都不会改变。
5:普通的制氧机能增加空气中的氧气浓度吗?答:同3、4,不能。
只有室外机可适当增加空气中的氧浓度,(但增加很少很快就室内外就平衡了),就像空调一样虽然定在25度感觉很凉爽,一停机马上就热了,空气平衡了,所以吸氧必须用氧气管。
6:用制氧机吸氧会中毒吗?答:一般不会。
氧中毒有两个原因,一个原因是由于氧压高,二氧化碳不能及时排出,造成体内二氧化碳积聚而中毒。
另一个是由于吸入的氧浓度过高,血液中的血红蛋白被氧化成高氧血红蛋白,失去携带氧的能力而导致的组织缺氧。
要谈及氧中毒的问题就必须从氧气的流量说起,一般的制氧机流量是0.5-3L/min,就是说一分钟产生0.5-3升的氧气。
而人呼吸一次吸入的气体大约是1L-2L,每分钟大约呼吸16次-20次。
从这组数字来看制氧机产生的氧气远远不够我们呼吸所使用的气体,所以即使我们在吸氧的时候,从制氧机内得到的气体也是较少一部分,大部分是空气,所以真正到达肺部的氧气浓度远远没有93%这么高,而且制氧机产生的是常压氧,并不是高压氧,所以一般情况下用家用制氧机不会产生氧中毒的现象。
但这并不是绝对的,对一些肺部功能不好的人来说,吸氧流量较大的时候肺部排出二氧化碳也会受到影响,所以一些肺病患者需要低流量长时间的吸氧,以减少二氧化碳羁留,必要的时候可以配合双水平的呼吸机,帮助其排出肺部的二氧化碳。
介绍一个吸氧公式供参考。
21+4*L/min=到达肺部的氧气浓度。
21——空气中的氧浓度;L/min——医用氧(氧浓度≥90%)吸氧流量,如,每分钟吸氧流量3L,则:21+4*3=33,即,到达肺部的氧气浓度为33%7:吸氧会上瘾吗?答:不会,吸氧后能改善人体缺氧的状态,长期吸氧后人已经适应了这种不缺氧的状态,所以人在回到缺氧的状态的时候会感到难受,这并不是上瘾,而是人的一种主观感觉。
8:制氧机产生的氧气和钢瓶中的氧气效果一样吗?答:几乎一样。
医学界研究认为浓度超过82%以上的氧气就达到了医用氧的标准。