钢屋架课程设计指导书及参考例题
- 格式:doc
- 大小:23.84 MB
- 文档页数:17
钢屋架课程设计1钢屋架课程设计任务书1.1题目:设计24m跨梯形钢屋架。
1.2设计资料某轧钢车间,跨度在24m,柱距6m,车间长度72m。
采用梯形屋架和1.5m×6m预应力大型屋面板(包括嵌缝自重标准值1.5 KN/m2);屋面构造作法:100厚保温层(标准值0.40 KN/m2),20厚水泥砂浆(20KN/m2)找平层,SBS卷材防水层(0.05KN/m2);该地区基本雪压为0.30KN/m2,屋面均布活荷载0.5KN/m2。
屋架支承在钢筋混凝土柱上,柱截面尺寸为400×400mm。
屋架及支撑自重0.38KN/m2 。
1.3设计内容1.屋架选型:确定各杆件计算长度和截面形式、节点板。
2.屋盖支撑布置。
3.荷载计算及内力分析。
4.各杆件截面设计。
5.节点设计。
6.绘制钢屋架施工图,并列出材料表。
1.4设计要求1.完成计算书一套(应有封面和目录)。
2.绘制钢屋架施工图一张(A)。
23.计算书书写工整,图纸布局均匀、图面整洁,线型正确,比例适当。
1.5设计时间:1.5周。
2钢屋架课程设计指导书2.1屋架选型由题目条件,屋面坡度1/12或1/10,屋架跨度(24m),故选用普通梯形钢屋架,屋架端部高度取2000mm,则跨中高度H=2000+1/12×24000/2=3000mm。
然后按节间尺寸绘出屋架几何尺寸图,计算各杆的长度。
当采用1.5m宽度大型屋面板时,宜尽量使荷载作用于节点上。
2.2支撑布置根据厂房设计资料,一般应设置:①上弦横向支撑,位置一般应放在厂房的两端部第一或第二柱间(屋面板与屋架有可靠连接时,可不设)。
②下弦横向水平支撑,位置应与上弦横向支撑在同一柱间。
③垂直支撑,位置在上、下弦横向支撑同一柱间内,并根据屋架的跨度分别在屋架两端部和跨中的竖直平面内设置。
④系杆,在设置垂直支撑的竖直平面的上、下弦杆位置通长设置。
2.3荷载计算及荷载组合1.恒载根据屋盖的构造层次,分别计算其自重(KN/m2),最后总计在一起,即得屋盖的恒=0.12+0.011×跨度(单位:m)估算,按载。
《钢结构设计原理》课程设计指导书邱继生编西安科技大学建工学院二零零九年六月第一部分《钢结构》课程设计大纲设计某钢屋架,采用梯形或三角形屋架的形式,要求确定屋架形式、进行支撑布置、内力计算、杆件截面设计、节点的设计及钢屋架施工图的绘制并编制材料表1.1 设计目的钢结构的课程设计是钢结构教学中一个重要的实践性教学环节,通过本课程设计使学生能够在实践中巩固所学的理论知识,对培养和提高学生的基本技能,有着十分重要的作用,设计目的主要有以下几个方面:1、了解钢屋架设计的内容和一般程序,为将来的工作实际打下一个良好的基础。
2、进一步巩固所学的有关连接及构件的内容,并能从整体的高度掌握所学的知识。
3、掌握钢屋架设计的一般方法和步骤,其主要内容包括以下几个方面:了解常见的钢屋架的形式、布置及其特点;掌握钢屋架支撑的形式、布置及其作用;能够利用结构力学所学的知识对钢屋架的内力进行计算;能够根据内力计算结果合理的选择截面;掌握屋架节点的计算及设计;学会钢屋架施工图的画法及材料表的编制;学习书写结构计算书,为毕业设计打下基础;学习运用相关的规范进行设计;1.2 设计资料1、设计作业一设计资料:某厂房车间跨度为21米,长度60m,柱距6m,车间内无吊车。
屋架承重结构为梯形屋架,屋面坡度自定。
屋面构造为1.5*6m预应力钢筋混凝土大型屋面板,上设二毡三油加小石子,找平层20mm厚,泡沫混凝土保护层80mm,雪荷载按当地雪荷载查规范采用,积灰荷载0.75N/m2。
混凝土标号C20,钢材采用Q235-B,焊条采用E43型。
厂房地点:武汉、西安、乌鲁木齐、哈尔滨2、设计作业二设计资料:某仓库跨度18m,长80m,柱距5m。
屋架承重结构采用三角形芬克式钢屋架,屋面坡度自定。
屋面采用波形石棉瓦,加保温层木丝板。
雪荷载按当地雪荷载查规范采用,积灰荷载0.60N/m2。
混凝土标号C20,钢材采用Q235-B,焊条采用E43型。
厂房地点:北京、哈尔滨、重庆、西安、乌鲁木齐学生可选择其中的一个题目和地点进行设计,题目尽量多样化避免集中在几个题目上。
钢屋架设计例题-、设计资料某一单层单跨工业长房。
厂房总长度为 120m ,柱距6m ,跨度为27m 。
车间内设有两台 中级工作制桥式吊车。
该地区冬季最低温度为— 20C 。
屋面采用1.5m x 6.0m 预应力大型屋面板,屋面坡度为i=1:10。
上铺120mm 厚泡沫混凝 土保温层和三毡四油防水层等。
屋面活荷载标准值为 0.6kN/叭雪荷载标准值为0.75 kN/叭 积灰荷载标准值为0.5kN/ m 20屋架采用梯形钢屋架,其两端铰支于钢劲混凝土柱上。
柱头截面为 400mm x 400mm,所用混凝土强度等级为C20 o根据该地区的温度及荷载性质,钢材采用Q235—\-F ,其设计强度f=215kN/ m 2,焊条采用E43型,手工焊接。
构件采用钢板及热轧钢劲,构件与支撑的连接用M20普通螺栓。
屋架 的计算跨度:Lo=27000 — 2x 150=26700mm,端部高度:h=2000mm (轴线处),h=2015mm (计算跨度处)。
二、结构形式与布屋架形式及几何尺寸见图1所示冷 1350ff13500a 3000 b3 (JOOc4500d 3000 e屋架支撑布置见图2所示rjr他區bGQL〔UG2■GG2一IC2X GG1r60007舊U15C5GT恙GG GG--2G G料|着uj23G2一—誉LG22GGG屋架下弦支撑布置图OOOZCJ=二二--.|¥tmt7孔二疗「一一LCC1GG1B3L CC3 551K/V1匚 1 K7VGG1GGL GGL垂直支撑1TCC2GG2GG2CC4GG2X X 1 w->严■<X XGG1CC11\/\/GGLGG2CC2FLG5--T B符号说明:GWJ-(钢屋架);SC-(上弦支撑):XC-(下弦支撑);CC-(垂直支撑);GG-(刚性系杆);LG-(柔性系杆)图2屋架支撑布置图三、荷载与内力计算1•荷载计算荷载与雪荷载不会同时出现,故] 永久荷载标准值放水层(三毡四油上铺小石子) 找平层(20mm 厚水泥砂浆) 保温层(120mm 厚泡沫混凝土) 预应力混凝土大型屋面板 钢屋架和支撑自重 0.35kN/ m 2 0.02 X20=0.40kN/m 0.12*6=0.70kN/ m1.40kN/ m 0.12+0.011X 27=0.417kN/m管道设备自重0.10 kN/ m3.387kN/ m可变荷载标准值 雪荷载 积灰荷载 0.50kN/ m1.25kN/ m永久荷载设计值1.2X 3.387=4.0644 kN/m (由可变荷载控制)可变荷载设计值 1.4X 1.25=1.75kN/ m 2. 荷载组合设计屋架时,应考虑以下三种组合:组合一全跨永久荷载+全跨可变荷载屋架上弦节点荷载 P=(4.0644+1.75) X 1.5X 6=52.3296 kN组合二 全跨永久荷载+半跨可变荷载屋架上弦节点荷载p =4.0644X 1.5 X 6=36.59 kNP 2=1.75X 1.5X 6=15.75 kN组合三全跨屋架及支撑自重+半跨大型屋面板重+半跨屋面活荷载 屋架上弦节点荷载 p 3 =0.417X 1.2X 1.5X 6=4.5 kNP 4 =(1.4 X 1.2+0.75X 1.4) X 1.5X 6=24.57 kN3. 内力计算本设计采用程序计算杆件在单位节点力作用下各杆件的内力系数,见表1。
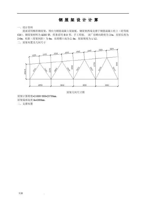
钢屋架设计计算一、设计资料屋面采用梯形钢屋架、预应力钢筋混凝土屋面板。
钢屋架两端支撑于钢筋混凝土柱上(砼等级C20)。
钢屋架材料为Q235钢,焊条采用E43型,手工焊接。
该厂房横向跨度为24m,房屋长度为240m,柱距(屋架间距)为6m,房屋檐口高为2.0m,屋面坡度为1/12。
二、屋架布置及几何尺寸屋架几何尺寸图屋架计算跨度=24000-300=23700mm。
屋架端部高度H0=2000mm。
二、支撑布置三、荷载计算1、荷载永久荷载预应力钢筋混凝土屋面板(包括嵌缝) 1500N/m2 =1.5 KN/m2屋架自重(120+11×24)=0.384 KN/m2防水层 380N/m2 =0.38 KN/m2找平层2cm厚 400N/m2 =0.40 KN/m2保温层 970N/m2 =0.97 KN/m2支撑自重 80N/m2 =0.08 KN/m2小计∑3.714 KN/m2可变荷载活载 700N/m2=0.70 KN/m2以上荷载计算中,因屋面坡度较小,风荷载对屋面为吸力,对重屋盖可不考虑,所以各荷载均按水平投影面积计算。
永久荷载设计值:1.2×3.714=4.457kN/m2可变荷载设计值:1.4×0.7=0.98kN/m22、荷载组合设计屋架时,应考虑以下三种荷载组合:(1)全跨永久荷载+全跨可变荷载屋架上弦节点荷载:P=(4.457+0.98)×1.5×6=48.93kN(2)全跨永久荷载+半跨可变荷载屋架上弦节点荷载:P1=4.457×1.5×6=40.11kN P2=0.98×1.5×6=8.82kN(3)全跨屋架与支撑+半跨屋面板+半跨屋面活荷载全跨屋架和支撑自重产生的节点荷载:P3=1.2×(0.384+0.08)×1.5×6=5.01kN作用于半跨的屋面板及活载产生的节点荷载:取屋面可能出现的活载P4=(1.2×1.5+1.4×0.7)×1.5×6=25.02kN以上1),2)为使用阶段荷载组合;3)为施工阶段荷载组合。
《钢结构》课程设计任务书、指导书(建筑工程专业方向)土木建筑工程系年月42014《钢结构》课程设计任务书、指导书一、设计题目简支梯形钢屋架设计二、设计原始资料1.结构平面布置某地区单层单跨工业厂房机加工车间,屋架跨度及厂房长度90m,柱距6m,屋架下弦标高16.5m。
2.排架结构体系钢筋混凝土柱(混凝土强度等级为C20,上柱截面400×400);钢屋架铰支于柱上;1.5×6.0m预应力钢筋混凝土大型屋面板;1。
?i屋面坡度100。
的吊车,计算温度高于-20C.车间内设有中级工作制、起重量?300KN3.材料4型,手工焊。
钢,焊条为E43钢屋架选用Q235-B.荷载(标准值)52kN/m防水层0.352kN/m0.40砂浆找平层(厚20mm)2)( 保温层 kN/m按附表取2kN/m1预应力钢筋混凝土大型屋面板.344(包括灌缝)2kN/m屋架及支撑自重)(0.12+0.011l2kN/m0.15悬挂管道2kN/m0.50屋面活荷载2)(按附表取屋面积灰荷载kN/m2kN/m雪荷载0.35)见附图(6.钢屋架计算简图及构件几何尺寸示意图三、设计任务.绘制钢屋架结构支撑系统布置简图(包括上弦水平支撑、下弦水平支撑、垂直支撑1。
)及系杆.设计该指定跨度的双坡梯形钢屋架,并绘制安装单元施工图及编制整榀屋架材料表。
2四、主要参考资料2004高等教育出版社,张耀春.钢结构设计原理.北京:1.1991:北京中国建筑工业出版社,钢结构2.欧阳可庆..2002中国建筑工业出版社,钢结构基本原理.北京:.3.沈祖炎、陈扬骥、陈以一,2001建筑钢结构设计.4.王肇民.上海:同济大学出版社5.钢结构设计规范(GB50017-2003)6.钢结构施工质量验收规范(GB50205-2001)7.建筑钢结构焊接规程(JGJ81-2002)8.建筑结构荷载规范(GB50009-2001)9.建筑结构制图标准(GB/T50105-2001)10.房屋建筑制图统一标准(GB/T50001-2001)五、设计计算说明书要求1.设计资料;2.结构平面布置简图、支撑体系简图;3.钢屋架计算简图及几何长度;4.荷载计算、荷载组合、节点荷载及支座反力计算;5.屋架内力计算:(1)单位节点荷载(P=1)作用于左半跨屋架的内力图;(2)利用结构的对称特点,当单位节点荷载(P=1)分别作用于屋架左半跨和右半跨时,可将屋架中相互对称的各杆件内力叠加,得到相当于单位节点荷载(P=1)作用在全跨屋架节点上的内力;(3)考虑三种荷载组合:a、全跨恒载+全跨活载(使用阶段);b、全跨恒载+半跨活载(使用阶段);c、屋架自重和支撑自重+半跨屋面板重+半跨屋面活荷载(施工阶段);(4)杆件设计内力的确定:按上述三种荷载组合情况,进行内力组合;6.屋架杆件截面选择(不考虑支撑与弦杆连接的螺栓孔对截面的削弱,不考虑上、下弦杆变截面);.屋架节点计算,至少计算一个下弦节点、一个上弦节点、支座节点、屋脊节点及下7.弦中央节点,并绘制节点大样草图(按1:3~1:5比例尺)。
Harbin Institute of Technology课程设计说明书(论文)课程名称:钢结构课程设计设计题目:钢屋架设计院系:班级:设计者:学号:指导教师:设计时间:哈尔滨工业大学1.设计资料哈尔滨一金工车间,长96m,跨度27m,柱距6m,采用梯形钢屋架,1.5×6m预应力钢m,厚度8mm),采用封闭结筋混凝土大型屋面板,上铺珍珠岩制品保温层(容重为4KN/3合。
卷材屋面,屋面坡度i=1/10,屋架简支于钢筋混凝土柱上,混凝土强度等级C20(抗压mm).车间内设有两台30/5T中级工作制桥式吊车,轨顶标高18.5m,设计强度c f=10N/2柱顶标高27m。
2. 屋架支撑布置3.荷载计算桁架计算长度:02720.1526.7l m =-⨯=跨中及端部高度:桁架的中间高度:3.2m在26.7m 的两端高度: 1.865m 在27m 轴线处端部高度:1.85m 桁架跨中起拱55(/500)mm l ≈荷载计算屋面活荷载与雪荷载不会同时出现,从资料可知屋面活荷载大于雪荷载,故取屋面活荷载计算。
沿屋面斜面分布的永久荷载应乘以1/cos 1.005α==。
换算为沿水平投影分布的荷载。
桁架沿水平投影面积分布的自重(包括支撑)按经验公式(0.120.011w P =+⨯跨度)计算,跨度的单位为m 。
标准永久荷载:预应力混凝土大型屋面板 221.005 1.4/ 1.407/kN m kN m ⨯= 二毡三油防水层 221.0050.35/0.352/kN m kN m ⨯= 找平层 20mm 厚 221.0050.0220/0.402/kN m kN m ⨯⨯=80mm 厚珍珠岩保温层 221.0050.084/0.322/kN m kN m ⨯⨯=桁架和支撑自重 2220.12/0.01127/0.42/kN m kN m kN m +⨯= 管道荷载 20.182/kN m 合计 23.085/kN m标准可变荷载:屋面活荷载 20.7/kN m 积灰荷载 20.3/kN m 设计桁架时,应考虑以下三种荷载组合:(1) 全跨永久荷载+全跨可变荷载(按永久荷载控制的组合) 全跨节点荷载设计值:222(1.35 3.085/ 1.40.70.7/ 1.40.90.3/) 1.56F kN m kN m kN m m m =⨯+⨯⨯+⨯⨯⨯⨯47.06kN =(2) 全跨永久荷载+半跨可变荷载 全跨节点永久荷载设计值: 对结构不利时:21.1 1.35 3.085/ 1.5 6.037.48F kN m m m kN =⨯⨯⨯= (按永久荷载控制的组合) 21.2 1.2 3.085/ 1.5633.32F kN m m m kN =⨯⨯⨯= (按可变荷载控制的组合)对结构有利时:21.3 1.0 3.085/ 1.5627.77F kN m m m kN =⨯⨯⨯=半跨节点可变荷载设计值:222.1 1.4(0.70.7/0.90.3/) 1.56F kN m kN m m m =⨯⨯+⨯⨯⨯9.58kN = (按永久荷载为主的组合)22.2 1.4(0.70.90.3)/ 1.5612.22F kN m m m kN =⨯+⨯⨯⨯= (按可变荷载为主的的组合)(3) 全跨桁包括支撑+半跨屋面板自重+半跨屋面活荷载(按可变荷载为主的组合) 全跨节点桁架自重设计值: 对结构有利时,23.1 1.20.42/ 1.56 4.54F kN m m m kN =⨯⨯⨯=对结构不利时,23.2 1.00.42/ 1.56 3.78F kN m m m kN =⨯⨯⨯=半跨节点屋面板自重及活荷载设计值:224(1.2 1.4/ 1.40.7/) 1.5623.94F kN m kN m m m kN =⨯+⨯⨯⨯=(1)、(2)为使用阶段荷载情况,(3)为施工阶段荷载情况。
钢结构课程设计例题-、设计资料某一单层单跨工业长房。
厂房总长度为120m,柱距6m,跨度为27m。
车间内设有两台中级工作制桥式吊车。
该地区冬季最低温度为-20℃。
屋面采用1.5m×6.0m预应力大型屋面板,屋面坡度为i=1:10。
上铺120mm 厚泡沫混凝土保温层和三毡四油防水层等。
屋面活荷载标准值为0.6kN/㎡,雪荷载标准值为0.75kN/㎡,积灰荷载标准值为0.5kN/㎡。
屋架采用梯形钢屋架,其两端铰支于钢劲混凝土柱上。
柱头截面为400mm ×400mm,所用混凝土强度等级为C20。
根据该地区的温度及荷载性质,钢材采用Q235―A―F,其设计强度f=215kN/㎡,焊条采用E43型,手工焊接。
构件采用钢板及热轧钢劲,构件与支撑的连接用M20普通螺栓。
屋架的计算跨度:Lo=27000-2×150=26700mm,端部高度:h=2000mm(轴线处),h=2015mm(计算跨度处)。
二、结构形式与布置屋架形式及几何尺寸见图1所示。
图1 屋架形式及几何尺寸屋架支撑布置见图2所示。
符号说明:GWJ-(钢屋架);SC-(上弦支撑):XC-(下弦支撑); CC-(垂直支撑);GG-(刚性系杆);LG-(柔性系杆)图2 屋架支撑布置图三、荷载与内力计算1.荷载计算荷载与雪荷载不会同时出现,故取两者较大的活荷载计算。
永久荷载标准值放水层(三毡四油上铺小石子)0.35kN/㎡找平层(20mm厚水泥砂浆)0.02×20=0.40kN/㎡保温层(120mm厚泡沫混凝土)0.12*6=0.70kN/㎡预应力混凝土大型屋面板 1.40kN/㎡钢屋架和支撑自重0.12+0.011×27=0.417kN/㎡管道设备自重0.10 kN/㎡总计 3.387kN/㎡可变荷载标准值雪荷载0.75kN/㎡积灰荷载0.50kN/㎡总计 1.25kN/㎡永久荷载设计值 1.2×3.387=4.0644 kN/㎡(由可变荷载控制)可变荷载设计值 1.4×1.25=1.75kN/㎡2.荷载组合设计屋架时,应考虑以下三种组合:组合一全跨永久荷载+全跨可变荷载屋架上弦节点荷载P=(4.0644+1.75) ×1.5×6=52.3296 kN组合二全跨永久荷载+半跨可变荷载P=4.0644×1.5×6=36.59 kN屋架上弦节点荷载1P=1.75×1.5×6=15.75 kN2组合三全跨屋架及支撑自重+半跨大型屋面板重+半跨屋面活荷载P=0.417×1.2×1.5×6=4.5 kN屋架上弦节点荷载3P=(1.4×1.2+0.75×1.4) ×1.5×6=24.57 kN43.内力计算本设计采用程序计算杆件在单位节点力作用下各杆件的内力系数,见表1。
钢屋架课程设计指导书《钢结构》钢屋架课程设计指导书⾃学考试青岛理⼯⼤学⼟⽊⼯程学院钢结构教研室2012年2⽉普通梯形钢屋架设计指导书本指导书根据设计任务书提出的设计内容和要求指出了设计中应考虑的原则和应注意的问题,对其中某些问题作了必要的说明。
更为⼀般的设计原理、⽅法及参考数据,可查阅相关设计⼿册和规程规范。
第⼀部分:设计及计算与设计说明书的编制普通钢屋架是由普通⾓钢和节点板焊接⽽成。
这种屋架受⼒性能好,构造简单,施⼯⽅便,⼴泛应⽤于⼯业和民⽤建筑的屋盖结构中,⼀般是⽤于⼤型钢筋混凝⼟屋⾯板等重型屋⾯,将屋⾯板直接放在屋架或天窗架上,普通屋架所⽤的等边⾓钢不⼩于∟45×4,不等边⾓钢不⼩于∟56×36×4。
屋架钢材⼀般采Q235BF(3号沸腾钢)钢材,冬季计算温度等于或低于-30℃时的屋架宜采⽤Q235B(3号镇静钢),荷载较⼤的⼤跨度屋架可采⽤Q345(16Mn钢)或Q390(15MnV 钢)。
⼀、屋架的形式及主要尺⼨(⼀)普通梯形钢屋架概述普通梯形钢屋架通常⽤于屋⾯坡度较为平缓的⼤型屋⾯板或长尺压型钢板的屋⾯,跨度⼀般为15~36m,柱距6~12m,跨中经济⾼度为(1/8~1/10)l。
梯形屋架外形⽐较接近弯矩图,因⽽弦杆内⼒沿跨度分布⽐较均匀,⽤料较经济,且可以和柱刚接或铰接,且刚接可使建筑物横向刚度提⾼。
与柱刚接的梯形屋架,端部⾼度⼀般为(1/12~1/16)l,通常取2.0~2.5m;与柱铰接的梯形屋架,端部⾼度1.5~2.0m,此时,跨中⾼度可根据端部⾼度和上弦坡度确定。
在多跨房屋中,各跨屋架的端部⾼度应尽可能相同。
当采⽤⼤型屋⾯板时,为使荷载作⽤在节点上,上弦杆的节间长度宜等于板的宽度,即1.5m或3.0m。
当采⽤压型钢板屋⾯时,也应使檩条尽量布置在节点上,以免上弦杆受弯。
对于跨度较⼤的梯形屋架,为了保证荷载作⽤于节点,并保持腹杆有适宜的⾓度和便于节点构造处理,可沿屋架全长或只在屋架跨中部分布置再分式腹杆。
钢结构课程设计指导书土木教研室2012.5钢屋架课程设计1.本课程设计总体要求⑴掌握单层厂房屋架荷载计算方法、搞清传力路径。
⑵熟悉并学会运用《建筑结构荷载规范(GB50009—2001》、《钢结构设计规范(GB50017—2003)》等规范有关规定及相关资料。
⑶运用课堂所学知识,通过本课程设计,初步建立单层厂房屋架总体概念,了解结构布置、结构选型、材料及强度确定,以及结构构造和构件间连接等基本要求。
⑷加强计算能力训练,培养严谨、科学的工作态度,学习做到对计算内容负责,运用思路清晰,计算书规整便于检查。
⑸结构设计图是表达设计意图的具体体现,应了解图纸的作用、达到的深度和正确的表示方法。
2.钢结构屋架设计:⑴掌握屋盖系统构件编号的方法;⑵完成钢屋架的结构布置;⑶能综合运用有关力学和钢结构课程所学知识,对钢屋架进行内力分析、杆件截面设计、和节点设计;⑷掌握钢屋架施工图的绘制方法。
设计方法、步骤一、选材及结构布置1、选择材料(提出使用钢材牌号及要求)、构件型式、连接方法及连接材料(焊条及螺栓型号)。
2、屋盖支撑布置:自选比例尺在计算书内绘出屋盖支撑布置图,包括屋盖上弦横向水平支撑、下弦横向水平支撑及下弦纵向水平支撑布置图、垂直支撑(布置图中用虚线表明其位置,并作剖面图,示意其结构形式)、系杆(刚性及柔性)。
布置图中以编号的方式说明各构件的名称。
例:钢屋架GWJ —x x 垂直支撑CC—x x 上弦支撑SC —x x 刚性系杆GG—x x下弦支撑XC —x x 柔性系杆LG—x x二、荷载计算与内力分析1.荷载计算(1)按屋面做法、各层材料的荷载标准值,求出永久荷载的设计值。
(2)按雪荷载与屋面施工可变荷载取其中最不利值的原则,求出可变荷载的设计值。
(3)适当划分计算单元,求出屋架节点荷载和节间荷载设计值。
2.内力计算确定杆件内轴力1)计算半跨(或全跨)单位节点力作用下各杆件内轴向力——轴力系数求解方法自选,可用数解法(截面法、节点法)、图解法、利用建筑结构静力计算手册查出内力系数或使用计算机程序计算等。
钢结构梯形钢屋架课程设计指导书
一、课程设计的目的和要求
通过课程设计,加深学生对钢结构课程理论基础的认识和了解,并学习运用所学知识进行钢屋架内力分析计算。
了解对钢屋架杆件控制截面进行最不利内力组合的方法。
掌握钢屋架荷载的计算,掌握杆件内力的计算和组合,杆件的计算长度,截面型式,截面选择及构造要求,填板的设置及节点板的厚度。
掌握普通钢屋架节点设计的原则和要求,主要节点的设计和计算方及构造,掌握钢屋架施工图的内容和绘制。
二、课程设计的内容和步骤
1、内容:
工整计算书一份包括:封皮、内容(设计资料和详细计算过程)。
梯形钢屋架施工图。
(2号图1张)
2、步骤:
①、屋架荷载计算与荷载效应组合;
②、屋架杆件内力计算;
③、屋架杆件设计;
④、屋架节点设计;
⑤、屋架施工图的绘制。
三、课程设计的进度计划
四、课程设计的成绩评定
课程设计成绩根据评分标准按优、良、中、及格和不及格记分。
五、教材及参考书
1、教材:《钢结构》上册《钢结构基础》及下册《房屋建筑钢结构设计》中国建筑工业出版社,普通高等教育土建学科专业“十五”规划教材。
2、参考书:《钢结构设计规范》,(GB50017-2003)中国计划出版社。
《建筑结构荷载规范》(GB50009-2001)中国建筑工业出版社
《土木工程专业钢结构课程设计指南》中国水利水电出版社。
钢屋架课程设计指导书及参考例题钢屋架课程设计指导书⼀、教学要求1、了解普通钢屋架设计的全过程;2、学习结构施⼯图的绘制和结构计算书的编制⽅法3、了解钢屋盖⽀撑体系的作⽤并能正确布置⽀撑;4、掌握钢屋架的内⼒计算、杆件截⾯选择,节点设计的⽅法;5、掌握焊接连接的构造要求。
⼆、屋架形式及主要尺⼨的确定在确定钢屋架外形时,应满⾜适⽤、经济和制造安装⽅便的原则。
腹杆和节点数量少,应使短杆受压,长杆受拉,杆件夹⾓宜在30°~60°之间。
屋架的主要尺⼨包括屋架的跨度、⾼度、节间宽度。
跨度⼀般以3m为模数。
计算跨度:L0=L-2×150mm 卷材防⽔屋⾯上弦坡度为:1/8~1/12 时,跨中⾼度⼀般为:(1/6~1/10)L;端部⾼度常⽤:H0=1.8~2.2m;上弦节间长度应等于⼤型屋⾯板的宽度。
三、⽀撑布置根据车间长度,屋架跨度,荷载情况,以及吊车设置情况,宜布置两道上、下弦横向⽔平⽀撑,垂直⽀撑和系杆,屋脊节点及屋架⽀座处沿⼚房通长设置刚性系杆,屋架下弦沿跨中通长设⼀道柔性系杆。
凡与⽀撑连接的屋架可编号为GWJ—A,其它编号均为GWJ—B。
四、屋架的内⼒计算1、计算的基本假定节点均为铰接;所有杆件的轴线均位于同⼀平⾯内,且同⼼交汇于节点;荷载均⽤于节点。
2、荷载计算屋⾯活荷载与雪载⼀般不会同时出现,可取其中较⼤者进⾏计算。
屋架沿⽔平投影⾯积分布的⾃重(包括⽀撑)可按经验公式计算。
荷载计算中,因屋⾯坡度较⼩,风荷载对屋⾯为吸⼒,起卸载作⽤,对重屋盖可不考虑,所以各荷载均按⽔平投影⾯积计算。
3、荷载组合设计屋架时,应考虑以下三种荷载组合:(1)全跨永久荷载+全跨可变荷载(2)全跨永久荷载+半跨可变荷载(3)全跨屋架与⽀撑⾃重+半跨屋⾯板⾃重+半跨屋⾯活荷载4、内⼒计算按图解法、解释法、电算法均可计算屋架各杆内⼒。
先求出单位荷载作⽤于各节点时的内⼒,即内⼒系数,然后可求出当荷载作⽤于全跨及半跨各节点时的杆件内⼒,并求出三种荷载组合下的杯件内⼒.取其中不利内⼒(正、负最⼤值)作为设计屋架的依据。
课程设计指导书课程名称:钢结构设计原理设计题目:梯形屋架设计专业年级: 2011级土木工程制定日期: 2014年6月梯形钢屋架课程设计指导书由于钢结构具有承载力高、抗震性能好、自重轻、建设周期短等优点,因而在重型或大型厂房、大跨度的公共建筑中,已愈来愈多地使用钢屋盖结构。
1.1 屋盖结构体系1、无檩设计方案在钢屋架上直接放置预应力钢筋混凝土大型屋面板,其上铺设保温层和防水层。
这种方案最突出的优点是屋盖的横向刚度大,整体性好,所以对结构的横向刚度要求高的厂房宜采用无檩设计方案。
但因屋面板的自重大,屋盖结构自重大,抗震性能较差。
2、有檩设计方案在钢屋架上设置檩条,檩条上面再铺设轻型屋面材料,如石棉瓦、压型钢板等。
对于横向刚度要求不高,特别是不需要做保温层的中小型厂房,宜采用有檩设计方案。
1.2 屋盖支撑钢屋架在其自身平面内为几何形状不变体系并具有较大的刚度。
但这种体系在垂直于屋架平面的侧向(即屋架平面外)的刚度和稳定性很差,不能承受水平荷载。
为了充分保证房屋的安全、适用和满足施工要求,在屋盖系统中必须设置必要的支撑体系,把平面屋架相互连接起来,使之成为一个稳定而刚强的整体结构。
屋盖支撑的作用主要是:1、保证桁架结构的空间几何形状不变。
平面桁架能保证桁架平面内的几何稳定性,支撑系统则保证桁架平面外的几何稳定性。
2、保证桁架结构的空间刚度和空间整体性。
3、为桁架弦杆提供必要的侧向支承点。
4、承受并传递水平荷载。
5、保证结构安装时的稳定和方便。
1.3 屋架的形式和主要尺寸1、屋架形式的确定应满足经济、适用和制造安装方便的原则(1)满足使用要求。
屋架外形应与屋面材料的排水要求相适应。
如屋面采用瓦类、铁皮或钢丝网水泥槽板时,屋架上弦坡度应做的陡些,一般取1/5~1/2,以利排水;当采用大型屋面板上铺卷材防水屋面时,则要求屋面坡度平缓些,一般取1/12~1/8。
(2)满足经济要求。
屋架外形应尽量接近弯矩图形。
因—般跨度的屋架弦杆通常都设计成定截面的,当屋架外形与荷载引起的弯矩图形相似时,屋架的上下弦杆内力沿跨长分布比较均匀,这样可使弦杆材料获得充分利用。
附1:房屋长度有4组数据:(1)60m;(2)102m;(3)120m;(4)150m;附2:屋盖所承受的竖向均布荷载标准值(恒载),共10组。
(a)、2.25 KN/m²;(b)、2.5 KN/m²;(c)、2.75 KN/m²;(d)、3.0 KN/m²;(e)、3.25 KN/m²;(f)、3.5 KN/m²;(g)、3.75 KN/m²;(h)、4.0 KN/m²(i)、4.25 KN/m²;(l)、4.5KN/m²;附3:屋盖所承受的竖向均布荷载标准值(活载),共4组。
(a)、0.5 KN/m²;(b)、0.6 KN/m²;(c)、0.7 KN/m²;(d)、0.8 KN/m²;(e)、0.9 KN/m²;(f)、1.0 KN/m²;(g)、0.4 KN/m²2、设计内容:1)、作支撑布置图,其中包括上、下弦横向水平支撑、纵向水平支撑、垂直支撑、系杆.2)、求屋架杆件内力.必要时应进行内力组合。
3)、选择屋架各杆件的截面形式和尺寸.4)、节点设计,包括支座节点a、屋脊节点I、下弦拼接节点i、上、下弦中间节点E、e、d.5)、绘制屋架的一个运送单元的施工图并作材料表二、普通钢屋架设计指导书1、引言:钢屋架课程设计历年来一直是钢结构课程设计的必做题目,通过钢屋架课程设计的学习,对钢桁架的设计,钢结构节点设计,钢结构支撑体系都会有较深的了解,对钢结构施工图,施工详图的绘制方法也会有较深刻的理解和体会。
近些年来,门式刚架,网架的广泛应用。
致使钢屋架的应用受到了限制。
但是,一方面,仍然有许多情况,如大坡度屋盖、狭长结构屋盖,桁架结构仍是首选结构形式;另一方面,通过对钢屋盖这种最基本的桁架结构设计的学习,对学习其他结构如门式刚架结构(特别是支撑体系),网架结构,其他空间桁架结构也会有很大的帮助。
钢结构课程设计任务书及指导书(幕墙)钢结构课程设计任务书及指导书(幕墙)[⼟⽊⼯程专业钢屋盖课程设计任务书及指导书苏州科技学院⼟⽊⼯程学院建⼯系20XX年3⽉钢屋盖课程设计任务书⼀、题⽬设计某车间钢屋架⼆、设计资料1、车间平⾯尺⼨:24m×78m2、车间为单跨:跨度l = 24m 轨顶标⾼ 10m3、柱距6m4、吊车:⼆台桥式吊车Q=20吨/5吨,中级⼯作制。
5、材料:屋架型材,焊条E43型。
6、建造地区:江苏省苏州市7、制造运送⽅案:焊接;铁路运送。
8、建筑结构⽅案:屋盖⽆檩⽅案,⽆天窗,采⽤G410 ×6m预应⼒混凝⼟⼤型屋⾯板;柱钢筋混凝⼟柱,混凝⼟强度等级C25,上柱截⾯400×400mm。
9、屋⾯做法:⼆毡三油防⽔层下20mm厚⽔泥砂浆找平层,再下⾯是80mm厚泡沫混凝⼟保温层。
10、屋⾯坡度:i=1/10 ~1/1211、屋⾯积灰荷载:~/m2,。
三、设计成果:1、设计计算书,内含屋架型式单线图,⽀撑布置图等内容。
2、钢屋架运送单元施⼯图。
四、设计内容及步骤:1、确定屋架图形 (1)确定屋架中⾼及端⾼; (2)确定节点间距及腹杆图形; (3)按⽐例画出屋架单线图12、屋架⽀撑布置按1:600⽐例尺画出屋架上弦、下弦⽀撑布置图及垂直⽀撑布置图。
3、荷载计算4、屋架杆件内⼒分析5、屋架杆件截⾯选择6、绘制钢屋架运送单元施⼯图五、设计参考资料1、《钢结构》,陈绍蕃、顾强主编,中国建筑⼯业出版社,20XX年第⼆版。
2、《钢结构》魏明钟主编,武汉理⼯⼤学出版社,20XX年10⽉第⼆版。
3、《钢结构》刘声扬主编,中国建筑⼯业出版社,1997年6⽉和三版。
4、《钢结构》欧阳可庆主编,中国建筑⼯业出版社,1991年11⽉第⼀版。
5、《钢结构-原理与设计》王国周等主编,清华⼤学出版社,1993年第⼀版。
6、《钢结构设计规范》,中国计划出版社,20XX年10⽉第⼀版。
钢结构课程设计---普通钢屋架设计————————普通钢屋架设计指导教师:夏修身姓名:靳雄伟学号:200901950普通钢屋架设计1、设计资料某车间跨度为30m,柱距为6m,厂房总长度为90m。
车间内有一台50吨和一台20吨中级工作制软钩桥式吊车,吊车轨顶标高为+9.00m。
冬季最低温度为-20℃。
屋面采用1.5m*6.0m预应力大型屋面板,屋面坡度为i=1:10 。
上铺80mm厚泡沫混凝土保温层和二毡三油防水层。
屋面活荷载标准值为0.7kN/m2雪荷载标准值为0.5kN/m2,积灰荷载标准值为0.75kN/m2。
屋架采用梯形钢屋架,其两端铰支于钢筋混凝土柱上,上柱截面尺寸为450mm*450mm,混凝土强度等级为C25 。
钢材采用Q235-B级,焊条采用E43型,手工焊。
屋架计算跨度:l0=30-2*1.5=29.7m。
跨中及端部高度:屋架的中间高度:h=3.490m,在29.7m的两端高度:h0=2.005m,在30m轴线处端部高度:h0=1.990m。
屋架跨中起拱60mm(≈ L/500)。
图1 屋架形式及几何尺寸屋架上弦支撑布置图屋架下弦支撑布置图垂直支撑1-1垂直支撑1-1符号说明:SC-上弦支撑 XC-下弦支撑 CC-垂直支撑GG-刚性系杆 LG-柔性系杆图2 屋架支撑布置2、结构形式与布置屋架形式及几何尺寸如图1所示。
屋架支撑布置如图2所示。
3、荷载计算屋面活荷载与雪荷载不会同时出现,从资料可知屋面活荷载大于雪荷载,故取屋面活荷载计算。
屋架沿水平投影面积分布的自重(包括支撑)按经验公式(g wk=0.12+0.11l)计算,跨度单位为m。
荷载永久荷载:预应力混凝土大型屋面板1.4*1.35=1.89kN/m2二毡三油防水层0.35*1.35=0.4725kN/m2找平层(20mm厚)0.02*20*1.35=0.54kN/m280mm厚泡沫混凝土保温层0.08*6*1.35=0.648kN/m2屋架和支撑自重(0.12+0.011*30)*1.35=0.608kN/m2管道荷载0.182*1.35=0.2457kN/m2总计 4.404 kN/m2可变荷载:屋面活荷载0.7*1.4=0.98kN/m2积灰荷载0.75*1.4=1.05kN/m2总计 2.03 kN/m2设计屋架时,应考虑以下3种荷载组合:(1)、全跨永久荷载+全跨可变荷载全跨节点永久荷载及可变荷载:F=(4.404+2.03)*1.5*6=57.91kN(2)、全跨永久荷载+半跨可变荷载全跨节点永久荷载:F1=4.04*1.5*6=39.64kN半跨节点可变荷载:F2=2.03*1.5*6=18.27kN(3)、全跨屋架包括支撑+半跨屋面板自重+半跨屋面活荷载全跨节点屋架自重:F3=0.54*1.5*6=4.86kN半跨节点屋面板自重及活荷载:F4=(1.68+0.98)*1.5*6=23.94kN (1)、(2)为使用阶段荷载情况,(3)为施工阶段荷载情况。
钢屋架课程设计指导书
一、教学要求
1、了解普通钢屋架设计的全过程;
2、学习结构施工图的绘制和结构计算书的编制方法
3、了解钢屋盖支撑体系的作用并能正确布置支撑;
4、掌握钢屋架的内力计算、杆件截面选择,节点设计的方法;
5、掌握焊接连接的构造要求。
二、屋架形式及主要尺寸的确定
在确定钢屋架外形时,应满足适用、经济和制造安装方便的原则。
腹杆和节点数量少,应使短杆受压,长杆受拉,杆件夹角宜在30°~60°之间。
屋架的主要尺寸包括屋架的跨度、高度、节间宽度。
跨度一般以3m为模数。
计算跨度:L0=L-2×150mm 卷材防水屋面上弦坡度为:1/8~1/12 时,跨中高度一般为:(1/6~1/10)L;端部高度常用:H0=1.8~2.2m;上弦节间长度应等于大型屋面板的宽度。
三、支撑布置
根据车间长度,屋架跨度,荷载情况,以及吊车设置情况,宜布置两道上、下弦横向水平支撑,垂直支撑和系杆,屋脊节点及屋架支座处沿厂房通长设置刚性系杆,屋架下弦沿跨中通长设一道柔性系杆。
凡与支撑连接的屋架可编号为GWJ—A,其它编号均为GWJ—B。
四、屋架的内力计算
1、计算的基本假定
节点均为铰接;所有杆件的轴线均位于同一平面内,且同心交汇于节点;荷载均用于节点。
2、荷载计算
屋面活荷载与雪载一般不会同时出现,可取其中较大者进行计算。
屋架沿水平投影面积分布的自重(包括支撑)可按经验公式计算。
荷载计算中,因屋面坡度较小,风荷载对屋面为吸力,起卸载作用,对重屋盖可不考虑,所以各荷载均按水平投影面积计算。
3、荷载组合
设计屋架时,应考虑以下三种荷载组合:
(1)全跨永久荷载+全跨可变荷载
(2)全跨永久荷载+半跨可变荷载
(3)全跨屋架与支撑自重+半跨屋面板自重+半跨屋面活荷载
4、内力计算
按图解法、解释法、电算法均可计算屋架各杆内力。
先求出单位荷载作用于各节点时的内力,即内力系数,然后可求出当荷载作用于全跨及半跨各节点时的杆件内力,并求出三种荷载组合下的杯件内力.取其中不利内力(正、负最大值)作为设计屋架的依据。
可列表计算。
跨中附近斜腹件的内力发生变号,由于考虑了施工阶段荷载的不利分布。
如果按照正确的施工方法,屋面板采用对称吊装,就不会出现杆件内力的变号。
五、杆件的计算长度和长细比
表1 桁架弦杆和单系腹杆的计算长度l 0
注:1. l 为构件的几何长度(节点中心间距离);l 1为桁架弦杆侧向支承点之间的距离。
2. 斜平面系指与桁架平面斜交的平面,适用于构件截面两个主轴均不在桁架平面内的单角钢腹杆和十字形截面的腹杆。
当桁架弦杆侧向支承点之间的距离为节间长度的2倍,且两节间的弦杆轴心压力不相同时,弦杆(包括再分式腹杆体系中的受压腹杆)在平面外的计算长度应按下式计算:)25.075.0(1
210N N l l += 2、长细比
压杆:λ≤[λ]=150
拉杆:λ≤[λ]=350 有重级工作制吊车时λ≤[λ]=250
六、杆件截面形式和截面选择(具体条件、公式等参见教材相关章节及例题)
屋架跨度不大于30m 时,上弦、下弦可不改变截面,按最大内力设计。
上弦杆计算长度,在屋梁平面内,为节间轴线长度。
在屋梁平面外,根据支撑布置和内力变化情况(按大型屋面板与屋梁保证三点焊,故取两块屋面板宽度),其计算长度大于屋架平面内计算长度,故截面宜选用两个不等肢角钢,短肢相并。
原则:λx ≈λy 。
节点板厚度需按腹杆的最大内力选用。
轴心拉杆,可按强度要求选择截面。
轴心压杆,可先假定长细比(弦杆λ=50~100,腹杆80~120)查表得ϕ值,即可计算所需面积A ,选择截面再进行验算。
屋架所有的杆件还应满足长细比限值的要求。
1、上、下弦杆l 0x =l ,l oy =l 1,一般l 0y >>l 0x (2倍以上)故通常采用短肢相并的不等边角钢T 形截面(i y /i x ≈2.8)。
2、支座腹杆
支座腹杆l l l y x ==00,故通常采用长肢相并的不等边角钢T 形截面(i y /i x ≈0.9)。
3、一般腹杆
一般腹杆25.1/,,8.00000===x y y x l l l l l l ,故通常采用等边角钢T 形截面(i y /i x ≈1.5)。
4、跨中腹杆
桁架正中竖杆,为保证屋架在运输和安装的方便,以及与正中垂直支撑和系杆连接不偏心,并获得较大的刚度,通常采用等边角钢组成十形截面。
5、填板的设置
双角钢T 形或十形截面是组合截面,应每隔一定间距在两角钢间放置填板,以保证两个角钢能整体共同受力。
填板间距对压杆用l d ≤40i 1,对拉杆用l d ≤80i 1,i 1一个角钢对1-1形心轴的回转半径,一般杆件,每个节间的填板数2个(T 形截面)和3个(十形截面);在侧向支承点间距≥2个节间的连续直通弦杆或腹杆中,每节间的填板数一般不得少于1个。
6、截面选择
普通钢屋架中所采用的角钢规格不宜小于L50×5或L75×50×5。
为了便于钢材备料,在同一榀屋架中,角钢规格不宜过多,一般为5~6种。
七、节点设计(具体条件、公式等参见教材相关章节及例题)
1、节点设计的基本要求
(1)各杆件的形心线位置尽量与屋架几何轴线重合,并交于节点中心,以避免由于偏心所产生的附加弯距。
(焊接桁架中应调整称5mm 的倍数)
(2)节点强度一般应高于相连接的杆件的承载力。
(3)节点的传力路线明确,构造形式便于制作和安装。
(4)角钢的切断面一般与其轴线垂直,需要斜切时只能切肢尖。
2、节点板设计
节点的设计一般步骤是:
先根据腹杆的内力计算腹杆与节点板连接焊缝的焊脚尺寸和焊缝长度,然后根据此焊缝长度的大小按比例绘出节点板的形状和大小,最后验算弦杆与节点板的连接焊缝。
用作图法求节点板的形状和大小时,应按角度准确画出各杆件的轴线和轮廓线,各杆件的形心线应尽量与杆件轴线重合并取5mm 的整数,再考虑杆件之间应有的间隙以及制作、装配等误差,按比例绘出各杆件端部及腹杆焊缝的位置,在此基础上作出节点详图。
节点板的形状和尺寸在绘制施工图时决定,形状应尽可能简单、规则,至少有两边平行。
如矩形、梯形、直角梯形等。
节点板厚度按表7.6选定,同一榀屋架中除支座节点板比其它节点板厚2mm 外,其余厚度均一致。
按比例画出各杆件尺寸,考虑构造要求后(各杆件之间应留有空隙a ,在承受静力荷载时a≥20mm ,在承受动力荷载时a≥50mm );画出各杆件在节点处角钢切断位置。
桁架节点板在斜腹杆压力作用下的稳定应符合:
①对有竖腹杆的节点板,当 y f t c /23515/ 时,可不计算稳定,否则应进行稳定计
算。
且y f t c /23522/≤ 。
(t 节点板厚度)
②对无竖腹杆的节点板,当y f t c /23510/≤时,可不计算稳定,否则应进行稳定计算。
且y f t c /2355.17/≤。
3、节点的计算与构造(参见教材相关章节及例题)
八、施工图绘制
屋架施工图是指导钢结构构件制造和安装的技术文件,同时也是编制工程预算的依据和工程竣工后的存档资料。
因此,务须做到清晰、明确,准确无误,表达详尽。
施工图需明确屋架几何尺寸,各部分详图,相关尺寸,构件所用钢材的钢号、材料规格,连接材料的强度指标、规格,焊条型号,焊缝长度、厚度,防腐处理等。
起拱:跨度较大的屋架,特别是荷载较大时,中间挠度较大,因此为确保安全使用和外部美观,一般跨度≥24m 的梯形屋架和跨度≥15m 的三角形屋架,中间起拱约为跨度的1/500。
1、通常在图纸的左上角用合适的比例画以屋架简图。
左半标出几何长度,右半杆件的计算内力值。
并注明屋架跨中央的起拱高度(屋架图上不必表示)。
2、屋架的正面图。
其轴线图与节点图可取不同比例,如轴线可用1:30~1:20,杆件截面和节点尺寸可用1:15~1:10,以使节点画清楚些。
3、屋架上下弦杆的平面图、屋架端部和跨中的侧面图及必要的剖面图,零件图。
4.施工图上应注明各零部件的型号和主要几何尺寸,包括加工尺寸(宜取5mm 的倍数)、定位尺寸、孔洞位置以及对工厂制造和工地安装的要求。
定位尺寸主要有:节点中心至各杆件杆端和至节点板边缘(上、下和左、右)的距离、轴线至角钢肢背的距离等。
螺栓孔位置要符合螺栓排列的要求。
工厂制造和工地安装要求主要包括:零部件切角、切肢、削棱、孔洞直径和焊缝尺寸等均应在施工图中注明。
工地安装焊缝和安装螺栓应标注其符号。
5、施工图中的各零部件应加以详细编号,其次序按主次、上下和左右排列。
完全相同的零部件用同一编号,如两个零部件形状和尺寸完全一样,仅因开孔位置或切角等不同,使两构件成镜面对称时,可采用同一编号而只须在材料表中用正、反字样注明,以示区别。
6、编制材料表,把所有杆件和零部件的编号、规格、长度、数量(正、反)及重量等均填于表中,以备配料和计算用钢量,并可供配备起重和运输设备时参考。
7、文字说明。
其内容主要有:钢材的钢号、焊条型号和焊接方法、质量要求,图中未注明的焊缝和螺栓孔尺寸,防锈处理方法,以及运输、安装和制造要求等。
此外,对一些在施工图上难以用图而宜用文字表达清楚的内容亦可用文字加以说明。
参考例题如下:。