钢屋架课程设计计算书及施工图
- 格式:doc
- 大小:2.11 MB
- 文档页数:20
钢结构课程设计计算书题目:厂房27m钢屋架设计专业班级:土木工程学号:姓名:指导老师:完成日期:一、设计资料:(1)某车间跨度为27m,厂房总长度102m,柱距6m,车间内设有两台50/10t中级工作制软钩桥式吊车,地区计算温度高于-20℃,无侵蚀性介质,地震设防烈度为6度,屋架下弦标高为18m。
(2)屋面采用1.5×6 m预应力钢筋混凝土大型屋面板,Ⅱ级防水,卷材屋面,桁架采用梯形钢桁架,两端铰支在钢筋混凝土柱上,上柱截面尺寸为450×450mm,混凝土强度等级为C25,屋面坡度为1:11,屋架端部高度为1.74m,屋架采用的钢材及焊条为:Q235B钢,焊条为E43型。
(3)荷载:永久荷载:改性沥青防水层0.4kN/m220厚1:2.5水泥砂浆找平层 0.40kN/m280厚泡沫混凝土保温层0.6kN/m2预应力混凝土大型屋面板(包括灌缝) 1.5kN/m2悬挂管道0.15N/m2屋架和支撑自重为(0.120+0.011L)kN/m2可变荷载:基本风压:0.35 kN/m2基本雪压:(不与活荷载同时考虑)0.5kN/m2积灰荷载0.5kN/m2不上人屋面活荷载 0.7kN/m 2 (4)桁架计算跨度:m 7.2615.0227l 0=⨯-= 跨中及端部高度: 桁架的中间高度: 2.954h m = 在26.7m 的两端高度:0 1.740h m=在27m 轴线处端部高度:0 1.726h m = 桁架跨中起拱50mm (L/500≈) 二、 结构形式与布置:桁架形式及几何尺寸如图1所示。
图1.桁架形式及几何尺寸桁架支撑布置如图2所示。
图2.桁架支撑布置三、荷载计算:屋面活载与雪载不会同时出现,从资料可知屋面活载大于雪荷载故取屋面活载计算。
沿屋面斜面分布的永久荷载应乘以α==换算为沿水平投影面分布的荷载。
桁架沿水1cos 1.004平投影面积分布的自重(包括支撑)按经验公式(0.120.011P=+⨯w度)计算,跨度单位为m 。
钢结构课程设计-、设计资料1、已知条件:梯形钢屋架跨度33m,长度120m,柱距6m。
屋架铰接于混凝土柱上,屋面采用单层彩色钢板波形瓦,屋面坡度i=1/10。
屋面活荷载标准值为0.7 kN/m2,屋架铰支在钢筋混凝土柱上,上柱截面为400 mm×400 mm,混凝土标号为C20。
钢材采用Q345B级,焊条采用E50型。
2、屋架计算跨度:Lo=33-2×0.15=32.7m,3、跨中及端部高度:端部高度:h`=1900mm(轴线处),h=1915mm(计算跨度处)。
屋架的中间高度h=3400mm,屋架跨中起拱按Lo/500考虑,取60mm。
二、结构形式与布置图1 屋架形式及几何尺寸符号说明:GWJ-(钢屋架);SC-(上弦支撑):XC-(下弦支撑);CC-(垂直支撑);GG-(刚性系杆);LG-(柔性系杆)图2 屋架支撑布置图三、荷载与内力计算1.荷载计算荷载与雪荷载不会同时出现,故取两者较大的活荷载计算。
永久荷载标准值钢屋架和支撑自重 0.12+0.011×30=0.45kN/㎡单层彩色钢板波形瓦 0.12kN/㎡总计 0.57kN/㎡`可变荷载标准值屋面活荷载 0.70 kN/㎡总计 0.7kN/㎡永久荷载设计值 1.2×0.57=0.684kN/㎡可变荷载设计值 1.4×0.7=0.98kN/㎡2.荷载组合设计屋架时,应考虑以下三种组合:① 全跨永久荷载+全跨可变荷载全跨节点永久荷载及可变荷载: F=(0.684+0.98) ×1.5×6=14.97kN ②全跨永久荷载+半跨可变荷载全跨节点永久荷载: F1=0.684×1.5×6=6.156kN半跨节点可变荷载: F2=0.98×1.5×6=8.82 kN③全跨屋架及支撑自重+屋面板重+半跨屋面活荷载全跨节点屋架及支撑自重: F3 =0.45×1.2×1.5×6=4.86kN半跨大型屋面板重及活荷载:F4=(1.4×0.12+0.7×1.4) ×1.5×6= 10.33kN3.内力计算四、杆件截面设计腹杆最大内力,N=-630.83KN ,由屋架节点板厚度参考可知:支座节点板刚度取14mm ;其余节点板与垫板厚度取12mm 。
钢结构_18m三⾓形钢结构钢屋架设计钢结构屋盖课程设计计算书⼀、设计说明1、设计某⼀检修⼚房屋盖,跨度为27m,长度为80m,柱距为6m,三⾓形屋架,钢材为Q235—B,焊条采⽤E43型,屋⾯为压型钢板,屋⾯坡度i=1:2.5,屋架铰接于钢筋混凝⼟柱顶,⽆吊车,外檐⼝采⽤⾃由排⽔,采⽤槽钢檩条,檩条间距为2827.25mm。
2、基本风压为0.4KN/m2,屋⾯离地⾯⾼度为12 m,不上⼈屋⾯。
雪荷载0.6KN/m2⼆、檩条设计1、檩条采⽤轻型槽钢檩条2、屋⾯材料为压型钢板,屋⾯坡度为1:2.5(α=21.80°)檩条跨度为6m,于跨中设置⼀道拉条,⽔平檩距2396.4×cos21.80°=2396.4×0.93=2228.65mm,坡向斜距2396.4mm3、荷载标准值(对⽔平投影⾯)⑴永久荷载:压型钢板(不保温)⾃重为0.1 KN/m2,檩条(包括拉条和⽀撑)⾃重设为0.11 KN/m2⑵可变荷载:屋⾯雪荷载ω=0.6KN/m2,基本风压ωo=0.40 KN/m24、内⼒计算⑴永久荷载于屋⾯活荷载组合檩条线荷载pK=(0.21+0.6)×2.229=1.805 KN/mp=(1.2×0.21+1.4×0.6)×2.229=2.434 KN/mpX=psin21.80=2.434×0.37=0.901 KN/mpY=pcos21.80=2.434×0.93=2.264 KN/m弯矩设计值: MX= pY l2/8=2.264×62/8=10.188KN·mMy= pX l2/32=0.901×62/32=1.014KN·m⑵永久荷载和风荷载的吸⼒组合按《建筑结构荷载规范》GB50009—2001房屋⾼度为12m 取µz=1.0按《门式钢架轻型房屋钢结构技术规程》CECS102:2002附录A,风荷载体型系数为:1.5㏒A-2.9=-1.211 A=2.22865m ×6m=13.72m2垂直于屋⾯的风荷载标准值ωk=µSµzω0=-1.211×1.0×(1.05×0.4)=-0.509 KN/m2檩条线荷载pXY=(0.509-0.21×cos21.80)×2.22865=0.314×2.22865=0.070KN/mpX =0.21×2.229×sin21.8o=0.174 KN/mpY =1.4×1.211×2.229-0.21×2.229×cos21.80=3.344 KN/m 弯矩设计值 MX= pYl2/8=3.344×62/8=15.048KN/m My= pXl2/8=0.174×62/8=0.783KN/m⑶截⾯选择选⽤选⽤轻型槽钢【20 W=152.2 cm3 Wynmax=54.9 cm3 Wynmin=20.5 cm3IX=152.20 cm4 ix=8.07 cm iy=2.20 cm计算截⾯有孔洞削弱,考虑0.9的折减系数,则净截⾯模量为:WNX=0.9×152.2=136.98cm3 Wynmax=0.9×54.9=49.41 cm3 Wynmin=0.9×20.5=18.45 cm3⑷屋⾯能阻⽌檩条失稳和扭转,截⾯的塑性发展系数γx=1.05 γy=1.20,按公式计算截⾯a、b点的强度为(见图)бx = Mx/(γx WNX)+My/(γy Wynmin)=15.048×106/(1.05×136.98×103)+0. 783×106/(1.2×18.45×103)=139.99<215N/mm2бy = Mx/(γx WNX)+My/(γyWynmax)=15.048×106/(1.05×136.98×103)+0.783×106/(1.2×49.41×103)=117.83<215N/mm2⑸挠度计算因为⽀撑压型钢板⾦属板,有积灰的⽡楞铁和⽯棉等⾦属⾯者,容许挠度为L/200当设置拉条时,只须计算垂直于屋⾯⽅向的最⼤挠度vy=(5/384)×(3.344×cos21.80×60004)/(206×103×1522×104)=16.7mm构造要求λx=600/8.07=74.35<200 λy=300/2.20=136.36<200故此檩条在平⾯内外均满⾜要求三、屋架设计⑴屋架结构的⼏何尺⼨如图檩条⽀撑于屋架上弦节点。
梯形钢屋架课程设计计算书 1. 设计资料:1、 车间柱网布置:长度90m ;柱距6m ;跨度18m2、 屋面坡度:1:103、 屋面材料:预应力大型屋面板4、 荷载1) 静载:屋架及支撑自重0.45KN/m ²;屋面防水层 0.4KN/m²;找平层0.4KN/m ²;大型屋面板自重(包括灌缝)1.4KN/m ²。
2) 活载:屋面雪荷载0.3KN/m²;屋面检修荷载0.5KN/m ² 5、 材质 Q235B 钢,焊条E43XX 系列,手工焊。
2 . 结构形式与选型屋架形式及几何尺寸如图所示根据厂房长度(90m>60m)、跨度及荷载情况,设置上弦横向水平支撑3道,下弦由于跨度为18m 故不设下弦支撑。
3 . 荷载计算屋面活荷载0.7KN/m ²进行计算。
荷载计算表荷载组合方法:1、全跨永久荷载1F +全跨可变荷载2F2、全跨永久荷载1F +半跨可变荷载2F3、全跨屋架(包括支撑)自重3F +半跨屋面板自重4F +半跨屋面活荷载2F4. 内力计算5. 杆件设计1、 上弦杆整个上弦采用等截面,按FG 杆件的最大设计内力设计,即N=-210.32KN 上弦杆计算长度:在屋架平面内:0x 0l l 1.508m ==,0y l 2 1.508 3.016m ==×上弦截面选用两个不等肢角钢,短肢相并。
腹杆最大内力N=-115.16 KN ,中间节点板厚度选用6mm ,支座节点板厚度选用8mm设λ=60,υ=0.807,截面积为32N 210.3210A 1327.4mm f 0.807215=××==υ需要回转半径:0x x 0y y l 1.508i m 25.1mm 60l 3.016i m 50.3mm60====λ==λ查表选用2┐ ┌ 110×70×6上弦截面110×70×6xxy y验算0x x x 0yy y l 1508m 75.0mm i 20.1l 3016m 85.2mmi 35.4==λ==λ==满足长细比要求,yx >λλ查表y 3y 0.655N 210.3210a a A 0.6552120××υ===151.5M P <215M P υ满足要求其余计算结果见下表 屋架杆件截面选择表1. 下弦节点用E43型焊条角焊缝的抗拉和抗压、抗剪强度设计值w f f =160MPa 。
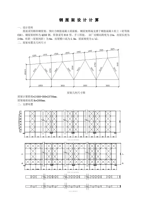
钢屋架设计计算一、设计资料屋面采用梯形钢屋架、预应力钢筋混凝土屋面板。
钢屋架两端支撑于钢筋混凝土柱上(砼等级C20)。
钢屋架材料为Q235钢,焊条采用E43型,手工焊接。
该厂房横向跨度为24m,房屋长度为240m,柱距(屋架间距)为6m,房屋檐口高为2.0m,屋面坡度为1/12。
二、屋架布置及几何尺寸屋架几何尺寸图屋架计算跨度=24000-300=23700mm。
屋架端部高度H0=2000mm。
二、支撑布置三、荷载计算1、荷载永久荷载预应力钢筋混凝土屋面板(包括嵌缝) 1500N/m2 =1.5 KN/m2屋架自重(120+11×24)=0.384 KN/m2防水层 380N/m2 =0.38 KN/m2找平层2cm厚 400N/m2 =0.40 KN/m2保温层 970N/m2 =0.97 KN/m2支撑自重 80N/m2 =0.08 KN/m2小计∑3.714 KN/m2可变荷载活载 700N/m2=0.70 KN/m2以上荷载计算中,因屋面坡度较小,风荷载对屋面为吸力,对重屋盖可不考虑,所以各荷载均按水平投影面积计算。
永久荷载设计值:1.2×3.714=4.457kN/m2可变荷载设计值:1.4×0.7=0.98kN/m22、荷载组合设计屋架时,应考虑以下三种荷载组合:(1)全跨永久荷载+全跨可变荷载屋架上弦节点荷载:P=(4.457+0.98)×1.5×6=48.93kN(2)全跨永久荷载+半跨可变荷载屋架上弦节点荷载:P1=4.457×1.5×6=40.11kN P2=0.98×1.5×6=8.82kN(3)全跨屋架与支撑+半跨屋面板+半跨屋面活荷载全跨屋架和支撑自重产生的节点荷载:P3=1.2×(0.384+0.08)×1.5×6=5.01kN作用于半跨的屋面板及活载产生的节点荷载:取屋面可能出现的活载P4=(1.2×1.5+1.4×0.7)×1.5×6=25.02kN以上1),2)为使用阶段荷载组合;3)为施工阶段荷载组合。
一、 设计资料1、 车间平面尺寸为150m ×30m ,柱距7.5m ,跨度为30m ,术网采用封闭结合,车间内有两台15t/3t 中级工作制软钩桥式吊车。
2、 屋面采用长尺复合屋面板,板厚100m ,檩距不大于1800mm ,檩条采用冷弯薄壁斜卷边Z 形钢Z250×75×20×2.5,屋面坡度1/20i =。
3、 钢屋架简支在钢筋混凝土柱顶上,柱顶标高9.000m ,柱上端设有钢筋混凝土连系梁。
上柱截面为400mm ×400mm ,所用混凝土强度等级为C30,轴上抗压强度设计值214.3N/mm c f =。
抗风柱的柱距为6m ,上端与层架上弦用板铰连接。
4、 钢材用Q235—B ,焊条采用E43系列型。
5图1 屋架外形尺寸及腹杆布置形式6、 该车间建于深圳近郊。
7、 屋盖荷载标准值:(1)屋面活荷载 0.50kN/m 2(2)基本雪压S O 0kN/m 2(3)基本风压W 0 0.75kN/m 2(4)复合屋面板自重 0.30kN/m2(5)檩条自重 0.0821kN/m 2(6)屋架及支撑自重 0.45kN/m28、运输单元最大尺寸长度为15m ,高度为4.0m 。
二、屋架几何尺寸及檩条布置1、屋架几何尺寸屋架上弦节点用大写字母A ,B ,C …连续编号,下弦节点以及再分式腹杆节点用小写字母a ,b ,c …连续编号。
由于梯形屋架跨度L=30m >24m ,为避免影响使用和外观,制造时应起拱。
屋架/50060mm f L ==计算跨度2m o l L =-⨯0.15=30-2⨯0.15=29.7。
起拱后屋架杆件几何尺寸和节点编号如图2所示(基中虚线为原屋架,实线为起拱后屋架)。
图2 屋架几何尺寸运输单元的最大尺寸为长度15m,高度4m。
此屋架跨度30m,高度3.3m,所以可将屋架从屋脊处断开,取一半屋架作为运输单元,长度为15m,高度为2.85m。
一: 平面布置图二:内力计算1:钢材及焊条钢材选用Q235,要求保证抗拉强度,伸长率。
屋架采用焊接方法连接,焊条采用E43型,手工焊,根据结构的重要性,焊缝质量要求达到一级标准。
2:屋架形式及几何尺寸因屋架采用预应力混凝土大型屋面板,屋面坡度I=1/10,故采用梯形屋架。
屋架计算跨度L0=L-2×450/2=29550mm屋架端部高度H0=2000mm屋架中部高度H= H0 +i×1/2=3500mm3:荷载计算①永久荷载标准值:三毡四油防水层:0.35KN/m2 80mm厚泡沫混凝土保温层:0.08×6=0.48 KN/m2大型屋面板(含灌逢): 1.5 KN/m2屋架和支撑自重:0.12+0.11×30=0.45 KN/m2合计: 2.78 KN/m2②可变荷载标准值屋面活载:0.5 KN/m2积灰荷载:0.2 KN/m2合计:0.7 KN/m2③风荷载B类地形,取风压高度变化系数为:1.25,屋面迎风面的体型系数为-0.6,背风面为-0.5,风压设计值为:迎风面w1= -1.35×0.6×1.25×0.45=- 0.456 KN/m2背风面w2=-1.35×0.5×1.25×0.45=-0.380 KN/m2w1 ,w2垂直于水平面的分力已略超过或接近于分项系数取1.0时的永久荷载,故受拉杆件在永久荷载与风荷载联合作用下将受压,但此压力很小,这里不计算风荷载产生的内力,只将所有拉杆的长细比控制在250以内。
4:荷载组合恒载设计值: G=2.78×1.2=3.336 KN/m 2 取G=3.4 KN/m 2 可变荷载设计值:Q=0.7×1.35=0.945 KN/m 2 取Q=0.95 KN/m 2组合: ㈠ 全跨恒载+全跨可变荷载 P 全=(3.4+0.95)×1.5×6=39.15KN㈡全跨恒载+半跨可变荷载 P 全=3.4×1.5×6=30.6KN P 半=0.95×1.5×6=8.55KN ㈢全跨屋面支撑+半跨层面板+半跨屋面活载P 全=0.45×1.5×6×1.2=4.86 P 半=(1.5+0.7)×1.35×1.5×6=26.73KN12345617三:截面计算1:上弦计算整个上弦不改变截面,按最大内力设计。
目录1 设计资料 (1)2 屋架形式与结构布置 (2)2.1 屋架形式 (2)2.2 结构布置 (3)3 荷载计算 (4)3.1 恒活荷载计算 (4)3.2 荷载组合 (5)4 内力计算 (6)5 杆件截面设计 (9)5.1 上弦杆截面计算 (9)5.2 下弦杆截面计算 (10)5.3 腹杆截面计算 (10)5.4 其他腹杆及填板设置 (12)6 节点设计 (15)6.1 腹杆与节点板连接焊缝计算 (15)6.2 上弦“B”节点 (16)6.3 下弦“c”节点 (18)6.4 屋脊“I”节点 (19)6.5 下弦拼接节点“i” (20)6.6 支座节点“a” (22)1 设计资料题目为:某车间钢屋架(无吊车,无天窗,无振动)。
1、车间柱网布置图如下图。
2、屋架支承(铰支)于钢筋混凝土柱顶,砼强度等级C25。
3、屋面采用1.5×6m的预应力钢筋大型混凝土屋面板。
(屋面板不作支撑用)4、不考虑地震设防。
5、可供应的钢材为普通碳素结构钢,型钢的最大长度为15m,各种规格齐全,可选用各种类型的焊条及螺栓。
6、钢屋架采用工厂制作,运往工地安装,最大运输长度为16m,运输高度为3.65m,工地具有足够的起重和安装条件。
7、屋面做法及荷载自重屋架自重=(0.12+0.011L) KN/㎡ L—屋架跨度。
屋面做法永久荷载:SBS 改性沥青防水卷材4mm 厚找平层1:3 水泥砂浆20 厚保温层65 厚(聚苯乙烯泡沫塑料板20kg / m3 )找平层 1:3 水泥砂浆(掺聚丙烯) 20 厚0.94 KN/m²预应力大型屋面板及灌缝可变荷载:屋面活荷载雪载屋面积灰荷载1.4 KN/m²0.8 KN/m²0.6 KN/m²0.75 KN/m²2 屋架形式与结构布置2. 1 屋架形式屋架采用梯形钢屋架 ,无檩体系 ,屋面坡度为 i=1/10 ,屋架计算跨度 l 0 l 300 24000 300 23700mm 。
课程设计--梯形钢屋架设计计算书梯形钢屋架计算书学生姓名XXX班级名称专业名称土木工程指导教师XXX目录1 设计资料 (1)1.1 基本资料 (1)1.2 荷载标准值 (1)2 结构形式与布置 (1)2.1屋架形式 (1)2.2屋架尺寸的确定 (1)2.3钢材和焊条的选用 (3)2.4屋盖支撑布置 (3)3 荷载计算 (3)3.1恒活荷载计算 (3)3.2 荷载组合 (5)4 内力计算 (5)5 杆件截面设计 (8)5.1上弦杆截面计算 (8)5.2下弦杆截面计算 (9)5.3斜杆截面计算 (9)5.3.1 斜杆aB (10)5.3.2 斜杆Bc (10)5.3.3 斜杆cD (11)5.3.4斜杆De (11)5.3.5斜杆eF (11)5.3.6斜杆Fg (12)5.4竖杆截面计算 (12)5.4.1竖杆Aa (13)5.4.2竖杆Cc (13)5.4.3竖杆Ee (13)5.4.4 竖杆Gg (14)6 节点设计 (16)6.1下弦c节点 (16)6.2上弦B节点 (18)6.3屋脊G节点 (19)6.4支座a节点 (19)1 设计资料1.1 基本资料①某厂房总长度90m ,跨度L =18m ,屋盖体系为无檩体系,纵向柱距6m 。
②结构形式:钢筋混凝土柱,梯形钢屋架。
柱的混凝土强度等级为C25,屋面坡度i =L /10;L 为屋架跨度。
地区计算温度高于-200C ,无侵蚀性介质,不考虑地震设防,屋架下弦标高为18m ;③屋盖结构为无檩体系:采用1.5×6.0m 预应力混凝土屋板(考虑屋面板起系杆作用)屋面活荷载:施工活荷载标准值为0.8kN/m 2,雪荷载的基本雪压标准值为S 0=0.5kN/m 2,施工活荷载与雪荷载不同时考虑,而是取两者的较大值;积灰荷载 0.8 kN/m 21.2 荷载标准值屋面各构造层的荷载标准值:三毡四油(上铺绿豆砂)防水层 0.4kN/m 2 水泥砂浆找平层 0.4kN/m 2保温层 0.5 kN/m 2(按选题) 一毡二油隔气层 0.05kN/m 2 水泥砂浆找平层 0.3kN/m 2 预应力混凝土屋面板 1.45kN/m 22 结构形式与布置2.1屋架形式屋面材料为预应力混凝土大型屋面板,采用无檩屋盖体系,梯形钢屋架,屋面坡度i =L /10 ,L 为屋架跨度。
一、课程设计名称梯形钢屋架设计二、课程设计资料北京地区某金工车间,采用无檩屋盖体系,梯形钢屋架。
跨度为27m,柱距6m,厂房高度为15.7m,长度为156m。
车间内设有两台200/50kN中级工作制吊车,计算温度高于-20℃。
采用三毡四油,上铺小石子防水屋面,水泥砂浆找平层,厚泡沫混凝土保温层,1.5m×6m预应力混凝土大型屋面板。
屋面积灰荷载为0.4kN/㎡,屋面活荷载为0.4kN/㎡,雪荷载为0.4kN/㎡,风荷载为0.45 kN/㎡。
屋架铰支在钢筋混凝土柱上,柱截面为400mm×400mm,混凝土标号为C20。
设计荷载标准值见表1(单位:kN/㎡)。
三、钢材和焊条的选用根据北京地区的计算温度、荷载性质和连接方法,屋架刚材采用 Q235沸腾钢,要求保证屈服强度 fy、抗拉强度 fu、伸长率δ和冷弯实验四项机械性能及硫(S)、磷(P)、碳(C)三项化学成分的合格含量。
焊条采用 E43型,手工焊。
四、 屋架形式和几何尺寸屋面材料为预应力混凝土大型屋面板,采用无檩屋盖体系,平坡梯形钢屋架。
屋面坡度。
10/1=i屋架计算跨度。
mm l l 2670015022700015020=⨯-=⨯-= 屋架端部高度取:mm H 20000=。
跨中高度:mm i l H 335033351.02/2670020002H 00≈=⨯+=⋅+=。
屋架高跨比:.812670033500==l H 。
屋架跨中起拱,54500/mm l f ==取50 mm 。
为了使屋架节点受荷,配合屋面板1.5m 宽,腹杆体系大部分采用下弦节间水平尺寸为3.0m 的人字形式,上弦节间水平尺寸为 1.5m ,屋架几何尺寸如图 1 所示。
图1:27米跨屋架几何尺寸五、 屋盖支撑布置根据车间长度、跨度及荷载情况,在车间两端 5.5m 开间内布置上下弦横向水平支撑,在设置横向水平支撑的同一开间的屋架两端及跨中布置三道竖向支撑,中间各个屋架用系杆联系,在屋架两端和中央的上、下弦设三道通长系杆,其中:上弦屋脊节点处及屋架支座出的系杆为刚性系杆(图2),安装螺栓采用 C 级,螺杆直径:d=20mm,螺孔直径:d0=21.5mm。
一、设计资料天津某车间,屋架跨度为18m,房屋总厂为60m,屋架间距6m,屋面坡度i=1/10,屋面采用1.5m×6m的钢筋混凝土大型屋面板(1.4KN/m2),80mm厚泡沫混凝土(0.3KN/m2),20mm厚水泥砂浆(0.3KN/m2),二毡三油铺绿石砂(0.3KN /m2),屋面活荷载0.7KN/m2,雪荷载0.5KN/m2,积灰荷载0.5KN/m2,屋架端高1990mm,两端较之于钢筋混凝土柱上,柱混凝土强度C20。
二、屋架形式和几何尺寸屋架计算跨度l0=l-300=1800-300=17700mm屋架端部高度取h0=1990mm屋架跨中高度h=h0+i×l0/2=1990+0.1×17700/2=2875mm屋架高跨比l0/h=2.875/17.7=1/6.16为使屋架上弦节点受荷,腹杆采用人字式,上弦节点用平间距取1.5m。
三、屋盖支撑布置根据车间长度、跨度及荷载情况,设置三道上下弦横向水平支撑。
由于房间端部为山墙,第一柱间间距小于6m,因此该厂房两端的横向水平支撑设在第二间柱。
设置两道下弦纵向水平支撑。
在第一柱间的上弦设置刚性系杆保证安装时上弦的稳定,下弦设置刚性系杆以传递山墙的风荷载。
在设置水平支撑的柱间,在屋架跨中及两端,两屋架间共设置三道竖向支撑。
屋脊节点及屋架支座处延厂房通长设置刚性系杆,屋架下弦设置一道柔性系杆。
屋架支撑的布置如下图:四、荷载计算屋面活荷载与雪荷载不会同时出现,从资料可知屋面活荷载大雨雪荷载取屋面活荷载计算。
屋架沿水平投影面积分布的自重(包括支撑)按经验公式(P10=0.12+0.011×跨度)计算,跨度单位为米。
荷载:永久荷载:防水层(二毡三油铺绿石砂)0.3×1.2=0.36KN/m2找平层(20厚水泥砂浆)0.3×1.2=0.36KN/m2保温层(80厚泡沫混凝土)0.5×1.2=0.6KN/m2预应力钢筋混凝土大型屋面板(包括灌缝) 1.4×1.2=1.68KN/m2屋架及支撑自重(0.12+0.011×18)×1.2=0.38KN/m2恒载总和∑=3.38KN/m2可变荷载:屋面荷载0.7×1.4=0.98KN/m2积灰荷载0.5×1.4=0.7KN/m2活荷载总和∑=1.68KN/m2计算荷载时应考虑以下三种荷载组合:1、全跨永久荷载+全跨可变荷载P 恒=3.38×1.5×6=30.42KN P 活=1.68×1.5×6=15.12KN2、全跨永久荷载+半跨可变荷载P 恒=3.38×1.5×6=30.42KN P 活=1.68×1.5×6=15.12KN3、 全跨屋架包括自重+半跨屋面板自重+半跨屋面活载P 恒'=0.38×1.5×6=3.42KN P 活'=(1.68+0.98)×1.5×6=23.94KN1、2为使用阶段和在情况,3为施工阶段荷载情况,经过计算,第二种荷载组合所产生的杆件内力,对本题的杆件不起控制作用,所以不列入以下计算中。
2、屋架形式和几何尺寸屋面材料为大型屋面板,故采用无檩体系平破梯形屋架。
屋面坡度 i=1/10;屋架计算跨度L 0=24000-300=23700mm ;端部高度取H=1990mm ,中部高度取H=3190mm (为L 0/7.4)。
屋架几何尺寸如图1所示:1990135022902590289031902608285931193370253528593129339615091508150Aac egIB CD FG H I 15008=12000×150815081508150815081508起拱50图1:24米跨屋架几何尺寸三、支撑布置由于房屋长度有60米,故在房屋两端及中间设置上、下横向水平支撑和屋架两端及跨中三处设置垂直支撑。
其他屋架则在垂直支撑处分别于上、下弦设置三道系杆,其中屋脊和两支座处为刚性系杆,其余三道为柔性系杆。
(如图2所示)上弦平面支撑布置屋架和下弦平面支撑布置垂直支撑布置4、设计屋架荷载屋面活荷载与雪荷载不会同时出现,从资料可知屋面活荷载大于雪荷载,故取屋面活荷载计算。
由于风荷载为0.35kN/m2 小于0.49kN/m2,故不考虑风荷载的影α=+=换算为沿水平投影面响。
沿屋面分布的永久荷载乘以21c o s111111.004分布的荷载。
桁架沿水平投影面积分布的自重(包括支撑)按经验公式P=0.12+0.011⨯跨度)计算,跨度单位为m。
(w标准永久荷载:二毡三油防水层 1.004x0.35=0.351kN/m220mm厚水泥砂浆找平层 1.004x 0.4=0.402kN/m260mm厚泡沫混凝土保温层 1.004x 0.06x 6=0.36kN/m2 预应力混凝土大型屋面板(包括灌缝) 1.004x 1.4=1.406kN/m2屋架和支撑自重为 0.120+0.011x24=0.384kN/m2_____________________________共 2.90kN/m2标准可变荷载:屋面活荷载 0.7kN/m2积灰荷载 0.75kN/m 2雪荷载 0.5kN/m2_____________________________共 1.95kN/m 2考虑以下三种荷载组合① 全跨永久荷载+全跨可变荷载 ② 全跨永久荷载+半跨可变荷载③ 全跨桁架、天窗架和支撑自重+半跨屋面板自重+半跨屋面活荷载 (1)全跨永久荷载+全跨可变荷载(按永久荷载效应控制的组合)全跨节点荷载设计值:F=(1.35x 2.90kN/m 2+1.4x 0.7x 0.7kN/m 2+1.4x 0.9x 0.75kN/m 2 )x 1.5mx 6m=49.91kN(2)全跨永久荷载+半跨可变荷载全跨永久荷载设计值: 对结构不利时:KN m m m KN F 235.3565.1/90.235.122,1=⨯⨯⨯=(按永久荷载效应控制的组合)KN m m m KN F 32.3165.1/90.22.122,1=⨯⨯⨯=(按可变荷载效应控制的组合) 对结构有利时:KN m m m KN F 1.2665.1/90.20.123,1=⨯⨯⨯= 半跨可变荷载设计值:()(组合按永久荷载效应控制的KN m m m KN m KN F 68.1465.1/75.09.0/7.07.04.1221,2=⨯⨯⨯+⨯⨯=()22,2F 1.40.70.90.75k N m 1.5m 6m =17.33k N =⨯+⨯⨯⨯(按可变荷载效应控制的组合)(3)全跨桁架包括支撑自重+半跨屋面板自重+半跨屋面活荷载(按可变荷载效应控制的组合)全跨节点桁架自重设计值:对结构不利时:23,1F 1.20.384k N m 1.5m 6m =4.15k N =⨯⨯⨯ 对结构有利时:23,2F 1.00.384k N m 1.5m 6m =3.46k N =⨯⨯⨯ 半跨节点屋面板自重及活荷载设计值:()224F 1.21.4k N m 1.40.7k N m 1.5m 6m =23.94k N =⨯+⨯⨯⨯5、屋架杆件内力计算用图解法先求出全垮和半跨单位节点荷载作用下的杆件内力系数,然后乘以实际的节点荷载,屋架在上述第一种荷载组合作用下,屋架的弦杆、竖杆和靠近两端的斜腹杆,内力均达到最大,在第二种和第三种荷载作用下,靠跨中的斜腹杆的内力可能达到最大或发生变号。
钢结构A课程设计设计题目:车间厂房钢屋架设计学院:XXXXXXXXX学院专业:土木工程班级:082学生姓名:学号:XXXX大学XXXX系2011.6.27本科生课程设计任务书2010 —2011 学年夏季学期学生姓名:XX 学号XXXXXXXXXXXXXXX XXXXXXXXXX 学院XXXXXXXX 专业课程设计名称:钢结构A课程设计设计题目:XXXXXXXXX钢屋架设计完成期限:自2011 年 6 月27 日至2011 年7 月8 日共 2 周设计依据:由于工业厂房跨度和柱距大、高度高,车间内设有工作繁忙和起重量大的起重运输设备和有强度的振动的生产设备,同时由于屋盖上的竖向荷载较小,采用钢屋架较为经济,因而工业厂房常采用钢屋架。
设计内容和要求:一、建筑物基本条件:厂房建筑长度120m,檐口高度15m,厂房为单层单跨结构,内设有两台中级工作制桥式吊车,拟设计钢屋架简支于钢筋混凝土柱上,柱的混凝土强度等级为C20。
柱顶截面尺寸400mm×400mm。
设计时不考虑抗震设防。
屋架外形为梯形钢屋架,为无檩体系,采用1.5m×6m的预应力混凝土大型屋面板,屋面板与钢屋架采用三点焊接,跨度为27m,柱距6m。
如图所示。
屋架屋面做法及荷载取值(荷载标准值,均为水平投影值):永久荷载:防水层(三毡四油绿豆砂)0.35kN/m2、找平层(20厚1:3水泥砂浆)0.02×20=0.40kN/m2、泡沫混凝土保温层(40 mm厚)0.25 kN/m2、预应力混凝土大型屋面板1.4 kN/m2、钢屋架及支撑自重0.12+0.011L kN/m2(L为跨度)。
可变荷载:雪荷载0.6 kN/m2、屋面活荷载0.70 kN/m2、积灰荷载0.5 kN/m2。
二、设计要求要求每位同学利用所学知识及相关参考书、规范独立完成设计任务。
设计工作任务及工作量的要求:1、计算书完成计算书一份,内容包括:(1)荷载取值(永久荷载、可变荷载)(2)选择钢材(3)焊接方法及焊条型号(4)绘制屋盖体系支撑布置图(5)荷载计算及各杆件内力组合(6)杆件截面设计:上弦杆、下弦杆、端斜杆、斜腹杆、端竖杆、竖杆(7)屋架节点设计:一般下弦节点、一般上弦节点、下弦跨中拼接点、屋脊节点、支座节点2、施工图(1)绘制与屋盖支撑相关联的钢屋架施工图一张。
一、课程设计名称梯形钢屋架设计二、课程设计资料北京地区某金工车间,采用无檩屋盖体系,梯形钢屋架。
跨度为27m,柱距6m,厂房高度为15.7m,长度为156m。
车间内设有两台200/50kN中级工作制吊车,计算温度高于-20℃。
采用三毡四油,上铺小石子防水屋面,水泥砂浆找平层,厚泡沫混凝土保温层,1.5m×6m预应力混凝土大型屋面板。
屋面积灰荷载为0.4kN/㎡,屋面活荷载为0.4kN/㎡,雪荷载为0.4kN/㎡,风荷载为0.45 kN/㎡。
屋架铰支在钢筋混凝土柱上,柱截面为400mm×400mm,混凝土标号为C20。
设计荷载标准值见表1(单位:kN/㎡)。
三、钢材和焊条的选用根据北京地区的计算温度、荷载性质和连接方法,屋架刚材采用 Q235沸腾钢,要求保证屈服强度 fy、抗拉强度 fu、伸长率δ和冷弯实验四项机械性能及硫(S)、磷(P)、碳(C)三项化学成分的合格含量。
焊条采用 E43型,手工焊。
四、 屋架形式和几何尺寸屋面材料为预应力混凝土大型屋面板,采用无檩屋盖体系,平坡梯形钢屋架。
屋面坡度。
10/1=i屋架计算跨度。
mm l l 2670015022700015020=⨯-=⨯-= 屋架端部高度取:mm H 20000=。
跨中高度:mm i l H 335033351.02/2670020002H 00≈=⨯+=⋅+=。
屋架高跨比:.812670033500==l H 。
屋架跨中起拱,54500/mm l f ==取50 mm 。
为了使屋架节点受荷,配合屋面板1.5m 宽,腹杆体系大部分采用下弦节间水平尺寸为3.0m 的人字形式,上弦节间水平尺寸为 1.5m ,屋架几何尺寸如图 1 所示。
图1:27米跨屋架几何尺寸五、 屋盖支撑布置根据车间长度、跨度及荷载情况,在车间两端 5.5m 开间内布置上下弦横向水平支撑,在设置横向水平支撑的同一开间的屋架两端及跨中布置三道竖向支撑,中间各个屋架用系杆联系,在屋架两端和中央的上、下弦设三道通长系杆,其中:上弦屋脊节点处及屋架支座出的系杆为刚性系杆(图2),安装螺栓采用 C 级,螺杆直径:d=20mm,螺孔直径:d0=21.5mm。
符号说明:GWJ-(钢屋架);SC-(上弦支撑):XC-(下弦支撑); CC-(垂直支撑);GG-(刚性系杆);LG-(柔性系杆)六、 荷载计算屋面活荷载与雪荷载不会同时出现,计算时,取较大的荷载标准值进行计算。
故取屋面活荷载0.4kN/2m 进行计算。
屋架沿水平投影面积分布的自重(包括支撑)按经验公式2L)kN/m 0.011(0.12g ⋅+=计算,跨度L 单位为m,荷载计算结果见表1。
表 1 荷 载 计 算 表设计屋架时应考虑以下三种荷载组合情况: 6.1.全跨永久荷载 + 全跨可变荷载 全跨节点永久荷载及可变荷载:kN F 82.4465.1)12.186.3(=⨯⨯+=6.2.全跨永久荷载 + 半跨可变荷载 全跨节点永久荷载:kN F 74.3465.286.31=⨯⨯=半跨节点可变荷载:kN F 08.1065.112.12=⨯⨯=6.3.全跨屋架(包括支撑)自重+半跨屋面板自重+半跨屋面活荷载: 全跨节点屋架自重:kN F 5.465.150.03=⨯⨯=半跨节点屋面板自重及活荷载:kN F 5.1065.156.068.14=⨯⨯+=6.1、6.2为使用节点荷载情况,6.3为施工阶段荷载情况。
七、 内力计算由图解法或数解法解得F =1的屋架各杆件的内力系数(F =1作用于全跨、左半跨和右半跨)。
然后求出各种荷载情况下的内力进行组合,计算结果见表2。
表2 屋架杆件内力组合表八、 杆件设计8.1上弦杆整个上弦采用等截面,按HI 、IJ 杆件的最大设计内力设计。
N =-859.2kN上弦杆计算长度:在屋架平面内:为节间轴线长度mm l l ox15080==在屋架平面外:本屋架为无檩体系,并且认为大型屋面板只起到刚性系杆作用,根据支撑布置和内力变化情况,取oy l 为支撑点间的距离,即mm l oy 4522150821507=+⨯=根据屋架平面外上弦杆的计算长度,上弦截面选用两个不等肢角钢,短肢相并。
腹杆最大内力N =-450.4kN ,查表得,中间节点板厚度选用12mm ,支座节点板厚度选用14mm 。
设60=λ,查Q235钢的稳定系数表,可得0.807=ϕ(由双角钢组成的T 型和十字形截面均属于b 类),则需要的截面积:230.4952215807.0102.859mm f N A =⨯⨯==ϕ需要的回转半径:mm l i mm l i oy y oxx 4.75604522,1.25601508======λλ 根据需要A 、y x i i 、查角钢规格表,选用2L 160×100×10,肢背间距a =12mm ,则A =50.62cm ,cm .852 i x=,cm 78.7i y =按所选角钢进行验算:9.2528.51508i l ox ===x x λ, 1.588.774522i l oy ===y y λ满足长细比[]150=≤λ的要求。
由于x y λλ>,只需求y ϕ,查表y ϕ=0.818,则a a a MP 215MP 6.207MP 5060818.0102.859A N 3y <=⨯⨯==ϕσ所选截面合适,上弦截面如图所示:图7:上弦截面8.2下弦杆整个下弦杆采用同一截面,按最大内力所在的cd 杆计算。
N=817.5kNmm l ox 4500=,mm l l oy 133502/267000===所需截面积为(因跨中有通长系杆):22302.38mm 3.3802215105.817N A cm f ==⨯==选用2L 160×100×10,因,0x oy l l 〉〉故用不等肢角钢,短肢相并。
A =50.62cm ,cm .852 i x=,cm 78.7i y =3509.15785.2450i l ox <===x x λ, 3506.17178.71335i l oy <===y y λa a MP 215MP 6.161 5060817500A N <===σ,所以满足要求。
下弦截面如图:图8.下弦截面8.3斜杆按端斜杆aB 最大设计内力设计。
杆件轴力: kN N4.450-=计算长度: mm l l oy ox2530==因为oy ox l l =,故采用等肢角钢,使y i i ≈x。
选用2L 100×10。
则:A =38.522c m ,m3.05c i x=,m c 60.4i y=0.8330.53052i l ox ===x x λ, 0.550.462530i l oy ===y y λ由于x yλλ<,只需求x ϕ。
查表x ϕ=0.668,则:a a MP 215175.0MP 3852686.0450400A N x <=⨯==ϕσ,故所选截面合适。
端斜杆截面如图:图9.端斜杆截面8.4腹杆腹杆cf-fG 在f 节点处不断开,采用通长杆件。
kN N cf 9.156-=,kN N fG 6.120-=再分式桁架中的斜腹杆,在桁架平面内的计算长度取节点中心间距mm l ox2087=,在桁架平面外的计算长度:mm N N l l y 6.3932)9.1566.12025.075.0(4174)25.075.0(1210=⨯+⨯=+=选用2L 110×10,查角钢规格表得A =45.522c m ,cm 38.3i x=,cm 00.5i y =150115.919.420i l ox <===x x λ, 150 65.870.506.3932i l oy <===y y λ由于x yλλ<,只需求x ϕ。
查表x ϕ=0.458,则:a a MP 215MP 3.72 5524584.0156900A N y <=⨯==ϕσ再分腹杆截面如图:图9:再分腹杆截面8.5竖杆HdkN 2.76N -=,2440mm 30500.80.8l l =⨯==ox ,mm oy 3050l =由于杆件内力较小,按150][==λλ选择,需要的回转半径为mm l i ox x 3.161502440][===λ,mm l i oy y 3.201503050][===λ查型钢表,选截面的x i 和y i 较上述计算的x i 和y i 略大些。
选用2L 63×5,其几何特性为:A =12.292c m ,4cm 9.1i x=, 3.04cm i y =1508.25119.42440i l ox <===x x λ, 150 100.34.303050i l oy <===y y λ由于x yλλ<,只需求x ϕ。
查表x ϕ=0.406,则:a a MP 215MP 7.341 2291064.067200A N x <=⨯==ϕσ 竖杆截面如图:图10:竖杆截面其余各杆件的截面选择结果见表3。
九、 节点设计采用E43 焊条时,角焊缝的抗拉、抗压和抗剪强度设计值160w f f Mpa =。
9.1下弦节点“b ”设 bB 杆的肢背和肢尖焊缝 mm mm h f 68和=,所需焊缝长度为:肢背1l :mm h f h N K l f wf f 23.1458216087.02103.35665.027.023111=⨯+⨯⨯⨯⨯⨯=+⨯= 肢尖2l :mm h f h N K l f wf f 79.1046216067.02103.35635.027.023222=⨯+⨯⨯⨯⨯⨯=+⨯=取mm l 1601=,mm l 1202=。
设 bD 杆的肢背和肢尖焊缝 mm mm h f 68和=,所需焊缝长度为:肢背1l :mm h f h N K l f wf f 19.1218216087.021029065.027.023111=⨯+⨯⨯⨯⨯⨯=+⨯= 肢尖2l :mm h f h N K l f wf f 52.876216067.021029035.027.023222=⨯+⨯⨯⨯⨯⨯=+⨯=取mm l 1301=,mm l 902=。
bC 杆的内力很小,焊缝尺寸可按构造确定,取mm h f 5=。
根据以上求得的焊缝长度,并考虑杆件之间的间隙以及制作、装配等误差,按比例作出节点详图(见图11),从而确定节点板的尺寸为280×340mm 。
下弦与节点板连接到焊缝长度为340mm ,mm h f 5=,焊缝承受节点左、右弦杆的内力差△N =N bc -N ab =596.6-240.2=356.4kN 。