炉渣垫层检验批质量验收记录
- 格式:doc
- 大小:43.00 KB
- 文档页数:2
炉渣垫层工程检验批质量验收记录工程名称:炉渣垫层工程工程地点:xxxx监理单位:xxxx施工单位:xxxx验收时间:xxxx年xx月xx日一、背景介绍本工程是为了解决xxxx工程的垫层问题,在xxxx地区选择了使用炉渣作为垫层材料进行填充。
为了保证工程的质量,进行了炉渣垫层工程的检验批质量验收。
二、项目概述三、施工过程施工单位在施工过程中严格按照技术规范进行施工,保证施工过程的质量。
具体施工过程如下:1.材料准备:施工单位提前准备好所需的炉渣材料,并进行检验合格。
2.基础处理:在施工前,施工单位对基础进行了清理,确保基础平整、无松动物体。
3.清洗:施工前对填充区域进行清洗,以保证填充层的质量。
4.填充:施工过程中,按照设计要求,将炉渣材料进行层层填充,同时进行夯实,保证填充层的密实度。
5.表面处理:填充完成后,对填充层表面进行处理,使其平整、美观。
四、质量检验为了保证炉渣垫层工程的质量,施工单位进行了严格的质量检验。
检验的主要内容包括炉渣材料的检验、填充层质量的检验。
1.炉渣材料的检验:施工单位对炉渣材料进行了抽样检验,检验内容包括外观质量、颗粒分布、化学成分等。
2.填充层质量的检验:在施工过程中,监理单位对填充层进行了抽样检验。
检验内容包括填充层的密实度、平整度、强度等。
五、质量验收根据对炉渣垫层工程的质量检验结果,经过讨论和评估,决定对工程进行验收,验收结果如下:1. 炉渣材料的质量符合设计要求,并且有相应的检验证书。
检验证书编号为xxxx。
2.填充层的质量符合设计要求,满足相应的强度指标和平整度要求。
综上所述,炉渣垫层工程经过质量检验和验收,符合设计要求,质量合格。
六、建议根据对炉渣垫层工程的施工过程和质量检验的观察和评估,提出以下建议:1.增加施工过程中的质量控制措施,保证填充层的密实度和平整度。
2.对炉渣材料的供应商进行定期的质量检查和评估,确保材料的质量稳定。
3.加强对施工单位的工艺培训,提高施工人员的技术水平。
炉渣垫层检验批质量验收记录炉渣垫层是一种常见的建筑材料,主要用于道路基层、路面填料和建筑垫层等方面。
为了确保炉渣垫层的质量和使用效果,需要进行质量验收并记录下来,以便后续的使用和维护。
炉渣垫层的检验批质量验收记录分为以下几个方面进行记录。
一、炉渣垫层材料验收对于炉渣垫层的材料验收,需要检查以下几个方面:炉渣的颗粒大小、含水率、耐候性、抗压强度等。
还需要检查炉渣的检验报告、合格证和购货凭证等相关文件。
二、施工工艺和施工质量验收对于炉渣垫层的施工工艺,需要检查施工方案、施工工序、施工设备和材料的合理使用等方面。
同时还需要检查施工质量,如均匀铺设、压实均匀等。
三、炉渣垫层的物理性能验收对于炉渣垫层的物理性能,需要进行一系列的验收,如室内试验、室外试验等。
需要检测炉渣垫层的荷载承载能力、抗渗性能、耐久性等方面。
四、现场验收记录在炉渣垫层的施工过程中,需要进行现场验收记录。
记录的内容包括施工日期、施工人员、施工设备、施工质量等方面。
同时还需要记录施工现场的照片、视频等,以便后续的复查和评估。
五、质量问题的处理和整改在炉渣垫层的质量验收过程中,如果发现问题,需要及时进行处理和整改。
记录下问题的处理过程,包括处理方法、处理结果和整改措施等。
六、验收结果和评价对炉渣垫层的质量验收结果进行评价,包括合格、不合格等。
同时需要对验收的过程和结果进行总结,提出改进建议,以便提高炉渣垫层的施工质量和使用效果。
总结:炉渣垫层检验批质量验收记录是对炉渣垫层的施工过程和质量进行记录和评估的重要文件。
通过对炉渣垫层的材料、工艺和物理性能进行验收,能够确保炉渣垫层的质量和使用效果。
同时,及时处理和整改质量问题,能够提高炉渣垫层的施工质量。
最后,对验收结果进行评价和总结,能够为后续的使用和维护提供参考依据。
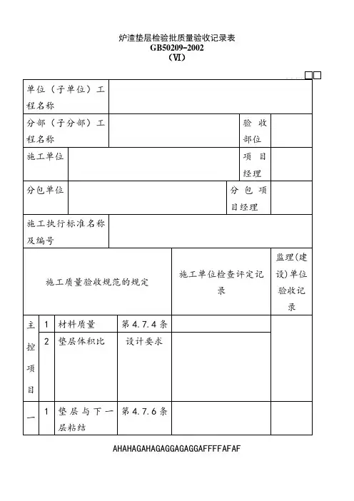
炉渣垫层检验批质量验收记录表
GB50209-2002
Ⅵ
030101 单位 子单位 工程名
分部 子分部 工程名 验收部位
施工单位项目 理
分包单位分包项目 理
施工执行标准名 及编号
施工质 验收规范的规定施工单位检查评定记录
监理(建设)单
位验收记录
主控项目1 材料质 第4.7.4条
2 垫层体 比设计要求
一般项目1 垫层与下一层粘结第4.7.6条2
允
许
偏
差
表面 整度10mm
3 标高±10mm
4 坡度2/1000, ≯30mm
5 厚度<1/10
施工单位检查评定结果
业工长 施工员 施工班组长
项目 业质 检查员: 月日
监理 建设 单位验收结论
业监理工程师:
建设单位项目 业技术负责人 : 月日。