浙江省科学中考实验探究题集锦
- 格式:doc
- 大小:1.76 MB
- 文档页数:11
2022年浙江省中考科学试题分类——专题1科学实验探究一、单选题1.(2022·杭州)下列物体质量最接近20kg的是()A.一个鸡蛋B.一本科学书C.一辆自行车D.一辆汽车2.(2022·杭州)配制10%的稀硫酸并与碳酸钠粉末反应的部分操作如下,其中操作规范的是浓硫酸()A.读取浓硫酸的体积B.稀释浓硫酸C.加入碳酸钠D.倾倒稀硫酸3.(2022·台州)在实验中应严格遵守实验室安全守则和操作规范。
下列操作或处理方法正确的是()A.轻微烫伤用大量冷水冲洗B.用手直接拿加热中的三脚架C.鼻子凑到试管口闻气味D.手持试管加热4.(2022·宁波)下列实验操作规范的是()A.点燃酒精灯B.装固体粉末C.滴加液体D.测溶液的pH5.(2022·温州)在“烹饪与营养”实践活动中(如图),灶内的木材燃烧一段时间后火焰变小,某同学用长木棒挑开木材堆后,火焰重新变旺,这是因为()A.灶内的木材变更多B.木材的着火点降低C.木材接触更多空气D.木材的导热性变强6.(2022·绍兴)科学研究常采用转换、模型、等效替代和控制变量等方法。
下列实验中采用等效替代的是()A.探究平面镜成像B.探究种子萌发的条件C.用石蕊试液判断酸碱性D.模拟泥石流的形成7.(2022·金华)科学以实验为基础,规范操作是科学实验取得成功的关键。
下列实验操作规范的是()A.加热液体B.测溶液pHC.盖盖玻片D.检查气密性8.(2022·丽水)在测定土壤酸碱性的实验中,下列操作规范的是()A.装入土样粉末B.滴加蒸馏水C.振荡土壤液D.测定酸碱性二、填空题9.(2022·湖州)实验室常用分解高锰酸钾、氯酸钾或过氧化氢的方法制取氧气;常用大理石与稀盐酸反应来制取二氧化碳气体。
(1)图(填字母)装置既可作为制取氧气也可作为制取二氧化碳的发生装置。
(2)实验室收集二氧化碳选用C装置而不用D装置的原因是10.(2022·绍兴)科学是一门以实验为基础的学科。
2023年浙江省中考科学题型专练——实验探究题21.生物能否自然发生?历史,上科学家们曾经做过许多实验。
雷迪的实验:如图甲,将两块相同的肉,放到两个一样的瓶子内。
一个瓶口封上纱布,苍蝇不能进入;另一个瓶口敞开,苍蝇能进入。
一段时间后,没有封纱布的瓶内有了蛆。
尼达姆的实验:如图乙,将煮沸的肉汤放入一瓶内,立刻用软木塞盖住。
几天后,打开瓶子,发现肉汤中滋生了微生物。
斯帕兰扎尼的实验:如图丙,将肉汤放入瓶子后,直接将瓶口烧成封闭。
第一次加热至沸腾2 min,几天后肉汤中仍发现微生物。
第二次加热至沸腾1 h,几天后,肉汤中没有发现微生物。
巴斯德的实验:如图丁,将肉汤放人曲颈瓶,加热至沸腾1 h,几天后,肉汤中未发现微生物。
回答下列问题。
(1)雷迪实验中,用两个瓶子做实验的目的是。
(2)尼达姆的实验,(填“能”或“不能”)支持生物会自然发生的观点。
(3)斯帕兰扎尼的实验对尼达姆实验的改进是基于的猜想。
(4)若把巴斯德实验中的瓶颈在A处折断,几天后,曲颈瓶中(填“会”或“不会”)出现微生物。
(5)通过斯帕兰扎尼和巴斯德的实验可以得出如下结论:细菌不是自然发生的,而是由产生的。
2.测定空气中氧气含量的实验中,小强采用了如图所示装置:在由两个注射器组成的密闭系统中留有25 mL空气,给装有白磷的玻璃管微热,待白磷开始燃烧后缓慢推动两个注射器活塞,直至反应停止。
冷却至室温,将气体全部推至一个注射器内,观察密闭系统内空气体积变化。
(1)在燃烧过程中,交替缓慢推动两个注射器活塞的目的是。
(2)小红同学提出用木炭来代替白磷,小林认为不可行。
请你替小林指出不可行的原因。
(3)小强测得实验结果如下:由此数据可以推算出他测定的空气中氧气的体积分数明显少于21%,造成该实验出现误差的原因可能是(回答一条即可)。
3.在测量小灯泡额定功率的实验中,某科学兴趣小组利用相关电学器材进行实验探究:小灯泡1只(额定电压为3.8V、阻值约为10欧),电压表、电流表各1只,滑动变阻器1只,开关1只,新干电池3节,导线若干。
2023年中考实验探究题专项训练二一.实验探究题(共30小题)1.为何晾在密闭空间里的湿衣服不容易干?小宁思考后做了如下探究:【提出问题】空气湿度会对水蒸发产生怎样影响?【实验装置】在七个相同的密闭房间内装有相同的如图所示的实验装置。
【实验步骤】①控制每个房间的气温和空气流动情况相同,空气湿度都在70%以上;②开启每个房间的除湿机,用除湿机调节房间湿度,使七个房间内的空气湿度在实验期间分别控制在一定值;③用相同质量的水把毛巾均匀湿润,完全展平后晾在晾衣架上,读取电子秤的示数m1;④经相同时间后,再次读取电子秤的示数m2(实验过程中水蒸发对毛巾温度的影响、除湿机工作时对室内空气流动和室温的影响均忽略)【实验数据】空气湿度40%45%50%55%60%65%70%m1/g 500.0500.0500.0500.0500.0500.0500.0m2/g 599.9586.0573.1561.3550.6540.7532.0【实验结论】在水的温度、水的表面积和水面空气流速等条件均相同时,,水蒸发越快。
【实验反思】从微观角度分析,一部分液态水的分子能逸出水面成为气态水的分子,另一方面部分气态水的分子也会返回水中成为液态水的分子;当逸出的水分子数量比返回的水分子数量多时,宏观上表现为水蒸发了。
本实验中,在其它条件相同时,空气湿度越大,返回水中的水分子数越。
2.小明认为教室内空气中氧气含量比室外低,于是想用红磷测定教室内空气中氧气的体积分数。
老师告诉他,足量的红磷燃烧并不能耗尽空气中的氧气,建议用一氧化氮气体代替红磷进行实验。
在老师的指导下,小明进行如图所示实验:用注射器获取V1毫升教室内的空气,通过导管缓缓地全部推入量筒,与量筒内足量的V2毫升一氧化氮气体混合,待充分反应后,读出量筒中剩余气体体积为V3毫升。
说明:①V1、V2、V3都是在与教室气温、气压相同的状态下测得。
②一氧化氮难溶于水,也不与水反应。
③同温同压下,在氢氧化钠溶液参与下,4体积一氧化氮与3体积氧气恰好完全反应,且产物能完全被溶液吸收。
常见的物质(金属)探究题-浙江省各地区2020-2022中考科学真题汇编一、探究题1.(2021·浙江杭州·中考真题)小金为了探究氧化铜与氢气的反应和反应产物,用如图所示装置进行实验。
注射器内装满氢气,并将注射器针头扎200mL注射器入橡皮塞中。
将少许氧化铜粉末送入长柄U形石英玻璃管内并平铺于管底。
将少量白色的无水硫酸铜粉末送入长柄U形石英玻璃管中并平铺于直管中部。
然后将一个气球套在长柄氢气U 形石英玻璃管的直管出口处,连接好整个实验装置并检查装置气密性……(1)为确保实验安全,在点燃酒精灯加热前的操作是_____。
(2)装置末端连接的气球的作用是_____。
(3)实验过程中,当观察到_____现象时可判断一定有产物水生成。
(4)实验开始时加入a克纯氧化铜粉末,实验结束后取出U形管底的固体称量为b克,当b为_____(用含有a式子表示)时,可判断氧化铜已完全转化为铜。
CO中的一种或几种组2.(2021·浙江宁波·中考真题)有一瓶气体,可能由2O、CO、2成。
为确定其组成,在老师的指导下,实验小组对该瓶气体进行了如下探究:【查阅资料】脱氧剂(还原铁粉)能够吸收氧气和水蒸气。
【实验设计】用下图所示的装置进行实验(已略去夹持装置)。
【实验步骤】①检查装置气密性;②通入一定量氮气;③通入该气体,点燃酒精灯。
【实验现象】步骤③实验过程中,A装置无现象,B和F装置出现白色沉淀,E装置中出现光亮的红色物质。
【实验结论】该气体由___________组成。
【实验反思】(1)C装置的作用是___________。
(2)步骤②通入一定量氮气的目的是___________。
(3)E装置中氧化铜粉末发生反应的化学方程式为___________。
3.(2021·浙江衢州·中考真题)钢丝棉是一种由低碳钢制成的细丝,直径约0.125—0.189毫米。
小科利用钢丝棉探究铁制品锈蚀的条件,实验如下:步骤一:取3个50mL活塞润滑性良好的注射器,检查气密性后备用。
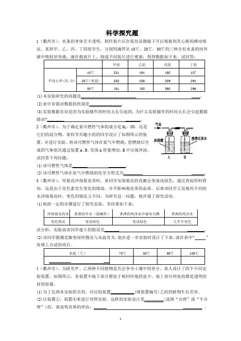
科学探究题1(衢州市)、水蚤的身体呈半透明,制作装片后在低倍显微镜下可以观察到其心脏的搏动情况。
某班甲、乙、丙、丁四组学生,分别用滴管从10℃、20℃、30℃的三种含有水蚤的培养(1)本实验研究的问题是__________________________ ____。
(2)表中有错误数据的组别是_______________。
(3)实验数据有误是因为实验操作的时间太长引起的,为什么实验操作的时间太长会引起数据错误?________ _______。
2(衢州市)、为了确定某可燃性气体的成分是H 2、CO 、还是它们的混合物,某科学兴趣小组的同学设计了如图所示的装置,并进行实验。
将该可燃性气体在氧气中燃烧,把燃烧后生成的气体依次通过装置A 、B ,发现A 质量增加,B 中出现浑浊。
试回答下列问题:(1)该可燃性气体是_______ ________。
(2)该可燃性气体在氧气中燃烧的化学方程式为_________ ______。
3(衢州市)、用菊花冲泡菊花茶时,某同学发现菊花的花瓣会变成浅绿色。
通过查阅资料得知,这是由于花色素发生变化的缘故,并不影响菊花茶的品质。
后来该同学又发现用不同的水冲泡菊花时,变色的情况又不同。
为研究这一问题,他开展了探究活动。
(1)他按一定的步骤进行了探究实验,其结果如下表:试分析,实验前该同学建立的假设是_______ ________。
(2)该同学猜测花瓣变绿快慢还与水温有关,他在进一步实验时设计了下表,请在表中“ ”4(衢州市)、为研究甲、乙两种不同植物是否会争夺土壤中的养分,某人设计了四个不同实验装置,如图所示,各装置中地下部分都处于相同环境的盆中,地上部分所处的都是透明的封闭容器。
(1)为了达到本实验的目的.应比较装置___________(填装置编号)之间的植物生长差异。
(2)以装置①、装置④来进行对照实验。
这样的实验设计是_________(选填“合理”或“不合理”)的。
实验探究题5——2024年浙江省中考科学特训练习1.(2022·舟山)在学习二氧化碳性质时,小舟进行如下探究:(1)[制取气体]用石灰石和稀盐酸作为原料制取二氧化碳气体,收集气体时要得到平稳的气流,应选择图甲中的(填字母)作为发生装置。
(2)[探究性质]用图乙装置完成二氧化碳性质的探究后,小舟还想用该装置来验证氧气的密度大于空气密度的性质。
若他将氧气倒入装有两支带火星的蜡烛的烧杯中(如图丙),预期观察到的现象是。
2.(2022·奉化模拟)碱式碳酸锌[Zn x(OH)y(CO3)z]是制备ZnO的原料,其化学反应表达式为:Zn x(OH)y(CO3)z熔烧ZnO+CO2↑+H2O (x、y、z为整数)。
小金设计了图甲所示装置对碱式碳酸锌的组成进行探究(装置气密性良好,药品足量,实验操作正确):(1)图甲中装置B的作用是。
(2)查阅资料发现,在不同温度条件下充分加热等质量的碱式碳酸锌样品,剩余固体的质量与加热温度的关系如图乙所示。
实验中加热时,热分解装置的温度至少要达到℃ (选填“200”“300”或“400"),才能彻底分解碱式碳酸锌。
(3)部分实验步骤为:“……加热前先通入N2排尽装置内的空气,关闭通入N2的活塞,……控制一定温度下加热……”。
实验过程中,可根据哪一装置中的什么现象来判断碱式碳酸锌样品已完全分解?答:。
3.(2022九上·杭州期中)有一包固体粉末可能含有NaNO3、CaCO3、NaOH、CuCl2、NaCl、Ca(NO3)2中的一种或几种,为确定其组成,某同学设计了如图实验方案:请回答下来问题:(1)沉淀1是(2)生成无色气体的化学方程式是。
(3)无色溶液A中一定存在的溶质的化学式是(4)这包粉末中可能存在的物质是4.氮肥、磷肥、钾肥是农业生产中最主要的化肥,用简便方法区别三种化肥,在农业生产中具有实用性。
(1)下列化肥中,属于磷肥的是____(填字母)。
专题14化学实验探究一.选择题(共11小题)1.(2023•杭州)为验证绿色植物在光照下能产生氧气,小金将如图所示装置放在阳光下一段时间,用带火星木条检验试管内气体,出现复燃现象。
下列叙述正确的是()A.该实验中起对照作用的变量是有无金鱼藻B.选水生植物金鱼藻作实验材料的优点是便于观察和收集气体C.该实验证明植物在光照下产生氧气的同时也能吸收二氧化碳D.该实验若在无光条件下进行,实验结果完全相同2.(2023•绍兴)规范的操作可以保证实验的科学性和安全性。
下列实验操作正确的是()A.滴加液体B.读取体积C.点燃酒精灯D.取用砝码3.(2023•台州)规范的实验操作有助于达成实验目的,并保证实验安全。
下列实验操作中正确的是()A.过滤B.点燃酒精灯C.滴加液体D.闻气味4.(2023•台州)如图是某温度计的示数。
该温度最有可能是()A.冰熔化时的温度B.人体的正常体温C.台州夏天的室外温度D.人体感到舒适的环境温度5.(2023•丽水)在做有关酸的性质实验中,下列操作规范的是()A.滴加盐酸B.稀释浓硫酸C.倾倒盐酸D.测盐酸的pH6.(2022•杭州)配制10%的稀硫酸并与碳酸钠粉末反应的部分操作如下,其中操作规范的是()A.读取浓硫酸的体积B.稀释浓硫酸C.加入碳酸钠D.倾倒稀硫酸7.(2022•宁波)下列实验方案不能达到实验目的的是()选项实验目的实验方案A鉴别酱油和食醋闻气味B检验氢氧化钠是否变质溶于水,滴加酚酞试液C探究水的组成检验水电解后产生的气体D粗盐提纯溶解、过滤、蒸发A.A B.B C.C D.D8.(2022•丽水)在实验室制取和收集气体的四种装置中,下列用法不正确的是()A.可制取O2B.可制取CO2C.可收集CO2D.可收集O29.(2022•金华)科学以实验为基础,规范操作是科学实验取得成功的关键。
下列实验操作规范的是()A.加热液体B.测溶液pHC.盖盖玻片D.检查气密性10.(2021•衢州)规范的操作是实验成功的前提,下列实验操作正确的是()A.读取液体体积B.滴加液体C.取用氯化钠D.稀释浓硫酸11.(2021•杭州)在科学研究中经常用到数学方法,如公式、图像、比例等。
中考复习—物理实验探究题电路类:1.在“测量小灯泡电功率”的实验中,电源电压为3V,小灯泡额定电压为2.5V。
(1)小王已连接了部分电路,如图甲所示。
要使滑片P向右移动时滑动变阻器接入电路的电阻变大,你应将电流表的负极与滑动变阻器上的______(选填“A”“B”“D”或“P”)点相连;(2)小王连接好电路后,闭合开关,逐渐减小滑动变阻器接入电路的阻值,发现小灯泡始终不亮,电压表有示数,电流表指针几乎不偏转,此现象的原因可能是______ 。
(4)小王还发现图线在电流较小时是直线,随着电流增大,图线变成了一条曲线,如图乙所示。
造成这变化的原因是;(5)滑动变阻器的滑片P移动一段距离,设小灯泡与滑动变阻器两端的电压变化量的绝对值分别为△U1、△U2,则△U1______△U2(选填“>”、“<”或“=”)。
2.在“探究小灯泡在不同电压下工作时的电功率是否相同”的实验中,实验室提供了如下器材:电源电压U恒为8V,滑动变阻器规格为“20Ω2A”,小灯泡的额定电压U额=2.5V,额定功率小于1.2W,两个阻值分别为10 Ω、20Ω的定值电阻R0可供选择.(1)为使小灯泡两端电压有一较大的调节范围,小聪设计了如图甲所示的电路,请用笔画线代替导线,完成图乙中实物电路的连接。
(2)正确连接电路后,进行实验,记录的数据如表所示.当电压表示数为2.5V时,电流表示数如图丙所示,小灯泡的额定功率为_____W.(3)分析表中数据可得出结论:小灯泡工作时,消耗的电功率随电压的增大而________.根据数据还可判断出,小聪在实验中选用的是R0=______Ω的定值电阻。
(4)完成实验后,爱动脑筋的小聪又想出一种测量小灯泡额定功率的方法,设计了如图丁所示的电路,所用电压表量程为“0~15 V”,请将以下实验步骤补充完整。
①检查电路无误后,闭合开关S将开关S1拨至“1”,调节滑动变阻器滑片直至电压表示数为_____;②滑片不动,再将开关S1拨至“2”,读出电压表示数为U0;③小灯泡的额定功率:P额=____________.(用U、U0、R.表示)若步骤②中,在将开关S1拨至“2”时,不小心将滑片向右移动了少许,其他操作正确,则测出的小灯泡额定功率比真实值______(选填“偏大”或“偏小”)。
2009年浙江省科学中考实验探究题集锦1.小明同学为了探究“放在斜面上的物体对斜面的压力跟斜面倾斜程度的关系”,进行了实验,步骤如下:① 用双面胶将一个200克的钩码固定在1米长的塑料直尺的中间,将直尺的一头固定在桌子的一端,如图甲所示;② 缓缓抬起右端,让直尺与水平方向有一定的夹角,如图乙所示;③ 继续抬高右端,增大直尺与水平方向的夹角,如图丙所示。
(1)该实验中,小明是通过 ▲ 来判断物体对斜面压力的大小;(2)分析三次实验的现象,可以得出的结论是 ▲ 。
2. 氢氧化铜固体受热分解能得到两种产物,其中一种为固体。
某兴趣小组为确定这种固体产物,进行了如下探究活动。
假设:生成的固体产物可能是氧化亚铜(Cu 2O),也可能是 ▲ 。
资料:Cu 和Cu 2O 都是红色固体。
实验:将新制的氢氧化铜粉末放入试管中,使其在加热条件下分解(如右图),观察到蓝色粉末逐渐变成黑色。
推测:该黑色粉末是氧化铜,依据是质量守恒定律和 ▲ 。
验证:取少量黑色粉末放入试管中,加入足量稀硫酸,若出现 ▲ ,证明上述推断是正确的。
3.小岳同学在复习气体的性质时,阅读到以下资料:制取气体的发生装置取决于反应前的药品状态和反应条件,收集气体的装置取决于气体能否与水反应、在水中的溶解性以及该气体相对于空气的密度大小。
现有甲、乙、丙三种气体的反应前的物品状态、反应条件以及有关性质如下表,有关装置如下图。
请你回答下列问题:(1)能用发生装置A 制取的气体是 ▲ (填“甲”、“乙”或“丙”);(2)收集丙气体应选择的装置是 ▲ (填字母序号);(3)实验室要制取和收集甲气体,请写出一个符合要求的化学方程式 ▲ 。
33.中央电视台曾4。
介绍段儒斌发明的微生物催腐剂(含腐生细菌),微生物催腐剂的推广使用有助于解决由焚烧秸秆、稻草带来的环境污染、土地肥力下降等问题。
小明为探究腐生细菌对植物落叶的分解作用,将经过灭菌处理的落叶分成甲、乙、丙三组,按下表设计,浇上等量的(1)该实验的假设是 ▲ ;(2)实验时,甲、乙、丙三组所取的落叶应满足的条件是 ▲ ;(3)从实验中可得出的结论是: ▲ 。
2024浙教版科学中考第二轮复习化学实验探究题专题练习一、实验探究题1.某兴趣小组做了如下实验①在止水夹K1、K2处于关闭状态时,将针筒A中溶液挤入试管B,A滴有酚酞的中,接着打开止水夹K1,发现D氧化钠溶液中的部分溶液被吸入试管B中充分反应后,试管B留下的溶液也显红色②打开止水夹K2,风哨振动鸣叫。
C中的部分溶液被吸入B和D中,反应后B、D中溶液都变为无色。
回答(1)步骤①中,充分反应后,试管B里的CO2最终转化为(填化学式)和水(2)解释步骤②中“风哨振动鸣叫”的原因。
(3)实验开始时C、D中两种溶液中溶质质量分数大小关系为:a%b%(选填“>” “=” “<”)2.为探究一瓶久置的氢氧化钠固体样品是否全部变质,小柯取少量样品配制成溶液,再取少量溶液分别装入两支试管中,进行了如甲、乙两图所示实验。
(注:BaCl2溶液呈中性)(1)小柯认为“甲图实验说明了氢氧化钠固体部分变质”。
你认为小柯的观点是否正确,并说明理由。
(2)分析乙图实验的现象,可以确定样品的变质情况为。
(3)进一步探究:另取少量样品溶液,加入一定质量分数的稀盐酸,直至过量。
请在丙图中画出“生成CO2的质量随加入稀盐酸质量变化”的大致图像。
3.小明为了测定铜和氧化铜混合物中氧化铜的质量分数,设计组装了如图的实验装置:(1)仪器识别:a ;b 。
(2)装置A中发生反应的化学方程式。
(3)能除去H2中混有少量HCl气体的装置是(填装置序号)。
(4)装置E中硫酸铜粉末变蓝色,说明硬质试管中反应后有生成。
(5)实验前硬质试管中混合物的质量为5g,实验后剩余固体质量为4.2g,求混合物中氧化铜的质量分数%。
4.工业烧碱具有较好的杀菌消毒作用且廉价易得,但工业烧碱中常含有杂质碳酸钠。
某科学学习小组同学围绕工业烧碱样品纯度测定问题,展开了讨论与探究。
【原理思路】利用Na2CO3与稀H2SO4反应产生CO2,通过CO2 质量的测定,确定样品中碳酸钠的质量,从而计算样品纯度。
2023年浙江省中考科学题型专练——实验探究题31.小金学习了“消化和吸收”后,对“睡液和淀粉经吞明后进入胃中,在胃酸的影响下。
唾液是否还能继续对淀粉的消化发挥作用"感到困感。
于是他配制了pH为1的盐酸常液,作出了“pH会影响唾液淀粉酶的活性”的假设,并设计了如下方案:请分析回答:(1)小金要探究的问题是。
(2)所配制的pH为1的盐酸溶液是为了模拟。
(3)若实验现象A为不变蓝色,现象B为,C为变蓝色,则假设成立。
2.小金用如图所示的装置探究“物体动能大小的影响因素”。
他们将钢球用绳系着,从某一高度由静止释放。
钢球摆到竖直位置时,撞击水平木板上的木块,将木块撞出一段距离。
经过实验,获得三组数据,如下表:(1)表中空缺栏目“?”处应填。
(2)换用不同质量的钢球,分别从相同的高度由静止释放,摆到竖直位置时的速度大小(选填“相等”或“不等”)(3)质量大的钢球将木块推得远,这说明动能的大小与物体的有关。
3.茶垢清洁剂能快速清除茶具上附着的茶垢,某小组同学对茶垢清洁剂进行了探究。
下图是某品牌茶垢清洁剂说明书中的部分内容。
[提出问题] 1:茶垢清洁剂溶于水时生成过氧化氢,是否也有氧气生成?[实验] 1.在盛有茶垢清洁剂固体的小烧杯中,加适量常温水,完全溶解后得到无色溶液,观察到有小气泡缓慢冒出,伸入带火星的木条,木条不复燃。
[实验]2.取三份等量的实验1中的溶液,分别加入甲、乙、丙三支试管中,按图所示进行实验。
观察到都较快产生气泡,且温度越高产生气泡越快:伸入带火星的木条,木条都复燃。
[表达交流] 1:通过实验证明,茶垢清洁剂溶于水时生成氧气。
(1)实验1中“木条不复燃”的原因是。
(2)实验2中内试管内不再产生气泡后,溶液此时所含溶质与加热前的不同之处是。
(3)[提出问题] II:茶垢清洁剂溶于水时除了生成碳酸钠,是否还会生成少量氢氧化钠?[实验] 3.取实验2丙试管内适量溶液,按如图流程进行实验。
2023年浙江省中考科学题型专练——实验探究题11.酒精是果酒发酵的主要产物,其含量高低是衡量果酒品质的重要指标之一,其含量越高,则果酒品质越好。
甲醇是果酒发酵过程中极易产生的副产物,对人体健康具有危害性。
为研究果酒发酵过程中酒精度和甲醇含量的变化情况,某研究小组利用如图装置进行实验。
步骤1:取新鲜葡萄和新鲜苹果各500克,用榨汁机榨取葡萄汁和苹果汁,装入发酵瓶后,添加酵母菌悬浊液(内含0.3克千酵母)和蔗糖,搅拌均匀,盖好瓶盖,进行发酵,得到果酒。
步骤2:每天16:00测定果酒中的酒精度和甲醇含量,测得实验数据如下图。
(1)为了使酵母菌发酵效果更好,根据图2应选择合适温度约为。
(2)分析图甲葡萄酒和苹果酒在不同质量蔗糖下的酒精度变化曲线,得出的初步结论:。
(3)发酵材料、蔗糖量是酿制果酒的关键,会影响发酵过程中酒精和甲醇的生成。
国家要求果酒中甲醇的含量值≤0.1克/升,请结合图甲、图乙,对发酵材料、蔗糖量、发酵时间提出合理建议。
2.小科利用如图装置进行空气中氧气含量测定实验,步骤如下:①连接装置并检查装置气密性;②向玻璃管和水槽内加适量的水,测量玻璃管内液面到橡胶塞的距离为h1;③在燃烧匙里放足量红磷,塞紧塞子,测量两个橡胶塞间的距离为h3,调节水槽内水面高度与玻璃管内的水面相平;④接通电源,待红磷燃烧,断开电源;⑤反应结束后,当温度恢复至室温,水不再进入玻璃管时,再次调节水槽内水面高度与玻璃管内的水面再次相平,测量此时玻璃管内液面到橡胶塞的距离为h2;⑥重复实验,得出结论。
(1)实验步骤③⑤中,调节水槽内水面高度和玻璃管内液面相平的目的是:。
(2)经过计算,小科得出空气中氧气的体积分数为15,则h1、h2、h3应满足的关系式是:=15。
(3)如果步骤②中装入玻璃管中的水过少,将对测得的氧气体积分数有何影响?请你判断并说明理由。
3.为了探究“通过导体的电流与电压的关系”,小科设计了如图甲所示的电路,电源电压6伏不变,R1为定值电阻,滑动变阻器R2上标有“100欧,1安”的字样。
实验操作一、选择题1.装置气密性的检查是化学实验中重要的基本操作之一,下列各图中装置气密性不好..的是()A.装置①,双手捂住试管一段时间,导管口有气泡冒出B.装置①,通过长颈漏斗加一定量水,液面高度保持图示位置不变C.装置①,缓慢向右拉动注射器活塞时,观察到长颈漏斗下端管口有气泡冒出D.装置①,向下移动a管后,a、b两侧液面始终保持相平2.如图是比较花生仁、大米、牛肉干三种食物所含能量多少的活动示意图。
对于该活动,下列说法错误的是()A.实验前所取的三种食物的质量要相等B.实验时试管中的水越少越好,实验现象更明显C.实验中如果不注意挡风,会使每次测量结果偏小D.实验是通过水温变化对三种食物所含的能量多少作出比较3.测量是一个把待测量与公认的标准进行比较的过程。
下列实验过程中没有用到测量的是()A.用刻度尺量某物体的长度B.用天平称某物体的质量C.用显微镜观察洋葱细胞D.用量筒测某液体的体积4.如图所示是小滨同学设计的一个气体温度计的示意图。
瓶中装的是气体,瓶塞不漏气,弯管中间有一段液柱。
对于装置的认识,下列说法不正确的是()A.此温度计在使用时活塞处不能漏气B.为提高气体温度计的精度,可以减小玻璃管的内径C.该温度计是利用气体的热胀冷缩原理测温度的D.若气温降低,气体收缩,液体左移5.下列实验基本操作正确的是()A.B.C.D.6.科学实验操作要规范、正确,以下各实验操作正确的是()A.闻浓盐酸的气味B.稀释浓硫酸C.测溶液的pH值D.称取一定质量的固体氢氧化钠7.在每1分钟时间人的心脏搏动次数称为人的心率,医生可根据心电图得到病人的心率。
某台心电图仪的出纸速度(纸带移动的速度)为3cm/s,医院进行体检时记录下某人的心电图如图所示,已知图纸上每个小方格边长为5mm,则此人的心率约为()A.84次/分B.100次/分C.70次/分D.60次/分8.如图所示的温度计,关于它的说法正确的是()A.该温度计是根据固体热胀冷缩的原理制成的B.该温度计的量程是20~100①C.在使用该温度计测量液体温度时,可以离开被测液体读数D.该温度计此时的示数为30①9.实验操作是科学的基本技能之一。
2010年浙江省科学中考实验探究题集锦1.小明同学为了探究“放在斜面上的物体对斜面的压力跟斜面倾斜程度的关系”,进行了实验,步骤如下:① 用双面胶将一个200克的钩码固定在1米长的塑料直尺的中间,将直尺的一头固定在桌子的一端,如图甲所示;② 缓缓抬起右端,让直尺与水平方向有一定的夹角,如图乙所示;③ 继续抬高右端,增大直尺与水平方向的夹角,如图丙所示。
(1)该实验中,小明是通过 ▲ 来判断物体对斜面压力的大小;(2)分析三次实验的现象,可以得出的结论是 ▲ 。
2. 氢氧化铜固体受热分解能得到两种产物,其中一种为固体。
某兴趣小组为确定这种固体产物,进行了如下探究活动。
假设:生成的固体产物可能是氧化亚铜(Cu 2O),也可能是 ▲ 。
资料:Cu 和Cu 2O 都是红色固体。
实验:将新制的氢氧化铜粉末放入试管中,使其在加热条件下分解(如右图),观察到蓝色粉末逐渐变成黑色。
推测:该黑色粉末是氧化铜,依据是质量守恒定律和 ▲ 。
验证:取少量黑色粉末放入试管中,加入足量稀硫酸,若出现 ▲ ,证明上述推断是正确的。
3.小岳同学在复习气体的性质时,阅读到以下资料:制取气体的发生装置取决于反应前的药品状态和反应条件,收集气体的装置取决于气体能否与水反应、在水中的溶解性以及该气体相对于空气的密度大小。
现有甲、乙、丙三种气体的反应前的物品状态、反应条件以及有关性质如下表,有关装置如下图。
请你回答下列问题:(1)能用发生装置A 制取的气体是 ▲ (填“甲”、“乙”或“丙”);(2)收集丙气体应选择的装置是 ▲ (填字母序号);(3)实验室要制取和收集甲气体,请写出一个符合要求的化学方程式 ▲ 。
33.中央电视台曾4。
介绍段儒斌发明的微生物催腐剂(含腐生细菌),微生物催腐剂的推广使用有助于解决由焚烧秸秆、稻草带来的环境污染、土地肥力下降等问题。
小明为探究腐生细菌对植物落叶的分解作用,将经过灭菌处理的落叶分成甲、乙、丙三组,按下表设计,浇上等量的(1)该实验的假设是 ▲ ;(2)实验时,甲、乙、丙三组所取的落叶应满足的条件是 ▲ ;(3)从实验中可得出的结论是: ▲ 。
5.某同学进行了如下实验:根据右图连接好实物,用电流表分别测出I 、I 1、I 2的电流,改变电源电压,重复实验,记录数据如下表。
(1)该实验探究的问题是 ▲ ; (2)该同学根据实验得出结论:并联电路中干路电流为支路电流的2倍。
该实验有不完善之处,请你提出改进的建议: ▲ 。
6.同学们都有这样的学习和生活经验:夏天,将食品放在冰箱里不容易腐烂;木炭在氧气中燃烧比在空气中燃烧得更旺;颗粒状石灰石比块状石灰石与盐酸反应产生的气泡更快。
说明反应物的浓度(溶质质量分数)、温度和固体反应物的表面积对化学反应快慢有影响。
小明利用稀硫酸与某金属的反应来探究影响化学反应速率的因素,下表是五组50mL 稀硫分析上述数据,回答下列问题:(1)比较实验 ▲ (填实验序号),表明反应物浓度越大,化学反应越快;(2) 比较实验1和2,表明 ▲ ,化学反应越快;(3) 依据实验规律,推测“丢失数据”的值约是 ▲ ℃。
7小明学习了“皮肤能阻挡微生物侵人人体”的相关知识后,他想了解果皮能否成为阻挡微生物的屏障。
于是设计了如下实验:步骤一:取三个新鲜、等大的苹果,洗净、消毒,分别标为A 、B 、C 。
步骤二:再取一个腐烂的苹果,将牙签插入这个苹果的腐烂部位,然后拔出,用该牙签的尖端轻轻地在A 苹果的表面滑动,不划破果皮;将牙签再次插入腐烂的苹果里,然后拔出,用牙签尖端在B 苹果上划出一条狭长的划痕,并划破果皮;对C 苹果不做任何处理。
步骤三:将A 、B 、C 三个苹果分别放人相同的三个消毒过的塑料袋中,放在温暖的地方。
每天观察一次,并记录观察到的实验现象。
根据上述实验,回答下列问题:(1)为什么要将三个苹果洗净、消毒? ▲ 。
(2)实验中,把牙签插入苹果腐烂部位的目的是 ▲ 。
(3)请你利用答题纸中给出的方格,帮助该同学设计一个表格,用来记录前三天观察到的现象(实验现象不需填写)。
▲ 。
8.科学课上做“用红磷燃烧测定空气中氧气的体积分数”的实验时,由于红磷燃烧生成的P2O5对人体有一定危害,小明改用氢气燃烧来测定空气中氧气的体积分数,设计的实验装置如右图所示。
实验时用夹子B夹住橡胶管,打开夹子A,点燃纯净的氢气并迅速插入甲瓶中,使氢气在甲瓶中燃烧。
(1)当氢气燃烧的火焰刚好熄灭时,对夹子的操作应是▲。
(2)实验测得甲瓶中氧气的体积远小于瓶中空气体积的l/5,写出一种可能的原因:▲。
(3)有同学提出,若用CO取代H2,进行如上操作也能完成氧气体积分数的测定。
你是否认同并简要说明理由:▲。
9.甲、乙同学一起做“绿叶在阳光下制造淀粉”的实验,实验过程如下图所示:他们在滴加溶质质量分数为1%的碘液后,发现叶片未遮光部分没有出现预期的蓝色,而是变成了棕黑色。
这是为什么呢?甲同学猜想:可能是叶片上残留的酒精引起的。
为了验证猜想,取经过暗处理并光照4小时、脱色后的叶片,分成两组,一组不漂洗,另一组充分漂洗,然后分别向两组叶片滴加溶质质量分数为1%的碘液。
发现未漂洗的叶片变为棕黄色,充分漂洗的叶片变为棕黑色。
乙同学也提出了自己的猜想,并通过以下实验加以验证:取经过暗处理并光照4小时、脱色、漂洗后的叶片,分成四组,将溶质质量分数为0.02%、0.04%、0.06%、0.08%的碘液分别滴在各组叶片上。
发现只有滴加0.04%的碘液的叶片,颜色变为预期的蓝色。
(1)乙同学的猜想是▲。
(2)甲同学的实验还不能验证自己的猜想,为了验证猜想,甲同学还需怎样改进实验?请简要说明:▲。
(3)你认为绿色植物的光合作用有何意义? ▲(写出一点)。
10.教室的窗玻璃是双层的。
课间,同学在窗外敲玻璃时,小明感觉双层玻璃与单层玻璃的振动情况不一样。
于是他想探究“受敲击时,双层玻璃和单层玻璃的振动强弱情况”。
为此,小明进行了以下实验:①将单层玻璃板固定在有一定倾角的斜面上,把玻璃球靠在玻璃板的右侧,把橡胶球悬挂在支架上靠在玻璃板的左侧(如右图)。
②随意拉开橡胶球,放手后让其敲击玻璃板,玻璃球被弹开,记下玻璃球被弹出的距离。
共做10次。
③换成双层玻璃板重复上述实验。
(1)实验后,发现玻璃球被弹开距离的数据比较杂乱,这与实验中的哪一操作不当有关? ▲。
小明改进后,重做了实验,获得了如下数据:(2)受到橡胶球的敲击时,玻璃板振动的强弱是通过▲来反映的。
(3)根据上表中的实验数据分析,可以得出的结论是▲。
11.检测机构为了检测汽车的刹车性能.在同一场地做了如下实验:(1)某车以不同车速行驶时,测得有关数据如图A所示。
其中反应距离是指司机发现情况,决定刹车到脚踩在刹车踏板上时,车通过的距离;刹车距离是指脚踩在刹车踏板上,使车减速,到车停时车通过的距离。
如果司机以60千米/时的速度驾驶,从发现情况,决定刹车到车停止时,车通过的距离为▲米。
(2)汽车的刹车方式有两种:方式一:刹车时,车轮不能滚动,只能滑行,直至车停。
方式二:刹车时,车轮仍保持滚动,但滚动减慢,直至车停。
图B反映的是以方式一和方式二刹车所产生的刹车距离的比较。
从图中可知,在车速相同时,采用哪种刹车方式刹车后,刹车距离较短? ▲。
(3)检测中,相同的甲、乙两车均以v1速度行驶,甲车采取方式一刹车,乙车采取方式二刹车,刹车时车与障碍物的距离相等(距离小于S1,如图),则撞击时哪辆车对障碍物的破坏程度更大?请结合图B中曲线说明理由。
▲。
12.在学校实验室开放时.同学们对手摇发电机非常感兴趣,他们想:发电机产生感应电流大小跟哪些因素有关呢?于是他们开展了探究,以下是他们所用的发电机和实验记录表:(1)根据表格可知,他们准备研究发电机产生感应电流的大小是否与▲有关。
‘(2)手摇发电机在发电时将▲能转化为电能。
·(3)他们根据小灯泡的亮度来判断电路中感应电流的大小,像这种用能直接观测的量来显示不易直接观测的量的方法叫“转换法”。
下列方法属于“转换法”的是▲(填序号)①根据磁铁吸引大头针的多少来判断磁性的强弱;②根据能否进行新陈代谢来区分生物与非生物;③根据纯净物中元素种类的多少来区分单质与化合物。
(4)判断电流大小,除了借助小灯泡观察之外,实验室常用▲表来测量。
13.在制取氢气实验时,同学们发现老师在准备用于反应的锌粒中滴人了少量的硫酸铜溶液。
他们想:锌会与硫酸铜溶液反应生成铜,难道铜会影响锌和稀硫酸反应的快慢吗?他们决定对此开展有关实验:(1)在设置对照组的时候,除了要控制好锌粒和稀硫酸的量之外,其中一组中要添加▲。
(2)实验中要比较锌和稀硫酸反应快慢,可以观察记录▲。
14.某汽车公司组织了一次新车型节油大赛,比赛分两组:第一组使用A型车(排量1.6升)。
第二组使用B型车(排量2.0升)。
A、B型车外观和体积相同,属于同一产品系列。
(1)你认为下列哪些评价方式可以作为比赛评价标准?▲(填序号)①消耗相同体积的汽油,比谁行驶的路程长;②行驶相同的路程,比谁消耗的汽油体积少;③行驶相同的路程,比谁用的时间短;行驶的路程”的比值大小作比较。
④用“消耗汽油的体积(2)下表是三位车手的比赛成绩,第一组比赛中最节油的选手是▲。
(3)从本次比赛数据看,▲型车比较节油。
(4)近年来,政府鼓励小排量、限制大排量汽车有什么意义?▲15.小明发现他家种植的菊花出现了异常现象,靠近马路一侧的菊花不开花,远离马路一侧的菊花开花。
小明观察周围环境后,发现马路边安装了许多路灯。
小明和爸爸选择靠近路灯的1株未开花的菊花,晚上用黑色塑料袋套起来,白天取下,观察一段时间,看它是否能开花。
(1)该实验方案的设计基于的假设是▲。
(2)他们应该选择▲作为这株菊花的对照组。
(3)他们的实验方法有什么明显不足?▲16.某同学发现金属眼镜架表面经常会有绿色物质产生,这是什么物质呢?他和同学们收集积累了一定量的这种绿色物质,放在试管里隔绝空气加热。
观察到试管内壁有水珠,绿色物质变成黑色粉末,产生的气体能够使澄清石灰水变浑浊。
(1)实验表明:镜架上的绿色物质中一定含有▲元素。
镜架上会产生绿色的锈,这绿色物质中是否含有铜呢?同学们用上述试管中的黑色粉末分两组分别进行了实验:(2)大部分同学认为第一组实验方法比较理想,试简要说明理由。
▲17.某科学兴趣小组在A、B两只锥形瓶中分别放入具有萌发能力的数量相等的大豆种子,将它们放置在同一实验室里按照下表设置的条件进行实验。
请回答下列问题:(1)大豆种子是由▲发育形成的。
(2)该科学兴趣小组想要探究的问题是:▲对种子萌发是否有影响?(3)该科学兴趣小组在实验过程中发现A、B两只锥形瓶内的大豆种子温度都明显升高,引起温度明显升高的原因是▲。