编码原则指导说明书
- 格式:doc
- 大小:759.39 KB
- 文档页数:47
编码器说明书编码器是一种电子设备,可以将输入的模拟信号或数字信号转化成数字编码形式的信号输出。
它广泛应用于自动控制系统、数码通信和计算机控制等领域。
本说明书将为您介绍编码器的工作原理、应用范围及相关注意事项。
一、工作原理编码器是一种将运动或位置转化为数字信号的设备。
根据测量方式不同,编码器可以分为绝对编码器和增量编码器两种类型。
1.绝对编码器绝对编码器的输出码对应每个位置的最终精确位置信息。
当绝对编码器固定在系统中时,无需执行位置确认程序。
2.增量编码器增量编码器的输出码程式的位置变化。
通常,编码器会在一定的方向上旋转并且会感应这种旋转运动,并按照每个旋转位置产生指定的输出。
主要应用于运动与位置控制反馈系统。
二、应用范围编码器广泛应用于工业、航空、军事和医疗等领域。
以下是一些常见的应用场景:1. 工业生产对于制造业来说,编码器可以用于测量生产过程中的运动和位置。
例如,在机器人工厂中。
编码器可以测量机器人臂的运动,从而确保它的运动达到预期目标。
2. 汽车制造在汽车工业中,编码器可以用于测量引擎的转速与车轮的位置。
这对确保汽车在行驶时稳定且方向正确非常重要。
3. 聚光器激光聚光器通常瞄准特定的对象并进行一定的处理。
编码器可用于确定要聚焦的对象的位置。
4. 医疗科技在医疗设备领域,编码器可用于监测和操作手术工具的位置,并能够使手术更加精确。
5. 航空在飞机上,编码器可用于测量飞机在空中的位置与角度,从而确保飞机始终位于正确的位置上。
三、注意事项1.安装要求安装编码器应当遵循以下几个原则:a) 安装编码器的位置必须与被测量的物体保持稳定。
b) 安装编码器的地方应该保持干燥,不能碰撞或扭曲。
2. 选型要求选型时需要注意以下几点:a) 计算并确定测量结果的最小要求;b) 深入了解所要求的测量任务和要求精确度的范围;c) 确定所要测量的位置和承受压力的方向及大小。
3. 操作要求a) 高强度振动会影响编码器的输出精度,避免地震、震荡等环境;b) 编码器需要经常进行维护,防止灰尘和杂物进入设备内部;c) 禁止在未关闭电源的情况下进行拆卸安装等操作。
物料编码规则编制:审核:批准:一、目的:规范本公司物料的编码规则,以便于产品改进及生产、采购等。
二、适用范围:本标准适用于公司所有的物料、成品、半成品等三、编号总则:1.唯一性 : 每一物料具有唯一的编号。
2.完整性 : 看到物料编号,即可了解物料特性。
3.易记及简单原则 : 编号具规则性,容易记忆; 物料编号表述清楚的原则上位数越简洁愈好。
4.分类展开性(组织性 ): 编号原则具有规则性。
5.一致性 : 性质相似物料,具有一致性的编号。
6.计算机化 : 编号规则性须有利于日后统计分析。
四、编码结构:1.物料编号总格式:大类-小类—物料特征码-流水码2.大类编码原则如下(以英文大写字母编号,如有增加项目往后依次加):序号类别编号备注1 电子类 A3 塑胶类 C4 五金类 D5 包装材料 E6 辅料 F7 预留G8 预留H9 半成品I10 成品J………………3.小类(电子类)编码原则如下:序号类别编号备注1 贴片电阻0805 A012 贴片电阻0603 A023 插件电阻A034 插件压敏电阻、插件光敏电阻、贴片排阻、插件排阻A045 贴片电容 0805 A056 贴片电容 0603 A067 贴片钽电容A078 插件铝电解电容A089 光耦A0910 磁珠(贴片、插件) A1011 电感(插件共模、直插、贴片)A1112 贴片场效应管(MOS管)A1213 插件稳压管A1314 插件二极管A1415 插件TVS二极管A1516 贴片二极管A1617 贴片发光二极管A1718 插件发光二极管A1819 快速恢复整流二极管A1920 预留A2021 预留A2122 贴片三极管A2223 插件三极管A2324 继电器A2425 接收头A2526 预留A2627 贴片稳压管A2728 晶体A2829 自恢复保险丝、保险管A2930 拨动开关A3031 预留A3132 预留A3233 插针、麦克风插座、贴片耳机座、直插座、卡座、贴片座、底座、天线、天线转接头A3334 蜂鸣器、喇叭A3435 电位器A3536 贴片IC A3637 插件IC A3738 液晶屏、背光屏A3839 镜头A3940 PCB线路板A4041 线材A41…………4.小类(塑胶类)编码原则如下:序号类别编号备注1 外壳B012 镜面B023 按键B034 防水圈(帽)B045 导光柱B056 R型夹B067 电池固定条B078 橡胶类B089 B09…………5.小类(五金类)编码原则如下:序号类别编号备注1 面盖C012 底壳C023 前挡板C034 后挡板C045 小挡板C056 支架C067 螺母及垫片C078 自攻螺钉C089 机制螺钉C0910 铜柱C10…………6.小类(包装材料)编码原则如下:序号类别编号备注1 说明书D012 珍珠棉袋D023 PE袋D034 珍珠棉D045 遥控器D056 盒类D067 贴纸D078 音箱D087.小类(辅料类)编码原则如下:序号类别编号备注1 锡线E012 扎线E023 电池E034 海棉垫E045 双面胶纸E056 单面胶纸E067 PVC垫片E078 跳线E08……8.小类(半成品类)编码原则如下:序号类别编号备注1 FT8001S-GPRS板V3.4 I012 FT8001板I023 FT8001K-T板V4.1 I034 FT8001K-T板玉柴485 1.0I045 FT8001K-T-B V1.2 I056 FT8001K-GPRS板 V3.1 I067 南京LCD转接板 TH-003 I078 大屏板 LCD V1.5 I089 FT8001B-H V1.2手柄板I0910 防盗报警器接口板I1011 计价器接口板I1112 红外接收模块板I1213 摄像头板I13…………8.I01-I13---半成品类I01-I13---XXXXXX---XX 此六位XXXXXX字符是物料特征码,如特征码小于六个字符,在前面加“0”补齐;如多于六个字符,挑选有意义的六位字符。
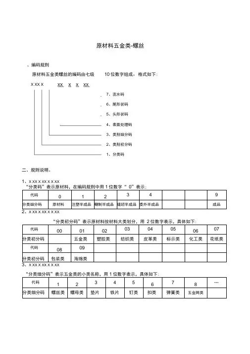
原材料五金类-螺丝、编码规则原材料五金类螺丝的编码由七级10位数字组成,格式如下:X XX X7、流水码6、尾形状码5、头形状码4、表面处理码3、类别细分码2、类别初分码1、分类码二、规则说明。
1、X XX X XX X X XX“分类码”表示原材料,在编码规则中用位数字“ ”表示;代码012349分类细分码原材料注塑半成品糊制半成品缝纫半成品委外半成品成品X XX X XX X X XX“分类初分码”表示原材料按材料大类划分,用位数字表示,具体如下: 代码0001020304050607分类初分码五金类塑胶类纺织类皮革类标示类化工类花纸类代码0809分类初分码包装类海绵类、X XX X XX X X XX代码12345678…分类细分码螺丝类螺母类垫片铁片钉类扣类弹簧类五金网类4、X XX X XX X X XX“表面处理码”是表示螺丝的外观表面处理,用位数字表示,具体如下:X XX X XX X X XX“头形状码”用于区别螺丝头部的形状,用位数表示,具体如下:、X XX X XX X X XX“尾形状码”用于区别螺丝尾部的形状,用1位数表示,具体如下:、X XX X XX X X XX“流水码”用于区别螺丝的规格和材质,用 2位数表示、编码举例1、 0011015101表示镀镍带介圆头十字自攻尖咀螺丝 (ST3*6MM )2、 0011040401表示镀黑圆头一字平咀螺丝 (M6*7MM/铝)注意事项: ①划线部分为随流水码而改变的可变量X XX X XX XX XX流水码 形状码 表面处理码 分类细分码 分类初分码分类码原材料五金类-螺母编码规则。
原材料五金类螺母的编码由六级10位数字组成,格式如下:二、规则说明。
1、X XX X XX XX XX“分类码”表示原材料,在编码规则中用1位数字“ 0”表示;X XX X XX XX XXX XX_ X XX XX XX“分类细分码”表示五金类的小类名称,用1位数字表示,具体如下:4、X XX X XX XX XX“表面处理码”是表示螺母的外观表面处理,,用位数字表示,具体如下:X XX X XX XX XX“形状码”用于区别螺母的形状,用数字表示,具体如下:、X XX X XX XX XX“流水码”用于区别螺母的规格和材质,用2位数表示二、编码举例。
岗位说明书编号规则编号规则是指为了对岗位说明书进行管理和归档,为每份岗位说明书分配一个独一无二的编号。
岗位说明书编号规则的设计和执行对于组织和管理岗位信息具有重要意义。
本文将就岗位说明书编号规则的重要性和设计原则进行探讨。
一、岗位说明书编号的重要性岗位说明书编号的设立对于组织和管理岗位信息具有以下几个重要作用:1. 识别和鉴别:通过为每份岗位说明书分配独特的编号,可以方便地识别和鉴别岗位信息,避免混淆和误用。
2. 组织和管理:岗位说明书编号的设立可以帮助组织和管理岗位信息,便于日后的查找、调阅和更新。
通过编号可以追踪和记录岗位说明书的变更和历史信息。
3. 提高工作效率:编号规则的合理设计可以提高工作效率,减少工作中的混乱和错误。
通过快速定位和查询编号,可以节省大量时间和精力。
二、岗位说明书编号规则的设计原则针对岗位说明书编号规则的设计,以下是一些常用的原则和建议:1. 稳定性:编号规则应具有一定的稳定性,避免因为岗位的变更而频繁调整编号。
可以基于固定的分类和组织结构进行设计,确保编号的连续性和一致性。
2. 层次性:编号规则可以采用层次结构,便于理解和识别。
可以根据不同层级的组织结构、职能分类或其他要素进行分类编码,形成一种层次关系。
3. 可读性:编号规则应具备良好的可读性,便于人员理解和操作。
可以使用简洁明了的编码规则,避免过多的特殊符号和复杂的结构。
4. 唯一性:每份岗位说明书应分配唯一的编号,避免重复和混淆。
可以采用自动生成或者手动确认的方式,确保编号的唯一性。
5. 一体化:岗位说明书编号规则可以与其他相关信息进行一体化管理,例如组织架构、职位编制等。
可以借助信息系统或数据库实现统一的编号管理。
三、岗位说明书编号规则示例以下是一个简单的岗位说明书编号规则示例:1. 编号结构:使用“组织结构+岗位分类+序号”的结构,例如0001-001-001。
其中,“组织结构”代表组织的层级结构,例如总部、分公司等;“岗位分类”代表岗位的职能分类,例如行政、人力资源等;“序号”代表岗位在该分类下的编号。
产品说明书编码规则1.引言本文档旨在规范产品说明书的编码规则,确保统一性和准确性。
编码规则将帮助我们更好地管理和识别产品说明书,提高工作效率。
本规则适用于所有产品说明书的编写和标识。
2.编码规则2.1 通用规则每份产品说明书应具有唯一的编码。
编码应由数字和字母组成,不区分大小写。
编码中不允许使用特殊字符或空格。
编码长度不得超过10个字符。
产品说明书的编码应与实际产品一致或相关。
2.2 分类编码为了更好地管理产品说明书,我们将根据产品的属性和类型进行分类编码。
以下是常见的分类编码:P:代表产品。
P:代表产品。
P:代表产品。
S:代表服务。
S:代表服务。
S:代表服务。
A:代表配件。
A:代表配件。
A:代表配件。
M:代表材料。
M:代表材料。
M:代表材料。
C:代表组件。
C:代表组件。
C:代表组件。
根据产品的具体分类,我们可以在上述分类编码后添加更具体的字母或数字,以进一步标识产品。
例如:PA:代表产品配件。
PA:代表产品配件。
PA:代表产品配件。
AC:代表组件材料。
AC:代表组件材料。
AC:代表组件材料。
SM:代表特定服务的材料。
SM:代表特定服务的材料。
SM:代表特定服务的材料。
2.3 日期编码我们建议在产品说明书的编码中包含日期信息,以标识其创建或更新时间。
日期编码可采用下列格式之一:___:年月日。
___:年月日。
例如:Pxxxxxxxx:产品说明书创建于2022年1月1日。
Pxxxxxxxx:产品说明书创建于2022年1月1日。
Pxxxxxxxx:产品说明书创建于2022年1月1日。
S220101:服务说明书创建于22年1月1日。
S220101:服务说明书创建于22年1月1日。
S220101:服务说明书创建于22年1月1日。
3.示例为了更好地理解编码规则的应用,我们提供以下示例:P12345:产品编号为12345的产品。
P12345:产品编号为12345的产品。
P12345:产品编号为12345的产品。
编码规则说明一.本套物料编码规则由深圳市和信通讯技术有限公司制订,适用于公司生产过程中所应用到的所有原材料(不含辅助材料)。
二.编码原则(一)物料,共12位1、第1位:码首2/3/5,代表物料的大类。
2_电子类,3结构料,5_包材;2、第2-3位:代表物料的中类。
如:01_IC,02_电阻,03_电容……详见细则;3、第4-11位:物料规格和流水号,详见细则;4、第12位:环保1_环保物料,0_非环保物料.物料编码格式:X XX XXXXXXXX X环保类型物料规格或流水号物料中类物料大类特别注意:一款物料只有一个编码,不考虑供应商的区别,没有供应商代码。
(二部)半成品,共12位1、第1位:码首8,代表半成品。
2、第2-3位:半成品类别,详见细则3、第4-7位:代表产品型号,如525,868P等,不足位数前面加零,有+的机型,用X 表示4、第8位:代表方案,1_信太和,2_普鸿,3_大友,4_摩本,5_闻泰,虚拟件用X表示5、第9-10位:表示颜色,详见颜色代码表6、第11位:屏类型,1_CSTN1.44″,2_1.8″TFT,3_2.6″TFT,4_2.8″TFT,5_3.2″TFT7、第12位:环保1_环保物料,0_非环保物料特别注意:半成品虚拟件的第8位用X表示,第11位用0表示;PCBA的第9-10位用XX表示PCBS的每9-10位用XY表示壳体组件第8位是表面处理,第11位是流水码半成品编码格式:8XX XXXX X XX X X环保类型屏类型(三)成品,共13位成品的定义:A类--已经包装,待客户检验/出货的产品(900-909)1、第1位:码首9,代表成品2、第2-3位:成品类别,详见细则3、第4-7位:代表产品型号,如525,868P等,不足位数前面加零,有+的机型,用X 表示4、第8位:代表方案,1_信太和,2_普鸿,3_大友,4_摩本,5_闻泰5、第9-10位:表示颜色,详见颜色代码表6、第11位:屏类型,1_CSTN,2_1.8″TFT,3_2.6″TFT,4_2.8″TFT,5_3.2″TFT7、第12位:环保1_环保物料,0_非环保物料成品编码格式:9XX XXXX X XX X X环保类型屏类型产品颜色产品方案产品型号成品类别成品三.制定物料编码必须遵守以下基本原则:1. 2. 3. 4. 5.核查物料编码数据库,只增加新物料的编码;提倡标准化设计,新产品设计时尽量采用数据库里的编码所对应的物料;遵循《物料编码规则》,确保编码的唯一识别性;按《物料名称标准化清单》,物料规格描述应准确、规范和统一;《物料编码规则》之外的新物料,应及时补充和修订《物料编码规则》。
翔宇电力编码原则指导说明书金蝶软件有限公司客户服务部二00六年二月编码原则说明:以物料的编码为主线讲解编码的原则,但所讲编码原则同样适用于K3系统的客户编码、供应商编码、职员编码、部门编码、单位编码、仓库编码、各种类别编码和其他需要编码的任何项目等。
第一节物料编码的意义物料编码是以简短的文字、符号或数字、号码来代表物料、品名、规格或类别及其他有关事项的一种管理工具。
在物料极为单纯、物料种类极少的工厂或许有没有物料编码都无关紧要,但在物料多到数百种或数千、数万种以上的工厂,物料编码就显得格外重要了。
此时,物料的领发、验收,请购、跟催、盘点、储存等工作极为频紧,而藉着物料编码,使各部门提高效率,各种物料资料传递迅速、意见沟通更加容易。
物料编码之功能如下:➢增强物料资料的正确性物料的领发、验收、请购、跟催、盘点、储存、记录等一切物料之活动均有物料编码可以查核,因此物料数据更加正确。
至于一物多名,一名多物或物名错乱之现象不致于发生。
➢提高物料管理的工作效率物料既有系统的排列,以物料编码代替文字的记述,物料管理简便省事,效率因此提高。
➢利于电脑的管理物料管理在物料编码推行彻底之后,方能进一步利用电脑作更有效的处理,以达到物料管理之效果。
➢降低物料库存、降低成本物料编码利于物料库存量的控制,同时利于呆料的防止,并提高物料管理工作的效率,因此可减轻资金的积压,降低成本。
➢防止物料舞弊事件之发生物料一经编码后,物料记录正确而迅速,物料储存井然有序,可以减少舞弊事件之发生。
➢便于物料之领用库存物料均有正确的统一的名称及规格予以编码。
对用料部门的领用以及物料仓库的发料都十分方便。
第二节物料编码的原则物料编码必须合乎物料编码的原则,合理的物料编码,必须具备下列基本原则:●简单性●分类展开性●完整性●单一性●一贯性●可伸缩性●组织性●适应电脑管理●充足性●易记性一、简单性编码的目的在于将物料化繁为简,便于物料的管理,如果编码过于繁杂,则违反了编码之目的。
物资编码管理实施细则范文一、引言物资编码管理是企业物资管理体系的重要组成部分,对于提高物资管理工作效率,优化资源配置,确保物资供应链的畅通起着至关重要的作用。
本文旨在制定物资编码管理实施细则,规范化企业物资编码管理工作,提高物资管理的效率和精确性。
二、编码规则制定1. 统一编码长度原则为保证编码的唯一性和规范性,统一采用13位数字编码,其中前两位表示物资大类别,后11位作为物资的子类别编码。
2. 分类编码原则按照物资的属性、用途和特点将物资进行分类编码,确保编码的科学性和可操作性。
例如:01表示原材料类,02表示辅助材料类,03表示设备材料类等。
3. 编码组织原则编码按照层级进行组织,确保编码的简洁明了和易于理解。
首先将各类别的编码分配一个大类别编码,再将每个大类别的编码按照子类别进行编码,以此类推。
4. 编码的可扩展性原则随着企业业务的发展和物资种类的增加,编码系统应具备良好的可扩展性,以满足未来物资编码管理的需求。
三、编码管理流程为确保物资编码管理的有效实施,明确编码管理工作的流程是必要的。
下面是一个简单的编码管理流程示意图:{流程图}1. 申请编码物资管理人员根据企业实际需求,向物资编码管理部门提出编码申请。
申请中应包含物资的基本信息,如名称、型号规格、用途等,并说明所属的大类别和子类别。
2. 编码审核物资编码管理部门对申请进行审核,确保申请信息的准确和完整性。
如果有需要补充或修改的地方,及时与申请人进行沟通,并要求其提供相关的补充材料。
3. 编码分配经过审核的申请将会被分配一个唯一的编码,根据编码规则中的层级关系进行分配。
同时,将编码记录在编码管理系统中,以备后续使用和查询。
4. 编码反馈将编码分配结果及时反馈给申请人,告知其所分配的编码,并说明相关的使用事项和注意事项。
5. 编码使用物资管理人员在采购、入库、出库等操作中,将所使用物资的编码记录在相应的操作记录中,以便后期管理和查询。
6. 编码变更若发生物资的名称、规格等信息发生变更,物资管理人员应及时向物资编码管理部门申请编码变更。
本文部分内容来自网络整理,本司不为其真实性负责,如有异议或侵权请及时联系,本司将立即删除!== 本文为word格式,下载后可方便编辑和修改! ==作业指导书编码规则篇一:作业指导书编码规则作业指导书编码规则目的及范围:為本公司各生产部门之《作业指导书》統一文件编码管理参考表格:TZ2-PD-04(附件二)A版4.操作方法识别序号2.工位名称代号3. 生产部门代号1.公司代号2.生产部门代号例如音箱装配:01表示木箱检查、02装母扣……4.操作方法识别序号工位名称代号编排:PDH(合箱) 01 板材放置 02 打胶 03 组合 04 打钉 05 加条木 06 堆垛PDD(打磨) 01 喷黑 02 补灰 03 打磨 04 堆垛PDST(贴皮) 01 裁皮 02 吹灰03 PVC喷胶 04 箱体喷胶 05 贴皮 06 修边 07 烫边 08 倒角 09 堆垛PDP(喷漆) 01 补胶 02 打磨 03 喷底漆 04 喷面漆 05 抛光 06 堆垛 07 检箱篇二:作业指导书与编号规则山东省特种设备检验研究院检验细则/工艺、检验报告、原始纪录编号规则一、检验细则/工艺编号规则1.细则/工艺编号:SDTJ/XZ-(项目代码)-(流水号)项目代码:由两个字母组成,如锅炉GL,容器RQ,管道GD,起重机QZ,电梯DT,游乐设施YL,索道SD,锅炉介质JZ,气瓶QP,安全阀AF,厂内机动车辆CC,无损检测WS,管理类用ZG,操作规程GC,自校方法和核查JH,常压罐车等其他类别产品用QT表示。
流水号:由三位阿拉伯数字组成,从001开始举例:电站锅炉产品安全性能监督检验实施细则SDTJ/XZ-GL-0012.技术资料编号:技术资料(含报告、记录等)编号规则: SDTJ/(类别代码)-(项目代码)-(流水号)-(X X)类别代码:技术记录为JLJ,安全记录为JLA,质量记录为JLZ.项目代码:为检验细则/工艺编号后两部分组成,如GL-003。
编码规范说明书一、模块头部注释规范以一个物理文件为单元的都需要有模块头部注释规范,例如:C#中的.cs文件。
用于每个模块开头的说明,主要包括以下几部分:(粗体字为必需部分,其余为可选部分)1.文件名称(File Name):此文件的名称2.功能描述(Description):此模块的功能描述与大概流程说明3.数据表(Tables):所用到的数据表,视图,存储过程的说明,如关系比较复杂,则应说明哪些是可擦写的,哪些表为只读的。
4.作者(Author):创建人5.日期(Create Date):创建时间6.参考文档(Reference)(可选):该档所对应的分析文档,设计文檔。
7.引用(Using) (可选)﹕开发的系统中引用其它系统的Dll、对象时,要列出其对应的出处,是否与系统有关﹙不清楚的可以不写﹚,以方便制作安装档。
8.修改记录(Revision History):若档案的所有者改变,则需要有修改人员的名字、修改日期及修改理由。
9.分割符:*************************** (前后都要)示例如下:二、方法注释规范<1>、类、接口、属性、方法必须有<Summary>节,另外方法如果有参数及返回值,则必须有<Param>及<Returns>节。
格式如下:/// <summary>/// …/// </summary>/// <param name=””></param>/// <returns></returns>示例如下:<2>、公用类库中的公用方法需要在一般方法的注释后添加作者、日期及修改记录信息,统一采用XML标签的格式加注。
格式如下:<Author></Author> 作者<CreateDate></CreateDate> 建立日期<RevisionHistory> 修改记录<ModifyBy></ModifyBy>修改作者<ModifyDate></ModifyDate>修改日期<ModifyReason></ModifyReason>修改理由<ModifyBy></ModifyBy>修改作者<ModifyDate></ModifyDate>修改日期<ModifyReason></ModifyReason>修改理由<ModifyBy></ModifyBy>修改作者<ModifyDate></ModifyDate>修改日期<ModifyReason></ModifyReason>修改理由</RevisionHistory><LastModifyDate></LastModifyDate> 最后修改日期三、代码行注释规范格式如下(双斜线):// ……………..示例如下:四、变量注释规范<1>、Class级变量应以采用/// 形式自动产生XML标签格式的注释。
深圳市韶丰实业有限公司物料编码的基本运作程序:开发部开发机种需编BOM单的物料全在公司拥有的物料系统中查找料号。
原则上开发部在开发新的机种时,尽量不要使用新的物料,以免编码文件不必要的扩大。
但实在需要用新物料及编BOM单时发现编码中需要而不存在的物料、料号,请向工程部申请料号。
申请料号时应向工程部提供完全而准确物料规格,以便准确的输入电脑系统。
编BOM单时发现编码系统中物料规格不全或有误时,请联系工程部及时改进,以完善公司的物料系统。
以上程序的遵循及运作有利公司物料系统的完善及今后工作效率的提高订制:审核:批准:雷志聪物料电脑编码规则一、目的随着我公司规模的不断扩大,物料的品种越来越多,为了便于物料管理以及公司运作体系的不断完善。
特制定出阿拉伯数字能代表每一种物料的编码规则。
二、造用范围适用于现阶段我公司生产产品所使用的生产性主要材料。
三、编码规则①、原则上物料料号(简称为料号)取十位阿拉伯数字表示,开头第一位为物料大类,第二、三、四位为每大类下的小类,第五至第十位为同属一类下物料的属性区别码。
大类大类下的小类表示为物料属性区分②、所有物料大类的区分码规则:0 -----电子类 (电子元器件、排座、插座、线材、PCB光板等) 5------待定1------五金、塑胶类(五金件、塑胶、海棉及其它结构料等) 6------待定2------包装材料、线材 (包括线材、包装套料等) 7------待定3------半成品、成品、整机类 (包括PCB组件、单独的成品和包装好的整机) 8------待定4-----待定 9------待定注明:大类区分码由“0~9”十位阿拉伯数字表示,其中“4~9”分类可待定。
而第一位的“大类”和第二、三、四位的“大类下的小类”四位数又构成每个料号的类别码。
如:碳膜电阻1/8w的类别码为0000。
具体的由来会由以下的电子料(0类)的编码规则来解释的更为清楚。
物料电脑编码规则四、电子料(0类)的物料小类区分码规则:000—碳膜电阻1/8W001—碳膜电阻1/6W002—碳膜电阻1/4W 003—碳膜电阻1/2W 004—碳膜电阻(插件电阻)1W或1W以上005—精密电阻〈贴片、插件的所有规格精密电阻〉006—贴片电阻0603 007—贴片电阻0805 008—贴片电阻1206或更大009—排阻010—可调电阻,电位器011—热敏电阻(其它特殊电阻等)012—所有以上未包括电阻(待定)013—瓷片电容耐压25V、50V 014—瓷片电容耐压(>50v、1KV或1KV以上)015—贴片电容0603 016—贴片电容0805 017—贴片电容1206或更大018—高压贴片电容(>50v、1KV或1KV以上)019—贴片钽电容误差+-5% 020—贴片钽电容误差+-10% 021—贴片钽电容误差+-20% 022—贴片铝电解电容-40∽850C 023—贴片铝电解电容-40∽1050C 024—插件铝电解电容耐压6.3V 025—插件铝电解电容耐压10V 026—插件铝电解电容耐压16V 027—插件铝电解电容耐压25V 028—插件铝电解电容耐压35V 029—插件铝电解电容耐压50V 030—插件铝电解电容耐压63V 031—插件铝电解电容耐压100V032—插件铝电解电容耐压200V033—插件铝电解电容耐压250V034—插件铝电解电容耐压400V035—插件铝电解电容耐压1000V或更大036—不属以上电解电容〈待定〉037—安规电容038—可调、可变电容039—涤纶、独石陶瓷电容040—不属以上电容〈待定〉041—贴片电感、贴片磁珠(有确定值的)042—插件电感、插件磁珠(有确定值的)043—插件线圈、EMI 静噪滤波器、插件可调电感等044—贴片二极管(贴片的发光、稳压、发射等所有贴片二极管)045—插件二极管(插件的发光、稳压、发射等所有插件二极管)046—贴片三极管047—插件三极管048—IC类〈遥控接收头、MOS管等集成块〉049—晶振(晶体)050—VFD屏,LCD屏,五、七寸屏、背光源051—贴片排插、插座052—插式排插、插座053—所有开关、编码器054—变压器、中频变压器(中周)055—高频头〈TV、收音〉056—保险丝,跳线057—待定058—待定059—PCB光板060—待定061—机芯光头,机芯架,机芯组件062—喇叭,风扇、天线等063—-------------五、电子料(0类)中电阻类物料的编码规则大类电子料小类(电阻类) 阻值大小同类同值而不同其它属性的(0类)区分码①、第五至第七位为有效值数字,不够位数的前面加“0”补充,第八位为指数幂,所以第五、六、七、八位决定电阻阻值大小,单位为“Ω”,而第九位、第十位为同类同值而不同其它属性的区分码〈可从00∽99数字中排序表示〉。
X X X X电器集团编码原则指导说明书Zhejiang kingdee 客户服务部二ОО二年三月编码原则说明:以物料的编码为主线讲解编码的原则,但所讲编码原则同样适用于K3系统的客户编码、供应商编码、职员编码、部门编码、单位编码、仓库编码、各种类别编码和其他需要编码的任何项目等。
第一节物料编码的意义物料编码是以简短的文字、符号或数字、号码来代表物料、品名、规格或类别及其他有关事项的一种管理工具。
在物料极为单纯、物料种类极少的工厂或许有没有物料编码都无关紧要,但在物料多到数百种或数千、数万种以上的工厂,物料编码就显得格外重要了。
此时,物料的领发、验收,请购、跟催、盘点、储存等工作极为频繁,而藉着物料编码,使各部门提高效率,各种物料资料传递迅速、意见沟通更加容易。
物料编码之功能如下:➢增强物料资料的正确性物料的领发、验收、请购、跟催、盘点、储存、记录等一切物料之活动均有物料编码可以查核,因此物料数据更加正确。
至于一物多名,一名多物或物名错乱之现象不致于发生。
➢提高物料管理的工作效率物料既有系统的排列,以物料编码代替文字的记述,物料管理简便省事,效率因此提高。
➢利于电脑的管理物料管理在物料编码推行彻底之后,方能进一步利用电脑作更有效的处理,以达到物料管理之效果。
➢降低物料库存、降低成本物料编码利于物料库存量的控制,同时利于呆料的防止,并提高物料管理工作的效率,因此可减轻资金的积压,降低成本。
➢防止物料舞弊事件之发生物料一经编码后,物料记录正确而迅速,物料储存井然有序,可以减少舞弊事件之发生。
➢便于物料之领用库存物料均有正确的统一的名称及规格予以编码。
对用料部门的领用以及物料仓库的发料都十分方便。
第二节物料编码的原则物料编码必须合乎物料编码的原则,合理的物料编码,必须具备下列基本原则:●简单性●分类展开性●完整性●单一性●一贯性●可伸缩性●组织性●适应电脑管理●充足性●易记性一、简单性编码的目的在于将物料化繁为简,便于物料的管理,如果编码过于繁杂,则违反了编码之目的。