编码系统使用说明书6363
- 格式:doc
- 大小:1.42 MB
- 文档页数:10
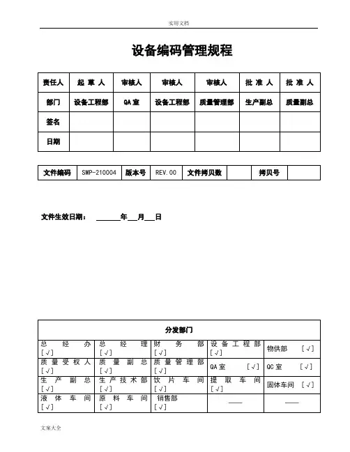
设备编码管理规程文件生效日期:年月日1. 目的建立规范的设备分类编码标准,使设备分类编码有据可依,规范统一。
2.适用范围本规程适用于本公司内用于办公、生产、公共系统及检验相关设备的分类和编号。
3.责任设备工程部:负责组织本规程的起草、审核、修订、培训、执行及监督工作。
文件管理员:负责本文件的保存、归档、复制、分发、变更、回收及销毁QA室主管:负责本文件的审核工作。
生产技术部经理和质量管理部经理:负责本规程的审核工作。
生产副总和质量副总:负责本规程的批准工作。
设备工程部人员:负责本规程的执行。
QA人员:负责监督本规程的执行。
4. 内容4.1编码原则4.1.1 设备的分类是设备管理的基础工作。
统计、分析设备的构成情况和性能,可以更好地实行分级管理和重点维修。
4.1.2设备编码作为设备的唯一性,一经确定,不得更改。
一旦该设备报废、变卖和转出,该编号也随之作废。
4.1.3设备编码主要体现设备所在部门(车间)、车间的房间号、设备类型编号和同型号设备的序号。
4.1.4设备编码必须与设备一一对应。
设备编码由设备工程部统一编定,任何人不得擅自修改。
使用部门负责对本部门设备的标签进行核对、管理,发现标签脱落应及时通知设备工程部,以保证设备编号与设备的唯一对应。
4.2编号方式4.2.1设备编号是由四部分共十三位数字组成,第一部为设备使用部门(车间)代码,第二部分为设备所在车间的房间编号,第三部分为设备分类代码,第四部分为同类设备的数量。
其所带表的含义如下:4.2.1.1第一部分为设备使用部门(车间)代码,以两位阿拉伯数字表示,详见附件1:设备使用部门(车间)代码一览表。
4.2.1.2第二部分为车间房间编号,以三位阿拉伯数字表示。
(整个车间房间编号,不重复)详见车间房间编号图。
4.2.1.3第三部为设备分类代码,以六位阿拉伯数字表示。
详见附件2:医药工业设备分类编号表。
4.2.1.4第四部分为同类设备的数量,以两位阿拉伯数字表示,如01、02……依此累加不重复。
编码对讲系统使用说明书(拉铝I、II型/不锈钢)一.功能特点1.1 键盘夜光显示;1.2 振铃音由单片机产生,悦耳动听;1.3 可由键盘操作完成菜单里的各种选项;1.4 具有可视对讲和开锁功能;1.5 可视系统可配接不可视分机;1.6 配有红外线发光二极管,使其在夜间图像清晰;1.7可与小区管理中心实现视频语音联网,当门口主机呼叫管理中心,管理中心在通话状态下具有开锁功能;1.8 具有一户一密码开锁功能;1.9具有刷卡开锁功能,刷卡开锁信息可在电脑管理软件上记录(卡号、时间)和显示;1.10感应卡的注册/注销方式可在主机上操作或在电脑管理软件上设置操作;(电脑设置须配发卡器)1.11通过信号隔离器可配接400多台分机;1.12可查询软件版本号。
二.技术参数摄像头:1/3″CCD镜头:F=2(手动调焦)、92度可视角分辨率:420TV线最低照度:0.01LUX视频输出:1V P-P/75Ω显示:4位LED通话时限:75秒音频信噪比:≥50dB音频失真:≤5%开锁密码:1~6位数字卡的类型:非接触式感应卡存卡容量:15张/户读卡距离:3~6cm功耗:静态≤110mA动态≤350mA工作电压:DC12V±10%工作温度:-40℃~+70℃三.安装说明3.1系统配置该系统分为联网对讲系统和不联网对讲系统,两种系统配制如下(可根据实际工程要求选用配置):3.1.1联网对讲系统组成分类 型号名称说明JB-2000IIB 编码联网主机 非可视门口主机 JB-2000ML 编码可视联网主机 黑白可视门口主机 JB-2000IIBG 编码联网刷卡主机 非可视带门禁门口主机 门 口 主 机JB-2000MGL编码可视联网刷卡主机 黑白可视带门禁门口主机 JB-2002II 编码联网分机 非可视室内分机 室内分机 JB-2002V 编码可视分机黑白可视室内分机JB-2701KD 开关电源12V 60W 、带UPS 电 源 JB-2702KD 开关电源18V 80W 、不带UPS JB-2400 小区管理机 非可视管理中心机 JB-2400V 小区可视管理机 黑白可视管理中心机 管 理 机JB-2400F 小区副管理机 出入口管理机 JB-2400IIF社区围墙主机 非可视围墙门口主机 JB-2400IIMF社区围墙可视主机 黑白可视门口主机 JB-2400IIGF社区围墙刷卡主机 非可视带门禁围墙门口主机 围墙门口主机JB-2400IIMGF 社区围墙可视刷卡主机黑白可视带门禁门口主机JB-2000IIG-1/4 编码隔离器 DC12V 供电 JB-2401F联网信号放大器 八路信号输入 JB-2001SZ-2 视频切换器主机控制JB-2001S-2/9视频切换器 12V 供电,视频信号控制其 它JB-2000F-3/5/9/13 视频分配放大器 18V 供电注:门口主机在型号后面加“C ”即为彩色门口主机;室内分机在型号后面加“C ”即为彩色可视分机。
新代主磁式外挂式编码器操作手册匯出日期:2023-05-10修改日期:2021-12-23••••••••••••新代主磁式外挂式编码器规格订购说明环境规格电气规格机械规格PIN 脚定义尺寸说明新代主磁式外挂式编码器安装说明新代主磁式外挂式编码器使用方法适用版本调机流程驱动器参数设定1 新代主磁式外挂式编码器规格1.1 订购说明项目品号品名规格备注1S08-HTE-00-02-00主磁式 外挂式 编码器串列_旋转_绝对式2W01-AM-M-EN6-*M AM3~48 编码器线带军规接头外挂编码器配套线材1.2 环境规格项目内容工作环境温度0~40℃外部干扰磁场+-2mT(20G) 1.3 电气规格项目内容电源电压VCC DC4.5~5.5V 外部电池电压BAT DC2.4~5.5V 电源电压VCC消费电流160mA外部电池BAT消费电流10uA分辨率17Bit绝对精度+-0.03°最大旋转速度6000rpm项目内容最大角角速度8000rad/s输出形态串行1.4 机械规格项目内容允许负载最大转矩 3.8N允许径向载荷小于196N允许轴向载荷小于78N抗震等级V15(JEC2121)防护等级ip671.5 PIN脚定义PIN定义备注1 PIN Data+2 PIN Data-3 PIN--4 PIN5V5 PIN Bat-不用多圈绝对功能,可不接6 PIN Bat+不用多圈绝对功能,可不接7 PIN--PIN定义备注8 PIN--9 PIN0V10 PIN PG军规接头脚位定义正面1.6 尺寸说明2 新代主磁式外挂式编码器安装说明机构安装图1.2.3.安装注意事项将编码器整体装入工作台上(沿径向方向),保证编码器法兰前盖与工作台平面贴合,正常装配时编码器可顺畅穿入,编码器运行时有抖动要检查法兰前盖与工作台是否挤压伤和毛刺装入过程中不能敲击。
使用对应内六角扭力扳手与预锁紧单边M5组合螺钉,再将对角M5组合螺钉预锁紧,同时预锁紧另外两个M5组合螺钉,然后依次用8~10 kgf.cm 扭力锁紧4角螺钉1.2.3 新代主磁式外挂式编码器使用方法3.1 适用版本3.2调机流程设定参数正常运转3.3 驱动器参数设定参数名称参数号码设定参数范围第二编码器通讯界面形态PN-920220~132第二编码器分辨率PN-9221310721~9999999第二编码器增量/绝对形态PN-92420-2注意项目驱动器控制器分析工具版本2.12.6(含)以上118.12(含)以上 2.1.5(含)以上118.12以前2.0.8(含)以上控制器对应分析工具版本看版参考:平台版本说明与下载注意正确设定以下参数 (请根据编码器设置,对照第一/第二编码器参数号码设定)设定完後,请重新上下电後,再进行测试4 SYNTEC Outer-type Encoder Installation InstructionsMechanism Installation Figure1.2.3.Installation PrecautionsInstall the encoder on the workbench (in the radial direction) to ensure that the front cover of the encoder fits in the workbench. The encoder can install smoothly during general assembly, and the front cover should be checked if there is jitter when the encoder is running. Whether the front cover and the workbench are squeezed or have burrs occurred.Do not hit the encoder during the installation process.Use the corresponding hexagon key and pre-locked single-sided M5 combination screw. Then lock the diagonal M5 combination screw, locked the other two M5 combination screws, and then lock the 4 corner screw with 8~10 kgf.cm torque.1.2.5 SYNTEC Outer-type Encoder Instructions5.1 Applicable Version5.2Tuning Stepsparameter settings normal operation5.3 Driver Parameter SettingsParameter nameparameter No.setting value range 2nd Encoder Communication TypePN-920220~1322nd Encoder Resolution PN-9221310721~99999992nd Encoder TypePN-92420-2Precautionsitem drivercontrolleranalysis toolsversion2.12.6 (inclusive) and after118.12 (inclusive) and after 2.1.5 (inclusive) and afterbefore 118.122.0.8 (inclusive) and afterFor the details of controller corresponding analysis tool version, please refer to: Version Description and DownloadPrecautionsCorrectly set the following parameters (please set according to the encoder settings, refer to the first/second encoder parameter number)After setting, turn the power off and on before testing.6 SYNTEC Outer-type Encoder Specifications6.1 Order Instructionsitem product number product name specification note 1S08-HTE-00-02-00magnetic outer-typeencoderserial, rotary, absolute2W01-AM-M-EN6-*M AM3~48 encoder withmilitary connectorwith wire matched withencoder6.2 Environment Specificationsitem specification temperature0~40℃external interfering magnetic field+-2mT(20G)6.3 Electrical Specificationsitem specification power voltage VCC DC4.5~5.5V external battery voltage BAT DC2.4~5.5V power voltage VCC consumption current160mA external battery BAT consumption current10uA resolution17Bit absolute accuracy+-0.03°maximum rotation speed6000rpmitem specificationmaximum angular velocity8000rad/soutput type serial6.4 Mechanical Specificationsitem specificationmaximum allowable torque ratio 3.8Nallowable radial load smaller than 196Nallowable axial load smaller than 78Nanti-vibration level V15(JEC2121)protection level ip676.5 PIN DefinitionsPIN definition note1 PIN Data+2 PIN Data-3 PIN--4 PIN5V5 PIN Bat-If you won't use multi-turn absolute function, you don'thave to connect it.6 PIN Bat+If you won't use multi-turn absolute function, you don'thave to connect it.PIN definition note7 PIN--8 PIN--9 PIN0V10 PIN PGMilitary specification connector pin definitionfront6.6 Size Descriptions1.2.7 主磁式外挂式编码器使用方法7.1 适用版本7.2调机流程设定参数正常运转7.3 驱动器参数设定参数名称参数号码设定参数范围第二编码器通讯界面形态PN-920220~132第二编码器分辨率PN-9221310721~9999999第二编码器增量/绝对形态PN-92420-2注意项目驱动器控制器分析工具版本2.12.6(含)以上118.12(含)以上 2.1.5(含)以上118.12以前2.0.8(含)以上控制器对应分析工具版本看版参考:平台版本说明与下载注意正确设定以下参数 (请根据编码器设置,对照第一/第二编码器参数号码设定)设定完後,请重新上下电後,再进行测试8 新代主磁式外挂式编码器安装说明机构安装图1.2.3.安装注意事项将编码器整体装入工作台上(沿径向方向),保证编码器法兰前盖与工作台平面贴合,正常装配时编码器可顺畅穿入,编码器运行时有抖动要检查法兰前盖与工作台是否挤压伤和毛刺装入过程中不能敲击。
BOM编码作业指导书一、任务背景BOM(Bill of Materials)编码是一种用于管理产品组成和部件清单的编码系统。
它是制造业中非常重要的一项工作,可以帮助企业准确记录和跟踪产品的组成结构,以及管理供应链和生产流程。
本文将为您提供一份BOM编码作业指导书,以帮助您了解并正确执行BOM编码的相关任务。
二、任务目标本次任务的目标是为产品的每个组成部分分配唯一的BOM编码,并建立相应的BOM清单。
具体要求如下:1. 为每个组成部分分配唯一的BOM编码,以便于标识和追踪。
2. 根据产品的组成结构,建立BOM清单,记录每个组成部分的名称、数量、规格等信息。
3. 确保BOM编码和BOM清单的准确性,避免错误和重复。
三、任务步骤1. 确定产品的组成结构首先,您需要仔细分析产品的组成结构,确定每个组成部分的层级关系。
例如,产品A由部件A1、A2和A3组成,部件A1又由部件A11和A12组成。
这样,您就可以建立起产品A的BOM结构。
2. 为每个组成部分分配BOM编码根据产品的组成结构,为每个组成部分分配唯一的BOM编码。
可以使用数字、字母或组合来表示编码,但需要保证唯一性。
例如,部件A1可以分配编码A1,部件A11可以分配编码A11。
3. 建立BOM清单根据产品的组成结构和每个组成部分的BOM编码,建立BOM清单。
清单中应包括每个组成部分的名称、数量、规格等信息。
例如,产品A的BOM清单如下:- 部件A1:1个- 部件A11:2个- 部件A12:1个- 部件A2:3个- 部件A3:2个4. 验证和校对BOM编码和BOM清单在建立BOM编码和BOM清单后,需要进行验证和校对,确保其准确性。
您可以通过与产品实际组装情况进行比对,或者与相关部门和供应商进行确认。
如果发现错误或重复,及时进行修正和调整。
四、任务注意事项1. 确保BOM编码的唯一性,避免重复。
可以建立一个编码规则和命名约定,以帮助统一和管理。
2. 在建立BOM清单时,确保每个组成部分的名称、数量、规格等信息准确无误。
编码器使用说明光电编码器基础1.1 概述光电编码器是一种集光、机、电为一体的数字化检测装置,它具有分辨率高、精度高、结构简单、体积小、使用可靠、易于维护、性价比高等优点。
近10几年来,发展为一种成熟的多规格、高性能的系列工业化产品,在数控机床、机器人、雷达、光电经纬仪、地面指挥仪、高精度闭环调速系统、伺服系统等诸多领域中得到了广泛的应用。
光电编码器可以定义为:一种通过光电转换,将输至轴上的机械、几何位移量转换成脉冲或数字量的传感器,它主要用于速度或位置(角度)的检测。
典型的光电编码器由码盘(Disk)、检测光栅(Mask)、光电转换电路(包括光源、光敏器件、信号转换电路)、机械部件等组成。
一般来说,根据光电编码器产生脉冲的方式不同,可以分为增量式、绝对式以及复合式三大类。
按编码器运动部件的运动方式来分,可以分为旋转式和直线式两种。
由于直线式运动可以借助机械连接转变为旋转式运动,反之亦然。
因此,只有在那些结构形式和运动方式都有利于使用直线式光电编码器的场合才予使用。
旋转式光电编码器容易做成全封闭型式,易于实现小型化,传感长度较长,具有较长的环境适用能力,因而在实际工业生产中得到广泛的应用,在本书中主要针对旋转式光电编码器,如不特别说明,所提到的光电编码器则指旋转式光电编码器。
1.2 增量式光电编码器1.2.1 原理及其结构增量式光电编码器的特点是每产生一个输出脉冲信号就对应于一个增量位移,但是不能通过输出脉冲区别出在哪个位置上的增量。
它能够产生与位移增量等值的脉冲信号,其作用是提供一种对连续位移量离散化或增量化以及位移变化(速度)的传感方法,它是相对于某个基准点的相对位置增量,不能够直接检测出轴的绝对位置信息。
一般来说,增量式光电编码器输出A、B两相互差电度角的脉冲信号(即所谓的两组正交输出信号),从而可方便地判断出旋转方向。
同时还有用作参考零位的Z相标志(指示)脉冲信号,码盘每旋转一周,只发出一个标志信号。
目录1.引言 (2)1.1.编写目的 (2)1.2.背景说明 (2)2.任务概述 (2)2.1.目标 (2)2.2.用户特点 (2)3.需求规定 (3)3.1.对功能的规定 (3)3.1.1. 产品编码方案规定 (4)3.1.2. 零部件编码方案规定 (6)3.1.3. 物料编码方案规定 (7)3.2.对性能的规定 (8)4.运行环境规定 (9)4.1.设备 (9)4.2.运行环境 (9)5.需求说明 (10)5.1.用例分析 (10)5.2.功能描述 (11)5.2.1. 用户登录 (11)5.2.2. 用户注册及信息维护 (11)5.2.3. 产品编码自动生成及维护 (12)5.2.4. 产品编码信息查询 (12)5.2.5. 零部件编码自动生成及维护 (12)5.2.6. 零部件编码信息查询 (13)5.2.7. 物料编码自动生成及维护 (13)5.2.8. 物料编码信息查询 (14)5.2.9. 产品BOM自动生成及维护 (14)5.2.10. 产品BOM信息查询 (15)5.2.11. 产品图纸维护和查看 (15)5.2.12. 产品及零部件库存信息查询 (15)6.约定和说明 (16)6.1.零件、部件编码方案进行统一 (16)6.2.原有电桥平台分为两类,立式电桥、卧式电桥....................... 错误!未定义书签。
6.3.原材料编码方案去除供应商信息 (16)6.4.产品、零部件编码方案去除客户及供应商信息 (16)6.5.编码信息的修改和删除 (17)产品编码需求规格说明书1.引言1.1.编写目的本需求规格说明书是对产品编码管理信息系统调研的总结,并从用户角度对产品编码管理信息系统做出完整准确的定义,是产品编码管理信息系统设计及验收的依据。
1.2.背景说明项目名称:产品编码管理信息系统项目与其他系统的关系:产品编码管理信息系统为公司生产部门、管理部门提供规范化、统一化、唯一化的产品编码、零部件编码、物料编码及产品BOM 信息,是公司信息管理平台正常运行的基础和前提。
零件编码系统设计说明书----Xxxxxxxxxzxzxz 0 引言在计算机辅助工艺过程设计.. (ComputerAided ProcesssPlanning,简称CAPP)系统中,零件信息描述的准确性、科学性和全面性将直接影响所设计工艺文件的质量和可靠性。
先进的CAPP系统,应该是在零件的信息输入以后,由计算机自动地输出完态、准确及符合要求的工艺文件。
这其中,零件信息的描述与输入是CAPP系统运行的基础和依据。
因此,零件信息的描述与输入,是进行计算机辅助工艺过程设计的第一步,是研制和开发CAPP首先要解决的问题。
但是,这也是开发.. CAPP系统的一个难点,在很大程度上制约了CAPP的发展。
由于计算机集成制造系统(CIMS-computer integrated manufacturing system)的出现,计算机辅助工艺规划上与计算机辅助设计 (CAD-computer aided design)相接,下与计算机辅助制造(CAM-computer aided manufacturing)相连,是连接设计与制造之间的桥梁,设计信息只能通过工艺设计才能生成制造信息,设计只能通过工艺设计才能与制造实现功能和信息的集成。
由此可见CAPP在实现生产自动化中的重要地位。
1、系统设计1.1 CAPP系统设计步骤1、设计方法(1)从上向下:从抽象到具体,即从用户需求到系统设计;(2)从外向内:先设计人机界面及输出与接口,然后再设计系统内部程序结构。
2、设计步骤(1)需求分析:确定系统的设计目标,包括系统类型,工艺生成方式,工艺类型,集成方法,功能要求及其他特殊要求。
(2)工艺设计标准化:一般由用户完成,并整理成文档。
(3)总体设计设计流程图如图1:图1、CAPP系统开发的各阶段3,系统结构设计:B/S、C/S或单机版;C/S结构,即Client/Server(客户机/服务器)结构,是大家熟知的软件系统体系结构,通过将任务合理分配到Client端和Server端,降低了系统的通讯开销,可以充分利用两端硬件环境的优势。
编码可视分机使用说明书(6363)1.功能特点1.1采用跳线剪号方式来编码; 1.2具有可视对讲和开锁功能; 1.3具有向管理中心求助功能;1.4具有监视功能,可实现单户监视;(须订做) 1.5具有二次门铃功能;(须订做) 1.6可并1台同一号码分机。
(须订做)2. 技术指标显示屏:4〞黑白(CRT)扫描频率:15625H Z 50H Z 视频输入:1V P-P /75Ω 分辨率:400TV 线 音频信噪比:≥50dB 音频失真:≤5%工作电流:静态≤32mA 动态≤450mA 工作温度:-10℃~+55℃3.安装说明3.1分机与主机、隔离器接线说明注:采用JB-2702KD 开关电源18V 为分机视频供电,如CRT 为国产管,则15台分机配接 1台电源;如CRT 为索尼管,则20~25台分机配接1台电源;3.2编号说明分机编码方式采用剪断跳线来实现相应分机号码(不剪为0),由12根跳线组成,具体如下图(以H6L6为例):室内分机门口主机 (七芯插座) 隔离器(1~4路)红12V 红 红(12V-OUT )白RXD 白 黑(RX-OUT ) 黑TXD 黑 白(TX-IN ) 绿GND 绿 绿(GND ) 蓝ALM 蓝 蓝(ALM-IN ) 黄V+ 黄 棕V- 棕 橙STATE 并机信号线紫CTRL 单户监视信号线分机⊙:内正外负,接电源18V说明:第一、二位:由H1、H2、H4、H8、H16、H32六根跳线组成,分别代表1、2、4、8、 16、32数字,利用相加可编00~63任何数。
第三、四位:由L1、L2、L4、L8、L16 、L32六根跳线组成,分别代表1、2、4、8、 16、32数字,利用相加可编00~63任何数。
通常第一、二位代表楼层,第三、四位代表房间座号,这种编码方式最多可编63层, 每层63户,最大编码为6363。
其它编码方式参照《编码对讲系统使用说明书》。
4.使用说明4.1主机呼叫分机在主机键盘拨住户分机号即可呼叫分机,分机振铃后拿起手柄即可对讲,在对讲期间可按下开锁键开锁。
1、SCOMPThis pin is a placeholder for potential future functionality. This pin can be left floating.该引脚是一个占位符,未来潜在功能。
该引脚可以悬空2、PGOODPower-good open-drain output indicating when VR1 is able to supply a regulated voltage. Pull-up externally with a 680Ω resistor to +5V or 1kΩ to +3.3V.电源良好开漏输出指示时,VR1能够提供一个稳定的电压。
拉外部与一个680Ω电阻到+5 V或1kΩ到+3.3 V。
3、VCC+5V bias supply pin. Connect a high quality 0.1µF capacitor from this pin to GND and place it as close to the pin as possible.A small resistor (2.2Ω for exampl e) between the +5V supply and the decoupling capacitor is recommended.+5 V偏置电源引脚。
从这个引脚连接一个高品质的0.1μF电容到GND并把它作为接近尽可能引脚。
一个小电阻(2.2Ω为例)的+5 V电源和去耦电容之间建议。
4, 5、ISUMP, ISUMNVR1 current sense input pins for current monitoring, droop current and overcurrent detection.VR1电流检测输入引脚电流监控,下垂电流和过流检测。
6、ISEN1VR1 phase 1 current sense input pin for phase current balancing.VR1相1电流检测输入引脚相电流平衡。
编码对讲系统调试与维护一、编码主机接线柱功能JP1插件:(V-)为视频信号;(V+)为视频地;(蓝)为报警信号(包括监视及报警信号);(绿)为信号地;(黑)为信号接收(包括选通信号、摘挂机信号、音频信号及开锁信号);(白)为信号发送(包括音频信号及编码信号);(红)为电源输出。
JP2插件:(12V-)为电源负;(12V+)为电源正;(L-)为电锁负;(L+)为电锁正。
编码非可视分机:(黑)为电源输入(红)为信号接收(包括选通信号、摘挂机信号、音频信号及开锁信号);(黄)为信号发送(包括音频信号及编码信号);(绿)为信号地;(蓝)为联网报警信号;编码可视分机:(红)为电源输入(白)为信号接收(包括选通信号、摘挂机信号、音频信号及开锁信号);(黑)为信号发送(包括音频信号及编码信号);(绿)为信号地;(蓝)为报警信号(V+)为视频信号;(V-)为视频地。
二、分机剪码方式(采用H6L6编码方式)分机号码是采用剪断编码跳线来实现相应分机号码的编号,跳线不剪为0。
分机跳线如下图:H32——32H16——16 楼层H8 ——8H4 ——4H2 ——2H1 ——1L32——32L16——16 房间号L8 ——8L4 ——4L2 ——2L1 ——1例如:302 房间,就剪断H2 H1 L2 ..三、系统工作方式1、系统所拨号码与系统中某台分机编码相同,则此台分机被选通并发出振铃音(即使未挂机也可振铃,此时可按一下摘挂机开关就可实现摘机,分机图像自动打开。
同时门口机自行产生回铃音,此台分机摘机后即可与门口机通话,通话时该分机可按下开锁按键,门口机接收到此信号后发出开锁指令——打开电锁,分机挂机后图像自动关闭。
75秒后若通话仍未结束,门口机将强行切断。
2、分机按下报警键,管理中心接收到报警信号后摘机发出指令由门口机选通分机,同时管理机自行产生回铃音,分机振铃后摘机即可与管理中心通话。
3、门口机所拨号码与系统中任何一台分机编码均不相同,则门口机将显示E r r并发出五声嘟嘟音,然后消失返回初始工作状态。
用户使用手册1. 系统概述该系统采用三层体系的C/S结构,客户端通过中间组件来调用底层的数据库连接组件,实现对数据库的及时操作:数据的查询、数据的插入、删除以及更新的操作。
编码人员或设计人员可以通过两种方式来申请编码:导航式生成编码和手动输入生成编码。
申请后的编码必须要经过编码管理人员的审核,如果该编码符合定义的编码规则并且相关的属性完整的话,该编码就通过审核等待发布;如果没有通过审核的话,编码管理人员可以返回该编码给申请人并说明原因或者直接删除该编码;设计人员可以对返回的编码针对具体的原因进行修改或者删除。
同时提供了编码的查询功能,包括:编码的综合查询、原始编码与发布后的编码对照查询以及编码属性项的查询。
2. 角色功能该系统提供了三种角色的使用权限:a. 编码管理人员编码管理人员权限最大,不仅可以申请编码,同时还可以对所有申请的编码进行审核、发布、删除以及废止,对于没有通过的审核的编码有权返回该编码给申请人员,修改后再申请。
b. 设计人员设计人员只有申请编码的权限,在生成编码没有提交之前可以对编码进行修改,一旦提交后就不能对编码进行修改操作了。
设计人员只能申请分配给他们的规则的编码,不能对编码进行审核和发布,可以删除返回的编码,对返回的编码还可以修改属性或重新申请一个新的编码,可以查询所有的已经发布的编码以及原始编码与发布编码的对照表,可以通过属性来查询所需要的编码。
c.一般人员一般人员只有查询编码的权限,而且只能看到已经发布后的编码,不能修改编码的属性和删除编码。
3. 系统安装和初始化2.1 系统运行环境2.2 系统安装<1> 硬件安装<2> 软件安装2.3 系统启动和自动检测2.4 初始数据库的建立4 系统功能系统的主界面如下:该系统提供的功能有:1. 系统管理:a) 修改口令b) 重新登录c) 供应商管理d) 供应商查询e) 阅读消息d) 退出系统2. 编码申请:a) 导航生成编码b) 手动生成编码3. 编码编辑4. 编码审核5. 编码查询6. 编码属性查询4.1系统管理4.1.1修改口令:用户可以通过该功能对自己登录的密码进行修改。
注意:*本说明书仅供常州机床总厂设计,生产的TH6363A/1和TH6363B(SINUMERIK 810D)加工中心操作,维修之用.*本说明书适用于SINUMERIK 810D数控系统,伺服驱动为SIMODRIVE 611D.*本说明书只适用于MMC100.2操作部件.*请机床用户及有关操作人员,维修人员在仔细阅读此说明书后方可对机床进行操作及维修,任何误操作都可能损坏机床.*机床数控系统里的所有NC参数(通道参数,普通参数,轴参数,FDD,MSD等)都决定了本机床的动作和性能,用户不能随意更改和删除。
不允许借助口令进入DOS,WINDOWS操作,以防损坏系统.*数控系统里的PLC程序不能删除和更改.*NCK电位器S3,S4不能随意拨动.*对于说明书上内容有不解之处,请与常州机床总厂联系.一.开机前准备二.机床操作面板及按钮说明1.SINUMERIK 810D扁平操作面板OP031 2.机床控制面板MCP1及用户自定义键说明3.外部操作面板MCP2说明4.电柜侧门开关说明三.操作步骤1.开机2.机床回参考点3.手动操作3.1 手动连续进给3.2 手动增量进给3.3 手动主轴运转3.4 冷却控制3.5 排屑控制3.6第四轴控制3.7 手持单元的操作3.8 轴超极限的解除4.程序中断后的重新定位5.MDA 操作6.示教方式6.1手动定位6.2手动输入7.程序的编辑和管理7.1打开﹑关闭一个程序7.2建立一个新程序7.3程序的复制7.4 程序的删除7.5 程序的改名7.6 程序的编辑﹑修改生效 7.7 程序的调用8.加工准备8.1输入刀具偏置值8.2 计算刀具偏置值8.3 输入/改变零点偏置值8.4 确定/计算零点偏置值8.5 编制设定数据9.自动方式9.1显示程序嵌套级9.2 程序修正9.3 程序段搜索9.4 定义搜索目标9.5 程序覆盖存储9.6 程序控制9.7 启动/停止/取消程序的运行 10.换刀操作说明10.1 与换刀有关的参数及M功能 10.2 建立刀具表10.3 装刀(Load)10.4 卸刀(Unload)10.5 换刀前准备10.6 换刀动作过程10.7 换刀动作子程序10.8 主轴清空刀具10.9 换刀中断的处理10.10 超大刀的处理方式四.机床电气控制系统的组成五.电气控制系统各部分功能简介1.S IEMENS 数控系统2.S IEMENS 变频系统3.伺服电机4.主轴电机5.冷却装置6.排屑装置7.污水箱过滤装置8.润滑装置9.其它电器元件六.维修1.维修的一般注意事项2.机床故障排除3.机床轴超极限解除4.硬件的更换5.电池的更换七.机床部分专用M功能表八.部分电器元件清单一.开机前准备为了保证机床安全可靠地运行,减少故障,在开机前,特别是第一次用户开机,必须检查下面各项:1.检查进线电源要求;380V±5%.50HZ 测量点:L1﹑L2﹑L32.检查电源相序要求:净水(冷却)箱电机正转污水箱电机正转主轴风机正转(风向为离开主轴端)排屑电机转向符合要求注:出厂前已将机床内部各部分连接正确,如进线相序不对,只要将进线L1.L2.L3任意两相对调即可.3.检查冷却装置是否加满规定的冷却液.4.检查空气压力、液压压力是否已达到要求.5.检查全部机床可动部分是否处于可正常工作状态.6.检查工作台是否有越位,超极限状态.7.检查电箱内所有电气元件,导线是否紧固.8.检查外部操作面板及手持单元上紧停按钮是否已复位.9.检查机床接地线是否已和车间地线可靠连接.10.检查润滑站内是否加满润滑油.11.建议:1).进线保险丝容量:100A2).进线线径:L1﹑L2﹑L3≥10mm2. PE≥10mm2二.机床操作面板及按钮说明1.SINUMERIK 810D扁平操作面板OP031详见随机SINUMERIK840D/810D/FM-NC OPERATOR'S GUIDE .2.机床控制面板MCP1及用户自定义键说明,见图1.在机床控制面板MCP1上,有15个用户自定义键,其定义如下:倒刀&回刀:在"JOG"方式下手动控制刀库上当前刀的翻转和回退.刀具松开&刀具夹紧:手动控制刀具夹紧和松开.按"刀具松开"键时,刀具会脱离主轴,此时应注意刀具砸坏工作台面.排屑工作&排屑反转:手动控制排屑装置的工作.手持单元生效:在"JOG"方式下按此键可以使用随机所带的手持单元.手轮生效: 手持单元生效后, 按此键可以使用手持单元的手摇脉冲发生器.照明:控制机床照明灯开、关.润滑点动:按此键,导轨润滑站和油雾润滑站工作,直至润滑压力发讯.回转台抬起&回转台落下:在"JOG"方式下手动控制第四轴(A轴)的抬起和落下.刀库正转&刀库反转: 在"JOG"方式下控制刀库的正反转. 此键仅用于维修调试.轴禁止取消:特殊功能键.Y轴和Z轴有一段相互干涉的区域,对此机床在Y轴行程上设置一个Z轴禁止开关,在Z轴行程上设置一个Y轴禁止开关.如果两个开关都被压上,表明已进入干涉区域,此时Y和Z轴被禁止运动.按住此键,可以取消禁止,然后使Y和Z轴退出干涉区域.图1.MCP1上用户自定义键3.外部操作面板MCP2说明此操作面板是常州机床总厂设计3.1 外部操作面板MCP2示意图见图23.2 外部操作面板MCP2上控制部件说明机床启动:外部电源接通后,按此按钮,MMC100﹑MCP1电源接通.机床停止:按此按钮,MMC100,MCP电源关闭,如需关闭整个机床电源,则按此按钮后,再将总电源开关关闭即可.Y轴制动器开、关:Y轴制动器的接通与关闭.此功能仅用于维修,如操作不当会使机床损坏.进给保持按钮:按此按钮,轴和主轴停止,程序停止运行.松开此按钮,按循环启动按钮可继续执行程序.此按钮相当于MCP1上键.循环启动按钮:按此按钮,在AUTO方式可启动一个当前程序.在MDA方式可执行此方式下输入的指令.此按钮相当于MCP1上键.超程解除按钮:机床轴超极限解除.如机床因某种原因工作台超出行程极限(急停极限),使机床无法使用,这时先按此按钮不放,然后按MCP上键,使急停报警消除,再在JOG方式使工作台退出极限区,此时方可松开此按钮.在机床正常工作时不允许按此按钮.冷却控制旋钮:手动控制冷却装置工作的旋钮.图2. 外部操作面板MCP25.电柜侧面开关说明(见图4)图4.电柜侧面开关示意图QS1:电源总开关.“0”位置:电源关闭.“1”位置:电源打开.SA2:电柜门解锁开关.本机床电柜门开,MMC103和MCP电源被切断,机床停止工作.为维修方便,特设此开关作为解除门开关用.三.操作步骤1.开机----已完成开机前的准备工作.-----合上机床电源总开关.此时 a.电柜里空气调节器工作.b.电柜里NCK上红灯亮,PLC上电源指示灯亮.c.主轴风机转.-----当NCK上的7段数显的数字跳到“6”时,按外部操作面板2上“MACHINE ON”按钮.-----在MCP1上选择a.操作方式b.进给倍率0%c.主轴倍率50%d.程序单段-----待LCD上出现正常页面后,复位“紧停按钮”.-----按MCP1上键二次,消除开机时产生的报警信息.至此完成开机步骤.2.机床回参考点每次开机必须首先执行回参考点再进行其它操作!1).主轴回参考点a).按LCD上功能软键:选择“机床”操作区域.b).按MCP1上键:选择“JOG”工作方式.c).按MCP1上和键:选择“SP START”和“FEED START”.d).按MCP1上键:选择主轴(SP).e).按MCP1上或键:使主轴转过一个角度(超过360°).f).完成主轴转动后再按MCP1上键:选择“回参考点方式.-----此时即完成主轴回参考点.2).Z轴回参考点a).在“回参考点”方式下按MCP1上键:选择Z轴.b).按键:方向键选择负向.-----此时Z轴自动向参考点方向运行,直至完成。
中国石油天然气集团公司公共数据编码平台项目公共数据编码平台用户手册供应商2011年07月04日目录1.供应商查询 (3)1.1操作步骤一:进入供应商查询界面 (3)1.2操作步骤二:提交查询条件 (3)1.3操作步骤三:查看搜索结果 (7)1.4操作步骤四:查看编码明细 (7)1.5操作步骤五:下载供应商信息 (10)2.基础数据查询 (10)2.1国家地区查询 (10)2.2银行与金融机构查询 (12)3.单条供应商编码申请 (12)3.1供应商主数据创建申请 (13)3.2供应商主数据分发申请 (26)3.3供应商主数据修改申请 (30)3.4供应商主数据冻结申请 (34)3.5供应商主数据解冻申请 (36)4.单条供应商数据审核 (36)4.1单条供应商创建申请审核 (36)4.2单条供应商修改申请审核 (41)4.3单条供应商分发申请审核 (41)4.4单条供应商冻结申请审核 (42)1.供应商查询用户在申请供应商数据之前,要通过“平台查询”功能检索所需数据是否已经存在。
供应商数据申请人根据查询结果,可参考下面几种情况确定下一步的工作:1. 数据存在且完整,同时数据已发布至用户所在信息系统,则不需申请,直接使用现有数据;2. 如果不存在相关数据,则需提交供应商主数据创建申请;3. 数据存在且完整,但数据未发布至用户所在信息系统,则可提交供应商主数据分发申请;5. 数据存在但现有数据有错误,可提交供应商主数据修改申请;6. 数据存在且已发布至用户所在信息系统,但数据本身有误或其他原因需冻结该数据,则提交供应商主数据冻结申请;如果需要解除冻结效果,则提交主数据解冻申请。
1.1 操作步骤一:进入供应商查询界面登录平台后,点击一级菜单,然后点击二级菜单,进入供应商查询页面。
如图 1-1所示:查询条件查询结果查询明细图 1-1 供应商查询界面1.2 操作步骤二:提交查询条件查询界面由查询条件、查询结果、查询明细三部分组成。
喷码机用户编字系统使用手册BZV30北京科诺华电子技术有限公司目录1、概述 (2)2、软件安装说明 (2)2.1 安装说明 (2)2.2 操作系统 (2)3、启动程序 (2)4、造字程序使用说明 (3)4.1 造字 (3)4.2 绘图 (4)5、串行口传输使用说明 (5)5.1 通讯端口设置 (5)5.2 串口数据传输 (6)5.3 串口传输测试 (6)5.4 退出 (6)6、网口传输使用说明 (7)6.1 网络数据传输(只有KN-380A机型支持网络传输) (7)6.2 退出 (7)7、其他 (7)1、概述尊敬的用户:您好!非常感谢您使用我公司生产的喷码机。
为了方便您的使用,我们推出了与我公司喷码机配套使用的喷码机用户编字系统。
该系统有如下特点:1、用户可根据需要灵活地自行编字或调用标准16×16和11×11点阵字库的汉字。
2、用户可自行绘制24×8和16×16点阵的图标,可以利用绘图工具对其进行修改。
3、用户通过计算机与喷码机的接口,可以对喷码机中的可变字库进行修改,把需要的字符或图形加入到喷码机的可变字库中。
4、喷码机中预留可存放130个16×16点阵字符和26个24×8点阵图标的可变字库空间。
2、软件安装说明2.1 安装说明将光盘装入计算机光驱内,双击setup文件夹中的图标,便可开始安装。
2.2 操作系统本软件适用于Windows 98 、Windows2000、以及WindowsXP系统。
3、启动程序在程序中,‘北京科诺华公司’菜单下,点击‘喷码机用户编字系统’,即可进入程序主界面(如图1)。
4、造字程序使用说明4.1 造字4.1.1 进入单击‘造字’按钮,进入造字程序界面(如图2)。
4.1.2 使用造字工具单击对应按钮可拾取对应的造字工具,单击鼠标右键可释放该工具。
目的单击该工具创建任意形状曲线或描点铅笔创建直线直线创建中空矩形矩形创建空心圆圆形清除部分图形橡皮清除整个图形清除4.1.3 使用辅助工具辅助工具主要包括‘刷新’、‘网格’以及‘调用’,它们的功能分别为:目的单击该工具刷新界面显示的图形刷新开/关点阵网格网格调用标准汉字调用(小)是宋体11×11点阵汉字。
总线制编码系统操作说明简易版剪解码板跳线规则:正确连接好线路,每个单元第1块解码板不剪跳线,第2块解码板剪数字“1”号跳线,第3块解码板剪数字“2”号跳线,第4块解码板剪数字“1”和“2”两根跳线,第5块解码板剪数字“4”号跳线,第6块解码板剪数字“1”和“4”两根跳线,第7块解码板剪数字“2”和“4”两根跳线,第8块解码板剪“1”“2”和“4”三根跳线......以此类推。
设置房间号:主机按“##825836914” 按“#”键等待出现4个字符,当最后一个字符在闪动时输入4位数房号“0101”,连续输入两次“#”键输入下一个4位数房号......,最后按“#”键确认,按“*”键退出。
房号设置成功。
联网系统设置楼栋单元号:主机按“##115948”后输入两位数楼栋号、两位数单元号(列如2号楼5单元就输入“0205”),后按“#”号返回。
主机呼叫管理中心机按“0000”。
格式化删除房间号:主机按“###33772416”等待出现“PASS”删除成功。
设置单元门开锁密码:主机呼叫任意分机,分机接通后按“开锁”键5秒,设置4位数密码,按“#”“*”键退出。
密码开锁请输入“#”+4位数房号+“#”+4位数密码ID卡门禁使用说明增加用户卡:在通电状态下,刷增加卡(母卡)一下,听到“嘀”声音后,刷需要增加的卡片,增加的卡片刷完后,刷一下增加卡(母卡)即可,所刷的所有增加卡片有效。
删除用户卡:在通电状态下,刷删除卡,连续刷需要删除的卡片,再刷删除卡。
删除所有卡:在通电状态下,刷删除卡,刷增加卡,再刷删除卡,等待数秒钟后,即删除完毕。
主机显示屏显示字符说明:字符“ERR0” 表示分机未接好线或未装分机;字符“ERR2” 表示系统5V短路;字符“ERR4” 表示系统S线短路;字符“ERR5” 表示密码开锁,密码错误;字符“ERR7” 表示呼叫分机未编码;字符“SORRY”表示用户不想打扰或分机手柄未挂好;。