现代控制理论上机实验
- 格式:pdf
- 大小:516.60 KB
- 文档页数:13
《现代控制理论》实验报告专业: 班级: 姓名: 学号: 完成日期: 成绩评定:一、实验题目状态反馈控制器设计二、实验目的1. 掌握状态反馈和输出反馈的概念及性质。
2. 掌握利用状态反馈进行极点配置的方法。
学会用MATLAB 求解状态反馈矩阵。
3. 掌握状态观测器的设计方法。
学会用MATLAB 设计状态观测器。
4. 熟悉分离定理,学会设计带有状态观测器的状态反馈系统。
三、实验过程及结果1. 已知系统u x x ⎥⎥⎥⎦⎤⎢⎢⎢⎣⎡+⎥⎥⎥⎦⎤⎢⎢⎢⎣⎡--=111100020003 []x y 3333.02667.04.0=(1)求解系统的零点、极点和传递函数,并判断系统的能控性和能观测性。
(2)分别选取K=[0 3 0],K=[1 3 2],K=[0 16 /3 –1/3]为状态反馈矩阵,求解闭环系统的零点、极点和传递函数,判断闭环系统的能控性和能观测性。
它们是否发生改变?为什么?(3)任选三个输出反馈矩阵,求解闭环系统的零点、极点和传递函数,并判断系统的能控性和能观测性。
它们是否发生改变? 为什么?2. 已知系统u x x ⎥⎥⎥⎦⎤⎢⎢⎢⎣⎡+⎥⎥⎥⎦⎤⎢⎢⎢⎣⎡--=100320100010 []x y 001=(1)求解系统的极点。
绘制系统的单位阶跃响应曲线,并确定系统的超调量和上升时间。
(2)求解状态反馈矩阵K ,使闭环系统的极点为3-和2321j ±-。
求解状态反馈系统的传递函数。
绘制该闭环系统的单位阶跃响应曲线,并确定系统的超调量和上升时间。
与原系统比较, 性能是否改善?(3)设计一个全维观测器,使观测器的极点为-5,-5,-5。
仿真状态观测器观测到的状态。
(4)建立带全维状态观测器的状态反馈系统的状态空间表达式。
求解带全维状态观测器的状态反馈系统的极点,是否是状态反馈系统和观测器的极点的组合?为什么?求解该闭环系统的传递函数,与状态反馈系统的传递函数是否一致?为什么?绘制该闭环系统的单位阶跃响应曲线,并确定系统的超调量和上升时间。
一、前言随着科技的飞速发展,自动化、智能化已成为现代工业生产的重要特征。
为了更好地掌握现代控制理论,提高自己的实践能力,我参加了现代控制理论实训课程。
本次实训以状态空间法为基础,研究多输入-多输出、时变、非线性一类控制系统的分析与设计问题。
通过本次实训,我对现代控制理论有了更深入的了解,以下是对本次实训的总结。
二、实训目的1. 巩固现代控制理论基础知识,提高对控制系统的分析、设计和调试能力。
2. 熟悉现代控制理论在工程中的应用,培养解决实际问题的能力。
3. 提高团队合作意识,锻炼动手能力和沟通能力。
三、实训内容1. 状态空间法的基本概念:状态空间法是现代控制理论的核心内容,通过建立状态方程和输出方程,描述系统的动态特性。
2. 状态空间法的基本方法:包括状态空间方程的建立、状态转移矩阵的求解、可控性和可观测性分析、状态反馈和观测器设计等。
3. 控制系统的仿真与实现:利用MATLAB等仿真软件,对所设计的控制系统进行仿真,验证其性能。
4. 实际控制系统的分析:分析实际控制系统中的控制对象、控制器和被控量,设计合适的控制策略。
四、实训过程1. 理论学习:首先,我对现代控制理论的相关知识进行了复习,包括状态空间法、线性系统、非线性系统等。
2. 实验准备:根据实训要求,我选择了合适的实验设备和软件,包括MATLAB、控制系统实验箱等。
3. 实验操作:在实验过程中,我按照以下步骤进行操作:(1)根据实验要求,建立控制系统的状态空间方程。
(2)求解状态转移矩阵,并进行可控性和可观测性分析。
(3)设计状态反馈和观测器,优化控制系统性能。
(4)利用MATLAB进行仿真,观察控制系统动态特性。
(5)根据仿真结果,调整控制器参数,提高控制系统性能。
4. 结果分析:通过对仿真结果的分析,我对所设计的控制系统进行了评估,并总结经验教训。
五、实训成果1. 掌握了现代控制理论的基本概念和方法。
2. 提高了控制系统分析与设计能力,能够独立完成实际控制系统的设计。
现代控制理论实验引言现代控制理论是在工程控制领域中发展起来的一种理论体系,其应用范围非常广泛。
为了帮助学生更好地理解和掌握现代控制理论,学校开设了现代控制理论实验课程。
该实验课程旨在通过具体的实验操作,帮助学生巩固理论知识,培养实际操作能力,并能应用现代控制理论解决实际问题。
本文将介绍现代控制理论实验的内容、目的、实验装置和实验步骤。
实验内容现代控制理论实验主要包括以下内容: 1. PID控制器的设计与实现:通过调节比例、积分和微分参数,设计一个PID 控制器,并将其实现在实验装置上,观察控制效果。
2. 状态反馈控制器的设计与实现:利用状态观测器和状态反馈器,设计一个状态反馈控制器,并将其实现在实验装置上,观察控制效果。
3. 频域方法的应用:通过频域分析方法,设计一个控制器,使得实验装置的频率响应满足特定要求。
4. 鲁棒控制方法的应用:利用鲁棒控制方法设计一个控制器,能够在系统参数变化时保持系统的稳定性和性能。
实验目的现代控制理论实验的主要目的是培养学生的实践能力和问题解决能力。
具体目标包括: 1. 理解现代控制理论的基本原理与方法; 2. 掌握现代控制理论的实验操作技巧; 3. 理解研究现代控制理论的方法和途径; 4. 能够设计、实现和调试现代控制器,并分析控制效果; 5. 学会通过实验结果验证和改进控制算法。
实验装置现代控制理论实验装置主要包括:电机系统、传感器、数据采集卡、计算机控制软件和控制器实现装置。
电机系统是实验装置的核心部件,它模拟了真实的控制对象。
传感器用于感知电机系统的转速、位置或其他关键参数。
数据采集卡负责将传感器采集到的数据传输给计算机进行处理。
计算机控制软件包括了实验的开发工具和界面,可以实时控制电机系统并显示实验结果。
控制器实现装置是通过软件或硬件方式实现控制器,在实验中使用。
实验步骤本节将介绍现代控制理论实验的基本步骤。
具体步骤如下:步骤一:系统建模与参数辨识首先需要对实验装置进行数学建模,并通过实验数据对模型参数进行辨识。
现代控制理论第一次上机实验报告题目一已知系统的传递函数 (a) )3()1(4)(2++=s s s s G (b) 3486)(22++++=s s s s s G (c) 61161)(232+++++=z z z z z z G (1)建立系统的TF 或ZPK 模型。
(2)将给定传递函数用函数ss()转换为状态空间表达式。
再将得到的状态空间表达式用函数tf( )转换为传递函数,并与原传递函数进行比较。
(3)将给定传递函数用函数jordants()转换为对角标准型或约当标准型。
再将得到的对角标准型或约当标准型用函数tf()转换为传递函数,并与原传递函数进行比较。
(4)将给定传递函数用函数ctrlts()转换为能控标准型和能观测标准型。
再将得到的能控标准型和能观测标准型用函数tf()转换为传递函数,并与原传递函数进行比较。
(1)(2)解:(a)num=[0 0 0 0 4];den=[1 5 7 3 0];G=tf(num,den)[A,B,C,D]=tf2ss(num,den)[num1,den1]=ss2tf(A,B,C,D) %传递函数结果:Transfer function:4-------------------------s^4 + 5 s^3 + 7 s^2 + 3 sA =-5 -7 -3 01 0 0 00 1 0 00 0 1 0B =1C =0 0 0 4D =num1 =0 -0.0000 -0.0000 0.0000 4.0000den1 =1.0000 5.0000 7.0000 3.0000 0(b)num=[1 6 8];den=[1 4 3];G=tf(num,den)[A,B,C,D]=tf2ss(num,den)[num1,den1]=ss2tf(A,B,C,D)结果:Transfer function:s^2 + 6 s + 8-------------s^2 + 4 s + 3A =-4 -31 0B =1C =2 5D =1num1 =1 6 8den1 =1 4 3由以上可知,(a)(b)的结果均与原函数相同。
代控制理论实验指导书3-第3章[1]实验三利用MATLAB求取状态空间模型的相似变换及其标准型、控制系统的不同状态模型实现实验目的:1、通过实验掌握线性系统的对角线标准型、约当标准型、模态标准型以及伴随矩阵标准型的表示及相应变换阵的求解;2、通过编程、上机调试,掌握系统可控性和可观测性的判别方法、系统的可控性和可观测性分解等;3、加深理解由控制系统传递函数建立能控、能观、约当标准型等不同状态模型的方法。
实验原理:一、线性系统状态空间模型的相似变换及其标准型(1)将状态空间模型G经变换矩阵T变换为状态空间模型G1;G1=ss2ss(G,T)(2)将状态空间模型G经变换矩阵T变换为其他形式的状态空间模型G1 [G1,T]=canon(G,type)其中,当type为'companion'、'modal'、'jordan' 时,分别将状态空间模型G变换为伴随矩阵标准型、模态标准型、约当标准型状态空间模型G1,并得到相应的变换矩阵T;(3)计算矩阵A的特征值及与特征值对应的对角型变换矩阵D;[V,D]=eig(A)(4)计算矩阵A变换为约当标准型J,并得到变换矩阵V;[V,J]=jordan(A)二、线性系统可控、可观判别方法与分解(1)构造系统的可控性判别矩阵Tc;Tc=ctrb(A,B)(2)构造系统的可观测性判别矩阵To;To=obsv(A,C)(3)求取可控Gram矩阵和可观测Gram矩阵;W=gram(G,type)其中type为'c'时,为求取可控Gram矩阵,type为'o'时,为求取可观测Gram矩阵。
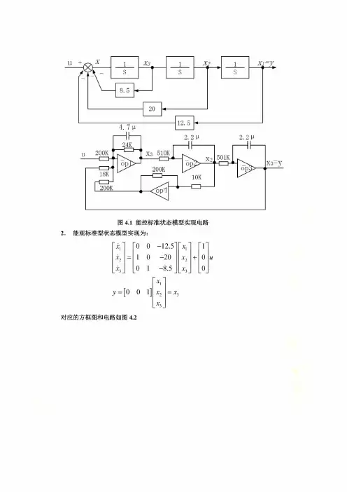
(4)能控性分解[Ac,Bc,Cc,Tc,Kc]=ctrbf(A,B,C)将系统分解为可控子系统和不可控子系统,Tc是变换阵,sum(Kc)是可控状态的数目;(5)能观测性分解[Ao,Bo,Co,To,Ko]=cbsvf(A,B,C)将系统分解为可观测子系统和不可观测子系统,Tc 是变换阵,sum(Ko)是可观测状态的数目;三、线性系统不同状态模型的实现设已知系统的传递函数为:3211()(1)( 2.5)(5)8.52012.5160.270.11 2.55G s s s s s s s s s s ==++++++-=+++++则:1. 系统能控标准状态模型实现为:[]11223312130100001012.5208.51100x x x x ux x x y x xx ⎡⎤⎡⎤⎡⎤⎡⎤⎢⎥⎢⎥⎢⎥⎢⎥=+⎢⎥⎢⎥⎢⎥⎢⎥⎢⎥⎢⎥⎢⎥⎢⎥---⎣⎦⎣⎦⎣⎦⎣⎦⎡⎤⎢⎥==⎢⎥⎢⎥⎣⎦对应的方框图和电路如图图4.1 能控标准状态模型实现电路2. 能观标准型状态模型实现为:[]11223312330012.5110200018.50001x x x x u x x x y x x x -⎡⎤⎡⎤⎡⎤⎡⎤⎢⎥⎢⎥⎢⎥⎢⎥=-+⎢⎥⎢⎥⎢⎥⎢⎥⎢⎥⎢⎥⎢⎥⎢⎥-⎣⎦⎣⎦⎣⎦⎣⎦⎡⎤⎢⎥==⎢⎥⎢⎥⎣⎦对应的方框图和电路如图4.2图4.2 能观标准型实现电路3. 约当标准型状态模型实现为:[]11223311223310010 2.501005110.270.10.1670.270.16x x x x ux x x x y x x x x -⎡⎤⎡⎤⎡⎤⎡⎤⎢⎥⎢⎥⎢⎥⎢⎥=-+⎢⎥⎢⎥⎢⎥⎢⎥⎢⎥⎢⎥⎢⎥⎢⎥-⎣⎦⎣⎦⎣⎦⎣⎦⎡⎤⎡⎤⎡⎤⎢⎥⎢⎥=-=-⎢⎥⎢⎥⎢⎥⎣⎦⎢⎥⎢⎥⎣⎦⎣⎦对应的方框图和电路如图4.3图4.3 约当标准形状态模型实现电路实验步骤:1、根据所给系统的已知条件(可自行参阅选择刘豹教材中的例题或习题),如传递函数、零极点模型或(A、B、C、D),实现状态空间模型之间的相似变换、写出其对角线标准型、约当标准型、模态标准型以及伴随矩阵标准型的表示及求解相应变换阵,采用MATLAB的相关函数编写m-文件。
倒立摆控制系统实验报告实验一建立一级倒立摆的数学模型一、实验目的学习建立一级倒立摆系统的数学模型,并进行Matlab仿真。
二、实验内容写出系统传递函数和状态空间方程,用Matlab进行仿真。
三、Matlab源程序及程序执行结果⑴Matlab源程序⑵给出系统的传递函数和状态方程传递函数gs(输出为摆杆角度)传递函数gspo(输出为小车位置)状态空间sys(A,B,C,D)⑶给出传递函数极点和系统状态矩阵A的特征值传递函数gs极点P传递函数gspo极点Po系统状态矩阵A的特征值E⑷给出系统开环脉冲响应和阶跃响应的曲线系统开环脉冲响应曲线系统开环阶跃响应曲线四、思考题(1) 由状态空间方程转化为传递函数,是否与直接计算传递函数相等?通过比较,可知传递函数gspo由状态空间方程转化为传递函数时,多了s的一次项,但是系数可以近似为0。
传递函数gs,则完全相等。
所以,状态空间方程转化为传递函数与直接计算传递函数可以认为是相等的。
(2) 通过仿真表明开环系统是否稳定?请通过极点(特征值)理论来分析。
开环系统不稳定。
根据极点理论可知,系统稳定的条件是极点均在左半平面。
但是,系统有一个极点5.4042不在左半平面。
因此,系统不稳定(3) 传递函数的极点和状态方程的特征值的个数、大小是否相等?如果不相等,请解释其原因。
传递函数gspo的极点和状态方程的特征值的个数、大小相等。
但是传递函数gs的极点和状态方程的特征值个数不相等。
因为存在零极点对消。
Matlab源程序:clear all;f1=0.001;%实际系统参数M=1.32;m=0.132;b=0.1;l=0.27;I=0.0032;g=9.8;T=0.02;%求传递函数gs(输出为摆杆角度)和gspo(输出为小车位置)q=(M+m)*(I+m*l^2)-(m*l)^2;num=[m*l/q 0];den=[1 b*(I+m*l^2)/q -(M+m)*m*g*l/q -b*m*g*l/q];gs=tf(num,den);numpo=[(I+m*l^2)/q 0 -m*g*l/q];denpo=[1 b*(I+m*l^2)/q -(M+m)*m*g*l/q -b*m*g*l/q 0];gspo=tf(numpo,denpo);%求状态空间sys(A,B,C,D)p=I*(M+m)+M*m*l^2;A=[0 1 0 0;0 -(I+m*l^2)*b/p m^2*g*l^2/p 0;0 0 0 1;0 -m*b*l/p m*g*l*(M+m)/p 0];B=[0;(I+m*l^2)/p;0;m*l/p];C=[1 0 0 0;0 0 1 0];D=[0;0];sys=ss(A,B,C,D);%通过传递函数求系统(摆杆角度和小车位置)的开环脉冲响应t=0:T:5;y1=impulse(gs,t);y2=impulse(gspo,t);figure(1);plot(t,y2,'b',t,y1,'r');xlabel('t/s');ylabel('Position/m or Angle/rad');axis([0 2 0 80]);legend('Car Position','Pendulum Angle');%将状态空间方程sys转化为传递函数gs0gs0=tf(sys);%通过状态方程求系统(摆杆角度和小车位置)的开环脉冲响应t=0:T:5;y=impulse(sys,t);figure(2);plot(t,y(:,1),t,y(:,2),'r');xlabel('t/s');ylabel('Position/m or Angle/rad');axis([0 2 0 80]);legend('Car Position','Pendulum Angle');%通过传递函数求系统(摆杆角度和小车位置)的开环阶越响应t=0:T:5;y1=step(gs,t);y2=step(gspo,t);figure(3);plot(t,y2,'b',t,y1,'r');axis([0 2.5 0 80]);xlabel('t/s');ylabel('Position/m or Angle/rad');legend('Car Position','Pendulum Angle');%通过状态方程求系统(摆杆角度和小车位置)的开环阶越响应t=0:T:5;y=step(sys,t);figure(4);plot(t,y(:,1),t,y(:,2),'r');xlabel('t/s');ylabel('Position/m or Angle/rad');axis([0 2.5 0 80]);legend('Car Position','Pendulum Angle');%求传递函数极点P=pole(gs);Po=pole(gspo);%求A的特征值E=eig(A);实验二倒立摆系统控制算法的状态空间法设计一、实验目的学习如何使用状态空间法设计系统的控制算法。
现代控制理论实验报告二〇一六年五月实验一 线性定常系统模型一 实验目的1. 掌握线性定常系统的状态空间表达式。
学会在MATLAB 中建立状态空间模型的方法。
2. 掌握传递函数与状态空间表达式之间相互转换的方法。
学会用MATLAB 实现不同模型之间的相互转换。
3. 熟悉系统的连接。
学会用MATLAB 确定整个系统的状态空间表达式和传递函数。
4. 掌握状态空间表达式的相似变换。
掌握将状态空间表达式转换为对角标准型、约当标准型、能控标准型和能观测标准型的方法。
学会用MATLAB 进行线性变换。
二 实验内容1. 已知系统的传递函数)3()1(4)(2++=s s s s G (1)建立系统的TF 或ZPK 模型。
(2)将给定传递函数用函数ss( )转换为状态空间表达式。
再将得到的状态空间表达式用函数tf( )转换为传递函数,并与原传递函数进行比较。
(3)将给定传递函数用函数jordants( )转换为对角标准型或约当标准型。
再将得到的对角标准型或约当标准型用函数tf( )转换为传递函数,并与原传递函数进行比较。
(4)将给定传递函数用函数ctrlts( )转换为能控标准型和能观测标准型。
再将得到的能控标准型和能观测标准型用函数tf( )转换为传递函数,并与原传递函数进行比较。
2. 已知系统的传递函数u x x ⎥⎦⎤⎢⎣⎡+⎥⎦⎤⎢⎣⎡--=106510 []x y 11=(1)建立给定系统的状态空间模型。
用函数eig( ) 求出系统特征值。
用函数tf( ) 和zpk( )将这些状态空间表达式转换为传递函数,记录得到的传递函数和它的零极点。
比较系统的特征值和极点是否一致,为什么?(2)用函数canon( )将给定状态空间表达式转换为对角标准型。
用函数eig( )求出系统特征值。
比较这些特征值和(1)中的特征值是否一致,为什么? 再用函数tf( )和zpk( )将对角标准型或约当标准型转换为传递函数。
比较这些传递函数和(1)中的传递函数是否一致,为什么?(3)用函数ctrlss( )将给定的状态空间表达式转换为能控标准型和能观测标准型。
中南大学现代控制实验报告指导老师设计者学号专业班级设计日期实验一 用MATLAB 分析状态空间模型1、实验设备PC 计算机1台,MATLAB 软件1套。
2、实验目的① 学习系统状态空间表达式的建立方法、了解系统状态空间表达式与传递函数相互转换的方法;② 通过编程、上机调试,掌握系统状态空间表达式与传递函数相互转换方法。
3、实验原理说明线性系统数学模型的常见的形式有,输入输出模式数学模型(传递函数和微分方程)和状态空间模式数学模型(状态空间表达式或动态方程)。
传递函数模型一般可表示为:若上式中分子分母各项系数为常数,则系统称为线性定常系统(linear time invariant,LTI) 利用下列命令可轻易地将传递函数模型输入MATLAB 环境中。
>>num=[b0,b1,…,bn]; >>den=[1,a1,a2,…,an];而调用tf()函数可构造出对应传递函数对象。
调用格式为: >>G=tf(num,den);其中(num,den)分别为系统的分子和分母多项式系数的向量,返回变量G 为系统传递函数对象。
线性定常系统的状态空间模型可表示为表示状态空间模型的基本要素是状态向量和常数矩阵A ,B ,C ,D 。
用类似的方法可将其输入MA TLAB 环境,对单输入单输出系统,>>A=[a11,a12,…a1n;a21,a22,…a2n;…;an1,an2,…ann]; >>B=[b1;b2;…;bn]; >>C=[c1,c2,…cn]; >>D=d;调用ss()状态方程对象可构造状态方程模型,调用格式如下: >>ss(A,B,C,D)对于两种模型之间的转换,则可分别调用tf()和ss()完成,即: >>G1=tf(G) >>G2=ss(G ’)4、实验步骤① 根据所给系统的传递函数或A 、B 、C 矩阵,依据系统的传递函数阵和状态空间表达式之间的关系式,采用MATLAB 编程。
.现代控制理论实验报告组员:院系:信息工程学院专业:指导老师:年月日实验1 系统的传递函数阵和状态空间表达式的转换[实验要求]应用MATLAB 对系统仿照[例1.2]编程,求系统的A 、B 、C 、阵;然后再仿照[例1.3]进行验证。
并写出实验报告。
[实验目的]1、学习多变量系统状态空间表达式的建立方法、了解系统状态空间表达式与传递函数相互转换的方法;2、通过编程、上机调试,掌握多变量系统状态空间表达式与传递函数相互转换方法。
[实验内容]1 设系统的模型如式(1.1)示。
p m n R y R u R x DCx y Bu Ax x ∈∈∈⎩⎨⎧+=+= (1.1)其中A 为n ×n 维系数矩阵、B 为n ×m 维输入矩阵 C 为p ×n 维输出矩阵,D 为传递阵,一般情况下为0,只有n 和m 维数相同时,D=1。
系统的传递函数阵和状态空间表达式之间的关系如式(1.2)示。
D B A SI C s den s num s G +-==-1)()()(()( (1.2)式(1.2)中,)(s num 表示传递函数阵的分子阵,其维数是p ×m ;)(s den 表示传递函数阵的按s 降幂排列的分母。
2 实验步骤① 根据所给系统的传递函数或(A 、B 、C 阵),依据系统的传递函数阵和状态空间表达式之间的关系如式(1.2),采用MATLA 的file.m 编程。
注意:ss2tf 和tf2ss 是互为逆转换的指令;② 在MATLA 界面下调试程序,并检查是否运行正确。
③ [1.1] 已知SISO 系统的状态空间表达式为(1.3),求系统的传递函数。
,2010050010000100001043214321u x x x x x x x x ⎥⎥⎥⎥⎦⎤⎢⎢⎢⎢⎣⎡-+⎥⎥⎥⎥⎦⎤⎢⎢⎢⎢⎣⎡⎥⎥⎥⎥⎦⎤⎢⎢⎢⎢⎣⎡-=⎥⎥⎥⎥⎦⎤⎢⎢⎢⎢⎣⎡ []⎥⎥⎥⎥⎦⎤⎢⎢⎢⎢⎣⎡=43210001x x x x y (1.3)程序:A=[0 1 0 0;0 0 -1 0;0 0 0 1;0 0 5 0]; B=[0;1;0;-2]; C=[1 0 0 0]; D=0;[num,den]=ss2tf(A,B,C,D,1)程序运行结果:num =0 -0.0000 1.0000 -0.0000 -3.0000 den =1.0000 0 -5.0000 0 0从程序运行结果得到:系统的传递函数为:24253)(ss s S G --= ④ [1.2] 从系统的传递函数式求状态空间表达式。
《现代控制理论》实验指导书适用专业:电气工程与自动化课程代码: 8416340总学时: 40 总学分: 2.5编写单位:电气信息学院编写人:舒欣梅审核人:审批人:批准时间:年月日目录实验一(实验代码1)系统的传递函数阵和状态空间表达式的转换 (2)实验二(实验代码2)多变量系统的能控、能观和稳定性分析 (3)实验三(实验代码3)状态反馈和状态观测器的设计 (7)主要参考文献 (10)实验一 系统的传递函数阵和状态空间表达式的转换一、实验目的和任务1、 学习多变量系统状态空间表达式的建立方法、了解系统状态空间表达式与传递函数相互转换的方法。
2、 通过编程、上机调试,掌握多变量系统状态空间表达式与传递函数相互转换方法。
二、实验内容在运行示例程序的基础上,应用MATLAB 对所给系统编程并验证。
三、实验仪器、设备及材料PC 计算机1台(要求P4-1.8G 以上),MA TLAB6.X 软件1套。
四、实验原理设系统的模型如式(1.1)示。
p m n R y R u R x D Cx y Bu Ax x ∈∈∈⎩⎨⎧+=+= (1.1)其中A 为n ×n 维系数矩阵、B 为n ×m 维输入矩阵 C 为p ×n 维输出矩阵,D 为传递阵,一般情况下为0,只有n 和m 维数相同时,D=1。
系统的传递函数阵和状态空间表达式之间的关系如式(1.2)示。
1()()()()num s G s C sI A B D den s -==-+ (1.2) 式(1.2)中,)(s num 表示传递函数阵的分子阵,其维数是p ×m;)(s den 表示传递函数阵的按s 降幂排列的分母。
五、主要技术重点、难点1、 多变量系统状态空间表达式的建立方法2、 系统状态空间表达式与传递函数相互转换的方法。
六、实验步骤1、在MA TLAB 中输入以下例子,并验证输出结果。
[例1.1] 已知 两输入两输出系统状态空间模型16910463126824479112251213141000218022x x u y x ⎡⎤⎡⎤⎢⎥⎢⎥⎢⎥⎢⎥=+⎢⎥⎢⎥⎢⎥⎢⎥⎣⎦⎣⎦⎡⎤=⎢⎥⎣⎦ 试建立MA TLAB 模型,并进行模型转换。
现代控制理论实验报告实验⼀线性定常系统模型⼀实验⽬的1. 掌握线性定常系统的状态空间表达式。
学会在MATLAB 中建⽴状态空间模型的⽅法。
2. 掌握传递函数与状态空间表达式之间相互转换的⽅法。
学会⽤MATLAB 实现不同模型之间的相互转换。
3. 熟悉系统的连接。
学会⽤MA TLAB 确定整个系统的状态空间表达式和传递函数。
4. 掌握状态空间表达式的相似变换。
掌握将状态空间表达式转换为对⾓标准型、约当标准型、能控标准型和能观测标准型的⽅法。
学会⽤MATLAB 进⾏线性变换。
⼆实验内容1. 已知系统的传递函数,(1)建⽴系统的TF 或ZPK 模型。
(a) )3()1(4)(2++=s s s s G(b) 3486)(22++++=s s s s s G(2)将给定传递函数⽤函数ss( )转换为状态空间表达式。
再将得到的状态空间表达式⽤函数tf( )转换为传递函数,并与原传递函数进⾏⽐较2. 已知系统的状态空间表达式(a) u x x+--=106510 []x y 11= (1)建⽴给定系统的状态空间模型。
⽤函数eig( ) 求出系统特征值。
⽤函数tf( ) 和zpk( )将这些状态空间表达式转换为传递函数,记录得到的传递函数和它的零极点。
⽐较系统的特征值和极点是否⼀致,为什么?给定系统的状态空间模型⽤函数eig( ) 求出系统特征值⽤函数tf( ) 将状态空间表达式转换为传递函数⽤函数zpk( ) 将状态空间表达式转换为传递函数(b) u x x ??+---=7126712203010 []111=y 给定系统的状态空间模型⽤函数tf( ) 和zpk( )将状态空间表达式转换为传递函数实验⼆线性定常系统状态⽅程的解⼀、实验⽬的1. 掌握状态转移矩阵的概念。
学会⽤MA TLAB 求解状态转移矩阵。
2. 掌握线性系统状态⽅程解的结构。
学会⽤MATLAB 求解线性定常系统的状态响应和输出响应,并绘制相应曲线。
《现代控制理论》实验指导书自动化学院自控实验室实验一 法捷耶夫算法求解1)(--A sI一、实验目的及意义了解控制系统的各种数学描述间的转换关系,并且考察学生的上机能力。
二、实验原理说明已知系统的模型如式(1.1)示。
p m n R y R u R x CuCx y Bu Ax x ∈∈∈⎩⎨⎧+=+= (1.1)其中A 为n ×n 维系数矩阵、B 为n ×m 维输入矩阵 C 为p ×n 维输出矩阵。
系统的传递函数阵和状态空间表达式之间的关系D B A SI C s G +-=-1)()(利用法捷耶夫算法可以求解1--)(A sI 。
设矩阵A 的特征多项式为n n n s s A sI s ααα+++=-∆-- 111)det()(则1)(--A sI 可以表示为1121201()[]()n n n n sI A B s B s B s α------=+++ 以上两式中的1α,2α,…,n α 和1-n B ,2-n B ,…,0B 可按下式来求I B n =-1 )(11--=n AB tr α I AB B n n 112α+=-- 2/)(22--=n AB tr αI AB B i i n i n 11-+--+=α i AB tr i n i /)(--=αI AB B n 110-α+= n AB tr n /)(0-=α00=+I AB n α三、实验内容已知状态空间方程:x=Ax+Bu 其中A=⎥⎥⎥⎦⎤⎢⎢⎢⎣⎡---300110010 试用法捷耶夫算法求1)(--A sI四、实验步骤1、编写法捷耶夫算法函数程序 2、利用该函数求出1)(--A sI 。
实验二Layapunov 方程求解在MATLAB 控制工具箱中,函数lyap 和dlyap 用来求解Layapunov 方程,函数lyap 求解连续时间系统的Layapunov 方程。
函数dlyap 求解离散时间系统的Layapunov 方程。
现代控制理论实验指导书实验一:线性系统状态空间分析1、模型转换图1、模型转换示意图及所用命令传递函数一般形式:)()(1111110nmasasasabsbsbsbsGnnnnmmmm≤++++++++=----MATLAB表示为:G=tf(num,den),其中num,den分别是上式中分子,分母系数矩阵。
零极点形式:∏∏==--=nijmiipszsKsG11)()()(MATLAB表示为:G=zpk(Z,P,K),其中Z,P,K分别表示上式中的零点矩阵,极点矩阵和增益。
传递函数向状态空间转换:[A,B,C,D] = TF2SS(NUM,DEN);状态空间转换向传递函数:[NUM,DEN] = SS2TF(A,B,C,D,iu)---iu表示对系统的第iu个输入量求传递函数;对单输入iu为1;验证教材P438页的例9-6。
求P512的9-6题的状态空间描述。
>> A=[0 1;0 -2];>> B=[1 0;0 1];>> C=[1 0;0 1];>> D=[0 0;0 0];>> [NUM,DEN] = ss2tf(A,B,C,D,1)NUM =0 1 20 0 0DEN =1 2 0>> [NUM,DEN] = ss2tf(A,B,C,D,2)NUM =0 0 10 1 0DEN =1 2 0给出的结果是正确的,是没有约分过的形式P512 9-6>> [A,B,C,D]=tf2ss([1 6 8],[1 4 3])A =-4 -31 0B =1C =2 5D =12、状态方程求解单位阶跃输入作用下的状态响应:G=ss(A,B,C,D);[y,t,x]=step(G);plot(t,x).零输入响应[y,t,x]=initial(G,x0)其中,x0为状态初值。
验证P435的例9-4,P437的例9-5。
9-4A=[0 1;-2 -3];B=[0;0];C=[0 0];D=[0];G=ss(A,B,C,D);[y,t,x]=initial(G,[1;2]);plot(t,x)(设初始状态为[1 ;2])零输入响应00.20.40.60.81 1.2 1.4 1.6 1.82-1-0.50.511.529-5零输入响应A=[0 1;-2 -3];B=[0;1];C=[0 0];D=[0];G=ss(A,B,C,D);[y,t,x]=initial(G,[1;2]);plot(t,x)00.20.40.60.81 1.2 1.4 1.6 1.82-1-0.50.511.52零状态响应,阶跃信号激励下>> A=[0 1;-2 -3];B=[0;1];C=[0 0];D=[0];>> G=ss(A,B,C,D);[y,t,x]=step(G);plot(t,x)00.20.40.60.81 1.2 1.4 1.6 1.8200.050.10.150.20.250.30.350.4总响应>> A=[0 1;-2 -3];B=[0;1];C=[0 0];D=[0];G=ss(A,B,C,D);[y1,t1,x1]=step(G);[y2,t2,x2]=initial(G,[1;2]);>> x=x1+x2;>> plot(t1,x)00.20.40.60.81 1.2 1.4 1.6 1.82-0.500.511.523、系统可控性和可观测性可控性判断:首先求可控性矩阵:co=ctrb(A ,B)。
现代控制理论基础上机实验二基于降维观测器的亚微米超精密车床振动控制一.工程背景介绍在实验一中针对亚微米超精密车床的振动控制系统,我们采用全状态反馈法设计了控制规律。
但是在工程实践中,传感器一般只能测量基座和床身的位移信号,不能测量它们的速度及加速度信号,所以后两个状态变量不能获得,换句话说全状态反馈很难真正实现。
为了解决这个问题,本实验设计一个降维(2维)状态观测器,用来解决状态变量2x 、3x 的估计问题,从而真正实现全状态反馈控制。
二.实验目的通过本次上机实验,使同学们熟练掌握: 1. 降维状态观测器的概念及设计原理; 2. 线性系统分离原理的内涵;3. 进一步熟悉极点配置及状态反馈控制律的设计过程;4. MATLAB 语言的应用。
四个知识点。
三.闭环系统的性能指标闭环系统单位阶跃响应的超调量不大于5%,过渡过程时间不大于0.5秒(0.02∆=)。
四.控制系统的线性状态空间模型开环系统的状态空间表达式为:[]112200e 3312301000010100x x x x uRk Lk Rc k Lc Rm x x Lm Lm Lm Lm x y x x ⎧⎡⎤⎡⎤⎪⎢⎥⎢⎥⎡⎤⎡⎤⎪⎢⎥⎢⎥⎢⎥⎢⎥=+⎪⎢⎥⎢⎥⎢⎥⎢⎥⎪⎢⎥⎢⎥⎢⎥⎢⎥++⎪⎣⎦⎣⎦----⎢⎥⎢⎥⎨⎣⎦⎣⎦⎪⎡⎤⎪⎢⎥⎪=⎢⎥⎪⎢⎥⎪⎣⎦⎩(1)1x ——床身相对于地基(基座)的位移(可测);2x ——床身相对于地基(基座)的速度(不可测); 3x ——床身相对于地基(基座)的加速度(不可测);u ——控制电压。
某一亚微米超精密车床隔振系统的各个参数为(同实验1)01200N/m k =,980N/A e k =,kg 120=m ,2.0=c ,Ω300=R ,H 95.0=L 。
于是开环系统的状态空间表达式具体为:[]112233123010000103157.8910.526315.798.596100x x x x u x x x y x x ⎧⎡⎤⎡⎤⎡⎤⎡⎤⎪⎢⎥⎢⎥⎢⎥⎢⎥=+⎪⎢⎥⎢⎥⎢⎥⎢⎥⎪⎢⎥⎢⎥⎢⎥⎢⎥----⎣⎦⎣⎦⎪⎣⎦⎣⎦⎨⎡⎤⎪⎢⎥⎪=⎢⎥⎪⎢⎥⎪⎣⎦⎩五.降维状态观测器的设计由于1y x =是可测量的,而2x 、3x 是不可测量的,所以可以对状态空间表达式分块如下:简单地记为:[]111221222II II 1II 001xx u x y ⎧⎡⎤⎡⎤⎡⎤⎡⎤=+⎪⎢⎥⎢⎥⎢⎥⎢⎥⎣⎦⎣⎦⎪⎣⎦⎣⎦⎨⎡⎤⎪=⎢⎥⎪⎣⎦⎩A A AB xx 0x (2) 其中2II 3x x ⎡⎤=⎢⎥⎣⎦x ,[]1210=A ,210003157.89Rk Lm ⎡⎤⎡⎤⎢⎥==⎢⎥⎢⎥--⎣⎦⎢⎥⎣⎦A ,220010110.526315.79Lk Rc Lc Rm Lm Lm ⎡⎤⎡⎤⎢⎥==++⎢⎥⎢⎥----⎣⎦⎢⎥⎣⎦A ,2e 008.596k Lm ⎡⎤⎡⎤⎢⎥==⎢⎥⎢⎥--⎣⎦⎢⎥⎣⎦B由式(2)可得:II 21122II 2112IIx u x =++⎧⎨=⎩x A A x B A x 即II 22II 21212IIy u y =++⎧⎨=⎩x A x A B A x定义212y u +=A B u ,yy = ,则 II 22II 12IIy =+⎧⎨=⎩x A x u A x (3) 针对式(3)设计状态观测器()II 2212II y =-++x A LA x L u即:()II 2212II y=-++x A LA x L u 其中L 表示2行1列的观测器增益矩阵。
现代控制理论理论教案绪论【教学目的】了解现代控制理论的基本原理及方法,以便进行系统分析与设计,同时为进一步学习现代控制理论打下较扎实的基础。
【教学重点】了解控制理论发展的三个阶段并掌握各阶段的主要任务。
【教学方法及手段】课堂教学【课外作业】阅读教材【学时分配】2学时【教学内容】本教材绪论部分主要讲述了以下几个问题:一、控制理论发展简况1)古典控制理论:研究对象以单输入、单输出线性定常系统为主,以传递函数为系统的基本描述,以频率法和根轨迹法为主要分析与设计手段。
2)现代控制理论以状态状态空间模型为基础,可研究多输入、多输出、时变、非线性等各种对象;研究系统内部结构的关系提出了能控性、能观测性等重要概念,提出了不少设计方法。
3)大系统与智能控制阶段。
二、现代控制理论的基本内容(1)线性多变量系统理论。
这是现代控制理论中最基础、最成熟的部分。
它揭示系统的内在想律,从能控性、能观测性两个基本概念出发,研究系统的极点配置、状态观测器设计和抗干扰问题的一般理论。
(2)最优控制理论。
在被控对象数学模型已知的情况下,寻求一个最优控制规律(或最优控制函数),使系统从某一个初始状态到达最终状态并使控制系统的性能在某种意义下是最优的。
(3)最优估计理论。
在对象数学模型已知的情况下,最优估计理论研究的问题是如何从被噪声污染的观测数据中,确定系统的状态,并使这种估计在某种意义下是最优的。
由于噪声是随机的,而且是非乎稳随机过程(随机序列),这种憎况下的状态估计是卡尔曼提出和解决的,故又称卡尔曼滤波。
这种滤波方法是保证状态估计为线性无偏最小估计误差方差的估计。
(4)系统辨识与参数估计。
这是基于对象的输入、输出数据、在希望的估计准则下,建立与对象等价的动态系统(即建立对象的数学模型),由于效学模型一船地说,是由阶致和参数决定的。
因此,要决定系统的阶数和参数(即参数估计)。
三、本课程的基本任务该课程是工业自动化专业的一门重要的专业基础课程。
现代控制理论实验报告学院:机电学院学号:XXXXX姓名:XXXXX班级:XXXX实验一 系统的传递函数阵和状态空间表达式的转换一、实验目的1.熟悉线性系统的数学模型、模型转换。
2.了解MATLAB 中相应的函数 二、实验内容及步骤 1.给定系统的传递函数为1503913.403618)(23++++=s s s s s G 要求(1)将其用Matlab 表达;(2)生成状态空间模型。
2.在Matlab 中建立如下离散系统的传递函数模型y (k + 2) +5y (k +1) +6y (k ) = u (k + 2) + 2u (k +1) +u (k ) 3.在Matlab 中建立如下传递函数阵的Matlab 模型⎥⎥⎥⎥⎦⎤⎢⎢⎢⎢⎣⎡+++++++++++=726611632256512)(2322s s s s s s s s s s s s G 4.给定系统的模型为)4.0)(25)(15()2(18)(++++=s s s s s G求(1)将其用Matlab 表达;(2)生成状态空间模型。
5.给定系统的状态方程系数矩阵如下:[]0,360180,001,0100011601384.40==⎥⎥⎥⎦⎤⎢⎢⎢⎣⎡=⎥⎥⎥⎦⎤⎢⎢⎢⎣⎡---=D C B A用Matlab 将其以状态空间模型表示出来。
6.输入零极点函数模型,零点z=1,-2;极点p=-1,2,-3 增益k=1;求相应的传递函数模型、状态空间模型。
三、实验结果及分析 1. 程序代码如下:num = [18 36];den = [1 40.3 391 150]; tf(num,den) ss(tf(num,den))Transfer function:18 s + 36----------------------------s^3 + 40.3 s^2 + 391 s + 150a =x1 x2 x3x1 -40.3 -24.44 -2.344x2 16 0 0x3 0 4 0b =u1x1 1x2 0x3 0c =x1 x2 x3y1 0 1.125 0.5625d =u1y1 0Continuous-time model.2.2.程序代码如下:num=[1 2 1];den=[1 5 6];tf(num,den,-1)运行结果:Transfer function:z^2 + 2 z + 1-------------z^2 + 5 z + 6Sampling time: unspecified3.程序代码如下:num={[1 2 1],[1 5];[2 3],[6]};den={[1 5 6],[1 2];[1 6 11 6],[2 7]};tf(num,den)Transfer function from input 1 to output...s^2 + 2 s + 1#1: -------------s^2 + 5 s + 62 s + 3#2: ----------------------s^3 + 6 s^2 + 11 s + 6Transfer function from input 2 to output...s + 5#1: -----s + 26#2: -------2 s + 74. 程序代码如下:sys=zpk(-2,[-15 -25 -0.4],18)ss(sys)运行结果:1)Zero/pole/gain:18 (s+2)---------------------(s+15) (s+25) (s+0.4)2)a =x1 x2 x3x1 -0.4 1.265 0x2 0 -15 1x3 0 0 -25b =u1x1 0x2 0x3 8c =x1 x2 x3y1 2.846 2.25 0d =u1y1 0Continuous-time model.5.程序代码如下:A=[-40.4 -138 -160;1 0 0;0 1 0];B=[1 0 0]';C=[0 18 360];D=0;ss(A,B,C,D)运行结果:a =x1 x2 x3x1 -40.4 -138 -160x2 1 0 0x3 0 1 0b =u1x1 1x2 0x3 0c =x1 x2 x3y1 0 18 360d =u1y1 0Continuous-time model.6. 程序代码如下:sys=zpk([1 -2],[-1 2 -3],1) tf(sys)ss((sys)运行结果:Zero/pole/gain:(s-1) (s+2)-----------------(s+1) (s+3) (s-2)Transfer function:s^2 + s - 2---------------------s^3 + 2 s^2 - 5 s - 6a =x1 x2 x3x1 -1 2.828 1.414x2 0 2 2x3 0 0 -3b =u1x1 0x2 0x3 2c =x1 x2 x3y1 -0.7071 1 0.5d =u1y1 0Continuous-time model.四、实验总结本次实验主要是熟悉利用matlab建立线性系统数学模型以及模型间的相应转换(如状态空间、传递函数模型等)、并了解matlab中相应函数的使用,如tf、ss、zp2ss、ss2tf等。
现代控制理论实验报告实验三典型非线性环节实验目的1.了解和掌握典型非线性环节的原理。
2.用相平面法观察和分析典型非线性环节的输出特性。
实验原理及说明实验以运算放大器为基本元件,在输入端和反馈网络中设置相应元件(稳压管、二极管、电阻和电容)组成各种典型非线性的模拟电路。
实验内容3.1测量继电特性(1)将信号发生器(B1)的幅度控制电位器中心Y测孔,作为系统的-5V~+5V输入信号(Ui):B1单元中的电位器左边K3开关拨上(-5V),右边K4开关也拨上(+5V)。
(2)模拟电路产生的继电特性:继电特性模拟电路见图慢慢调节输入电压,观测并记录示波器上的U0~U i图形。
函数发生器产生的继电特性①函数发生器的波形选择为‘继电’,调节“设定电位器1”,使数码管右显示继电限幅值为3.7V。
U0~U i图形。
实验结果与理想继电特性相符3.2测量饱和特性将信号发生器(B1)的幅度控制电位器中心Y测孔,作为系统的-5V~+5V输入信号(Ui):(2)模拟电路产生的饱和特性:饱和特性模拟电路见图3-4-6。
慢慢调节输入电压观测并记录示波器上的U0~U i图形。
如下所示:函数发生器产生的饱和特性①函数发生器的波形选择为‘饱和’特性;调节“设定电位器1”,使数码管左显示斜率为2;调节“设定电位器2”,使数码管右显示限幅值为3.7V。
慢慢调节输入电压(即调节信号发生器B1单元的电位器,调节范围-5V~+5V),观测并记录示波器上的U0~U i图形。
波形如下:3.3测量死区特性模拟电路产生的死区特性慢慢调节输入电压,观测并记录示波器上的U0~U i图形。
如下所示:观察函数发生器产生的死区特性:观察时要用虚拟示波器中的X-Y选项慢慢调节输入电压(即调节信号发生器B1单元的电位器,调节范围-5V~+5V),观测并记录示波器上的U0~U i图形。
波形如下图所示:3.4测量间隙特性模拟电路产生的间隙特性间隙特性的模拟电路见图3-4-8。