隧洞爆破课程设计
- 格式:doc
- 大小:285.00 KB
- 文档页数:5
压力隧洞洞室开挖爆破设计1 工程概况洞径8.3m的全圆断面,洞身穿越岩石为加里东期的钾长岩或斜长花岗岩,致密坚硬,呈块状。
根据实验及已建工程类比,岩石饱和单轴抗压强度为82~120MPa,平均为103MPa,弹性模量为2.1×104MPa,属坚硬岩石。
根据地质资料及现场岩石情况分析,隧洞的围岩以二类围岩为主,普氏围岩坚固系数取f=12,相关参数以此为依据进行计算。
为便于施工,隧洞分为两次开挖,底部1.5m以下为二期开挖,本设计只考虑一期开挖方案。
2 相关参数2.1 开挖断面面积隧洞计算开挖断面面积S=47.43㎡2.2 需要钻孔设备数量N1=S/△f=12台试中:N1——凿岩机数量,台△ f——每台凿岩机的工作面积支腿凿岩机为4㎡2.3 气腿式凿岩机每小时钻孔速度YT-25气腿式凿岩机钻孔速度为45m/台班,则每小时钻孔速度=7m/h2.4 开挖断面的钻孔数量N2=α1+α2S=102孔式中:α1系数,取值为37.6α2系数,取值为1.362.5 进尺造孔耗时H1=(N2×L1)/(N1×Vd)=3.64h式中:L1——平均钻孔深度,本设计为3.0m取H1=220min2.6 单位岩体炸药消耗量(中型断面,按戈事怕扬公式计算)q={[(f-3)/3.8]1/2+L1×K1×η}K2×K3×Fs=1.365kg/m3式中:K1——炮孔装药量填充系数,取1.0η——炮孔利用率,取0.9K2——等效炸药换算系数,取0.9K3——岩体裂隙率的保证系数,资料给出K3=0.9~0.99,取0.95图1 爆破开挖布孔图1-主掏槽孔 2-辅助掏槽孔 3-辅助孔4-底孔 5-周边(光爆)孔说明:1.采用楔型掏槽,主掏槽孔3对共6孔,每对间距40cm,对应排距200cm最低一对距底板100cm,辅助掏槽孔7孔,间距60cm2.辅助孔4排,间排距80到90cm,共41孔3.底孔间距650cm,共12孔4.周边孔采用光面爆破,孔间距50cm,共36孔Fs——自由面数量,取12.7 总耗药量Q=Siq=174.8kg3 钻孔布置炮孔布置应便于提高机械钻孔效率,提高炸药能量利用率、以降低炸药用量,减少对围岩的扰动,控制好开挖轮廓。
隧道爆破方案第1篇隧道爆破方案一、项目背景随着我国基础设施建设的快速发展,隧道工程在公路、铁路、城市轨道交通等领域发挥着重要作用。
在隧道施工过程中,爆破作业是加快施工进度、提高工程效率的重要手段。
为确保隧道爆破作业的顺利进行,降低安全风险,提高爆破效果,特制定本方案。
二、爆破目标与原则1. 爆破目标:在确保安全的前提下,实现隧道开挖轮廓的整齐、稳定,减少对周边环境的影响。
2. 爆破原则:(1)安全第一:确保爆破作业过程中人员、设备、环境的安全。
(2)环保节能:降低爆破作业对周边环境的污染,提高爆破材料利用率。
(3)经济合理:合理选择爆破参数,降低工程成本。
(4)技术先进:采用国内外先进的爆破技术和设备,提高爆破效果。
三、爆破方案设计1. 爆破方法:采用深孔爆破法。
2. 爆破参数:(1)炮孔布置:根据隧道断面形状、大小及地质条件,合理布置炮孔,确保炮孔间距、排距符合规范要求。
(2)炮孔深度:根据隧道围岩等级、开挖断面及施工要求,确定炮孔深度。
(3)装药结构:采用乳化炸药,采用连续装药结构。
(4)起爆方式:采用非电导爆管雷管起爆。
3. 爆破安全措施:(1)爆破作业前,对爆破人员进行安全技术培训,确保熟悉爆破作业流程及安全操作规程。
(2)对爆破区域进行安全警戒,设立明显的警戒标志,确保无关人员不得进入。
(3)爆破作业过程中,严格按照国家相关法律法规和标准要求,做好安全防护措施。
(4)加强爆破作业现场监测,及时处理安全隐患。
四、爆破作业实施1. 爆破作业前准备:(1)办理爆破作业许可证。
(2)编制爆破作业设计书。
(3)采购合格的爆破材料。
(4)对爆破人员进行安全技术培训。
2. 爆破作业流程:(1)炮孔测量:根据设计图纸,对炮孔位置进行测量,确保炮孔布置合理。
(2)炮孔钻孔:采用合适的钻机进行钻孔,确保炮孔质量。
(3)装药:按照设计要求,进行装药作业。
(4)堵塞:采用适当的材料进行炮孔堵塞,确保堵塞质量。
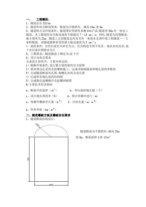
一、工程概况:1、隧道总长3211m2、隧道形状及断面要求:断面为半圆拱形,墙高15m,宽8m3、隧道特点及环境条件:隧道围岩坚固性系数f=11~13,隧道旁55m有一座水工隧道,水工隧道的安全振动速度不能超过7~15 cm∕s;同时,隧道为浅埋隧道,最小埋深为22m,隧道上方沿隧道走向有另外一条南水北调中线工程隧道——王家岭隧道,该隧道能够承受的最大振动速度为3 cm∕s4、地质条件:岩性以泥岩夹砂岩为主;区内构造节理不发育,地表水较发育,地下水以基岩裂隙水为主5、工期要求:隧道掘进工期定为12个月6、设计内容及要求完成设计说明书,主要内容包括:1)根据环境条件,进行最大装药量的安全验算2)要求周边孔采用光面爆破施工,完成详细地隧道和炮孔装药参数表3)完成隧道断面布孔图,掏槽孔形状及布孔图4)完成所有炮孔装药结构图5)完成炮孔起爆顺序及起爆网路图6)主要技术经济指标a、断面开挖面积(2m)b、单位面积炮孔数(个)c、设计炮孔利用率(%)d、预计的循环进尺(m)e、每循环爆破岩石量(m``3)f、比钻孔量(m/ m``3)g、炸药单耗(kg∕m``3)二、掘进爆破方案及爆破安全要求1、隧道断面结构设计:2、掘进方式:采用分台阶掘进法,上断面掘进高度为8m ,面积为57.132m ,下断面开挖面积882m ,为了减小爆破振动强度,上断面布置楔形掏槽孔,上次掘进爆破成形,单循环进尺控制在1.5~2.7m 之间。
下断面布置采用水平炮孔爆破开挖,单次爆破进尺为5m 。
周边孔采光面爆破。
上断面始终超前下断面10m 以上。
三、爆破参数设计:1、凿岩机具及爆炸物品:采用凿岩台车配备9台7655型气腿式凿岩机,孔径40mm 。
2、确定最大段装药量:根据公式:Q m =R 3(V/K)3/α 确定最大一段允许用药量。
查表得:取K=100 α=1.5隧道断面为半圆拱形,墙高15m ,宽8m 。
断面面积145.132m则,Q m1=2013.1 kg Q m2=9.5 kg取小值,则最大段允许用药量为9.5kg 。
隧道光面爆破课程设计随着爆破技术在水利、交通、采矿等领域都己经得到了广泛应用,为了获得最佳的爆破效果,对爆破参数进行优化,并控制达到所要求的爆破质量不仅是技术上的要求,而且对于提高经济效益也是至关重要的。
针对不同的煤层条件和环境做出最优爆破设计及其有效实施是决定爆破质量得关键。
在达到预期的爆破效果的前提下,通过改进爆破方法、调整爆破参数、以达到降低成本的目的是爆破优化的重要目标。
爆破设计一般情况下是靠经验多次调整得到的,这种过程使得在类似的工程中的爆破参数和方法长期以来难以改变,制约了技术进步,也无法了解和研究成本优化的可能性。
大量的理论研究和长期的爆破实践表明,尽管实际工程中因条件、环境等的差异而产生不同的爆破效果,但这些效果相应的爆破参数有着内在的联系,在客观上存在一定程度的规律性,虽然这种客观规律在现在的条件下还不能被明确的表达出来,但人们仍然可以通过爆破参数间的联系了解这种规律,并利用这种隐含的规律来指导实践。
随着经验的积累,这种客观规律的透明度也将不断提高,最终为人们所掌握,这一过程就是爆破参数的调整、爆破方法改进、爆破优化进步的过程。
通过对客观现象的理论分析并结合实践的反复验证从而了解、描述这种隐含的规律,并完成爆破经验的积累和升华就是爆破优化所面对的重要目标。
要求:本次爆破设计要在结合工程条件的基础上,优化爆破参数,考虑爆破振动效应,制定合理的爆破方案。
目录一、工程概述 (04)1、设计依据 (04)2、设计要求 (04)3、工程地质条件 (04)4、爆破规模及爆破区周边环境 (04)二、设备选型 (04)1、炸药的选择 (04)2、钻孔设备的选择 (04)3、供风设备的选择 (04)三、穿孔爆破参数 (05)1、掏槽方式的选择 (05)2、爆孔参数的确定 (05)3、炮眼的布置 (07)4、炮眼分布 (08)四、确定装药结构 (08)1、装药结构的选择 (08)五、网络敷设 (09)1、起爆方式的种类 (10)2、起爆网路的选择 (10)3、雷管段别的选择 (10)4、爆破网路敷设图 (10)六、计算爆破工程量 (10)1、爆破体积 (10)2、炸药量 (10)七、最大炸药量的计算 (10)1、爆破地震安全距离 (10)2、爆破地震强度计算 (10)3、冲击波安全距离计算 (11)八、预测爆破效果及安全距离 (11)九、警戒距离、施工及安全组织 (11)1、爆破警戒 (11)2、安全组织与施工 (12)十、爆破设计感想 (12)十一、参考文献 (13)十二、附图隧道光面爆破课程设计一、工程概述1、设计依据:根据爆破安全规程(GB6722-2003)、简明爆破工程设计手册等要求,进行某隧道的爆破优化设计。
隧洞开挖爆破方案一、工程概况。
咱这隧洞啊,就像在大山肚子里开个长长的通道。
它有多长呢,[具体长度]米,断面大概是个啥形状呢,[描述断面形状,比如圆形或者马蹄形之类的],尺寸是[具体尺寸]。
这隧洞周围的岩石啊,就像一个个性格各异的家伙,有硬邦邦的花岗岩,也有稍微软一点的砂岩之类的。
这工程地点呢,在[详细地点],周边环境啊,有的地方靠近居民区,所以咱爆破的时候得特别小心,可不能把人家的房子给震得晃悠起来。
二、爆破目标。
咱的目标很明确,就是把隧洞里面的岩石按照设计的形状和尺寸给炸开。
要炸得干净利落,不能留太多残渣影响后续施工。
而且要保证隧洞的壁面尽量平整光滑,就像给大山肚子做个精致的手术一样,不能坑坑洼洼的。
三、爆破设计。
# (一)炮孔布置。
1. 掏槽孔。
这掏槽孔啊,就像是先在岩石堆里开个突破口。
我们在隧洞的断面中心位置,弄上[具体数量]个掏槽孔,它们就像先锋队一样,排成[具体形状,比如楔形或者直孔掏槽的形状]。
这些孔的间距呢,大概是[X]厘米,深度比其他炮孔要深一点,大概是[具体深度]米。
这样就能先把中间的岩石给炸开,给周围的炮孔创造更好的爆破条件。
2. 辅助孔。
辅助孔就像是跟着掏槽孔后面的大部队。
围绕着掏槽孔,我们均匀地布置[具体数量]个辅助孔。
它们的间距大概是[Y]厘米,深度比掏槽孔稍微浅一点,是[具体深度]米。
这些孔的作用就是把掏槽孔炸开后的岩石进一步扩大破碎范围。
3. 周边孔。
周边孔可是负责隧洞壁面成型的关键角色。
沿着隧洞的轮廓线,密密麻麻地打上[具体数量]个周边孔。
它们的间距要小一点,大概是[Z]厘米,深度和辅助孔差不多,也是[具体深度]米。
这样就能保证爆破后隧洞壁面比较平整,不会有太多的超挖或者欠挖现象。
# (二)爆破参数。
1. 炸药选择。
考虑到咱们这隧洞的岩石性质和周边环境,我们选用[炸药名称]炸药。
这种炸药就像一个脾气比较温和但又很有力量的家伙。
它的威力既能把岩石炸开,又不会产生太大的震动和飞石。
隧道工程课程设计爆破一、课程目标知识目标:1. 理解隧道工程中爆破工作的基本原理和方法;2. 掌握爆破工程中涉及的物理和数学计算,如炸药用量、爆炸能量传递等;3. 学习隧道工程爆破的安全措施及应急预案。
技能目标:1. 能够运用所学知识进行简单的爆破设计和计算;2. 掌握使用爆破模拟软件进行模拟实验,分析爆破效果;3. 培养学生团队协作能力和实际操作能力,通过分组讨论和爆破实验,提高问题解决技巧。
情感态度价值观目标:1. 培养学生对隧道工程爆破工作的兴趣,激发探索精神和创新意识;2. 增强学生的安全意识,认识到工程安全的重要性;3. 树立正确的工程伦理观念,认识到爆破工程在服务社会、促进经济发展中的作用。
本课程针对高中年级学生,结合物理、数学及工程实践知识,以实用性为导向,注重理论知识与实际操作的紧密结合。
课程目标旨在帮助学生建立完整的爆破知识体系,提高解决实际问题的能力,并培养其安全意识和社会责任感。
通过具体学习成果的分解,教师可针对性地进行教学设计和评估,确保课程目标的实现。
二、教学内容1. 爆破基本原理:讲解炸药爆炸的物理过程,能量转换及传递方式,涉及课本中有关化学反应、能量守恒等章节内容。
2. 爆破设计计算:教授炸药用量计算、炮孔间距、排距设计等,结合数学计算和物理原理,对应课本中相关数学模型及工程计算部分。
3. 爆破安全措施:介绍隧道工程爆破中的安全距离、安全防护设施、应急预案等,关联课本中安全知识章节。
4. 爆破模拟实验:运用爆破模拟软件进行实验操作,观察和分析爆破效果,对应课本中实验操作及数据分析内容。
5. 案例分析:分析典型隧道爆破工程案例,总结经验教训,提升学生实际工程素养,结合课本中工程实例进行分析。
教学内容安排和进度:第一课时:爆破基本原理及安全知识介绍;第二课时:爆破设计计算方法及案例分析;第三课时:爆破模拟实验操作及数据分析;第四课时:总结与讨论,巩固所学知识。
教学内容根据课程目标进行科学性和系统性地选择和组织,确保学生能够循序渐进地掌握隧道工程爆破相关知识,为后续教学活动和评估提供明确依据。
目录一、工程概况................................................................二、设计依据................................................................三、施工方案选择............................................................四、爆破参数选择............................................................1、炸药选择.............................................................2、隧道开挖断面积.......................................................3、炮眼数N...........................................................................................................................4、每循环炮眼深度 (2)5、炮孔直径 (3)6、炮眼间距和排距 (3)7、装药量 (3)五、炮眼布置 (4)六、爆破网路及起爆方式 (6)七、主要安全技术措施 (6)1、预防隧道开挖冒顶片帮事故的安全技术措施 (7)2、预防钻孔施工的安全技术措施 (8)3、预防爆炸事故安全技术措施 (8)4、盲炮处理方法 (9)5、运输爆破器材安全技术措施 (9)(内容仅供参考,请对照书本,根据实际情况修改)隧道爆破设计实例一、工程概况成昆高铁高沟隧道位于四川省XX境内,隧道穿越In级围岩地带,主要为片麻岩,普氏系数f=6〜10,单轴抗压强度60〜100MPa。
爆破隧道课程设计一、课程目标知识目标:1. 学生能理解爆破隧道的基本原理,掌握隧道爆破的常用方法和相关计算公式。
2. 学生能了解爆破隧道所需材料、设备和施工工艺,以及隧道爆破过程中的安全防护措施。
3. 学生掌握隧道爆破工程的验收标准及质量要求。
技能目标:1. 学生能够运用所学知识,分析隧道爆破工程中可能存在的问题,并提出合理的解决方案。
2. 学生能够根据实际情况,制定隧道爆破施工方案,并进行简单的工程量计算。
3. 学生能够运用计算机软件,对隧道爆破过程进行模拟分析,优化爆破方案。
情感态度价值观目标:1. 学生通过学习,培养对隧道工程建设的兴趣,增强对我国基础设施建设事业的认同感和自豪感。
2. 学生能够树立安全意识,认识到隧道爆破工程中安全防护的重要性,养成良好的工程职业道德。
3. 学生通过小组合作学习,培养团队协作精神,提高沟通与交流能力。
课程性质:本课程为工程专业实践课程,以隧道爆破工程为背景,结合理论知识与实践操作,培养学生的工程实践能力和创新能力。
学生特点:学生为高中年级学生,具有一定的物理、数学基础,对工程实践有较高的兴趣。
教学要求:结合学生特点,注重理论联系实际,通过案例分析、实践操作等教学方式,提高学生的综合运用能力。
同时,关注学生的情感态度价值观培养,使学生在掌握专业知识的同时,形成正确的价值观和职业素养。
将课程目标分解为具体的学习成果,以便后续的教学设计和评估。
二、教学内容1. 爆破隧道基本原理- 爆炸力学基础- 爆破作用原理- 隧道爆破类型及适用条件2. 隧道爆破方法与工艺- 常见隧道爆破方法- 爆破参数计算与优化- 隧道爆破施工工艺流程3. 爆破材料与设备- 爆破器材的种类及性能- 爆破设备的选型与应用- 爆破器材的安全使用与管理4. 隧道爆破安全防护- 爆破安全距离计算- 爆破振动与噪声控制- 隧道爆破施工安全措施5. 隧道爆破工程验收与质量要求- 爆破工程验收标准- 隧道爆破质量检测方法- 隧道爆破工程质量控制措施6. 实践教学- 隧道爆破案例分析- 爆破模拟软件操作与训练- 隧道爆破施工现场实习教学内容根据课程目标制定,涵盖隧道爆破工程的基本理论、方法、工艺、安全防护和质量控制等方面。
一、 工程概况:1、隧道总长3211m2、隧道形状及断面要求:断面为半圆拱形,墙高15m,宽8m3、隧道特点及环境条件:隧道围岩坚固性系数f=11~13,隧道旁55m 有一座水工隧道,水工隧道的安全振动速度不能超过7~15 cm ∕s ;同时,隧道为浅埋隧道,最小埋深为22m ,隧道上方沿隧道走向有另外一条南水北调中线工程隧道——王家岭隧道,该隧道能够承受的最大振动速度为3 cm ∕s4、地质条件:岩性以泥岩夹砂岩为主;区内构造节理不发育,地表水较发育,地下水以基岩裂隙水为主5、工期要求:隧道掘进工期定为12个月6、设计内容及要求完成设计说明书,主要内容包括:1)根据环境条件,进行最大装药量的安全验算2)要求周边孔采用光面爆破施工,完成详细地隧道和炮孔装药参数表3)完成隧道断面布孔图,掏槽孔形状及布孔图4)完成所有炮孔装药结构图5)完成炮孔起爆顺序及起爆网路图6)主要技术经济指标a 、断面开挖面积(2m )b 、单位面积炮孔数(个)c 、设计炮孔利用率(%)d 、预计的循环进尺(m)e 、每循环爆破岩石量(m ``3)f 、比钻孔量(m/ m ``3)g 、炸药单耗(kg ∕m ``3)二、掘进爆破方案及爆破安全要求1、隧道断面结构设计:隧道断面为半圆拱形,墙高15m ,宽8m 。
断面面积145.132m2、掘进方式:采用分台阶掘进法,上断面掘进高度为8m ,面积为57。
132m ,下断面开挖面积882m ,为了减小爆破振动强度,上断面布置楔形掏槽孔,上次掘进爆破成形,单循环进尺控制在1.5~2。
7m 之间.下断面布置采用水平炮孔爆破开挖,单次爆破进尺为5m 。
周边孔采光面爆破。
上断面始终超前下断面10m 以上.三、爆破参数设计:1、凿岩机具及爆炸物品:采用凿岩台车配备9台7655型气腿式凿岩机,孔径40mm 。
2、确定最大段装药量:根据公式:Q m =R 3(V/K )3/α 确定最大一段允许用药量.查表得:取K=100 α=1。
引水隧洞钻爆施工爆破设计方案引水隧洞是一种水利工程中常见的结构,其作用是将水源从一处引向另一处,以满足人们生产和生活的需要。
而为了让引水隧洞达到更好的效果,施工在设计方案时需要充分考虑各种因素,以确保隧洞的施工质量和安全性。
而钻爆施工爆破设计则是隧洞施工中的一项重要环节,下面我们就来探讨引水隧洞钻爆施工爆破设计方案。
一、钻爆施工爆破的必要性对于重大水利工程中的引水隧洞,其设计和施工的安全性和质量至关重要。
而隧洞的施工需要采用先进的工程技术和设备,钻爆施工技术就是其中之一。
大型钻机和爆破器材能够轻松实现大规模隧洞的开挖和爆破,大大缩短了施工时间,提高了施工效率。
此外,钻爆工程也有利于控制盾构失效和坍塌的风险,使施工更加安全可靠。
二、引水隧洞钻爆施工爆破方案1、爆破方案设计首先,爆破方案设计是整个钻爆施工爆破方案中的核心环节。
爆破方案需要充分考虑岩石的实际特性,如岩石的硬度、厚度以及层次等因素。
然后,设计人员还需要根据岩石破裂点分析,确定裂隙的走向和大小。
最终,针对这些因素,设计人员会制定出最佳的爆破方案。
2、爆破装置选择在爆破装置选择方面,设计人员还需要考虑方案中一些细节问题,如布线方式、爆破钻具的选择等。
布线方式是爆破过程中的关键点,可以通过合理布置爆破钻孔来提高爆破效果。
至于钻具的选择,则需要根据具体的情况进行选择,一般来说可以采用高压气体或冷却液进行切削。
3、爆破参数的确定了解选定的爆破装置后,就需要根据实际情况确定爆破参数。
确定爆破参数主要有三个方面:首先是炸药的选择,需要选用高能炸药;其次是炸药的剂量要合适,不能过多或过少;最后是爆破钻孔的长度和直径也需要根据实际情况进行确定。
4、爆破前的安全措施在钻爆施工爆破方案中,还需要针对爆破前的安全措施进行规范。
一方面,施工前需要对工作区进行详细的勘测和分析,确保没有未知的岩石隐患;另一方面,则需要配备专业的人员对现场进行监测,以确保人员和设备的安全。
隧道爆破设计(1)爆破设计的原则尽量提高炸药能量利用率,以减少炸药用量。
采用光面爆破,要求炮眼痕迹残留率硬岩±90%;中硬岩±80%;软岩三60%。
减少对围岩的破坏,控制好开挖轮廓。
合理设计起爆顺序,提高光爆效果。
在保证安全的前提下,尽可能提高掘进速度、缩短工期。
掏槽及底板眼按抛掷爆破设计,采用楔形掏槽法,及充分利用楔形掏槽的易抛掷来减轻震动,保持围岩稳定。
其它炮眼采用浅孔微振动控制爆破,在保证爆破效果的前提下,尽量减少炮眼的炸药用量。
采用微差爆破,减少对围岩的扰动及降低振动强度,采取光面爆破。
(2)爆破参数的选定在进行钻爆参数设计前,先用工程模拟法初选爆破参数,再在洞外做单段爆破漏斗试验及三眼爆破成缝试验,通过现场的试验确定有关爆破参数。
结合隧道工程地质情况及类似工程施工经验进行爆破设计。
光面爆破参数见表3-1。
3)爆破器材的选定炸药选用2号岩石硝铵炸药,其规格为©25X200、©32X200两种。
有水地段选用乳化油炸药。
采用©32直径药卷,周边眼采用高效能控制爆破劈裂管耦合连续装药,其余眼采用集中装药,炮眼堵塞采用水压爆破技术堵塞,非电毫秒雷管起爆,火雷管引爆。
施工中根据地质变化不断调整爆破参数,以取得良好的光爆效果。
(4)钻爆作业施工工艺钻爆作业工艺框图见图3-1o图3-1光面钻爆作业施工工艺框图(5)钻爆施工①开挖准备风、水、电就绪,施工人员、机具准备就位。
②测量放线洞内导线控制网测量采用全站仪进行。
施工测量采用光电测距仪配水准仪进行。
测量作业由专业人员实施,每排炮后进行设计规格线测放,并根据爆破设计参数点布孔位。
周边轮廓线的放样允许误差应控制在土2cm以内。
断面测量滞后开挖面10〜15m,按5m间距进行,每个月进行一次洞轴线及坡度的全面检查、复核,确保测量控制工序质量。
③钻孔作业全断面法施工时,使用凿岩台车钻孔。
上下台阶法施工时,上台阶采用风钻人工钻孔,下台阶采用凿岩台车钻孔。
XX 隧洞钻爆施工爆破设计实例一、工程概况XX 引水隧洞全长280m,断面形状为直墙半园拱形,隧洞宽度2.4m,墙高1.6m ,拱半径1.2m ,C20混凝土永久衬砌,隧洞围岩为白云质炭岩,围岩类别Ⅰ~Ⅱ类,岩石坚固系数f=9。
二、开挖方案隧洞开挖采用钻爆法施工,全断面一次开挖法,人工装车,机动翻斗车运输,T40推土机平碴。
遇节理、裂隙发育,坍塌等软弱地段采用“钢支撑、锚网喷”等临时支护措施,整个开挖方案应遵行“弱爆破、强支撑、短进尺、勤监测、快砌衬”的原则。
三、开挖方法 (一)钻孔采用YT-28气腿式风动凿岩机钻孔,用φ48钢管搭设活动式简易操作平台。
(二)爆破参数设计1、炮眼直径:Φ42mm;2、炮眼深度:2m,炮眼利用率90%,掘进循环进尺=2*0.9=1.8m;3、炮眼总数N=2.3*6.72/0.7*0.78=29式中: q —炸药单耗量,取=2.3 kg/m 3;查表5-6 s —开挖面积,s=6.72m 2;αγqSN =γ—每米长度炸药的药量,2号岩石硝铵炸药r=0.78kg/m;查表5-4α—炮眼装药系数(加权平均值),取α=0.7,查表5-3经计算,N=29个,根据施工经验,取29个孔眼较合适。
4、装药量的计算及分配=2.3*6.72*1.8=27.8kg (三)、炮眼布置1、掏槽眼采用直眼螺旋掏槽,掏槽眼应布置在开挖面中央偏下部位置,其深度比其它眼深15~20cm为爆出平整的开挖面,除掏槽眼外,所有炮眼的眼底应落在同一平面上。
底部炮眼深度一般与掏槽眼相同。
2、辅助眼辅助眼的布置主要是解决炮眼间距和最小抵抗线的问题,这可以由施工经验决定,一般W 约为炮眼间距的0.6~0.8,并在整个断面上均匀排列。
当采用2号岩石铵梯炸药时,W 一般取0.6~0.8米。
W=0.6~0.8,K=0.8,E=0.48~0.643、周边眼周边眼应严格按照设计位置布置。
断面拐角处应布置炮眼。
为满足机械钻眼需要和减少超欠挖,周边眼设计位置应考虑qSl qV Q ==Dc )0.4~0.3(=图5-4 螺旋形掏槽Db )5.2~2.1(=D a )5.1~0.1(=D d )0.5~0.4(=0.03~0.05的外插斜率,并应使用前后两排炮眼的衔接台阶高度(即锯齿的齿高)最小。
目录一、地质慨况.................................................................................... 错误!未定义书签。
二、爆破方案.................................................................................... 错误!未定义书签。
三、凿岩设备和工具........................................................................ 错误!未定义书签。
1. 凿岩机 (2)2. 钎头 (2)3. 钎杆 (3)四、爆破器材.................................................................................... 错误!未定义书签。
1. 起爆器材和方法 (3)2. 炸药 (3)五、爆破参数.................................................................................... 错误!未定义书签。
1. 炮孔深度 (3)2. 炮孔、药卷直径、不耦合系数 (4)3. 炮孔间距、最小抵御线 (4)4. 单位岩体炸药消耗量 (4)六、炮孔数量及部署........................................................................ 错误!未定义书签。
1. 炮孔数量 (5)2. 炮孔部署 (6)3.炮眼要求 (6)七、施工注意事项............................................................................ 错误!未定义书签。
隧道爆破设计方案
目录
1 爆破设计方案的重要性
1.1 爆破设计方案的概述
1.1.1 爆破设计方案的定义
1.1.2 爆破设计方案的作用
1.2 爆破设计方案的要求
1.2.1 安全性要求
1.2.2 效果性要求
1.3 爆破设计方案的流程
1.3.1 资料收集
1.3.2 方案设计
1.3.3 方案审核
2 爆破设计方案的关键因素
2.1 地质条件
2.2 工程要求
2.3 环境保护
3 爆破设计方案的具体内容
3.1 起爆方式
3.2 起爆点设置
3.3 起爆顺序
3.4 起爆参数
4 爆破设计方案的实施过程
4.1 检查准备工作
4.2 确认安全措施
4.3 实施爆破设计方案
5 爆破设计方案的效果评估
5.1 爆破效果评估标准
5.2 爆破效果评估方法
5.3 爆破效果评估报告
6 爆破设计方案的优化改进
6.1 实际运用中发现的问题
6.2 爆破设计方案的改进方向
6.3 爆破设计方案的优化效果
7 结语
爆破设计方案是在进行隧道工程施工中不可或缺的一项重要工作。
通过精心设计的爆破方案,可以效率地完成隧道开挖工作,同时确保施工安全和环境保护。
在实施爆破设计方案时,需要考虑各种地质条件、工程要求和环境因素,以确保爆破效果达到预期目标。
通过不断优化改进爆破设计方案,可以提高施工效率和质量,为隧道工程建设提供有力支持。
愿本文能为相关人员提供有益的参考和指导。
课程名称:设计题目:院系:专业:年级:姓名:指导教师:西南交通大学峨眉校区年月日课程设计任务书专业姓名学号开题日期:年月日完成日期:年月日题目隧道钻爆设计一、设计的目的掌握隧道钻爆设计过程。
二、设计的内容及要求根据提供的隧道工程,确定各炮眼类型的炮眼数目;编制钻爆参数表;绘制钻爆设计图;绘制爆破网络图三、指导教师评语四、成绩指导教师(签章)年月日隧道概况:某海底隧道的服务隧道处于花岗岩地层,无地下水,隧道为马蹄形断面,采用三班三循环作业,炮眼利用率0.9,采用2号岩石铵梯炸药,药卷直径32mm 。
其中,围岩级别为Ⅰ级 ,断面积为32m 2,月掘进计划为150m 。
每月施工28d ,采用三班三循环作业。
要求:针对以上工程,进行其中一种情况的爆破设计,包括计算炮眼数量、确定循环进尺(深度、长度等)、确定各炮眼类型的炮眼数目、分配药量、编制钻爆参数表、绘制钻爆设计图、绘制爆破网络图。
学 号 姓 名 围岩级别断面面积/m2月掘进计划/m20097318王爽Ⅰ34150(1) 计算炮眼数N开挖面积为S=34m2 ,单位耗药量q=1.4 kg/m3 ,根据开挖面面积及围岩级别查《隧道工程》表7-2-11,并根据工程实际经验去α=0.7,根据药卷直径查表7-2-13,γ=0.78个8878.07.04.134≈⨯⨯=∂=γqS N 实际施工取82个炮眼(2)根据采用的垂直楔形掏槽及Ι级围岩由表7-2-9中查得:最外层掏槽炮眼与开挖面的夹角α=55°向内依次为50°,44°,上下两排掏槽眼间的距离a=30cm ,同一平台上两炮眼眼底的距离b=20cm 。
(3)每一循环炮眼深度本工程的月掘进循环计划进尺为150m每掘进循环的计划进尺数l=150÷28÷3=1.786m 本设计取炮眼利用率η=0.9则根据炮眼深度计算式有L=l/η=1.786/0.9=1.98 m实际取炮眼深度为2m每循环进尺l′=2.0×0.9=1.8 m一般深掏槽眼较炮眼深度加深0.15~0.25m掏槽眼及底眼深度l=2.0+0.2=2.2 m辅助眼,帮眼,顶眼深度l=2 m(4)各种炮眼的长度L及同一平面上两掏槽炮眼眼口间的距离B最长掏槽炮眼长度9.289.255sin2.2sin≈===αll掏向内依次是1.5m ,0.6m最外层掏槽炮眼眼口的距离B02.425.055cos2.22b2cB=+⨯⨯=+=向内依次为2.11m,1.17m辅助眼长度l=2.2m帮,顶眼l=2.0m底眼长l l=2.2m(5)每一循环装药量Q的计算及炮眼装药量的分配掏槽眼:根据本隧道断面较大的特点,确定采用复式楔形掏槽。
湖北省第九届爆破工程技术人员培训考核班课程设计
题目:隧道开挖爆破课程设计任务书
设计者:龚政休
2007年5月.宜昌
一、基本资料
某隧洞城门洞形,顶拱为半圆,顶拱半径为3m,边墙高4.5m,洞宽为6m,开挖面积为41.14m2;
隧洞岩体为花岗岩,岩石坚硬系数f=12,裂隙发育中等,工作面上有极少量地下水呈滴状渗出;
岩石钻孔采用凿岩台车钻孔,全断面开挖,台车钻孔孔径为50mm,大空孔径为90mm,开挖循环进尺为2.5m;
炸药及起爆器材均为国产。
二、炸药选定
1、炸药选用2#岩石乳化炸药,2#岩石乳化炸药具有以下性能:
2#岩石乳化炸药的爆速为4000~5000m/s;猛度为16~19mm;殉爆距离
为8~12cm;临届直径12~16mm;2#岩石乳化炸药具有较好的抗水性。
2、2#岩石乳化炸药每筒炸药量Q=1/4∏d2Lp
其中p为装药密度p=1100kg/m3,d为药筒直径,L为药筒长度
由上式可计算出不同直径,不同长度药卷药量表如下
表2.1
3、起爆器材有导爆索、塑料导爆管、火雷管、导火索
三、炸药单耗
根据表8-7平巷掘进单位炸药消耗量定额初步确定单耗q=1.67kg/m3,单耗确定后由Q=qV=qSL确定每一掘进循环爆破使用炸药量:
Q=qV=qSlη(其中S=41.14m2,L=2.5m,η为炮眼利用率,一般取0.85)
四、掏槽孔设计
1、根据表2.1,掏槽孔炸药采用直径为φ42mm,药筒长度20cm,重量为304.6g
的2#岩石乳炸药;
2、掏槽孔的形式采用4部掏槽法,具体布置见图1
图1
3、由掏槽孔布置图可知,掏槽区面积为0.37m2,掏槽区孔数为12个,考虑
开挖循环进尺为2.5m,所以掏槽孔孔深取2.7m。
4、掏槽区总药量∑Q t=Lτ△n(其中L为孔深,τ为装药系数取0.7,n为炮孔数,
△为线装药密度由表2.1可取药筒直径为φ42mm,其线装药密度为
1.523kg/m)
∑Q t=Lτ△n=34.5kg
5、单孔药量Q t=∑Q t/n=2.875kg
6、掏槽区单耗q t=∑Q t/LS t=34.6kg/m3
7、掏槽孔装结构图见图2
图2
五、周边孔(光爆孔)设计
1、光面爆破不耦合系数一般取1.5~2.0,由于凿岩台车钻孔孔径为50mm,同时根据表2.1,周边孔(光爆孔)炸药采用直径为φ25mm,药筒长度20cm,重量为107.9g的2#岩石乳炸药;光爆孔的孔径为50mm,孔深为2.5m。
2、光面爆破抵抗线W min=(10~20)d(其中d为炮孔直径)
W min=0.6~0.8cm (《工程爆破理论与技术》表8-36和表8-37);
3、孔间距a=(7~15)d同时a=(0.6~0.8) W min
a=0.55~0.70cm(《工程爆破理论与技术》表8-36和表8-37);
4、炮孔堵塞长度L=0.5~0.8m孔数为30个;
5、线装药密度根据(《工程爆破理论与技术》表8-36和表8-37)选取经验值300g/m;
6、装药结构见图3
为克服孔底岩石夹制力,加大对底部装药量,实际施工时在底部装一节φ35mm,药筒长度为20cm重211.6g的2#岩石乳化炸药,中部正常装药;。