铝及铝合金清洗剂
- 格式:doc
- 大小:80.50 KB
- 文档页数:6
莱克特洁®铝清洗剂(本产品已通过欧盟ROHS检测)一、适用范围铝清洗剂适用于纯铝、铝合金部件及橡塑制品等表面矿物油、植物油、动物油等油污的清洗。
二、产品优点铝清洗剂是采用进口阴离子表面活性剂为主要原料,利用国际最新高科技化工配方,专为低硅铝合金部件研发的一种高效节能、环保型水基弱碱性清洗液,具有无毒害、无刺激、易清洗、强除油等功能。
不破坏铝件表面氧化膜,可保持铝件的光泽度,并且无水印、无花斑、无残污、不腐蚀、不变色等特点,解决企业对铝的清洗难题,是企业首选工业清洗液。
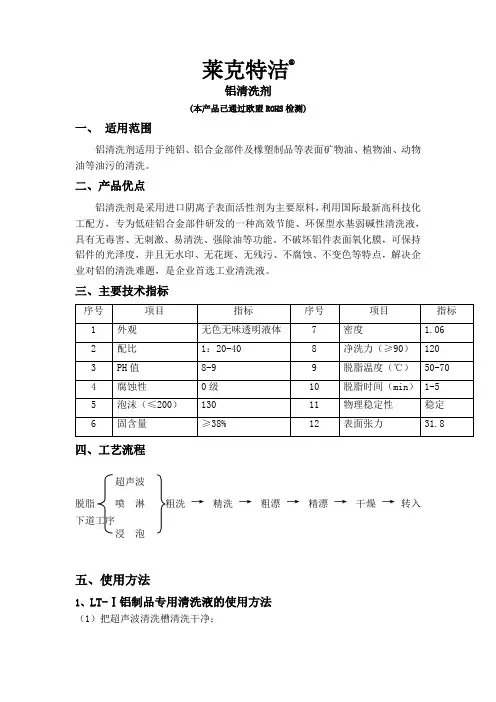
三、主要技术指标四、工艺流程超声波脱脂喷淋→精洗→粗漂→精漂→干燥→转入下道工序浸泡五、使用方法1、LT-Ⅰ铝制品专用清洗液的使用方法(1)把超声波清洗槽清洗干净;(2)根据清洗槽的大小注入一定量的清水;(3)把超声波清洗槽水加热到50-70度左右;(4)使用前将桶内LT--Ⅰ铝专用清洗液搅拌均匀;(5)根据槽中的水量和铝部件油污的多少按照3%-5%的配比添加LT-Ⅰ清洗液;(6)将所要清洗的铝件放入清洗槽中,1-5分钟即可将油污清洗干净;2、使用LT-Ⅰ铝制品专用清洗液清洗时间的确定根据铝合金部件摆放方式和油污多少,超声波清洗设备功率与企业生产清洗工艺的不同,清洗时间也有所不同,企业可根据工艺的需要自行调整清洗时间。
以下是对清洗时间的参考:(1)我司对铝合金部件油污轻重程度定性:A.铝合金部件拿起有滴(流)油的现象为重油污。
B.用眼能看出有油污和无滴(流)油现象为中度油污。
C.用眼不能看出明显油污,但用手摸有打滑现象为轻油污。
(2)清洗时间的确定如果以超声波频率40Hz作为粗洗,超声波频率28Hz作为精洗对铝合金部(注:以上清洗时间仅供生产企业参考,以部件油污清洗干净为准)3、重新建浴与补液情况在清洗过程中,LT--Ⅰ清洗剂的有效成分会逐渐减少,清洗力度和持续性都会降低,为满足企业清洗工艺的需求,应及时的建浴或补充清洗液。
清洗剂使用说明产品特点:本产品适用于(不锈钢、铁)、铝合金、锌合金、镁合金、(铜、铜合金)、首饰、贵金属等材料的工件,对清洗要求比较高,具有除污效果佳,除油能力强,除腊速度快,环保、无毒并具有优异的防锈功能。
适用的行业:(铝合金、锌合金、铜合金、不锈钢制造业)、电镀厂、首饰加工业、铝合金精密配件、手机配件、出口钟表等其他行业。
产品范围:本产品适用于(不锈钢、铁)、铝合金、锌合金、镁合金、(铜、铜合金)、首饰、贵金属等材料的工件,对清洗要求比较高,具有除污效果佳,除油能力强,除腊速度快,环保、无毒并具有优异的防锈功能。
适用的行业:(铝合金、锌合金、铜合金、不锈钢制造业)、电镀厂、首饰加工业、铝合金精密配件、手机配件、出口钟表等其他行业。
使用方法:1、将清洗剂原液按8-10倍的清水比例,配制成清洗溶液常温清洗。
如使用超音波加温至50-90度并保持恒温状态清洗效果更佳。
2、打开超音波发声器,把功率调到佳位置,再把待清洗工件放在超音波池内(超音波清洗专用挂具上),视工件表面油污轻重设定好定时提醒报警器时间,一般为2-5分钟。
3、取出工件,用清水将工件清洗干净。
4、清洗剂的浓度、槽液温度的高低、超音波频率的强弱,工件本身表面的腊质、油污与清洗速度的快慢、时间的长短息息相关。
日常维护:1、日常添加1-3%,根据除腊的效果、生产量、腊、油、污垢的轻重少量多次添加。
2、清洗液使用一定时间后,将清洗槽中的腊渣过滤后可以再次使用。
或者将过滤后的清洗液当粗洗液,可以充分利用清洗液降低清洗成本。
包装方式与储存方式:1、塑料桶包装25KG/桶,按一般化学品运输,轻装轻卸,防止重压倒置。
贮于室温下通风处。
保质期一年。
2、置通风阴凉处存放。
铝合金清洗剂基本参数:产品名称:铝合金清洗剂外观:浅黄色或黄色PH值(5%水溶液):8.50~9.50腐蚀试验(55+2ºC,8h,LY12铝):均不应出现腐蚀痕迹。
防锈试验40±2ºC,RH90±2%,一级灰口铸铁,单片,24h,:一级清洗率,%>:95油污【产品介绍】:铝合金清洗剂是选用的表面活性剂、助洗剂和特效的缓蚀剂复合配成的水基基型清洗剂。
具有强力渗透,清洗功能,特别是对铝材和黑色金属有良好的清洗能力。
【产品特性】:1、工作液无异味、无污染、对人体无害,室温下无色透明。
2、对矿物油、合成油、动植物油、润滑油、防锈油等各种油污有很好的清洗性。
3、同其它清洗剂相比、同等配比浓度,可达到更高的清洗效果,且低挥发、温降小、时效长,大幅度降低清洗成本。
4、在湿热条件下,对铸铁、钢、铜、铝及其各种合金的防锈效果远远高于国标。
5、清洗后的工件无需再漂洗;腐蚀小,被清洗的工件保持金属光泽。
6、安全,因为产品的活性物成份为特种表面活性剂,不腐蚀皮肤,且易生物降解,不燃不爆,在明火现场可放心使用。
【应用场景】:铝合金清洗剂适用于金属材料设备、材料的除油,脱脂清洗,金属表面清洗及其它要求较高的金属零部件油污的清洗。
【使用方法】:1、可用浸泡、刷洗、机械清洗,可在常温除油,若需要加快除油速度,可加温至60ºC–70ºC。
2、使用浓度为1:303、使用周期要视油污轻重程度和使用情况而定,一般以除污显著下降时补充或更换工作液。
【储运包装】:包装:采用小桶铁桶20L装和大桶铁桶200L包装1.应在室内存放,如果露天存放,要将桶横放,以避免水的入侵及桶上标志的淹没。
2.本品禁忌混入异物污染,否则易导致油品变质、失效。
3.本品颜色会随着放置时间的增加而变深属于正常现象,不影响使用。
不要与其他油品混用。
铝清洗剂成分一、前言铝清洗剂是一种用于清洗铝材料的化学制剂,它能够有效地去除铝材料表面的污垢和氧化层,使其恢复原有的光泽。
本文将详细介绍铝清洗剂的成分。
二、铝清洗剂成分1. 主要活性成分铝清洗剂的主要活性成分是酸性物质,如盐酸、硫酸等。
这些酸性物质能够与铝材料表面的氧化层反应,使其被溶解掉,从而达到清洗的效果。
2. 助剂为了提高铝清洗剂的清洗效果和稳定性,通常还会添加一些助剂。
常见的助剂有:(1)表面活性剂:如十二烷基苯磺酸钠、十二烷基硫酸钠等。
这些表面活性剂能够降低液体表面张力,使其更容易与铝材料表面接触,并促进反应。
(2)缓蚀剂:如硫代硫酸钠、草酸等。
这些缓蚀剂能够减缓酸性物质对铝材料的腐蚀作用,从而保护铝材料的表面。
(3)稳定剂:如亚硫酸钠、亚硫酸氢钠等。
这些稳定剂能够稳定铝清洗剂的化学性质,防止其在储存和使用过程中发生分解和变质。
3. 辅助成分除了主要活性成分和助剂外,铝清洗剂中还含有一些辅助成分,如水、乙二醇、甘油等。
这些辅助成分能够起到调节溶液浓度、增加液体粘度、改善润滑性等作用。
三、常见的铝清洗剂配方1. 盐酸型铝清洗剂配方:(1)盐酸:10-20%(2)十二烷基苯磺酸钠:0.1-0.3%(3)硫代硫酸钠:0.1-0.2%(4)水:余量2. 硫酸型铝清洗剂配方:(1)硫酸:10-20%(2)十二烷基硫酸钠:0.1-0.3%(3)草酸:0.1-0.2%(4)水:余量3. 混合型铝清洗剂配方:(1)盐酸:5-10%(2)硫酸:5-10%(3)十二烷基苯磺酸钠:0.1-0.3%(4)亚硫酸钠:0.1-0.2%(5)水:余量四、注意事项使用铝清洗剂时需要注意以下事项:1. 铝清洗剂属于强酸性物质,使用时需戴好防护手套和口罩,避免接触皮肤和呼吸道。
2. 在使用铝清洗剂时,应将其稀释至适当的浓度,避免过度浓缩导致对铝材料产生腐蚀作用。
3. 使用后应及时冲洗干净,避免残留的铝清洗剂对环境和设备造成损害。
金属清洗剂配方实例分享金属清洗剂是一种特殊的化学制剂,用于去除金属表面的污垢,使其恢复光洁。
金属清洗剂可用于清洗各种金属材料,如铁、铜、铝、锡、锌等。
在制备金属清洗剂时,需要考虑安全性、环保性和清洗效果。
下面是一种金属清洗剂的配方实例分享。
配方实例:1.成分:-68%正丙醇-20%白酒精-10%去离子水-2%十二烷基苯磺酸钠-0.5%双醇胺十六酸酯-0.3%聚氧乙烯硬化蓖麻油-0.2%蜡状硬脂酸2.制备方法:(1)将正丙醇、白酒精和去离子水按照上述比例混合,搅拌均匀。
(2)在搅拌的过程中,逐渐加入十二烷基苯磺酸钠,继续搅拌直到溶解。
(3)然后加入双醇胺十六酸酯,继续搅拌均匀。
(4)最后加入聚氧乙烯硬化蓖麻油和蜡状硬脂酸,搅拌均匀后放置至少12小时。
3.使用方法:(1)将金属清洗剂倒入清洗容器中。
(2)将待清洗的金属材料放入清洗液中,浸泡一段时间,时间可根据情况自行调整。
(3)使用软毛刷或海绵等工具轻轻刷洗金属表面,以去除污垢。
(4)清洗完毕后,将金属材料取出,用清水冲洗干净,并擦干水分。
注意事项:-在制备和使用金属清洗剂时,应佩戴手套、护目镜和呼吸器,以防止对人体造成损伤。
-制备金属清洗剂时应注意化学品的混合次序,避免产生危险反应。
-使用金属清洗剂时,要避免接触皮肤和眼睛,如不慎接触到,应立即用大量清水冲洗,并及时就医。
-清洗过程中,应使室内通风良好,防止有害气体积聚。
-清洗剂应储存在阴凉、干燥的地方,避免阳光直射。
以上配方是一种金属清洗剂的示例,不同的情况下,根据金属的种类和清洗要求,成分比例可能会有所不同。
在制备和使用金属清洗剂时,务必遵循相关安全操作规程,并根据具体情况进行调整。
金属清洗剂一、概述金属清洗剂是一个很广泛的产品概念,它几乎能适用于所有的机加工企业,如镁、铝、锌合金类压铸业。
金属清洗剂根据不同的产品、不同的油污,有不同的产品配方。
二、清洗剂使用行业在镁、铝、锌合金类压铸类金属制品的加工过程中,通常要对工件表面进行机械加工,在获得理想镜面的同时,必然在表面留下大量的残留物如:脱模剂、切削液、切削油、抛光蜡、除油粉、润滑油、防锈油等。
这些残留物含有大量的腐蚀性物质,长期存放后,会腐蚀工件表面,影响表面光泽,进而影响产品质量,或在一些中间工序需用工业清洗剂来清洗附着在产品表面的这些残留物,以便进行下一道工序,如金属、塑胶件、玻璃的电镀、喷漆、真空电镀之前,要精密清洗,以去除产品表面的油污和灰垢等,清洗的质量直接影响产品的品质,如清洗不干净将引起产品产生起泡、起皮等不良。
三、清洗剂种类目前使用的清洗剂主要分三类:1、水系由酸、碱和水配合,加入表面活性剂和一些防锈剂等。
在精密清洗工业中大部分水要制备成纯水,因废水排放对环境污染较大,所以必须增加污水处理设施。
2、半水系由高沸点溶剂和活性剂等组成,如醇类、乙二醇酯、有机烃类、N-甲基吡咯烷酮等。
通常含有5%~20%的水。
它的清洗原理是剥离去除,而非溶解,为了防止被剥离的油污再附到被清洗物上,清洗液要连续的循环,并增加油水分离器。
半水系通常清洗效果很好,但运营成本太高,废液不能回收循环使用,含COD较高,需进行废水处理。
3、非水系非水系清洗剂主要是烃类(石油类)、氯代烃、氟代烃、溴代烃、醇类、有机硅、萜烯等有机溶剂。
使用最佳的非水系清洗剂是CFC-113和TCA,但因环保的要求这两种清洗剂已被淘汰。
目前用来替代这两种清洗剂的产品有:⑴烃类:也叫碳化水素或碳氢溶剂;⑵氯代烃溶剂:现在使用的氯代烃溶剂主要有:三氯乙烯、二氯甲烷和四氯乙烯。
⑶溴代烃溶剂:其主要成分是高纯度的正溴丙烷(NPB)其清洗效果可与CFC-113和TCA相媲美。
铝及铝合金清洗剂配方l有色金属清洗剂山梨醇水溶液(70%)71 .4份乙二胺四乙酸钠10 0.0份氢氧化钠50 .0份2一丁氧基乙氧基醚醋酸钠水溶液2. 3份本品调配成一定浓度的水溶液,清洗有油污的冲压铝板,然后浸入冷水中漂洗晾干。
配方2铝合金件除油剂磷酸钠5.0%~8.0%硅酸钠5.0%~6.0%磷酸二氢钠2.0%~3.O%烷基苯磺酸钠0.5~1.0%水加至100%本配方适用于铝合金件的除油。
配方3铝及其合金碱液去油剂(一)氢氧化钠或氢氧化钾8~lOg磷酸钠40~60g硅酸钠25~30g水加至1000mL配方4铝及其合金碱液去油剂(二)磷酸钠20~25g碳酸钠20~25g表面活性剂(0P—7或OP 一10)5~lOg水加至1000mL配方5铝的化学除油剂硅酸钠l09/L氢氧化钠20~409/L磷酸钠20~309/L水加至1L工艺条件:温度40~60℃,时间2~8min。
配方6水基金属油污清洗剂两则I焦磷酸钾(以K4P2O7计)6.000%~6.600%硼砂(以Na2B4O7计)3.500%~5.000%十二烷基磷酸酯钾盐3.500%~4.500%十四醇聚氧乙烯醚琥珀酸单酯0.500%~磺酸盐l.000%脂肪醇聚氧乙烯醚硫酸钠0.100%~0.500%辛烷基酚聚氧乙烯醚3.000%~4.500%脂肪醇聚氧乙烯(9)醚2.500%~3.000%脂肪醇聚氧乙烯醚0.500%~l.000%二乙二醇单丁基醚5.000%~9.000%苯并三氮唑0.012%~0.050%水加至100%Ⅱ氢氧化钾0.400%一0.500%硅酸钾5.O00%一6.000%焦磷酸钾(以K4P2O7计)6.000%一6.600%硼砂(以Na2B4O7计)3.500%一5.000%十二烷基磷酸酯钾盐3.500%一4.500%十四醇聚氧乙烯醚琥珀酸单酯磺酸盐0.500%一l.000%脂肪醇聚氧乙烯醚硫酸钠0.100%一0.500%辛烷基酚聚氧乙烯醚3.000%一4.500%脂肪醇聚氧乙烯(9)醚2.500%一3.000%脂肪醇聚氧乙烯醚0.500%一l.000%二乙二醇单丁基醚9.000%一ll.000%苯并三氮唑0.012%一0.050%水加至100%本剂为弱碱性水基金属油污清洗剂的浓缩液,可直接用自来水配制,稀释2—30倍成工作液;最佳清洗温度60℃左右,时间20min,较适合自动化清洗,可用于各种金属表面清洗;配方Ⅱ尤其适合铝及其合金表面清洗,清洗率可达99.0%以上,腐蚀率几乎为零。
铝材碳氢清洗剂不可替代的说明随着工业生产的不断发展,铝材的应用范围也越来越广泛。
与此同时,镀铝工艺也成为了一种重要的表面处理方式。
在铝材的生产加工过程中,碳氢清洗剂作为清洗铝材表面的重要剂料,在镀铝工艺中起到了不可替代的作用。
碳氢清洗剂是指一类具有高脂溶性和高挥发性的有机化合物,其具有很好的脱脂除油能力,适用于多种金属表面的清洗。
与其他清洗剂相比,碳氢清洗剂的主要特点在于其清洗效果好、清洗时间短、对金属表面无损伤。
铝材作为一种质轻、耐腐蚀的金属材料,逐渐成为了广泛应用的材料之一。
在铝镀工艺中,铝材表面需要进行清洗、脱脂等预处理工作,以保证后续的电镀等表面处理能够得到较好的效果。
而铝材表面的清洗工作就需要使用到碳氢清洗剂。
它与其他清洗剂相比,具有以下优点:
一、较好的脱脂效果
碳氢清洗剂具有很好的脱脂效果,能够迅速将铝材表面的油污、脂肪等物质快速去除,使得铝材表面能够达到理想的清洁程度。
二、不损伤金属表面
使用碳氢清洗剂进行铝材的清洗工作不会对铝材的表面造成任何损伤,不会影响铝材表面的防腐蚀性能和外观质量。
因此,它既可以在生产过程中使用,也可以作为一种日常维护和清洗方式。
三、清洗时间短
相比于其他清洗剂,碳氢清洗剂具有短清洗时间的特点。
在镀铝工艺中,能够大大提高生产效率,降低生产成本。
碳氢清洗剂在铝材铝镀工艺中具有不可替代的作用,能够保证铝材表面的清洁度及完整性,达到理想的铝镀效果。
因此,作为一种重要的表面处理工艺,铝材碳氢清洗剂能够为铝材及制造商提供更好、更高效的生产服务。
铝合金清洗剂
铝合金清洗剂是一款超浓缩型的水溶性环保清洗剂,使用在铝合金材料在超声波机或者浸泡清洗,无毒,环保性能好,清洁能力强,可以有效缩短清洗时间或者减少步骤,推荐清洗稳定:50-60度。
1、铝合金清洗剂参数:
外观:黄色透明
Ph值:8.5-9.5
执行标准:SGS
包装:18L/桶,200L/桶
2、铝合金清洗剂特点:
一、不含磷、镍、铬等有害物质,对人体、环境无害
二、能彻底清除金属表面油污、斑点而且带有防锈功能
3、东莞美科铝合金清洗剂知识分享:
工业润滑油简单鉴别方法
1、用一透明玻璃瓶装适量油在阳光下观察,若油的表面有蓝色反光说明是新油,用过得或变质的无此现象。
2、新油应当是澄清无沉淀;旧油、变质油或劣质油,有浑浊、沉淀、悬浮物存在等现象。
3、旧油、变质油或劣质油往往有酸性刺激性气味。
4、用试管盛少量油加热,若有叭叭声,表明有水分存在,用100目丝网过虑可观察有无机械杂质。
铝合金化学清洗方案背景随着现代工业的快速发展,铝合金作为一种重要的结构材料在各个领域的应用越来越广泛。
但是,铝合金表面往往会出现各种污垢和氧化膜,如何有效地去除这些污垢和氧化膜成为了一个重要的问题。
传统的机械清洗难以去除这些污垢,因此需要采用化学清洗方法。
化学清洗方案选用的清洗剂选择合适的清洗剂是一项关键的工作。
对于铝合金表面的清洗,我们可以选择如下清洗剂:1.硝酸2.铬酸3.磷酸4.碱性清洗剂其中,硝酸和铬酸都属于强氧化剂,可以有效去除铝合金表面的氧化膜和污垢;磷酸则属于不锈钢清洗剂中比较常用的一种,也可以用于铝合金表面的清洗;碱性清洗剂则适用于一些不需要高精度处理的铝合金表面的清洗。
清洗步骤对于选择的清洗剂,我们可以按照以下步骤进行清洗:1.浸泡:将铝合金待清洗的部分放入清洗液中浸泡,一般浸泡时间为10-20分钟。
2.刷洗:使用软毛刷和清水轻轻地刷洗铝合金表面,注意不要划伤表面。
3.冲洗:用流水将铝合金表面清洗干净,确保清洗剂彻底地洗净。
4.烘干:将铝合金表面用自然通风或吹风机吹干。
值得注意的是,不同的清洗剂有不同的清洗要求,需要按照清洗剂的使用手册进行操作。
注意事项在进行化学清洗时,需要注意以下几点:1.要穿戴好防护手套和护目镜等防护装备,以免清洗剂对皮肤和眼睛等造成伤害。
2.严格按照清洗剂的使用说明进行操作,不要超出使用时限和加入过量。
3.清洗过后,要彻底将清洗液和水洗净,以免清洗剂残留影响铝合金表面的质量。
4.在烘干的过程中,使用吹风机时要注意温度不要过高,以免铝合金变形。
结论铝合金作为一种广泛应用的结构材料,其表面常常会出现氧化膜和各种污垢。
对于这些污垢,传统的机械清洗难以去除,因此需要采用化学清洗方法。
针对不同铝合金表面的污垢和氧化膜,我们可以选择合适的清洗剂进行清洗,并按照清洗步骤进行操作,以保证铝合金表面的清洁度和质量。
同时,在进行化学清洗时,需要注意防护和操作规范,以保障工作的顺利进行。
铝清洗剂方法一、前言铝清洗剂是一种常用的清洗剂,适用于各种铝材料的清洗和去污。
在铝材料加工和生产过程中,经常需要用到铝清洗剂。
本文将介绍如何使用铝清洗剂进行清洗。
二、准备工作1.选择合适的铝清洗剂首先需要选择合适的铝清洗剂。
不同的铝材料需要使用不同的清洗剂,因此要根据具体情况选择合适的产品。
2.准备好必要的工具和设备在进行铝材料的清洗之前,需要准备好必要的工具和设备,如刷子、水桶、水管等。
3.保证安全使用任何化学品都需要保证安全。
在使用铝清洗剂之前,请务必佩戴手套、护目镜等防护用品,并确保操作环境通风良好。
三、步骤1.将铝材料浸泡在水中首先,将需要进行清洗的铝材料放入水中浸泡一段时间。
这样可以软化污垢,并让后续操作更加容易。
2.涂抹铝清洗剂将选好的铝清洗剂涂抹在需要清洗的铝材料上。
可以使用刷子或者手套擦拭,确保每个角落都被涂抹到。
3.等待一段时间将铝材料涂抹上铝清洗剂后,需要等待一段时间,让其充分起作用。
具体时间可以根据清洗剂的说明来确定。
4.用水冲洗等待一段时间后,用水冲洗干净。
可以使用水管或者水桶来冲洗,确保每个角落都被彻底冲洗干净。
5.擦干将铝材料擦干,并放置在通风良好的地方晾干。
如果需要更快地晾干,可以使用吹风机等设备进行加速。
四、注意事项1.遵守安全操作规程使用任何化学品都需要遵守安全操作规程。
在使用铝清洗剂之前,请务必佩戴手套、护目镜等防护用品,并确保操作环境通风良好。
2.选择合适的铝清洗剂不同的铝材料需要使用不同的清洗剂,因此要根据具体情况选择合适的产品。
3.避免过度清洗过度清洗可能会对铝材料造成损害,因此应该避免过度清洗。
4.注意铝材料的质量铝材料的质量也会影响清洗效果。
如果铝材料表面存在明显的划痕或者损伤,可能需要进行修复后再进行清洗。
五、总结使用铝清洗剂可以有效地去除铝材料表面的污垢和氧化物,使其恢复原有的光泽。
在使用铝清洗剂时,需要注意安全操作规程,并选择合适的产品和工具。
铝清洗剂成分解析铝清洗剂成分解析简介:铝清洗剂是一种用于去除或清洁铝制品表面的化学制剂。
它可以帮助去除氧化物和污渍,使铝制品恢复光亮和清洁。
在铝制品制造和维护过程中,铝清洗剂起到了至关重要的作用。
本文将对铝清洗剂的成分进行深入分析,以帮助读者更好地理解该产品的工作原理和适用范围。
一、铝清洗剂的基础成分1. 氢氟酸:氢氟酸是铝清洗剂中常见的成分之一。
它具有较强的腐蚀性,可以帮助去除铝制品表面的氧化物层和污渍。
然而,由于其腐蚀性较高,使用过程中需要格外小心,并采取必要的安全措施。
2. 碱性成分:铝清洗剂通常还包含一些碱性成分,如氢氧化钠或氢氧化钾。
这些碱性物质可以中和氢氟酸的强酸性,起到增强清洁效果的作用。
同时,碱性成分还能帮助中和铝制品表面的酸性污渍,提高清洗效果。
3. 表面活性剂:铝清洗剂中的表面活性剂可以改善清洗剂与铝制品表面的接触性能,使清洗剂更容易渗透和去除污渍。
这些表面活性剂通常是非离子型或阴离子型,具有良好的去污性能和界面活性。
二、铝清洗剂的工作原理铝清洗剂的工作原理是通过化学反应和物理作用来去除铝制品表面的氧化物和污渍。
1. 化学反应:铝清洗剂中的氢氟酸可以与铝表面的氧化物反应生成可溶性的化合物,如铝氟化物。
这些可溶性化合物可以被清洗剂轻松去除,使铝制品表面恢复光亮。
2. 物理作用:铝清洗剂中的表面活性剂可以降低液体的表面张力,使清洗剂更容易渗透到铝制品微观结构的细小孔隙中。
同时,表面活性剂还能帮助去除附着在铝表面的污渍,使清洗效果更为显著。
三、铝清洗剂的适用范围铝清洗剂广泛应用于铝制品制造和维护的各个环节,例如:1. 铝合金制造:在铝合金制造过程中,铝清洗剂可以帮助去除铝合金表面的氧化物和污渍,保证合金表面的质量,提高制品的性能。
2. 铝制品维护:铝清洗剂还适用于铝制品的维护和清洁。
例如,对于铝窗户和门的清洗,可以使用铝清洗剂去除表面的尘垢和污渍,使其恢复光亮和清洁。
3. 铝制品回收:在铝制品回收和再利用过程中,铝清洗剂可以帮助去除回收铝的表面污染和铝锈,提高回收铝的质量和利用率。
铝合金清洗剂安全操作及保养规程铝合金是一种高强度、轻量、耐腐蚀和导热性能良好的金属材料,广泛应用于航空、机械、建筑等领域。
但铝合金的表面容易受到污染和氧化,影响其美观和使用寿命。
因此,铝合金清洗剂的使用非常重要。
然而,清洗剂的使用也存在安全风险。
本文介绍铝合金清洗剂的安全操作和保养规程,以确保使用过程中的安全和有效性。
铝合金清洗剂的选择铝合金清洗剂有很多种,各有特点。
在选择清洗剂时,首先要考虑清洗的环境和目的。
一些清洗剂可能对不同类型的铝合金产生腐蚀效应,严重时可能导致铝合金损坏或氧化,从而导致安全问题和可靠性问题。
因此,在选择清洗剂时应注意以下几点:1.不同清洗剂的清洗效果和清洗时间不同,要根据情况选择合适的清洗剂;2.选择对铝合金表面无腐蚀作用的清洗剂;3.对于一些对铝合金表面有高洁净度要求的情况,应选择低残留的清洗剂;4.在清洗剂中选择对环境无毒的清洗剂。
铝合金清洗剂的安全操作使用铝合金清洗剂需要注意一些安全问题,以确保使用过程安全。
以下是一些铝合金清洗剂的安全操作建议:1. 使用清洗剂时要戴防护手套铝合金清洗剂的成分是化学物质,某些清洗剂可能会对人体产生损害。
因此,在使用清洗剂时,应戴防护手套,将手套穿好后再打开清洗剂。
2. 散热后再进行清洗在清洗过程中,如果铝合金的温度过高,可能会导致清洗剂生成有毒气体。
因此,在使用清洗剂前,应等铝合金散热后再进行清洗。
3. 避免清洗剂飞溅在清洗铝合金时,避免清洗剂飞溅到自己的身体上。
如果发现有清洗剂飞溅,应及时清洗。
4. 通风清洗剂的成分可能会对人体产生损害。
因此,在使用铝合金清洗剂时应在通风条件下操作,以免吸入有害气体导致健康问题。
铝合金清洗剂的保养规程铝合金清洗剂的保养也很重要,以确保其性能能长期有效。
1. 关注清洗剂的存放条件铝合金清洗剂应存放在通风、干燥的地方,避免阳光直射和酸性气体的污染。
2. 定期更换清洗剂清洗剂是一种有限的资源,使用次数过多后,清洗效果将会减弱,严重时可能导致损坏铝合金表面。
铝合金除垢剂配方铝合金除垢剂是一种用于去除铝合金表面氧化物和污垢的化学制剂。
它具有温和而有效的特性,可以在不损害铝合金表面的情况下去除附着物。
以下是一种常见的铝合金除垢剂配方,可以帮助您有效地清洁铝合金材料。
配方一:酸性除垢剂1. 氢氟酸:100克2. 硝酸:100克3. 硫酸:200克4. 水:600克将以上成分按照比例混合,搅拌均匀即可得到酸性除垢剂。
使用时,将溶液涂抹在需要清洁的铝合金表面,静置一段时间后,用清水冲洗干净。
注意,使用酸性除垢剂时应戴好防护手套和眼镜,避免直接接触皮肤和眼睛。
配方二:碱性除垢剂1. 碱性氢氧化物(如氢氧化钠或氢氧化钾):500克2. 水:500克将碱性氢氧化物溶解在水中,搅拌均匀即可得到碱性除垢剂。
使用时,将溶液涂抹在铝合金表面,静置一段时间后,用清水冲洗干净。
碱性除垢剂可有效去除铝合金表面的有机物和油脂。
配方三:酸碱复合除垢剂1. 氢氟酸:50克2. 硝酸:50克3. 碱性氢氧化物:100克4. 水:400克将以上成分按照比例混合,搅拌均匀即可得到酸碱复合除垢剂。
使用时,将溶液涂抹在需要清洁的铝合金表面,静置一段时间后,用清水冲洗干净。
酸碱复合除垢剂的酸性成分可以去除铝合金表面的氧化物,碱性成分可去除有机物和油脂。
配方四:有机溶剂除垢剂1. 乙酸:200克2. 甲醇:200克3. 水:600克将以上成分按照比例混合,搅拌均匀即可得到有机溶剂除垢剂。
使用时,将溶液涂抹在铝合金表面,轻轻擦拭,去除表面附着物后,用清水冲洗干净。
有机溶剂除垢剂适用于去除一般的污垢和油脂,但对于氧化层较厚的铝合金效果较差。
配方五:氧化剂除垢剂1. 过氧化氢:100克2. 水:900克将过氧化氢溶解在水中,搅拌均匀即可得到氧化剂除垢剂。
使用时,将溶液涂抹在铝合金表面,静置一段时间后,用清水冲洗干净。
氧化剂除垢剂可快速去除铝合金表面的氧化物,但使用时应注意避免溅入眼睛或皮肤。
以上是几种常见的铝合金除垢剂配方,可以根据实际需求选择合适的配方。
压铸铝清洗剂配方
压铸铝清洗剂配方是一项重要的工艺,它能够有效地清洗铝合金表面的污垢和氧化物,为后续的加工和涂装提供了良好的基础。
以下是一些常用的压铸铝清洗剂配方:
1.碱性清洗剂配方:
- 氢氧化钠:10-15g/L
- 碳酸钠:10-15g/L
- 磷酸三钠:5-10g/L
- 温度:50-70℃
- 时间:5-10分钟
2.酸性清洗剂配方:
- 硝酸:10-20g/L
- 磷酸:2-5g/L
- 氢氟酸:1-2g/L
- 温度:40-50℃
- 时间:5-10分钟
3.中性清洗剂配方:
- 碱性表面活性剂:5-10g/L
- 螯合剂:5-10g/L
- 温度:40-50℃
- 时间:5-10分钟
这些清洗剂配方都有其适用的场合和优点。
碱性清洗剂适用于清洗铸造铝件表面的油污和灰尘,而酸性清洗剂则可以去除铝合金表面的氧化物和锈蚀。
中性清洗剂则可以在不损伤铝合金表面的情况下清洗污垢。
需要注意的是,清洗剂的使用应该遵循一定的操作规程,如使用前应该先进行试验,以确定清洗剂的浓度和清洗时间;在使用过程中应该保持清洗液的温度和浓度稳定,避免过高或过低的温度和浓度对
铝合金表面造成损伤。
总之,压铸铝清洗剂配方是一个需要认真对待的工艺,只有掌握了正确的配方和操作方法,才能够达到良好的清洗效果。
铝及铝合金表面处理剂配方与处理工艺大全
铝及铝合金表面处理剂配方与处理工艺大全是一个非常庞大的话题,涉及到很多不同的处理方法和配方。
以下是一些常见的铝及铝合金表面处理剂配方与处理工艺:
1. 酸洗工艺:铝及铝合金表面常使用的酸洗剂有硝酸、磷酸和氢氟酸。
酸洗的目的是去除铝表面的氧化物和杂质,提高其附着力和腐蚀性能。
2. 碱洗工艺:碱洗剂可钝化铝表面,提高其抗腐蚀性能。
常用的碱洗剂有氢氧化钠和氢氧化钾。
3. 电解工艺:铝及铝合金可通过电解处理来提高其表面的亮度和平整度。
常用的电解液有硫酸和磷酸。
4. 化学溶剂清洗工艺:化学溶剂可用来去除铝表面的有机污染物和油脂。
常用的化学溶剂有丙酮和乙醇。
5. 除尘工艺:铝及铝合金表面处理过程中常会产生尘埃和颗粒物,可采用喷洗、吹风或吸尘等方法进行除尘。
6. 表面涂层工艺:为了提高铝及铝合金的耐腐蚀性和外观,可以进行表面涂层处理。
常见的涂层方法包括喷涂、镀膜、阳极氧化和电泳等。
以上只是一些常见的铝及铝合金表面处理剂配方与处理工艺,
实际应用中还有更多的方法和配方可选择。
具体的处理方案应根据材料的具体要求和处理目的来确定。
铝及铝合金清洗剂
配方l有色金属清洗剂
山梨醇水溶液(70%)
71 .4份
乙二胺四乙酸钠
10 0.0份
氢氧化钠
50 .0份
2一丁氧基乙氧基醚醋酸钠水溶液
2. 3份
本品调配成一定浓度的水溶液,清洗有油污的冲压铝板,然后浸入冷水中漂洗晾干。
配方2铝合金件除油剂
磷酸钠
5.0%~8.0%
硅酸钠
5.0%~6.0%
磷酸二氢钠
2.0%~3.O%
烷基苯磺酸钠
0.5~
1.0%
水
加至100%
本配方适用于铝合金件的除油。
配方3铝及其合金碱液去油剂(一)
氢氧化钠或氢氧化钾
8~lOg
磷酸钠
40~60g
硅酸钠
25~30g
水
加至1000mL
配方4铝及其合金碱液去油剂(二)
磷酸钠
20~25g
碳酸钠
20~25g
表面活性剂(0P—7或OP 一10)
5~lOg
水
加至1000mL
配方5铝的化学除油剂
硅酸钠
l09/L
氢氧化钠
20~409/L
磷酸钠
20~309/L
水
加至1L
工艺条件:温度40~60℃,时间2~8min。
配方6水基金属油污清洗剂两则
I
焦磷酸钾(以K4P2O7计)
6.000%~6.600%
硼砂(以Na2B4O7计)
3.500%~5.000%
十二烷基磷酸酯钾盐
3.500%~4.500%
十四醇聚氧乙烯醚琥珀酸单酯0.500%~
磺酸盐l.000%
脂肪醇聚氧乙烯醚硫酸钠
0.100%~0.500%
辛烷基酚聚氧乙烯醚
3.000%~4.500%
脂肪醇聚氧乙烯(9)醚
2.500%~3.000%
脂肪醇聚氧乙烯醚
0.500%~l.000%
二乙二醇单丁基醚
5.000%~9.000%
苯并三氮唑
0.012%~0.050%
水加至100%Ⅱ
氢氧化钾
0.400%一0.500%
硅酸钾
5.O00%一6.000%
焦磷酸钾(以K4P2O7计)
6.000%一6.600%
硼砂(以Na2B4O7计)
3.500%一5.000%
十二烷基磷酸酯钾盐
3.500%一4.500%
十四醇聚氧乙烯醚琥珀酸单酯磺酸盐
0.500%一l.000%
脂肪醇聚氧乙烯醚硫酸钠
0.100%一0.500%
辛烷基酚聚氧乙烯醚
3.000%一4.500%
脂肪醇聚氧乙烯(9)醚
2.500%一3.000%
脂肪醇聚氧乙烯醚
0.500%一l.000%
二乙二醇单丁基醚
9.000%一ll.000%
苯并三氮唑
0.012%一0.050%
水加至100%
本剂为弱碱性水基金属油污清洗剂的浓缩液,可直接用自来水配制,稀释2—30倍成工作液;最佳清洗温度60℃左右,时间20min,较适合自动化清洗,可用于各种金属表面清洗;配方Ⅱ尤其适合铝及其合金表面清洗,清洗率可达99.0%以上,腐蚀率几乎为零。
配方7铝件光亮清洁剂(一)
辛基酚聚氧乙烯醚
l2.O%
一缩二丙二醇甲醚
25.O%
邻二氯苯
5.O%
磷酸(85%)
45.0%
水
13.0%
先将磷酸加入水中,再加辛基酚聚氧乙烯醚、一缩二丙醇甲醚,然后加入邻二氯苯。
本晶为无色透明黏稠液。
使用时用3倍水稀释。
配方8铝件光亮清洁剂(二)
丁基溶纤剂
10.O%
十三烷基苯基聚氧乙烯醚
4.0%
壬基酚聚氧乙烯醚
2.0%
磷酸(75%)
10.O%
盐酸
5.O%
水
69.0%
配方9铝酸性清洗剂
脂肪醇聚氧乙烯醚
7.32%
松香酸聚乙二醇酯
7.32%
硫酸(96%)
38.40%
氢氟酸(70%)
6.48%
水
40.48%
本品用于铝表面酸洗,亦可清洗由润滑油污染的铝表面。
配方l0铝合金型材脱脂剂
十二烷基苯磺酸钠
l 0%
非离子表面活性剂
5%
三聚磷酸钠
1 0%
异丙醇
7%
丁炔二醇
l %
水
6 7%
用醋酸、丁酸混合液调节pH值为6。
传统的脱脂剂采用硫酸与表面活性剂的复合液,虽能去除铝型材表面油污,但残存的硫酸给后道碱洗工序带来不良影响。
本剂能快速高效脱除铝型材表面油污及增强润湿作用,可除去天然氧化膜并激活合金表面分子,有助后道碱洗工序。
配方11铝件清洗剂
丙二醇甲醚
7.O%
二甲基硅氧烷
2.0%
硬脂酸
4.0%
三乙醇胺
0.7%
二氧化硅
l4.0%
甲基纤维素
0.1%
水
72.2%
先将丙二醇甲醚、二甲基硅氧烷、硬脂酸加热至60℃,另将三乙醇胺溶于1/3水中并加热至约60℃,倒人前面的溶液中搅拌混匀,再将余量的水加热至90℃,在搅拌下加入二氧化硅、甲基纤维素并慢慢加入前面的混合液中,搅拌均匀后冷却至室温即为铝件清洗剂。
配方l2铝合金化学除锈液(一)
铬酐
8 0g
磷酸(相对密度l.71)
2 00ml
水
l L
本配方对基体金属腐蚀极小,但对重锈不能除去。
处理温度为室温,处理时间小于lOmin。
配方l3铝合金化学除锈液(二)
硝酸5
%
水9
5%
本配方加l%的重铬酸钾可减少对基体金属的腐蚀,处理温度为室温,处理时间小于lOmin。