临时用电作业票
- 格式:doc
- 大小:118.50 KB
- 文档页数:6
2024年临时用电安全施工作业票一、危险点控制措施1、临时用电必须按JGJ46-xx规范和项目施工组织设计的要求,设置三级配电两级保护的配电箱和开关箱。
2、现场专用变压器供电的TN-S接零保护系统中的电气设备的金属外壳必须与保护零线可靠连接;与外电线路(三相五线制)合用的同一供电系统中,现场电气设备的金属外壳其保护接地或保护接零必须与原系统一致,不得一部分设备做保护接零,另一部分设备做保护接地。
3、用电线路及电气设备的绝缘必须良好,布线应整齐,设备的裸露带电部分应加防护措施。
4、低压架空线路采用绝缘线时,架设高度不得低于2.5m。
5、交通要道及车辆通行处,架设高度不得低于5m,采用铝线或铜绞线时,导线截面不得小于16mm2;现场直埋电缆通过道路时应采用保护套管。
6、用电设备的电源引线长度不得大于5m。
距离大于5m时应设流动开关刀闸箱,流动开关刀闸箱至固定式配电箱之间的引线长度不得大于40m。
7、各种开关及熔断器的上口接电源,下口接负荷,严禁倒接。
8、在潮湿的沟道、池坑及金属容器内工作,其照明电压应在12伏及以下。
9、刀闸和熔断器的容量,应满足被保护设备的要求,熔丝应有保护罩。
严禁用其它金属丝代替熔丝或以大代小。
10、每台用电设备应有各自专用的开关,严禁多接,必须实行一机一闸制,开关箱中也必须装设漏电断路器。
11、移动式电动工具线应采用耐磨的绝缘胶线,并装设漏电保护器。
12、施工用电设施安装完毕后,应由专业班组或指定电气专业人员(电工)负责运行及维护。
严禁非电气专业人员拆、装施工用电设施。
13、照明灯的开关必须控制火线,使用螺丝口灯头时,零线应接在灯头的螺丝口上。
14、严禁用电炉、碘钨灯、大功率灯泡、来烘烤衣服、设备或取暖。
二、防范事故类别1、触电2、火灾三、危险点控制补充措施四、现场执行情况2024年临时用电安全施工作业票(二)一、概述临时用电是在电力系统建设、维护和日常生活中经常需要进行的一项工作。
临时用电安全作业作业票填写规范
正式运行的电源接入非永久性用电时,必须申请临时用电安全作业证。
申请单位需提供作业时间、作业地点、电源接入点、用电设备及功率等信息。
作业人必须持有作业证编号,格式为部门拼音简写+作业名称简写+年份+编号。
作业时间不超过15天,特殊情况下可申请延期,但不得超过一个月。
在xx车间xx岗位进行作业时,需注意工作电压、电焊机功率大小和电工证号(T+身份证号)。
防止触电危害,需要实施安全教育和确认安全措施。
作业现场负责人应在防爆场所使用符合防爆等级要求的临时电源、元器件和线路。
单项和混用线路采用五线制,线路架空进线不得采用裸线,临时用电线路在装置内不低于2.5m,道路不低于5m。
暗管埋设及地下电缆线路设有“走向标志”和“安全标志”,电缆埋深大于0.7m。
现场临时用配电盘、箱需有防雨措施,临时用电设施需装有漏电保护器,移动工具、手持工具需“一机一闸一保护”。
设备、线路容量和负荷需符合要求。
其他安全措施需根据实际情况进行编制。
最后,作业现场负责人需签字确认安全措施,并由作业单位负责人、所在车间负责人和生产部门负责人审批并签字同意。
最终送达点单位进行意见确认。
2023年临时用电安全施工作业票一、概述临时用电是在电力系统建设、维护和日常生活中经常需要进行的一项工作。
为了确保施工人员的人身安全和电力设备的正常运行,需要进行临时用电安全施工作业。
本施工作业票依据相关法规和标准制定,旨在规范临时用电施工作业的流程和安全要求。
二、作业名称临时用电安全施工作业三、作业地点详细描述临时用电施工作业的地点,并标注位置示意图。
四、作业时间明确临时用电施工作业的开始时间和结束时间。
五、作业负责人指定一名合格的电气工程师或专业技术人员,担任临时用电施工作业的负责人,负责指导、监督和检查施工作业的安全进行。
六、施工人员列出参与临时用电施工的人员名单,并注明其职称和从业资格证书编号。
七、施工设备和工具明确使用的施工设备和工具,包括但不限于电缆、插座、开关、电源线等,必须符合国家强制性标准,并具有安全可靠的性能。
八、安全措施1. 施工前必须由专业人员对用电线路和设备进行全面检查和维护,确保其安全可靠。
2. 施工现场必须设置明显的警示标志,标明“高压电源,请勿靠近”。
3. 临时用电线路必须采用绝缘材料包裹,布线需穿地板、墙壁或铠装管,并标明线路名称和电压等级。
4. 为防止电流过载,必须按照规定选择合适的电源开关和插座,使用负荷均衡器进行分配。
5. 施工现场必须配备合适的灭火器材和急救箱,并定期检查和保养。
6. 临时用电线路的接地必须符合相关标准要求,并定期检查和测试接地电阻。
7. 临时用电线路的配电箱必须设置在通风干燥的地方,禁止任何人随意触摸或操作。
8. 施工现场必须保持清洁整齐,避免物品堆放过多,防止引发火灾和触电事故。
9. 施工过程中严禁使用损坏、老化或质量不合格的电缆、插座、开关等设备和工具。
10. 施工人员必须佩戴符合要求的劳动防护用品,包括电工手套、绝缘服、安全鞋等。
九、应急措施1. 发生电气事故或火灾时,施工人员应立即停止施工,并迅速撤离险区,报警求救。
2. 发现电气设备出现异常,如烧焦、冒烟等情况时,施工人员应立即切断电源,并进行检修或更换设备。
工地临时用电作业票一、工程概况工地临时用电作业票是为了确保在建筑工地进行临时用电作业时的安全性和有效性而制定的。
以下是对工地临时用电作业票的相关内容进行详细阐述。
一、工程概况1. 工程名称:XXX建筑工地临时用电工程2. 工程地点:XXX省XXX市XXX区3. 工程规模:占地面积XXX平方米,总建筑面积XXX平方米4. 工程性质:民用建筑5. 施工单位:XXX建筑安装工程有限公司6. 施工周期:自XXX年XX月XX日至XXX年XX月XX日二、用电管理1. 用电管理原则:严格按照国家有关电力安全规定和标准,遵循“安全第一、预防为主、综合治理”的原则。
2. 用电负荷:根据工程需要,预计最高用电负荷为XXX千瓦。
3. 供电方式:采用临时低压供电,电压为380/220伏。
4. 临时用电设施:包括配电柜、配电箱、开关箱、电缆线路、照明设备等。
5. 用电安全检查:定期对临时用电设施进行检查,确保用电安全。
三、电工1. 电工要求:具备国家规定的电工资格证书,熟悉电力安全知识。
2. 电工职责:a) 负责临时用电设施的安装、调试、维护和检修;b) 定期对临时用电设施进行安全检查;c) 及时处理用电故障,确保用电安全;d) 对施工人员进行用电安全培训。
四、安全距离与外电防护1. 安全距离:根据国家电力安全规定,设置安全距离如下:a) 低压线路:不低于0.5米;b) 高压线路:不低于1.0米;c) 配电装置:不低于1.5米。
2. 外电防护:a) 在临时用电设施周围设置安全警示标志;b) 在临时用电设施周围设置防护设施,如围挡、遮拦等;c) 定期对外电线路进行检查,确保安全可靠;d) 遇到外电线路故障时,及时与供电部门联系,确保施工安全。
五、电缆线路1. 电缆线路设计:a) 根据工程用电负荷和供电距离,合理选择电缆类型和截面;b) 电缆线路应满足施工期间的用电需求,同时考虑施工结束后易于拆除和回收;c) 电缆线路应避开易燃易爆场所,确保安全。
特殊作业-临时用电作业票填写和审批注意事项
1、申请单位是指危险化学品企业中进行临时用电作业的属地单位,不应是承包商或临时用电作业实施单位。
2、临时用电作业人和临时用电作业负责人应填写有效的电工证证号。
3、监护人是指由临时用电作业申请单位安排且经过危化品企业内部监护人安全培训合格,取得安全培训合格证(监护资格证)的人员。
办理临时用电安全作业票时,应填写其安全培训合格证(监护资格证)证号。
4、在运行的生产装置、罐区和具有火灾爆炸危险场所接用临时电源,不涉及动火作业时,不需办理动火安全作业票,但应对配电箱、电源接入点处的环境进行可燃气体分析,分析合格结果填入临时用电安全作业票。
5、动火、受限空间作业涉及临时用电时,应同时办理动火、受限空间安全作业票,用于动火、进入受限空间作业的临时用电时间应和相应作业的时间一致。
用于动火作业的临时用电,若配电箱、电焊机等处于动火点10米范围内,且可燃气体分析合格数据已在动火安全作业票上记录的,临时用电安全作业票的可燃气体分析数据可以不填写,未在动火安全作业票上记录的,则应临时用电票上填写。
若超出动火点10米范围,则应对配电箱、电焊机等周围环境进行可燃气体分析,并将分析合格结果填写在临时用电安全作业票上。
6、临时用电作业安全管理制度应明确安全措施的确认人,申请单位确认哪些措施,实施单位确认哪些措施,不能由同一个人对所有的措施进行确认签名。
7、审核、审批临时用电安全作业票时,应填写同意作业的意见并签名,时间填写到分钟。
8、由取得电工资格证的作业负责人负责安全交底。
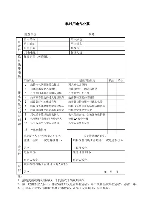
临时用电作业票
朱砖井污水处理有限公司临时用电票填写说明
1、用电单位按作业性质到供电单位申请用电,填写《朱砖井污水处理有限公司临时用电作业票》的相关内容并在“施工单位负责人"栏签字后交供电单位审查。
若在防爆场所接引临时用电设施,在申请办理《朱砖井污水处理有限公司临时用电作业票》前,需先申请办理用火作业票得到批准后,再向供电单位申请办理临时用电票。
2、临时用电作业票由施工单位到公司供电单位办理,由办证人员认真填写,供电单位负责人和施工单位负责人到现场确认后签字。
3、供电单位接到申请后要根据临时用电接引地点、接引方式及周围情况,对临时用电作业的供电过程进行风险评价,提出安全措施,在“主要安全措施”栏对采取的措施进行确认,确认的划“√”,未确认的划“×”,补充措施填写在补充安全措施栏中,对采取安全措施确认无误后,在临时用电作业票“供电单位意见”栏签字.
4、临时用电单位持《朱砖井污水处理有限公司临时用电作业票》到供电单位审批,供电单位签署意见,指定电源接引处,供电单位负责人签字,供电单位电工确认作业有效期、接引地点、送电时间,双方确认无误后《朱砖井污水处理有限公司临时用电作业票》生效.
5、临时用电结束后,应及时拆除临时用电设施,由施工单位负责人检查确认后,在《朱砖井污水处理有限公司临时用电作业票》上签字,供电单位的作业人员在《朱砖井污水处理有限公司临时用电作业票》上签字,由供电单位封票保存,保存期为三个月。
6、《朱砖井污水处理有限公司临时用电作业票》一式二联,第一联由用电单位负责人持有,第二联由供电单位持有存留.。
临时用电安全作业票作业单位:_______________________作业地点:_______________________作业内容:_______________________作业负责人:_______________________联系电话:_______________________作业时间开始时间:____年____月____日____时结束时间:____年____月____日____时用电设备及用电负荷1. 设备名称:__________,功率:__________W2. 设备名称:__________,功率:__________W3. 总用电负荷:__________W安全措施1. 确保所有用电设备和线路符合安全标准。
2. 使用合格的漏电保护器,并进行定期检查。
3. 确保作业区域有足够的照明和通风。
4. 明确禁止使用未经检查的自制电器设备。
5. 在作业区域内明显位置张贴安全警示标志。
应急措施1. 紧急情况下,立即切断电源。
2. 熟悉并准备使用消防设备,如灭火器。
3. 确保作业区域有明显的紧急出口标识。
安全检查检查人员:_______________________检查日期:_______________________检查结果:_______________________作业人员名单1. __________2. __________3. __________(附上作业人员的安全培训证明和资质证书复印件)作业单位负责人签字:_______________________日期:____年____月____日安全管理部门确认确认人签字:_______________________日期:____年____月____日。
临时用电安全作业票报终审批准随着社会的不断发展,临时用电在各行各业中得到了广泛应用。
然而,临时用电的安全问题也引起了人们的关注。
为了确保临时用电的安全,各企事业单位应当制定临时用电安全作业票,并通过严格的审批程序进行终审批准。
临时用电安全作业票是指对临时用电工作进行规范化管理的一种工作票。
它记录了临时用电的施工内容、施工时间、施工地点等关键信息,并规定了必要的安全措施和操作步骤。
临时用电安全作业票是保障临时用电施工安全的重要文书,也是施工人员进行操作的依据。
制定临时用电安全作业票需要考虑以下几个方面。
首先,要明确临时用电的施工内容和施工地点,确保作业票的内容准确无误。
其次,要制定相应的安全措施,包括电源接地、线路保护、防触电措施等,以确保施工人员的人身安全。
同时,还要规定必要的操作步骤,如临时用电设备的安装、运行和拆卸等,确保施工过程顺利进行。
审批临时用电安全作业票的过程应当严格规范。
首先,需要经过初审,由专业人员对作业票的内容进行审核,确保作业票的合规性和可行性。
其次,需要进行中期审查,对施工过程进行监督,确保施工按照作业票的要求进行。
最后,进行终审批准,由专业人员对施工过程进行终审,确保施工的安全性和合规性。
在审批临时用电安全作业票时,需要注意以下几个方面。
首先,审批人员要具备相关的专业知识和丰富的经验,能够准确判断临时用电施工的安全性和合规性。
其次,要对施工人员进行培训,提高其安全意识和操作技能,确保施工人员能够正确理解和执行作业票的要求。
最后,要建立健全的信息反馈机制,及时收集和整理施工过程中的问题和隐患,以便于改进和完善临时用电安全作业票。
临时用电安全作业票的终审批准是确保临时用电施工安全的最后一道关口。
只有经过终审批准的作业票,才能保证施工过程的安全性和合规性。
因此,在审批过程中,需要严格按照相关规定进行操作,确保审批的公正、公平和公开。
同时,也需要加强与其他相关部门的协作,共同维护临时用电施工的安全。
临时用电安全施工作业票范文一、施工现场概况1. 施工现场名称:2. 施工单位:3. 施工项目:4. 施工地点:5. 施工时间:6. 施工人员:7. 安全管理人员:8. 压板、敷设人员:9. 工地边界标志设计图:二、用电设备情况1. 临时用电设备名称:2. 设备编号:3. 考核标准:4. 电气专职负责人:5. 用电负荷情况:6. 用电线路:7. 负荷开关位置:8. 电缆配线图:9. 变电所负荷情况:10. 变电站地建筑物的外部保护和安全用地保护设施:三、用电管理1. 临时用电设备的迁移情况:2. 临时用电设备的防触电装置:3. 电缆保护设施:4. 电缆材料和规格:5. 临时用电设备的维护和保养情况:6. 变压器油温和绝缘电阻测量结果:7. 其他安全设备(如避雷设备)的安装情况:8. 用电设备检测和检验记录:9. 临时用电设备停用、验收、解除的条件和步骤:四、安全措施1. 临时用电设备的定期检查和巡视计划:2. 重点检查项目:3. 施工人员临时用电设备考核计划:4. 施工人员临时用电设备安全教育计划:5. 临时用电安全操作规程:6. 万能表、电压表等安全操作规程:7. 施工人员佩戴安全装备计划:8. 临时用电安全警戒标志设置计划:9. 临时用电涉及的危险品管理计划:10. 施工人员应急救援措施和演习计划:五、工程技术措施1. 临时用电设备与建筑物之间的与地面分离距离:2. 地下区段采用的管线敷设规格:3. 临时用电设备的接地装置类型和规格:4. 临时用电设备的防雷装置类型和规格:5. 临时用电设备匀负荷的装置类型和规格:6. 单独小电气工程的特殊管线保护措施:7. 水、电及其他管线交叉保护措施:8. 电缆盘设在电缆架框上的距离不得小于30cm:9. 用电设备与邻近设备的距离不得小于50cm:10. 临时用电设备的漏电保护装置类型和规格:六、安全检查与验收1. 施工人员临时用电设备的日常巡视表:2. 临时用电设备检查、检测和验收记录:3. 安全检查记录:4. 安全巡视记录:5. 工地整改通知书及整改情况:6. 安全运行记录:以上是临时用电安全施工作业票范文,希望对您有帮助。
临时用电作业票
————————————————————————————————作者:————————————————————————————————日期:
临时用电作业票
填写说明
一、临时用电作业票的管理必须严格遵守有关电气作业的规定。
二、临时用电作业票一式四份,一份交安全部门存档,一份交供电执行人,一份交监护人,一份交临时用电部位负责人。
三、记录应及时,字迹应工整,内容应真实。
临时用电作业票
编号:
工程名称填写人
施工单位监护人
施工地点电源接入点
用电设备及功率工作电压
作业内容动火作业证号
临时用电人姓名电工操作证号电工操作证号
临时用电时间年月日时分至年月日时分相关作业票编号
主要安全措施确认人
1、安装临时线路人员持有“特种作业(电工)操作证”。
2、在防爆场所使用的临时电源、电器和线路达到相应的防爆等级。
3、临时用电的单相和混用线路采用五线制。
4、临时用电线路架空高度在装置内不低于2.5米,道路不低于5米。
5、临时用电线路架空进线不得采用裸线,不得在树上或脚手架上架设。
6、暗管埋设及地下电缆线路设有“走向标志”和安全标志,电缆埋深大于0.7米
7、临时用电配电盘、箱有防雨措施。
8、临时用电设施安有漏电保护器,移动工具、手持工具应一机一闸一保护。
9、用电设备、线路容量、负荷符合要求。
10、其他补充安全措施:
危害识别:
临时用电单位负责人意见:签名:安全部门负责人意见:
签名:
车间负责人意见:
签名:
厂领导审批意见:
签名:
完工验收时间年月日时分验收人签名:验收人签名:。