公路工程项目五一节前安全生产检查表
- 格式:doc
- 大小:44.50 KB
- 文档页数:2
表 1:安全管理检查评分表检查人:年月日序检查项目扣分标准应得扣减实得号分数分数分数未建立安全责任制的扣l0 分各级各部门未执行责任制的扣4~ 6 分1 安全生产经济承包中无安全生产指标的扣10 分责任制未拟定各工种安全技术操作规程的扣l0 分未按规定装备专 ( 兼 ) 职安全员的扣10 分管理人员责任制核查不合格的扣 5 分未拟定安全管理目标( 伤亡控制指标和安全达标,文明施工目标 ) 的扣 10 分2 目标管理未进行安全责任目标分解的扣10 分无责任目标核查规定的扣8 分考察方法未落实或落实不好的扣 5 分施工组织设计中无安全措施,扣10 分施工组织设计未经审批,扣l0 分施工组织专业性较强的项目,未单独编制专项安全施工组织设计,扣3 8 分设计安全措施不全面,扣2— 4 分安全措施无针对性,扣6~8 分安全措施未落实,扣8 分无如期安全检查制度扣 5 分5 安全检查安全检查无记录扣 5 分事故隐患整改做不到定人,准时间、定措施扣2~6 分无安全教育制度扣 10 分新入厂工人未进行三级安全教育扣10 分6 安全教育无详尽安全教育内容扣6~8 分变换工种时未进行安全教育扣10 分每有一人不懂本工种安全技术操作规程扣 2 分施工管理人员未按规定进行培训的扣 5 分8 特种作业一人未经培训从事特种作业,扣 4 分持证上岗一人未持操作证上岗,扣 2 分10 安全标志无现场安全标志部署总平面图,扣 5 分现场未按安全标志总平面图设置安全标志的,扣 5 分检查项目合计应得分实得分总评分表 2:文明施工检查评分表检查人:年月日序扣分标准应得扣减实得检查项目分数分数分数号1现场围挡在市里主要路段的工地周围未设置高于 2.5m 的围挡扣 10 分10 一般路段的工地周围未设置高于 1.8m 的围挡扣 10 分围挡资料不牢固、不牢固、不整沽、不雅观扣5~7 分围挡没有沿工地周围连续设置的扣3~ 5 分施工现场进出口无大门的扣 3 分2 封闭管理无门卫和无门卫制度的扣3 分10 进入施工现场不佩戴工作卡的扣 3 分门头未设置企业标志的扣 3 分道路不畅达的扣 5 分无排水设施、排水不畅达的扣 4 分3 施工场所无防范泥浆、污水、废水外流或拥堵下水道和排水河流措施10的扣 3 分工地有积水的扣 2 分堆放不整齐的扣 3 分4 资料堆放未做到工结束所清的扣 3 分10 建筑垃圾堆放不整齐、未标出名称、品种的扣 3 分易燃易爆物件未分类存放的扣 4 分施工作业区与办公、生活区不能够明显划分的扣 6 分5 现场住宿宿舍无防煤气中毒措施的扣 5 分10宿舍周围环境不卫生、不安全的扣 3 分无消防措施、制度或无灭火器材的扣l0 分6 现场防火灭火器材配置不合理的扣 5 分10无动火审批手续和动火监护的扣 5 分7 治安综合未建立治安保卫制度的、责任未分解到人的扣3~5 分10 治理治安防范措施不利,常发生失盗事件的扣3~5 分大门口处挂的五牌一图、内容不全,缺一项扣 2 分8 施工现场标牌不规范、不整齐的,扣 3 分10 标牌无安全口号,扣 5 分无宣传栏、读报栏、黑板报等,扣 5 分无洗手间,随地大小便,扣8 分食堂不吻合卫生要求,扣8 分9 生活设施无卫生责任制,扣 5 分10 不能够保证供应卫生饮水的,扣8 分无淋浴室或淋浴室不吻合要求,扣 5 分生活垃圾未及时清理,无专人管理的,扣3~5 分无保健医药箱的扣 5 分10 保健急救无急救措施和急救器材的扣8 分10 无经培训的急救人员,扣 4 分未睁开卫生防病宣传教育的,扣 4 分检查项目合计应得总分实得总分总评分表 3:土石方工程检查评分表检查人:年月日序应得扣减实得检查项目扣分标准分数分数号分数清理从草、树木纵火焚烧的扣10 分1荒地清理伐树时未部署警戒的扣 5 分10 伐树时在同一地段上下同时作业的扣8 分暴风、大雾或雨天伐树的扣3~5 分拆掉建(构)筑物时危险区未设置安全护栏的扣 5 分2 建筑拆掉使用掏空、挖切和大面积推倒的扣10 分10拆掉时数层同时作业的扣10 分开挖土方作业人员之间安全距离不够的扣10 分采用挖空底脚的方法作业的扣20 分开挖与装运作业面上、下双重作业的扣10 分在弃土、危石下方作业、休息或存放机具的扣15 分3 土方挖掘在滑坡地段进行全面拉槽开挖的扣20 分30在运土车上乘人的扣 8 分机械在危险地段作业时无人指挥的扣10 分挖掘机铲斗从运土车驾驶室上高出的扣8 分自行机械下坡时空档滑行的扣8 分爆破方案未经审批而擅自施工的扣40 分爆破资料管理凌乱,擅自收藏、乱丢乱放的扣40 分炸药与雷管由一人同时搬运的扣30 分作业人员在保留、加工、运输爆破器材时穿着化纤衣物的扣20 分4 石方爆破爆破时无专人指挥并设置警戒区的扣30 分40起爆开关箱和起爆器钥匙管理不善的扣30 分雷雨季节采用电起爆法的扣20 分未按规程办理“盲炮”的扣20 分爆破后未检查危石而进场清理石方的扣20 分其他违章操作行为扣 10 ~15 分边坡防范施工时脚手架不够牢固的扣10 分5 防范工程护墙砌筑时墙下站人的扣8 分10 在砌筑好的坡面上行走的扣 5 分砂浆发射机停留时喷嘴朝人的扣 5 分检查项目合计应得分实得分总评分表 4:桥涵工程检查评分表检查人:年月日序类检查项目扣分标准应得扣减实得号别分数分数分数1挖掘机械距坑边安全距离过小的扣 1 分基明挖基础基坑排水设施不足的扣 1 分32 3 4 5 6 7 8101112吸泥船作业区有船舶进入的扣 3 分础筑岛、围堰基坑支撑不牢固的扣 3 分 4遇洪水或流冰时作业的扣 2 分钢板桩及钢作业前未全面检查打桩机具的扣 2 分工筋混凝土板将吊具拴在钢板桩夹具的扣 3 分 4桩围堰钢板桩起吊时未设溜绳的扣 2 分程套箱围堰套箱未经检查查收的扣 4 分4作业时未设置警戒地域的扣 3 分下井操作人员安全防范用品不全的扣 4 分沉井基础井内无钢梯及安全绳的扣 3 分5抽水机械电路无漏电保护的扣 3 分吊斗起落时无专人指挥的扣 2 分钻孔灌注桩钻机安设不平稳、牢固的扣 3 分停钻后将钻头留于孔内的扣 3 分 4 基础钻机电路无漏电保护的扣 2 分沉入桩基础起吊地域有人员停留或作业的扣 2 分4在悬挂状态下维修桩锤的扣 2 分挖孔、沉管灌孔口安全设施、标志不全的扣 3 分4 注桩基础孔内通风措施不足的扣 3 分就地浇筑墩墩高妙过十米未设安全网的扣 2 分3 台施工吊斗碰撞模板或脚手架的扣 3 分墩砌筑墩台施台脚手架上堆放物件高出设计荷载的扣 2 分 3 工工程模板提升至 2 米高后未依照“高处作业”规定设置安滑模施工墩全措施的扣 4 分4 台作业人员站在正在爬升的模板上扣 2 分平台上荷载高出设计标准或未均匀部署的扣 2 分1315161718预制构件安装悬臂浇筑上部悬臂拼装工缆索吊装程顶推及滑移模架施工无安装方案及一致指挥系统扣 3 分5大吨位构件两端同时顶起或下落扣 3 分挂篮组拼后未全面检查并作静载试验扣 3 分5挂篮行走速度高出 0.1 米 / 分钟的扣 2 分吊机未作静载试验的扣 3 分5构件起升后运载车辆( 船只 ) 未迅速撤出的扣 3 分吊装前未经过试吊的扣 3 分5缆索超越公路、铁路时未搭设架空防范支架的扣 3 分桥面后边的预制场所不平展、纷乱的扣 2 分无一致指挥系统及足够通讯设施的扣 3 分5顶入跨线涵管时安全距离不够的扣 2 分作业人员超越或凑近顶铁的扣 4 分192021上转体及拖拉转体施工前未作试转动的扣 3 分5 施工拖拉或横移施工时,钢丝绳周边站人的扣 3 分张拉设施、工具未经检查合格而使用的扣 3 分油泵操作人员不戴防范眼睛的扣 2 分预应力张拉张拉时千斤顶对面及后边站人的扣 4 分 5 张拉后对锚具钢束保护不足的扣 3 分压浆时不按规定压力进行的扣 3 分拱架未经过验算,强度、刚度或牢固性不足的扣 5 分拱桥施工不按设计程序拆掉拱架的扣 4 分52223242526 部工程其他跨线桥及通超越铁路、公路施工未设置防范措施的扣 3 分道桥施工作业时损坏铁路信号设施的扣 2 分3成品索放索时无制动设施的扣 3 分斜拉桥及悬索夹及索夹螺栓未经查验合格而使用的扣 4 分吊篮、平台等强度不足的扣 5 分 5 索桥施工索塔未设避雷器的扣 4 分水上施工时未装备救护船只的扣 3 分钢梁上的电路绝缘不好的扣 4 分钢桥施工拼装对孔时用手指深入检查的扣 3 分5架梁人员扔掷小工具的扣 4 分表面涂漆作业时个人防范不足的扣 2 分混凝土预制作业人员超越或穿过传输皮带扣 1 分2人工运输斜道无防滑措施的扣 1 分预制构件运运输轨道不吻合安全标准的扣 2 分3 输平板车运输时超速的扣 2 分检查项目合计应得分实得分总评分表 5:地道工程检查评分表检查人:年月日序扣分标准应得扣减实得检查项目分数分数分数号开挖、凿孔用电钻办理被夹住的钎子的扣 5 分在工作面内拆卸、维修风、电钻的扣8 分151及爆破在残眼中连续钻眼的扣 10 分爆破时人员安全距离不足的扣15 分爆破时使用黑色火药的扣10 分两工作面凑近贯串时两端同时掘进的扣10 分人料混载的扣 10 分运输车超速运行或超车的扣10 分2 洞内运输雷管与炸药同时运输的扣15 分15 在井口房、井底车厂或巷道内停放爆破器材的扣15 分用翻斗车、自卸汽车、拖车、拖拉机、灵巧三轮车、人力三轮车、自行车、摩托车和皮带运输机运送爆破器材扣15 分支护严重变形或损坏时连续作业的扣10 分3 支护将支撑立柱置于废渣或活动的石头上的扣8 分10 喷锚支护时,注浆管喷嘴对人放置的扣8 分洞内出现超标位移、异常裂缝后连续作业的扣10 分衬砌使用的脚手架、工作平台、梯子等有露头钉子或突出的尖角的扣 3 分4 衬砌倾卸衬砌资料时有人员或车辆穿行的扣5 分10 拆下的模板堆放在通道上的扣 5 分模板台车距开挖面安全距离过小的扣8 分在洞内熬制沥青的扣 8 分井口未设有防水、防坍塌措施及严实井盖的扣10 分井口及井底未设置醒目的安全标志的扣8 分竖井与斜采用吊桶起落人员与物料安全措施不足的扣10 分5 采用罐笼起落人员与物料安全措施不足的扣10 分15井斜井运输超速运行的扣 8 分斜井运输车辆无可靠的防坠器的扣10 分使用未达到安全标准的钢丝绳的扣12 分地道内粉尘、氧气、各样有害气体等每一项达不到规范标准6 通风及防的扣 5 分10尘人员在风管进出口周边停留的扣8 分防尘用水干净程度达不到标准的扣 3 分照明灯光明度、均匀度不足的扣3-5 分照明电压、电线绝缘保护不吻合规范要求扣8 分7 照明、排水工作面大量涌水时连续作业的扣8 分10及防火地道内无消防器材或消防器材不足的扣5-8 分洞口 20 米范围内有杂草的扣8 分洞内存放汽油、煤油等易燃物件的扣10 分使用明火照明的扣 15 分8 瓦斯防治人员携带火柴、打火机的扣8 分15 瓦斯含量高出规范标准而连续作业的扣12 分通风机停机时,人员未及时撤出洞外的扣10 分检查项目合计应得分实得分总评分表 6:主要工序检查评分表检查人:年月日序应得扣减实得检查项目扣分标准分数分数号分数1模板模板堆放不吻合规范要求扣 5 分模板支撑不牢固的扣 5 分10拆掉模板时硬砸或用机械大面积拉倒的扣8 分操作人员衣扣不紧、戴手套或外露长发的扣3-5 分2 木工机械机械的转动部分未装设防范罩或防范板的扣8 分10更换刃具未切断电源的扣 5 分木、竹脚手架资料不吻合标准的扣 6 分3 支架、脚手使用铅丝或白麻绳连接钢脚手架的扣 6 分10架有坡度的脚手板未设防滑条的扣 3 分拆掉脚手架时随意扔掷的扣8 分4 钢筋钢筋调直或冷拉场所未设防范板的扣 3 分5 使用钢筋切断机时集束切断的扣 3 分在润湿地址工作时电焊机未放在绝缘板上扣 4 分在带压力的容器和管道上施焊的扣8 分5 焊接乙炔发生器与氧气瓶同放一处的扣6 分10乙炔发生器放在电线的正下方的扣 6 分点火时焊枪对人的扣 8 分大型吊装工程未拟定安全技术措施的扣8 分6 起重吊装起重机具超负荷运行的扣15 分20钢丝绳安全系数不足的扣10-15 分作业人员带病或酒后登高的扣10 分7 高处作业作业人员穿拖鞋或硬底鞋的每一人扣 5 分10所用梯子缺档或垫高的扣8 分8 水上作业所用船只未经船检部门检查合格的扣 5 分10 船只超载、偏载运行的扣3-8 分潜水作业范围内有其他作业的扣12 分潜水员在打捞物件内穿行的扣10 分潜水作业潜水员在水中悬吊物体上工作或在悬吊物体下穿行的扣10 15分水下焊接时潜水员绝缘装备不足的扣10 分检查项目合计应得分实得分总评分表 7:施工用电检查评分表检查人:年月日序扣分标准应得扣减实得检查项目分数分数分数号1外电防范小于安全距离又无防范措施的扣20 分防范措施不吻合要求、封闭不严实的扣20 5~ 10 分接地与接工作接地与重复接地不吻合要求的扣7~10 分未采用 TN— S 系统的扣 l0 分2 零保护系10专用保护零线设置不吻合要求的扣5~ 8 分境保护零线与工作零线混接的扣10 分不吻合“三级配电两级保护”要求的扣l0 分开关箱 ( 末级 ) 无漏电保护或保护器失灵,每一处扣 5 分漏电保护装置参数不般配,每发现一处扣 2 分电箱内无隔走开关每一处扣 2 分3 配电箱开违反“一机,一闸、一漏、一箱”的每一处扣5~7 分20 关箱安装地址不当、周围杂物多等不便操作的每—处扣 5 分闸具损坏、闸具不吻合要求的每一处扣 5 分配电箱内多路配电无标志的每一处扣 5 分电箱下引出线凌乱每一处扣 2 分电箱无门、无锁、无防雨措施的每一处扣 2 分照明专用回路无漏电保护扣 5 分灯具金属外壳未作接零保护的每一处扣 2 分室内线路及灯具安装高度低于 2.4m 未使用安全电压供电的4 现场照明扣 10 分10 润湿作业未使用 36V 以下安全电压的扣10 分使用 36V安全电压照明线路凌乱和接头处未用绝缘布包扎扣5 分手持用明灯未使用 36V 及以下电源供电扣10 分电线老化、破皮未包扎的每一处扣10 分线经过道无保护的每一处扣 5 分电杆、横担不吻合要求的扣 5 分5 配电线路架空线路不吻合要求的扣7~ l0 分15未使用五芯线 ( 电缆 ) 的扣 10 分使用四芯电缆外加一根线取代五芯电缆的扣10 分电缆架设或埋设不吻合要求的扣7~10 分闸具、熔断器参数与设施容量不般配、安装不合要求的每一6 电器装置处扣 3 分10用其他金属丝取代熔丝的扣10 分7 变配电装不吻合安全规定的扣 3 分 5 置无专项用电施工组织设计的扣10 分8 用电档案无地极阻值遥测记录的扣 4 分10 无电工巡视维修记录或填写不真实的扣 4 分档案乱、内容不全、无专人管理的扣 3 分检查项目合计应得分实得分总评分表 8:个人防范检查评分表检查人:年月日序应得扣减实得检查项目扣分标准分数分数号分数1安全帽施工现场不戴安全帽每一人扣10 分30 安全帽不吻合标准的每一顶扣 5 分高处作业不使用安全带每一人扣10 分2 安全带安全带不吻合标准的每一套扣 5 分30安全带使用方式不吻合要求的每一处扣 5 分3 手套需使用手套的工种不戴手套的每一人扣 1 分 54 绝缘装备电气工种未装备绝缘靴、绝缘手套的每一人扣5 分155 风镜接触粉尘或油漆的工种不戴风镜的每一人扣 1 分 56 防范镜接触石屑、木屑、铁屑的工种不戴防范镜的每一人扣 3 分107 口罩接触粉尘或油漆的工种不戴口罩的每一人扣 1 分 5 检查项目合计应得分实得分总评分。
公路工程项目安全督查检查表(建设单位专用)项目名称:标段号:
建设单位:检查时间:
2.每项最多扣减至0分。
公路工程项目安全督查检查表(监理单位专用)项目名称:标段号:
监理单位:检查时间:
注:1.“▲”为强制抽查项目,不符合则为零分;
2.每项最多扣减至0分。
公路工程项目安全督查检查表(施工单位内业专用)项目名称:标段号:
施工单位:检查时间:
注:1.“▲”为强制抽查项目,不符合则为零分;
公路工程项目安全督查检查表(施工单位外业专用)项目名称:标段号:
施工单位:检查时间:
公路工程项目安全督查检查表(施工单位外业专用)项目名称:标段号:
施工单位:检查时间:
公路工程项目安全督查检查表(施工单位外业专用)项目名称:标段号:
施工单位:检查时间:
公路工程项目安全督查检查表(施工单位外业专用)项目名称:标段号:
施工单位:检查时间:
公路工程项目安全督查检查表(施工单位外业专用)项目名称:标段号:
施工单位:检查时间:
2.每项最多扣减至0分。
. .。
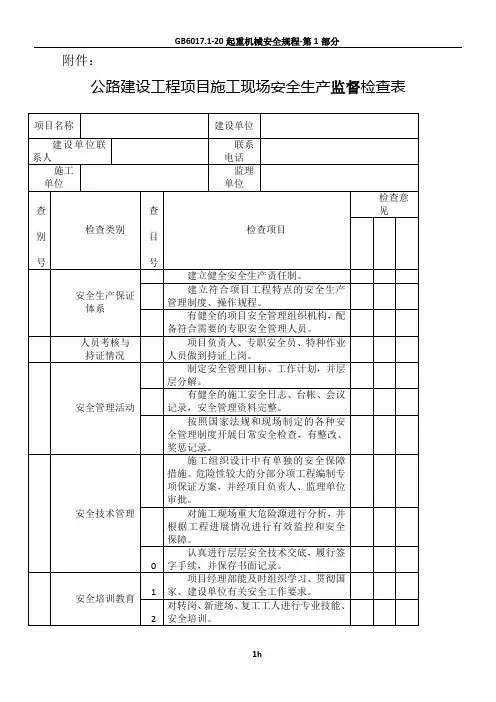
附件1:
公路建设工程项目施工现场安全生产监督检查表
总体意见:
需整改内容:
督查人(签字):督查时间:施工单位(签字):
监理单位(签字):
建设单位(签字):
附件2:
_______________________工程
公路工程施工安全检查评分汇总表
编号:
年月日
表1:安全管理检查评分表检查人:
年月日
表2:文明施工检查评分表检查人:
年月日
表3:土石方工程检查评分表检查人:
年月日
表4:桥涵工程检查评分表检查人:
年月日
表5:隧道工程检查评分表检查人:
年月日
表6:主要工序检查评分表检查人:
年月日
表7:施工用电检查评分表检查人:
年月日
表8:个人防护检查评分表检查人:
年月日。
节假日期间安全生产检查表施工单位:日期:
检查组成员(签字)
被检查单位负责人(签字)
节假日期间安全生产检查重点
(一)检查重点:高边坡治理施工现场、高处作业、建筑施工塔吊、临时建筑物(宿舍、办公室)、厂房安装高处物资堆放、输电线路、超标洪水、塌方自然灾害事故、交通安全、值班值守、应急预警等。
(二)现场安全生产管理。
施工坍塌、高处坠落、脚手架、基坑开挖、模板工程、施工用电、施工防火、临建设施、等施工中危险性较大部位的防护措施落实情况,作业、施工区域安全管理、设备设施(尤其是特种设备)安全管理、重大危险源辨识和管控、洞口及临边防护、安全警示标志设置、劳动保护用品使用、人员持证上岗、消防设施设备,人员密集场所、易燃易爆场所的消防安全设施设备配备等情况。
(三)应急管理。
生产安全事故应急救援预案、应急预案、现场处置方案等应急预案体系建立情况,应急救援组织及人员、应急救援器材和设备、定期应急演练等情况。
公路工程安全生产检查记录表1. 项目信息
•项目名称:XXXXXXXX公路工程
•施工单位:XXXXXXXXX有限公司
•检查单位:XXXXXXXX管委会
2. 检查时间
2021年5月1日 8:00-10:00
3. 检查内容
3.1 安全标志
•已设置安全标志:是
•安全标志清晰可见:是
•安全标志是否规范:是
3.2 施工现场
•施工区域道路隔离设施是否完好:是
•施工区域是否设置警示标志:是
•施工车辆是否按要求设置闪灯:是
•施工机械设备是否按要求设置锁定装置:是
•施工现场是否存在违章行为:否
3.3 施工人员
•施工人员是否佩戴安全帽:是
•施工人员是否佩戴安全鞋:是
•施工人员是否佩戴高能视觉背心:是
•施工人员是否参加安全教育培训:是
3.4 安全管理
•是否存在安全管理制度:是
•安全管理制度是否得到落实:是
•安全事故应急预案是否到位:是
•安全事故应急预案是否得到落实:是
4. 检查结果
经检查,本次施工现场安全生产检查合格,未发现违反安全生产法律法规和工程施工安全生产管理制度的情况。
5. 整改要求
•继续加强现场施工管理,不断优化安全生产管理制度。
•对施工人员进行更加全面的安全教育和培训,并强化安全意识。
•针对检查中存在的问题,及时采取整改措施,确保施工现场安全。
6. 签字
检查单位:XXXX管委会签字:__________
施工单位:XXXX有限公司签字:__________。
公路工程安全生产检查记录项目名称:
一、有关证书
二、安全机构和人员:
三、制度:
四、员工安全生产教育培训情况:
五、标志及防护设施:
6 脚手架安全警示、防护设施
7 桥梁安全警示、防护设施
8 消防设施、灭火器材
六、施工作业点
序号内容有否备注
1 路基、路面、桥涵等专业施工应符合有关安全技术规程要求。
2 高空作业临边应设置安全网。
施工人
员佩戴安全带。
3 水上作业人员应穿救生衣,配备救生
器材
4 夏季高温、汛期等特殊季节施工,夜间施工、边通车边施工等作业应有可
靠地保障措施
七、办公、生活区:
序号内容情况备注
1 办公、生活区是否与施工现场分设
2 办公、生活区是否保持安全距离
3 办公、生活区是否符合安全要求
4 职工的膳食、饮水是否符合卫生
5 临时公棚符合安全使用要求
检查人员::检查日期:。
表 1:安全管理检查评分表检查人:年月日序检查项目扣分标准应得扣减实得号分数分数分数未成立安全责任制的扣l0 分各级各部门未履行责任制的扣4~6 分1 安全生产经济承包中无安全生产指标的扣10 分责任制未拟订各工种安全技术操作规程的扣l0 分未按规定装备专 ( 兼 ) 职安全员的扣10 分管理人员责任制查核不合格的扣 5 分未拟订安全管理目标( 伤亡控制指标和安全达标,文明施工目标)的扣 10 分2 目标管理未进行安全责任目标分解的扣10 分无责任目标查核规定的扣8 分考查方法未落实或落实不好的扣 5 分施工组织设计中无安全举措,扣10 分施工组织设计未经审批,扣l0 分施工组织专业性较强的项目,未独自编制专项安全施工组织设计,扣3 8 分设计安全举措不全面,扣2—4 分安全举措无针对性,扣6~8 分安全举措未落实,扣8 分无按期安全检查制度扣 5 分5 安全检查安全检查无记录扣 5 分事故隐患整顿做不到定人,准时间、定举措扣2~6 分无安全教育制度扣 10 分新入厂工人未进行三级安全教育扣10 分6 安全教育无详细安全教育内容扣6~8 分变换工种时未进行安全教育扣10 分每有一人不懂本工种安全技术操作规程扣 2 分施工管理人员未按规定进行培训的扣 5 分8 特种作业一人未经培训从事特种作业,扣 4 分持证上岗一人未持操作证上岗,扣 2 分10 安全标记无现场安全标记部署总平面图,扣 5 分现场未按安全标记总平面图设置安全标记的,扣 5 分检查项目共计应得分实得分总评分表 2:文明施工检查评分表检查人:年月日序扣分标准应得扣减实得检查项目分数分数分数号1现场围挡在市里主要路段的工地四周未设置高于 2.5m 的围挡扣 10 分10 一般路段的工地四周未设置高于 1.8m 的围挡扣 10 分围挡资料不坚固、不稳固、不整沽、不雅观扣5~7 分围挡没有沿工地四周连续设置的扣3~5 分施工现场出入口无大门的扣 3 分2 关闭管理无门卫和无门卫制度的扣3 分10 进入施工现场不佩带工作卡的扣 3 分门头未设置公司标记的扣 3 分道路不畅达的扣 5 分无排水设备、排水不畅达的扣 4 分3 施工场所无防备泥浆、污水、废水外流或拥塞下水道和排水河流举措10的扣 3分工地有积水的扣 2 分堆放不齐整的扣 3 分4 资料堆放未做到工完结所清的扣 3 分10 建筑垃圾堆放不齐整、未标有名称、品种的扣 3 分易燃易爆物品未分类寄存的扣 4 分施工作业区与办公、生活区不可以显然区分的扣 6 分5 现场住宿宿舍无防煤气中毒举措的扣 5 分10宿舍四周环境不卫生、不安全的扣 3 分无消防举措、制度或无灭火器械的扣l0 分6 现场防火灭火器械配置不合理的扣 5 分10无动火审批手续和动火监护的扣 5 分7 治安综合未成立治安捍卫制度的、责任未分解到人的扣3~5 分10 治理治安防备举措不利,常发生失盗事件的扣3~5 分大门口处挂的五牌一图、内容不全,缺一项扣 2 分8 施工现场标牌不规范、不齐整的,扣 3 分10 标牌无安全口号,扣 5 分无宣传栏、读报栏、黑板报等,扣 5 分无卫生间,随处大小便,扣8 分食堂不切合卫生要求,扣8 分9 生活设备无卫生责任制,扣 5 分10 不可以保证供给卫生饮水的,扣8 分无淋浴室或淋浴室不切合要求,扣 5 分生活垃圾未实时清理,无专人管理的,扣3~5 分无保健医药箱的扣 5 分10 保健抢救无抢救举措和抢救器械的扣8 分10 无经培训的抢救人员,扣 4 分未展开卫生防病宣传教育的,扣 4 分检查项目共计应得总分实得总分总评分表 3:土石方工程检查评分表检查人:年月日序应得扣减实得检查项目扣分标准分数分数号分数清理从草、树木放火燃烧的扣10 分1荒地清理伐树时未部署戒备的扣 5 分10 伐树时在同一地段上下同时作业的扣8 分狂风、大雾或雨天伐树的扣3~5 分拆掉建(构)筑物时危险区未设置安全护栏的扣 5 分2 建筑拆掉使用掏空、挖切和大面积推倒的扣10 分10拆掉时数层同时作业的扣10 分开挖土方作业人员之间安全距离不够的扣10 分采纳挖空底脚的方法作业的扣20 分开挖与装运作业面上、下两重作业的扣10 分在弃土、危石下方作业、歇息或寄存机具的扣15 分3 土方发掘在滑坡地段进行全面拉槽开挖的扣20 分30在运土车上乘人的扣 8 分机械在危险地段作业时无人指挥的扣10 分发掘机铲斗从运土车驾驶室上超出的扣8 分自行机械下坡时空档滑行的扣8 分爆破方案未经审批而私自施工的扣40 分爆破资料管理杂乱,私自珍藏、乱丢乱放的扣40 分炸药与雷管由一人同时搬运的扣30 分作业人员在保存、加工、运输爆破器械时衣着化纤衣物的扣20 分4 石方爆破爆破时无专人指挥并设置戒备区的扣30 分40起爆开关箱和起爆器钥匙管理不善的扣30 分雷雨季节采纳电起爆法的扣20 分未按规程办理“盲炮”的扣20 分爆破后未检查危石而进场清理石方的扣20 分其余违章操作行为扣 10 ~15 分边坡防备施工时脚手架不够坚固的扣10 分5 防备工程护墙砌筑时墙下站人的扣8 分10 在砌筑好的坡面上行走的扣 5 分沙浆发射机逗留时喷嘴朝人的扣 5 分检查项目共计应得分实得分总评分表 4:桥涵工程检查评分表检查人:年月日序类检查项目扣分标准应得扣减实得号别分数分数分数1发掘机械距坑边安全距离过小的扣 1 分基明挖基础基坑排水设备不足的扣 1 分32 3 4 5 6 7 8101112吸泥船作业区有船舶进入的扣 3 分础筑岛、围堰基坑支撑不坚固的扣 3 分 4遇洪水或流冰时作业的扣 2 分钢板桩及钢作业前未全面检查打桩机具的扣 2 分工筋混凝土板将吊具拴在钢板桩夹具的扣 3 分 4桩围堰钢板桩起吊时未设溜绳的扣 2 分程套箱围堰套箱未经检查查收的扣 4 分4作业时未设置戒备地区的扣 3 分下井操作人员安全防备用品不全的扣 4 分沉井基础井内无钢梯及安全绳的扣 3 分5抽水机械电路无漏电保护的扣 3 分吊斗起落时无专人指挥的扣 2 分钻孔灌输桩钻机安设不安稳、坚固的扣 3 分停钻后将钻头留于孔内的扣 3 分 4 基础钻机电路无漏电保护的扣 2 分沉入桩基础起吊地区有人员逗留或作业的扣 2 分4在悬挂状态下维修桩锤的扣 2 分挖孔、沉管灌孔口安全设备、标记不全的扣 3 分4 注桩基础孔内通风举措不足的扣 3 分就地浇筑墩墩高明过十米未设安全网的扣 2 分3 台施工吊斗碰撞模板或脚手架的扣 3 分墩砌筑墩台施台脚手架上堆放物品超出设计荷载的扣 2 分 3 工工程模板提高至 2 米高后未依据“高处作业”规定设置安滑模施工墩全举措的扣 4 分4 台作业人员站在正在爬升的模板上扣 2 分平台上荷载超出设计标准或未平均部署的扣 2 分1315161718预制构件安装悬臂浇筑上部悬臂拼装工缆索吊装程顶推及滑移模架施工无安装方案及一致指挥系统扣 3 分5大吨位构件两头同时顶起或着落扣 3 分挂篮组拼后未全面检查并作静载试验扣 3 分5挂篮行走速度超出 0.1 米 / 分钟的扣 2 分吊机未作静载试验的扣 3 分5构件起升后运载车辆( 船只 ) 未快速撤出的扣 3 分吊装前未经过试吊的扣 3 分5缆索超越公路、铁路时未搭设架空防备支架的扣 3 分桥面后边的预制场所不平坦、凌乱的扣 2 分无一致指挥系统及足够通信设备的扣 3 分5顶入跨线涵管时安全距离不够的扣 2 分作业人员超越或靠近顶铁的扣 4 分192021上转体及拖沓转体施工前未作试转动的扣 3 分5 施工拖沓或横移施工时,钢丝绳邻近站人的扣 3 分张拉设备、工具未经检查合格而使用的扣 3 分油泵操作人员不戴防备眼睛的扣 2 分预应力张拉张拉时千斤顶对面及后边站人的扣 4 分 5 张拉后对锚具钢束保护不足的扣 3 分压浆时不按规定压力进行的扣 3 分拱架未经过验算,强度、刚度或稳固性不足的扣 5 分拱桥施工不按设计程序拆掉拱架的扣 4 分52223242526 部工程其他跨线桥及通超越铁路、公路施工未设置防备举措的扣 3 分道桥施工作业时破坏铁路信号设备的扣 2 分3成品索放索时无制动设备的扣 3 分斜拉桥及悬索夹及索夹螺栓未经检验合格而使用的扣 4 分吊篮、平台等强度不足的扣 5 分 5 索桥施工索塔未设避雷器的扣 4 分水上施工时未装备救护船只的扣 3 分钢梁上的电路绝缘不好的扣 4 分钢桥施工拼装对孔时用手指深入检查的扣 3 分5架梁人员投掷小工具的扣 4 分表面涂漆作业时个人防备不足的扣 2 分混凝土预制作业人员超越或穿过传输皮带扣 1 分2人工运输斜道无防滑举措的扣 1 分预制构件运运输轨道不切合安全标准的扣 2 分3 输平板车运输时超速的扣 2 分检查项目共计应得分实得分总评分表 5:地道工程检查评分表检查人:年月日序扣分标准应得扣减实得检查项目分数分数分数号开挖、凿孔用电钻办理被夹住的钎子的扣 5 分在工作面内拆卸、维修风、电钻的扣8 分151及爆破在残眼中持续钻眼的扣 10 分爆破时人员安全距离不足的扣15 分爆破时使用黑色火药的扣10 分两工作面靠近贯穿时两头同时掘进的扣10 分人料混载的扣 10 分运输车超速运转或超车的扣10 分2 洞内运输雷管与炸药同时运输的扣15 分15 在井口房、井底车厂或巷道内停放爆破器械的扣15 分用翻斗车、自卸汽车、拖车、拖沓机、灵活三轮车、人力三轮车、自行车、摩托车和皮带运输机运送爆破器械扣15 分支护严重变形或破坏时持续作业的扣10 分3 支护将支撑立柱置于废渣或活动的石头上的扣8 分10 喷锚支护时,注浆管喷嘴对人搁置的扣8 分洞内出现超标位移、异样裂痕后持续作业的扣10 分衬砌使用的脚手架、工作平台、梯子等有露头钉子或突出的尖角的扣 3 分4 衬砌倾卸衬砌资料时有人员或车辆穿行的扣5 分10 拆下的模板堆放在通道上的扣 5 分模板台车距开挖面安全距离过小的扣8 分在洞内熬制沥青的扣 8 分井口未设有防水、防坍塌举措及严实井盖的扣10 分井口及井底未设置醒目的安全标记的扣8 分竖井与斜采纳吊桶起落人员与物料安全举措不足的扣10 分5 采纳罐笼起落人员与物料安全举措不足的扣10 分15井斜井运输超速运转的扣 8 分斜井运输车辆无靠谱的防坠器的扣10 分使用未达到安全标准的钢丝绳的扣12 分地道内粉尘、氧气、各种有害气体等每一项达不到规范标准6 通风及防的扣 5分10尘人员在风管出入口邻近逗留的扣8 分防尘用水洁净程度达不到标准的扣 3 分照明灯光明度、平均度不足的扣3-5 分照明电压、电线绝缘保护不切合规范要求扣8 分7 照明、排水工作面大批涌水时持续作业的扣8 分10 及防火地道内无消防器械或消防器械不足的扣5-8 分洞口 20 米范围内有杂草的扣8 分洞内寄存汽油、煤油等易燃物品的扣10 分使用明火照明的扣 15 分8 瓦斯防治人员携带火柴、打火机的扣8 分15 瓦斯含量超出规范标准而持续作业的扣12 分通风机停机时,人员未实时撤出洞外的扣10 分检查项目共计应得分实得分总评分表 6:主要工序检查评分表检查人:年月日序应得扣减实得检查项目扣分标准分数分数号分数1模板模板堆放不切合规范要求扣 5 分模板支撑不坚固的扣 5 分10拆掉模板时硬砸或用机械大面积拉倒的扣8 分操作人员衣扣不紧、戴手套或外露长发的扣3-5 分2 木匠机械机械的转动部分未装布防备罩或防备板的扣8 分10改换刃具未切断电源的扣 5 分木、竹脚手架资料不切合标准的扣 6 分3 支架、脚手使用铅丝或白麻绳连结钢脚手架的扣 6 分10架有坡度的脚手板未布防滑条的扣 3 分拆掉脚手架时任意投掷的扣8 分4 钢筋钢筋调直或冷拉场所未布防备板的扣 3 分5 使用钢筋切断机时集束切断的扣 3 分在湿润地址工作时电焊机未放在绝缘板上扣 4 分在带压力的容器和管道上施焊的扣8 分5 焊接乙炔发生器与氧气瓶同放一处的扣6 分10乙炔发生器放在电线的正下方的扣 6 分点火时焊枪对人的扣 8 分大型吊装工程未拟订安全技术举措的扣8 分6 起重吊装起重机具超负荷运转的扣15 分20钢丝绳安全系数不足的扣10-15 分作业人员带病或酒后登高的扣10 分7 高处作业作业人员穿拖鞋或硬底鞋的每一人扣 5 分10所用梯子缺档或垫高的扣8 分8 水上作业所用船只未经船检部门检查合格的扣 5 分10 船只超载、偏载运转的扣3-8 分潜水作业范围内有其余作业的扣12 分潜水员在打捞物品内穿行的扣10 分潜水作业潜水员在水中悬吊物体上工作或在悬吊物体下穿行的扣10 15分水下焊接时潜水员绝缘装备不足的扣10 分检查项目共计应得分实得分总评分表 7:施工用电检查评分表检查人:年月日序扣分标准应得扣减实得检查项目分数分数分数号1外电防备小于安全距离又无防备举措的扣20 分防备举措不切合要求、关闭不严实的扣20 5~10 分接地与接工作接地与重复接地不切合要求的扣7~10 分未采纳 TN— S 系统的扣 l0 分2 零保护系10专用保护零线设置不切合要求的扣5~8 分境保护零线与工作零线混接的扣10 分不切合“三级配电两级保护”要求的扣l0 分开关箱 ( 末级 ) 无漏电保护或保护器失灵,每一处扣 5 分漏电保护装置参数不般配,每发现一处扣 2 分电箱内无隔走开关每一处扣 2 分3 配电箱开违犯“一机,一闸、一漏、一箱”的每一处扣5~7 分20 关箱安装地点不妥、四周杂物多等不便操作的每—处扣 5 分闸具破坏、闸具不切合要求的每一处扣 5 分配电箱内多路配电无标记的每一处扣 5 分电箱下引出线杂乱每一处扣 2 分电箱无门、无锁、无防雨举措的每一处扣 2 分照明专用回路无漏电保护扣 5 分灯具金属外壳未作接零保护的每一处扣 2 分室内线路及灯具安装高度低于 2.4m 未使用安全电压供电的4 现场照明扣 10分10 湿润作业未使用 36V 以下安全电压的扣10 分使用 36V安全电压照明线路杂乱和接头处未用绝缘布包扎扣5 分手持用明灯未使用 36V 及以下电源供电扣10 分电线老化、破皮未包扎的每一处扣10 分线经过道无保护的每一处扣 5 分电杆、横担不切合要求的扣 5 分5 配电线路架空线路不切合要求的扣7~ l0 分15未使用五芯线 ( 电缆 ) 的扣 10 分使用四芯电缆外加一根线代替五芯电缆的扣10 分电缆架设或埋设不切合要求的扣7~10 分闸具、熔断器参数与设备容量不般配、安装不合要求的每一6 电器装置处扣 3分10用其余金属丝取代熔丝的扣10 分7 变配电装不切合安全规定的扣 3 分 5 置无专项用电施工组织设计的扣10 分8 用电档案无地极阻值遥测记录的扣 4 分10 无电工巡视维修记录或填写不真切的扣 4 分档案乱、内容不全、无专人管理的扣 3 分检查项目共计应得分实得分总评分表 8:个人防备检查评分表检查人:年月日序应得扣减实得检查项目扣分标准分数分数号分数1安全帽施工现场不戴安全帽每一人扣10 分30 安全帽不切合标准的每一顶扣 5 分高处作业不使用安全带每一人扣10 分2 安全带安全带不切合标准的每一套扣 5 分30安全带使用方式不切合要求的每一处扣 5 分3 手套需使用手套的工种不戴手套的每一人扣 1 分 54 绝缘装备电气工种未装备绝缘靴、绝缘手套的每一人扣5 分155 风镜接触粉尘或油漆的工种不戴风镜的每一人扣 1 分 56 防备镜接触石屑、木屑、铁屑的工种不戴防备镜的每一人扣 3 分107 口罩接触粉尘或油漆的工种不戴口罩的每一人扣 1 分 5 检查项目共计应得分实得分总评分。
公路工程施工安全检查表受检项目名称:受检单位名称:
注:1、满分为100分,表中已给出参考得分标准,检查人可根据具体情况给出分数。
2、总体评价:(优)95-100分,(良)90-94分,(一般)80-89分,(差)79分以下。
检查组组长(签字):受检日期:
检查人(签字):日期:
安全检查整改通知单
表1
安全管理检查评分表
受检单位名称:表2
施工现场安全检查评分表
受检单位名称:表3
检查人签字:年月日
路基施工安全检查评分表
受检单位名称:表4
临时用电安全检查评分表
受检单位名称:表5
桥涵施工安全检查评分表
受检单位名称:表6
特种设备、机械安全检查评分表受检单位名称:表7
安全内业检查表
受检单位名称:表8
注:“检查情况”栏中,合格划“√”,不合格划“×”,评价栏中需用文字记录。
路基、边坡等现场检查表
受检单位:表9
注:“检查组检查情况”和“评价及建议”栏中必须用文字记录。
四川省达州~万源高速公路工程项目安全检查内容及现场记录表(监理)。
五一劳动节前安全检查表简版背景介绍五一劳动节是一个重要的法定节日,也是全国性的假期。
在这个节日前后,很多人会聚集在一起,旅游、购物、聚餐等活动很普遍。
为了保障人们的安全,做好预防工作至关重要。
本文档提供了五一劳动节前应进行的安全检查清单,旨在帮助人们发现并预防潜在的安全风险。
安全检查清单居家安全检查1.确保家中电器、燃气设备、电路等设施正常运转,未出现漏电、短路、泄漏等问题。
2.检查家中的烟雾报警器和煤气报警器是否正常,能否及时发出警示。
3.检查房门和窗户的锁具是否牢固,能否防止闯入。
食品安全检查1.检查购买的食品是否有保质期,严格遵守保质期使用。
2.检查食品的包装是否完好无损,防止被污染。
3.烹饪前要对食材进行洗涤和消毒,避免细菌、病毒等的污染。
4.烹饪过程中,要注意火候和食品熟透程度,防止造成中毒或其他安全事故。
旅游安全检查1.查看当地的天气预报,了解有无可能发生自然灾害,如雷暴、飓风、地震等情况。
2.检查旅游地点的交通便捷程度和交通安全情况,如是否要搭乘小型飞机、私人船只等不安全的交通工具。
3.确认住宿场所的安全性,包括消防安全、防盗安全、通风等情况。
4.在旅行前购买旅游保险,预防遭遇突发事件而无处寻求帮助的窘境。
驾驶安全检查1.检查车辆的行驶证、驾驶证等证照是否有效。
2.检查轮胎、制动系统、转向系统、动力系统等车辆关键部件是否正常运转,不存在安全隐患。
3.在行驶前进行常规安全检查,如观察并清洗车窗等。
4.在行驶中遵守道路交通法规,减少超速、疲劳驾驶、酒后驾驶等违法行为。
结语五一劳动节是一个值得庆祝的节日,但是安全却是最重要的。
我们必须始终把安全放在第一位,更要时刻留意与家人、朋友的安全状况,随时提醒大家注意安全,共度一个欢乐、平安的假日。
楚姚高速公路建设项目A15(劳动节前)安全检查记录表注:1、表头()位置按照检查类型分别填写:日常、定期、专项和季节性。
2、施工单位对施工队伍检查时,可取消受检查单位签字栏楚姚高速公路建设项目A16-1安全隐患整改通知单注:此表由上级安全机构负责下达,交责任单位负责人限期整改落实。
对拒不整改事故隐患而发生事故的,将受到严厉处罚。
此表一式二份,由上级安全机构、责任整改单位各存一份。
A16-2安全隐患整改回复单注:本表由整改责任单位填写,报上级管理部门申请验收。
此表一式二份,上级管理部门、整改责任单位各存一份。
A33 安全影像资料记录表注:本图表用于A6-1《安全()会议记录表》、A10-1《安全教育培训记录表》、A16-1《安全隐患整改通知单》、A16-2《安全隐患整改回复单》等表格填写影像资料所用。
A33 安全影像资料记录表通知单》、A16-2《安全隐患整改回复单》等表格填写影像资料所用。
A33 安全影像资料记录表通知单》、A16-2《安全隐患整改回复单》等表格填写影像资料所用。
A33 安全影像资料记录表通知单》、A16-2《安全隐患整改回复单》等表格填写影像资料所用。
A33 安全影像资料记录表通知单》、A16-2《安全隐患整改回复单》等表格填写影像资料所用。
A33 安全影像资料记录表通知单》、A16-2《安全隐患整改回复单》等表格填写影像资料所用。
楚姚高速公路建设项目A33 安全影像资料记录表注:本图表用于A6-1《安全()会议记录表》、A10-1《安全教育培训记录表》、A16-1《安全隐患整改通知单》、A16-2《安全隐患整改回复单》等表格填写影像资料所用。