01-水泥混凝土含气量原始记录表
- 格式:doc
- 大小:350.00 KB
- 文档页数:3
第页共页检验项目:砼坍落度校核:试验:第页共页检验项目:减水率、坍落度1h经时变化量、扩展度第页共页检验项目:泌水率比校核:试验:第页共页检验项目:含气量样品编号:校核:试验:检验项目:抗压强度比校核:试验:第页共页检验项目:砼(砂浆)渗透高度(压力)比第页共页检验项目:48h吸水量比第页共页检验项目:对钢筋锈蚀作用校核:试验:第页共页检验项目:砼膨胀剂限制膨胀率混凝土外加剂试验原始记录检验项目:细度样品编号:校核:试验:混凝土外加剂试验原始记录检验项目:密度第页共页混凝土外加剂试验原始记录混凝土外加剂试验原始记录混凝土外加剂试验原始记录检验项目:标准稠度、安定性、凝结时间校核:试验:第页共页混凝土外加剂试验原始记录校核:试验:第页共页混凝土外加剂试验原始记录第页共页混凝土外加剂试验原始记录检验项目:PH值第页共页混凝土外加剂试验原始记录检验项目:氯离子含量校核:试验:第页共页混凝土外加剂试验原始记录检验项目:氯离子含量——空白试验及硝酸银溶液浓度的标定依据GB/T8077-2000附录A:V01:空白试验中加200mL水,加4mL硝酸(1+1)加10mL0.1000mol/L氯化钠标准溶液所消耗的硝酸银溶液体积,mL:V02:空白试验中200mL水,加4mL硝酸(1+1)加20mL0.1000mol/L氯化钠标准溶液所消耗的硝酸银溶液体积,mL:c:硝酸银溶液的浓度,mol/L:校核:试验:第页共页混凝土外加剂试验原始记录检验项目:氯离子含量——样品检验样品质量: g依据GB/T8077-2000附录A:V1: 试样溶液加10mL0.1000mol/L氯化钠标准溶液所消耗的硝酸银溶液体积,mL:V2:试样溶液加20mL0.1000mol/L氯化钠标准溶液所消耗的硝酸银溶液体积,mL:校核:试验:第页共页。
水泥混凝土拌合物含气量试验方法1. 引言大家好,今天咱们来聊聊一个跟建筑息息相关的话题,那就是水泥混凝土拌合物的含气量试验。
听起来是不是有点拗口?别担心,我们会把这些专业术语化繁为简,就像把复杂的数学题变成了小学生都能理解的加减法一样!混凝土在建筑中可是个大明星,正因为它的强度和耐久性,才让我们盖起了一栋栋高楼大厦。
不过,你知道吗?混凝土里面的空气也很重要哦,恰如其分的含气量能让混凝土更耐冻、抗裂,甚至可以增强它的抗压强度,真是个神奇的东西。
2. 含气量的意义2.1 为什么要测含气量?好,咱们先说说,为什么要测混凝土的含气量呢?简单来说,含气量就像是混凝土的“空气调节器”。
如果含气量过低,混凝土就像一个缺乏氧气的小孩,可能在寒冷的天气里不堪一击;而如果含气量过高,又像喝了太多汽水,容易产生泡泡,导致强度下降,容易开裂。
所以,找到一个合适的“气候”,才能让混凝土发挥最佳性能。
这就像调配一杯完美的鸡尾酒,比例掌握得当,味道才能够出众。
2.2 含气量标准那到底什么算是合格的含气量呢?通常来说,普通混凝土的含气量在4%到6%之间。
如果你不小心把它调得太高了,像7%或8%那就有点过了,可能会影响到混凝土的强度,真是一失足成千古恨!所以,确保我们在调配混凝土的时候,得心中有数,做到心中有数,才能确保建筑的安全。
3. 含气量的测定方法3.1 实验准备说到这里,大家可能会好奇,那到底怎么测这个含气量呢?咱们来聊聊实验步骤。
首先,咱们得准备一个含气量测试仪,这东西可不能少,价格上一般都不算贵,像个小箱子,里面有很多精密的仪器。
然后,当然少不了要有新鲜的混凝土拌合物,最好是刚拌好的,不然时间长了气泡可能就跑掉了,真是“时光不待人”,可要抓紧了。
3.2 实验步骤好了,准备工作做好之后,我们就可以开始实验啦!首先,把混凝土样品放到测试仪器的容器里,记得要轻轻倒入,不然气泡可就飞走了!然后,咱们要加水,这里水的比例要跟混凝土的比例相匹配,别想随便加,多一滴都可能影响结果。
精心整理混凝土含气量试验原始记录
编号:HNTJ-CX15-JL16检验编号:
混凝土标
记
配比设计编号
检验依据GB/T50080-2002 检验日期
使用仪器
容器容积值
(L)
1、骨料含气量
细骨料质
量(g)粗骨料质
量
(g)
气室压力
(MPa)
气室压力进入容器后压力(MPa)
含气量Ag
(%)
1 2 平均
2、原材料及配合比
材料名称水水泥
砂石掺合料外加剂产地、厂家
品种、规格
配合比(kg/m3)
3、含气量
气室压力气室压力进入容器后压力(MPa)含气量A0
(MPa) 1 2 平均(%)
4、混凝土拌合物含气量计算
A=A0–Ag=
结论:
试验:审核:
混凝土含气量测定仪容器容积标定记录
编号:HNTJ-CX15-JL40仪器编号率定日期
率定依据使用仪器
一、含气量测定仪容器容积的率定
干燥含气量仪质量
(kg)水、含气量仪质量(kg)
水的密度
(kg/m3)
容器容积(L)二、含气量与气体压力值率定
含气量(%)
压力(MPa)
1 2 平均值
0 1 2 3 4
5
6
7
8
根据以上率定结果,绘制含气量与气体压力之间的关系曲线图如下:
)
%
(
量
气
含
压力(MPa)
试验:审核:。
标准击实试验原始记录承载比(CBR)试验原始记录液塑限联合测定试验原始记录土颗粒分析试验原始记录(筛分法)土有机质含量试验原始记录含水率试验原始记录粗集料筛分试验原始记录粗集料掺配试验原始记录粗集料密度试验原始记录粗集料含泥量、泥块含量试验原始记录粗集料针片状试验原始记录粗集料压碎值试验原始记录粗集料坚固性试验原始记录记录编号:试验日期:粗集料软弱颗粒含量试验原始记录粗集料破碎砾石含量试验原始记录粗集料化学试验原始记录细集料筛分试验原始记录细集料密度原始试验记录细集料含泥量、泥块含量试验原始记录细集料坚固性试验原始记录细集料棱角性试验原始记录细集料压碎值试验原始记录水泥混凝土抗压强度试验原始记录记录编号:JL-2015-TKY- 试验日期:水泥混凝土芯样抗压强度试验原始记录记录编号:试验日期:水泥混凝土芯样劈裂强度试验原始记录记录编号:试验日期:水泥混凝土拌和物泌水率试验原始记录水泥混凝土拌和物含气量试验原始记录水泥混凝土拌合物凝结时间试验原始记录水泥混凝土抗折强度试验原始记录记录编号:试验日期:水泥混凝土抗渗试验原始记录水泥砂浆抗压强度试验原始记录记录编号:JL-2015-SKY- 试验日期:水泥浆抗压强度试验原始记录记录编号:试验日期:水泥物理性能试验原始记录记录编号:试验日期:金属力学试验原始记录记录编号:JL-2014-GYC- 试验日期:金属焊接试验原始记录记录编号:试验日期:钢筋挤压连接试验原始记录记录编号:试验日期:试验:复核:试验负责:无机结合料含灰量试验原始记录(EDTA) 记录编号:试验日期:试验:复核:试验负责人:无侧限抗压强度试验原始记录记录编号:试验日期:试验:复核:试验负责人:无机结合料标准击实试验原始记录记录编号:试验日期:无机结合料含灰量标准曲线试验原始记录记录编号:试验日期:石灰试验原始记录记录编号:试验日期:水泥混凝土配合比计算表试验:复核:试验负责人:水泥混凝土配合比计算表试验:复核:试验负责人:水泥混凝土配合比设计原始记录记录编号:试验日期:试验:复核:试验负责人:水泥混凝土配合比验证原始记录记录编号:试验日期:水泥砂浆配合比设计原始记录试验:复核:试验负责人水泥净浆配合比设计验证原始记录试验:复核:试验负责人:水泥砂浆配合比验证原始记录记录编号:试验日期:水泥浆配合比验证原始记录记录编号:试验日期:无机结合料击实试验用料计算单记录编号:试验日期:一、1.取样地点: 6.实测原材料风干含水量2.稳定材料种类:①W砂砾=3.配合比:②W土=4.击实筒体积:③.W石灰=5.最大粒径:④.W粉煤灰=二、计算:1.确定每份混合料干质量(G)=2.计算每份混合料各原材料的风干质量:G×百分比×(1+W风)①②③3.拟定最佳含水量及每点的加水量计算:复核:试验负责人:。
水泥检测原始记录水泥检测是指对水泥原材料和成品进行各项指标检测的过程。
水泥是建筑材料中的重要组成部分,其质量直接影响着建筑物的稳定性和耐久性。
因此,进行水泥检测是确保建筑质量的重要环节。
以下是水泥检测的一份原始记录。
日期:2024年5月10日地点:XXX建材公司实验室1.检测对象:本次检测的水泥样品品牌42.5号普通硅酸盐水泥,规格为50kg/袋,共计10袋。
2.检测项目及方法:2.1水泥外观检查:使用肉眼观察水泥的颜色、细度、结块情况等。
2.2水泥比重测定:使用比重瓶法,按照GB1346-89《硬质无机非金属材料比重测定方法》进行测定。
2.3水泥比表面积测定:使用比表面积仪,按照GB/T8074-2024《水泥比表面积测定方法》进行测定。
2.4水泥标号测定:使用力学法,按照GB/T176-1996《水泥标号测定方法》进行测定。
2.5水泥初凝时间测定:采用细度法,按照GB/T1346-2001《硬质无机非金属材料比表面积测定方法》进行测定。
2.6水泥强度测定:采用压力法,按照GB176-1996《水泥标号测定方法》进行测定。
3.检测仪器及设备:-比重瓶-比表面积仪-压力机-定时器-筛网等4.检测程序及结果:4.1外观检查:水泥颜色为灰色,无明显杂质,细度良好,无结块。
4.2比重测定:根据GB 1346-89的标准,测定出水泥的比重为3.05g/cm³。
4.3比表面积测定:按照GB/T 8074-2024的标准,测定出水泥的比表面积为350m²/kg。
4.4标号测定:根据GB/T176-1996的标准,通过力学法测定出水泥的标号为42.5 4.5初凝时间测定:按照GB/T1346-2001的标准,测定出水泥的初凝时间为120分钟。
4.6强度测定:根据GB176-1996的标准,分别在7天和28天的龄期下,测定出水泥的强度为48.3MPa和54.6MPa。
5.结论:通过本次水泥检测,结果显示该品牌42.5号水泥外观良好,质量符合标准要求。
组组记录人:分项工程技术负责人:专职质量检查员:
浇注现场混凝土抽
检结果
试件组 数无编 号
同条件试件/编号:
/
施工过程情况记录
降(保)温措施
无
标养试件
4编号:
XJTTDQ-37#-CT-1,XJTTDQ-37#-CT-2,
XJTTDQ-37#-CT-3,XJTTDQ-37#-CT-4。
入模温度(℃)
26
25
25
/
/
含气量(%) 2.8 2.7///施工配合比
水泥:掺和料1:掺和料2:细骨料:粗骨料:减水剂:水=1:0.38:0.15:2.95:4.09:0.017:
0.43
坍落度(mm)
185195///设计强度等级C35振捣方式机械振捣
水胶比
水灰比
0.4
施工环境温度最 高℃
31
最 低℃
23
灌注开始时间
灌注结束时间
98
运输方式混凝土搅拌运输车运输
环境侵蚀等级H2,T2
施工方法
分层浇筑
工程地点拌和站名称灌注日期
拌和方式混凝土灌注记录表
施工单位:
编号:
单位工程名称
工程部位。
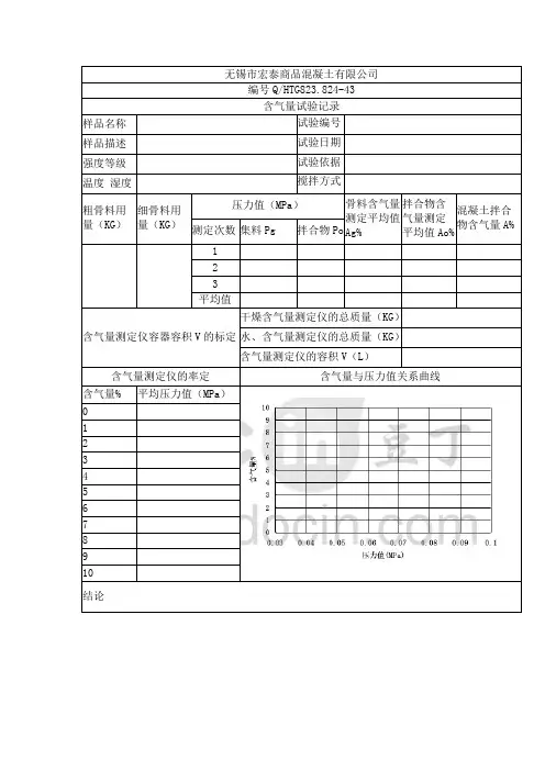
无锡市宏泰商品混凝土有限公司
编号Q/HTG823.824-43
含气量试验记录
样品名称试验编号
样品描述试验日期
强度等级试验依据
温度湿度搅拌方式
粗骨料用量(KG)细骨料用
量(KG)
压力值(MPa)骨料含气量
测定平均值
Ag%
拌合物含
气量测定
平均值Ao%
混凝土拌合
物含气量A% 测定次数集料Pg 拌合物Po
1
2
3
平均值
含气量测定仪容器容积V的标定干燥含气量测定仪的总质量(KG)水、含气量测定仪的总质量(KG)含气量测定仪的容积V(L)
含气量测定仪的率定含气量与压力值关系曲线含气量% 平均压力值(MPa)
1
2
3
4
5
6
7
8
9
10
结论。
混凝土试验结果原始记录实验项目:本次试验针对混凝土样品,进行了一系列测试,包括强度试验、韧性试验、抗渗试验和含气量试验。
实验材料:- 水泥:XXX牌水泥- 砂:标准河砂- 石子:直径10mm的骨料- 混凝土添加剂:XXX牌添加剂试验步骤和结果如下:1. 强度试验为了评估混凝土的强度特性,我们进行了压力试验,得到了如下结果:- 试验编号:001- 强度等级:C30- 抗压强度:30MPa- 抗折强度:25MPa2. 韧性试验为了评估混凝土的抗裂能力和延展性,我们进行了韧性试验,得到了如下结果:- 试验编号:002- 最大位移:10mm- 断裂荷载:100kN- 韧性系数:103. 抗渗试验为了评估混凝土的抗渗性能,我们进行了渗透试验,得到了如下结果:- 试验编号:003- 渗透深度:5mm- 饱和系数:0.754. 含气量试验为了评估混凝土中的气孔含量,我们进行了含气量试验,得到了如下结果:- 试验编号:004- 混凝土中的气孔含量:2.5%结论:根据上述试验结果,得出以下结论:- 混凝土样品具有较高的抗压强度和抗折强度,符合C30强度等级要求。
- 混凝土具有良好的韧性特性,能够承受一定的位移和荷载。
- 混凝土具有较好的抗渗性能,渗透深度较浅,饱和系数较高。
- 混凝土中的气孔含量较低,质量较好。
备注:本次试验结果仅针对所使用的试样和实验条件,结果仅供参考。
如需更准确的评估,请进行更多的实验和测试。
以上为本次混凝土试验的原始记录,如有需要,可根据实际情况进行修改和补充。
工程名称:合同号:编号:
试表1-1
工程名称:合同号:编号:
试表1-2
混凝土稠度及表观密度试验记录表
工程名称:合同号:编号:
试表1-3
水泥混凝土凝结时间试验记录表
工程名称:合同号:编号:
试表1-4
水泥混凝土凝结时间试验记录附表
工程名称:合同号:编号:
试表1-5
水泥混凝土泌水与压力泌水试验记录表
工程名称:合同号:编号:
试表1-6
水泥混凝土拌合物含气量试验记录表
工程名称:合同号:编号:
试表1-7
水泥混凝土配合比设计
工程名称:合同号:编号:
试表1-8
砂浆配合比设计
工程名称:合同号:编号:
试表1-9
水泥混凝土试件抗压强度试验记录表
工程名称:合同号:编号:
试表1-10
工程名称:合同号:编号:
试表1-11
工程名称:合同号:编号:
试表1-12
工程名称:合同号:编号:
试表1-13
工程名称:合同号:编号:
试表1-14
砂浆抗压强度试验记录表
工程名称:合同号:编号:
试表1-15
水泥混凝土立方体(圆柱体)劈裂抗拉强度试验记录表
工程名称:合同号:编号:
试表1-16
水泥混凝土抗弯拉试件断块抗压强度试验记录表
工程名称:合同号:编号:
试表1-17
水泥混凝土抗弯拉弹性模量试验记录表
工程名称:合同号:编号:
试表1-18
水泥混凝土棱柱体抗压弹性模量试验记录表
工程名称:合同号:编号:
试表1-19
混凝土用粉煤灰试验记录表
工程名称:合同号:编号:
试表1-20。
水泥混凝土拌和物含气量试验方法1.本方法适用于骨料最大粒径不大于37.5㎜,含气量不大于10%且有坍落度的水泥混凝土。
2. 含气量试验所用设备应符合下列规定:⑴含气量测定仪:由容器及盖体两部分组成。
容器应由硬质、不宜被水泥浆腐蚀的金属制成,其内表面粗糙度不应大于3.2μm,内径与深度相等,容积为7L。
盖体应用容器相同的材料制成。
盖体部分应包括有气室、水找平室、加水阀、排水阀、操作阀、进气阀、排气阀及压力表。
压力表的量程为0~0.25MP,精度为0.01MP。
容器与盖体之间应设置密封垫圈,用螺栓连接,连接处不得有空气存留,并保证密闭。
⑵捣棒。
⑶振动台:应符合《混凝土试验室用振动台》(JG/T 3020)中技术要求的规定。
⑷台秤:称量50㎏,感量50g。
⑸橡皮锤:应带有质量约250g的橡皮锤头。
3.在进行拌合物含气量测定之前,应先按下列步骤测定拌合物所用骨料的含气量:⑴应按下式分别计算每个试样中粗、细骨料的质量:m g=V/1000×m’gm S=V/1000×m’S式中m g、m S——分别为每个试样中的粗、细骨料质量,㎏;m’g、m’S——分别为每立方米混凝土拌合物中粗、细骨料质量,㎏/m3;V---含气量测定仪容器容积,L。
⑵在容器中先注入1/3高度的水,然后把通过37.5㎜网筛的质量为m g、m S的粗、细骨料称好、拌匀,慢慢倒入容器。
水面每升高25㎜左右,轻轻插捣10次,并略予搅动,以排除夹杂进去的空气,加料过程中应始终保持水面高出骨料的顶面;骨料全部加入,应浸泡约5min,再用橡皮锤轻敲容器外壁,排净气泡。
除去水面泡沫,加水至满,擦净容器上口边缘;装好密封圈,加盖后拧紧螺栓。
⑶关闭操作阀和排气阀,打开排水阀和加水阀,通过加水阀向容器内注水;排水阀流出的水流不含气泡时,在注水的状态下,同时关闭加水阀和排水阀。
⑷开启进气阀,用气泵向气室内注入空气,使气室内的压力略大于0.1MP;待压力表显示值稳定,微开排气阀,调整压力至0.1MP,然后关紧排气阀。