RTTW与BTTZ产品对比说明
- 格式:docx
- 大小:19.29 KB
- 文档页数:3
英飞凌各代IGBT模块技术详解IGBT 是绝缘门极双极型晶体管(Isolated Gate Bipolar Transistor)的英文缩写。
它是八十年代末,九十年代初迅速发展起来的新型复合器件。
由于它将 MOSFET 和 GTR 的优点集于一身,既有输入阻抗高,速度快,热稳定性好,电压驱动(MOSFET 的优点,克服 GTR 缺点);又具有通态压降低,可以向高电压、大电流方向发展(GTR 的优点,克服 MOSFET 的缺点)等综合优点,因此 IGBT 发展很快,在开关频率大于 1KHz,功率大于 5KW 的应用场合具有优势。
随着以 MOSFET、IGBT 为代表的电压控制型器件的出现,电力电子技术便从低频迅速迈入了高频电力电子阶段,并使电力电子技术发展得更加丰富,同时为高效节能、省材、新能源、自动化及智能化提供了新的机遇。
英飞凌/EUPEC IGBT 芯片发展经历了三代,下面将具体介绍。
一、IGBT1-平面栅穿通(PT)型 IGBT (1988 1995)西门子第一代 IGBT 芯片也是采用平面栅、PT 型 IGBT 工艺,这是最初的 IGBT 概念原型产品。
生产时间是 1990 年- 1995 年。
西门子第一代 IGBT 以后缀为“DN1” 来区分。
如 BSM150GB120DN1。
图 1.1 PT-IGBT 结构图PT 型 IGBT 是在厚度约为 300-500μm 的硅衬底上外延生长有源层,在外延层上制作IGBT 元胞。
PT-IGBT 具有类 GTR 特性,在向 1200V 以上高压方向发展时,遇到了高阻、厚外延难度大、成本高、可靠性较低的障碍。
因此,PT-IGBT 适合生产低压器件,600V 系列 IGBT 有优势。
二、IGBT2-第二代平面栅 NPT-IGBT西门子公司经过了潜心研究,于 1989 年在 IEEE 功率电子专家会议(PESC)上率先提出了 NPT-IGBT 概念。
由于随着 IGBT 耐压的提高,如电压VCE≥1200V,要求 IGBT 承受耐压的基区厚度dB>100μm,在硅衬底上外延生长高阻厚外延的做法,不仅成本高,而且外延层的掺杂浓度和外延层的均匀性都难以保证。
矿物绝缘防火电缆(BTTW /YTTW /BTTRZ)系列柔性矿物绝缘防火电缆的设计参数,是严格遵循英国BS6387标准,以及国际电工委员会IEC标准。
这些技术参数,已经分别通过了国家消防总局与国家防火建筑材料质量监督检验中心专项检测。
由于防火电缆全都是用无机物(金属铜和氧化镁粉)组成,它本身不会引起火灾,不可能燃烧或助燃,由于铜的熔点是1083℃、氧化镁的熔点是2800℃,因此该种电缆可以在接近铜的熔点的火灾情况下继续保持供电,是一种真正意义上的防火电缆。
柔性矿物绝缘防火电缆BTTRZ(BTTW / YTTW)系列燃烧不短路短路不燃烧产品介绍产品名称:柔性矿物绝缘防火电缆(BTTW)型号规格:(1芯、2芯、3芯、4芯、5芯、3+1芯、3+2芯、4+1芯)1、产品标准:中国已颁布的各类相关规范、规程主要有:《高层民用建筑设计防火规范》【GB50045-95(2005年版)】《北京市民用建筑电线电缆防火设计规程》【DGJ08-93-2002】《建筑设计防火规范》【GB50016-2006】《中国消防手册》【2007版】《火灾自动报警系统设计规范》【GB50116-98】《民用建筑电线电缆防火设计规范》【DGJ08-93-2002】《北京市消防局文件》【京消发{2004}352】《电力工程电缆设计规范》【GB50127-94】《汽车库、修车库、停车场设计防火规范》【GB50067-97】燃烧试验的测试标准柔性矿物绝缘防火电缆的设计参数,是严格遵循英国BS6387标准,以及国际电工委员会IEC标准。
这些技术参数,已经分别通过了国家消防总局与国家防火建筑材料质量监督检验中心专项检测。
由于防火电缆全都是用无机物(金属铜和氧化镁粉)组成,它本身不会引起火灾,不可能燃烧或助燃,由于铜的熔点是1083℃、氧化镁的熔点是2800℃,因此该种电缆可以在注:德昊柔性矿物绝缘防火电缆已通过国际BS6387标准中最高级别C、W、Z试验。
WTTEZ电缆与BTTZ、YTTW电缆性能优劣比较WTTEZ无机绝缘防火电缆结构及性能特点1.WTTEZ电缆结构:1.绞合导体;2.无机复合绝缘;3.无机复合膨胀填充;4.皱纹铜管护套;5.低烟无卤外护套;2.WTTEZ电缆性能特点:①防火、耐火性能十分优越为保证电缆在火焰中能正常供电,即在着火条件下保持电缆结构稳定,在电缆结构设计中,增加了一层具有耐火且膨胀性能的包覆层,该包覆层在火焰条件下,体积膨胀使电缆绝缘结构更加稳定。
因此该种电缆可以在接近铜的熔点的火灾情况下继续保持供电,是一种真实意义上的防火电缆。
②连续生产长度长、截面大、弯曲性能好●连续生产长度长该电缆的生产长度不受加工工艺、生产设备的限制,完全满足供电长度需要。
较长可以生产至2000米。
●截面大该电缆导体采用多股单线绞合而成,这样很大程度上可增加导体的柔软性,另外绞合导体生产连续性好,加工长度长,可减少接头的数量,截面大单芯电缆截面可达800mm2。
●弯曲性能好铜护套进行轧纹加工,增加了电缆的柔软性,弯曲性能好。
③载流量大、防水●载流量大该电缆正常时导体温度可以达到180℃,在相同导体截面的前提下,其载流量远远超过常规电缆。
●防水该电缆采用密封非磁性金属管保护,其防水性能十分优越。
④具有防爆、防腐、无电磁干扰特性●防爆由于该电缆采用铜护套,而且电缆经燃烧后,填充层产生膨胀后紧密压实线芯,可燃的气体、火焰不能达到与电缆连接的电气设备,因此电缆具有防爆特性。
●耐腐蚀性能好由于铜具有良好的耐腐蚀性,在正常使用的环境下不需要附加保护,在特殊的环境条件下,如对铜有较强的腐蚀作用的环境中,只需在电缆外面加一层低烟无卤外护就可以达到防腐性。
●无电磁干扰该电缆由于在铜护套的屏蔽下,在与信息、控制等线在一起敷设时,不会对信号、控制线产生干扰。
二、WTTEZ无机复合绝缘耐火电缆和BTTZ矿物绝缘电缆技术比较项目高阻燃型耐火电缆矿物绝缘电缆BTTZ 无机复合绝缘电缆WTTEZ燃烧性能阻燃(A类)不燃不燃烟度浓烟无烟无烟卤素高卤无卤无卤毒性高毒性无害无害耐火特性达到B类750℃~800℃90min超过A类950℃~1000℃3h超过A类950℃~1000℃5h喷淋试验不能通过通过通过振动试验不能通过通过通过生产长度要求长度无限制每段长度不超过50m长度无限制、中间不需要接头敷设条件无限制固定,不可移动无限制四、其它说明无机复合绝缘耐火电缆(WTTEZ)具有防火性能优越、生产长度长,弯曲性能好,在性能上完全可以替代BTTZ电缆。
BTTZ与BTLY性能对比一、BTTZ电缆优点1.1耐火标准可通过BS6387三项考核:a)950℃3h火焰下不击穿b)650℃30min后承受15min的水喷淋;c)950℃火焰下承受15min的敲击振动;1.2 BTTZ电缆自身不燃烧,同时不会引发火源。
即使在有火焰烧烤的情况下,只要火焰温度低于铜的熔点温度,火焰消除后电缆无需更换仍可继续使用。
在被火焰烧烤的情况下不会产生有毒的烟雾和气体。
1.3、防腐、防爆性能好,由于采用无缝铜管作护套,具有防水、潮气、油和一些化学物质侵害的性能,铜管具有相当的机械强度故有较好的防爆性能。
二、BTTZ矿物绝缘电缆的缺点2.1 BTTZ矿物绝缘电缆接头比较多,易受潮而BTLY矿物绝缘电缆可以做到不用接头长度还满足客户要求。
2.2铜管拉拔工艺使得单根连续长度有限,安装的过程中需要不断使用接头,增加材料和人工成本,并且需要对接头处电气性能作特殊处理。
2.3 35mm2以上均为单芯电缆,安装工序多,并且不利于各芯电气参数的均衡。
2.4线芯棒型实心铜导体,非常坚硬,使得其最大截面为只能到达400mm2。
2.5氧化镁粉末充当绝缘层,易产生厚薄不均现象,工艺稍有差池便会击穿,额定电压最高为450/750V。
2.6 BTTZ电缆不断的使用接头,因此需要特别处理以保证火焰下承受水喷淋后仍保持通电。
2.7 BTTZ一旦受火铜管外壳即为直接受火温度—950℃+50℃(塑料外护套瞬间烧损),铜导体芯线阻随温升而增加,因此火灾中BTTZ压降损失大,并且它的结构特性无法实现铝导体作线芯的可能。
2.8金属套采用分段拉拔工艺,单根最长不超过60米,氧化镁对环境有污染,成本高,效率难以提高。
三、BTLY矿物绝缘电缆的优点3.1耐火标准可通过BS6387三项考核:a)950℃3h火焰下不击穿;b)650℃30min后承受15min的水喷淋(直接浸水亦可);c)950℃火焰下承受15min的敲击振动而不破坏,从而在耐火性能上完全达到BTTZ的考核标准。
关于BTWTZ与BBTRZ之间的区别说明BTWTZ电缆(铜芯铜护套氧化镁绝缘防火电缆):是一种外层采用无缝铜管护套、中间充填氧化镁晶体粉作绝缘材料,导体是单股铜棒组成的新型电缆。
它具有耐高温、防火、防爆、不燃烧(250℃时可连续长时间运行,1000℃极限状态下也可作30min的短时间运行)且载流量大、外径小、机械强度高、使用寿命长,一般不需要独立接地导线的特点。
被广泛应用于核电站、冶金、化工、矿井、制窑等危险、恶劣、高温环境。
近年来也较多的应用于高层建筑、机场、码头、地下铁道等场所,用以保障在火灾情况下消防水泵、消防电梯、局部照明、应急疏散指示、保安监视,防、排烟系统及自备电源等消防用电及重要设备不间断运行。
但BTWTZ电缆安装最复杂,工期最长,受限太多。
BTWTZ图:BTWTZ电缆的主要性能1.耐火性能电缆不但自身无法燃烧,更不会引发火源。
即使在着火的情况下,电缆仍可正常工作。
而且只要火焰温度低于铜的熔点温度,火情消除后,电缆无需更换,仍可继续使用。
更换护套和芯线材料耐火更佳,可在油气环境下使用。
2.过载保护能力强线路过载时,塑料电缆会因过电流或过电压而引发绝缘发热老化或击穿;而对于矿物绝缘电缆,只要发热达不到铜的熔点温度,电缆不会受损。
即使瞬间击穿,击穿点处氧化镁既便熔化仍为氧化镁,过载消除后,电缆性能不会产生变化,仍可继续正常使用。
3.载流量大由于电缆绝缘材质及结构的特殊性,使得矿物绝缘电缆具有较大的载流能力。
传输相同的电流量,若选用矿物绝缘电缆可比塑料类电缆减小1到2个截面等级或更大。
4.工作温度高由于绝缘层氧化镁的熔点温度远高于铜的熔点温度,因而裸电缆最高正常工作温度可达250℃,短期可在接近铜的熔点温度1083℃下继续运行。
5.防水、防腐、防爆由于电缆采用无缝铜管作护套,导体、绝缘及护套三者间是致密压实体。
因而使其不但具有防止水、潮气、油及一些化学物质的侵害,而且具有阻止可燃性油蒸汽、气体和火焰的蔓延。
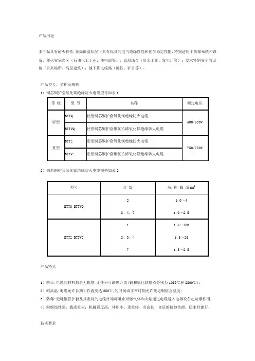
产品用途本产品具有耐火特性,在高低温状况下具有优良的电气绝缘性能和化学稳定性能,特别适用于防爆系统和设备,即火灾危险区(石油化工工业、核电站等);高温场合(冶金工业、发电厂等);要求特别安全的设施(公共场所、高层建筑);地下供电线路(地铁、矿井等)。
产品型号、名称及规格1) 铜芯铜护套氧化镁绝缘防火电缆型号如表12)铜芯铜护套氧化镁绝缘防火电缆规格如表2产品特点1)防火:电缆的材料都是无机物,无任何可助燃介质(铜和氧化镁熔点分别为1083℃和2800℃);2)耐高温:电缆允许长期工作温度达250℃,短时间或非常时期允许接近铜熔点温度;3)防爆:无缝铜管护套及其密封的电缆终端可阻止可燃气体和火焰通过电缆进入电器设备起防爆作用; 4)耐腐蚀性强;载流量大;机械强度高;体积小、重量轻、寿命长;良好的接地性能;防水性能好。
技术要求1)500/500V、750/750V铜芯铜护套氧化镁绝缘防火电缆主要技术参数见表1。
(仅供参考)2)500/500、750/750V铜芯铜护套氧化镁绝缘防火电缆载流量表注:该表所列载流量为环境温度30℃温升至护套表面温度70℃时的载流量和环境温度30℃温升至护套表面温度90℃时的载流量,分别适用于允许接触敷设电缆和不允许接触敷设电缆。
3)运行温度及载流量修正系数见表3、表4、表5表3表4表5注:载流温升不超过90℃电缆附件●终端电缆在正式安装时,需要一种永久性的终端。
这种终端由两个部分构成。
密封部分:一般由铜罐(或热缩性套管)、罐盖、密封材料和导体的绝缘套管组成;压盖部分:一般由压盖本体、压缩环、压盖螺母组成。
●中间连接器由于防火电缆生产长度难以达到用户所需线路的长度,所以在电缆敷设安装过程中,需采用中间连接器作为二根相同规格的电缆连接,外面用铜套管加以保护。
这种连接器由二端均有内螺纹无缝铜管、铜罐或热缩套管、铜压接管和绝缘热收缩套管所组成。
●敷设时推荐的电缆弯曲半径如表。
下面讲一讲BTTZ电缆的特性BTTZ电缆是一种波纹铜护套热缩管电缆,其特点是在一定条件下,能够自动收缩,从而起到保护电线和线路的作用。
下面将会详细介绍BTTZ电缆的特性。
一、独特的结构BTTZ电缆采用波纹铜护套,这种护套能够在电线周围形成一个完整的保护层。
除此之外,BTTZ电缆的结构还包括导体、绝缘层和绝缘外护层。
导体是电缆中传输电信号的重要组成部分,绝缘层用以保护导体,而绝缘外护层则能够增强电缆的耐用性。
二、极佳的耐用性BTTZ电缆的波纹铜护套能够为电线提供出色的保护作用,使其在极端环境下仍可保持良好的性能。
此外,BTTZ电缆的绝缘外护层可抵抗一定程度的摩擦、撕裂和腐蚀,能够在恶劣的工作条件下保持稳定性能。
三、优良的温度适应性BTTZ电缆的使用温度范围广泛,可在-55℃至135℃的环境下正常使用。
此外,BTTZ电缆还具有良好的抗燃性能,即便在高温下运行也不会燃烧或释放有害气体。
四、安全可靠BTTZ电缆具有出色的电气性能,不会因环境变化而受到干扰或损坏导线。
其同时还具有较高的阻燃性、耐腐蚀性和耐化学腐蚀性,能够在不同场合下提供高度的安全性和可靠性。
五、易于安装和维护BTTZ电缆的安装和维护比较简单,在正常使用期间,只需要注意电缆周围是否有过多的电磁干扰和外界损坏就可以了。
如果电缆发生故障需要维修的话,只需要用工具把护套剪开,就可以完成对电线的维护和修复。
结论BTTZ电缆作为一种高性能电线,具有很多优秀的特性。
它的波纹铜护套、温度适应性、安全可靠性、易于安装和维护等特点,使得它在工业生产、建筑工地、地下铁路等场合得到了广泛的应用。
关于BTTZ氧化镁矿物绝缘电缆与BTTW发布时间:2011-12-11来源:本站作者:上海胜华电缆集团BTTZ与BTTW都是铜护套、铜导体、矿物绝缘防火电缆,这两种电缆是当前国际、国内最好的防火电缆。
BTTZ的问世早于BTTW,它们之间有哪些相同和哪些不同?为此作一些比较:一、结构比较:BTTZ采用铜护套,铜导体(是铜杆)绝缘层是氧化镁粉。
BTTW 也是采用铜护套(铜带在模具中成圆形,包覆缆芯后,氩弧焊接,连续轧纹)铜导体(多股铜丝绞合),绝缘层是氧化镁等无机矿物带绕包在导体上,由于两种电缆的结构差别较大,因此它们的制作工艺与特性有很大的差异。
二、制造工艺比较:BTTZ制造工艺复杂,机械化程度低,能耗大。
BTTZ目前有两种工艺,一种是将氧化镁粉预制成瓷柱,塞入定长的铜管和定长的导体内,退火后,拉拔再退火再垃拔,一直拉拔到导体固定规格。
另一种工艺是连续灌粉(氧化镁)在定长铜管中,仍边退火边拉拔到规定规格。
对于小截面电缆拉拔,长度比较长,大截面电缆拉拔长充则比较短,所以中间必须增加中间接头,同时电缆本体很硬,是刚性结构。
BTTW电缆的制作工艺比较先进,生产全过程均由全自动生产线完成。
铜导体绞合与绝缘绕包在机械上一次完成,半成品放入烘箱去湿后,通过氩弧焊接,轧纹也是机械化一次完成。
因此BTTW电缆,质量好,无人为因素,并且BTTW电缆连续生产长度长、有柔性、大小截面电缆均能盘绕在标准的电缆盘上。
三、耐火特性比较:1、电缆本体:BTTZ铜导体耐温是1083℃;绝缘氧化镁粉耐温是2800℃;所以极限耐温是1083℃;BTTW铜护套、铜导体耐温1083℃;矿物绝缘带耐温是1375℃,所以极限耐温也是1083℃。
两种电缆都能通过英标C(耐火温度950-1000℃,连续3小时)W(650℃喷淋试验15分钟)Z(950℃撞击15分钟) 。
2、电缆接头比较:BTTZ的电缆接头,一般用有机材质密闭(氧化镁粉在空气中会吸潮),接头处导体绝缘不是氧化镁而是热塑套管,这两种材质的耐温不超过200℃,显然是不耐高温的。
BTLY与BTTZ电缆性能对比BTTZ与BTLY性能对比一、BTTZ电缆优点1.1耐火标准可通过BS6387三项考核:a)950?3h火焰下不击穿b)650?30min后承受15min的水喷淋;c)950?火焰下承受15min的敲击振动;1.2 BTTZ电缆自身不燃烧,同时不会引发火源。
即使在有火焰烧烤的情况下,只要火焰温度低于铜的熔点温度,火焰消除后电缆无需更换仍可继续使用。
在被火焰烧烤的情况下不会产生有毒的烟雾和气体。
1.3、防腐、防爆性能好,由于采用无缝铜管作护套,具有防水、潮气、油和一些化学物质侵害的性能,铜管具有相当的机械强度故有较好的防爆性能。
二、BTTZ矿物绝缘电缆的缺点2.1 BTTZ矿物绝缘电缆接头比较多,易受潮而BTLY矿物绝缘电缆可以做到不用接头长度还满足客户要求。
2.2铜管拉拔工艺使得单根连续长度有限,安装的过程中需要不断使用接头,增加材料和人工成本,并且需要对接头处电气性能作特殊处理。
22.3 35mm以上均为单芯电缆,安装工序多,并且不利于各芯电气参数的均衡。
22.4线芯棒型实心铜导体,非常坚硬,使得其最大截面为只能到达400mm。
2.5氧化镁粉末充当绝缘层,易产生厚薄不均现象,工艺稍有差池便会击穿,额定电压最高为450/750V。
2.6 BTTZ电缆不断的使用接头,因此需要特别处理以保证火焰下承受水喷淋后仍保持通电。
2.7 BTTZ一旦受火铜管外壳即为直接受火温度—950?+50?(塑料外护套瞬间烧损),铜导体芯线阻随温升而增加,因此火灾中BTTZ压降损失大,并且它的结构特性无法实现铝导体作线芯的可能。
2.8金属套采用分段拉拔工艺,单根最长不超过60米,氧化镁对环境有污染,成本高,效率难以提高。
三、BTLY矿物绝缘电缆的优点3.1耐火标准可通过BS6387三项考核:a)950?3h火焰下不击穿;b)650?30min后承受15min的水喷淋(直接浸水亦可);c)950?火焰下承受15min的敲击振动而不破坏,从而在耐火性能上完全达到BTTZ的考核标准。
RTTZ电缆RTTZ电缆是是由原YTTW电缆从新命名而来,并出台了国家标准:标准号GB/T 34926-2017《额定电压0.6/1kV及以下云母带矿物绝缘波纹铜护套电缆及终端》。
公司生产RTTZ电缆拥有丰富经验,也是国较早批量生产yttw电缆厂家之一,,对设备和技术要求都比较高,下面就来详解介绍下RTTZ电缆产品说明。
一、RTTZ电缆结构图:例1:RTTZ云母带矿物绝缘波纹铜护套电缆结构图例2:WD-RTTZY(RTTZV)结构图RTTZ系列金属护套无机矿物绝缘电力电缆的导体采用多股铜绞线,绝缘采用耐高温合成云母带机械绕包,绝缘层外采用无碱玻璃纤维密实填充,护套采用铜带纵包后焊接成铜管,再经连续滚轧波纹成型。
特定要求金属护套不能裸露场合,可以在外面加一层聚烯烃(低烟无卤)护套。
二、RTTZ电缆型号规格:RTTZ----铜芯云母带矿物绝缘波纹铜护套控制电缆RTTYZ----铜芯云母带矿物绝缘波纹铜护套聚烯烃外护套控制电缆RTTVZ----铜芯云母带矿物绝缘波纹铜护套聚氯乙烯外护套控制电缆示例1:额定电压450/750V 铜芯云母带矿物绝缘波纹铜护套控制电缆,规格为7×1.5mm 2 ,表示为:RTTZ-450/750V 7×1.5示例2:额定电压0.6/1kV 铜芯云母带矿物绝缘波纹铜护套聚氯乙烯外护套电力电缆,规格为4×95mm 2 ,表示为:RTTVZ-0.6/1kV 4×95三、RTTZ电缆的性能和优缺点:1、防火性能优越,耐火等级不仅满足国标GB12666 6A类950C ,90min,还可满足英国BS6387-1994中规定的A级650C3h;B级750C3h; C级950C3h要求;同时,在燃烧中还能耐受水喷与机械撞击;2、连续长度长,不管是单芯,还是多芯电缆,其长度能满足供电长度需要,每根连续长度可达1000m以上;3、截面大,单芯电缆截面可达630mm2多芯电缆可达70mm2;4、具有柔性,电缆可以盘在盘上,其弯曲半径6-10D;5、燃烧时无烟无毒,绝缘采用无机材料,燃烧时不会产生任何有害气体,更不会发生2次污染,是真正的环保绿色产品;6、过载能力大,电缆不仅载流量大,而且具有较大的过载能力。
RTTW与BTTZ产品对比说明RTTW—450/750V:铜芯云母带矿物绝缘波纹铜护套电缆BTTZ:铜芯氧化镁绝缘铜护套电缆1、标准RTTW-450/750V电缆参考标准:JG/T 313—2014 《额定电压0.6/1kV及以下金属护套无机矿物绝缘电缆及终端》GB/T XXXX—XXXX 《额定电压0.6/1kV及以下云母带矿物绝缘波纹铜护套电缆及终端》(征求意见稿)BTTZ电缆参考标准:GB/T 13033—2007 《额定电压750V及以下矿物绝缘电缆及终端》其中JG/T 313-2014建筑工业行业标准主要参考IEC 60702《额定电压750V及以下矿物绝缘电缆及终端》(英文版),GB/T XXXX-XXXX(征求意见稿)标准主要根据JG/T 313—2014标准编订。
而且GB/T 13033—2007标准与IEC 60702标准等同采用。
故RTTW电缆的产品标准要求基本与BTTZ一致,只是电缆的材料和生产工艺有所调整.2、产品结构产品结构对比见表1,两种产品结构主要组成部分一致,为铜导体、矿物绝缘、铜护套。
表13、产品性能产品主要性能对比见表2.表2综上所述,RTTW电缆产品性能要求基本是在BTTZ电缆基础上引用,特别是在耐火性能上,RTTW电缆要求均高于BTTZ耐火试验要求,能够满足使用要求。
4、铜护套接地说明在RTTW电缆意见稿标准中规定“当金属外护套直流电阻符合相应规格导体要求时,即可兼作PE线芯"。
同时RTTW行业标准中对铜护套直流电阻,具体规格和直流电阻见表3。
表3根据以上数据显示,RTTW电缆铜护套直流电阻值均小于相应接地导体的标准要求,按意见稿标准要求,以上RTTW电缆规格的铜护套护套能够兼作接地线使用.。
性能BTTZ矿物绝缘电缆BTLY系列矿物绝缘电缆耐火950℃受火180min950℃受火180min防水650℃燃烧加喷淋15min,电缆中间接头处不参加试验考核650℃燃烧加喷淋30min耐火耐冲击950℃燃烧每隔5min冲击一次,持续15min950℃燃烧每隔5min冲击一次,持续15min耐火耐冲击防水950℃火焰燃烧,每隔5min冲击一次,并施加750V的额定电压,持续3min,维持如上状态再加喷淋15min,电缆中间接头处不参加试验考核950℃火焰燃烧,每隔5min冲击一次,并施加1KV的额定电压,持续3min,维持如上状态再加喷淋15min中间接头BTTZ矿物绝缘电缆需要不断的使用中间接头,增加了成本,并且接头处不防火、不防水。
BTL系列矿物绝缘电缆采用金属管连续挤出工艺不需要使用中间接头。
截面35mm2截面以上均为单芯电缆。
举例:4×35 mm2的电缆需要分四次安装。
35mm2截面以上仍可采用多芯电缆交货。
举例:4×35 mm2的电缆同样只需要一次安装即可。
附件BTTZ矿物绝缘电缆所需要的中间接头和终端接头均需要另行向厂方采购并且价格昂贵。
厂方免费提供BTL系列矿物绝缘电缆在安装过程中所需要使用的附件。
运输大截面电缆长度较短,不能弯曲只能用大型运输车,运到现场完全可以参照普通的常规电缆放线施工现场放线不易,如果硬拉,会扭结及开裂。
整根无接头交货,与常规电缆没有区别施工硬度大、需专业的弯管工具,接头多,查找故障点困难。
施工工作量大BTLY电缆生产过程中采用的金属套连续挤包成型工艺使得单根电缆连续长度可满足客户的要求,从而做到整根无接头交货,简化安装工序芯数BTTZ电缆凡规格超过35mm2的均为单芯电缆,实际应用中多为单芯电缆组成回路,故容易在电缆固定金具中产生感应涡流,若涡流过大不仅会产生大量的涡流损耗还使电缆的固定金具老化速度加快。
240mm2及以下可以多芯电缆方式交货,可减少安装工序,压缩安装时间,有利于各芯电气参数的均衡。
RTTW与BTTZ产品对比说明
RTTW-450/750V:铜芯云母带矿物绝缘波纹铜护套电缆
BTTZ:铜芯氧化镁绝缘铜护套电缆
1、标准
RTTW-450/750V电缆参考标准:
JG/T 313-2014 《额定电压0.6/1kV及以下金属护套无机矿物绝缘电缆及终端》
GB/T XXXX-XXXX 《额定电压0.6/1kV及以下云母带矿物绝缘波纹铜护套电缆及终端》(征求意见稿)
BTTZ电缆参考标准:
GB/T 13033-2007 《额定电压750V及以下矿物绝缘电缆及终端》
其中JG/T 313-2014建筑工业行业标准主要参考IEC 60702《额定电压750V及以下矿物绝缘电缆及终端》(英文版),GB/T XXXX-XXXX(征求意见稿)标准主要根据JG/T 313-2014标准编订。
而且GB/T 13033-2007标准与IEC 60702标准等同采用。
故RTTW电缆的产品标准要求基本与BTTZ一致,只是电缆的材料和生产工艺有所调整。
2、产品结构
产品结构对比见表1,两种产品结构主要组成部分一致,为铜导体、矿物绝缘、铜护套。
表1
3、产品性能
产品主要性能对比见表2。
表2
综上所述,RTTW电缆产品性能要求基本是在BTTZ电缆基础上引用,特别是在耐火性能上,RTTW电缆要求均高于BTTZ耐火试验要求,能够满足使用要求。
4、铜护套接地说明
在RTTW电缆意见稿标准中规定“当金属外护套直流电阻符合相应规格导体要求时,即可兼作PE线芯”。
同时RTTW行业标准中对铜护套直流电阻,具体规格和直流电阻见表3。
表3
根据以上数据显示,RTTW电缆铜护套直流电阻值均小于相应接地导体的标准要求,按意见稿标准要求,以上RTTW电缆规格的铜护套护套能够兼作接地线使用。