变压器差动电流计算原理之变压器CT的接线方式
- 格式:docx
- 大小:279.44 KB
- 文档页数:5
关于差动电流保护互感器的极性
网上有好多关于差动电流极性不能接错的讨论,并且都给出了原理图,但实际应用中怎样接才不错,尤其是用了微机保护以后,接入保护装置的端子具体的用图示来看。
一、首先看电动机差动接线如下图
其中1LH和3LH用作差动保护
这里注意,CT的极性端一定要注意,电动机差动保护CT的极性端不在同一侧,即
1、如果机端互感器的同极性端在靠近母线侧,则电动机中性点侧的电流互感器同极性端应该靠近中性点侧(远离电动机侧)。
2、如果机端互感器的同极性端在靠近电动机侧,则中性点侧的电流互感器同极性端应该靠近电源侧(接近电动机侧)。
二、变压器差动
变压器差动保护的接线同电动机,即接进保护装置的互感器极性高压侧和低压侧
的极性端要么都靠近变压器,要么都远离变压器。
常用的都是靠近母线侧即变压器高
低压母线侧。
注意在保护装置内①②是一组原件(可理解为一个绕组),③④是一组原件,其
中①③是极性端。
三、线路光纤差动保护
对于线路的差动由于微机差动保护装置有两个,一般为同一厂家、同一型号、同一版本,分别在线路的两端,通过光纤通道连接。
可以理解为同变压器的一样,只不过两
个绕组装在了两个地点。
至于互感器的极性都要以接近母线侧为减极性端(同名端),下面看具体的界限图示。
动作判据如下。
变压器差动保护CT二次接线杨振国提要:分析变压器差动保护CT二次接线越级跳闸的原因,指出现场接线常出现的错误,介绍如何分析电路及正确接线的方法。
关键词:变压器差动保护 CT二次接线新安装的变压器投入运行后,往往在低压侧主母线出现短路时,或输电线路故障时引起变压器差动保护动作的越级跳闸事故。
究其原因,大多是差动保护CT二次回路接线错误。
变压器的纵联差动保护是按比较其各侧电流的大小和相位而构成的一种保护。
正常运行及外部短路时,流入差动继电器的电流应等于零。
但实际上由于变压器的励磁漏流,接线方式和电流互感器的误差等因素的影响,继电器中有不平衡电流流过;而在保护范围内短路时,差动回路电流应为各侧电流的算术和,从而使差动保护动作,切除故障。
根据差动保护的特点,为了达到上述要求,在设计和保护定值计算中对差动的回路中产生不平衡电流的五个因素进行补偿。
其中之一便是对其接线组别的补偿。
若变压器的接线组别为Y/d-11(以35/10KV双绕组变压器为例)。
这样,变压器高低压侧电流之间就存在着30Ο的相位差,若不采取补偿措施,将会在差动回路中产生不平衡电流。
为此,我们通常采用将变压器高压侧CT二次绕组接成Δ型,将低压侧CT二次绕组接成Y型来进行相应补偿。
这样,在现场接线中,便存在CT 二次绕组Δ型本身如何接线及与Y型接线相对应的极性问题。
这个问题稍不注意便会出现接线错误。
怎样做到正确接线呢?先来分析一下几种可能的接线方式:图1方式。
图中i A、i B、i C压器高压CTi a、i b、i b二次绕组三相电流。
下面对图1均从其两侧CT入,L2流出。
i AYiii C i B(a)i a(i/a) i/c图1i b(i/b) i/bi c(i/C) i/a(c) (d)图2在正常运行情况下,先画出i A、i B、i C相量与如图2(a)。
文档大全根据图1可得:i/A=i A-i Bi/B=i B-i Ci/C=i C-i A作出i/A、i/B、i/C相量如图2(b)。
变压器差动保护电流互感器接线方式分析差动保护是变压器的主要保护,它的工作情况的好坏对变压器的正常运行关系极大。
要想使变压器在正常运行或在变压器外部故障时,差动保护可靠不动,就要设法使变压器的电源侧和负荷侧的CT二次线电流相位相差,及电流产生的动作安匝相等。
只要满足这两个条件变压器的差动保护在变压器内部正常时就不会动作。
为使变压器电源侧和负荷侧CT二次电流相位差,现介绍以下几种接线方式:第一种接线方式:以我县110kV变电站1#主变为例。
它的容量为2万千伏安。
接线组别为丫O/丫O/A—12—11。
ll 0kV侧为电源侧,压侧和低压侧为负荷侧,其接线图如下所示因为变压器的接线组别为丫o/丫O/A—12—11其低压测线电流Ia、Ib、Ic分别超前高压侧线电流高压侧CT二次相电流在减极性时与一次电流同相位。
要想使变压器电源侧和负荷侧CT二次线电流相位相差。
就设法使变压器低压侧的CT二次线电流落后于相电流,这样低压侧CT的连接顺序是a相的头连C相的尾;b相的头连a相第二种接线方式:我们把CT的接线组别同样用钟表的12个钟头来表示,那么第一种接线方式,高压侧的CT为6点接线,中压侧为12点接线.低压侧为1点接线。
第二种接线方式就是把高压侧的CT接成12点,中压侧接成6点.低压侧接成7点。
第三种接线方式:把高压侧的CT二次接成11点,中压倒为5点,低压侧接成6点。
第四种接线方式,把高压侧的CT二次接成5点,中压侧为11点,低压侧为12点。
变压器差动保护的接线方式有四种,选CT变比时每侧就有两种;一种是星型接线,一种是三角型接线。
如果用第一种接线方式接,对三卷变压器来说,高中低三侧CT中有两侧的CT接成星型,只有一侧接成三角型。
接线较为简单。
在特定条件下,采用此种接线方式能解决差流回路中无法解决的不平衡电流。
当然无论采用那种接线方式,效果都一样,但因各地区的技术水平不一,为使差动保护不致因CT接线错误造成保护跨动,最好选其中一种接线做为典设。
变压器差动保护CT二次接线杨振国提要:分析变压器差动保护CT二次接线越级跳闸的原因,指出现场接线常出现的错误,介绍如何分析电路及正确接线的方法。
关键词:变压器差动保护 CT二次接线新安装的变压器投入运行后,往往在低压侧主母线出现短路时,或输电线路故障时引起变压器差动保护动作的越级跳闸事故。
究其原因,大多是差动保护CT二次回路接线错误。
变压器的纵联差动保护是按比较其各侧电流的大小和相位而构成的一种保护。
正常运行及外部短路时,流入差动继电器的电流应等于零。
但实际上由于变压器的励磁漏流,接线方式和电流互感器的误差等因素的影响,继电器中有不平衡电流流过;而在保护范围内短路时,差动回路电流应为各侧电流的算术和,从而使差动保护动作,切除故障。
根据差动保护的特点,为了达到上述要求,在设计和保护定值计算中对差动的回路中产生不平衡电流的五个因素进行补偿。
其中之一便是对其接线组别的补偿。
若变压器的接线组别为Y/d-11(以35/10KV双绕组变压器为例)。
这样,变压器高低压侧电流之间就存在着30Ο的相位差,若不采取补偿措施,将会在差动回路中产生不平衡电流。
为此,我们通常采用将变压器高压侧CT二次绕组接成Δ型,将低压侧CT二次绕组接成Y型来进行相应补偿。
这样,在现场接线中,便存在CT 二次绕组Δ型本身如何接线及与Y型接线相对应的极性问题。
这个问题稍不注意便会出现接线错误。
怎样做到正确接线呢?先来分析一下几种可能的接线方式:图1方式。
图中i A、i B、i C压器高压CTi a、i b、i b二次绕组三相电流。
下面对图1均从其两侧CT入,L2流出。
i AYiii C i B(a)i a(i/a) i/c图1i b(i/b) i/bi c(i/C) i/a(c) (d)图2在正常运行情况下,先画出i A、i B、i C相量与如图2(a)。
参考资料根据图1可得:i/A=i A-i Bi/B=i B-i Ci/C=i C-i A作出i/A、i/B、i/C相量如图2(b)。
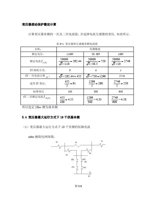
变压器差动保护整定计算计算变压器各侧的一次及二次电流值,并选择电流互感器的变比,如表所示。
表5-1变压器和互感器各侧电流值所以选定10kv侧为基本侧5.4 变压器最大运行方式下10千伏基本侧(1)变压器最大运行方式下10千伏侧的短路电流10kv侧简化网络图:图3-8***1360.200.1280.16422T T X X X ++===图3-6将它化成星形:图3-7***3413***3450.030.240.0160.030.240.18X X X X X X ⨯===++++ ***4514***3450.030.180.0120.030.240.18X X X X X X ⨯===++++ ***3515***3450.240.180.0960.030.240.18X X X X X X ⨯===++++ 将*2X 、*13X 合并成*23X ;将*6X 、*14X 合并成*24X :将*1X 、*15X 合并成*25X :***232130.40.0160.416X X X =+=+= ***246140.0120.1640.176X X X =+=+= ***251150.50.0960.596X X X =+=+=计算各电源点到短路点的转移电抗,化成△:图3-4*****2324332324*250.4160.1760.4160.1760.670.596X X X X X X ⨯=++=++= *****2425342425*230.1760.5960.1760.596 1.0240.416X X X X X X ⨯=++=++= *33X 为S2到短路点的转移电抗,*34X 是S1到短路点的转移电抗。
它们分别对应的计算电抗:*332200.67 1.474100js X =⨯=*3414501.02414.85100jsX =⨯= 又由于*34js X >3.5,故直接由.34*3410.067f t jsI X ==查4秒曲线得10kv 侧短路电流:0.0670.73 5.348.814.14()f I KA ∞=+=+=(2)变压器最小运行方式下10kv 侧的短路电流:10kv 侧简化网络图:图3-8***1360.200.1280.16422T T X X X ++===将它化成星形:图5-1***3413***3450.030.240.0160.030.240.18X X X X X X ⨯===++++***4514***3450.030.180.0120.030.240.18X X X X X X ⨯===++++ ***3515***3450.240.180.0960.030.240.18X X X X X X ⨯===++++ 将*2X 、*13X 合并成*23X ;将*6X 、*14X 合并成*24X :将*1X 、*15X 合并成*25X :***232130.70.0160.716X X X =+=+= ***246140.0120.1640.176X X X =+=+= ***251150.80.0960.896X X X =+=+=计算各电源点到短路点的转移电抗,化成△:图3-4*****2324332324*250.7160.1760.7160.176 1.030.896X X X X X X ⨯=++=++= *****2425342425*230.1760.8960.1760.896 1.30.716X X X X X X ⨯=++=++= *33X 为S2到短路点的转移电抗,*34X 是S1到短路点的转移电抗。
在实际工作中主变差动保护应注意的几个问题差动保护是变压器的主要保护,它的工作情况的好坏对变压器的正常运行关系极大。
要想使变压器在正常运行或在变压器外部故障时,差动保护可靠不动,区内故障时差动保护正确动作,在现场实际工作中,以下现场中作中应特别关注。
标签:差动保护;变压器;问题一、差动保护CT接线方式变压器差动保护的接线方式有四种,选CT变比时每侧就有两种;一种是星型接线,一种是三角型接线。
如果用第一种接线方式接,对两卷变压器来说,高压侧CT接成星型,低压侧接成三角型。
对三卷变压器来说,高中低三侧CT中有两侧的CT接成星型,只有一侧接成三角型,接线较为简单。
这种接线方式在非微机保护中广泛应用。
而在微机保护中目前普遍采用高中低各侧CT星型接线,补偿通过微机保护进行。
当然无论采用那种接线方式,效果都一样,为使差动保护不致因CT接线错误造成保护误动,最好选其中一种接线做为典型设计,避免在现场实际工作中由于人员对设备不熟悉造成的事故。
二、差动保护动作电流能否躲过励磁涌流我公司所属XXX变电站新投运时,发现主变低压侧断路器合闸时,出现合闸瞬间就跳闸,经多次操作仍出现此情况。
在认真检查变压器后,断路器还出现一合闸即跳闸的现象,后对变压器进行分析,是由于励磁涌流的影响,微机差动保护软件设置不合理,引起保护误动,致使断路器无法合闸,经过厂家修改程序,故障消除。
1 励滋涌流对变压器切除外部故障后进行空载合闸,电压突然恢复的过程中,变压器可能产生很大的冲击电流,其数值可达额定电流的6~8倍,将这个电流称之为励磁涌流。
产生励磁涌流的原因是变压器铁芯的严重饱和和励磁阻抗的大幅度降低。
2 励磁涌流的特点励磁涌流数值很大,可达额定电流的6~8倍。
励磁涌流中含有大量的直流分量及高次谐波分量,其波形偏向时间轴一侧。
励磁涌流具有衰减特性,开始部分衰减得很快,一般经过0.5~1s后,其值通常不超过0.25~0.5倍的额定电流,对于大容量变压器,其全部衰减时间可能达到几十秒。
变压器一、差动保护的接线原理变压器差动保护是防止变压器内部故障的主保护。
其接线方式,按回路电流法原理,把变压器两侧电流互感器二次线圈接成环流,变压器正常运行或外部故障,如果忽略不平衡电流,在两个互感器的二次回路臂上没有差电流流入继电器,即:iJ=ibp=iI-iII=0。
见图1。
如果内部故障,如图ZD点短路,流入继电器的电流等于短路点的总电流。
即:iJ=ibp=iI2+iII2。
当流入继电器的电流大于动作电流,保护动作断路器跳闸。
由于变压器原副绕组联接方式不同,以双绕组变压器为例,常采用Y/⊿-11接线,高低压两侧电流相位差30°,即:原边电流滞后于付边电流30°,见图3。
虽然变压器两侧互感器二次电流大小相等,但由于相位不同,仍有差电流流入继电器。
其大小为:为了消除两侧电流相位差产生的差电流ibp,必须对变压器两侧互感器采取不同的接线方式。
二、变压器差动保护的正确接线我们还以双绕组Y/⊿-11变压器为例,见图4:变压器原边互感器二次线圈接成⊿形,按减极性原边一次电流由L1流向L2为正,二次电流由K1流向K2 为正,互感器二次接线按AK2与BK1连接,BK2与CK2连接,CK2与AK1连接,二次电流由AK2,BK2,CK2引出线电流。
变压器副边电流互感器二次线圈接成人形,假设母线电流从L2进,按减极性,一次电流由L2流向L1为正,二次电流由K2流向K1也为正。
端子ak1,bK1,CK1;连在一起引出中线,端子aK2,bK1,CK1引出线电流。
根据基尔霍夫第一定律:“对于三角形联接的电路,无论是电源或是负载,线电流等于两相电流之差”。
按照原边互感器接线列出电流方程式,并作向量图5和图6:由向量图可以看出变压器原边互感器二次线电流分别超前相电流30°,也即超前一次电流30°。
变压器付边电流互感器二次线圈因入接,互感器二次电流与一次电流同相位。
正好变压器两侧互感器二次线电流同相位。
变压器差动保护变压器的纵差动保护用于防御变压器绕组和引出线多相短路故障、大接地电流系统侧绕组和引出线的单相接地短路故障及绕组匝间短路故障。
目前国内的微机型差动保护,主要由分相差动元件和涌流判别元件两部分构成。
对于用于大型变压器的差动保护,还有5次谐波制动元件,以防止变压器过激磁时差动保护误动。
为防止在较高的短路电流水平时,由于电流互感器饱和时高次谐波量增加,产生极大的制动力矩而使差动元件据动,故在谐波制动的变压器差动保护中还设置了差动速断元件,当短路电流达到4~10 倍额定电流时,速断元件快速动作出口。
差动保护的基本接线原理一般地,对于Y/∆接线方式的变压器,定义电流的正方向为自母线流向变压器,其差动保护的接线如下图所示,图3.1.1 差动保护接线图该接线图中包含了两个方面的内容:1)由于Y/∆接线方式,导致两侧CT一次电流之间出现一定的相位偏移,所以应对Y侧(或∆侧)CT一次电流进行相位补偿;2)由于I1 、I2 所在侧的电压等级不同,所以二者的有名值不能直接进行运算,二者必须归算到同一电压等级。
一般的处理方法为将I2 归算到I1 侧(通常即高压侧)。
针对以上两点,传统的方法是通过将Y 测的CT 做∆接,同时∆侧的CT 做Y 接,实现相位补偿(即保护内部五校正),由此而导致的Y 侧电流放大3倍则结合CT 变比的选择以及CT 的不平衡补偿完成,最后将处理后的电流I1′、I2′引入保护;随着微机型变压器差动保护的出现,为了简化现场接线,通常要求变压器各侧CT均按星型接线方式,CT极性端均指向同一方向(如母线侧),然后将各侧的CT二次电流I1、I2直接引入保护,而以上关于相位和CT变比的不平衡补偿则在保护内部通过软件进行补偿。
下面以Y/∆-11接线方式的变压器为例,来简单介绍微机型变压器差动保护内部利用软件进行数字式纵差动保护的相位校正和幅值校正。
变压器差动保护电流互感器接线方式
差动保护是变压器的主要保护,它的工作情况的好坏对变压器的正常运行
关系极大。
要想使变压器在正常运行或在变压器外部故障时,差动保护可靠不动,就要设法使变压器的电源侧和负荷侧的CT 二次线电流相位相差,及电流产生的动作安匝相等。
只要满足这两个条件变压器的差动保护在变压器内部正
常时就不会动作。
为使变压器电源侧和负荷侧CT 二次电流相位差,现介绍以下几种接线方式:
第一种接线方式:以我县110kV 变电站1#主变为例。
它的容量为2 万千伏安。
接线组别为丫O/丫O/A1211。
ll 0kV 侧为电源侧,压侧和低压侧为负荷侧,其接线图如下所示因为变压器的接线组别为丫o/丫O/A1211 其低压测线电流Ia、Ib、Ic 分别超前高压侧线电流高压侧CT 二次相电流在减极性时与一次电流同相位。
要想使变压器电源侧和负荷侧CT 二次线电流相位相差。
就设法使变压器低压侧的CT 二次线电流落后于相电流,这样低压侧CT 的连接顺序是a 相的头连C 相的尾;b 相的头连a 相
第二种
接线方式:我们把CT 的接线组别同样用钟表的12 个钟头来表示,那么第一种接线方式,高压侧的CT 为6 点接线,中压侧为12 点接线.低压侧为1 点接线。
第二种接线方式就是把高压侧的CT 接成12 点,中压侧接成6 点.低压侧
接成7 点。
第三种接线方式:把高压侧的CT 二次接成11 点,中压倒为5 点,低压侧接成6 点。
第四种接线方式,把高压侧的CT 二次接成5 点,中压侧为11 点,低压侧为12 点。
浅谈差动保护CT二次接线分析摘要:随着我国电力系统规模不断的扩大,影响变压器正常运行的事故常常发生,例如区外故障、CT开路等,采取切实有效的措施防止变压器区外故障误动具有重要意义。
电能的生产、输送、分配的整个过程中,都离不开电压和电流互感器,它们和二次测量仪表一起,时刻在监视着电力系统的运行状况。
针对电流互感器(CT)在运行中发生的故障进行分析,并阐述一些处理方法。
关键词:差动保护、CT二次接线一、CT二次开路原因和处理方法根据CT的基本原理知道,在正常工作情况时,CT的一次线圈与二次线圈之间没有电联系。
因此,互感器以及与之相连接的二次测量仪表是电力系统的耳朵和眼睛,是电力系统不可缺少的重要设备。
CT二次开路原因和处理方法:1、二次开路的原因(1)、室外端子接线盒受潮,端子螺丝和垫片绣蚀过重。
造成开路;(2)、二次线端子接头压接不紧。
回路中电流很大时,发热烧断或氧化过甚造成开路;(3)、由于电流回路中试验端子压板的胶木接头过长,旋转端子金属片未压在金属片上,而误压在胶木套上致使开路;(4)、检修调试人员工作中的失误,如忘记将继电器内部及表计内部的电流回路接头接好,或接头脱焊的等造成二次回路开路。
2、二次开路产生的后果(1)、CT的主绝缘如果击穿,一次高电压就会进入二次回路,危及人身与设备安全.保护可能闪无电流而不能反映故障,对于差动保护和零序保护,则可能因开路时产生不平衡电流而误动作,所以《安全规范》规定.CT在运行中严禁开路;(2)、使用中的CT不允许二次侧开路,如果二次线圈开路一次电流变成激磁电流,其数值比正常的增加数两倍,铁芯中的磁能中由正常的数十毫特斯拉剧增到饱和时的至特斯拉,感应电压峰值可达几千伏,危机设备与人身安全。
3、CT二次开路时所发生的现象(1)、认真听CT本体有无噪声,震动等不均匀的声音,这种现象在负荷小时不太明显,当发生开路时,因磁通强度的增加和磁通的非正弦性,硅钢片震动力加大,将产生较大的噪声;(2)、检测CT二次回路端子。
变压器差动保护CT接线方式的探讨刘峥(邢台钢铁股份有限公司,河北邢台054027)摘要:文章通过对电磁式、晶体管式、集成电路式和数字式变压器差动保护CT接线方式问题的讨论,分析了各种型式的变压器差动保护不同的测量原理及其对单相接地故障灵敏度的差异。
关键词:CT接线;变压器差动保护;讨论近年来,计算机和数字处理技术在电力系统继电保护领域取得了非常成功的应用,基于微处理器的数字式保护装置已经成为各个保护制造厂家的主导产品。
微机型装置所带来的绝不只是在元件品质和工艺水平上的进步,而且还使得许多新颖和完善的保护原理应用于实践成为可能。
这一点可以从如下对各种型式变压器差动保护CT接线方式的讨论中得到印证。
1一次变压器差动保护误动原因的分析某电厂启动备用变压器采用全星形接线(Y0/Y/Y)方式,220 kV侧中性点直接接地,低压侧双绕组中性点经高阻接地,系统接线如图1所示。
该变压器配置集成电路差动保护装置,由于变压器各侧电流同相位,无需相位补偿,所以变压器三侧的差动保护CT二次接线均为星形。
该变压器在投运初期,曾发生高压侧区外单相接地故障时差动保护误动事故。
经过对录波数据和事故过程的分析,误动原因是:变压器高压侧中性点直接接地,在电网发生任何接地故障时,将成为零序故障分量的通路,在变压器零序励磁电抗中产生汲出电流[1]。
这一电流在系统发生单相接地短路时,最大可以达到0.46倍变压器额定电流。
因为该启备变低压侧是不接地系统,无零序电流通路,所以此零序故障电流仅能在高压侧存在。
当变压器三侧差动保护的CT二次电流回路都接成星形时,高压侧的零序电流便全部成为差动保护的不平衡电流,其数值达到差动保护的动作值就会造成误动。
2电磁式保护的测量原理及其对CT接线要求电磁式变压器差动继电器,无论是带制动绕组的BCH-1型还是带短路线圈的BCH-2型,都是根据中间变流器铁芯“磁通平衡”原理测量变压器各侧电流差值的,并且采用中间速饱和变流器来防止变压器励磁涌流导致的差动保护误动[1]。
变压器差动电流计算原理之变压器CT的接线方式变压器差动保护是电力系统中最重要的保护之一,它可以有效地保护变压器免受故障的损害。
变压器差动保护包括差动保护器和CT(电流互感器)。
在这里,我们将讨论变压器CT的接线方式及其在差动保护中的作用。
变压器CTCT(电流互感器)是电力系统中广泛使用的一种传感器,用于测量高电压和高电流。
在变压器差动保护中,CT被用来测量变压器两侧的电流,并将其发送给差动保护器进行处理。
CT可以分为两种类型:单相CT和三相CT。
在差动保护中,使用单相CT时,需要通过变压器母线将三相电流转换为单相电流。
因此,在单相CT中,不仅需要测量变压器的两侧电流,还需要从母线上测量电流。
这种方法的缺点是需要许多电缆和连接器。
而三相CT则省略了添加电缆和连接器的步骤。
三相CT包含三个独立的CT,可以测量每个相位上的电流。
每个CT都连接到差动保护器中,使其能够测量变压器的差动电流。
变压器CT的接线方式在差动保护系统中,变压器CT的接线方式极为重要。
正确连接CT对于差动保护的正确操作至关重要。
以下是常见的两种变压器CT接线方式:泊松型接线泊松型接线又称为“Y型接线”或“星形接线”。
在这种接线方式中,变压器的中性点连接到CT的中心,而CT的端口连接到差动保护器的输入端。
这种方法是最常见的,也是最简单的接线方法。
它的优点是简单,易于操作,缺点是它无法检测中性地接线故障。
K型接线K型接线又称为“Δ-Y型接线”。
这种接线方式与泊松型接线不同在于它将两个CT连接成一个“Δ”形状,另一个CT为“Y”形。
这种接线方式对于检测中性地接线故障非常有用。
在变压器差动保护中,正确接线和选择CT对于差动保护的正确操作至关重要。
泊松型和K型接线方式都有一些优点和缺点。
选哪一种接线方式取决于变压器和差动保护器的类型,以及需要检测的故障类型。
在进行接线之前,必须对系统进行深入的分析,确保差动保护的稳定性和可靠性。
变压器差动保护的基本原理及逻辑图1、变压器差动保护的工作原理与线路纵差保护的原理相同,都是比较被保护设备各侧电流的相位和数值的大小。
2、变压器差动保护与线路差动保护的区别:由于变压器高压侧和低压侧的额定电流不相等再加上变压器各侧电流的相位往往不相同。
因此,为了保证纵差动保护的正确工作,须适当选择各侧电流互感器的变比,及各侧电流相位的补偿使得正常运行和区外短路故障时,两侧二次电流相等。
例如图8—5所示的双绕组变压器,应使n TA2 ½" ⅛变压器纵普动保护的原理接线图8・3・2变压器纵差动保护的特点1、励磁涌流的特点及克服励磁涌流的方法(1)励磁涌流:在空载投入变压器或外部故障切除后恢复供电等情况下在空载投入变压器或外部故障切除后恢复供电等情况下,变压器励磁电流的数值可达变压器额定6〜8倍变压器励磁电流通常称为励磁涌流。
(2)产生励磁涌流的原因因为在稳态的情况下铁心中的磁通应滞后于外加电压90°在电压瞬时值U=O瞬间合闸,铁芯中的磁通应为-φm。
但由于铁心中的磁通不能突变,因此将岀现一个非周期分量的磁通+Φm ,如果考虑剩磁Φr,这样经过半过周期后铁心中的磁通将达到2Φm + Φr,其幅值为如图8—6所示。
此时变压器铁芯将严重饱和,通过图8-7可知此时变压器的励磁电流的数值将变得很大,达到额定电流的6〜8倍,形成励磁涌流.变压器卒载投入时的电压和磁通波形图(a)变压器铁心的磁化曲线(b)励磁涌流励磁涌流的波形(3)励磁涌流的特点:①励磁电流数值很大,并含有明显的非周期分量,使励磁电流波形明显偏于时间轴的一侧②励磁涌流中含有明显的高次谐波,其中励磁涌流以2次谐波为主③励磁涌流的波形出现间断角表8-1励磁涌流实验数据举例(4)克服励磁涌流对变压器纵差保护影响的措施:采用带有速饱和变流器的差动继电器构成差动保护;②利用二次谐波制动原理构成的差动保护;③利用间断角原理构成的变压器差动保护;④采用模糊识别闭锁原理构成的变压器差动保护。
差动保护(D C A P 3040、D C A P 3041)定值整定说明说明:三圈变的整定计算原理与二圈变的整定计算原理相同,现以三圈变为例来说明差动保护的整定计算。
1、计算变压器各侧额定一次电流式中 S n —变压器额定容量(k V A )(注重:与各侧功率分配无关)U n —该侧额定电压(k V )2、计算变压器各侧额定二次电流式中 K j x —该侧C T 接线系数(二次三角形接线K j x =3,星形接线K j x =1)n l n —该侧C T 变比3、计算平衡系数设变压器三侧的平衡系数分别为K h 、K m 和K l ,则:(a )降压变压器:选取高压侧(主电源侧)为基本侧,平衡系数为(b )升压变压器:选取低压侧(主电源侧)为基本侧,平衡系数为4、保护内部计算用变压器各侧额定二次电流经平衡折算后,保护内部计算用变压器各侧二次电流分别为保护内部计算用各侧额定二次电流分别为:对降压变压器: '='='='='='=nh nl l nl nh nm m nm nhnh h nh I I K I I I K I I I K I对升压变压器: '='='='='='=nlnl l nl nl nm m nm nlnh h nh I I K I I I K I I I K I可见经平衡折算后I n h =I n m =I n l ,即保护内部计算用变压器各侧额定二次电流完全相等,都等于所选的基本侧的额定二次电流。
因而,在进行整定计算时,完全不考虑变压器的实际变比,而以折合到基本侧的标幺值进行计算,此时容基值应使用变压器额定容量S n ,电压基值应使用基本侧的额定电压U n ,电流值就是I n h (=I n m =I n l )。
5、动作特性曲线参数的整定差动保护动作特性曲线如下图所示:I s d D动作区 K C K 1I d z 0 A B 1 制动区0 I z d 0 I z d图中I d z 0为最小动作电流,I z d 0为最小制动电流,I s d 为差流速断动作电流,K 为比例制动系数。
上一期我们和大家一起了解了变压器的接线组别,定量分析了变压器高低压侧一次电流的相位、幅值关系。
我们的继电保护装置在进行差流计算时使用的是二次电流,因此需要经过电流互感器(CT)将一次电流转换为供保护使用的二次电流。
本期我们和大家一起来讨论一下变压器CT的接线方式。
1、CT的极性
我们先来了解一下CT接线的极性问题。
这就需要搞清楚几个名词:极性端、同名端、减极性。
极性端一般用“*”标记,在图中,一次侧P1为极性端,P2为非极性端,一般设计P1装于母线侧(或变压器侧),P2装于负荷侧。
二次侧S1为极性端,S2为非极性端。
P1和S1(P2和S2)互为同名端。
至于减极性,我们只需要简单的记住:若CT采用减极性,对于一次绕组电流从极性端流入,对于二次绕组电流从极性端流出。
如果将CT二次回路断开,将保护装置直接串联在一次回路中,流过装置的电流方向与CT减极性标注的二次电流方向相同。
所以减极性标注对于判断二次电流的流向非常直观。
所以我国CT均采用减极性标注。
2、变压器两侧CT的接线方式
在模拟型变压器保护中,为了相位校正的需要CT有些情况下需要接成三角形。
现在的微机型保护中,相位校正都在软件中实现,所以变压器两侧CT均使用Y接线。
以下图所示的Yd-11变压器两侧CT的接线方式为例:
如图所示的CT接线形式,其高压侧及低压侧电流互感器二次绕组中,靠近变压器侧的端子连在一起,我们称为封CT的变压器侧。
如果是靠近母线侧的二次绕组端子连在一起,则称为封CT的母线侧。
设高压侧电流互感器变比为nH,低压侧电流互感器变比为nL。
分析流入保护装置的二次电流(Iha,Ihb,Ihc,Ila,Ilb,Ilc)与变压器一次电流(IHa,IHb,IHc,ILa,ILb,ILc)的对应关系。
从图中可以看出高压侧二次电流从极性端流出,流入保护装置。
低压侧二次电流从保护装置流出,从极性端流入CT二次绕组。
若程序设定二次电流的方向以流入保护装置的(A,B,C)端为正方向,则有:
低压侧二次电流与一次电流反向。
做出向量图如下:
故有,当主变高压侧CT与低压侧CT同时封变压器侧时,高压侧二次电流超前低压侧二次电流150°。
同样也可以推导出,当高压侧CT和低压侧CT同时封母线侧时,高压侧二次电流与一次电流方向。
也为高压侧二次电流超前低压侧二次电流150°,结论一致,大家有兴趣可以自行推导。
所以:电流互感器的二次绕组接线方式决定了一次侧电流与进入保护装置的二次侧电流的对应关系。
了解完变压器的接线组别和CT接线,保护装置外部的接线就介绍的差不多了。
至此二次电流已流入保护装置,差动电流的计算剩下的部分,就由软件完成。
大致可以分为三个方面:相位校正,幅值校正,消除零序电流。