35KV变电站日常巡视作业指导卡
- 格式:doc
- 大小:222.50 KB
- 文档页数:24
变电设备巡视作业指导书一、引言变电设备是电力系统中非常重要的组成部分,对于保障电网的安全稳定运行具有至关重要的作用。
为了确保变电设备的正常运行和可靠性,变电设备巡视作业必不可少。
本指导书旨在规范变电设备巡视作业,提高巡视效率和准确性。
二、作业内容1.巡视范围:包括变电站主设备、辅助设备、接地装置等。
2.巡视周期:根据相关规定执行日常巡视、定期巡视和专项巡视。
3.巡视人员:具备相关电力专业知识和经验,经过培训合格的人员进行巡视。
三、巡视作业流程1.巡视前准备–熟悉巡视区域和设备–携带必要的巡视工具和装备–核对巡视任务清单2.巡视过程–仔细观察设备运行情况–检查设备外观是否有异常–检查设备工作环境和周围情况3.巡视记录–记录巡视过程中发现的问题和异常–填写巡视报告并提出建议和处理意见4.巡视总结–对巡视情况进行总结分析–制定下一步改进和维护计划四、巡视注意事项1.巡视过程中要注意安全第一,遵守相关安全规定和操作规程。
2.巡视过程中要认真、细致,确保没有遗漏任何重要细节。
3.巡视发现异常情况要及时报告,并按照规定进行处理。
4.巡视结束后要对巡视结果进行汇总和整理,形成巡视报告并上报主管部门。
五、巡视作业的意义1.发现设备问题,及时进行维修和保养,提高设备的可靠性和运行效率。
2.预防设备故障和事故,避免因设备异常导致的电网故障。
3.提高变电设备的使用寿命,延长设备的更新周期。
六、结束语变电设备巡视作业是保障电网安全运行的重要环节,希望所有从事巡视工作的人员能够严格遵守相关规定和要求,勤勉工作,发现问题及时处理,确保电网的安全稳定运行。
以上是关于变电设备巡视作业的指导书,希望能够对相关人员的工作提供一定的参考和指导。
35KV变电站巡视检查制度
是为了确保变电站设备运行安全、稳定和正常的制度和规定。
1.巡视检查周期:根据变电站的运行情况和要求,确定巡视检查的周期,一般为每季度或半年一次。
2.巡视检查内容:
- 设备运行状态:对变电站内各种设备的运行状态、温度、振动等参数进行检查,发现异常情况及时处理。
- 线路巡视:对变电站所属的输电线路进行巡视检查,包括线路的杆塔、导线、避雷器等设施的运行状况。
- 安全设施检查:检查变电站内的火灾报警器、门窗、防盗设备等安全设施的运行状况。
- 维护保养记录:记录设备的维护保养情况,包括维修、更换和加注油脂等情况。
3.巡视检查人员:由变电站的运维人员和相关部门的工程师组成巡视检查组,人员需要具备相关的技术知识和经验。
4.巡视检查记录:对巡视检查的结果进行记录,包括设备的运行情况、存在的问题和处理情况等。
记录应该详细、准确,并且能够保存一段时间。
5.问题处理和整改:对巡视检查中发现的问题要及时进行处理和整改,确保设备的正常运行。
6.巡视检查报告:根据巡视检查的结果撰写巡视检查报告,报告包括设备的运行情况、存在的问题和处理情况等,报告需要上报相关部门进行备案。
7.追溯和监督:对巡视检查的情况进行追溯和监督,确保巡视检查制度的执行和效果。
如有问题,及时进行整改和改进。
总之,35KV变电站巡视检查制度是为了确保变电站设备运行安全、稳定和正常的一套规定和制度,通过巡视检查、问题处理和整改、巡视检查报告等环节,保障变电站设备的正常运行。
变电标准化作业指导书卡使用及填写说明模板一、引言变电标准化作业指导书卡是在变电站施工中进行标准化管理的重要工具。
本文将详细介绍变电标准化作业指导书卡的使用方法,并提供填写说明模板,以帮助施工人员正确使用和填写该指导书卡。
二、变电标准化作业指导书卡的使用方法1. 指导书卡的定义变电标准化作业指导书卡是一种记录变电站施工过程中所遵循的标准化要求的工具。
它包含了施工过程中需要遵循的各项标准和规范,并提供了相应的填写空间。
2. 使用指导书卡的目的指导书卡的使用旨在规范变电站施工过程,确保施工符合相关的标准和规范要求。
它可以帮助施工人员了解和掌握各项标准要求,提高施工质量,减少施工风险。
3. 指导书卡的填写步骤(1)填写项目信息:包括变电站名称、施工日期、施工单位等基本信息。
(2)填写作业内容:根据实际施工情况填写作业内容,包括工程名称、作业内容、作业地点等。
(3)填写标准要求:根据相关标准和规范要求填写标准要求,包括施工工艺、质量要求、安全要求等。
(4)填写操作方法:根据标准要求填写具体的操作方法,包括施工步骤、操作流程等。
(5)填写验收标准:根据标准要求填写验收标准,包括验收内容、验收标准等。
(6)填写备注信息:根据实际情况填写备注信息,包括特殊要求、注意事项等。
4. 指导书卡的使用注意事项(1)确保填写准确:施工人员在填写指导书卡时应仔细核对标准要求,确保填写准确无误。
(2)及时更新:指导书卡应随着施工过程的进行而及时更新,确保与实际施工情况一致。
(3)合理保存:指导书卡应妥善保存,以备后续查阅和参考。
三、填写说明模板下面是一份变电标准化作业指导书卡的填写说明模板,供施工人员参考:变电标准化作业指导书卡项目信息:变电站名称:______________________施工日期:______________________施工单位:______________________作业内容:工程名称:______________________作业内容:______________________作业地点:______________________标准要求:施工工艺:______________________质量要求:______________________安全要求:______________________操作方法:施工步骤:______________________操作流程:______________________验收标准:验收内容:______________________验收标准:______________________备注信息:特殊要求:______________________注意事项:______________________四、结论变电标准化作业指导书卡是变电站施工中一项重要的标准化管理工具。
变电站巡视标准化作业指导书1、分、合闸位置指示是否正确,与实际运行位置是否相符。
2、断路器及重合器指示灯是否正确。
3、支柱绝缘子及套管有无裂痕或放电现象。
4、引线驰度是否适中、接触是否良好,试温蜡片有无融解。
5、断路器支架接地是否完好。
隔离开关的巡视检查项目1、绝缘子是否完整无裂纹、无放电现象。
2、机械部分是否正常。
3、闭锁装置是否正常。
4、触头接触是否良好,接触点是否发热,有无烧伤痕迹,引线有无断股、折断现象。
5、接地刀闸接地是否良好。
第20条电容器的巡视检查项目1、检查三相电流表是否平稳,有无不稳固或激增现象,各相差应不大于10%。
2、放电线圈及三相放电指示灯是否良好。
3、电容器分档刀闸位置是否正确。
4、电容器内部有无放电声;外壳有无鼓肚、渗漏油现象;瓷套有无裂纹、闪络痕迹。
5、电容器油位是否在承诺范畴内。
6、电容器内部连接线是否牢固可靠,。
7、电容器避雷器是否完好,外壳接地是否良好。
第21条互感器、耦合电容器的巡视检查项目1、互感器套管支柱绝缘子是否清洁,有无放电痕迹。
2、瓷件是否完好,无裂纹损坏。
3、接头是否牢固、无过热变色现象。
4、充油式互感器油位是否在承诺范畴内。
5、外壳接地是否良好。
第22条防雷设施的巡视检查项目1、避雷器正常巡视项目1)瓷质、法兰部分有无破旧、裂纹及放电现象;硅橡胶外壳表面是否有老化、裂纹等痕迹。
2)检查放电计数器是否动作,外壳有无破旧。
3)检查引线是否牢固,接地是否良好。
4)避雷器内部有无专门声响。
2、专门天气的防雷设施巡视项目1)大风天气时,检查避雷针的摆动情形。
2)雷雨后,检查放电计数器动作情形。
3)检查引线及接地线是否牢固,有无损害。
第23条母线的巡视检查项目1、各接头部分是否接触良好。
2、检查软母线是否有断股、散股现象;硬母线有无机械损害。
3、接地故障后,检查瓷瓶表面是否有放电痕迹。
4、大雪天应检查母线的积雪及融解情形。
5、雷雨后,应检查绝缘子是否有破旧、裂纹及放电痕迹。
35KV××线日常巡视现场作业指导卡单位:编号:编写人(作业负责人):审批人:工作任务:一、作业前准备1、人员分工序号分工项目工作班人员√备注1 ××号-××号巡视作业人员2 ××号-××号巡视作业人员2、工器具准备工器具准备人:年月日工器具收回人:年月日序号工器具名称规格单位准备数量实领数量回收数量√备注(领用审核人)1 通讯工具台2 望远镜架3 笔支4 记录本本5 照明灯盏6 测温仪个7 测高仪(测绳)个8 米尺个确认“作业前准备”1-3项已完成,工作负责人(签字):二、作业程序及危险点控制措施计划工作时间:年月日时分至月日时分1、开工序号开工内容要求项目√备注1 班组要根据工作具体情况,交待安全措施2 分析危险点3 研究分工,任务落实到人确定以下2-4项危险点及安全措施、现场补充安全措施、关键作业步骤已进行讲解。
工作班人员(签字):2、危险点及安全措施序号危险点安全措施√责任人1 走失、扎伤、摔伤巡视时,必须穿绝缘鞋。
线路巡视工作应由有工作经验的人担任,新人员不得单独巡线。
偏僻山区和夜间巡视必须由两人进行。
夜间巡视应携带足够的照明灯具,应沿线路外侧进行。
巡视期间保持通信畅通。
2 触电伤害巡线前要核对好线路名称、杆号、色标。
线路巡视不论线路是否停电,均应视为有电设备。
巡线人员发现导线断落地面或悬吊空中,应设法防止行人靠近断落地点,并迅速报告领导,等候处理。
3 咬伤在山区巡线时带一树棍,边走边打草,打草惊蛇,避免被蛇咬伤。
发现马蜂窝不要靠近,更不能碰它。
在村镇注意防止被狗咬伤,进村屯可能有狗的地方先喊叫,可备用棍棒,防备狗突然窜出。
4 高处坠落单人巡视时禁止攀登树木和杆塔5 坑、井、沟坎注意沿途坑、井防止坠落摔伤,过沟、崖、墙时应慢慢行走防止摔到6 溺水巡视工作中不许踏渡不明深浅的河水或踏薄冰过河7 交通事故巡视途中,应遵守交通规则3、现场补充的安全措施序号危险点补充的安全措施内容√责任人4、关键作业步骤序号关键作业步骤作业标准√项目责任人1 核对线路名称到达作业现场,工作班负责人必须亲自核对线路名称,根据巡视计划分工表2 沿线情况(1)沿线有无易燃、易爆物品和腐蚀性液、气体(2)导线对地、对道路、公路、铁路、管道、索道、河流、建筑物等距离是否符合规定,有无可能触及导线的铁烟囱、天线等(3)线路下方有无垂钓场所(4)线路附近有无射击、放风筝、抛仍杂物、飘洒金属和在杆塔、拉线上栓牲畜等现象(5)有无危及线路安全的工程设施(机械、脚手架等)(6)查明线路附近的爆破工程安全措施是否妥当(7)查明沿线种植的树木与导线的距离是否符合规定,有无影响线路安全运行的建筑物、构筑物3 检查导线有无缺陷(1)有无断股、损伤、烧伤痕迹,在污秽地区的导线有无腐蚀现象(2)导线弧垂是否符合规定,有无过紧,过松现象(3)接头是否良好,有无过热现象,连接线夹,弹簧垫是否齐全,螺母是否紧固(4)过(跳)引线有无损坏、断股、歪扭,与杆塔、构件及其他引线间距离是否符合规定(5)导线上有无抛仍物(6)固定导线的绑线有无松弛或开断现象(7)绝缘导线外皮有无损坏、老化、放电和烧蚀4 检查杆塔与拉线的缺陷(1)杆塔是否倾斜、有无裂纹、酥松、钢筋外露,锈蚀(2)杆基有无损坏、下沉或上拔,周围土壤有无挖掘或沉陷,寒冷地区杆塔有无冻鼓现象(3)杆塔位置是否适合,有无被车撞的可能,保护设施是否完好,标志是否清晰(4)杆塔有无被水淹、水冲的可能,防洪设施有无损坏、坍塌(5)杆塔标志是否齐全、明显(6)有无危及安全的鸟巢、风筝及杂物(7)拉线有无锈蚀、松弛、断股和张力分配不均等现象(8)水平拉线对地距离是否符合要求(9)拉线易被车碰撞地方是否加装反光标志(10)拉线棒、抱箍等金具有无变形、锈蚀(11)拉线固定是否牢固,拉线基础周围土壤有无突起、沉陷、缺土等现象5 检查绝缘子、金具的缺陷(1)瓷件有无赃污、损伤、裂纹和闪络痕迹(2)铁脚、铁帽有无锈蚀、松动、脱落、弯曲(3)金具有无锈蚀、变形;螺栓是否紧固,是否缺帽;开口销有无锈蚀、断裂、脱落6 检查防雷及接地装置的缺陷(1)避雷器有无受力、外套受损(2)引线连接是否良好,上下压线有无松脱,接点有无锈蚀(3)接地引线有无丢失、断股。
35KV变电站作业指导书35KV变电站作业指导书(一)第一篇:变电站基本概述一、前言为保障35KV变电站的正常运行,确保电力系统的安全稳定运行,特编写本指导书。
本指导书旨在对35KV变电站运维人员进行培训,使其了解35KV变电站的基本情况、工作流程以及常见问题的处理方法,以提高变电站的运维效率。
二、变电站概述35KV变电站是电力系统的重要组成部分,主要用于将输电系统的高电压变成低电压以供用户使用。
其主要由变电设备、控制系统和辅助设备等组成。
变电站的运行稳定性和设备可靠性对整个电力系统都具有重要作用。
三、工作流程1. 变电站值班变电站值班人员需要按照岗位职责,保持全天候值守状态。
及时处理各类故障、报警信息,确保变电站的正常运行。
2. 设备巡检和维护定期对变电设备进行巡检和维护,确保设备的安全可靠运行。
巡检时需注意检查设备的保护控制、传输装置以及绝缘等情况,及时发现设备问题并及时处理。
3. 突发事件处理在突发事件发生时,变电站运维人员需要迅速判断情况,采取相应措施,并与相关部门进行及时沟通。
要做好应急准备工作,妥善处理事故,并定期进行事故的回顾与总结。
四、常见问题及处理方法1. 电力故障当发生电力故障时,需要及时切换备用电源以保证供电的连续性。
同时,应迅速排除故障,检修设备,确保恢复供电。
2. 控制系统故障当控制系统出现故障时,应及时进行检查,找出故障原因并采取有效措施进行修复。
在检修过程中,要确保其他系统的正常运行。
3. 人员安全问题在操作过程中,变电站运维人员必须严格遵守操作规程,佩戴安全防护用具,并确保工作环境的安全性。
任何时候都不能将安全因素置于次要位置。
结语35KV变电站的正常运行对电力系统的稳定性具有重要作用。
本指导书旨在帮助变电站运维人员了解基本概述、工作流程及常见问题及处理方法,以提高工作效率和保障安全稳定运行。
同时,变电站运维人员还需不断学习和积累经验,提升自身专业素养,以应对各类复杂情况和问题的发生。
35KV变电站作业指导书1注意事项1.1当操作步骤中没有某种元件时,则该程序省去;1.2断路器的正常操作应优先使用遥控或远控,只有在检修或条件不能满足时, 才允许使用就地操作;1.3母线停投时,应首先退出电容器,然后再停各出线开关。
送电时,先送出线开关,然后根据母线电压及负荷情况投入电容器;1.4电容器开关分闸、跳闸后,禁止立刻合闸,再次合闸应相隔3分钟。
对电容器进行停电检修工作时应事先进行逐个充分放电;1.5禁止使用刀闸拉合电容器;1.6由于保护动作跳开电容器组的开关,在未査明跳闸原因时,不得重新合闸。
2送电操作2.1送电前检查2.1.1检查确认送电设备与调度令无误;2.1.2检查确认配电柜前后门关闭到位;2.1.3检查确认现场无人员及遗留物;2.1.4检杳确认设备现场各种信号显示正确无误;2.1.5检查确认安全防护用具无疑问,并正确使用;2.2送电操作2.2.1将操作手柄搬至“分断闭锁”位置;2.2.2断开上接地刀闸,确认刀闸分位,确认信号显示正确无误;2.2.3断开下接地刀闸,确认刀闸分位,确认信号显示正确无误;2.2.4合上电源侧隔离刀闸,确认刀闸合位!确认信号显示正确无误;2.2.5合上负荷侧隔离刀闸,确认刀闸合位!确认信号显示正确无误;2.2.6合上断路器,确认断路器合位!确认信号显示正确无误;2.2.7将操作手柄搬至“工作”位置;2.2.8送电操作完毕!3停电操作3.1停电前检查3.1.1检查确认停电设备与调度令无误;3.1.2检查确认设备现场各种信号显示正确无误;3.1.3检查确认安全防护用具无疑问,并正确使用。
3・2 停电操作3.2.1断开断路器,确认断路器分位!确认信号显示正确无误;3.2.2将操作手柄搬至“分断闭锁”位置;3.2.3断开负荷侧隔离刀闸,确认刀闸分位!确认信号显示正确无误;3.2.4断开电源侧隔离刀闸,确认刀闸分位!确认信号显示正确无误;3.2.5合下接地刀闸,确认刀闸合位,确认信号显示正确无误;3.2.6合上接地刀闸,确认刀闸合位,确认信号显示正确无误;3.2.7将操作手柄搬至“检修”位置;3.2.8在操作手柄上悬挂“禁止合闸有人工作”警告标识牌;3.2.9停电操作完毕!35KV变电站现场运行规程1总则1.1本规程适用于公司35KV变电站。
规范高低压配电设备的定期巡视及维护作业要求。
合用于高低压设备巡视及维护。
1)配电室房门上有相对应设备房标识。
2)配电室内照明足够,墙面、地面无污迹、整洁,物品摆放整齐,无杂物。
3)设备现场的操作作业指导书齐全有效,各类设备维修检修记录规范完整。
4)配备足够的灭火器和应急灯,通风良好。
5)高低压配电室电缆进线孔洞应采取封堵措施, 配电室如位于地下室, 封堵措施应具备防止 水浸作用。
6)高低压配电室墙面应悬挂于设备运行实际情况彻底相符的供配电系统图,图中的开关状 态、接线标注正确。
7)对于未移交供电局的高低压配电室, 可根据现场需要每一个项目至少配置一套检定有效的绝 缘靴、绝缘手套、高压试电笔、接地线、高压操作杆、专用扳手。
8)配电柜先后应铺设不少于 60 厘米宽与配电柜等长的绝缘胶垫,边缘划有警示标线。
电缆 沟内清洁无杂物,电缆罗列有序,有防鼠措施。
1)高低压配电柜内部连接螺栓无松动、发热、无接线变色,盘内装置无异常声响、无焦糊气 味,配电回路标识清晰准确。
仪表、蜂鸣器、电铃、按钮、指示灯完好无损坏、无缺项;电 流值在额定范围内,三相不平衡电流在 25%范围内。
已启用的电流超过 200A 设备、大发热量 设备、母排、电容器、电缆等重要部位必须张贴测温试纸或者试温贴片。
2)电容补偿柜管理要求:应根据用电负荷特点,合理调整变压器运行状态。
电容补偿屏自动 控制器必须始终处于自动状态。
部门/岗位 职责专业管理部门 规范配电设备管理标准;监督指导各物业服务中心配电设备的管理。
物 业 服 务 中 心 负 责人监督本部门配电设备管理维修负责人 制定配电设备管理责任人;监督配电设备管理责任人职责落实情况;组织配电设备定期维保工作。
设备负责人 定期巡检及维护配电设备。
A.功率因数能手动、自动调节控制。
补偿柜内接触器动作灵敏、放电电阻、熔断器可靠无损坏。
B.补偿控制手动、自动切换有效。
3)未使用开关或者路线有人作业时,应将开关置于“关”位置并悬挂“有人工作,严禁合闸”标识。
35KV变电站日常巡视作业指导卡单位:编号:
编写人(作业负责人):审批人:
工作任务:
一、作业前准备
1、人员分工
工器具领用审核:
材料领用审核:
确认“作业前准备”1-4项已完成,工作负责人(签字):
二、作业程序及危险点控制措施
计划工作时间:年月日时分至月日时分
1、开工
确定以下2-4项:危险点及安全措施、现场补充安全措施、关键作业步骤已进行讲解。
工作班人员(签字):
3、现场补充的安全措施
4、关键作业步骤
三、巡视记录卡(见附件)
四、指导卡执行情况评估
附件:
变电站巡视记录卡巡视时间:年月日时分至时分天气:室外温度℃。
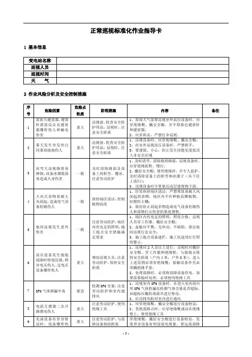
编号:35kV变电站设备巡视作业指导书XX苏仙电力局大奎上变电站目录巡视周期11.巡视前准备 (2)1.1.危险点分析 (2)1.2.巡视工器具 (3)2.巡视项目、内容及标准 (3)2.1.主控制室、继电保护室二次设备 (3)2.2.10kV设备 (5)2.3.站用变 (13)2.4.35kV一次设备巡视 (15)2.5.1#主变 (13)2.6.10kV电容器....................................................................................................................2.7.2#主变 (17)3.缺陷及异常记录 (17)4.巡视签名记录 (18)5.指导书执行情况评估 (19)1 巡视周期每月按本指导书全面巡视一次。
2 巡视前准备2.1危险点分析(设备巡视的危险点和控制措施表)序号项目危险点控制措施1 误碰、误动、误登运行设备意外伤人1.巡视检察应与带电设备保持足够的安全距离:10KV0.7m,35KV1.0m;2.擅自打开设备网门,擅自移动临时安全围栏,擅自跨越设备固定围栏。
2 巡视蓄电池室酸雾影响人体呼吸系统进入蓄电池室前开启风机3 雷、雨、雾跨步电压伤人1、原则上不得进行室外巡视;2、必须巡视进应穿绝缘靴,并远离避雷针和避雷器;3、注意与运行设备保持安全距离。
4 雪天人员滑跌穿的鞋应尽可能采取防滑措施,注意行走安全5 夜间意外伤人1、携带照明器具;2、两人同时进行;3、注意盖板窜动,注意沟、坎,误碰伤。
6 大风天气人身、设备安全威胁1、及时发现和清理异物;2、防止人被砸伤。
7 系统接地设备和人身安全1、检查设备进应戴好安全帽;2、巡视时应穿绝缘靴、戴绝缘手套;3、发现接地点应与接地点保持安全距离(室内不得接近故障点4m以内,室外不得靠近故障点8m以内);4、电压互感器运行时间不得超过2h。
设备巡视标准化作业指导卡1 巡视类别及周期1.1正常巡视。
1.1.1集控站管理的220kV无人值班变电站每周巡视2次,66kV无人值班变电站每周巡视1次。
每次均要填写巡视卡。
1.1.2集控中心、操作队管理的220kV无人值班变电站每周至少巡视1次,66kV 无人值班变电站每半月至少巡视1次。
每次均要填写巡视卡。
1.1.3集控中心、有人值班变电站的交接班巡视。
1.1.4有人值班变电站每周进行一次熄灯巡视,无人值班变电站每月进行一次熄灯巡视。
1-1.5有人值班变电站每天至少巡视4次(含交接班巡视),填写一次巡视卡。
1.1.6集控中心、调控中心每值应通过遥视系统对所辖各变电站进行巡视,每天巡视次数不得低于2次,每值对所辖变电站的主要监控画面(一次主接线图、设备运行参数、通信工况图等)切换检查每4~6h进行1次。
1.2特殊巡视。
凡属于下列情况应进行特殊巡视,并做好记录备查。
(1)设备过负荷或负荷有显著增加时。
(2)新设备投入运行时。
(3)设备经过检修、改造或长期停运后重新投入系统运行。
(4)长时间备用的设备投入运行。
(5)设备有严重缺陷或设备缺陷有发展时。
(6)恶劣气候。
(7)设备经过故障电流后。
(8)设备运行有可疑的现象时。
(9)法定节假日及上级通知有重要供电任务期间。
1.3定期巡视。
(1)由变电站站长(操作队队长)或专工每月对各变电站设备进行定期巡视。
(2)500kV变电站每两周对管辖设备至少进行一次设备测温检查;220kV变电站每月对管辖设备至少进行一次设备测温检查;66kV变电站每3个月对管辖设备至少进行一次设备测温检查。
2 准备工作2.1人员要求。
2.1.1巡视人员应经年度《国家电网公司电力安全工作规程》(变电部分)考试合格,并经批准上岗。
2.1.2 巡视一般宜由两人进行,经过本单位批准,允许单独巡视高压设备的人员,方可单独巡视高压设备。
2.1.3巡视前,应检查巡视人员精神状态正常,无妨碍工作病症,着装符合要求。
35KV变电站巡视检查制度为了加强站内“两票三制”的严格执行,确保设备的安全运行。
值班人员必须认真按时巡视设备,以便对设备异常,缺陷做到及时发现,认真分析,正确处理,做好记录,并向有关上级汇报。
一、设备巡视应按规定的项目和内容进行,并分为日常巡视、定期巡视及特殊巡视。
二、日常巡视应按规定路线和时间进行,巡视时间一般为:交接班时、高峰负荷时、晚间闭灯时。
三、值班人员应根据检查巡视卡的内容,认真进行巡视并做好记录。
四、定期巡视应每周进行一次,巡视卡应做为历史资料保存。
五、站长每周至少对全站设备进行一次全面检查。
六、进行定期巡视时,运行人员应两人同行,并携带巡视检查卡,根据卡上的巡视项目,对照设备逐一进行巡视检查,每检查完一项,随即在“巡视检查卡”对应栏内打“√”或填入相应数据和记事。
七、值班人员在巡视检查中,要精力集中,认真、仔细。
采用看、听、嗅、摸、测等方法,综合分析设备运行状况:㈠看:设备油色、油位、压力表指示、导电连接部分、瓷件及机械部分有无异常及损坏。
㈡听:设备声音是否正常;㈢嗅:设备有无味等异常气味;㈣摸:运行设备外壳(接地部分)温度有无异常。
㈤测:采用远红外测温仪,定期测试导电部分连接处,接触面有无发热,并将测试结果进行分析。
八、值班人员检查完毕后,将巡视检查时间、检查人姓名、检查类别、检查项目及结果记入巡视检查记录。
九、遇有下列情况,应增加特殊巡视:㈠设备过负荷或负荷有明显增加时;㈡设备经过检修、试验、改造或长期停用重新投入运行及新安装的设备投入运行;㈢设备缺陷近期有发展时;㈣恶劣气候、事故跳闸和设备运行中有可疑现象时;㈤法定节假日及上级通知有重保电任务期间。
十、巡视检查中应遵守安全有关规定。
35KV变电站巡视检查制度(2)一、制度目的35KV变电站巡视检查制度的目的是确保变电站设备的安全运行,保障电力供应的可靠性,提高运行效率和服务水平,减少事故发生的风险。
二、适用范围本制度适用于所有35KV变电站的巡视检查工作。
35KV变电站日常巡视作业指导卡单位:编号:编写人(作业负责人):审批人:工作任务:一、作业前准备1、人员分工项目分工工作班人员√作业负责人序号1 控制室XXX、XXX XXX2 35KV设备区XXX、XXX XXX3 10KV设备区XXX、XXX XXX2、工器具准备工器具准备人:年月日工器具收回人:年月日序号工器具名称规格单位准备数量实领数量回收数量√备注1 应急灯盏2 测温仪台3 钥匙套4 望远镜部工器具领用审核:3、材料准备材料准备人:年月日材料回收人:年月日序号材料名称规格单位准备数量实领数量回收数量√备注1材料领用审核:确认“作业前准备”1-4项已完成,工作负责人(签字):二、作业程序及危险点控制措施计划工作时间:年月日时分至月日时分1、开工序开工内容要求项目√备注号1 做好巡视前工器具准备工作。
2 按照正确线路开始巡视。
确定以下2-4项:危险点及安全措施、现场补充安全措施、关键作业步骤已进行讲解。
工作班人员(签字):2、危险点及安全措施序危险点安全措施√备注号1 巡视时不按规定着装。
1、必须戴安全帽,并系好帽带。
2、必须穿工作服,不得开怀解带,衣衫不整。
3、一般情况下应穿绝缘鞋,雷雨天气时应穿绝缘靴。
2走错巡视线路,造成巡视不到位,漏巡视。
严格按照巡视路线,对照巡视卡逐一巡视。
3 使用的工器具不合格,不完备。
1、所有工器具都要检验合格,未超过规定检验日期。
2、夜间巡视,应开启设备区照明(必要时应带照明工具)。
4 巡视过程中改变设备状态,留下事故1、进出高压室,必须随手将门关闭锁好。
隐患。
2、巡视设备禁止变更检修现场安全措施,禁止改变检修设备状态。
3、巡视检查时,不得进行其他工作(严禁进行电气工作).不得移开或越过遮栏。
4、开、关设备门应小心谨慎,防止过大振动。
5、严禁随意动用设备闭锁万能钥匙,如必需使用要履行相关手续。
5 巡视过程中发生人身伤害。
1、登高检查时,梯子要有专人扶守,与带电设备要保持足够的安全距离10kV—0.7m,35kV—1.0m。
2、高压设备发生接地时,室内不得接近故障点4m,室外不得接近故障点8m,进入上述范围人员必须穿绝缘靴,接触设备的外壳和构架时,必须戴绝缘手套。
3、雷雨天气,需要巡视室外设备时,应穿绝缘靴并不得靠近避雷器和避雷针。
6发现缺陷及异常时,单人处理未及时汇报。
发现设备缺陷及异常时应及时汇报,采取相应措施,不得擅自处理。
7巡视人员身体状况不适、情绪波动,造成巡视质量不高或发生人身伤害。
负责人要注意观察,发现问题及时调整。
3、现场补充的安全措施序号危险点补充的安全措施内容√备注124、关键作业步骤序号工作内容关键作业步骤相关标准√备注1 开关对开关、导线、基础进行外观检查,对导电部分进行温度测量1、分、合闸指示器指示正确。
2、法兰连接牢固,无松动裂纹。
3、瓷质部分清洁、完好、无裂纹破损、无放电。
4、涂料喷涂良好,伞裙粘贴牢固。
5、开关引线连接线夹压接牢固、接触良好,无变色、发热。
使用测温仪,并记录温度。
序号工作内容关键作业步骤相关标准备注6、密封良好、接地良好。
7、机构箱内部无严重腐蚀情况。
8、机构储能指示正确。
9、箱内清结,无异常气味。
10、二次线无松脱、锈蚀及发热现象,孔洞封堵严密。
11、二次线、电缆及其他元件的标志正确、清晰。
12、相序标注清晰。
13、基础无倾斜、下沉。
2 电流互感器外观、温度及声音1、清结完好,无破损、放电痕迹。
2、涂料喷涂良好,伞裙粘贴牢固。
3、无异常声响。
4、本体、膨胀器及放油阀无渗漏必要时使用测温仪,并记录温度,超过75℃属过热现象。
5、线夹无发热、裂纹。
6、引线无断股、无烧伤痕迹。
3隔离开关对隔离开关、导线、基础进行外观检查,对导电部分进行温度测量1、在合闸位置的刀闸,应合到位,2、瓷质部分清洁、完好、无裂纹序号工作内容关键作业步骤相关标准备注3、线夹完好无开裂、发热现象。
4、观察接头有无发热、变色、氧必要时应使用测温仪对设备进行检测,温5、引线无断股、无烧伤痕迹。
7、二次线无松脱、锈蚀及发热现`8、密封良好、接地良好,孔洞封堵严密。
9、机构储能指示正确。
10、箱内清结,无异常气味。
11、二次线、电缆及其他元件的标志正确、清晰。
12、相序标注清晰。
13、基础无倾斜、下沉。
4避雷器外观检查1、合成绝缘子外观清洁,无放电现象。
2、引线完好,接触牢靠,线夹无裂纹。
3、接地良好,接地线无锈蚀、脱焊。
4、泄露电流指示正常,计数器指示正常。
5 主变本体1、检查有无渗漏油,要记录清楚渗漏的部位、程度。
渗漏油的部位,1分钟超过1滴,属于漏油。
2、温度计完好,无破损,指示正常,并记录。
3、接地良好,无脱落及脱焊。
4、正常运行时声音正常。
序号工作内容关键作业步骤相关标准备注油枕1、清洁,无锈蚀、渗漏。
2、油位计指示正常,应与制造厂规定的温度曲线相对应。
3、瓦斯继电器内充满油,油色应为淡黄透明色,无渗漏油,瓦斯继电器内无气体,防雨罩完好。
4、呼吸器硅胶无受潮变红色,如变色部分超过1/3,应更换硅胶。
5、呼吸器外部无油迹,油杯完好,油位正常。
5、压力释放阀固定牢固,无渗漏。
调压装置1、调压装置无渗漏油现象。
2、瓦斯继电器内充满油,油色应为淡黄透明色,无渗漏油,瓦斯继电器内无气体,防雨罩完好。
3、控制电缆完好无损及腐蚀现象。
冷却装置1、散热器清洁、散热片不应有过多的附者脏污。
2、无渗漏油现象。
套管1、油色、油位指示正常。
2、清洁无渗漏,无破损、裂纹、放电现象。
3、法兰应无裂纹和严重锈蚀。
引导线1、引线线夹压接牢固、接触良好,无发热。
2、引线无断股、散股、烧伤痕迹。
3、无挂落异物。
其它1、端子箱内二次线整洁、无蛛网。
2、设备编号、一二次标示齐全、清晰、无损坏。
3、相序标注清晰。
4、基础无倾斜、下沉。
5、支架完好无锈蚀。
6电容器外观及温度检查1、外壳无膨胀、接缝良好。
2、本体固定牢固,螺栓紧固。
3、表面整洁,无锈蚀、渗漏现象。
4、套管瓷瓶清洁、无裂纹、放电。
5、接头接触良好,无发热现象。
必要时使用测温仪,并记录温度,超过75℃属过热现象。
6、引线固定良好、无发热。
7、设备编号,标示齐全、清晰、无损坏。
8、相序标注清晰。
9、电缆固定良好。
7 控制屏、交、直外观、声音检查,各种信号检查1、保护装置运行正常,无异音、异味。
2、信号灯指示正确。
流屏3、二次线无松脱、发热现象,电缆孔洞封堵严密。
4、各低压保险接触良好,检查无熔断,容量符合负载要求。
5、屏面上开关位置指示与实际位置一致。
6、屏头、二次标示齐全、清晰,无损坏。
7、保护压板投、退位置正确,压接牢固。
8、屏内外清洁、整齐,电缆标牌清晰、齐全。
9、切换检查电压正常;负荷分配正常。
10、各低压电器应无异音、异味;低压电缆接头良好,无发热现象。
11、接线无松脱、发热现象,电缆孔洞封堵严密。
5、竣工序竣工内容要求项目责任人号1 正确填写巡视记录卡XXX2 发现问题及时上报XXX三、巡视记录卡(见附件)四、指导卡执行情况评估执行情况自评评价人:年月日序号存在的问题修改建议管理单位评价 (主管部门) 评价人:年月日序号存在的问题修改建议附件:变电站巡视记录卡巡视时间:年月日时分至时分天气:室外温度℃1、巡视内容:主变及站变序巡视项目1#主2#主3#主35KV1#35KV2#10KV备注号变变变站变站变站变1 套管清洁无破损、无放电2 声音正常,接头无放电3 无渗漏油4 瓦斯继电器内充满油5 油位、油色正常6 安全气道及保护膜完好无损7 外壳接地良好8 控制电缆完好、无腐蚀9 本体温度计指示(℃)2、巡视内容:开关、机构、机构箱、刀闸、PT、CT、母线、避雷器、电容器、电缆序号巡视项目35KV、10KV设备间隔名称1 油色、油位、声音正常,气压正常,无渗漏油及漏气2 瓷瓶、套管、无破损、裂纹及放电3 开关分合位置指示正确4 各接点接触良好,无发热、异响、异味5 引线无断股、松散6 机构箱、端子箱密封良好7 防雨、防小动物措施正常,无杂物8 弹簧储能正常,液压或气压机构压力正常备注巡视结果无异常巡视结果异常3、巡视内容:保护、控制设备序号巡视项目主变保护屏线路保护屏交流屏支流屏计量屏通讯屏备注1 保护、控制屏屏体完整、屏面整洁2 保护、自动装置运行正常,无异味无异响3 保护、自动装置外壳清洁完整4 切换开关位置正确5 保护、自动装置无报警、指示灯指示正确6 保护压板投、退正确7 指示仪表、刀闸、保险正常8 屏体密封严密、防小动物措施完善4、巡视内容:其它√序号检查内容巡视项目备注1 房屋1、房屋四壁及房顶应无裂纹、渗水、漏雨现象2、房顶及四壁粉刷物应无脱落2 室内1、室内光线充足、通风良好2、照明设备齐全,灯具完好,满足工作需要3、3 消防1、消防器材数量和存放符合要求2、消防器材检验不超期,合格证齐全4 防鼠1、电缆孔洞应封堵严密2、鼠药投放数量充足,并定期更换5 空调1、外观清洁2、试开正常。