数车中级加工图纸
- 格式:docx
- 大小:2.70 MB
- 文档页数:42
数控车工中级操作技能考核试卷考件编号::号:单位:本题分值:100分考核时间:240分钟考核形式:现场笔试和现场操作具体考核要求:一、工艺制定(10分)二、编制程序(20分)三、现场操作:1、数控车床操作与工量刃具使用(5分)2、数控车床维护保养与精度检验(5分)3、零件加工(60分)按零件图完成加工操作总成绩表合计零件加工评分表评分人:年月日核分人:年月日省职业技能鉴定数控车工中级操作技能考核试卷考件编号::号:单位:本题分值:100分考核时间:240分钟考核形式:现场笔试和现场操作具体考核要求:二、工艺制定(10分)二、编制程序(20分)三、现场操作:1、数控车床操作与工量刃具使用(5分)2、数控车床维护保养与精度检验(5分)3、零件加工(60分)按零件图完成加工操作总成绩表合计零件加工评分表考评员:年月日考评组长:年月日省职业技能鉴定数控车工中级操作技能考核试卷考件编号::号:单位:本题分值:100分考核时间:240分钟考核形式:现场笔试和现场操作具体考核要求:三、工艺制定(10分)二、编制程序(20分)三、现场操作:1、数控车床操作与工量刃具使用(5分)2、数控车床维护保养与精度检验(5分)3、零件加工(60分)按零件图完成加工操作总成绩表合计零件加工评分表评分人:年月日核分人:年月日省职业技能鉴定数控车工中级操作技能考核试卷考件编号::号:单位:本题分值:100分考核时间:240分钟考核形式:现场笔试和现场操作具体考核要求:四、工艺制定(10分)二、编制程序(20分)三、现场操作:1、数控车床操作与工量刃具使用(5分)2、数控车床维护保养与精度检验(5分)3、零件加工(60分)按零件图完成加工操作总成绩表合计零件加工评分表评分人:年月日核分人:年月日省职业技能鉴定数控车工中级操作技能考核试卷考件编号::号:单位:本题分值:100分考核时间:240分钟考核形式:现场笔试和现场操作具体考核要求:五、工艺制定(10分)二、编制程序(20分)三、现场操作:1、数控车床操作与工量刃具使用(5分)2、数控车床维护保养与精度检验(5分)3、零件加工(60分)按零件图完成加工操作总成绩表合计零件加工评分表评分人:年月日核分人:年月日省职业技能鉴定数控车工中级操作技能考核试卷考件编号::号:单位:本题分值:100分考核时间:240分钟考核形式:现场笔试和现场操作具体考核要求:六、工艺制定(10分)二、编制程序(20分)三、现场操作:1、数控车床操作与工量刃具使用(5分)2、数控车床维护保养与精度检验(5分)3、零件加工(60分)按零件图完成加工操作总成绩表合计零件加工评分表考评员:年月日考评组长:年月日。
精选文档把手(中级)K0005(A)其余技术要求1.棱边倒钝。
2.未注倒角1X45°.精选文档中级数控车床工技术评分表(A)专业工种号09216姓名准考据号总得分图号K0005(A)使用机床查核日期序号查核项目查核内容及要求配分评分标准检测结果扣分得分备注1?24IT10超差0.01扣3分2Ra4降一级扣2分3外圆?15IT8超差0.02扣3分4Ra4降一级扣2分5?28IT6超差0.02扣3分6退刀槽3×1?84超差0.05扣2分7宽34超差0.05扣2分8长度70IT4超差0.05扣2分915IT4超差0.05扣2分10球面R12.512超差0.02扣2分11Ra2降一级扣2分12螺纹M10×1M1012不合格不得分13Ra2降一级扣2分14锥度?20/?Ra4降一级扣2分15×1115内球面R7.5IT8超差0.02扣2分16Ra2降一级扣2分17圆弧圆锥连结圆滑程度10酌情扣分181920文明生产按相关规定每违犯一项从总分中扣3分,发生重要事故撤消扣分不超出10考试。
分一般依据GB1804-M。
螺纹丈量方法为使用通止规丈量法,通扣分不超出1021其余项目规能够经过全程螺纹,且止规旋入三个牙为合格。
分工件一定完好,考件局部无缺点(夹伤等)。
22程序编制程序中有严重违犯工艺的则撤消考试资格,小问题则视状况扣分不超出25酌情扣分。
分23加工时间90分钟后还没有开始加工则停止考试;150min后,每超出1分钟扣1分,180min时,停止考试。
记录评分监考主考.精选文档手柄(中级)K0003(B) 其余技术要求棱边倒钝。
未注倒角.精选文档中级数控车床工技术评分表(B)专业工种号09216姓名准考据号总得分图号K0003(B)使用机床查核日期序号查核项目查核内容及要求配分评分标准检测结果扣分得分备注1外圆?28IT15超差0.01扣3分2Ra4降一级扣2分3长度70IT8超差0.02扣2分418IT8超差0.05扣2分5球面R82R8215超差0.02扣3分6Ra10降一级扣5分7左右端面倒角1×45o4一边未倒扣2分8两头面Ra8降一级扣2分9内螺纹G1/2G18不合格不得分10Ra2降一级扣2分11圆弧圆锥连结圆滑程度8酌情扣分12131415161718中级数控车床工的全面练习图纸、评分表和完整程序1920文明生产按相关规定每违犯一项从总分中扣3分,发生重要事故撤消扣分不超出10考试。
要求:车削一定要在熟悉车床之后进行并首先会刃磨外圆车刀。
D L Ra1 Ø45 —00.10142±0.50 6.32 Ø40 —00.10140±0.30 3.2序号质检内容配分评分标准1 外圆公差30 超0.02扣5分2 外圆RX6.3 20 降一级扣10分3 长度公差10 超差不得分4 倒角二处5×2 不合格不得分5 平端面二处5×2 不合格不得分6 接刀痕 5 接刀痕大扣分7 工件完整 5 不完整扣分8 安全文明操作10 违章扣分第三次课件请保留材料毛坯时间45 Ø50x145序号质检内容配分评分标准1 外圆公差三处10x3 超0.01扣2分2 外圆Ra3.2 三处6x3 降一级扣3分3 长度公差三处4x3 超差不得分4 倒角二处3x2 不合格不得分5 平端面二处4x2 不合格不得分6 清角去锐边四处2x4 不合格不得分7 工件完整 5 不完整扣分8 安全操作10 违章扣分材料毛坯时间45 Ø50x150多台阶车削(三)序号质检内容配分评分标准1 外圆公差六处5x6 超0.01扣2分,超0.02不得分2 外圆Ra3.2 六处3x6 降一级扣2分3 长度公差六处3x6 超差不得分4 倒角二处2x2 不合格不得分5 清角去锐边十处10 不合格不得分6 平端面二处2x2 不合格不得分7 工件外观 6 不完整扣分8 安全文明操作10 违章扣分此件用上次课件改制材料毛坯时间45一夹一顶练习(四)序号质检内容配分评分标准1 外圆公差四处8x4 超0.01扣2分,超0.02不得分2 外圆Ra3.2 四处4x4 降一级扣2分3 长度公差四处3x4 超差不得分4 倒角二处3x2 不合格不得分5 清角二处2x3 不合格不得分6 平端面二处3x2 不合格不得分7 中心孔 5 不合格不得分8 工件外观7 不完整扣分9 安全文明操作10 违章扣分要求:会正确使用A.B型中心钻。
《数控车工》(四级)答题卷试题代码:1.1.1-1.1.8试题名称:轴类零件编程与仿真(一~八)考生姓名:准考证号:考核时间(min):90(min)一.数控加工工艺卡片二.数控刀具卡片《数控车工》(四级)答题卷试题代码:1.2.1-1.2.8试题名称:盘类零件编程与仿真(一~八)考生姓名:准考证号:考核时间(min):90(min)一.数控加工工艺卡片二.数控刀具卡片《数控车工》(四级)试题单试题代码:1.1.1试题名称:轴类零件编程与仿真(一)考生姓名:准考证号:考核时间:90(min)1、操作条件(1)计算机。
(2)数控加工仿真软件。
(3)零件图纸(图号1.1.1)。
2、操作内容(1)编制数控加工工艺。
(2)手工编制加工程序。
(3)数控加工仿真。
3、操作要求在指定盘符路径建立一文件夹,文件夹名为考生准考证号,数控加工仿真结果保存至该文件夹。
文件名:考生准考证号_FZ。
(1)填写数控加工工艺卡片和数控刀具卡片。
(2)虚拟外圆车刀和镗孔刀的刀尖圆弧半径不允许设定为零。
(3)螺纹底径按螺纹手册规定编程。
(4)螺纹左旋、右旋以虚拟仿真机床为准。
(5)每次装夹加工只允许有一个主程序。
(6)第一次装夹加工主程序名为O0001(FANUC)或P1(PA),第二次装夹加工主程序名为O0002(FANUC)或P2(PA)。
注:盘符路径由鉴定站所在鉴定时指定。
《数控车工》(四级)试题单试题代码:1.2.1试题名称:盘类零件编程与仿真(一)考生姓名:准考证号:考核时间:90(min)(1)计算机。
(2)数控加工仿真软件。
(3)零件图纸(图号1.2.1)。
2、操作内容(1)编制数控加工工艺。
(2)手工编制加工程序。
(3)数控加工仿真。
3、操作要求在指定盘符路径建立一文件夹,文件夹名为考生准考证号,数控加工仿真结果保存至该文件夹。
文件名:考生准考证号_FZ。
(1)填写数控加工工艺卡片和数控刀具卡片。
(2)虚拟外圆车刀和镗孔刀的刀尖圆弧半径不允许设定为零。
中级数控车床工技能评分表(A)专业工种号09216中级数控车床工技能评分表(B)专业工种号09216中级数控车床工技能评分表(C)专业工种号09216中级数控车床工技能评分表(D)专业工种号09216中级数控车床工技能评分表(E)专业工种号09216中级数控车床工技能评分表(F)专业工种号09216中级数控车床工技能评分表(G)专业工种号09216中级数控车床工技能评分表(H)专业工种号09216中级数控车床工技能评分表(I)专业工种号09216中级数控车床工技能评分表(J)专业工种号09216K0005(A)把手01234G0 X100 Z100M3 S600T0101(外圆刀)G0 X30 Z2G73 U11 R11G73 P1 Q2 U0。
8 F100N1 G0 X8 Z2G1 Z0X9.8 Z-1Z-15X13X15 W-1Z-25 G1 X20 Z-46G3 X24 Z—62 R12。
5 N2 G1 Z-75G0 X100 Z100M5M0M3 S2000T0101(外圆刀)G0 X30 Z2G70 P1 Q2 F80G0 X100 Z100M5M0M3 S500T0202(切槽/切断刀)G0 X17 Z-15G94 X8 R0 F20G0 X100Z100M5M0M3 S600T0303(螺纹刀)G0 X12 Z5G92 X9.5 Z—13 F1X9.2X8.9X8。
8X8.8G1 F100G0 X100 Z100M5M0M3 S500T0202(切槽/切断刀)G0 X30 Z-(70+刀宽)G94 X2 R0 F20G0 X100Z100M5M30K0002(C)旋钮O1234G0 X100 Z100M3 S500T0101(外圆刀)G0 X35 Z2G71 U1 R1G71 P1 Q2 U0.8 F100N1 G0 X0G1 Z0G3 X23。
75 Z-2。
05 R35 G3 X25。
数控车床操作步骤 Prepared on 22 November 2020一、数控车工(中级)基本操作方法1、机床---选择机床。
控制系统:华中数控;机床类型:车床—标准(平床身前置刀架)。
2、零件---定义毛坯。
输入毛坯直径和长度值。
3、零件---放置零件。
选择毛坯1---安装零件。
按键移动毛坯。
4、机床---选择刀具。
5、1号刀35°外圆刀(刀尖半径0)----;6、2号刀切槽刀---;7、3号刀螺纹刀---。
8、松开按钮,返回参考点:、。
然后点,选择、将刀架移到毛坯附近。
9、对刀:10、 1.点---试切毛坯---。
测量---剖面图测量。
选择刚试切直径,记下X和Z值。
11、(F4)---刀偏表(F2),1号刀试切直径中输入X值,试切长度中输入Z值。
12、 3.点、退出刀具。
点换至2号刀。
13、 4.同1试切直径并测量X和Z,记下X和Z值。
14、 5.在2号刀试切长度中输入刚测量的X值,试切长度中输入Z值。
15、 6.点、退出刀具。
点换至3号刀。
16、7.同1试切直径并测量X和Z,记下X和Z值。
17、8.在3号刀试切长度中输入刚测量的X值,试切长度中输入Z值。
18、9.点、退出刀具。
点换至1号刀。
19、输入程序:20、 1.点2次返回(F10)---程序编辑(F2)---新建目录(F1),回车输入目录名---确定。
21、 2.选择编辑程序(F2)---磁盘程序(F1),进入刚建立的目录,回车输入文件名,然后输入程序。
22、文件---保存项目—输入文件名---确定。
23、加工:24、 1.程序校验(F3)。
点返回(F10)---自动加工(F1)---程序选择(F1)---正在编辑程序(F2)---程序校验(F3)。
25、 2.点---进行校验。
26、 3.再点程序校验(F3)---。
零件加工完成。
二、练习内容及参考程序1、图纸如下:毛坯Φ45*120,45号钢,1号外圆刀35°,2号切断刀5mm,3号螺纹刀60°。
《数控车工》(四级)之阳早格格创做问题卷试题代码:试题称呼:轴类整件编程与仿真(一~八)考死姓名:准考证号:考核时间(min):90(min)一.数控加工工艺卡片两.数控刀具卡片问题卷试题代码:试题称呼:盘类整件编程与仿真(一~八)考死姓名:准考证号:考核时间(min):90(min)一.数控加工工艺卡片两.数控刀具卡片《数控车工》(四级)试题单试题代码:试题称呼:轴类整件编程与仿真(一)考死姓名:准考证号:考核时间:90(min)1、收配条件(1)估计机.(2)数控加工仿真硬件.(3)整件图纸(图号).2、收配真质(1)体例数控加工工艺.(2)脚工体例加工步调.(3)数控加工仿真.3、收配央供正在指定盘符路径修坐一文献夹,文献夹名为考死准考证号,数控加工仿真截止保存至该文献夹.文献名:考死准考证号_FZ.(1)挖写数控加工工艺卡片战数控刀具卡片.(2)假造中圆车刀战镗孔刀的刀尖圆弧半径不允许设定为整.(3)螺纹底径按螺纹脚册确定编程.(4)螺纹左旋、左旋以假造仿真机床为准.(5)屡屡拆夹加工只允许有一个主步调.(6)第一次拆夹加工主步调名为O0001(FANUC)大概P1(PA),第两次拆夹加工主步调名为O0002(FANUC)大概P2(PA).注:盘符路径由审定站天圆审定时指定.《数控车工》(四级)试题单试题代码:试题称呼:盘类整件编程与仿真(一)考死姓名:准考证号:考核时间:90(min)1、收配条件(1)估计机.(2)数控加工仿真硬件.(3)整件图纸(图号).2、收配真质(1)体例数控加工工艺.(2)脚工体例加工步调.(3)数控加工仿真.3、收配央供正在指定盘符路径修坐一文献夹,文献夹名为考死准考证号,数控加工仿真截止保存至该文献夹.文献名:考死准考证号_FZ.(1)挖写数控加工工艺卡片战数控刀具卡片.(2)假造中圆车刀战镗孔刀的刀尖圆弧半径不允许设定为整.(3)螺纹底径按螺纹脚册确定编程.(4)螺纹左旋、左旋以假造仿真机床为准.(5)屡屡拆夹加工只允许有一个主步调.(6)第一次拆夹加工主步调名为O0001(FANUC)大概P1(PA),第两次拆夹加工主步调名为O0002(FANUC)大概P2(PA).注:盘符路径由审定站天圆审定时指定.《数控车工》(四级)试题单试题代码:试题称呼:轴类整件加工(一)考死姓名:准考证号:考核时间:150min1、收配条件(1)数控车床(FANUC大概PA);(2)中圆车刀、镗孔刀、中径千分尺、内测千分尺、游标卡尺等工量具;(3)整件图纸(图号);(4)提供的数控步调已正在机床中.2、收配真质(1)根据整件图纸(图号)战加工步调完毕整件加工;(2)整件尺寸自检;(3)文化死产战机床浑净.3、收配央供(1)根据整件图纸(图号)战数控步调证明单安插加工程序;(2)根据数控步调证明单拆置刀具、修坐工件坐标系、输进刀具参数;(3)步调中的切削参数不本质指挥意思,教员能阅读步调并根据本质加工央供安排切削参数;(4)按整件图纸(图号)完毕整件加工;(5)收配历程中爆收碰刀等宽沉死产事变者,审定坐时末止.FANUC系统步调证明单PA系统步调证明单《数控车工》(四级)试题单试题代码:试题称呼:盘类整件加工(一)考死姓名:准考证号:考核时间:150min1、收配条件(1)数控车床(FANUC大概PA);(2)中圆车刀、镗孔刀、中径千分尺、内测千分尺、游标卡尺等工量具;(3)整件图纸(图号);(4)提供的数控步调已正在机床中.2、收配真质(1)根据整件图纸(图号)战加工步调完毕整件加工;(2)整件尺寸自检;(3)文化死产战机床浑净.3、收配央供(1)根据整件图纸(图号)战数控步调证明单安插加工程序;(2)根据数控步调证明单拆置刀具、修坐工件坐标系、输进刀具参数;(3)步调中的切削参数不本质指挥意思,教员能阅读步调并根据本质加工央供安排切削参数;(4)按整件图纸(图号)完毕整件加工;(5)收配历程中爆收碰刀等宽沉死产事变者,审定坐时末止.FANUC系统步调证明单PA系统步调证明单试题评分表试题代码:1.1.1试题称呼:轴类整件编程与仿真(一)准考证号:考核时间(min):90min考评员(签字):“评介因素”得分=配分×等第比值《数控车工》(四级)试题评分表试题代码:1.2.1试题称呼:盘类整件编程与仿真(一)准考证号:考核时间(min):90min考评员(签字):“评介因素”得分=配分×等第比值《数控车工》(四级)试题评分表试题代码:2.1.1试题称呼:轴类整件加工(一)准考证号:考核时间(min):150min以下情况为反对项:(出现以下情况原部分不予评分,按0分计)1、任一项的尺寸超好>以上(≤2mm的倒角战倒圆除中),不予评分.2、整件加工不完备(≤2mm的倒角战倒圆除中),不予评分.3、整件有宽沉的碰伤、过切,不予评分.4、收配历程中爆收碰刀等宽沉死产事变者,坐刻末止其审定.5、共类刀片只允许使用一片.考评员(签字):“评介因素”得分=配分×等第比值《数控车工》(四级)试题评分表试题代码:2.2.1试题称呼:盘类整件加工(一)准考证号:考核时间(min):150min以下情况为反对项:(出现以下情况原部分不予评分,按0分计)6、任一项的尺寸超好>以上(≤2mm的倒角战倒圆除中),不予评分.7、整件加工不完备(≤2mm的倒角战倒圆除中),不予评分.8、整件有宽沉的碰伤、过切,不予评分.9、收配历程中爆收碰刀等宽沉死产事变者,坐刻末止其审定.10、共类刀片只允许使用一片.考评员(签字):“评介因素”得分=配分×等第比值《数控车工》(四级)审定规划一、审定办法:数控车工(四级)的审定办法分为表里知识考查战收配技能考核.表里知识考查采与关卷估计机机考办法,收配技能考核采与现场本质收配办法.表里知识考查战收配技能考核均真止百分造,结果皆达60分及以上者为合格.表里知识大概收配技能不迭格者可按确定分别补考.二、表里知识考查规划(考查时间90分钟)三、收配技能考核规划考核名目表四. 组卷(审定核心用)表里知识审定组卷(考查时间90分钟):收配技能考核组卷:注:脚工编程与数控加工仿真模块战数控车床收配与整件加工模块为统一试题单《数控车工》(四级)收配技能审定因素细目表《数控车工》(四级)审定所树坐技能央供注:原表所列不过原工做(等第)收配技能审定每一种工位必须摆设的设备及设备附属品战消耗品、牢固需要的工具等,其余审定处事所需的资料、样品、半废品、文具、工具、耗材等,将正在试题单上另止列出,并证明是审定所准备仍旧考死准备;有几个工位共时处事的,原单所列依工位数量减少.。
数控车工中级操作技能考核试卷考件编号:姓名:准考证号:单位:本题分值:100分考核时间:240分钟考核形式:现场笔试和现场操作具体考核要求:一、工艺制定(10分)二、编制程序(20分)三、现场操作:1、数控车床操作与工量刃具使用(5分)2、数控车床维护保养与精度检验(5分)3、零件加工(60分)按零件图完成加工操作总成绩表零件加工评分表评分人:年月日核分人:年月日江苏省职业技能鉴定数控车工中级操作技能考核试卷考件编号:姓名:准考证号:单位:本题分值:100分考核时间:240分钟考核形式:现场笔试和现场操作具体考核要求:二、工艺制定(10分)二、编制程序(20分)三、现场操作:1、数控车床操作与工量刃具使用(5分)2、数控车床维护保养与精度检验(5分)3、零件加工(60分)按零件图完成加工操作总成绩表零件加工评分表考评员:年月日考评组长:年月日江苏省职业技能鉴定数控车工中级操作技能考核试卷考件编号:姓名:准考证号:单位:本题分值:100分考核时间:240分钟考核形式:现场笔试和现场操作具体考核要求:三、工艺制定(10分)二、编制程序(20分)三、现场操作:1、数控车床操作与工量刃具使用(5分)2、数控车床维护保养与精度检验(5分)3、零件加工(60分)按零件图完成加工操作总成绩表零件加工评分表评分人:年月日核分人:年月日江苏省职业技能鉴定数控车工中级操作技能考核试卷考件编号:姓名:准考证号:单位:本题分值:100分考核时间:240分钟考核形式:现场笔试和现场操作具体考核要求:四、工艺制定(10分)二、编制程序(20分)三、现场操作:1、数控车床操作与工量刃具使用(5分)2、数控车床维护保养与精度检验(5分)3、零件加工(60分)按零件图完成加工操作总成绩表零件加工评分表评分人:年月日核分人:年月日江苏省职业技能鉴定数控车工中级操作技能考核试卷考件编号:姓名:准考证号:单位:本题分值:100分考核时间:240分钟考核形式:现场笔试和现场操作具体考核要求:五、工艺制定(10分)二、编制程序(20分)三、现场操作:1、数控车床操作与工量刃具使用(5分)2、数控车床维护保养与精度检验(5分)3、零件加工(60分)按零件图完成加工操作总成绩表零件加工评分表评分人:年月日核分人:年月日江苏省职业技能鉴定数控车工中级操作技能考核试卷考件编号:姓名:准考证号:单位:本题分值:100分考核时间:240分钟考核形式:现场笔试和现场操作具体考核要求:六、工艺制定(10分)二、编制程序(20分)三、现场操作:1、数控车床操作与工量刃具使用(5分)2、数控车床维护保养与精度检验(5分)3、零件加工(60分)按零件图完成加工操作总成绩表零件加工评分表考评员:年月日考评组长:年月日。
数控车削(高级)技能实训示例练习一一、实训目的(1)能根据零件图的要求,合理编制加工程序。
(2)保证零件的加工精度及表面粗糙度。
(3)培养学生综合应用的思考能力。
二、加工操作步骤参见GJLX一01图,加工该零件时一般先加工零件左端,然后调头加工零件右端。
加工零件左端时,编程零点设置在零件左端面的轴心线上。
加工零件右端时,编程零点设置在零件右端面的轴心线上。
1.零件左端加工步骤(1)夹零件毛坯,伸出卡盘长度50mm。
(2)钻孔(Φ20 X 29mm)。
(3)车端面。
(4)粗、精加工零件左端轮廓至尺寸要求。
(5)粗加工内孔。
(6)精加工内孔至尺寸要求。
(7)回参考点,程序结束。
2.零件右端面加工步骤(1)夹Φ40外圆。
(2)车端面保证零件总长。
(3)粗加工零件右端轮廓。
(4)精加工零件右端轮廓至尺寸要求。
(5)切槽5 X 1.5至尺寸要求。
(6)粗、精加工螺纹至尺寸要求。
(7)回换刀点,程序结束。
三、注意事项(1)工作需调头加工,注意工件的装夹部位和程序零点设置的位置。
(2)合理选择刀具、切削用量,提高零件加工质量。
(3)注意圆弧坐标点的计算。
刀具选择表五、加工参考程序O0001 (零件左端)N05 T0101 M03 S600 G0 X100 Z100 (主轴正转、换1号刀)N10 G0 X52 Z0N15 G1 X-1 F0.2 (车端面)N20 G0 X100 Z100N25 T0505N30 G0 X19 Z2 (循环起点)N35 G71 U1 R1 (内孔粗加工循环)N40 G71 P45 Q80 U-0.5 W0.1 F0.3N45 G0 X32N50 G1 Z0 F0.1N55 X30 Z-1N60 Z-9N65 X26 Z-16N70 Z-24N75 X20N80 Z-29N85 G0 X100 Z100 (返回换刀点)N90 M05N95 M00 (暂停、测量、补偿)N100 M03 S1000 T0505N105 G0 X19 Z2N110 G70 P45 Q80 (内孔精加工循环)N115 G0 X100 Z100 (返回换刀点)N120 M05N125 M00N130 M03 S600 T0202 (换2号刀车外圆)N135 G0 X52 Z2 (循环起点)N140 G71 U1 R1 (外圆粗加工循环)N145 G71 P150 Q180 U0.5 W0.1 F0.3N150 G0 X37N155 G1 Z0 F0.1N160 X40 Z-1.5N165 Z-24N170 X46N175 X48 Z-25N180 Z-40N185 G0 X100 Z100N190 M05N195 M00N200 M03 S1000 T0202N205 G0 X52 Z2N210 G70 P150 Q180 (外圆精加工循环)N215 G0 X100 Z100N220 M05 (返回换刀点)N225 M30;(程序结束、机床复位)调头加工O0002 (零件右端)N05 T0101 M03 S600 G0 X100 Z100 (主轴正转、换1号刀)N10 G0 X52 Z0 (循环起点)N15 G1 X-1 F0.2 (车端面)N20 G0 X100 Z100N25 T0202 (换2号刀)N30 G0 X52 Z2 (循环起点)N35 G73 U10 R15 (外圆轮廓粗加工循环)N40 G73 P45 Q110 U0.5 W0.1 F0.3N45 G0 X21N50 G1 Z0 F0.1N55 X23.8 Z-1.5N60 Z-25N65 X24N70 Z-30N75 G2 X28 Z-44 R10N80 G1 Z-52N85 X30N90 G3 X40 Z-57 R5N95 G1 Z-64N100 X46N105 X48 Z-65N110 G0 U5N115 X100 Z100 (返回换刀点)N120 T0303 S400 (切槽)N125 G0 X25 Z-25N130 G1 X21 F0.15N135 G0 X25N140 Z-24N145 G1 X21 F0.15N150 Z-25N155 G0 X100N160 Z100N165 M05N170 M00 (暂停、测量、补偿)N175 M03 S1000 T0202N180 G0 X52 Z2N185 G70 P45 Q110 (外圆轮廓精加工循环)N190 G0 X100 Z100N195 T0404 S700 (换4号刀)N200 G0 X26 Z2 (循环起点)N205 G92 X23 Z-22 F1.5 (螺纹切削固定循环)N210 X22.725N215 X22.425N220 X22.125N225 G0 X100 Z100;(返回换刀点)N230 M05N235 M30;(程序结束、机床复位)练习一零件图练习二一、实训目的(1)能根据零件图的要求,合理编制加工程序。
要求:车削一定要在熟悉车床之后进行并首先会刃磨外圆车刀。
D L Ra1 Ø45 —0 0.10142±0.50 6.32 Ø40 —0 0.10140±0.30 3.2序号质检内容配分评分标准1 外圆公差30 超0.02扣5分2 外圆RX6.3 20 降一级扣10分3 长度公差10 超差不得分4 倒角二处5×2 不合格不得分5 平端面二处5×2 不合格不得分6 接刀痕 5 接刀痕大扣分7 工件完整 5 不完整扣分8 安全文明操作10 违章扣分材料毛坯时间第三次课件请保留45 Ø50x145序号质检内容配分评分标准1 外圆公差三处10x3 超0.01扣2分2 外圆Ra3.2 三处6x3 降一级扣3分3 长度公差三处4x3 超差不得分4 倒角二处3x2 不合格不得分5 平端面二处4x2 不合格不得分6 清角去锐边四处2x4 不合格不得分7 工件完整 5 不完整扣分8 安全操作10 违章扣分材料毛坯时间45 Ø50x150多台阶车削(三)序号质检内容配分评分标准1 外圆公差六处5x6 超0.01扣2分,超0.02不得分2 外圆Ra3.2 六处3x6 降一级扣2分3 长度公差六处3x6 超差不得分4 倒角二处2x2 不合格不得分5 清角去锐边十处10 不合格不得分6 平端面二处2x2 不合格不得分7 工件外观 6 不完整扣分8 安全文明操作10 违章扣分此件用上次课件改制材料毛坯时间45一夹一顶练习(四)序号质检内容配分评分标准1 外圆公差四处8x4 超0.01扣2分,超0.02不得分2 外圆Ra3.2 四处4x4 降一级扣2分3 长度公差四处3x4 超差不得分4 倒角二处3x2 不合格不得分5 清角二处2x3 不合格不得分6 平端面二处3x2 不合格不得分7 中心孔 5 不合格不得分8 工件外观7 不完整扣分9 安全文明操作10 违章扣分要求:会正确使用A.B型中心钻。
《数控车工》〔四级〕答题卷试题代码:试题名称:轴类零件编程与仿真〔一~八〕考生:号:考核时间〔min〕:90〔min〕一.数控加工工艺卡片二.数控刀具卡片《数控车工》〔四级〕答题卷试题代码:试题名称:盘类零件编程与仿真〔一~八〕考生:号:考核时间〔min〕:90〔min〕一.数控加工工艺卡片二.数控刀具卡片试题单试题代码:试题名称:轴类零件编程与仿真〔一〕考生:号:考核时间:90〔min〕1、操作条件〔1〕计算机。
〔2〕数控加工仿真软件。
〔3〕零件图纸〔图号〕。
2、操作容〔1〕编制数控加工工艺。
〔2〕手工编制加工程序。
〔3〕数控加工仿真。
3、操作要求在指定盘符路径建立一文件夹,文件夹名为考生号,数控加工仿真结果保存至该文件夹。
文件名:考生号_FZ。
〔1〕填写数控加工工艺卡片和数控刀具卡片。
〔2〕虚拟外圆车刀和镗孔刀的刀尖圆弧半径不允许设定为零。
〔3〕螺纹底径按螺纹手册规定编程。
〔4〕螺纹左旋、右旋以虚拟仿真机床为准。
〔5〕每次装夹加工只允许有一个主程序。
〔6〕第一次装夹加工主程序名为O0001〔FANUC〕或P1〔PA〕,第二次装夹加工主程序名为O0002〔FANUC〕或P2〔PA〕。
注:盘符路径由鉴定站所在鉴定时指定。
试题单试题代码:试题名称:盘类零件编程与仿真〔一〕考生:号:考核时间:90〔min〕1、操作条件〔1〕计算机。
〔2〕数控加工仿真软件。
〔3〕零件图纸〔图号〕。
2、操作容〔1〕编制数控加工工艺。
〔2〕手工编制加工程序。
〔3〕数控加工仿真。
3、操作要求在指定盘符路径建立一文件夹,文件夹名为考生号,数控加工仿真结果保存至该文件夹。
文件名:考生号_FZ。
〔1〕填写数控加工工艺卡片和数控刀具卡片。
〔2〕虚拟外圆车刀和镗孔刀的刀尖圆弧半径不允许设定为零。
〔3〕螺纹底径按螺纹手册规定编程。
〔4〕螺纹左旋、右旋以虚拟仿真机床为准。
〔5〕每次装夹加工只允许有一个主程序。
〔6〕第一次装夹加工主程序名为O0001〔FANUC〕或P1〔PA〕,第二次装夹加工主程序名为O0002〔FANUC〕或P2〔PA〕。
要求:车削一定要在熟悉车床之后进行并首先会刃磨外圆车刀。
D L Ra1 Ø45 —00.10142±0.50 6.32 Ø40 —00.10140±0.30 3.2序号质检内容配分评分标准1 外圆公差30 超0.02扣5分2 外圆RX6.3 20 降一级扣10分3 长度公差10 超差不得分4 倒角二处5×2 不合格不得分5 平端面二处5×2 不合格不得分6 接刀痕 5 接刀痕大扣分7 工件完整 5 不完整扣分8 安全文明操作10 违章扣分第三次课件请保留材料毛坯时间45 Ø50x145序号质检内容配分评分标准1 外圆公差三处10x3 超0.01扣2分2 外圆Ra3.2 三处6x3 降一级扣3分3 长度公差三处4x3 超差不得分4 倒角二处3x2 不合格不得分5 平端面二处4x2 不合格不得分6 清角去锐边四处2x4 不合格不得分7 工件完整 5 不完整扣分8 安全操作10 违章扣分材料毛坯时间45 Ø50x150多台阶车削(三)序号质检内容配分评分标准1 外圆公差六处5x6 超0.01扣2分,超0.02不得分2 外圆Ra3.2 六处3x6 降一级扣2分3 长度公差六处3x6 超差不得分4 倒角二处2x2 不合格不得分5 清角去锐边十处10 不合格不得分6 平端面二处2x2 不合格不得分7 工件外观 6 不完整扣分8 安全文明操作10 违章扣分此件用上次课件改制材料毛坯时间45一夹一顶练习(四)序号质检内容配分评分标准1 外圆公差四处8x4 超0.01扣2分,超0.02不得分2 外圆Ra3.2 四处4x4 降一级扣2分3 长度公差四处3x4 超差不得分4 倒角二处3x2 不合格不得分5 清角二处2x3 不合格不得分6 平端面二处3x2 不合格不得分7 中心孔 5 不合格不得分8 工件外观7 不完整扣分9 安全文明操作10 违章扣分要求:会正确使用A.B型中心钻。
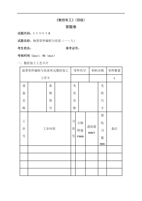
《数控车工》(四级)
答题卷
试题代码:1.1.1-1.1.8
试题名称:轴类零件编程与仿真(一~八)
考生姓名:准考证号:
考核时间(min):90(min)
一.数控加工工艺卡片
二.数控刀具卡片
《数控车工》(四级)
答题卷
试题代码:1.2.1-1.2.8
试题名称:盘类零件编程与仿真(一~八)
考生姓名:准考证号:
考核时间(min):90(min)
一.数控加工工艺卡片
二.数控刀具卡片
试题单
试题代码:1.1.1
试题名称:轴类零件编程与仿真(一)
考生姓名:准考证号:
考核时间:90(min)
1、操作条件
(1)计算机。
(2)数控加工仿真软件。
(3)零件图纸(图号1.1.1)。
2、操作内容
(1)编制数控加工工艺。
(2)手工编制加工程序。
(3)数控加工仿真。
3、操作要求
在指定盘符路径建立一文件夹,文件夹名为考生准考证号,数控加工仿真结果保存至该文件夹。
文件名:考生准考证号_FZ。
(1)填写数控加工工艺卡片和数控刀具卡片。
(2)虚拟外圆车刀和镗孔刀的刀尖圆弧半径不允许设定为零。
(3)螺纹底径按螺纹手册规定编程。
(4)螺纹左旋、右旋以虚拟仿真机床为准。
(5)每次装夹加工只允许有一个主程序。
(6)第一次装夹加工主程序名为O0001(FANUC)或P1(PA),第二次装夹加工主程序名为O0002(FANUC)或P2(PA)。
注:盘符路径由鉴定站所在鉴定时指定。
试题单
试题代码:1.2.1
试题名称:盘类零件编程与仿真(一)
考生姓名:准考证号:
考核时间:90(min)
1、操作条件
(1)计算机。
(2)数控加工仿真软件。
(3)零件图纸(图号1.2.1)。
2、操作内容
(1)编制数控加工工艺。
(2)手工编制加工程序。
(3)数控加工仿真。
3、操作要求
在指定盘符路径建立一文件夹,文件夹名为考生准考证号,数控加工仿真结果保存至该文件夹。
文件名:考生准考证号_FZ。
(1)填写数控加工工艺卡片和数控刀具卡片。
(2)虚拟外圆车刀和镗孔刀的刀尖圆弧半径不允许设定为零。
(3)螺纹底径按螺纹手册规定编程。
(4)螺纹左旋、右旋以虚拟仿真机床为准。
(5)每次装夹加工只允许有一个主程序。
(6)第一次装夹加工主程序名为O0001(FANUC)或P1(PA),第二次装夹加工主程序名为O0002(FANUC)或P2(PA)。
注:盘符路径由鉴定站所在鉴定时指定。
试题单
试题代码:2.1.1
试题名称:轴类零件加工(一)
考生姓名:准考证号:
考核时间:150min
1、操作条件
(1)数控车床(FANUC或PA);
(2)外圆车刀、镗孔刀、外径千分尺、内测千分尺、游标卡尺等工量具;
(3)零件图纸(图号2.1.1);
(4)提供的数控程序已在机床中。
2、操作内容
(1)根据零件图纸(图号2.1.1)和加工程序完成零件加工;
(2)零件尺寸自检;
(3)文明生产和机床清洁。
3、操作要求
(1)根据零件图纸(图号2.1.1)和数控程序说明单安排加工顺序;
(2)根据数控程序说明单安装刀具、建立工件坐标系、输入刀具参数;
(3)程序中的切削参数没有实际指导意义,学员能阅读程序并根据实际加工要求调整切削参数;
(4)按零件图纸(图号2.1.1)完成零件加工;
(5)操作过程中发生撞刀等严重生产事故者,鉴定立即终止。
《数控车工》(四级)
试题单
试题代码:2.2.1
试题名称:盘类零件加工(一)
考生姓名:准考证号:
考核时间:150min
1、操作条件
(1)数控车床(FANUC或PA);
(2)外圆车刀、镗孔刀、外径千分尺、内测千分尺、游标卡尺等工量具;
(3)零件图纸(图号2.2.1);
(4)提供的数控程序已在机床中。
2、操作内容
(1)根据零件图纸(图号2.2.1)和加工程序完成零件加工;
(2)零件尺寸自检;
(3)文明生产和机床清洁。
3、操作要求
(1)根据零件图纸(图号2.2.1)和数控程序说明单安排加工顺序;
(2)根据数控程序说明单安装刀具、建立工件坐标系、输入刀具参数;
(3)程序中的切削参数没有实际指导意义,学员能阅读程序并根据实际加工要求调整切削参数;
(4)按零件图纸(图号2.2.1)完成零件加工;
(5)操作过程中发生撞刀等严重生产事故者,鉴定立即终止。
《数控车工》(四级)
试题评分表
试题代码:1.1.1 试题名称:轴类零件编程与仿真(一)准考证号:考核时间(min):90min
考评员(签名):
“评价要素”得分=配分×等级比值
《数控车工》(四级)
试题评分表
试题代码:1.2.1 试题名称:盘类零件编程与仿真(一)准考证号:考核时间(min):90min
考评员(签名):
“评价要素”得分=配分×等级比值
《数控车工》(四级)
试题评分表
试题代码:2.1.1 试题名称:轴类零件加工(一)准考证号:考核时间(min):150min
1、任一项的尺寸超差>0.3mm以上(≤2mm的倒角和倒圆除外),不予评分。
2、零件加工不完整(≤2mm的倒角和倒圆除外),不予评分。
3、零件有严重的碰伤、过切,不予评分。
4、操作过程中发生撞刀等严重生产事故者,立刻终止其鉴定。
5、同类刀片只允许使用一片。
考评员(签名):
“评价要素”得分=配分×等级比值
《数控车工》(四级)
试题评分表
试题代码:2.2.1 试题名称:盘类零件加工(一)准考证号:考核时间(min):150min
6、任一项的尺寸超差>0.3mm以上(≤2mm的倒角和倒圆除外),不予评分。
7、零件加工不完整(≤2mm的倒角和倒圆除外),不予评分。
8、零件有严重的碰伤、过切,不予评分。
9、操作过程中发生撞刀等严重生产事故者,立刻终止其鉴定。
10、同类刀片只允许使用一片。
考评员(签名):
“评价要素”得分=配分×等级比值
《数控车工》(四级)鉴定方案
一、鉴定方式:
数控车工(四级)的鉴定方式分为理论知识考试和操作技能考核。
理论知识考试采用闭卷计算机机考方式,操作技能考核采用现场实际操作方式。
理论知识考试和操作技能考核均实行百分制,成绩皆达60分及以上者为合格。
理论知识或操作技能不及格者可按规定分别补考。
二、理论知识考试方案(考试时间90分钟)
三、操作技能考核方案
考核项目表
四. 组卷(鉴定中心用)
手工编程与数控加工仿真模块和数控车床操作与零件加工模块为统一试题单
《数控车工》(四级)操作技能鉴定要素细目表
《数控车工》(四级)鉴定所设置技术要求
注:本表所列只是本职业(等级)操作技能鉴定每一种工位必须配置的设备及设备附属品和消耗品、固定需要的工具等,其它鉴定工作所需的材料、样品、半成品、文具、工具、耗材等,将在试题单上另行列出,并注明是鉴定所准备还是考生准备;有几个工位同时工作的,本单所列依工位数量增加。