CNG加气站安全标准化细则体系打分表
- 格式:docx
- 大小:34.74 KB
- 文档页数:13
CNG加气站安全管理制度汇编目录第一部分:安全管理规定1.进站须知2.安全管理制度3.安全生产制度4.压缩机房安全管理制度5.压缩天然气槽车安全管理制度6.消防器材管理制度7.设备安全管理制度G 交接班制度G 生产巡检制度10.配电、发电室安全管理制度G 用电管理规定G 消防安全管理制度G 安全保卫制度第二部分:操作规程1.压缩机操作规程2.干燥器操作规程G槽车充装操作规程4.电气维修操作规程5.储气井操作规程6.消防器材操作规程7.设备检修安全操作规程第三部分:作业指导G母站槽车充气作业指导书G压缩机操作作业指导书G站加气作业指导书G液压子站卸车作业指导书5.加气站交接作业指导书6.燃气加臭作业指导书7.加气站消防系统维护作业指导书附录表格1、加气站交接班记录2、加气站日生产报表3、加气站设备检修记录4、加气站安全教育5、加气站安全生产检查登记5、加气站加气量日交接报6、 G加气站工艺巡检记录7、加气站用电记录月报8、加气站槽车卸车月报表记录9、加气站压缩机运行记录10、加气站压力容器设备定期效验登记表11、加气站进出人员登记表12、加气站质量信息反馈记录13、充装前、后检查及充装记录14、加气站设备维修记录15、加气站档案资料登记表16、加气站事故处理报告书17、加气站应急救援预案演练记录18、加气站安全监察工作记录表19、加气站加气量日交接报表20、加气站消防安全设备管理记录21、加气站强制检定计量机具与仪器仪表登记表22、加气站工艺设备一览表23、安全检测仪器一览表24、消防器材一览表CNG加气站安全管理制度汇编第一部分:安全管理规定进站须知1、进站人员必须遵守CNG加气站的各项管理规定。
2、进入站区的人员、车辆必须接受值班人员的安全检查。
3、本公司车辆和外来车辆一律停放在指定停车地点停放,严禁进入生产区。
4、进入站区的人员、车辆必须接受警卫的监督检查,所有进入站内生产区的车辆必须加戴防火帽。
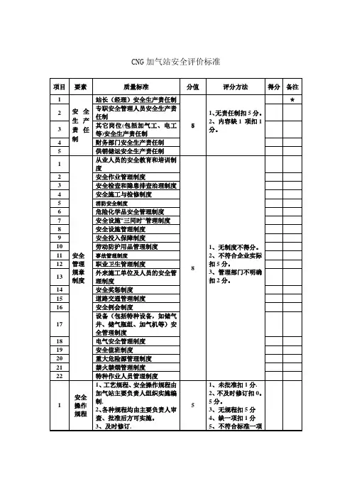
Ⅰ级指标Ⅱ级指标Ⅲ级指标标准分值评分规则评分内容否决项(是否)打分情况1.证明文件5建立健全CNG加气站需要的各项证件,使加气站运营合法合规。
无工商行政管理部门核发的营业执照,扣1分无经营和储存场所建筑物消防安全验收文件或其他消防方面的证件,扣1分无经营储存场所、设施产权或租赁证明文件,扣1分无省级商业部门颁发的压缩天然气零售经营批准证书或批准文件,扣1分2.安全生产责任制度认真落实、切实承担企业第一责任人(包括企业出资人、法定代表人、实际控制人和主要负责人)责任。
5建立、健全本单位安全生产责任制,将本单位安全生产重大风险点单独列出,并以文件明确,层层签订安全责任书,主要负责人将上级下达的控制指标逐项分解下达,并与管理层主要负责人层层签订。
未建立安全生产责任制,扣 5分;安全生产责任制未经责任人签字确认,扣 1分;未配备各工种安全技术操作规程,扣 1分;未按规定配备专职安全员,扣1分;未制定伤亡控制、安全达标、文明作业等管理目标,扣 1分;未进行安全责任目标分解,扣1分;未建立对安全生产责任制和责任目标的考核制度,扣 1分;未按考核制度对管理人员定期考核,扣1分。
加气站安全评测体系3.安全管理制度建立健全各项安全管理制度5对缺少右表中管理制度的,缺一项,扣2分,扣完为止安全教育培训制度。
安全检查和值班制度。
设备管理和维护制度。
消防安全管理制度。
事故管理制度。
安全档案管理制度。
重大危险源管理制度。
加气站进出车辆、人员管理制度。
压缩天然气接卸管理制度。
储气罐区、锅炉房等重点部位管理制度。
以上缺一项内容,扣2分4.安全会议制度5结合实际情况,定期组织召开安全生产专题会议,解决安全问题;深入施工现场调研,形成会议纪要并落实。
未建立安全生产例会制度扣5分;建立安全生产例会制度,但无会议记录或记录不全,扣3分。
5.安全生产检查制度严格遵守和执行安全生产法律、法规、规章制度与技术标准,依法依规加强安全生产,按照相关规定建立和发布健全的安全生产规章制度。
CNG气瓶充装加气站质量手册(依据《气瓶充装许可规则》、《特种设备安全监察条例》、《压力容器安全技术监察规则》、《气瓶安全监督规程》、《永久气体气瓶充装规定》制订)目录1、授权书2、《质量管理手册》批准书3、质量方针和质量目标颁布令4、质量管理体系编制依据5、燃气有关规范规程和标准6、燃气加气站的管理方针与安全方针7、任命书一、基础资料1、加气站概况2、加气站组织机构管理网络图3、加气站质量管理体系图4、充装单位主要人员基本情况表5、加气站工艺设备及电气设备一览表6、安全检测仪器及消防器材一览表二、加气站岗位责任制1、加气站站长岗位责任制2、技术负责人岗位职责3、加气站安全员岗位职责4、加气站带班长岗位职责5、加气站设备仪器管理员岗位职责6、加气员岗位职责7、气瓶充装前、后检查人员岗位职责8、设备计量员岗位职责9、加气站岗位安全职责10、保安安全职责三、加气站管理制度1、加气站进出站管理制度2、加气站交接班管理制度3、加气站巡回检查制度4、压缩机房巡回检查制度5、加气站设备、仪器仪表管理制度6、用户信息反馈管理制度7、压力容器、压力管道使用、检验管理制度8、计量器具与仪器仪表校验管理制度9、气瓶检查、登记管理制度10、资料保管制度11、各类人员培训考核管理制度12、用户宣传教育管理制度13、事故处理及上报管理制度14、消防安全管理制度15、动用明火及审批管理制度16、加气站安全用电管理制度四、生产设备安全操作及维护保养规程1、ZW-4.35/25-250A-JX压缩机安全操作及维护保养规程2、天然气加气机安全操作规程3、气瓶充装前后检查操作规程4、气瓶充装操作规程5、CNG槽车卸气操作规程6、天然气储气井操作规程五、加气站抢险应急预案1、加气站事故救援应急小组及职责2、救援应急工具、器材及设施的管理3、救援应急原则及要求4、加气站泄露应急预案5、加气站火灾抢险预案6、应急预案演练制度附录表格1、加气站交接班记录2、加气站日生产报表3、加气站设备检修记录4、加气站安全教育5、加气站安全生产检查登记5、加气站加气量日交接报6、 G加气站工艺巡检记录7、加气站用电记录月报8、加气站槽车卸车月报表记录9、加气站压缩机运行记录10、加气站压力容器设备定期效验登记表11、加气站进出人员登记表12、加气站质量信息反馈记录13、充装前、后检查及充装记录14、加气站设备维修记录15、加气站档案资料登记表16、加气站事故处理报告书17、加气站应急救援预案演练记录18、加气站安全监察工作记录表19、加气站加气量日交接报表20、加气站消防安全设备管理记录21、加气站强制检定计量机具与仪器仪表登记表22、加气站工艺设备一览表23、安全检测仪器一览表24、消防器材一览表CNG气瓶充装加气站质量手册授权书《质量管理手册》是阐述我加气站质量方针和描述质量体系的纲领性文件,本站全体员工均应本《质量管理手册》的规定和要求,并作为质量和安全形成全过程的行动准则。
(二)实际操作1.竞赛内容实际操作竞赛分2个竞赛项目。
见表1。
表1 竞赛项目及内容竞赛项目竞赛内容备注项目1 CNG加气枪拆装将CNG加气枪在规定的时间内按要去进行拆卸分解并组装项目2 CNG定量加气操按安全操作规程完成定量加气操作作2.竞赛时间(1)实际操作竞赛在竞赛指定赛场完成。
项目一竞赛时间为15分钟,包括加气枪拆卸时间和加气枪组装时间;项目二竞赛时间为15分钟;共计0.5小时(30分钟)。
不包括各项目之间的间隔时间。
(2)参赛选手在规定时间内未完成每个单项竞赛项目时,最长允许给予5分钟的延时(包括5分钟),每超过1分钟扣除该项目5分,超过5分钟的按0分计。
三、竞赛说明及评分标准:(一)竞赛材料、机器具准备清单1.项目一CNG加气枪拆装序号名称尺寸数量备注1 CNG加气枪2 防爆活动扳手250cm 13 防爆活动扳手300cm 14 防爆活动扳手375cm 15 内六角扳手(2mm-14mm)十件套16 防爆管钳300cm 17 工服标准 12.项目二CNG 定量加气序号名称尺寸数量备注1 CNG加气机1台2 CNG 车辆1辆3 防爆型活动扳手300mm1把4 防爆型活动扳手 375mm 1把15 便携式可燃气体探测器1台6塑料喷壶1只(二)竞赛说明1.项目一CNG加气枪拆装(1)将加气枪拆卸分解。
拆卸枪身部分与快接头部分,枪身部分主要拆卸二位三通阀、填料座配件(2个)、偏心轴、偏心轴阀芯、泄压阀、开关手柄、双头螺栓(2个)、密封填料座(2个)共12个零件;快速接头主要拆卸;中心通气孔的NGV枪头顶嘴和锁紧装置、连接套、接头体、内顶套及弹簧、外开启套及弹簧,共6个零件;(2)工具、所有拆下的部件摆放整齐;(3)将拆卸完的加气枪重新组装;(4)组装完成的加气枪要符合使用要求。
2.项目二CNG加气机定量加气(1)迎候加气操作工站在加气岛上靠近入口一侧,面向车辆进入方向迎接加气车辆。
(2)车辆引导当车辆加气站站内时,加气操作工在确保自身安全的情况下,引导车辆到正确的加气位停泊。
1-CNG加气站安全违章记分管理办法一、目的与范围为落实安全作业流程和安全操作规范,加强员工安全意识,培养员工良好行为习惯,控制和减少违章事件的发生,实现安全行为的动态管理,培养“本质安全型”员工,特制定《安全违章记分管理办法》。
本管理办法适用于公司系统及所属各加油加气站。
本规定所指违章是指违反安全规章制度、安全操作规程及安全生产法规、规章、标准的情况。
二、总则本办法本着以人为本的原则,实行“全员参与、相互监督、依照制度、奖惩分明”的管理机制。
以落实安全工作为活动根本,记分方法为活动手段,使员工从主观意识上重视安全,坚决杜绝习惯性违章事件。
对于违章事件,坚持“四不放过“原则,即事故原因分析不清不放过;当事人和员工没有受到教育不放过;没有制定防范、改进措施不放过;事故责任者没有受到处理不放过。
三、组织体系为确保“安全违章记分管理办法”的有效实施,公司成立领导小组:组长:执行组长:成员:公司安全生产委员会组成人员领导小组下设办公室,办公室设在安全保卫部,公司职能部门相关人员为成员。
四、职责(1)领导小组职责1)制定公司安全违章记分管理实施办法;2)监督实施办法的落实;3)负责实施过程中的监督、考评;4)裁决实施过程中遇到的重大问题;5)负责年度评比和先进表彰。
(2)办公室职责1)根据实际工作,完善安全违章记分管理实施办法;2)组织开展安全检查,跟踪检查部门实施情况,落实本办法实施情况;3)根据现场情况,查明事件发生原因、违章过程及责任人;4)认定违章事件性质,确定违章扣分标准,提出事件的处理意见和防范措施建议;5)根据需要撰写事件调查报告,对事件调查结果、处罚方法进行公示;6)向领导小组定期报告工作;7)人事行政部负责结合本制度配合参与记分管理与奖惩。
五、执行程序(1)违章记分依据1)员工自报;2)他人举报经查实的;3)站点、班组级安全检查中发现的;4)群众来电访、来访投诉经查实的;5)公司职能部门对系统内单位和站点安全检查中发现的;7)上级职能部门对公司系统和站点安全检查中发现的;8)其它渠道获取的。
加气站(CNG加气站)安全生产标准化管理体系全套资料汇编(2019-2020新标准实施模板)Q/WSSQ/WSS-2019 CNG加气站安全生产标准化管理体系全套方案资料标准汇编编号:Q/WSS-001-20192019-2020版编制:审核:批准:受控状态:发布日期:2019-05-15 实施日期:2019-08-15XX加气站目录第1章标准化管理体系的编制说明 (7)1.1 制定原则 (7)1.2 编制及管理 (7)1.3 文本及文字要求 (8)1.4 其他 (9)第2章加气站安全生产方针、目标 (10)2.1 安全生产方针、目标、安全生产承诺书 (10)2.1.1 安全生产方针 (10)2.1.2 安全生产目标 (10)2.1.3 安全承诺 (10)2.2 加气站安全生产标准化领导小组 (12)2.3 加气站安全生产标准化领导小组职责 (12)2.4 2019年度安全生产目标 (14)2.5 年度安全生产目标分解 (15)2.6 安全生产目标实施计划和考核办法 (16)2.6.1 附责任书1:安全生产目标责任书(管理层样本) (17)2.6.2 附责任书2:安全生产目标责任书(员工样本) (19)2.6.3 附表1:安全生产目标考核台账 (21)第3章安全生产责任制 (23)3.1 安全生产责任制的制定、沟通、培训、评审、修订及考核的管理制度 (23)3.1.1 附表1:安全生产责任制与权限培训记录 (25)3.1.2 附表2:安全生产责任制评审表 (27)3.1.3 附表3:安全生产责任制落实情况考核台帐 (29)3.2 各级员工安全职责 (30)3.2.1 站长安全职责 (30)3.2.2 安全员安全职责 (30)3.2.3 班组长安全职责 (31)3.2.4 加气工安全职责 (31)3.3 各级员工岗位职责 (32)3.3.1 加气站站长岗位职责 (32)3.3.2 安全员岗位职责 (32)3.3.3 设备(计量)岗位职责 (33)3.3.4 带班班长岗位职责 (34)3.3.5 质量保证工程师岗位职责 (34)3.3.6 加气工岗位职责 (35)3.3.7 工艺运行岗位职责 (36)3.3.8 CNG加气站气瓶检查员岗位职责 (37)3.3.9 CNG加气站技术负责人位职责 (37)第4章安全生产投入 (39)4.1 安全生产投入保障制度 (39)4.1.1 附表1:安全经费投入台账 (42)4.3 工伤保险管理制度 (46)4.3.1 附表1:工伤事故台账 (55)第5章法律法规与安全管理制度 (57)5.1 识别和获取适用的安全法律法规、标准及其它要求管理制度(57)5.1.1 附表1:企业适用的安全生产法律法规、标准记录台账 (60)5.1.2 附表2:法律法规的培训记录 (62)5.2 安全管理制度及安全操作规程文件管理及修订制度 (64)5.2.1 附表1:安全操作规程及安全规章制度评审表 (66)第6章CNG加气站安全生产标准化制度 (68)6.1 CNG生产作业制度 (68)6.1.1 CNG加气站不合格气瓶处理制度 (68)6.1.2 CNG加气站气体分析操作规程 (69)6.1.3 CNG加气站用户宣传教育制度 (69)6.1.4 CNG加气站用户信息反馈制度 (70)6.1.5 CNG加气站接受安全监察的管理制度 (71)6.1.6 CNG加气站压力容器及管道等使用及定检制度 (72)6.2 CNG加气站安全管理制度 (73)6.2.1 CNG加气站值班管理制度 (73)6.2.2 CNG加气站交接班管理制度 (74)6.2.3 CNG加气站资料管理制度 (75)6.2.4 CNG加气站事故报告管理制度 (76)6.2.5 CNG加气站安全教育制度 (76)6.2.6 CNG加气站人员培训管理制度 (77)6.2.7 CNG加气站设备维修保养制度 (78)6.2.8 CNG加气站明火管理制度 (79)6.2.9 CNG加气站用电安全管理制度 (79)6.2.10 CNG加气站配电房安全管理制度 (80)6.2.11 CNG加气站电气设备巡回检查管理制度 (81)6.2.12 CNG加气站电气设备维修保养管理制度 (82)6.2.13 CNG加气站车辆安全管理制度 (82)6.2.14 CNG加气站消防安全管理制度 (83)6.2.15 CNG加气站消防器材管理制度 (84)6.2.16 CNG加气站计量监督管理制度 (85)6.2.17 CNG加气站能源计量管理制度 (86)6.2.18 CNG加气站压缩机生产设备巡回检查管理制度 (87) 6.2.19 CNG加气站计量仪表周期检定管理制度 (87)6.2.20 CNG加气站CNG充装岗位责任制度 (88)6.2.21 CNG加气站夜间班岗位责任制 (89)第7章教育培训 (91)7.1 安全生产教育 (91)7.2 入站规定 (92)7.3 用户宣传教育管理制度 (92)7.4 员工教育培训管理制度 (93)7.5.1 附表1:三级教育 (97)7.5.2 附表2:培训记录 (100)7.5.3 附表3:人员持证台账 (102)第8章生产设备设施 (104)8.1 建设项目安全“三同时”管理制度 (104)8.2 设备设施安全管理制度 (108)8.3 压力容器、压力管道定期检验制度 (112)8.4 压缩机安全使用管理制度 (113)8.5 计量仪器仪表定检制度 (114)8.6 充装记录填写制度 (114)8.7 加气站资料保管制度 (115)8.8 不合格气瓶处理制度 (115)8.9 生产设施安全拆除和报废管理制度 (115)8.10 电气设施安全管理制度 (118)8.11 保证充装安全的管理体系 (125)8.12 特种设备安全管理制度汇编 (125)8.12.1 附表1:特种设备统计台账 (133)8.13 特种(设备)作业人员管理制度 (134)第9章作业安全 (138)9.1 警示标志和安全防护管理制度 (138)9.2 变更管理制度 (141)9.2.1 附表1:变更申请表 (144)9.2.2 附表2:变更验收表 (146)9.3 三违管理制度 (148)9.3.1 附表1:三违人员记录 (153)9.4 危险作业风险分析及控制措施 (155)第10章CNG加气站安全操作规程 (167)10.1 CNG充气柱操作规程 (167)10.2 CNG母站压缩机操作规程 (177)10.3 冷却水塔操作规程 (186)10.4 天然气脱水装置操作规程 (190)10.5 软水器操作规程 (198)10.6 梁式起重机操作规程 (202)10.7 母站充气切换阀组(顺序控制盘)规程 (205) 10.8 CNG加气机操作规程 (210)10.9 CNG子站平推式液压橇操作规程 (230) 10.10 滤油机操作规程 (246)10.11 空气压缩机操作规程 (252)10.12 压力容器排污操作规程 (256)10.13 便携式水露点检测仪操作规程 (260)10.14 手动阀门操作规程 (264)10.15 汽油发电机操作规程 (270)10.16 正压式空气呼吸器操作规程 (273)10.17 车载柴油发电机操作规程 (282)10.18 紧急停站装置操作规程 (286)10.19 常规仪表拆卸和安装规程 (290)10.20 变送器拆卸和安装规程 (294)10.21 流量计拆卸、安装及维护规程 (298)10.22 安全阀拆卸和安装规程 (304)10.23 绝缘电阻性能检测规程 (308)10.24 防爆对讲机操作规程 (312)10.25 注脂枪操作规程 (316)10.26 手提式防爆照明设备操作规程 (320)10.27 消防设备操作规程 (324)10.28 便携式四合一气体检测仪操作规程 (332)10.29 手持式便携可燃气体检测仪操作规程 (338) 10.30 全量程检测仪操作规程 (344)10.31 可燃气体探测器操作规程 (350)10.32 氧含量检测仪操作规程 (354)第11章消防安全管理 (356)11.1 概述 (356)11.2 四个能力建设标准 (356)11.3 警示标志规定 (358)11.4 消防安全管理规定 (359)11.5 消防器材管理规定 (359)11.6 落实四个能力 (360)第12章隐患排查和治理 (363)12.1 安全检查制度 (363)12.2 安全隐患排查治理制度 (369)12.2.1 附表1:日常安全检查记录表 (373)12.2.2 附表2:节假日安全检查记录表 (376)12.2.3 附表3:季节性安全检查记录表(夏季四防) (378) 12.2.4 附表4:季节性安全检查记录表(冬季四防) (381) 12.2.5 附表5:综合安全检查记录表 (383)12.2.6 附表6:安全隐患报告登记表 (388)12.2.7 附表7:安全隐患限期整改通知书 (389)12.2.8 附表8:安全隐患整改台帐 (391)12.3 安全生产状况预警指数系统 (393)第13章危险源监控 (398)13.1 危险源管理制度 (398)13.1.1 附表1:危险源统计台账 (401)13.2 重大危险源识别、评价、监控及管理制度 (402)13.2.1 附表1:重大危险源统计台账 (405)第14章职业健康 (407)14.1 职业健康管理制度 (407)14.2 劳动防护用品管理制度 (411)第15章应急救援 (413)15.1 事故应急救援预案定期演练制度 (413)15.2 安全生产应急救援队伍管理制度 (413)15.2.1 附通知:成立安全生产应急救援队伍的通知 (418)15.3 安全生产事故应急救援预案 (419)15.3.1 综合预案 (419)15.3.2 火灾预案 (423)15.4 加气站事故应急处理操作规程 (428)第16章事故报告、调查和处理 (430)16.1 用户信息反馈管理制度 (430)16.2 上报事故管理制度 (430)16.3 事故报告、调查、处理制度 (431)16.3.1 附表1:事故分析报告 (443)16.3.2 附通知:事故调查处理领导小组 (444)第17章绩效评定和持续改进 (446)17.1 安全生产标准化绩效评定管理制度 (446)17.1.1 附表1:自评报告 (449)第1章标准化管理体系的编制说明1.1制定原则第一条坚持普遍性、长期性的原则。
CNG加⽓站安全⽣产标准化建设CNG加⽓站安全⽣产标准化建设⼆〇⼀六年⼋⽉第⼀章安全管理体系概述⼀、安全管理体系发展基本路径经验主导体系化模仿体系化实践管理⼈员经验政府部门经验⾏业其它单位经验GB/T28001体系模仿专业机构帮助建⽴管理体系的运⾏借鉴管理体系理念和⽅法丰富管理标准和内容贴合中国实际的持续改进⼆、职业健康安全管理体系和安全标准化联系和区别联系对⽐:GB/T28001-2011《职业健康安全管理体系要求》AQT9006-2010《企业安全⽣产标准化基本规范》都是预防为主、持续改进、动态管理的PDCA运⾏模式。
都是基于危险源辨识、风险评价和风险控制。
都强调遵守法律法规和其他要求。
区别(⼀)安全⽣产标准化是管理标准,其中各⾏业达标标准有具体的每⼀事项的具体要求,⽽职业健康安全管理体系是管理⽅法,具体如何做还需要⼤量参阅法规、标准,⾏业先进企业安全业绩等。
(⼆)安全⽣产标准化有起点要求,⽽职业健康安全管理体系并没有起点要求,职业健康安全管理体系较为松散。
(三)安全⽣产标准化管理事项要素的颗粒度更细。
⼀级要素⼆级要素⼀级要素⼆级要素1、安全⽣产⽬标1.1 ⽬标8、隐患排查和治理8.1 隐患排查1.2 监测考核8.2 排查范围与⽅法2、组织机构和职责2.1 组织机构各⼈员8.3 隐患治理2.2 职责8.4 预测预警3、安全投⼊3.1 安全⽣产费⽤9.1 辨识与评估3.2 相关保险9、重⼤危险源监控9.2 登记建档与备案4、法律法规与安全管理制度4.1 法律法规、标准规范9.3 监控与管理4.2 规章制度10、职业健康10.1 职业健康管理4.3 操作规程10.2 职业危害告知和警⽰4.4 评估10.3 职业危害申报4.5 修订11、应急救援11.1 应急机构和队伍4.6 ⽂件和档案管理11.2 应急预案5、教育培训5.1 教育培训管11.3 应急设施、装备、物资5.2 安全⽣产管理⼈员教育培训11.4 应急演练5.3 操作岗位⼈员教育培训11.5 事故救援5.4 特种作业⼈员教育培训12、事故报告、调查和处理12.1 事故报告5.5 其他⼈员教育培训12.2 事故调查和处理5.6 安全⽂化建设12.3 事故案例教育6、⽣产设备设施6.1 ⽣产设备建设13、绩效评定和持续改进13.1 绩效评定6.2 安全与消防设施要求13.2 持续改进6.3 设备设施运⾏管理6.4 新设备设施验收及旧设备设施拆除、报废7、作业安全7.1 ⽣产现场管理和⽣产过程控制7.2 作业⾏为管理7.3 警⽰标志和安全防护三、HSEHSE是健康(Health)、安全(Safety)和环境(Environment)三位⼀体的管理体系。
加气工评分表
(可以直接使用,可编辑实用优秀文档,欢迎下载)
CNG场站加气工实操考核评分表(50分)
姓名场站________
实操项目:充装压缩天然气操作考核时间:5-8 min
考核人用时:最后得分:
开阳县人民医院心内科NSTE-ACS缺血评估——GRACE
评分
(院内评分:入院24小时内完成)
(注:本表适用于NSTE-ACS患者即UA/NSTEMI患者的危险评级)
①中国经皮冠状动脉介入治疗指南2021推荐采用GRACE评分作为NSTE-ACS患者危险分层
的首选评分方法。
②国内外权威指南均推荐;首次评估应在入院24小时内完成,复查应在出院前1周内进行;
急性期有助于临床正确和规范地选择早期治疗策略(保守或介入治疗);对于STEMI患者:应该积极进行再灌注治疗,PCI能有效的降低STEMI总体死亡率对于NSTE-ACS患者:中高危患者,建议选择早期PCI治疗;低危者,建议早期保守治疗;在病情相对稳定后采取更为个体化的长期二级预防治疗。
③无论急性期采用何种治疗方式,所有ACS患者均建议同时采取规范的药物治疗:氯吡格
雷+阿司匹林的双联抗血小板治疗最好12个月。
——GRACE 评分
(出院评分:出院前1周内进行)
*GRACE评分来自GRACE研究,即全球冠脉事件登记研究,是世界上首个多个国家记性的针对所有类型、未经筛选ACS患者的前瞻性研究。
研究于1999年4月启动,迄今全球共有30个国家、247家医院参与,入选ACS患者102341例。
GRACE评分是患者入院和出院时进行危险分层评级的预测工具。