粉末涂料常识
- 格式:doc
- 大小:154.00 KB
- 文档页数:7
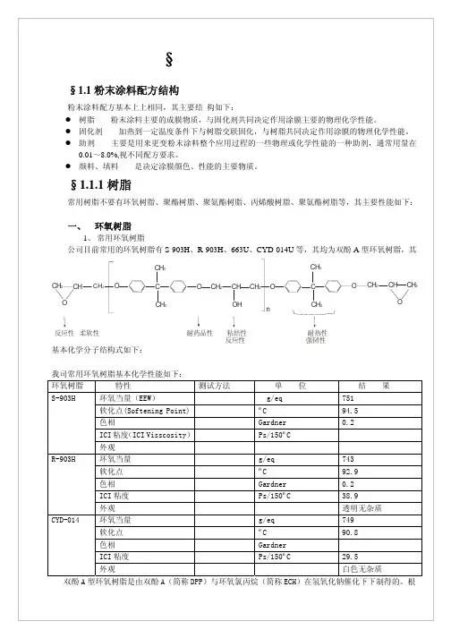
热固性粉末涂料一.对合成树脂的要求:1树脂必须具有活性官能团,以使烘烤过程中交联成网状的体型结构。
2 熔融温度和分解温度要有一定的温差,以便烘烤成膜过程中的温度控制。
3 要求熔融粘度低,熔融粘度范围窄,达到熔点后粘度下降快,便于烘烤成膜时流平成光滑、平整的涂膜。
4 物理化学稳定性好,便于贮存。
5 有较好的熔点和玻璃化温度。
6 树脂与被涂物附着力好,7 颜色浅、透明、无毒、原料易得,价格低廉。
二.固化剂起支配热固性粉末涂料和涂膜性能的作用。
对固化剂的要求:1 常温下为固体。
2 与树脂和其它组分无反应,不凝聚结块,加温到一定时间迅速发生固化反应。
3 固化温度不易过高,以节约能源。
4 烘烤中气味及毒性小。
5 无色、原料易得、价廉。
三.颜料赋予涂膜色泽和遮盖力的作用。
对颜料的要求:1 能均匀分散在合成树脂中。
2 在涂膜固化温度下热稳定性好3 对光稳定性好。
4 耐化学性、耐溶剂性好。
5在涂膜中不渗色、不起霜、不迁移。
6 色泽不常受其它组分影响。
7 不会导致树脂老化。
8 在热熔融状态下流动性好。
9 具有良好的遮盖力和着色力。
选择颜料时不是分析它们的化学成分,而是着重考虑颜料的物理性能,包括它的遮盖力、着色力、粒度、结晶形状、表面处理状况等。
要保证与树脂有良好的亲和性。
四.填料主要起降低成本的作用。
对填料的要求:1 价廉。
2 在配方中易分散、易流动。
3 不降低涂膜的力学性能。
4 应具备耐水、耐热、耐化学品和耐光泽性。
5 不影响粉末涂料中其它组分的分散效果。
6 不与其它组分发生有害的反应。
7 不影响粉末涂料及涂膜的质量。
一般高光粉的颜基比为1:(2.5-5),设计配方时必须确定颜料的体积浓度即PVC值=颜料和填料的体积/(颜料和填料的体积+树脂的体积)x 100%如:白色涂料的配方如下:钛白粉20KG(d=4.2)v=4.76;碳酸钙6KG(d=2.8)V=2.14;助剂4KG(d=1.4)V=2.85;树脂70KG(d=1.5)V=46.67 颜基体积比PVC=(4.76+2.14)/(4.76+2.14+2.85+46.67)X%=12.22%五.助剂起改进涂膜的流平性、光泽和边角覆盖率等作用。
粉末涂料定义与分类声明:本文内容信息来源于公开渠道,对文中内容的准确性、完整性、及时性或可靠性不作任何保证。
本文内容仅供参考与学习交流使用,不构成相关领域的建议和依据。
一、粉末涂料的定义粉末涂料是一种由固体颗粒形成的涂料,它具有固体颗粒和溶剂中的液体基质两个主要组成部分。
与传统的液体涂料相比,粉末涂料不含溶剂,而是由细小的颗粒状固体组成。
这些固体颗粒通常由树脂、颜料、填料和添加剂等原料组成。
粉末涂料在涂装过程中,通过喷涂或静电吸附的方式,将固体颗粒均匀地覆盖在待涂物体表面,然后通过热处理使其熔化、流平和固化,形成具有一定厚度和均匀性的涂层。
(一)粉末涂料的组成成分1、树脂:树脂是粉末涂料的主要成分之一,它决定了涂层的性能和特性。
常用的树脂有环氧树脂、聚酯树脂、丙烯酸树脂等。
树脂的选择取决于涂层所需的性能,如耐磨性、耐化学品性能、耐候性等。
2、颜料:颜料是粉末涂料的着色剂,它可以为涂层提供不同的颜色和效果。
常见的颜料有无机颜料和有机颜料两种。
无机颜料具有良好的耐候性和耐温性,适用于户外环境;而有机颜料则具有更丰富的色彩选择和较好的遮盖力。
3、填料:填料是粉末涂料的辅助成分,用于调整涂层的特性和性能。
常见的填料有滑石粉、硅酸钙、氧化铝等。
填料的添加可以改善涂层的硬度、抗刮擦性和耐磨性。
4、添加剂:添加剂主要用于调整涂料的流动性、干燥速度和附着力等特性。
常见的添加剂有流平剂、增稠剂、固化剂等。
这些添加剂可以使粉末涂料适应不同的涂装工艺和需求,提高涂层的质量和性能。
(二)粉末涂料的分类根据不同的分类标准,粉末涂料可以分为多种类型。
1、按树脂类型分类:按照粉末涂料所使用的主要树脂类型,可以将其分为环氧粉末涂料、聚酯粉末涂料、丙烯酸粉末涂料等。
不同类型的树脂具有不同的特性和适用范围,可以满足各种不同的涂装需求。
2、按应用领域分类:按照粉末涂料在不同领域中的应用,可以将其分为建筑用粉末涂料、汽车用粉末涂料、电器用粉末涂料等。
粉末涂料的详细介绍粉末涂料是一种应用广泛的涂料类型,具有许多独特的特点和优势。
本文将详细介绍粉末涂料的定义、分类、特点、应用领域以及制备过程等内容。
一、定义粉末涂料是由树脂、颜料、填料和辅助剂等原料组成的一种固体涂料。
与传统的液体涂料相比,粉末涂料的颗粒呈粉末状,不含溶剂,具有环保、高效、耐候性好等特点。
二、分类根据树脂的类型,粉末涂料可以分为热固性粉末涂料和热塑性粉末涂料两大类。
热固性粉末涂料在高温下进行交联反应,形成坚固的涂膜,具有较好的耐化学性和耐热性;热塑性粉末涂料则在加热软化后流动成膜,具有较好的附着力和柔韧性。
三、特点1. 环保性:粉末涂料不含溶剂,不产生挥发性有机化合物(VOCs)的排放,符合环保要求。
2. 高效性:粉末涂料的利用率高,无需溶剂挥发和流动时间,节省了涂料施工时间。
3. 耐候性:粉末涂料具有较好的耐紫外线、耐腐蚀和耐磨损性能,能够长时间保持涂层的色泽和光泽。
4. 色彩丰富:粉末涂料的颜色多样,可根据需求调配出各种亮丽的色彩,满足不同客户的个性化需求。
5. 膜厚可控:粉末涂料的膜厚可以通过喷涂工艺和条件控制,以满足不同涂装要求。
四、应用领域粉末涂料广泛应用于金属制品、家具、建筑、汽车、电器等行业。
在金属制品领域,粉末涂料可用于防腐、装饰和增加产品表面硬度;在家具领域,粉末涂料可用于木质家具和金属家具的表面装饰和保护;在建筑领域,粉末涂料可用于室内外墙面、门窗等的装饰和防护;在汽车领域,粉末涂料可用于汽车车身、零部件的涂装和防腐。
五、制备过程粉末涂料的制备过程主要包括原料混合、熔融混合、研磨、喷粉和固化等步骤。
首先,将树脂、颜料、填料和辅助剂等原料按一定比例混合均匀;其次,将混合后的原料加热熔融,使其形成均匀的涂料糊;然后,将熔融的涂料糊经过研磨处理,使颗粒粒径适中;接着,将研磨后的粉末通过喷粉设备均匀喷涂在待涂物体表面;最后,将喷涂后的物体置于高温下进行固化,形成坚固的涂膜。
粉末涂料培训资料一、粉末涂料的定义:以树脂为基料并与固化剂、颜填料经加工制成的固态可成膜粉末。
二、装饰型粉末涂料根据产品表面类型分为:户内型:又可称做混合型或环氧聚酯型高光型:一般为聚酯固化环氧,也有一些是特殊固化剂固化的。
大于80°光泽为高光产品。
亚光型:用聚酯和消光剂固化环氧。
可根据调整不同的比例生产不同光泽的产品。
光泽低于80°为亚光产品。
纹理型:用不同的纹理剂加入到固化体系中而生成不同纹理效果的产品。
户外型:又称纯聚酯型同样可分为高光型,亚光型和纹理型备注:不同粉末间的相互干扰1.所用原料的种类,使用量不同而相互干扰2.固化体系的不同而相互干扰。
3.户内粉干扰户外粉。
4.亚光粉干扰高光粉5.平光粉干扰纹理粉。
三、实验仪器的使用色差仪的使用规程(一)操作1.选择好要测量色差的标准样板和所检测样板。
2.按色差仪“●”健,打开色差仪。
3.将标准样板紧贴在色差仪测量口处,按“▲”健,色差仪屏幕上则显示出标准板的颜色基数。
然后将所检测样板紧贴在色差仪测量口处,按“●”健,色差仪屏幕上则显示该样板与标准样板测量值的差异,移动所检测样板所对应测量口的的位置,显示不同测量值的差异。
最终确定所检测样板的色差值。
4.测量完毕后,将色差仪放回包装盒内,色差仪会自动关闭。
5.本色差仪使用4节5#电池作为电源,当显示屏幕上出现“Batteries empty”时,应及时换电池。
(二)维护保养1.由于色差仪是化学精密仪器,因此在使用过程中应避免跌落、碰撞,在测量过程中检测板一定要紧贴测量口,避免漏光。
(三)校准1.根据测量仪器存入检查标准板数值,与绿色标准板进行检查测量,确定是否对仪器重新调校。
2.用左右键将光标移到Options菜单,用向下键将光标移到Calibr选项,按操作键,打开Calibrate选项后,置黑标准板于仪器下按操作键,当发出蜂鸣声表示测量完毕。
然后将白标准板置黑标准板于仪器下按操作键,当发出蜂鸣声表示测量完毕。
粉末涂料粉末涂料是一种新型的、不含溶剂,100%固体粉末状涂料。
具有不用溶剂、无污染、节省能源和资源、减轻劳动强度和涂膜机械强度高等特点。
它有两大类:热塑性粉末涂料(PE)和热固性粉末涂料。
缺点:边角上粉不均一、固化后涂膜缺陷难掩盖、固化条件高。
粉末涂料的组成—成膜物质:树脂,它是涂料成膜的基础,又叫基料。
树脂是粘结颜填料形成坚韧连续膜的主要组分。
—颜料:赋予粉末涂料遮盖性和颜色。
—填料:在一定情况下增加粉末涂料涂膜的耐久性和耐磨性,降低涂膜的收缩率和降低成本。
—助剂:用以增加粉末涂料的成膜性,改善或消除涂膜的缺陷,或使涂膜形成纹理。
—功能组分:赋予涂膜某种特殊功能,如导电、伪装、阻燃等等。
热塑性树脂和热固性树脂的意义和特性:比较项目热塑性粉末涂料热固性粉末涂料树脂分子量树脂软化点颜料分散性树脂粉碎性能对底漆的要求涂装方法涂膜外观涂膜薄涂性涂膜物理性能的调节涂膜耐溶剂性涂膜耐污染性高很高稍差较差需常温或冷冻粉碎需要流化床浸涂为主和其他涂装方法一般困难不容易较差不好中等以下较低较容易较容易可以常温粉碎不需要静电粉末涂装和其他涂装方法很好容易容易好好粉末涂料生产工艺原理及控制方法根据热固性粉末涂料生产设备系统的结构,一般把生产工艺过程分为四个工序:配、混料工序;热混炼、挤出工序;冷却、破碎工序;磨粉、筛分工序。
前两道工序是要使成膜树脂相互均匀溶解,并使颜填料在树脂中均匀分散的过程;后两道工序是成品的粉碎过程。
粉末涂料就生产和产品控制而言最主要的两步是:使粉末涂料的各种原材料混合均匀分散,具备涂料的性能;将混合分散好的物料加工成合适粒度的粉料,以利于涂装使用。
粉末涂料性能项目和测试方法1.粉末涂料的胶凝时间在一定温度下粉末涂料从干态固体转变成胶状物所需要的时间,以s来表示2.粉末涂料的倾斜板流动性粉末涂料的倾斜板流动性是压制成规定尺寸的粉末涂料在一定温度下, 65°倾斜放置后,融化至固化流动的距离,以mm表示。
1.粉末概况粉末涂料是一种新型的不含溶剂100%固体粉末状涂料。
它有两大类:热塑性粉末涂料和热固性粉末涂料。
粉末涂料由特制树脂、颜填料、固化剂及其它助剂,以一定的比例混合,再通过热挤塑和粉碎过筛等工艺制备而成。
它们在常温下,贮存稳定,经静电喷涂或流化床浸涂,再加热烘烤熔融固化,使形成平整光亮的永久性涂膜,达到装饰和防腐蚀的目的。
粉末涂料具有一下优点:1、该产品不含毒性,不含溶剂和不含挥发有毒性的物质,故无中毒、无火灾、无“三废”的排放等公害的问题,完全符合国家环保法的要求。
2、原材料利用率高,过喷的粉末可回收利用,利用率达99%以上。
3、被涂物前处理后,一次性施工,无需底涂,即可得到足够厚度的涂膜,易实现自动化操作,生产效率高,可降低成本。
4、涂层致密、附着力、抗冲击强度和韧性均好。
最近20年来,粉末涂料在工业及消费等相关市场的新应用不断被开发出来。
随着消费需求的日益增长,粉末涂料工业获得了迅猛发展。
它们的增长可归因于两大因素:1.粉末涂料新配方的进展;2.粉末涂料先进的涂装设备和涂装工艺的进展。
粉末涂料配方、设备及工艺的进展创造了许多新的市场机会,也帮助克服了先前在粉末涂料工业中普遍存在的涂装障碍问题。
与液体涂料相比,粉末涂料涂层显示出优秀的耐久性、耐磨性、抗腐蚀性、抗刮性和耐化学品性。
粉末涂层表面光泽不易褪色,还可任意选择颜色、高光或低光、金属光泽或透明。
饰面的纹理可从光滑、皱纹、消光到粗糙变化(粗糙的纹理可隐藏基材表面缺陷)。
较厚的涂层也可以快速高效地获得。
环境方面的优势是液体涂料向粉末涂料转化的最大动力。
粉末涂料不含有溶剂,施工过程中的排放物(向大气中排放的污染性挥发性有机物)几乎可以忽略。
而且,粉末涂装工艺无需通风、过滤及溶剂回收,而这些是液态涂装必不可少的。
另外,粉末涂装工艺只需要较少地加热外部空气来补充烘箱气体的排出,大部分的过量喷涂粉末还可以回收重新使用,这些都有得于降低粉末涂装的成本。
1粉末涂料:是一种与传统液体涂料完全不同的涂料,具有工序简单,节约能源和资源,无环境污染,生产效率高等特点。
2遮盖力:涂料覆于基材上,由于光的吸收和色散,反射,而不能见到基材表现的能力,遮盖力是涂料赋予被涂物的装饰性的一项重要性质。
3颜料的絮凝:颜料的粒子在介质中不断的进行布朗运动,即热运动,每个粒子具有一定的动能。
粒子和粒子间不断发生碰撞,如果粒子的动能可克服粒子间的斥力便可导致相互密切的接触。
4临界颜色体积浓度:cpvc在干膜中成膜物恰好填满颜料粒子间的空隙而无多余量时的颜料体积浓度,用cpvc表示。
5有机树脂漆:6油长7磷化处理:将金属通过化学反应在金属表面上生成一层不导电的、多孔的磷酸盐结晶薄膜填空1溶解三要素2聚合的方法(适合涂料的是那种)溶液,本体,乳液,悬浮3金属表面的怎么处理4涂料性质的检测:本性检测,涂膜检测5封闭型异氰酸酯的优点1减小了毒性,2不易与水反应3可以多元醇合装为单组分聚氨酯漆,主要有哪三种:加物成型,三聚体型,缩二脲型6什么有利于腐蚀(水+氧气)7腐蚀的机理:8聚合物防腐的作用9水性涂料主要包括:电泳涂料,水性烘漆,乳胶涂料10氯化橡胶漆的特点11高固体涂料的特点12涂料一般由成膜物质,颜料,溶剂和助剂组成13涂料的命名:颜色颜料的名称+主要成膜物质的名称+基本名称涂料:成膜物,颜料,溶剂,助剂溶剂:真溶剂,助溶剂,稀释剂,分散剂加聚反应:自由基聚合反应,阴离子聚合,阳离子聚合,配位聚合,特点,由一个活性中心引发单体聚合,聚合物是通过单体的链锁反应生成的。
氧气通常是阻聚剂。
共聚物:无规共聚物,交替共聚物,嵌段共聚物,接枝共聚物。
涂料的流动性一般是非牛顿型的。
颜色的三属性:色相,彩度,明度颜料分散的三个过程:润湿,研磨与分散,以及稳定油一般分为:干性油,半干性油,非干性油醇酸树脂制备方法:脂肪酸法,醇解法或单甘油酯法,酸解法,脂肪酸/油法大题1.简述生漆漆膜坚硬,具有特殊的耐久性和极好的耐磨性和良好的耐热性的原因。
粉末涂料的基本知识粉末涂料是一种含100%固体份涂料,具有不用溶剂、无污染、节省能源和资源、减轻劳动强度和涂膜机械强度高等特点。
粉末涂料具有以下广泛的用途:1. 装饰防护涂装用于家用电器、金属家具、汽车、仪器仪表、自行车、缝纫机、机电设备、轻工器材、农业机械、建筑五金等产品的外壳和零部件等;2. 绝缘防潮涂装应用于电机、电器、电子元件等产品的变压器、铁芯、线圈、电阻器、蓄电池等;3. 防腐涂装用于化工池槽、石油管道、饮用水管道和阀体、家庭用品、电镀夹具等。
按喷涂方式分类:1. 静电枪喷涂粉末涂料最通用的粉末涂料。
目前工业生产中绝大部分都采用了此种粉末涂料。
2. 摩擦枪喷涂粉末涂料具有各种树脂类型的摩擦型粉末涂料。
适用于摩擦喷枪喷涂形状复杂的工件。
具有优良的摩擦带电性,能有效克服“法拉第笼”屏蔽效应和反向电离作用。
3. 流化床涂装粉末涂料适用于体积较小、三维工件,如:电枢铁芯、挂锁等。
二粉末涂料知识---粉末涂料前景随着工业的发展,三废对环境的污染已成为世界性的严重问题。
其中溶剂型涂料涂装对大气的污染也是各国非常关注的问题,特别是汽车涂装中VOC的限制越来越严格。
发展低污染涂料将成为21世纪的重要方向之一,其中省能源、低污染的粉末涂料将处于重要的位置。
预计在未来几年粉末涂料将向以下几个方向发展:1.低温固化和快速固化粉末涂料低温固化的目的在于:(1)适合于热敏性材料的涂装;(2)更好地与溶剂型涂料接轨;(3)降低成本。
要实现低温固化必须要协调反应性、流平性与贮存稳定性、施工性能的关系,解决熔融挤出过程中的胶化行为。
2.薄膜化目前粉末涂料的标准膜厚为60-80微米,对于一些只需要20-30微米膜厚的产品,厚涂膜是性能过剩,同时又增加了成本,这就要求向薄膜化方向发展。
粉末涂料的薄膜化需要解决多方技术问题:要求使用熔融度低、玻璃化温度高的树脂;所有颜料分散性好、遮盖力强;粉末粒径小、分布窄;干粉流动性和带静电性好等。
干货---一文看懂粉末涂料1、粉末涂料的定义及特点①粉末涂料是一种新型的不含溶剂100%固体粉末状涂料。
具有无溶剂、无污染、可回收、环保、节省能源和资源、减轻劳动强度和涂膜机械强度高等特点。
②特殊性及要求2、粉末涂料的分类①作为粉末涂料的聚合物树脂有很多按照成膜物质的性质可分为热固型和热塑型两大类。
3、粉末涂料生产工艺流程①粉末涂料由特制树脂、颜填料、固化剂及其它助剂以一定比例混合,再通过热挤塑和粉碎过筛等工艺制备而成,常温下贮存稳定。
4、粉末涂料的应用①我国的粉末涂料主要应用在建材、家电和家具等领域。
产业链分析5、粉末涂料产业链市场分析6、粉末涂料全球市场分析①据Transparency Market Research报告显示,到2018年,市场规模将达到105亿美元,2012年市场规模约63亿美元。
②全球粉末涂料到2018年需求达266.7万吨。
7、粉末涂料上游市场分析①世界上一半以上粉末涂料的生产是用聚酯树脂作为重要成膜物。
聚酯树脂的市场需求量随着粉末涂料的发展,以及粉末涂料的品种结构、用料比例的变化而持续增长。
8、我国粉末涂料市场需求分析①2013年我国粉末涂料总产量约115万吨,比2012年的107万吨增长了7.48%。
②占我国涂料行业的10%左右。
9、我国粉末涂料上游市场分析①据统计,聚酯树脂是我国粉末涂料行业用量最大的树脂原材料之一。
②2013年年销售量1万吨以上的企业占市场份额的75.3%,企业数增加到17家,意味着粉末聚酯行业产业集中度已经很高。
10、我国粉末涂料下游市场分析①2014年我国粉末涂料下游应用中,建材、家电和家具占据了整个粉末涂料的60.9%。
②建材行业超过家电行业,为粉末涂料应用比例最大的行业,占据26%的市场份额。
厂商分析11、粉末涂料制造商的分析①2014年全国粉末涂料前30强企业总产量为44.15万吨,占全国粉末涂料生产总量的25,94%,可以看出,目前国内粉末涂料行业仍以中小型涂料企业为主。
粉末涂料使用中的几点质疑材料、能源、信息作为现代人类文明的三大支柱,推动着社会高速发展。
近几十年来,新技术、新材料层出不穷,使得各行业发生了许多革命性的变化,粉末涂料作为最近几十年才发展起来的新型涂装材料,以其优异的性能和环保性,引发了涂装行业的一次革命,自粉末涂料诞生到现在一直处于高速发展阶段。
粉末涂料理论是建立在高分子物理、高分子化学、静电理论等基础上的新学科,在很多方面还不成熟,现有的理论对有些现象还不能充分解释,有些概念还处在不断更新和发展阶段,有的问题还只限于定性讨论。
而在生产和使用领域人们虽然积累了很多经验和技巧,喷涂工艺日趋成熟,但很多方面还存在误区,如何合理选择粉末、正确使用粉末已成为涂装行业的重要课题,本文质在提出一些存在争议或多数人感到模糊的论题,并愿与业界人士共同探讨。
1. 粉末涂料的带电机理静电理论是粉末涂料喷涂的基本理论,按静电产生方式分为电晕枪和摩擦枪。
电晕带电是电晕喷枪喷涂的理论基础,其原理是:利用电极电离空气,然后使附近通过的粉末粒子带电,具体方法是在喷枪的枪管末端设置电极,并加以高压,电极的作用在于使位于枪头附近的空气分子电离成带电离子云,粉末涂料在供粉器内经流化与空气形成混合气粉,通过软管送往喷枪均匀喷出,粉体在经过喷枪头离子云时变会吸取负离子,因而带负电,喷枪与工件之间形成电场和电力线,在库仑力的作用下,带有负电的粉体粒子会被基材(已接地)上的正电所吸引,在压缩空气推力和库仑力作用下,飞向工件,而使粉末粒子附着在基材表面上。
还有一部分学者认为,粉末在喷枪头部并没有带电,而是被极化,变成偶极子,在电场中运动并到达工件表面,偶极子在表面首位相接,致密地吸附在工件上,这种说法的根据是:把喷枪喷出的粉末收集在绝缘的容器内,检测其带电程度,发现粉末并不带电荷。
这种理论对工件接地不能很好地解释。
虽然静电喷涂理论还有很多争议,但是静电喷涂毕竟已经在粉末涂装行业应用了几十年,并且是目前使用最广的喷涂方法,随着人们认识的不断提高,静电理论的不断完善,很多现象可以得到完美的解释。
2. 内在质量与外观涂料涂装的主要目的有两个:装饰和保护,装饰是外在质量,保护是内在质量,内在质量决定外在质量,如果涂层的保护功能都失去了,也就谈不上装饰了。
同时,对不同的工件侧重不一样,如:管道防腐粉末涂料主要强调防腐性,对流平、颜色、光泽要求不严格,而家电、家具等用品则较侧重于装饰性,力求有一个比较漂亮的外观。
而对大部分喷涂的工件,对装饰和保护都同等重要,因为粉末涂料的各种指标之间有着密切关联,如硬度与韧性、附着力与抗冲击性、流平与边角覆盖、施工性与涂装效果等,如果过分强调某一指针,而忽视总体性能指标,则会造成顾此失彼,得不偿失。
1)流平与边角覆盖国内很多生产和使用粉末涂料的厂家往往只注重流平,而忽视边角覆盖,但是据笔者观察,粉末涂层一般的损坏都是从涂装较薄的边角处损坏并开始破坏的,如:冰箱、洗衣机、空调器等家电产品和灯杆、护拦等公用设施,而这种损坏的危险性和对装饰效果的破坏最为严重。
一般来说,边角部位喷涂时虽然能够很好的上粉,但在烘烤过程中随着粉末的熔化,在表面张力的作用下,在边角处产生回缩,致使这个锋利的边角部位厚度非常薄。
水汽很容易从最薄弱边角渗透进去,然后沿着涂膜与基材之间长驱直入,在化学和电化学作用下使基材逐渐锈蚀,形成带有结晶水的铁氧化物,体积膨胀,使涂膜剥离,同时继续往基材深处腐蚀,造成基材断裂。
如果用于高层建筑,将来锈蚀到一定程度,则可能发生断裂和坠落,危害人身安全。
笔者曾经观察户外粉末涂装的器具,如:空调器、钢窗、交通护拦等,发现由于观察者距离较远,涂膜的桔皮、颗粒等基本察觉不到,而由于边角覆盖不好而造成的黄锈则会在表面形成明显的锈迹流痕,非常显眼而且不美观,一般情况下,整个体系粘度越小,流平越好,边角覆盖越差。
我们可以观察国外的粉末涂料一般流平并不见得很好,但是边角覆盖往往非常好,有些人认为外国人喜欢大桔皮表面,其实这是他们根据多年经验总结出的牺牲外在质量提高内在质量的一种做法。
而在其它一些领域,工件没有大的平面,边角较多,如:道路护网、自行车筐、鸡笼鸟笼等制品则须要用热塑性PE粉末涂料涂覆,这种材料具有非常高的分子量,熔融流动性差,所以不会产生边角回缩现象,虽然这种材料热固性粉末涂料附着力比较差,但是由于涂覆后,涂膜是包裹在丝状的工件上,不存在剥离现象,可以得以良好的保护。
2)施工性与涂装效果粉末涂料涂装后的效果很重要,但如果施工性能不好,其涂装后的效果也难以保证,施工性也就是粉末涂料是否好使,包括:上粉率、流化性能、带电均匀性,储存稳定性、对烘烤温度和时间的敏感程度等,这也是粉末涂料内在质量的一个体现,在粉末涂料竞争非常激烈的今天,提高施工性能也是质量竞争的一个方面,片面强调涂装效果而忽视施工性能是不可取的。
3)粉末涂料毒性与MSDS表有关专家指出,中国已加入WTO,国内化工企业要融入全球经济,参与国际竞争,必须熟悉、掌握与国际接轨的法律化、规范化的化学品安全说明书(Material Safety Dara Sheet即MSDS)、化学品安全注意事项商标警语(Warning Label)。
MSDS和Warning Label涉及有关法律、法规、标准(包括书写内容、格式等)条文,是一门规范、系统、严谨,集法规、技术知识(化学、生物、环境、毒理、危险化学评估、审核、职业健康等)为一体的重要规范程序。
国内粉末涂料行业很少编制安全说明书,有出口需要的,由于不了国外相关的法律和技术规范,或缺乏有关的化学品毒性信息,在编制MSDS或Warning Label 时,往往可能提供谬误的信息。
这样,如出口到北美市场,由于不符合所在国的法律、规范要求,往往延误商机.甚至可能遭到法律的诉讼,从而造成无法弥补的损失。
搞好MSDS和Warning Label,将有利于国内产品进入国外市场。
粉末涂料不仅出口需附有MSDS,在国内销售同样也应附有。
据了解,中国境内众多外资企业也在国内购买粉末涂料,但由于国内产品没有MSDS而不予采购,只得舍近求远从境外进口。
毒性大小是粉末涂料的一个内在指标,粉末涂料的选材遵循低毒的原则,但是有些多年习惯使用的材料,如:TGIC、铅铬黄等,它们有刺激性或含重金属,对人体可能造成伤害或潜在危险。
发达国家比较规范,利用法律来限制有毒有害物质的使用,例如对于涂料中重金属铅的含量,北美、欧洲、澳大利亚、新西兰、日本、韩国已经有立法限制,我国、俄罗斯等国家正趋向立法限制,对含铅没有立法限制的只有非洲大部分和南亚小部分地区。
高标准的MSDS和Warning Label 编制与应用,无疑可显示出企业先进的经营理念、高水准的生产和管理水平,从而有助于提升企业在国际市场上的品牌形象。
3.纳米材料的使用“纳米” “纳米材料”是当今材料界很时髦的名词,其实纳米只是一个长度单位,相当于十亿分之一米,纳米技术就是把材料制成1~100个纳米,使之具有非常神奇特性的技术。
经过科学家近二三十年的研究发现,当物质的尺寸变的非常非常小的时候,比如几十个纳米、十几个纳米,甚至几个纳米,由于纳米粒子较小的尺寸、大的比表面积产生的量子效应和表面效应,它会发生并表现出一系列奇特的力学、光、电、磁以及催化、灭菌抑菌等物理化学性质,实际上一个纳米粒子里面只能排三五个原子左右,纳米技术的精髓就是从对原子、分子的精确操纵出发构建具有全新分子全新排列形式的人造结构。
纳米材料有着神奇的功效,例如:提高强度、增强耐热性、抗菌性、耐候性等,纳米材料的有效使用可以彻底改变人们传统的衣、食、住、行习惯。
但是其应用必须是科学和严肃的。
近一段时间国内出现了很多纳米材料生产厂家,推出了所谓“纳米”材料,如填料、颜料、助剂等等,据笔者通过分析测试,大部分市售的所谓“纳米”材料粒子直径多在几微米或几十微米,也就是说几千或几万纳米,根本算不上纳米材料,而厂家宣传的神奇功能根本就不具备,涂层的机械强度、耐候性、耐热性等指标没有明显变化。
所以我们在使用所谓“纳米”材料时一定要认清是不是纳米材料,是不是合理应用,是不是经得起时间的考验。
4.上粉率与喷涂面积有人认为上粉率高,则喷涂面积必然大,这种观点未必全面。
因为上粉率与粉末带电性和粉末粒度有关,指在同样的静电电压、气压、喷涂设备的情况下,粉末吸附在工件上的多少。
而喷涂面积是指单位重量的粉末涂料涂覆的面积,与涂层厚度,粉末比重和利用率有关。
有时由于喷涂人员经验不足,喷涂上粉率高的粉末涂料时,往往喷的较厚,反而觉得喷涂面积小。
5.固化温度、时间与涂装效果粉末涂料本身只是一个半成品,只有经过喷涂、固化后才真正成为最终产品,消费者注重的只是涂料涂装后的效果和质量,也就是说使用粉末涂料与生产粉末涂料同等重要,低质量的粉末,喷涂设备再好、前处理再细致、涂装工艺再严格,也不会生产出高质量的产品;粉末质量再好,喷涂设备、工艺、前处理有问题,同样不会有高质量的产品,而现实情况是国内涂装企业的注意力大多集中在粉末涂料产品本身,有了质量问题只往粉末上找问题,而对涂装施工工艺重视及研究不够,致使大量涂装产品无法达到应有的效果。
每一种粉末涂料都有自己的固化特性曲线,在一定温度和时间范围内可以达到完全固化,为了提高效率、降低成本而违反规律,缩短固化时间的做法是不可取的,如果固化温度或时间不够,则会造成固化不完全,应有的性能发挥不出来,其物理特性会大大下降,耐化学品性也不会好,装饰性、防腐性、耐候性都达不到预期效果。
有的低温固化后的涂层即使完全固化,也没有高温固化后的涂层性能好,特别是固化后成型的一些工件,在冲压、折弯处会形成细小的裂纹,水分会沿着裂纹渗透,并很快使基材腐蚀,我们可以看见户外使用的交通隔栅,在投入使用不久就会在路口的圆弧转弯处出现锈的痕迹,这跟烘烤温度和时间及喷涂后折弯有直接的关系。
有人认为加热温度低一些,反应速度降低,流平可以好一些,其实正好相反,因为粉末喷涂后,其熔化和固化几乎是同时进行的,加热迅速、温度升得快,体系粘度迅速降低,在胶化前已经完成流平过程,这样的板面流平性好,且桔皮物少。
同时涂料对表面可以很好湿润,可改进其附着力,耐久性较好。
由于迅速地固化,膜层内部应力会多些,但由于涂膜较薄,物理特性影响很小。
相反如果加热缓慢,体系粘度总是保持一个较高的水平,这时固化已经开始,随着反应的进行,粘度又在不断升高,流平效果就不会好。
总之,要想很快进行加热以较短时间到达固化温度,可以得到理想的涂装效果和长期保护功能,加热温度低、时间过长的话,则在粉末涂料熔化、流平及湿润被涂物以前就会发生固化作用,则物理性质就不理想。
同时挥发物很难跑掉,从而导致在有腐蚀性条件下,涂层会提前损坏,装饰性和保护性得不到体现。