缺料深入分析报告
- 格式:docx
- 大小:20.15 KB
- 文档页数:1
少料分析报告1. 引言少料(Material Shortage)是指在生产和供应环节中,由于某种原因导致物料供应不足的情况。
少料对企业生产和交付能力产生负面影响,因此需要进行分析和解决。
本报告将对少料的情况进行分析,并提出相应的解决方案。
2. 分析背景2.1 少料发生原因少料的发生原因包括但不限于以下几个方面:1.供应链管理不完善:供应链中的信息传递和协调出现问题,导致物料供应不及时。
2.生产计划不合理:生产计划缺乏准确性和准确性,导致物料的需求预测不准确。
3.物料采购策略不当:物料采购过于保守或过于激进,使得物料供应不足或过剩。
4.供应商不可靠:供应商交付能力差,无法按时提供所需的物料。
5.意外事件:如自然灾害、交通事故等不可预测的事件导致物料供应中断。
2.2 少料影响少料对企业生产和交付能力产生以下影响:1.生产延误:少料导致生产线停工,无法按时完成订单。
2.交付延迟:无法按照客户要求的交付时间完成订单,影响客户满意度。
3.生产成本上升:为了弥补物料的不足,可能需要进行紧急采购,导致成本上升。
4.企业声誉受损:不能按时交付订单可能会影响企业的声誉和客户关系。
3. 少料分析3.1 数据收集在进行少料分析之前,需要收集并分析以下数据:1.物料库存记录:包括物料的当前库存量和历史库存变动情况。
2.供应商交付记录:记录供应商的交付准时率、延误情况等信息。
3.生产计划和需求预测数据:包括实际生产计划和过去的需求预测数据。
3.2 数据分析基于收集到的数据,可以进行以下数据分析:1.物料库存分析:通过分析库存数据,可以了解物料的使用率、供应链的稳定性等指标。
2.供应商分析:对供应商的交付准时率、交付时间等数据进行分析,评估供应商的可靠性。
3.生产计划和需求预测分析:通过对生产计划和需求预测数据的分析,了解计划的合理性和准确性。
4. 解决方案基于少料分析的结果,可以采取以下解决方案来降低少料的风险:1.优化供应链管理:加强与供应商的沟通和协调,提高物料交付的准时率。
产品缺料出错报告模板1. 问题描述- 产品名称:- 问题描述:- 缺料种类:- 缺料数量:- 缺料原因:- 缺料影响:2. 问题处理- 处理人员:- 处理日期:- 处理方法:- 处理结果:3. 问题分析- 问题发现原因:- 缺料原因分析:- 缺料风险评估:- 纠正措施建议:4. 效果评估- 处理后的产品质量:- 缺料解决程度:- 效果评估结果:5. 改进措施- 品质改进方案:- 供应链优化建议:- 仓储管理升级方案:问题描述在生产过程中,出现了产品缺料的问题。
以下是缺料情况的详细描述:- 产品名称:产品A- 问题描述:在生产线上进行组装产品A的时候,发现缺少了部分关键零件,导致无法组装出足够数量的产品。
- 缺料种类:关键零件B和零件C- 缺料数量:零件B缺少100个,零件C缺少50个- 缺料原因:供应商未按时交货,导致生产线上缺料。
- 缺料影响:由于缺料的存在,无法按时交货,影响了客户对我们的信任和满意度。
问题处理针对产品缺料的问题,我们进行了以下处理:- 处理人员:生产部门负责人- 处理日期:2022年10月1日- 处理方法:与供应商联系并催促交货,同时调动其他产品线上的资源进行替代配件的取用。
- 处理结果:经过与供应商的协商和努力,零件B和零件C的缺料状况得到了解决,重新补充了所缺少的数量,确保了生产线的正常运转。
问题分析针对产品缺料问题的发生,我们进行了以下分析:- 问题发现原因:由于生产计划没有提前调整,未能及时察觉到关键零件的缺货情况。
- 缺料原因分析:供应商未能按时履行交货承诺,可能是由于供应链管理不善或者是无法预见到市场需求的变化。
- 缺料风险评估:缺料问题对生产线的稳定性和交货日期带来了很大的风险,同时也对客户的满意度造成了负面影响。
- 纠正措施建议:加强与供应商的沟通和合作,建立供应链稳定性,同时进行效率和质量的持续改进。
效果评估针对问题的处理结果,我们进行了以下评估:- 处理后的产品质量:经过补充零件,产品A的功能和性能得到了保障,质量没有受到明显影响。
产品缺料出错报告1. 引言本文档记录了关于产品缺料出错的报告,包括出错原因、影响范围、解决方案等方面的信息。
通过记录和分析这些问题,我们可以寻找到解决该问题的最佳方案,并提供优质的产品和服务。
2. 问题描述在过去的几个月中,我们公司的产品出现了频繁的缺料现象,给我们的生产工作带来了很大的困扰。
这些缺料现象包括但不限于以下几个方面:2.1 原材料缺失在生产过程中,我们经常发现原材料的缺失现象。
这些原材料包括A型材料、B型材料和C型材料。
缺失这些原材料会导致生产停滞,影响我们的产品交付周期。
我们怀疑这可能是供应链管理出现问题导致的。
2.2 零部件不足我们公司的产品由多个零部件组成,而目前我们经常遇到某些零部件不足的情况。
这使得我们无法按时组装产品,导致延误交付时间,并给客户带来困扰。
我们需要进一步分析这些零部件不足的原因。
2.3 人工操作出错除了原材料和零部件缺失现象外,我们还发现在生产过程中有时出现人工操作错误的情况。
这些错误可能包括零部件装配错误、工序操作步骤错误等。
这些错误无疑会影响产品的质量,降低客户的满意度。
3. 影响范围产品缺料和出错对我们公司的运营和声誉产生了重大影响。
以下是该问题的一些主要影响范围:3.1 生产计划延误产品缺料和出错严重影响了我们的生产计划。
这导致我们无法按时交付产品,给客户带来不便。
3.2 客户满意度下降产品缺料和出错导致产品质量下降,延误交付时间,给客户留下了不好的印象。
这会降低客户对我们公司的满意度,可能导致客户流失。
3.3 成本增加产品缺料和出错需要我们投入额外的成本进行补救。
这包括加急采购原材料、生产线停产的损失和零部件再制造的成本,对公司财务状况造成了负面影响。
4. 根本原因分析为了解决产品缺料和出错问题,我们需要进行根本原因分析。
下面列出了可能导致这些问题的一些主要原因:4.1 供应链管理不畅供应链管理对于我们公司的产品供应至关重要。
如果供应链管理不畅,原材料和零部件的供应将受到限制,导致缺料。
一、检讨背景近日,在注塑生产过程中,我发现部分产品出现了缺料现象,严重影响了产品质量和客户满意度。
为深刻剖析缺料原因,制定有效措施,现将此次缺料事件进行检讨。
二、缺料原因分析1. 操作人员因素(1)操作人员对注塑工艺参数掌握不够熟练,导致注射速度、压力、温度等参数设置不合理。
(2)操作人员对设备检查维护不到位,未及时发现并排除潜在隐患。
2. 设备因素(1)注塑机性能不稳定,如射料缸、螺杆、液压系统等部件存在磨损、老化现象。
(2)模具设计不合理,如浇注系统、冷却系统、排气系统等存在缺陷。
3. 原材料因素(1)原材料质量不稳定,如熔融指数、密度等参数波动较大。
(2)原材料存放不当,导致吸湿、结块、氧化等问题。
4. 生产环境因素(1)车间温度、湿度控制不稳定,影响塑料熔融和成型。
(2)车间清洁度不高,导致异物进入模具和产品表面。
三、改进措施1. 加强操作人员培训(1)组织操作人员进行注塑工艺参数设置、设备操作、故障排除等方面的培训。
(2)要求操作人员熟练掌握注塑机性能和模具结构,提高操作技能。
2. 优化设备维护保养(1)制定设备维护保养计划,定期检查、更换磨损部件。
(2)加强对设备运行状态的监控,及时发现并排除隐患。
3. 严格控制原材料质量(1)加强原材料采购、检验、储存等环节的管理,确保原材料质量稳定。
(2)对原材料进行分类存放,避免吸湿、结块、氧化等问题。
4. 改进生产环境(1)加强车间温度、湿度控制,确保塑料熔融和成型效果。
(2)提高车间清洁度,定期清理模具和产品表面异物。
5. 制定应急预案(1)针对缺料现象,制定应急预案,确保生产连续性。
(2)加强与其他部门的沟通协作,提高应对突发事件的能力。
四、总结此次注塑缺料事件,暴露出我们在生产管理、设备维护、原材料控制等方面存在的问题。
通过此次检讨,我们将认真分析原因,采取有效措施,加强生产管理,提高产品质量,为客户提供优质的产品和服务。
缺料应对报告模板范文一、缺料情况概述缺料是指在生产过程中所需要的原材料、零部件或商品无法及时供应的情况。
在本报告中,我们将就缺料情况展开分析,并提出相应的应对措施。
二、缺料原因分析1. 供应商问题在对缺料原因进行分析时,我们首先需要考虑供应商问题。
供应商可能由于生产能力不足、订单超出预期等原因无法及时供应所需材料或零部件。
2. 采购管理问题采购管理问题也是导致缺料的常见原因之一。
例如,采购员在订购材料时没有考虑到生产计划的变化,或者没有进行足够的业务调研和供应商评估。
3. 生产计划问题生产计划的不合理也是导致缺料的重要原因。
如果生产计划制定不准确或者没有及时调整,就容易出现缺料的情况。
4. 外部环境因素当然,外部环境因素也可能影响到供应链的正常运作,从而导致缺料。
例如,交通运输问题、政策调整、自然灾害等。
三、应对措施建议1. 多渠道寻找备选供应商针对供应商问题,我们建议在平时的采购工作中,建立多个备选供应商,并进行评估和排名。
当主要供应商出现问题时,可以及时切换至备选供应商,从而避免缺料的情况。
2. 加强采购管理为了解决采购管理问题,我们建议采购员在订购材料前,应充分了解生产计划和业务需求,确保订购数量和交货周期准确无误。
此外,采购员还应加强与供应商的沟通和合作,建立长期稳定的合作关系。
3. 完善生产计划调整机制为了避免因生产计划不合理而导致的缺料问题,我们建议建立灵活的生产计划调整机制。
在面对订单变化或其他突发情况时,及时调整生产计划,确保所需材料的准时供应。
4. 建立风险管理机制为了应对外部环境因素造成的不可抗力,我们建议建立风险管理机制。
例如,可以与物流公司建立合作关系,保障正常物流运输;同时,及时关注政策变化和天气预警,做好应对准备。
四、总结综上所述,缺料问题对于生产运营是一个重要的挑战。
通过分析缺料原因并提出合理的应对措施,我们可以有效地应对缺料问题,保障生产计划的顺利进行。
我们希望以上建议能够为公司的供应链管理提供一定的参考,并且通过我们的努力,缺料问题能够得到进一步的改善。
物料欠缺报告1. 引言本报告旨在分析当前项目中存在的物料欠缺问题,并提供解决方案。
物料欠缺可能会导致项目进度延迟、成本增加和客户满意度下降,因此及时解决这个问题对项目的顺利进行至关重要。
2. 问题分析2.1 物料欠缺的原因根据我们的调查和分析,物料欠缺的主要原因有以下几点:- 供应商延迟交货:部分供应商未能按时交付所需物料,导致项目进度延迟。
- 需求预测不准确:过去的销售数据和市场需求分析不够精确,导致我们无法准确预测所需物料的数量。
-采购流程繁琐:采购流程存在繁琐的审批程序和缓慢的供应链,导致物料采购周期较长。
2.2 物料欠缺的影响物料欠缺对项目的影响主要体现在以下几个方面: - 项目进度延迟:缺少所需物料会导致生产线停滞,延长项目交付时间。
- 成本增加:由于物料欠缺,我们不得不以更高的价格从其他渠道采购物料,增加了成本开支。
- 客户满意度下降:项目延期和交付不及时会对客户的满意度产生负面影响,有可能导致客户流失。
3. 解决方案为了解决物料欠缺问题,我们提出以下解决方案: ### 3.1 与供应商合作与供应商建立更紧密的合作关系,确保他们能按时交付物料。
具体措施包括: - 定期与供应商沟通,及时了解他们的生产和交货进度。
- 进行供应商评估,评估其交付能力和质量保证体系。
- 签订长期合作协议,以获得更好的交货优先权和价格优惠。
3.2 改进需求预测改进需求预测的准确性,以便更好地规划物料采购。
具体措施包括: - 收集和分析历史销售数据,以了解市场需求的趋势和季节性变化。
- 加强市场调研,了解竞争对手的动态和客户需求的变化。
- 使用先进的预测模型和算法,结合市场数据和内部销售数据,提高需求预测的准确性。
3.3 简化采购流程简化采购流程,减少审批环节和提高采购效率。
具体措施包括: - 优化采购流程,减少不必要的审批环节和文件传递。
- 引入电子采购系统,实现在线下单和自动化审批。
- 与供应商建立良好的合作关系,以便能够更快地响应和处理采购需求。
缺料分析报告1. 背景介绍缺料是在供应链管理中常见的问题,它通常会导致生产线停工、订单延迟等诸多负面影响。
因此,对于缺料进行及时的分析和解决是至关重要的。
本报告旨在对某公司的缺料情况进行分析,并提出相应的解决方案。
2. 缺料现状分析2.1 缺料情况统计根据最近六个月的统计数据,下表展示了不同产品类别的缺料次数和缺料原因的占比情况。
产品类别缺料次数缺料原因占比A 5 40%B 10 60%C 3 30%D 8 70%从表中可以看出,在过去六个月内,B类产品的缺料次数最多,达到了10次,占总缺料次数的60%。
2.2 缺料原因分析通过对缺料原因的统计,我们可以得出以下结论:•产品A的缺料主要原因是供应商延误和生产计划调整不及时。
•产品B的缺料主要原因是原材料供应不足和库存管理不当。
•产品C的缺料主要原因是生产工艺问题和机器故障。
•产品D的缺料主要原因是供应商质量问题和运输延误。
3. 解决方案针对不同的缺料原因,我们提出了以下解决方案:3.1 加强供应商管理针对供应商延误和供应商质量问题导致的缺料,可以采取以下措施:•定期与供应商沟通,了解供货情况,并要求供应商提供准确的交货时间。
•按交货时间安排生产计划,并与供应商核对,确保供货准时,避免生产线停产。
•对供应商的质量管理进行审核和评估,并与供应商共同制定质量改进计划。
3.2 完善库存管理针对原材料供应不足和库存管理不当导致的缺料,可以采取以下措施:•建立完善的库存管理系统,实时掌握库存情况和原材料的采购情况。
•根据历史数据和需求趋势进行准确的库存预测,并及时采购原材料,避免库存不足。
•设定合理的最小库存量和安全库存水平,以确保生产连续性。
3.3 加强生产工艺控制针对生产工艺问题和机器故障导致的缺料,可以采取以下措施:•对生产工艺进行优化,确保生产流程的合理性和高效性,避免产生不必要的停机时间。
•提高设备的维护保养水平,定期检查设备运行状况,并及时进行维修和更换配件,提高设备可靠性。
装配线缺料的深度解析与对策以装配线缺料的深度解析与对策为题,我们来探讨装配线缺料问题的原因、影响以及解决对策。
缺料是指在生产过程中所需的零部件或原材料无法及时供应,导致产线无法正常运行或产出不达预期。
这不仅会延误生产进度,还会增加生产成本,降低客户满意度。
因此,解决装配线缺料问题对于企业的运营和发展至关重要。
我们来分析装配线缺料的原因。
缺料问题可能源自供应链管理不善、物料管理不规范、生产计划不合理、采购流程不畅等多个方面。
供应链管理不善可能表现为供应商选择不当、供应商交付延迟、供应商信用风险等问题,导致物料供应不稳定。
物料管理不规范可能导致库存管理混乱、物料丢失或损坏等情况,无法满足生产需求。
生产计划不合理可能导致对物料需求的估计不准确,进而导致物料供应不足。
采购流程不畅可能导致采购周期长,无法及时补充物料。
然后,我们来分析装配线缺料问题对企业产生的影响。
首先,缺料会导致生产计划的延误,进而影响交货时间和客户满意度。
如果无法按时交付客户订单,将严重影响企业的声誉和市场竞争力。
其次,缺料会增加企业的生产成本。
当产线停滞时,企业需要支付员工工资、设备折旧等固定成本,但无法产出可销售产品,从而造成生产效率低下和成本上升。
此外,缺料还会导致生产线停机维修的频率增加,增加了维修成本和设备故障风险。
针对装配线缺料问题,我们可以采取以下对策来解决。
首先,优化供应链管理,建立稳定的供应商合作关系,确保物料的及时交付。
可以通过与供应商签订长期合作协议、共享销售数据等方式来提高供应链的可靠性。
其次,加强物料管理,建立规范的库存管理制度,确保物料的准确记录和及时补充。
可以采用先进的物料管理系统,实现物料的自动化管理和监控。
再次,优化生产计划,准确预估物料需求,避免过度或不足的情况发生。
可以使用先进的生产计划系统,结合数据分析和市场需求预测,提高生产计划的准确性和灵活性。
最后,优化采购流程,缩短采购周期,提高物料供应的及时性。
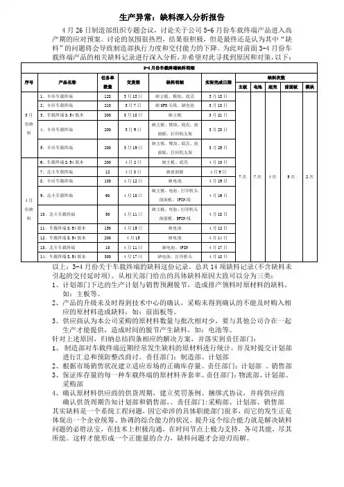
生产异常:缺料深入分析报告4月26日制造部组织专题会议,讨论关于公司5-6月份车载终端产品进入高产期的应对预案。
讨论的氛围很热烈,结果很积极,但是最终还是认为其中“缺料”的问题将会导致制造部执行力度和交付能力的下降。
为此对前面3-4月份车引起的交付延时项)。
从相关部门给出的具体缺料原因大致可以分为三类:1、计划部门下达的生产计划与销售预测脱节,造成排产领料时原材料的缺料,如:主板等。
2、产品的升级未及时得到技术中心的确认,采购未得到确认的不能及时购入相应的原材料造成缺料,如:前面板等。
3、供应商认为本公司采购的原材料数量与批次相对少,要与其他公司合在一起生产才能提供,造成时间的脱节产生缺料,如:电池等。
针对上述原因,归纳总结四条相应的解决方案,并落实到责任部门:1、制造部对车载终端近期经常发生缺料的原材料进行统计,并及时提交计划部进行汇总和预防整改商讨。
责任部门:制造部、计划部2、根据市场销售状况建立适应市场的正确库存量。
责任部门:计划部、销售部3、保证库存量的每一种车载终端的原材料齐套率。
责任部门:物流部、计划部、采购部4、确认原材料供应商的供货周期,建立奖罚条例、捆绑式协议,并将供应商确认供货周期告知计划部和销售部,。
责任部门:采购部、计划部、销售部其实缺料是一个系统工程问题,因它牵涉的具体职能部门很多,而它的发生正是体现出一个企业统筹、协调的综合能力的状况。
提升这个综合能力就是解决缺料问题的必胜法宝,在技术上积极沟通,在时间节点上极力支持,各司其能,尽其所能。
这样才能形成一个正能量的合力,缺料问题才会迎刃而解。
工程施工缺材料报告尊敬的领导:我方承接的××工程项目位于××市××区,工程开工后,由于个别原因,目前工程施工中存在一定数量的缺料情况,特向领导请示报告,并提出解决方案,以便顺利推进工程进度,保质保量完成工程任务。
一、缺料情况分析1. 混凝土:随着施工的推进,所需混凝土用量逐渐增加,由于运输、浇筑等原因,目前施工现场混凝土储备不足。
2. 钢材:工程所需钢材用量较大,但供应商交货速度慢,且随着市场价格波动,我方储备的钢材数量已经不足以支撑工程进度。
3. 电缆:由于工程需要大量的电缆进行电气布线,但由于未能提前预定,导致目前电缆用量不足。
4. 砖瓦:部分施工需要用到的砖瓦料尚未到货,影响了施工的正常进行。
5. 沙石:部分施工单位所需的沙石料也存在数量不足的情况,影响了施工的顺利进行。
二、解决方案1. 混凝土:联系混凝土供应商,加大订购数量,尽快保障施工现场的混凝土供应,确保施工进度。
2. 钢材:与供应商协商,在原有的基础上适当增加采购数量,优先处理我方需求,并严格控制库存,避免浪费。
3. 电缆:即刻与电缆供应商联系,尽快订购所需数量的电缆,并催促加急送货,确保施工进度。
4. 砖瓦:与砖瓦供应商联系,要求优先发货,以缩短等待时间,确保施工不受影响。
5. 沙石:加强与沙石供应商的沟通,提前预定所需数量的沙石,确保施工进度不受阻碍。
三、保障措施1. 建立健全材料供应及库存管理制度,确保材料采购及使用的准确性和实时性。
2. 加强与供应商的合作,建立长期稳定的合作关系,为今后工程施工提供更好的保障。
3. 各施工单位要加强沟通协调,做好材料需求的统一计划,并及时反馈给采购部门,以便做好物资调度和库存管理。
根据以上情况及解决方案,我方将会积极采取措施,尽快解决工程施工缺料问题,保证工程进度和质量。
同时,我方诚恳希望领导审核并支持,共同努力,顺利完成工程任务。
产品缺件问题分析报告近期,我公司的某款产品出现了缺件问题,影响了正常的生产和交付进度。
为了解决这个问题,我进行了相关的调查和分析,并整理了以下报告,旨在提供解决方案。
问题描述:最近,我们发现某款产品在生产过程中出现了缺件的情况。
这些缺件不仅影响了生产进度,还给交付客户带来了延误和不满意的情况。
经过初步排查,我们发现这个问题主要集中在组装线上,并且涉及的零部件有多个。
问题分析:1. 缺料情况:根据生产记录和员工反馈,我们发现在组装过程中出现了定期所需的几个关键零件的缺失,包括螺母、螺栓和密封圈等。
这些零件的缺失导致了产品组装的延迟和无法完成。
2. 供应链问题:通过与供应链部门的沟通,我们发现这些缺件主要是由于供应商方面的原因造成的。
供应商在耗材采购和库存管理方面存在不足,导致我们在及时获取所需零部件时出现了困难。
解决方案:1. 加强供应链管理:与供应商密切合作,确保及时的零件供应。
与供应商协商并建立稳定的供货合同,包括指定最短交货期和准确的库存信息。
同时,加强对供应商库存管理的监督和审核,以确保供应链的稳定和可靠性。
2. 提升库存管理效率:通过优化库存管理流程,确保定期进行库存盘点和预测,避免因为库存不足而出现生产延误的情况。
同时,建立一个合理的库存预警机制,在库存低于安全库存量时及时采购补充。
3. 定期进行供应商评估:建立一个定期的供应商绩效评估机制,包括对供应商的交货及时性、产品质量和服务态度等方面进行评估。
根据评估结果,及时与供应商沟通并提出改进要求,以提高供应商的整体表现。
4. 加强内部沟通与协作:加强组装线与采购部门、供应链部门之间的沟通与协作,及时共享产品需求和供应信息,避免因为沟通不畅而导致的缺件问题。
5. 做好客户沟通与服务:对于已经受影响的客户,我们要及时沟通并解释缺件问题的原因,并提供合理的解决方案,以尽快满足客户需求并恢复客户对我们产品的信任。
结论:缺件问题对我们的产品生产和交付产生了一定的影响,在解决这个问题的过程中,我们应加强供应链管理、库存管理和内部协作等方面的工作。
材料短缺整改报告背景介绍:材料短缺是指企业在生产运营过程中所需要的原材料或资源供应不足而导致生产能力受到限制,进而影响企业的生产进度、产品质量和市场竞争力。
为了解决材料短缺问题,我们对我司在此方面的整改情况进行了调查和分析,并制定了相应的整改措施。
本报告将详细介绍调查结果以及整改措施的制定和实施情况。
调查结果:通过对我司的生产流程和原材料供应链的分析,发现存在以下几个主要问题导致材料短缺的发生:1. 供应商关系不稳定:部分供应商在原材料交付上存在延误或者供应不稳定的问题,导致我们的生产计划无法按时执行。
2. 采购计划不合理:我司的采购计划存在一定程度的不合理性,没有充分考虑市场需求和供应链的变化,导致我们经常出现原材料库存短缺的情况。
3. 生产过程中的浪费:在生产过程中存在一定的材料浪费现象,包括材料使用过量、废品率高等问题,导致我们的原材料消耗速度加快,直接导致短缺的发生。
整改措施:针对以上问题,我司制定了以下整改措施:1. 供应商管理优化:优化供应商组合,与稳定可靠的供应商建立战略合作关系,签订长期合作协议,确保材料供应的稳定性。
2. 采购计划优化:建立科学合理的采购计划,根据市场需求和供应链情况进行调整,注重预测和预警,避免出现库存短缺的情况。
3. 生产过程优化:通过流程优化和技术改进,减少材料浪费和废品率,提高材料利用率,降低材料消耗速度,延长材料供应周期。
实施情况:我们已经开始逐步实施以上整改措施,并取得了一定的成效。
具体实施情况如下:1. 供应商管理优化:与多家稳定供应商签订了长期合作协议,并建立了供应商绩效评估体系,对供应商的供货能力和交付准时性进行定期评估和管理。
2. 采购计划优化:建立了一个专业的采购团队,负责市场调研和供需情况的跟踪分析,及时调整采购计划,确保供应链的稳定性。
3. 生产过程优化:通过改进工艺流程,引入自动化设备和先进的生产技术,降低了材料浪费和废品率,提高了生产效率和材料利用率。
硅胶产品缺料改善报告案例引言硅胶产品作为一种重要的材料,广泛应用于医疗、电子、汽车等众多领域。
然而,在生产过程中,我们发现硅胶产品经常出现缺料的情况,这不仅影响了我们的生产进度,也给客户的交付时间带来了延误。
因此,我们决定制定一份硅胶产品缺料改善报告,通过分析问题的原因,采取相应措施,以期能够解决这一问题,提高生产效率和客户满意度。
问题概述在过去的一年中,我们的生产线频繁出现硅胶产品缺料的情况。
这不仅给我们带来了困扰,也给我们的客户带来了不便和不满。
经过初步调查,我们总结了以下问题:1. 很多硅胶产品的生产计划都受到了延误,因为原材料供应商无法按时提供足够数量的硅胶原料。
2. 由于原材料供应不稳定,我们经常需要调整生产计划,从而导致了额外的人力和时间成本。
3. 硅胶产品的缺料不仅仅影响了我们的生产进度,也对我们的客户交付时间造成了延误,降低了客户满意度。
分析原因为了解决硅胶产品缺料的问题,我们进行了深入的原因分析,并得出以下结论:1. 原材料供应商的生产能力不足是导致硅胶产品缺料的主要原因。
供应商无法按时提供足够的硅胶原料,这导致了我们的生产计划延误。
2. 原材料供应链的延误也是一个问题。
由于长期合作的供应商延迟了交货时间,我们无法按计划进行生产。
3. 生产计划不够灵活也是导致硅胶产品缺料的一个因素。
我们的生产计划通常是固定的,缺少灵活性,无法及时应对原材料供应不稳定的情况。
4. 缺乏及时的信息反馈机制。
我们缺乏与供应商的有效沟通渠道,无法及时了解原材料供应情况,从而无法采取及时的措施。
解决方案为了解决硅胶产品缺料问题,我们制定了以下改进方案:1. 寻找备用供应商:我们将开始寻找备用供应商,并与他们建立良好的沟通关系,以便在主要供应商无法满足需求时,能够及时获取所需的硅胶原料。
2. 优化供应链管理:我们将与主要供应商明确交货时间,并要求他们提供即时物流信息。
同时,我们还将寻找更加可靠的供应商,以降低供应链延误的风险。
物料短缺报告第一篇:物料短缺报告关于物料短缺的报告经过认真的查实,出现本次物料短缺的主要原因有以下几点:垫母卷的圆盘:1、没有物料库存记录(仓库)2、没有定期或不定期的物料盘点机制(厂办)3、物料领用者没有养成提前报告紧缺的习惯(生产)纸箱和薄膜:1、在物料品种上,时间上计划不合理(计划员)2、人为疏忽,使得计划出现异常(计划员)3、催办不到位(计划员和采购员)4、业务紧急插单(销售)5、审批程序繁琐(制度)6、供应商单一(采购)通过此次事故,我总结以后的工作经验如下:1、物料计划员不合理,或有误2、计划员和采购员追办不到位3、紧急订单(计划外订单生产)4、供应商脱期,不能按计划交货5、超出预算的损耗6、产品设计临时改变7、库存没有记录或记录不正确8、物料存在质量问题9、资金流转问题10、审批程序过于繁琐11、其它突发事件应对措施:1、了解物料现在及将来的供应情况。
企业应该向供应商了解一段时期备料的情况,尤其是备料的进度表。
2、了解现在以及将来的需求情况,库存记录必须正确和及时。
3、根据物料情况安排生产,经常检查调整。
4、定期审查每个物料的供求情况,采取适当行动。
5、与其他部门紧密联系,尽早察觉变动。
6、培训员工。
企业要把制度流程细节化,同时要对员工进行培训,使员工的能力适应制度流程细节化的要求。
部门职责;1、生产计划部门:生产计划制定不合理,经常变更生产计划。
2、采购部门:在采购部门,采购人员缺乏应有的责任、供应商延误交货都可能造成物料供应不力。
此外,采购部门采购渠道不足,或者价格太低造成供应商服务差都可能造成物料供应不足。
3、物料控制部门:物料控制部门的失误导致物料供应不足主要表现在三个方面:物料计划不合理;未设定合理的安全存量;对物料进度没有进行有效控制。
4、货仓部门:货仓部门的账物不一致、盘点不准确以及财务工作效率低都可能导致物料供应不足。
5、品管部门:如果物料供应不足的源头在品管部门,那么品管部门有可能没有建立检验规范、进货检验疏忽或验收效率低下。
物资缺乏调研报告物资缺乏调研报告一、调研目的:本次调研的目的是了解当前社会上普遍关注的物资缺乏问题,并对其影响原因和解决方案进行深入研究和分析,以提供相关决策参考。
二、调研方法:本次调研采用了问卷调查和实地访谈的方式进行,通过对一定数量的受访者进行有针对性的提问,收集了关于物资缺乏的实际情况和看法。
三、调研结果:1.物资缺乏的普遍现象:调研结果显示,物资缺乏在当前社会是一个较为普遍的现象,主要表现在以下几个方面:食品短缺、医疗资源不足、教育资源紧缺等。
其中,食品短缺是最为突出的问题,许多家庭每天的饮食都无法得到足够的保障。
2.物资缺乏的原因分析:通过问卷调查和实地访谈,我们了解到物资缺乏的原因主要有以下几点:资源分配不公,一些地区或群体得到的支持和帮助较少;不合理的政策导致资源无法有效利用;市场机制不完善,导致物资供应和需求失衡;存在浪费现象,部分物资未能得到充分利用等。
3.缓解物资缺乏的对策:针对物资缺乏问题,我们提出了以下几点缓解对策:加强政府的调控和引导作用,确保资源的有效配置;建立强有力的市场监管机制,防止物资浪费和资源浪费的现象;提高社会资源利用的效率,鼓励各个社会主体参与到物资分配中来。
四、调研结论:通过本次调研,我们认识到物资缺乏问题的严重性和影响力。
为了解决这一问题,我们建议政府加大对物资供应的投入力度,加强政策的制定和执行,加强监管,打击资源浪费,提高资源利用效率。
同时,还需要组织各方力量,共同参与到解决物资缺乏问题中来,形成合力,为社会提供更好的物资保障。
五、建议与展望:鉴于物资缺乏问题的复杂性和长期性,我们建议相关部门和研究机构进一步加强研究工作,通过不断推进科技创新和改革创新,加大物资供应的力度。
同时,社会大众也应当增强社会责任感,通过分配和利用资源更加公平合理,为缓解物资缺乏问题做出积极贡献。
只有共同努力,我们才能创造一个更加公平和谐的社会。
生产异常:缺料深入分析报告
4月26日制造部组织专题会议,讨论关于公司5-6月份车载终端产品进入高产期的应对预案。
讨论的氛围很热烈,结果很积极,但是最终还是认为其中“缺料”的问题将会导致制造部执行力度和交付能力的下降。
为此对前面3-4月份车
引起的交付延时项)。
从相关部门给出的具体缺料原因大致可以分为三类:
1、计划部门下达的生产计划与销售预测脱节,造成排产领料时原材料的缺料,
如:主板等。
2、产品的升级未及时得到技术中心的确认,采购未得到确认的不能及时购入相
应的原材料造成缺料,如:前面板等。
3、供应商认为本公司采购的原材料数量与批次相对少,要与其他公司合在一起
生产才能提供,造成时间的脱节产生缺料,如:电池等。
针对上述原因,归纳总结四条相应的解决方案,并落实到责任部门:
1、制造部对车载终端近期经常发生缺料的原材料进行统计,并及时提交计划部
进行汇总和预防整改商讨。
责任部门:制造部、计划部
2、根据市场销售状况建立适应市场的正确库存量。
责任部门:计划部、销售部
3、保证库存量的每一种车载终端的原材料齐套率。
责任部门:物流部、计划部、
采购部
4、确认原材料供应商的供货周期,建立奖罚条例、捆绑式协议,并将供应商
确认供货周期告知计划部和销售部,。
责任部门:采购部、计划部、销售部其实缺料是一个系统工程问题,因它牵涉的具体职能部门很多,而它的发生正是体现出一个企业统筹、协调的综合能力的状况。
提升这个综合能力就是解决缺料问题的必胜法宝,在技术上积极沟通,在时间节点上极力支持,各司其能,尽其所能。
这样才能形成一个正能量的合力,缺料问题才会迎刃而解。