水运工程施工质量检查表
- 格式:doc
- 大小:204.50 KB
- 文档页数:23
水运工程工程安然督查查抄表〔建设单元专用〕工程名称:标段号:
建设单元:查抄时间:
注:1.“▲〞〞为强制抽查工程,不符合那么为零分;
2.每项最多扣减至0分。
水运工程工程安然督查查抄表〔监理单元专用〕工程名称:标段号:
监理单元:查抄时间:
注:1.“▲〞为强制抽查工程,不符合那么为零分;
2.每项最多扣减至0分。
水运工程工程安然督查查抄表〔施工单元内业专用〕工程名称:标段号:
施工单元:查抄时间:
2.每项最多扣减至0分;
水运工程工程安然督查查抄表〔施工单元外业专用〕工程名称:标段号:
施工单元:查抄时间:
工程名称:标段号:施工单元:查抄时间:
注:1.“▲〞为强制抽查工程,不符合那么为零分。
2.每项最多扣减至0分;。
水运工程项目质量安全管理行为督查表(建设单位)项目名称:建设单位:抽查时间:督查督查抽查得扣分内容内容指标项资料分正式印发的制度未制定质量、安全相关管理制度扣10分,制度不符合有关规定、合同要求及工程实际,内容不全或错误,审制度文件 ( )批不规范,执行不到位,未及时更新,资料未反映,发现一项扣2分;(10分)管理体系质量、安全责任未开展质量责任登记工作,登记内容不符合工程实际,或流于形式,发现一项扣3分;( ) (25)书及责任考核相( )未与施工、监理单位签订年度质量、安全责任合同,发现一项扣3分;职责落实关文件. ()各部门或各层级管理人员签订年度安全生产责任书内容不全或错误,考核流于形式,发现一项扣2分;(10分) 岗位职责划分不清,岗位职责不落实,发现一项扣2分;()施工许可、质量已开工,施工许可手续,质量监督手续;施工图审查滞后(滞后6个月以上),发现一项扣5分;()监督手续、施工已开工,未开展安全生产条件核查并备案扣10分,核查或备案滞后,内容不符合有关规定或工程实际,未及基础图审查、安全生时纠正,发现一项扣5分;()条件产条件资料;预未及时编制项目应急预案扣10分,应急预案不符合有关规定或工程实际,内容不全或有错误,针对性或可操(25分)案、演练文件作性不强,未及时更新,发现一项扣5分;( ) 保障条件未组织应急演练,演练针对性不强,组织不规范,记录不具体,改进不及时,发现一项扣2分;()(45分) 未合理设置质量安全管理目标扣10分,合同中无质量、安全合同条款扣10分,条款不符合有关规定或工程实合同;有关文件际扣5分,条款内容不全面或错误,发现一项扣2分;( ) 合同管理工程前期准备不足致延缓开工,或无相应措施,压缩工期6个月及以上,扣10分,压缩工期3-6月,扣7分;(20分)压缩工期3个月以内,扣5分对交通运输主管部门、质量安全监管机构检查出的质量安全问题未及时督促整改,发现一项扣10分;()交通运输主管部质量质量门、质量安全监未对项目重大隐患挂牌督办,挂牌督办执行不到位,排查治理工作效果不明显,发现一项扣5分;( ) 安全安全管机构相关文件管理管理未开展信用评价或平安工地考核评价工作,不符合规定或工程实际,评价流于形式,发现一项扣5分;()(30)(30) 未按合同约定和有关规定处理相关责任单位、责任人,发现一项扣5分;( ) 得分: (=各管理行为抽查指标项评分的加权平均值)注: 1、督查采用扣分制,各抽查指标项可在规定分值内扣分。
表B.0.0.1注:①对于不划分检验批的分项工程,可直接采用本表。
②对于实测数据较多的项目,可附施工综合记录(基槽开挖)检验批质量检验记录表表B.0.0.1注:①对于不划分检验批的分项工程,可直接采用本表。
②对于实测数据较多的项目,可附施工综合记录(土石方回填)检验批质量检验记录表表B.0.0.1注:①对于不划分检验批的分项工程,可直接采用本表。
②对于实测数据较多的项目,可附施工综合记录注:①对于不划分检验批的分项工程,可直接采用本表。
②对于实测数据较多的项目,可附施工综合记录注:①对于不划分检验批的分项工程,可直接采用本表。
②对于实测数据较多的项目,可附施工综合记录(填砂挤淤)检验批质量检验记录表表B.0.0.1注:①对于不划分检验批的分项工程,可直接采用本表。
②对于实测数据较多的项目,可附施工综合记录(抛石基础)检验批质量检验记录表表B.0.0.1注:①对于不划分检验批的分项工程,可直接采用本表。
②对于实测数据较多的项目,可附施工综合记录(现浇混凝土基础)检验批质量检验记录表表B.0.0.1注:①对于不划分检验批的分项工程,可直接采用本表。
②对于实测数据较多的项目,可附施工综合记录(散抛石压载软体排缝制)检验批质量检验记录表表B.0.0.1注:① L为软体排幅长,单位mm;② B为软体排幅宽,单位mm。
(散抛石压载软体排铺设)检验批质量检验记录表表B.0.0.1注:①B为设计搭接宽度,单位mm;②搭接宽度不得小于1000mm。
(系结压载软体排(护底)缝制)检验批质量检验记录表表B.0.0.1注:① L1为软体排幅长,B为软体排幅宽,L2为充填袋或砂肋长度。
单位mm;(系结压载软体排(护底)铺设)检验批质量检验记录表表B.0.0.1注: B为设计搭接宽度,单位mm。
(铺石压载软体排(护滩)缝制)检验批质量检验记录表表B.0.0.1注:① L为软体排幅长,单位mm;② B为软体排幅宽,单位mm。
(钢筋工程)检验记录表(模板工程)检验批质量检验记录表表B.0.0.1(x)表B.0.0.3(x)注:①单位工程观感质量评价应在单位工程完工后及时进行,并应由质量监督机构组织建设、监理和施工B、观察范围未发现明显表面缺陷;C、抽查部位测点的偏差未超过规定的允许偏差值。
④观感质量评价为二级的项目应满足下列要求:A、外观质量总体较好;B、观察范围有少量一般表面缺陷,但不需进行修补;C、抽查部位虽有少量测点的偏差超过规定的允许偏差值,但未超过允许偏差值的1.5倍或者超过允许偏差值的测点个数未超过总测点数量的20%。
⑤观感质量评价为三级的项目应满足下列要求:A、外观质量总体一般;B、观察范围有较多一般表面缺陷或有较多修补痕迹,但不需要进行重新修补;C、抽查部位的偏差超过允许偏差值的1.5倍,或者超过允许偏差值的测点个数超过总测点数量的20%,但不影响工程的正常使用。
⑥对于存在严重表面缺陷或有影响工程正常使用偏差的项目不得通过观感质量评价。
经按技术处理方案处理符合要求后的项目,可重新评为三级。
工程测量控制点验收记录表K.2.0.2-1(x)施工单位:验收日期:年月日施工测量基线和水准点验收记录表K.2.0.2-2(x)施工单位:验收日期:年月日材料汇总表(通用)表K.3.0.3-1汇总单位:审核:制表:年月日原材料(构配件)进场验收记录(通用)表K.3.0.3-2(x)水泥出厂质量证明和检验报告汇总表表K.4.0.1-1汇总单位:审核:制表:年月日水泥检验报告表K.4.0.1-2 报告编号:试验单位(盖章):批准:审核:试验:混凝土用砂检验报告表K.4.0.2-1 报告编号:试验单位(盖章):批准:审核:试验:碎石(卵石)检验报告表K.4.0.2-2报告编号:试验单位(盖章):批准:审核:试验:减水剂检验报告表K.4.0.3-1报告编号:试验单位(盖章):批准:审核:试验:泵送剂检验报告表K.4.0.3-2 报告编号:试验单位(盖章):批准:审核:试验:粉煤灰检验报告表K.4.0.4报告编号:试验单位(盖章):批准:审核:试验:水质检验报告表K.4.0.5报告编号:试验单位(盖章):批准:审核:试验:钢筋(钢材)出厂合格证和检验报告汇总表表K.4.0.6-1汇总单位:审核:制表:年月日钢筋力学工艺性能及化学成分检验报告表K.4.0.6-2报告编号:试验单位(盖章):批准:审核:试验:钢材检验报告表K.4.0.7报告编号:试验单位(盖章):批准:审核:试验:混凝土配合比设计报告表K.5.0.1-1报告编号:试验单位(盖章):批准:审核:试验:砂浆配合比设计报告表K.5.0.1-2报告编号:试验单位(盖章):批准:审核:试验:混凝土抗压(抗折)强度现场检验报告汇总表表K.5.0.2-1工程名称:施工单位:试验单位(盖章):技术负责人:审核:制表:混凝土抗压(抗折)强度检验报告表K.5.0.2-2 报告编号:试验单位(盖章):批准:审核:试验:水泥砂浆抗压强度检验报告表K.5.0.3报告编号:试验单位(盖章):批准:审核:试验:混凝土抗渗检验报告表K.5.0.5报告编号:试验单位(盖章):批准:审核:试验:施工单位(盖章):审核:统计:年月日施工单位(盖章):审核:统计:年月日混凝土氯离子总含量评估报告表K.5.0.8试验单位(盖章):批准:审核:评估:钢筋焊接力学及工艺性能检验报告表K.5.0.10-1报告编号:试验单位(盖章):批准:审核:试验:钢筋机械连接接头单向拉伸性能检验报告表K.5.0.10-2报告编号:试验单位(盖章):批准:审核:试验:记录汇总表表K.7.0.1工程名称:审核人:汇总人:隐蔽工程验收记录(通用)表K.7.0.2(x) 施工单位:水下基槽开挖断面测量验收记录表K.8.0.1工程名称:施工单位:监理工程师:质量检查员:技术负责人:测量记录人:水下基床夯实验收记录(方格网法)表K.8.0.2-1监理工程师:质量检查员:技术负责人:测量负责人:水下基床夯实验收记录(随机选点法)表K.8.0.2-2施工单位:监理工程师:质量检查员:技术负责人:测量负责人:水下基床整平记录表K.8.0.2-3 工程名称:整平等级:( 单位:标高m , 偏差mm)监理工程师:质量检查员:技术负责人:测量负责人:施工质量返工处理记录表K.14.0.1监理工程师:质量检查员:技术负责人:水工建筑物沉降和位移观测汇总表表J.15.0.3-1项目技术负责人:审核人:汇总人:水工建筑物沉降观测记录表K.15.0.3-2项目技术负责人:技术负责人:制表人:水工建筑物位移观测记录表K.15.0.3-3 工程名称:项目技术负责人:技术负责人:制表人:结构裂缝检查验收记录表K.15.0.4(x)结构渗漏情况检查验收记录表K.15.0.5(x)。
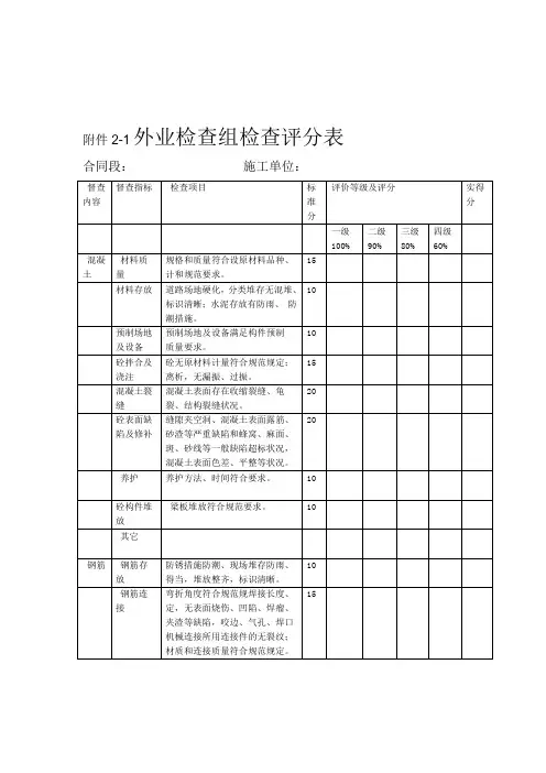
附件2-1外业检查组检查评分表合同段:施工单位:附件2-2水运工程实体检测项目汇总表合同段:施工单位:注:1.表中所列实测指标均为一般检查项目,检查中也可根据工程实际情况增补。
2.各受检合同段每项实测指标的实测点(组)数应不少于3点(组)且满足评价需要。
3. 各实测项目以其实测合格率乘以100为该项评分。
检测组检测得分以实测项目评分的平均值计。
.附件2-3:施工质保资料检查及评分表合同段:施工单位:附件2-4:工地试验室检查表检查时间:年月日附件2-5:试验检测人员现场考核表检查时间:年月日考核人:附件2-6监理工作检查及评分表(一)监理单位名称:监理办第工程项目名称:分序检查内容指标扣分原因得分值号监理办得分为该监理办所包含的所有以各外业检查组的评分为依据,40一工程实体质量施工合同得分的平均值乘以40%0.分分分分。
监理工作检查及评分表(二)监理工作检查及评分表(三)监理工作检查及评分表(四)检查人:总监理工程师:年月日附件2-7造价与合同工作检查及评分表(一)施工单位:项目名称:检查人:年月日16造价与合同工作检查及评分表(二)施工单位:项目名称:合同段:正确等情况的,每一项扣分。
0.517月19附件2-8建设项目质量安全造价大检查评分表(通用表)编号:开工时名得检查人:检查时间:月年日20附件2-9合同段工程质量评分表合同号:A=B=注:检查组检查结果与自查资料附合情况扣分标准分较好、一般、差三个等级,较好分。
5-82-40-1扣分,一般扣分,差扣21附件2-10浙江省水运工程质量与造价执法大检查组检查情况情况22。
附件2-1外业检查组检查评分表水运工程实体检测项目汇总表注:1.表中所列实测指标均为一般检查项目,检查中也可根据工程实际情况增补。
2.各受检合同段每项实测指标的实测点(组)数应不少于3点(组)且满足评价需要。
3. 各实测项目以其实测合格率乘以100为该项评分。
检测组检测得分以实测项目评分的平均值计。
附件2-3:施工质保资料检查及评分表工地试验室检查表检查时间:年月日附件2-5:试验检测人员现场考核表检查时间:年月日考核人:附件2-6监理工作检查及评分表(一)第 9 页监理工作检查及评分表(二)第 10 页监理工作检查及评分表(三)第 11 页第 12 页日第 13 页附件2-7造价与合同工作检查及评分表(一)月日造价与合同工作检查及评分表(二)项目名称:施工单位:合同段:检查人:年月日附件2-8 建设项目质量安全造价大检查评分表(通用表)检查人:检查时间:年月日附件2-9 合同段工程质量评分表合同号:注:检查组检查结果与自查资料附合情况扣分标准分较好、一般、差三个等级,较好扣0-1分,一般扣2-4分,差扣5-8分。
附件2-10 浙江省水运工程质量与造价执法大检查组检查情况情况工程项目名称:组长:组员:年月日希望以上资料对你有所帮助,附励志名言3条:1、上帝说:你要什么便取什么,但是要付出相当的代价。
2、目标的坚定是性格中最必要的力量源泉之一,也是成功的利器之一。
没有它,天才会在矛盾无定的迷径中徒劳无功。
3、当你无法从一楼蹦到三楼时,不要忘记走楼梯。
要记住伟大的成功往往不是一蹴而就的,必须学会分解你的目标,逐步实施。
第 21 页。
附件1湖南省在建公路水运工程施工安全检查表(一)项目名称:检查时间:湖南省在建公路水运工程施工安全检查表(二)项目名称:检查时间:湖南省在建公路水运工程施工安全检查表(三)项目名称:检查时间:受检单位人员签名:检查人员签名:湖南省在建公路水运工程施工安全检查表(四)项目名称:合同段:施工单位:检查时间:受检单位人员签名:检查人员签名:附件2一、架桥机作业安全关键控制点管理要求项目名称:监理单位:施工单位:施工桩号:工程名称:分项工程开工时间:填表说明:1.责任人在对应的岗位人员栏中进行检查签名,并注明日期。
2.本表一式三份,原件由施工单位保存,分别由施工、监理、建设单位的专职安全人员归档管理,并按照监理对施工单位核实、建设对监理单位核实的要求进行签字。
3.此管理要求将列入工程交工验收资料内容,并作为项目目标考核的重要依据。
二、高墩作业安全关键控制点管理要求项目名称:监理单位:施工单位:施工桩号:工程名称:分项工程开工时间:2.本表一式三份,原件由施工单位保存,分别由施工、监理、建设单位的专职安全人员归档管理,并按照监理对施工单位核实、建设对监理单位核实的要求进行签字。
3.此管理要求将列入工程交工验收资料内容,并作为项目目标考核的重要依据。
三、满堂支架作业安全关键控制点管理要求项目名称:监理单位:施工单位:施工桩号:工程名称:分项工程开工时间:填表说明:1.责任人在对应的岗位人员栏中进行检查签名,并注明日期。
2.本表一式三份,原件由施工单位保存,分别由施工、监理、建设单位的专职安全人员归档管理,并按照监理对施工单位核实、建设对监理单位核实的要求进行签字。
3.此管理要求将列入工程交工验收资料内容,并作为项目目标考核的重要依据。
四、挂篮悬臂浇筑作业安全关键控制点管理要求项目名称:监理单位:施工单位:施工桩号:工程名称:分项工程开工时间:填表说明:1.责任人在对应的岗位人员栏中进行检查签名,并注明日期。
附录A水运工程施工现场质量管理检查记录A.0。
0.1 施工单位和监理单位应按表A.0.0。
1 的规定,对施工现场的质量管理体系进行检查并填写记录.检查结论:总监理工程师:年月日附录B水运工程质量检验记录B.0。
0.1 检验批质量检验记录应由分项工程技术负责人填写,监理工程师组织施工单位质量检查员等进行检验与确认,并按表B。
0.0.1 的规定记录。
注:①对于不划分检验批的分项工程,可直接采用本表;②对于实测数据较多的项目,可附施工综合记录.B。
0。
0.2 分项工程质量检验记录应由施工单位分项工程技术负责人填写,监理工程师组织施工单位分项工程技术负责人和质量检查员等进行检验与确认,并按表B。
0.0。
2 的规定记录。
说明:B.0。
0。
3 分部工程质量检验记录应由施工单位项目技术负责人填写,总监理工程师组织施工单位项目负责人、技术负责人和质量检查员等进行检验与确认.并按表B。
0.0。
3 的规定记录。
B.0.0。
4 单位工程质量检验记录应由施工单位项目负责人填写,检查验收结论应由总监理工程师填写,质量检验综合结论应由参加检查验收各方共同商定,由建设单位填写. 并按表B。
0.0.4 的规定记录。
注:质量监督机构对单位工程的质量核定报告及用表,应按水运工程质量监督主管部门的规定执行.B。
0.0.5 建设项目和单项工程质量检验汇总记录应由建设单位项目负责人填写,并按表B。
0.0.5 记录.B.0。
0。
6 单位工程的观感质量评价的项目及质量要求应符合本标准的相关规定,并采用表B。
0。
0.6 记录单位工程观感质量评价表表B。
0。
0。
6核查结论:施工单位项目负责人:年月日总监理工程师: 年月日建设单位项目负责人:年月日质量监督负责人:年月日注:①单位工程观感质量评价应在单位工程完工后及时进行,并应由质量监督机构组织建设、监理和施工单位的有关人员在施工和监理单位检查的基础上共同进行;②观感质量检查项目的评价应采用观察检查、必要量测和共同讨论确定的方法进行;③观感质量评价分为一级的项目应满足下列要求:A、外观质量总体好;B、观察范围未发现明显表面缺陷; C、抽查部位测点的偏差未超过规定的允许偏差值。
附件2-1
外业检查组检查评分表
水运工程实体检测项目汇总表
注:1.表中所列实测指标均为一般检查项目,检查中也可根据工程实际情况增补。
2.各受检合同段每项实测指标的实测点(组)数应不少于3点(组)且满足评价需要。
3. 各实测项目以其实测合格率乘以100为该项评分。
检测组检测得分以实测项目评分的平均值计。
施工质保资料检查及评分表
附件2-4:
工地试验室检查表
检查时间:年月日
附件2-5:
试验检测人员现场考核表
检查时间:年月日
考核人:
附件2-6
监理工作检查及评分表(一)
监理工作检查及评分表(二)
监理工作检查及评分表(三)
监理工作检查及评分表(四)
检查人:总监理工程师:年月日
附件2-7
造价与合同工作检查及评分表(一)
造价与合同工作检查及评分表(二)
项目名称:施工单位:合同段:
检查人:年月日
附件2-8建设项目质量安全造价大检查评分表(通用表)
检查人:检查时间:年月日
附件2-9合同段工程质量评分表
合同号:
注:检查组检查结果与自查资料附合情况扣分标准分较好、一般、差三个等级,较好扣0-1分,一般扣2-4分,差扣5-8分。
附件2-10浙江省水运工程质量与造价执法大检查
组检查情况情况
工程项目名称:。