电工学实验材料
- 格式:doc
- 大小:1.33 MB
- 文档页数:16
电工电子实验指导书一、引言电工电子实验是电工电子专业学生进行实践课程的重要部分。
本实验指导书旨在为学生提供详细的实验操作步骤和相关知识,帮助学生掌握电工电子实验的基本技能和原理。
二、实验目的本实验旨在使学生:1. 熟悉电工电子实验室的基本设备和仪器;2. 掌握基本的电工电子实验操作技能;3. 理解电工电子实验的基本原理和相关知识;4. 培养实验观察能力和解决问题的能力。
三、实验器材和材料1.示波器2.函数发生器3.直流电源4.电阻器5.电容器6.电感器7.连接线等四、实验内容本次实验共包括以下几个实验项目:1. 交流电压测量实验2. 直流电路测量实验3. 电阻测量实验4. 电容测量实验5. 电感测量实验实验一:交流电压测量实验1. 接线:使用连接线将示波器和测量电路连接。
2. 调节示波器:根据待测交流电压的幅值和频率,调节示波器的控制方式和显示范围。
3. 读取电压值:在示波器上读取交流电压的值,并记录。
实验二:直流电路测量实验1. 接线:使用连接线将电源、电阻器和电压表连接成直流电路。
2. 开启电源:根据实验要求确定电源的电压,并将电源开启。
3. 测量电压:使用电压表测量电路中各个元件的电压值,并记录。
实验三:电阻测量实验1. 接线:使用连接线将电源、电阻器和电流表连接成电阻测量电路。
2. 开启电源:根据实验要求确定电源的电压,并将电源开启。
3. 测量电阻:使用电流表测量电阻器中通过的电流,并结合已知电压计算出电阻的值。
实验四:电容测量实验1. 接线:使用连接线将电容器、电阻器和电源连接成电容测量电路。
2. 开启电源:根据实验要求确定电源的电压,并将电源开启。
3. 充电和放电:观察电容器充电和放电的过程,并记录相应的电容器电压。
4. 计算电容:使用已知的电阻值和充电时间计算电容器的电容值。
实验五:电感测量实验1. 接线:使用连接线将电感器、电阻器和电源连接成电感测量电路。
2. 开启电源:根据实验要求确定电源的电压,并将电源开启。
一、实验目的1. 熟悉电工实验的基本操作流程和方法。
2. 掌握电工实验仪器的使用方法。
3. 提高动手能力,培养实验操作技能。
4. 理解电工基本理论,为后续学习打下基础。
二、实验器材1. 电工实验台2. 电工实验箱3. 交流电源4. 直流电源5. 万用表6. 电流表7. 电压表8. 电阻箱9. 电线10. 电工钳11. 剪刀12. 搪瓷棒13. 电烙铁14. 电烙铁架15. 焊锡三、实验步骤1. 实验准备(1)检查实验台、实验箱及各种仪器设备是否完好。
(2)熟悉实验台、实验箱及各种仪器的操作方法。
(3)准备实验所需材料,如电线、焊锡、搪瓷棒等。
2. 电路连接(1)按照实验电路图,将各个元件连接好。
(2)连接电源,注意正负极的接法。
(3)连接万用表,用于测量电压、电流和电阻。
3. 电路测试(1)开启电源,观察电路中各元件的工作状态。
(2)使用万用表测量电压、电流和电阻,与理论计算值进行对比。
(3)根据实验要求,调整电阻箱的阻值,观察电路变化。
4. 电路故障排除(1)若电路出现故障,首先检查电路连接是否正确。
(2)检查各元件是否完好,如电阻、电容、二极管等。
(3)使用万用表测量故障点的电压、电流和电阻,分析故障原因。
(4)根据故障原因,进行相应的维修或更换元件。
5. 电路改造(1)根据实验要求,对原有电路进行改造。
(2)按照改造后的电路图,重新连接电路。
(3)测试改造后的电路,确保其工作正常。
6. 实验总结(1)记录实验过程中观察到的现象和实验数据。
(2)分析实验结果,与理论计算值进行对比。
(3)总结实验过程中遇到的问题及解决方法。
(4)撰写实验报告,对实验过程进行总结。
四、注意事项1. 实验过程中,务必遵守安全操作规程,确保人身安全。
2. 连接电路时,注意正负极的接法,避免短路。
3. 使用万用表测量电压、电流和电阻时,注意量程的选择。
4. 操作电烙铁时,注意防止烫伤。
5. 实验过程中,保持实验台整洁,实验结束后清理实验器材。
实验一叠加原理的验证一、实验目的1、掌握常用电工仪表测量电压、电流,学会根椐实验电路图联接实验电路。
2、验证线性电路叠加原理的正确性,加深对线性电路的叠加性和齐次性的认识。
二、实验原理:1、叠加原理:几个电势共同作用的线性电路,任一支路的电流(电压)等于各个电势单独作用在该支路所产生的电流(电压)的代数和。
2、线性电路的齐次性是指当激励信号(某独立源的值)增加或减小K倍时,电路的响应(即在电路中各电阻元件上所建立的电流和电压值)也将增加或减小K倍。
实验线路如图(DGJ-03挂箱的“基尔霍夫定律/叠加原理”线路)。
1、将两路稳压源的输出分别调节为12V和6V,接入U1和U2处。
2、令U1电源单独作用(将开关K1投向U1侧,开关K2投向短路侧)。
用直流数字电压表和毫安表(接电流插头)测量各支路电流及各电阻元件两端的电压,3、令U2电源单独作用(将开关K1投向短路侧,开关K2投向U2侧),重复实验步骤2的测量和记录,数据记入上表。
4、令U1和U2共同作用(开关K1和K2分别投向U1和U2侧),重复上述的测量和记录,数据记入表1-1。
5、将U2的数据调至+12V,重复上述第3项的测量和记录,数据记入上表。
五、实验报告1、根据实验数据表格进行分析、比较、归纳、总结实验结论,即验证线性电路的叠加性和齐次性。
2、各电阻器所消耗的功率能否用叠加原理计算得出?试用上述实验数据,进行计算并作结论。
3、心得体会及其他。
实验二日光灯电路的测定一、实验目的1、掌握日光灯电路的工作原理及电路联接。
2、研究正弦稳态交流电路中电压、电流相量之间的关系。
3、掌握改善日光灯电路功率因素的方法。
二、实验原理1、灯管两端有灯丝,管内充以惰性气体氩气或氦气及少量水银,管壁有荧光粉,当管内产生弧光放电时,水银蒸气受激发辐射大量紫外线,管壁的荧光粉在紫外线激发下辐射出白光,这就是日光灯工作原理。
启辉器在灯管启动时相当于一个自动开关,镇流器在灯管启动时产生高压,启动前预热灯丝及启动后限流作用。
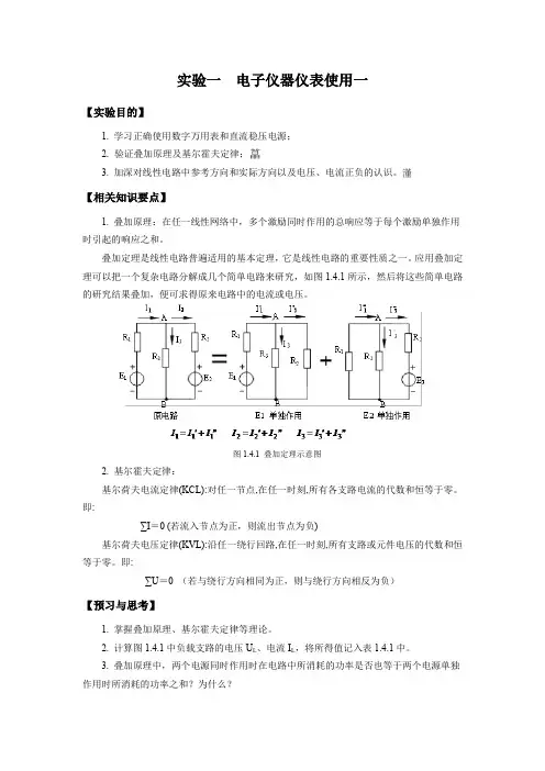
实验一电子仪器仪表使用一【实验目的】1. 学习正确使用数字万用表和直流稳压电源;2.验证叠加原理及基尔霍夫定律;3. 加深对线性电路中参考方向和实际方向以及电压、电流正负的认识。
【相关知识要点】1.叠加原理:在任一线性网络中,多个激励同时作用的总响应等于每个激励单独作用时引起的响应之和。
叠加定理是线性电路普遍适用的基本定理,它是线性电路的重要性质之一。
应用叠加定理可以把一个复杂电路分解成几个简单电路来研究,如图1.4.1所示,然后将这些简单电路的研究结果叠加,便可求得原来电路中的电流或电压。
图1.4.1叠加定理示意图2. 基尔霍夫定律:基尔荷夫电流定律(KCL):对任一节点,在任一时刻,所有各支路电流的代数和恒等于零。
即:∑I=0 (若流入节点为正,则流出节点为负)基尔荷夫电压定律(KVL):沿任一绕行回路,在任一时刻,所有支路或元件电压的代数和恒等于零。
即:∑U=0 (若与绕行方向相同为正,则与绕行方向相反为负)【预习与思考】1. 掌握叠加原理、基尔霍夫定律等理论。
2. 计算图1.4.1中负载支路的电压U L、电流I L,将所得值记入表1.4.1中。
3. 叠加原理中,两个电源同时作用时在电路中所消耗的功率是否也等于两个电源单独作用时所消耗的功率之和?为什么?【注意事项】1.在使用万用表测量时,注意电压、电流、欧姆等档次的选择,切忌用电流档测电压(即与被测元件并联)。
2.一定要在电源断开的情况下,才能用万用表测电阻。
3. 在使用稳压电源时,只允许按下一个琴键按钮,切勿将几个选择按钮同时压下,使几组互相独立的电源并联在同一个电压表上,而将几个电源相互短路造成仪器的损坏。
4. 通电后,如U L等于零,可用电压表逐点测量电压的方法,找到故障点,分析判断是导线还是器件发生了故障,断电后,仔细检查、排除故障。
【实验设计及测试】用数字万用表欧姆挡测试R1、R2、R3、R L,测试结果记人表1.4.1中,与标称值对照。
电工学实验报告
一、实验目的
本次电工学实验主要是通过测量电路中电流、电压、电阻等手段,加深对电路中基本元器件的认知,以及学会使用万用表、示
波器等仪器进行电路测试。
二、实验仪器和材料
1.电源
2.万用表
3.电阻箱
4.示波器
5.导线、电池等材料
三、实验步骤
1. 实验一:电路分析
将电源、电阻(可变电阻)、导线等器材连接成一个简单的电路,用万用表测量电路中电流、电压等指标,并进行记录和分析,以加深对电路基本元件的理解。
2. 实验二:电压和电流的测量
用万用表分别测量单个电池电压和串联电路的电压,并用示波器测量电路中的电流,并进行分析和研究。
3. 实验三:电阻计算
通过电阻箱替换不同大小的电阻器,测量电路中电阻的变化,学会如何进行电阻计算。
四、实验结果分析
通过以上实验操作,我们可以得到电路的实际电压、电流、电阻等基本指标,分析电路中各元件的作用和规律,达到了对电路基本原理的加深认识,同时还学会了使用万用表、示波器等仪器进行电路测试的技巧和方法。
五、实验结论
通过本次电工学实验,我们充分了解了电路中各种元件的作用及使用方法,并且掌握了一系列电路实验的基本技能,不仅提高了我们对电学知识的理论掌握程度,同时也增加了对电学知识的实际应用能力。
总之,本次电工学实验不仅是对课堂知识的实际应用,同时也是对学习的巩固和加深,从中学到的技能和经验将会有益于我们今后的学习和工作,为我们未来的发展奠定更加坚实的基业。
一、实验目的通过本次电工基础认识实验,使学生了解和掌握电工基本知识,熟悉常用电工工具和仪器,学会安全用电的基本原则,为后续电工专业课程的学习打下基础。
二、实验内容1. 常用电工工具的认识和使用2. 常用电气元件的认识3. 安全用电的基本原则4. 简单电路的连接和测试三、实验步骤1. 实验器材准备(1)电工工具:钢丝钳、尖嘴钳、螺丝刀、剥线钳、电烙铁、焊锡丝等。
(2)电气元件:电阻、电容、电感、二极管、三极管、开关、导线等。
(3)仪器设备:万用表、示波器、交流电源等。
2. 常用电工工具的认识和使用(1)观察电工工具的形状、用途和结构。
(2)学习使用钢丝钳、尖嘴钳、螺丝刀、剥线钳等工具。
3. 常用电气元件的认识(1)观察电阻、电容、电感、二极管、三极管等元件的形状、颜色、规格。
(2)了解元件的符号、参数和用途。
4. 安全用电的基本原则(1)学习安全用电的基本知识,如绝缘、接地、防漏电等。
(2)了解触电的急救方法。
5. 简单电路的连接和测试(1)根据电路图连接电路。
(2)使用万用表测试电路中的电压、电流和电阻。
(3)观察电路中元件的工作状态。
四、实验数据记录1. 常用电工工具使用情况(1)钢丝钳:用于剪切电线、电缆等。
(2)尖嘴钳:用于弯曲、剪切细小导线。
(3)螺丝刀:用于拧紧、松开螺丝。
(4)剥线钳:用于剥去电线绝缘层。
2. 常用电气元件规格(1)电阻:100Ω、1kΩ、10kΩ。
(2)电容:10μF、100μF、1μF。
(3)电感:10mH、100mH、1mH。
(4)二极管:1N4007、1N4148。
(5)三极管:8050、2N2222。
3. 电路测试数据(1)电压:U=5V。
(2)电流:I=0.2A。
(3)电阻:R=50Ω。
五、实验结果分析1. 通过本次实验,使学生掌握了电工基本知识,熟悉了常用电工工具和仪器。
2. 学生能够根据电路图连接电路,并使用万用表测试电路中的电压、电流和电阻。
3. 学生了解了安全用电的基本原则,提高了安全意识。
《电工学》实验指导书实验一 戴维宁定理一、实验目的1.加深对戴维宁定理的理解;2.学习有源二端网络等效电动势和等效内阻的测量方法;3.熟悉稳压电源、数字万用表的使用;二、实验器材1.数字万用表 一块2.直流稳压电源 两台3.电阻 若干只4.导线 若干根5.面包板 两块三、实验原理简述任何一个线性有源二端网络都可以用一个电动势为E 、内阻为R 0 的等效电压源代替。
如图1-1所示。
等效电压源的电动势E 就是有源二端网络的开路电压U OC ,如图1-2(a )所示。
等效电压源的内阻R O 就是有源二端网络除源后(有源二端网络变为无源二端网络)两端之间的等效电阻,如图1-2(b )所示。
除源是指将原有源二端网络内所有电源的作用视为零,即将理想电压源视为短路、理想电流源视为开路。
(a )原电路 (b )戴维宁等效电路图1-1 戴维宁等效电路(a )开路电压 (b )等效电阻图1-2 等效量的求解在电路分析中,若只需计算某一支路的电流和电压,应用戴维宁定理就十分方便。
只要将该待求支路划出,其余电路变为一个有源二端网络,根据戴维宁定理将其等效为一个电压源,如图1-1(b )所示。
只要求出等效电压源的电动势E 和内阻R O ,则待求支路电流即为LR R EI +=四、实验内容和步骤1.实验电路连接及参数选择实验电路如图1-3所示。
由R1、R2 和R3 组成的T 型网络及直流电源U S 构成线性有源二端网络。
可调电阻箱作为负载电阻R L。
图1-3 验证电路在实验台上按图1-3所示电路选择电路各参数并连接电路。
参数数值及单位填入表1-1中。
根据图1-3给出的电路及实验步骤1 所选择参数计算有源二端网络的开路电压U OC、短路电流I SC 及等效电阻R O 并记入表1-2中。
图1-4测开路电压U OC 图1-5 测短路电流I SC (1)开路电压U OC 可以采用电压表直接测量,如图1-4所示。
直接用万用表的电压档测量电路中有源二端网络端口(N-P)的开路电压U OC,见图1-4,结果记入表1-2中。
叠加原理的验证实验(电工学实验).doc
叠加原理是电工学中非常重要的基本原理,它指出在一个线性的、稳态的电路中,每个电源单独作用时,电路中的电流、电势及功率等物理量可以按照其单独作用时的结果来计算。
换句话说,如果一个电路中有多个电源作用,那么每个电源都可以看做是单独作用的,而整个电路中电流、电势及功率等物理量的总和就是所有单独作用结果的代数和。
为了验证叠加原理的正确性,我们可以进行如下的实验:
【实验材料】:
1.电源:直流电源和交流电源各一台;
2.电阻:10欧姆、20欧姆、30欧姆、40欧姆、50欧姆、60欧姆、70欧姆、80欧姆、90欧姆、100欧姆共10个,分别编号为R1-R10;
3.万用表:VC8145A型数字台式万用表一台。
1.将直流电源连接至一个电阻上,用万用表测量该电阻上的电流和电势(电压),记录下来。
3.将两次测量所得的电流和电势相加,得到该电路中的总电流和总电势(电压)。
4.将上述实验步骤中使用的电阻换成另一个电阻,并重复步骤1-3,直至所有的电阻都被测量完毕。
1.在连接电路时要注意正确连接,以免损坏电源和电阻等器件。
2.测量电阻、电流和电势(电压)时要仔细操作,防止出现测量误差。
3.在交流电路中,要注意相位的影响,以免对测量结果产生影响。
电路实验
实验目的
本实验旨在帮助学生加深对电路原理的理解,掌握基本电路的搭建和测量方法,培养学生的动手能力和实验技能。
实验器材
1.电源:直流电源、交流电源
2.电阻:不同阻值的电阻器
3.电容:不同容值的电容器
4.电感:不同电感值的电感器
5.示波器:用于观察电路波形
6.万用表:用于测量电路元件参数
实验内容
实验一:串联电路的搭建与测量
1.将几个电阻串联连接起来,接入直流电源,测量总电阻值。
2.测量每个电阻的电压和电流值,分析串联电路中各元件的关系。
实验二:并联电路的搭建与测量
1.将几个电阻并联连接起来,接入直流电源,测量总电阻值。
2.测量每个电阻的电压和电流值,分析并联电路中各元件的关系。
实验三:RC 串联电路的时序响应研究
1.搭建RC串联电路,接入脉冲信号源,通过示波器观察电压波形。
2.调节不同的电容和电阻数值,分析不同参数对电路响应的影响。
实验四:RL 并联电路的频率响应研究
1.搭建RL并联电路,接入正弦信号源,通过示波器观察电压波形。
2.调节不同的电感和电阻数值,分析不同频率对电路响应的影响。
实验总结
通过本次电路实验,我们深入理解了串联电路和并联电路的特点及其应用,掌
握了基本的电路搭建方法和测量技巧。
同时,通过对RC串联电路和RL并联电路
的研究,加深了对电路时序响应和频率响应的认识,为今后的电路设计和分析奠定了基础。
参考资料
1.《电路原理与技术》
2.《电路分析基础》
3.《电路实验指导书》。
电工电子学实验(优秀范文5篇)第一篇:电工电子学实验《电工电子学》实验一、实验要求学员必须做完下面实验内容中所包括的所有基础实验,且至少选做一个综合实验,每一个实验做完后都应按照实验报告的格式要求写出相应的实验报告。
二、实验内容(共30分)第一部分:基础实验部分(占25分)万用表的使用练习(1.5学时,4分)三相交流电路(1.5学时,4分)常用电子仪器的使用练习(1.5学时,4分)单管交流放大电路(1.5学时,4分)小规模组合逻辑电路的设计(1.5学时,7分)第二部分:综合实验部分(至少选做一个,占7分)含源二端网络输出特性及等效参数的测定(1.5学时)集成运算放大器的参数测定(1.5学时)运算电路实验(1.5学时)三、实验指导请参考附后的《电工电子学实验指导》四、实验报告格式要求请参考附后的《中国石油大学现代远程教育实验报告格式要求》五、参考资料单亦先,郝宁眉主编.电工电子测量与实验.山东东营:石油大学出版社,2000第二篇:《电工电子学》教学大纲《电工电子学》教学大纲一、课程的性质、任务与要求: 本课程是高职高专电子信息及计算机应用类专业的一门专业基础课,为学习专业后续课程和从事计算机及信息技术奠定基础。
本课程的主要任务是使学生掌握直流电路、交流电路、模拟电子电路、数字电子电路的基本分析方法,了解常用电子元件的使用,学会设计简单的电子电路。
学习本书的基础是高中物理和必要的高等数学,在教学和学习的过程中应注意有关知识的复习。
本课程实用性较强,在教学及学生的学习过程中,不仅要掌握基本理论,还要注重提高解决实际问题的能力,因此,一定要重视实验技能的培养,尽量让同学多动手。
二、教学内容:第一部分电路部分第一章电路理论基础:1.1 电路模型及基本物理量 1.2 功率 1.3 电路元件 1.4 基尔霍夫定律 1.5 基尔霍夫定律的应用 1.6 电压源与电流源的等效变换 1.7 叠加定理 1.8 戴维南定理第二章正弦交流电路2.1 正弦量的三要素 2.2 正弦量的向量表示法2.3 电阻、电感、电容元件的特性 2.4 正弦交流电路中元件的串并连 2.5 正弦交流电路中元件的串并连谐振 2.6 正弦交流电路的功率第三章安全用电常识3.1 电流对人体的作用 3.2 触电形式及触电急救 3.3 保护接地及保护接零 3.4 电气防火、防雷及防爆 3.5 静电的防护第二部分电子电路第四章常用晶体管4.1 半导体基本知识 4.2 PN结及晶体二极管 4.3 晶体三极管 4.4 场效应管第五章基本放大电路5.1 共射放大电路的组成及基本原理 5.2 放大电路的静态分析 5.3 放大电路的动态分析 5.4 射极输出器 5.5 多级放大电路第六章集成运算放大器6.1 集成运算放大器的基本组成 6.2 放大器的负反馈 6.3 集成运算放大器的应用第七章直流稳压电源7.1 单相半波整流电路 7.2 单相桥式整流电路7.3 滤波电路 7.4 稳压电路第八章门电路及组合逻辑电路 8.1 基本逻辑门电路 8.2 TTL集成门电路和CMOS集成门电路第九章双稳态触发器和逻辑电路9.1 双稳态触发器9.2 触发器逻辑功能的转换9.3 寄存器 9.4 计数器第十章脉冲波形的整形与产生 10.1 脉冲整形电路 10.2 脉冲产生电路 10.3 555定时器及应用第三部分实验部分实验一戴维南定理的验证实验二万用表的使用实验三常用晶体管的使用试验四三极管的放大电路三、课时分配第一部分 36学时第二部分 40学时第三部分 20学时第三篇:《电工电子学》实验报告20XX 报告汇编 Compilation of reports报告文档·借鉴学习word 可编辑·实用文档中国石油大学(华东)现代远程教育实验报告课程名称:电工电子学实验名称:三相交流电路实验形式:在线模拟+ 现场实践提交形式:在线提交实验报告学生姓名:王武明学号:16457730003 年级专业层次:络网络 16 秋机电一体化专业高起专学习中心:安徽宣城教学服务站提交时间:2017年月日报告文档·借鉴学习word 可编辑·实用文档一、实验目的 1.练习三相交流电路中负载的星形接法。
电工实验报告(11篇)电工实验报告(精选11篇)电工实验报告篇1电工实验是电子工程领域中必不可少的一部分,我们需要了解电路的结构和功能,以及电流、电压等基本概念,才能在实验中有效地运用这些知识,从而提高实验效果。
在进行电工实验中,我们不仅要认真观察测量结果,还需要注意安全,有条理地组织实验步骤,以保证实验的准确性和可靠性。
在电工实验中,读懂电路图和理解电路要素是非常关键的。
在学习实验前,我们需要先对相关的电路和器件进行学习,掌握其运行原理和特性,更好地理解电路的构成及其各个部分之间的联系,以便能够对电路进行分析和解决实验中遇到的问题。
此外,我们还需要掌握一些测量工具的使用方法,如万用表等。
在实验过程中,我们还应该注意保持测试仪器的精确。
实验过程中,我们还应注意安全问题。
我们应该根据实验安全要求进行操作,并带好相应的个人防护用品。
在进行电路连线时,应尽可能选择符合安全要求的连线方式,并充分考虑实验环境的安全性,以避免发生不必要的.事故。
同时,我们应该根据实验要求选择合适的电源,并根据实验要求对电源进行正确连接,以避免板子或器件损坏或发生其他故障。
在实验过程中,我们需要有条理地组织实验步骤。
通过合理地安排实验步骤,我们可以在较短的时间内完成实验,并取得更好的实验效果。
在实验时,我们应该遵循实验要求,按照实验步骤进行操作,以确保实验的准确性和可靠性。
如果在实验过程中出现问题,我们应该及时进行记录,以便更好地发现并解决问题。
总之,电工实验是电子工程学生学习和应用电子技术的重要环节。
在实验中,我们需要认真学习电路和器件的相关知识,掌握测量工具的使用方法,注意安全问题,并有条理地组织实验步骤,以获得更好的实验效果。
同时,我们还需要不断学习和扩展自己的知识,在实践中积累更多的经验,以更好地应对电子工程中的挑战。
电工实验报告篇2通过一个星期的电工实习,使我对电器元件及电路的连接与调试有一定的感性和理性认识,打好了日后学习电工技术课的基础。
实验一、戴维宁定理的验证实验目的:验证戴维宁定理的正确性,加深对该定理的理解。
熟悉直流电流表、直流电压表、直流稳压电源的使用方法。
掌握测量有源二端网络等效参数的一般方法。
510Ω+-E 1=12V510Ω+-E 2=15V A +-V +-U OC I SC R L I SC =52.9mA Ω==2550SC OC I U R 分别测出两个电路R L 多个数值时其电压、电流值,两者比较,应非常接近。
第一个实验测完电压、电流之后再拆。
R 0+-U 0+-A R L V +-U V +-U U OC =13.5V A 可以不用双刀双掷开关电流插座电流表实验二、日关灯组装和功率因数提高实验目的:掌握日光灯电路的组成、工作原理及接线。
学习提高功率因数的方法,理解提高功率因数的实际意义。
掌握电压表、电流表、功率表、功率因数表的使用方法。
并电容后,U 不变,所有的有功功率不变,日关灯亮度不变,λ先增后减,I 先减后增,I C 一直增加。
+-U+-U L +-U R II L I C ※※I U P R P P L有功功率表L 红黑第一步接好线,不接电容第二步,接上电容123L N+-U+-U L +-U R II L U I U L U R UI C I L II C实验三单管电压放大电路实验目的:学习正确调试放大器的静态工作点,加深对直流工作点意义的认识。
测定电压放大倍数.负载电阻对电压放大倍数的影响。
单管电压放大电路u iuC110μF20kΩR p100kΩR c2.4kΩC2 10μFU cc=12VR B220kΩR E21kΩC E100μFR L2.4kΩR B1R E1200ΩT+++++BCE左上角总电源左下角直流电源12V右下角信号发生器1kHz,10mV 交流信号输入10mV ,1kHz 正弦波电压(用晶体管毫伏表测电压,在信号发生器上调频率),通过调节R P ,并用示波器观察使输出电压波形最大且不失真,就得到最佳静态工作点Q 。
电工基础实验报告一、实验目的本次电工基础实验的主要目的是学习和掌握直流截止电路和直流偏压电路的实际电路应用。
二、实验原理1.直流截止电路直流截止电路是通过控制管的极性,实现控制电流的流通或者截止。
在实际应用中,直流截止电路主要用于直流电路中电流的分配控制。
2.直流偏压电路直流偏压电路是指输入信号是直流或者直流加交流的电路。
在实际应用中,直流偏压电路主要用于直流信号的输入和输出。
三、实验器材和材料1. 直流电源2. 万用表3. 实验箱4. 电压表5. 型号为2N3904的NPN型晶体管6. 大小为1 KΩ的电阻器7. 大小为10 KΩ的变阻器8. 大小为0.1μF的电容器四、实验步骤1. 准备实验器材和材料,并按照电路图进行接线。
2. 打开电源开关,记录电路中各个元件的电压和电流值。
3. 通过调节变阻器,改变晶体管基极与发射极之间的电压,记录改变后电路中各个元件的电压和电流值。
4. 改变电容器的值,重复步骤2和步骤3,记录电路中各个元件的电压和电流值。
5. 拆卸电路,关闭电源开关,整理实验器材和材料。
五、实验结果分析通过实验可以发现,随着电容器的值的增加,晶体管的基极电压也相应的增加。
当电容器充电时,电路中的电流随着时间的增加而减小,当电容器充电至一定程度时,电路中的电流将变为0,晶体管截止,电路中将不再存在电流。
六、实验结论通过实验我们对直流截止电路和直流偏压电路的实际电路应用进行了深入的学习和研究,掌握了晶体管的极性控制方法,以及直流偏压电路的基本原理。
实验结果表明,电路中元件的参数设定对电路工作状态具有重要的影响。
一、实验目的本次电工实训实验旨在使学生掌握电工基本操作技能,熟悉常用电工工具的使用方法,了解安全用电的基本知识,提高学生的动手能力和实际操作水平。
二、实验器材1. 电工工具:电烙铁、尖嘴钳、镊子、螺丝刀、剥线钳等;2. 电工元件:电阻、电容、电感、三极管、二极管、变压器等;3. 电工仪表:数字万用表、电桥、电流表、电压表等;4. 实验电路板、导线、电源等。
三、实验内容1. 电工工具的使用与维护(1)熟悉电工工具的种类、用途及使用方法;(2)掌握电工工具的维护与保养方法。
2. 电工元件的识别与检测(1)识别常用电工元件的型号、规格、性能及用途;(2)使用数字万用表检测电阻、电容、电感等元件的参数。
3. 电工基本操作技能(1)学会焊接技术,掌握焊接技巧;(2)熟练使用剥线钳、螺丝刀等工具;(3)掌握电路的连接方法,完成简单电路的搭建。
4. 电工安全用电知识(1)了解触电的危害及预防措施;(2)掌握安全用电的基本原则。
5. 电工实验(1)搭建简单的直流电路,测量电压、电流;(2)搭建交流电路,测量电压、电流;(3)搭建电动机控制电路,实现电动机的正反转、调速等。
四、实验步骤1. 准备工作:熟悉实验器材,了解实验要求。
2. 工具使用与维护:按照要求使用电工工具,注意维护与保养。
3. 元件识别与检测:识别常用电工元件,使用数字万用表检测元件参数。
4. 电工基本操作技能:进行焊接练习,掌握焊接技巧;熟练使用工具;搭建简单电路。
5. 电工安全用电知识:了解触电危害及预防措施,掌握安全用电原则。
6. 电工实验:搭建直流、交流电路,测量电压、电流;搭建电动机控制电路。
五、实验结果与分析1. 实验结果:成功搭建了直流、交流电路,实现了电动机的正反转、调速等功能。
2. 实验分析:通过本次实验,掌握了电工基本操作技能,熟悉了常用电工工具的使用方法,了解了安全用电的基本知识,提高了动手能力和实际操作水平。
六、实验总结本次电工实训实验使我对电工基本知识有了更深入的了解,掌握了电工基本操作技能,提高了实际操作水平。
电工学实验教案范文实验名称:交流电的检测与测量实验目的:1.了解交流电的基本特点;2.熟悉测量交流电的方法;3.实践运用电流表和电压表进行交流电的测量。
实验器材与仪器:1.交流电源:用于提供实验所需的交流电;2.电压表:用于测量交流电路的电压;3.电流表:用于测量交流电路的电流;4.电阻箱:用于调节电路中的阻值;5.万用表:用于测量电路中的各种参数。
实验原理:交流电是沿着一个方向流动的电荷,但其电流方向会周期性地改变。
一般情况下,交流电的电流和电压都是随时间变化的正弦波形式。
实验步骤:1.连接实验电路:将交流电源的正极与电阻箱的一个端口相连,再将电阻箱的另一个端口与电压表并联连接。
将交流电源的负极与电流表的一个端口相连,再将电流表的另一个端口与电阻箱的另一个端口相连。
2.设置测量量程:调节电压表和电流表上的量程选择旋钮,使其适合本次实验所测量的电压和电流。
3.打开交流电源,将电阻箱电阻值调至最小,然后逐渐调大电阻值,观察电压表和电流表的读数变化。
4.记录实验数据:当电阻箱电阻值分别为5欧姆、10欧姆、15欧姆等值时,记录电压表和电流表的读数。
5.绘制数据图表:将电压表读数和电流表读数作为坐标,绘制电压-电流图。
注意事项:1.在接线过程中,要确保电路连接牢固,防止接触不良导致测量误差;2.在调节电阻箱阻值时,要逐渐调节,避免突然增大或减小电阻值对电流和电压的影响过大。
实验结果与分析:根据记录的电压表和电流表读数,可以得到一组电压-电流的数据。
在绘制电压-电流图时,可以观察到随着电阻值的增大,电流值也逐渐减小,而电压值基本保持不变。
这符合欧姆定律,即电流和电压成正比。
实验结论:1.交流电的电流和电压都是周期性变化的,且呈正弦波形式;2.电流和电压的相位相同,但方向相反;3.在稳定的交流电路中,电流和电压成正比,符合欧姆定律。
实验拓展:1.可以通过改变交流电的频率,观察电流和电压的变化规律;2.可以使用示波器测量交流电的波形。
一、实验目的1. 熟悉电工基本操作和常用电工工具的使用方法;2. 掌握电路的连接、测试和维修方法;3. 培养动手能力和团队协作精神。
二、实验器材1. 万用表2. 电工钳3. 电线4. 电烙铁5. 电线剥皮器6. 螺丝刀7. 螺钉8. 电阻、电容、二极管、三极管等电子元件三、实验内容1. 常用电工工具的使用2. 电路的连接与测试3. 电路故障的查找与维修四、实验步骤1. 常用电工工具的使用(1)电工钳:用于拧紧或松开螺丝、拆卸线路等。
(2)万用表:用于测量电压、电流、电阻等。
(3)电烙铁:用于焊接电子元件。
(4)电线剥皮器:用于剥去电线绝缘层。
2. 电路的连接与测试(1)根据电路图连接电路,注意正负极、电路元件的连接顺序。
(2)使用万用表测量电路各部分的电压、电流和电阻。
(3)观察电路工作情况,判断电路是否正常。
3. 电路故障的查找与维修(1)根据电路图和故障现象,分析可能的原因。
(2)使用万用表测试电路各部分的电压、电流和电阻,查找故障点。
(3)根据故障原因,采取相应的维修措施。
五、实验结果与分析1. 常用电工工具的使用通过实验,掌握了电工钳、万用表、电烙铁、电线剥皮器等常用电工工具的使用方法。
2. 电路的连接与测试(1)电路连接正确,各部分电压、电流、电阻符合要求。
(2)电路工作正常,无异常现象。
3. 电路故障的查找与维修(1)根据故障现象,判断故障点为电阻。
(2)更换电阻后,电路恢复正常。
六、实验总结1. 通过本次实验,掌握了电工基本操作和常用电工工具的使用方法。
2. 提高了电路的连接、测试和维修能力。
3. 培养了动手能力和团队协作精神。
4. 认识到电工工作的重要性,为今后的学习和工作打下了基础。
5. 在实验过程中,发现了自己的不足,明确了今后努力的方向。
七、实验心得1. 在实验过程中,要注重安全,严格遵守操作规程。
2. 要善于观察、分析问题,提高自己的动手能力。
3. 要注重理论与实践相结合,不断提高自己的专业素养。
实验二 单管电压放大电路【实验目的】1. 掌握单管电压放大电路静态工作点、电压放大倍数的测量方法;2. 观察放大器产生失真的各种现象,并学会解决的方法;3. 进一步掌握双踪示波器、函数信号发生器、晶体管毫伏表、数字万用表的使用。
【相关知识要点】1. 单管电压放大器是众多电子设备最基本的组成部分。
对一个电压放大器的基本要求是,除了希望得到一定大小的电压放大倍数外,还要求放大后的波形不失真。
放大器的作用是使其输出的能量按照输入信号变化的规律而变化。
输出的能量来自于直流电源,放大器本身并不能将输入信号的能量放大。
2. 单管电压放大器的放大倍数A u 由下式决定:beL i o u r R u u A '-==β (2.3.1)式中 LR '=C R ∥L R (2.3.2) )()(26)1(200mA I mV r E be β++= (2.3.3)由式(2.3.1)可知,u A 与LR '成正比,空载时L R =∞, L R '=C R 为最大值,故u A 最大。
带负载后,较C R 小,u A 也随之减小,L R 愈小,u A 也愈小。
由式(2.3.3)可知,当β值足够大时,)()(26)1(mA I mV E β+》200Ω)()(26mA I mV R A E Lu '≈(2.3.4)由此式可知,此时u A 近似与β值无关,静态电流E I 的大小对放大倍数却有很大影响。
3.由于晶体管是一个非线性元件,如果静态电流设置过低,易产生截止失真。
反之,如果静态电流设置过高,则易产生饱和失真。
只有当静态工作点设置得合适,使之工作在其特性曲线的线性区时,才不容易产生非线性失真。
为此,必须给放大器选择合适的静态工作点。
对于小信号放大电路来说,由于输出交流信号的幅度很小,静态工作点可以有较大的变化范围,只要保证输出信号不失真就可以了。
这时如果希望减小管子的功耗和噪声,静态电流可以选小一些,如果希望提高电压放大倍数,则静态电流可适当增大一些。
若输入信号幅度较大,由于晶体管特性的非线性(主要是晶体管输入特性的非线性),输出电压波形将有一定程度的失真。
图2.3.1示出了由于输入特性的非线性引起失真的情况。
图2.3.1 输入特性非线性引起的失真本实验采用图2.3.2所示的分压式偏置放大电路(电阻R s 、R F 本次实验不用),改变R P 之值,即可调节静态工作点。
电路板上的R 1、R 2网络使输入电路与信号源匹配并可以有效地削弱由输入端引线引入的干扰信号,使放大器能正常工作。
u 0+图2.3.2 单管电压放大电路板【预习与思考】1. 图2.3.2中,发射极的旁路电容C E 所起的作用是什么?2. 什么叫静态工作点? 测量时应注意什么问题? 测量放大器静态工作点应该用交流电表还是直流电表?3. 输出波形不失真的条件是什么?4. 在本实验中,如在示波器上观察到如图2.3.3所示的波形, 哪种波形是截止失 真?哪种波形是饱和失真?各自应如何调节R P 才能使之不失真?(a)(b)图2.3.3 失真波形图5. 输入信号频率的取值范围对输出信号有何影响?6. 测量u i 、u o 时,应使用晶体管毫伏表还是数字万用表的交流档? 为什么?7. 放大器的电压放大倍数与哪些因素有关?【注意事项】1. 为了防止短路及避免引入干扰信号,接线时应注意将各仪器的接地端及实验电路的接地端连接在一起。
2. 晶体管毫伏表在使用之前应预热并调零,晶体管毫伏表在低量程时(小于100mV),如果测试笔开路,外界干扰信号将使指针大幅度偏转,甚至打弯。
因此,在暂时不使用时应将量程开关置于大于3V处,待测试端接入电路后,再切换到合适的量程。
3. 测量静态工作点时应断开输入信号。
【实验内容】1. 仪器的准备及实验电路的连接各仪器置于待用状态:毫伏表调零;示波器调出双路扫描线;函数信号发生器由“50Ω”处输出(暂不接入电路),输出波形选“正弦波”, 频率调节到1kHz~100kHz范围,“输出幅度衰减”按下“20dB”键, 逆时针调节输出调节旋钮“AMPL”,使输出为零。
按图2.3.2所示,将发射极与旁路电容C E连接,直流稳压电源12V接入电路。
2. 测量不失真无负载时的静态工作点及放大倍数(1) 调节静态工作点:适当调节RP ,使晶体管集电极电压UC=5.5-6V左右,并测量出U B、U E记入表2.3.1第一栏中。
(2) 将函数信号发生器的输出信号接入电路,调节函数信号发生器“AMPL”输出调节旋钮使u i=10mV,用双踪示波器同时观察输入、输出波形及其相位关系,将波形记入表2.3.1中。
用毫伏表测量输出电压u o,将结果记入表2.3.2中。
3. 观察负载电阻RL对放大倍数的影响将RL接入放大器输出端,保持u i=10mV,再测一次u o,将数据也记入表2.3.2中。
4. 观察信号过大产生的失真保持U c 不变,逐渐增大输入信号u s,直到输出波形同时出现饱和与截止失真。
将输出波形记入表2.3.1中。
(断开输入信号)测量静态工作点记入表2.3.1第二栏中。
5. 观察静态工作点改变对输出波形的影响(1)逐浙减小u s,待输出波形无失真时,减小R B1(R P右旋),观察饱和失真波形,将此波形及此时的静态工作点记入表2.3.1第三栏中。
(2)增大R B1(R P左旋),观察截止失真波形(由于晶体管特性曲线起始段非线性,在小信号放大范围内将看不到削顶,只是波形正半周变钝,此时可增大输入信号,使之出现削顶波形),将此失真波形及此时的静态工作点记入表2.3.1第四栏中。
【实验报告要求】1. 整理实验数据,计算放大器不失真时的静态工作点及电压放大倍数。
2. 说明负载电阻对电压放大倍数A u的影响。
影响A u的因素还有哪些?3. 说明输出产生失真各种原因及现象,应如何解决?【扩展实验】1. 观察发射极交流旁路电容对电压放大倍数的影响断开发射极交流旁路电容C E,测量输出电压,与接有电容C E时的输出电压值进行比较,说明发射极交流旁路电容对电压放大倍数有何影响?2.放大器频率特性的测量放大器频率特性反映了放大器对不同频率输入信号的放大能力。
在某一频率范围内,电压放大倍数A u与频率无关,随着频率的降低或增高,电压放大倍数要减小,当A u下降为中频放大倍数的0.707倍时对应的频率分别称为下限截止频率和(f L)和上限截止频率(f H),并定义通频带f bw为:f bw =f H - f L。
测量方法:调节R P,使U=5.5-6V,逐渐增大函数信号发生器的输出电压,直至u i=10mV,即要保持C输入信号的幅度不变且输出波形不失真时,每改变一个信号频率,测量其相应的电压放大倍数,测量时应注意取点要恰当,在低频段与高频段应多测几点,在中频段可以少测几点,寻找中频范围。
3. 负反馈对通频带的影响将输出端接至R F的悬空端即构成电压并联负反馈电路,按上述步骤再测频率特性,比较有何区别?4. 观察负反馈对非线性失真的改善取f=1kHz,U c=5.5~6V,断开R L与R F,逐渐增大输入信号电压。
使输出信号波形出现正、负半周不对称但未发生“削顶”现象时,描下此波形并测量输出电压之值。
然后引入电压并联负反馈, 增大信号电压, 保持输出电压值不变。
观察此时输出信号波形的不对称程度是否有所改善。
实验三集成与非门及其应用【实验目的】1. 验证与非门的逻辑功能, 了解与非门电压传输特性的的测试方法;2. 学会用与非门构成其它门电路的方法;3. 了解与非门的门控作用;4. 用与非门设计三人表决电路。
【相关知识要点】1. 目前数字集成电路主要有TTL、ECL及CMOS(包括高速CMOS)三类产品。
ECL速度快,但功耗较大;CMOS功耗低,但速度较慢;TTL的速度与功耗介于两者之间。
它们各有优缺点,在构成具体数字电路时,可以通过接口电路相互补充,发挥各自所长,获得最佳效果。
2. COMS器件的使用规则⑴电源:C4000系列:V DD=3~18V74HC××系列:V DD=2~6V⑵未使用输入端的处理:COMS集成电路中未使用的输入端不能悬空, 应根据要求接电源或地, 工作速度不高时,可与使用端并联。
⑶输出端的处理:输出端不允许直接与电源正、负极相连, 也不能接入输入信号。
3. TTL器件的使用规则⑴电源:V CC=+5V±10%⑵多余输入端的处理:对于输入端接有长线、触发器和中、大规模集成器件以及使用集成块较多的复杂电路,多余输入端必须按逻辑要求接电源或地,不得悬空处理,否则易受干扰。
⑶输出端的处理:输出端不允许直接与电源正、负极相连, 也不能接入输入信号。
4. 本实验选用CC4011、74HC20集成块, 引脚功能如图2.6.1所示。
图2.6.1集成块CC4011和74HC20的引脚功能图【预习与思考】1. 了解附录中数字电路实验箱的有关使用说明。
2. 按表2.6.1中要求的设计逻辑电路图。
3. 按实验内容4的要求,设计出三人表决电路的逻辑电路图。
4. 把74HC20四输入端与非门作为二输入与非门使用时,输入端有哪些连接方法?【注意事项】1. 使用集成电路时,要注意不得插反,电源端必须接入相应数值的直流电压。
电源电压极性不能接反,否则无论是保护电路或是内部电路都可能因电流过大而损坏。
2. 输入端的信号电压不能超过电源电压。
未接通电源前,不得输入信号,否则将损坏输入端保护电路中的二极管。
3. 关机时应先切断输入信号,后断开电源电压。
插拔集成块时务必关闭电源。
【实验内容】1. 与非门逻辑功能测试任选CC4011中一个与非门,按图2.6.2接线,当输入端A 、B 分别为表2.6.1中各值时,观察发光二极管显示的状态: 亮表示输出为高电平 “1”;不亮表示输出为低电平“0”,结果记入表2.6.1中。
2. 用与非门构成其它逻辑门按表用2.6.1中自拟的与门、或门和异或门逻辑图接线, 改变输入电平, 根据输出端发光二极管显示状态, 进行验证。
3. 观察与非门的门控作用按图2.6.3(a)接线, 信号输入端u i 接10kH Z 连续脉冲, 控制端Q 接电平开关, 当电平开关分别置 H 和 L 时,用示波器观察相应输入、输出端波形并记入图2.6.3 (b) 中。
(a ) 电路图 (b ) 波形图图2.6.3 与非门的门控作用图2.6.2与非门逻辑功能测试4. 三人表决电路设计 ⑴ 设计一个逻辑电路供三人(A 、B 、C )表决使用。
每人有一按键,如果他赞成,就按按键表示“1”;如果不赞成,不按电键,表示“0”。
表决结果用指示灯来表示,如果多数赞成,则指示灯亮,F=1;反之则不亮,F=0。