扣件式钢管脚手架验收表(含续表)GDAQ209020103-001
- 格式:xls
- 大小:14.50 KB
- 文档页数:42
扣件式钢管脚手架验收表一、基本信息1.1 工程名称:1.2 施工单位:1.3 监理单位:1.4 施工负责人:1.5 工程地址:1.6 施工起止日期:二、操作机具和仪器2.1 垂直仪:2.2 温度计:2.3 水平仪:2.4 坚定器:2.5 板尺:2.6 现场计算器:2.7 手电筒:三、材料验收情况序号批次品名规格型号检验结论备注123456四、钢管脚手架材料扣件状态检查4.1 扣件密封情况检查扣件中的垫片,确保垫片完好无损,并紧密贴合脚手架的钢管表面。
同时,检查扣件的锁紧螺丝是否紧固,以确保扣件能够固定住钢管。
4.2 扣件预应力状态使用扭矩扳手检查扣件预应力状态是否跟随设计要求,也需要根据实际情况进行调整,以防止扭矩过大或过小。
4.3 扣件使用寿命检查扣件的使用寿命是否已经超过了厂家设定的有效期,如果超过了有效期,就需要更换新的扣件。
五、钢管脚手架材料的安装质量检查5.1 检查脚手架基础脚手架基础要求坚实稳定,不得有沉降或倾斜现象。
对于需要改造的基础,需要重新设计支撑系统和计算负荷。
5.2 检查钢管尺寸检查传递的钢管长度、规格和大小,保证钢管的尺寸符合设计要求。
5.3 检查水平校正状态使用水平仪检查脚手架是否水平,对于高度不足1.2米的使用扛板或木板进行调节。
5.4 检查垂直度使用垂直仪来检查脚手架的垂直度,对于超过1.2米以上的需要视情况进行调整,以保证垂直度达到设计要求。
5.5 检查横向支撑状态检查横向支撑杆长度是否合适,以及水平安装是否牢固,杆与母杆是否良好连接。
六、结论和建议本次验收结果符合相关国家和地方法律法规和监管要求,并达到应有的施工标准。
鉴于施工现场难免存在异常情况,建议施工方及时把握质量问题,以便提高建筑质量水平,保障人民的生命财产安全。
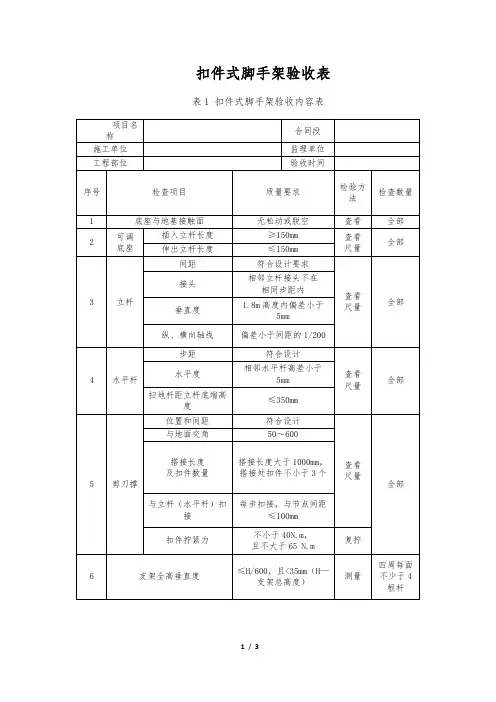
扣件式钢管脚手架验收表格脚手架验收表序号验收项验收内容1专项安全施工组织设计有专项安全施工组织设计并经上级审批,针对性强,能指导施工。
2设计计算书封闭(半封闭)脚手架必须有设计计算书,高度超过50m的脚手架应采用分段卸荷等有效措施,并专门设计。
3安全技术交底有专项安全技术交底。
4资质搭架单位及人员具有相应的资质。
5立杆基础基础应平整夯实,符合设计要求。
立杆底部铺设槽钢或50mm厚、长度不少于2跨的木垫板。
6扫地杆脚手架必须设置纵、横向扫地杆,设置位置应在距底座上皮不大200mm处的立杆上。
7立杆高度立杆顶端宜高出女儿墙上皮1m,高出檐口上皮1.5m。
8排水有良好排水措施且无积水。
9钢管脚手架钢管脚手架应采用外径48mm,壁厚为3.5mm的普通钢管。
严重锈蚀、压扁、弯曲、裂纹、打孔的钢管不得使用。
10扣件扣件应采用可锻铸的扣件,无裂纹、变形、滑丝,拧紧扭力矩为50-60N.m,并不得小于40N.m,且不得大于65N.m。
11脚手板脚手板可采用钢、木材料制作,每块质量应不大于30Kg。
木脚手板厚度应大于50mm,宽度应大于200mm,两端用铁丝箍牢,有腐配的不得使用;钢脚手板有裂纹、开焊、硬弯的不得使用。
12连墙件脚手架立杆必须用连墙件与建筑物可靠连接。
当架高在7m以下暂不能设置连墙件时,可搭设抛撑,抛撑每6跨设置一道,并与地面45°-60°夹角。
连墙件的布置:当架高不大于50m时,可三步三跨设置;架高大于50m时按二步三跨设置。
连墙件应靠近主节点,且不应大于300mm。
13双排脚手架高度在24m以下的双排脚手架宜采用刚性连墙件与建筑物可靠连接,或采用拉筋与顶撑配合使用的附墙连接方式。
不得使用仅有拉筋的柔性连墙件。
高度在24m以上的双排脚手架必须采用刚性连墙件与建筑物可靠连接。
连墙件的拉筋应采用直径4mm的钢丝拧成双股使用或采用不小于6mm的钢筋。
14剪刀撑24m以下单、双排外脚手架两端外侧应设置剪刀撑,并由底部至顶部连续设置,中间相邻剪刀撑净距不大于3m;24m以上的双排脚手架整个长度和高度方向应设置连续剪刀撑。
扣件式钢管脚手架检查验收表
表
注:本表由施工单位填报,监理单位、利用单位、安拆单位各存一份
门式钢管脚手架检查验收表
表
注:本表由施工单位填报,监理单位、施工单位、安拆单位各存一份
碗扣式钢管脚手架检查验收表
表
注:本表由施工单位填报,监理单位、施工单位、安拆单位各存一份
承插型盘扣式钢管支架检查验收表
表
注:本表由施工单位填报,监理单位、施工单位、安拆单位各存一份
满堂式脚手架检查验收表
表
注:本表由施工单位填报,监理单位、施工单位、安拆单位各存一份
悬挑式脚手架检查验收表
表
注:本表由施工单位填报,监理单位、施工单位、安拆单位各存一份
附着起落脚手架第一次安装完毕及利用前检查验收表
表
注:本表由施工单位填报,监理单位、施工单位、安拆单位各存一份。
附着式起落脚手架提升下降作业前检查验收表
表
注:本表由施工单位填报,监理单位、施工单位、租赁单位、安拆单位各存一份。
高处作业吊篮利用验收表
表
注:本表由施工单位填报,监理单位、施工单位、租赁单位、安拆单位各存一份。
悬挑式钢平台验收单
表
注:悬挑式钢平台,每移位一次须从头验收。