仪表安装与标准、典型工程举例
- 格式:ppt
- 大小:11.97 MB
- 文档页数:95
仪表安装施工方法1一般规定1.1仪表设备、主材经校验标定合格,报验已经批准,现场具备安装条件。
1.2仪表校验应在清洁、安静、光线充足或有良好的工作照明的室内进行,尽可能避免高温、潮湿、强腐蚀、强电磁及温度变化剧烈、震动较大的场所。
校验用标准仪器、仪表应具备有效的鉴定合格证书,其基本误差的绝对值不宜超过被测仪表基本误差绝对值的1/3。
1.3安装材料严格按照设计图纸选用,管件压力等级、垫片型号、螺纹制式、介质温度、压力、腐蚀性影响必须仔细核对,形成记录。
1.4用于指示的仪表一般距地面1.2-1.5米为宜,其他仪表应符合具体要求。
1.5需要脱脂的仪表应先进行脱脂,待脱脂检查合格后再进行安装。
1.6仪表检定必须取得具有社会法定公证效力的计量检定(测试)证书。
2校验2.1热偶(阻)、双金属温度计、压力仪表、孔板、流量仪表等计量仪表需经业主委托送至省技术监督局授权的法定计量检定单位进行标定。
2.2调节阀要进行气密和耐压强度试验(1 )气密试验:将0.1MPa的仪表风输入薄膜气室切断气源后5分钟内,气室压力不得下降。
(2)耐压强度试验:在阀门全开状态下用洁净水进行,试验压力为调节阀公称压力的 1.5倍,所有在工作中承受压力的阀腔应同时承压不少于3分钟,且不应有可见的泄漏现象。
2.3差压液位变送器校验时应水平放置,零点校验时应使正压室通大气,其它各点校验时用压力发生器向正压室输入相应压力信号。
带正负迁移的差压变送器应先进行零点和量程校验,然后进行迁移量校验,正迁移在正压室加迁移量所对应压力使输出为0%,负迁移在负压室加迁移量所对应压力使输出为0%。
2.4浮筒液位变送器宜用水校法校验。
校验时应确保零点液面准确,输出和输入信号应按介质密度进行换算。
当测量介质的密度小于1g/cm3时,应将各测量点的液面按下式换算成水的液面:hs=hj p j/p s式中:hs、hj---分别为介质和水的液面(mm );p s、p j---分别为介质和水的密度(g/cm3 )。
自动化仪表工程中的安装与调试分析摘要:近年来,在我国快速发展下,在社会经济水平不断提升下,带动了我国各行业领域的发展。
目前,为做好自动化仪表设备的安装及调试工作,介绍了自动化仪表安装的原则,探讨了关键部件的安装及调试工作,提出仪表安装调试人员应全面了解仪表类型、安装方式以及安装注意事项,并科学合理地调试仪表设备,以达到有效提高仪表设备安装质量、精准调试仪表。
关键词:自动化仪表;安装;调试引言电气自动化仪表的安装和调试工作是确保工业生产运行的重要环节。
整个过程包括了安装、调试、测试,在安装完成后,因为使用不当,出现了一些问题,如果不进行调试,很有可能会导致无法弥补的后果。
1化工自动化仪表的应用意义1.1推动企业自动化发展随着时代的进步和发展,自动化技术已经应用至生产的方方面面,对传统生产技术予以改善。
通过化工自动化仪表的应用,实现了数据性能的提升,推动我国科学技术进步,也让很多化工生产中的问题得以解决。
正是因为自动化仪表的使用,使得化工领域实现了数字化的结合发展,推动化工生产向着智能化发展进步,市场中很多新型仪表与智能仪表的应用,正是企业自动化发展之方向和形势呈现。
1.2合理选择安装设备的环境在对自动化仪表进行安装时,其位置的选择一定要适宜,使设备关于湿度与温度的所有要求得到满足。
所选择的安装设备的位置中,光线照明一定要非常充足,若安装的位置中有比较大的湿度,那么就会有水汽进入到仪表中,损坏元器件,进而影响设备的寿命,所以,保证附近环境的温度与湿度是非常关键的。
可是,不能在靠近高温设备的地方安装,由于仪表会有高温而使准确性降低,若环境比较干燥,就极易有静电产生,而且静电会把电子元器件击穿。
同时,需要注意附近环境的温度、湿度、仪表的防腐情况等,电子元器件会被化学物质所腐蚀,在化工环境比较特殊时,技术人员要做防腐蚀工作,而且是组件,如仪表、通信、电路等。
2电气自动化仪表工程安装2.1安装仪表在安装电气自动化仪表时,有关人员要对仪表的质量和完整性进行全面的检查,确保仪表的质量符合有关标准,以便为以后的安装工作提供便利。
化工仪表与自动化工程安装调试技术要求一、仪表安装一般规定就地仪表的安装位置应按设计文件规定施工,当设计文件未具体明确时,应符合下列要求:光线充足,操作和维护方便;仪表的中心距操作地面的高度宜为1.2〜1.5m;显示仪表应安装在便于观察示值的位置;仪表不应安装在有振动、潮湿、易受机械损伤、有强电磁场干扰、高温、温度变化剧烈和有腐蚀性气体的位置。
1.检测元件应安装在能真实反映输人变量的位置在设备和管道上安装的仪表应按设计文件确定的位置安装。
仪表安装前应按设计数据核对其位号、型号、规格、材质和附件。
随包装附带的技术文件、非安装附件和备件应妥善保存。
安装过程中不应敲击、震动仪表。
仪表安装后应牢固、平正。
仪表与设备、管道或构件的连接及周定部位应受力均匀,不应承受非正常的外力。
设计文件规定需要脱脂的仪表,应经脱脂检查合格后安装。
直接安装在管道上的仪表,宜在管道吹扫后压力试验前安装,当必须与管道同时安装时,在管道吹扫前应将仪表拆下。
直接安装在设备或管道上的仪表在安装完毕后.应随同设备或管道系统进行压力试验。
仪表上接线盒的引人口不应朝上,当不可避免时,应采取密封措施。
施工过程中应及时封闭接线盒盖及引人口。
对仪表和仪表电源设备进行绝缘电阻测量时,应有防止弱电设备及电子元件被损坏的措施。
仪表设备的产品铭牌和仪表位号标志应齐全、牢固、清晰。
2.仪表盘、柜、箱的安装仪表盘、柜、操作台的安装位置和平面布置应按设计文件施工。
就地仪表箱、保温箱和保护箱的位置,应符合设计文件要求,且应选在光线充足、通风好和操作维修方便的地方。
仪表盘、柜、操作台的型钢底座的制作尺寸,应与盘、柜、操作台相符,其直线度允许偏差为1mm∕m,当型钢底座长度大于5m时,全长允许偏差为5mm。
仪表盘、柜、操作台的型钢底座安装时,上表面应保持水平,其水平度允许偏差为Imrn∕m,当型钢底座长度大于5m时,全长允许偏差为5mm。
仪表盘、柜、操作台的型钢底座应在地面施工完成前安装找正。
仪表安装施工要求内容:本工程施工作业质量标准及检验要求执行中华人民共和国国家标准《自动化仪表工程施工及验收规范》GB 50093-2002,质量目标:创优良工程,单位工程一次交验合格率为100%,质量事故为零。
施工前,应仔细翻阅施工图,理解设计意图。
核对施工图纸设计组材是否齐全无漏项,与现场实际安装位置是否有冲突之处,以及跟其它专业的交叉等。
及时做好图纸会审记录。
一.盘柜安装盘柜安装前应先安装基础底座,找平、找正后焊接牢固,接地完好。
把盘柜拆除外包装清扫擦拭干净后,按总平面布置图的位置尺寸吊运到指定安装位置,固定在底座上。
根据布置图指定位置,按先里后外的顺序将所有盘柜设备吊运到安装位置摆好。
注意:吊装使用的吊绳必须是足够强度的尼龙绳或套有橡胶管的钢丝绳,吊运时应防止碰撞擦伤外壳。
二.支架、桥架、电缆保护管安装桥架支架安装应牢固,能足以承担桥架自身和电缆重量。
桥架走向符合设计要求,尽量避开高温管线及高温设备。
其水平偏差≤5mm,支架间距≤3m,左右偏差≤10mm。
桥架连接板的螺栓应紧固,螺母位于桥架外侧,桥架经切割后的锋利刃口及尖端处,应打磨光滑。
桥架安装应由大规格开始依次进行,多层次的地方应从下层开始。
仪表桥架应与电气桥架在水平与垂直方向均要保持0.6M以上的距离,以防电气桥架电缆中的强磁场干扰仪表信号,仪表桥架内的电缆量不应超过桥架布线总量的三分之一,最大也不应超过二分之一;电缆保护管安装,应尽量离开高温管线及高温设备,并且应避免与高温管线平行敷设。
电缆保护管应采用机械加工,镀锌管采用丝口连接,管子与电缆槽架间的连接,采用制造厂成套专用接头,桥架开孔采用机械开孔,不得用气割及电焊刺孔。
配管排列要整齐,支架布置合理牢固,弯曲半径≥所穿电缆的允许弯曲半径,一般为管内径的10倍以上,固定卡间距≤2m。
仪表侧配管高度要低于仪表,以防日后仪表进水。
电缆保护管不应有穿孔、裂缝,弯制后的保护管无显著凹瘪现象,管口要除毛刺并密封。
电气仪表安装工程安装方案1、仪表的选用仪表的选用应根据工艺生产过程对控制参数检测的要求,按经济原则,合理地对仪表种类、型号、量程、精度等级等方面进行选择。
在仪表的选用上,应选择专业厂家所生产的设备,应有出厂合格证和产品说明书,同时,在安装前,应向监理报验,需检测的设备应在检测合格后方能安装使用。
2、仪表的安装㈠一般规定⑴仪表应安装在光线充足,操作维修方便的地方。
尽可能地避免高温、潮湿、强腐蚀、强电磁以及温度变化比较剧烈、搬运物品比较频繁的场所。
⑵安装仪表时,不能使其承受外来机械压力。
若条件允许,可以给每个仪表加装固定装置。
⑶仪表安装材料必须严格按设计要求使用。
管件压力等级、垫片型号、螺纹制式等必须仔细检查,避免出错。
⑷用于指示的仪表,一般距地面1.2~1.5m为宜,其它仪表应符合相关要求。
⑸带有接线盒的仪表,应使接线盒口朝下。
⑹需要脱脂的仪表,应先进行脱脂,待脱脂检查合格后,再进行安装。
㈡温度仪表安装的有关规定⑴在多粉尘的工艺管道上安装的测温元件,应采取防止磨损的保护措施。
⑵热电偶或热电阻安装在易受被测介质强烈冲击的地方以及水平安装时,其插入深度大于1m或温度大于700℃时,应采取防弯曲措施。
⑶表面温度计的感温面应与被测表面紧密接触、固定牢固。
㈢压力仪表安装的有关规定⑴测量低压的压力表或变送器的安装高度,宜与取压点的高度一致。
⑵就地安装的压力表不应固定在振动较大的工艺设备或管道上。
⑶测量高压的压力表安装在操作岗位附近时,宜距地面1.8m以上,或在仪表下面加保护罩,以免发生事故时,击伤操作人员。
㈣流量仪表安装的有关规定⑴孔板或喷嘴安装前应进行外观检查,孔板的入口和喷嘴的出口边缘应无毛刺和圆角。
并按现行的国家标准《流量测量装置的设计安装和使用》的规定复验其加工尺寸。
另外,在安装前进行清洗时,不应损伤节流件。
⑵在水平和倾斜的工艺管道上安装孔板或喷嘴,若有排泄孔时,排泄孔的位置应于液体介质应在工艺管道的正上方,对于气体及蒸汽介质应在工艺管道的正下方。
仪表安装施工方案
一、前言
本文主要介绍在工业领域中仪表安装的施工方案,旨在提高安装效率与质量,确保仪表的正常运行与使用。
二、准备工作
在进行仪表安装前,需要进行以下准备工作:
1.确认仪表的型号与规格,了解其安装要求;
2.准备所需的工具和仪器,包括螺丝刀、扳手、水平仪等;
3.安排好工作人员,保证人员技术能力与安全意识;
4.制定安全操作规程,确保施工过程安全。
三、安装步骤
1. 确定安装位置
根据仪表的使用要求,选择合适的安装位置,确保仪表能够准确读取数据。
2. 连接电路
根据仪表的接线图和电气布置图,正确连接电路,确保电气连接正确无误。
3. 固定安装
使用螺丝、螺母等工具,将仪表牢固地安装在设备或墙壁上,确保安装稳固。
4. 调试测试
安装完成后,进行仪表的调试测试,确保仪表能够准确读取数据。
四、注意事项
1.在安装过程中,严禁使用损坏的仪表进行安装,以免造成安全事故;
2.安装过程中,应注意保护仪表的外壳,避免划伤或损坏;
3.安装完成后,应将多余的零件及时清理干净,确保施工现场整洁;
4.在安装过程中,严格遵守相关安全规定,确保施工人员的人身安全。
五、总结
仪表的安装施工是工业生产中重要的环节,合理的施工方案能够提高安装效率与质量,确保仪表的正常使用。
通过本文的介绍,相信读者能够更好地了解仪表安装的施工步骤与注意事项,为实际工作提供参考与指导。
仪表安装施工规范取源部件的安装一般规定1.取源部件的安装,应在工艺设备制造或工艺管道预制、安装的同时进行。
2.安装取源部件的开孔与焊接工作,必须在工艺管道或设备的防腐、衬里、吹扫和压力实验前进行。
3.在高压、合金钢、有色金属的工艺管道和设备上开孔时,采用机械加工的方法。
4.在砌体和混凝土浇注体上安装的取源部件应在砌筑或浇注的同时埋入,当无法做到时,应予留安装孔。
5.安装取源部件不宜在焊缝及其边缘上开孔及焊接。
6.源阀门应按现行的国家标准《工业管道工程施工及验收规范》的规定检验合格后,才能安装。
7.取源阀门与工艺设备或管道的连接不宜采用卡套式接头。
二、温度取源部件1.温度取源部件的安装位置应选在介质温度变化灵敏和具有代表性的地方,不宜选在阀门等阻力部件的附近和介质流束呈死角处以及振动较大的地方。
2.热电偶取源部件的安装位置,宜远离强磁场。
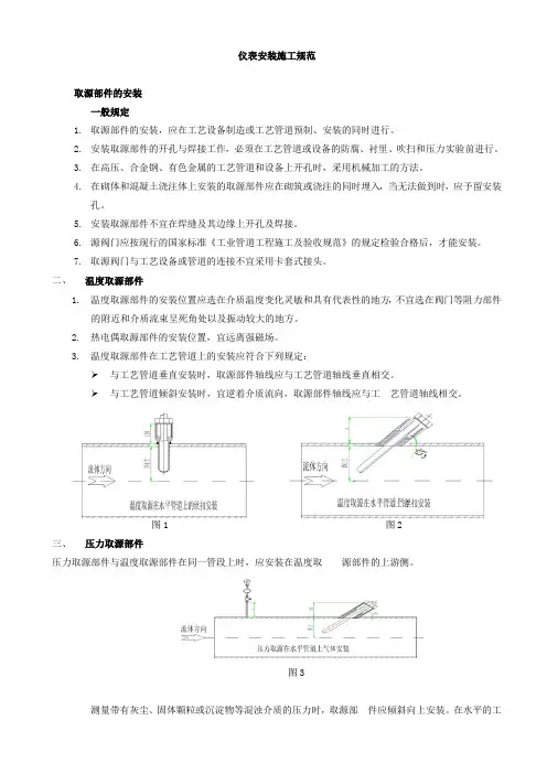
3.温度取源部件在工艺管道上的安装应符合下列规定:➢与工艺管道垂直安装时,取源部件轴线应与工艺管道轴线垂直相交。
➢与工艺管道倾斜安装时,宜逆着介质流向,取源部件轴线应与工艺管道轴线相交。
图1 图2三、压力取源部件压力取源部件与温度取源部件在同一管段上时,应安装在温度取源部件的上游侧。
图3测量带有灰尘、固体颗粒或沉淀物等混浊介质的压力时,取源部件应倾斜向上安装。
在水平的工艺管道上宜顺流束成锐角安装。
图43、压力取源部件的安装位置应选在介质流束稳定的地方。
4、压力取源部件的端部不应超出工艺设备或管道的内壁。
5、当测量温度高于60℃的液体、蒸汽和可凝性气体的压力时,就地安装的压力表的取源部件应带有环形或U型冷凝弯。
6、压力取源部件在水平和倾斜的工艺管道上安装时,取压口的方位应符合下列规定:➢测量气体压力时,取源部件应在工艺管道的上半部➢测量液体压力时,取源部件应在工艺管道的下半部与工艺管道的水平中心线成0~45度夹角的范围内。
图5 图6四、流量取源部件图7 图8转子流量计安装要求:实际的系统工作压力不得超过流量计的工作压力。
自动化仪表安装规范篇一:《自动化仪表工程施工及验收规范》强制性条款建设部工关于发布国家标准《自动化仪表施工及验收规范》GB50093-2002的99号公告中明确规定以下32条款为强制性条文,必须严格执行。
规定强制性条款的目的在于确保人身安全和自动化仪表工程的施工安全、质量。
1.0.3 仪表工程施工应符合设计文件及本规范的规定,并应符合产品安装使用说明书是要求。
对设计的修改必须有原设计的文件确认。
4.1.3 在设备或管道上安装取源部件的开孔和焊接工作,必须在设备或管道的防腐、衬里和压力试验前进行。
4.5.6 安装浮球式液位仪表的法兰短管必须保证能在全量程范围内自由活动。
5.2.11 仪表盘、柜、台、箱在搬运和安装过程中,应防止变形和表面油漆损伤。
安装及加工中严禁使用气焊方法。
5.5.1(3)节流件必须在管道吹扫后安装。
5.5.1(4)节流件的安装方向,必须使流体从节流件的上游端面流向节流件的下游端面。
孔板的锐边或喷嘴的曲面侧应迎着被测流体的流向。
5.5.2 差压计或差压变送器正负压室与测量管道的连接必须正确,引压管倾斜方向和坡度以及隔离器、冷凝器、沉降器、集气器的安装均应符合设计文件的规定。
6.1.7 当线路周围环境温度超过65℃时,应采取隔热措施。
当线路附近有火源时,应采取防火措施。
6.1.15 测量电缆电线的绝缘电阻时,必须将已连接上的仪表设备及部件断开。
6.1.17 在线路终端处,应加标志牌。
地下埋设的线路,应有明显的标识。
7.1.3 仪表管道埋地敷设时,应经试压合格和防腐处理后方可埋入。
直接埋地的管道连接时必须采用焊接,在穿过道路及进出地面处应加保护套管。
7.2.4 测量管道与高温设备、管道连接时,应采取热膨胀补偿措施。
7.6.5 当仪表管道引入安装在有爆炸和火灾危险,有毒及腐蚀物质环境的仪表盘、柜、箱时,其引入孔处应密封。
8.1.1 需要脱脂的仪表、控制阀、管子和其他管道组成件,必须按照设计文件规定脱脂。
机电工程仪表安装和调试要点刘国宏摘㊀要:近年来ꎬ随着机电工程领域的快速发展ꎬ各种自动化仪表的应用越来越广泛ꎬ给人们带来了极大的方便ꎮ基于人们的需求和工程要求ꎬ加强机电工程施工质量控制已成为人们关注和研究的焦点ꎮ仪表作为重要的仪器设备ꎬ占据着重要的地位ꎬ要做好常见问题的处理和注意事项的控制ꎬ保证机电工程的效果ꎮ关键词:机电工程ꎻ仪表安装ꎻ调试要点一㊁自控仪表安装特点(一)自动化工业仪表的数据处理特点仪器在实际应用中会出现一些不可预知的情况ꎬ如抗干扰㊁自检㊁校准㊁测量值等ꎬ需要注意ꎮ随着科研人员的不断实验和探索ꎬ我们发现了微处理器的一些优点ꎬ可以帮助人们解决这些不易被人工发现和处理的问题ꎮ自动化工业仪表的数据处理可以通过分析实际情况来减轻软件厂商的压力ꎮ(二)项目进展优势有的企业使用自动化仪表来支持工业自动化仪表的使用ꎬ这样可以尽可能减少人力资源的浪费ꎬ在参考自动化仪表时ꎬ可以提高数据的准确性和工程速度ꎬ并通过计算得到相关的结果ꎬ辅助人们完成工作ꎮ二㊁机电工程仪表安装要点(一)自动化仪表设备的安装要求分析一般来说ꎬ仪表设备的安装ꎬ要做好以下要求的把握: (1)现场仪表的安装位置ꎮ选择的位置ꎬ需确保光线充足ꎬ并且便于安装操作和后期维护ꎻ仪表的中心距离操作地面控制在12~15m范围内ꎻ显示仪表的布置ꎬ选择便于后期观察示值的位置ꎻ安装位置不得选择在有振动和潮湿的地方ꎬ并且安装位置周围不存在强电磁场干扰ꎬ温度和湿度条件等适宜ꎮ(2)对于设备与管道位置上的仪表ꎬ应该按照设计文件的规定ꎬ选择安装位置ꎻ开展仪表安装作业前ꎬ根据设计文件进行信息核对ꎬ包括位号和型号以及材质等ꎮ(3)安装作业中ꎬ不可以敲击以及振动仪表ꎬ并且不应承受非正常外力ꎮ(4)对于布置在设备或者管道上的仪表ꎬ结束安装作业后ꎬ要组织开展压力试验ꎮ(5)对于仪表接线箱ꎬ按照要求进行密封处理ꎮ总的来说ꎬ要严格按照安装与调试操作的标准和规范ꎬ做好工作要点和细节的有力控制ꎬ确保仪表的使用性能实现ꎮ(二)现场仪表盘的安装开展安装作业前ꎬ要明确电器仪表的总控出入管线位置ꎬ同时要设计规划适合的钢槽ꎻ对仪表盘安装作业现场进行检查ꎬ尤其是槽钢架ꎬ确保其能够达到安装要求ꎬ有序推进安装作业ꎬ为后期的调试工作扎实基础ꎮ安装前期工作中ꎬ槽钢的加工为重点把控环节ꎮ完成制作工作时ꎬ要按照电器仪表规格尺寸ꎬ定位对应的预留孔位置ꎬ确保可以满足安装需求ꎮ(三)仪表设备和管路的安装当完成仪表和其他部件的现场操作之后ꎬ进入到设备管线的安装环节ꎬ因为仪表设备和管路具有不规则性ꎬ所以开展管路安装作业前ꎬ要进行仪表设备以及管路设计的审核ꎬ保证设计的合理性ꎬ确保零部件位置以及数量等达到要求ꎬ为整个安装和调试工作的开展提供指导ꎬ确保整个安装作业的质量达标ꎮ例如ꎬ温度检测仪表的安装ꎮ若测温元件布置在极易受到强烈冲击的位置ꎬ那么要严格按照设计文件规定ꎬ做好防弯曲措施ꎻ安装压力使温度计ꎬ保证温包完全浸入被测对象内ꎻ布置在粉尘环境中的测温元件ꎬ安装时要做好防磨损措施ꎻ安装的表面温度计ꎬ其感温面和被测对象表面必须要紧密接触ꎬ同时要做好固定ꎮ三㊁电气仪表调试(一)电器仪表调试与试运行电气仪表的调试工作是在机电工程系统环境下进行的ꎬ在这一过程是对仪表负载和空载状态的运行性能以及电缆线路匹配的准确性进行调试的过程ꎮ在调试过程中需要严格执行调试运行程序ꎬ在试调一开始前先需要先对电气仪表的完整性进行检查ꎬ查明仪表是否存在遗漏部件的情况出现ꎬ对电器仪表的性能以及技术参数进行全面调试ꎬ使整个系统的稳定性得到一定的检测ꎬ这样才能让仪表的安装质量有所保证ꎮ在试调工作结束之后ꎬ就要对系统的试运行进行验收ꎬ技术人员需要在这一过程中对电气仪表的各项组成构建进行检测ꎬ检测的重点内容就是控制系统以及管路的可操控性和准确性ꎮ试运行是在联机状态下进行的ꎬ对机电工程整体运行的平稳性进行检测ꎬ使电气仪表作业时的精准度可以达到机电工程的设计要求ꎮ系统的试运行需要机电工程的施工方以及验收方共同进行ꎬ只有在双方都确认没有错误之后机电工程的安装调试工作才算正式完成ꎮ(二)提升仪表调试质量的有效策略电气仪表在进行安装之前必须要有着详细的安装设计方案ꎬ在调试过程中对技术也有着一定的要求ꎬ参与调试的技术人员一定要有着详尽的专业理论知识和丰富的试调经验ꎬ而且要让调试人员对通电校验以及接线问题等关键步骤的重要性有着清楚的认知ꎬ让调试人员就调试工作可以按照仪表的调试技术流程进行ꎮ在进行仪表调试的过程中ꎬ基础性环节就是信号较对ꎬ对仪表的科学距离有着严格且合理的控制调整ꎮ在对仪表进行实际的校对时ꎬ一定要使高压线路与高压变频设备与仪表有着一定的安全距离ꎬ这样才不会让仪表受到周围其他线路产生磁场的干扰ꎬ让电气仪表的工作信号可以有保障ꎮ仪表在进行调试过程中可能出现的常见问题之一也包括接线问题ꎬ为了避免调试效果受到仪表线路松动的影响ꎬ在进行调试时ꎬ会对线路端口的牢固性进行相应的检查ꎬ使仪表调试的校对效率有所提高ꎮ四㊁结束语综上所述ꎬ机电工程仪表的安装与调试ꎬ关系着仪表的使用价值发挥ꎬ因此要做好严格的把控ꎮ文中结合机电工程仪表安装与调试实践ꎬ总结了安装与调试的要点ꎬ提出了工作质量的把控措施ꎮ整个操作中ꎬ要严格按照规范操作ꎬ确保仪表安装作业的质量达标ꎮ参考文献:[1]邢刚.机电工程仪表安装和调试要点[J].设备管理与维修ꎬ2019(22):66-67.[2]蒋勇.浅谈机电工程中电气仪表安装和调试要点[J].机电信息ꎬ2019(32):21ꎬ23.[3]苑朝鸣ꎬ李姿.浅谈机电工程中电气仪表安装和调试要点[J].南方农机ꎬ2019ꎬ50(15):223.作者简介:刘国宏ꎬ男ꎬ汉族ꎬ河北石家庄人ꎬ研究方向:机电ꎮ601。
化工工程自动化仪表安装要点摘要:化工工程自动化仪表的安装要点是本论文研究的重点。
本论文首先介绍了化工工程的背景和重要性,然后阐述了自动化仪表在工程中的作用和应用。
接着详细讨论了自动化仪表安装的基本原则和要求,包括选址、布局、安装检查等方面。
最后总结了安装中需要注意的关键要点,为工程实践提供了参考。
通过本论文的研究,我们深入了解了化工工程自动化仪表的安装要点,并提出了安装的基本原则和技术要求。
这些要点和要求能够有效提高仪表安装的质量和效率,保证系统运行的稳定性和可靠性。
我们的研究成果可以为化工工程实践中的仪表安装提供指导和参考。
关键词:化工工程;自动化仪表;安装;要点导言:化工工程自动化仪表的安装是化工工程中非常重要的一个环节。
化工工程作为一门将物理、化学、生物等学科的原理应用于化工生产中的工程学科,其自动化仪表在工程中的作用不可忽视。
自动化仪表能够对生产过程中的各种参数进行准确测量和控制,实现生产过程的自动化和信息化管理,提高生产效率和产品质量。
因此,对自动化仪表的安装要点进行深入研究,对于确保仪表安装的质量和效率,保证整个系统的稳定性和可靠性具有重要意义。
1自动化仪表的作用和应用1.1作用和应用概述自动化仪表在化工工程中起着至关重要的作用。
它们是监测、控制和调节化工过程的关键工具。
自动化仪表可以进行各种物理量的测量,如温度、压力、流量、液位等。
通过这些测量结果,可以准确了解过程参数,为工程操作和管理提供依据。
此外,自动化仪表还能实现反馈控制,通过调节和控制各种过程参数,确保工艺的稳定和可靠。
化工工程中的自动化仪表主要包括传感器、信号传输装置、控制器和执行机构等各种设备。
传感器用于将物理量转换为电信号,信号传输装置用于将信号传输到控制器,控制器对信号进行处理并发出控制指令,执行机构负责根据指令执行相应动作。
通过这些设备的协同工作,自动化仪表能够实现对化工过程的全面监测和控制。
自动化仪表在化工工程中的应用非常广泛。
仪表施工安装要求一、总则1、现场检测元件的安装应确保其检测的准确性。
2、仪表设备安装(包括附件、辅助设备的安装)必须安全可靠。
3、现场仪表及调节阀的安装应便于工作人员的观察、记录、维修、检验。
4、含电子设备的现场仪表应避开电磁干扰和静电干扰,当无法避开时,应采取适当的抗电磁干扰、静电干扰措施。
5、现场仪表的安装应避开高温、强烈振动等影响测量准确性的场所。
6、特殊仪表的安装应严格遵照制造厂安装要求安装。
7、仪表施工安装应满足以下规范(规定)的要求(但不限于所列规范、规定);《自动化仪表工程施工及验收规范》——GB50093-2002《电气装置安装工程电缆线路施工及验收规范》——GB50168-92《石油化工仪表工程施工技术规程》——SH3521-1999《自控安装图册》——HG/T21581-95二、现场仪表及控制阀的安装1、一般要求(1)仪表安装时测量管路应尽可能短(过热蒸汽等高温介质例外),安装位置和高度应是通过地面和平台、走道或固定梯子可以接近的地方,以方便维护。
现场仪表的安装位置应按设计文件规定施工,当设计文件未具体明确时,应符合下列要求:A、光线充足,操作和维护方便;B、显示仪表应该安装在便于观察示值的位置;C、仪表不应安装在有振动、潮湿、易受机械损伤、有强电磁场干扰、高温、温度变化剧烈和有腐蚀性气体的位置;D、检测元件应安装在能真实反映输入变量的位置。
(2)仪表安装前应按设计数据核对其位号、型号、规格、材质和附件。
随包装附带的技术文件、非安装附件和备件应妥善保存。
(3)施工安装过程中不应敲击、震动仪表。
仪表安装后应牢固、平正。
仪表与设备、管道或构件的连接及固定部位应受力均匀,不应承受非正常的外力。
(4)直接安装在管道上的仪表,宜在管道吹扫后压力试验前安装,当必须与管道同时安装时,在管道吹扫前应将仪表拆下。
(5)直接安装在设备或管道上的仪表在安装完毕后,应随同设备或管道系统进行压力试验。