瓦斯综合治理评分表新标准
- 格式:doc
- 大小:128.00 KB
- 文档页数:8
四川省“十二五”煤矿瓦斯综合治理工作体系建设评估标准及评分办法煤矿矿井名称:年月日章节小项及标准标准分评分办法得分备注第一章、采掘布局合理一、优化生产布局。
矿井、采区和工作面设计要满足瓦斯治理的需要,优先开采保护层和实施区域预抽。
30(一)采用斜井开拓或暗斜井开拓的矿井至少设置3个井筒,其中1个井筒为混合运输井兼作入风和安全出口,1个井筒为正常情况下为人员进出通道兼作入风和安全出口,1个井筒为回风井兼作安全出口。
采用平硐开拓的矿井只设2个井筒时,其中1个井筒为混合运输井兼作入风和正常情况下人员进出通道, 1个为回风井兼作安全出口。
4必备条件,一条不符合要求本大项不得分。
(二)生产矿井必须至少有2个能行人的通达地面的安全出口,井下每一个水平到上一个水平和各个采区都必须至少有2个便于行人的安全出口,并与通达地面的安全出口相连接。
3(三)一个采区内同一煤层的一翼最多只能布置1个回采工作面和2个掘进工作面同时作业;一个采区内同一煤层双翼开采或多煤层开采的,该采区最多只能布置2个回采工作面和4个掘进工作面同时作业。
严禁在采煤工作面范围内再布置另一采煤工作面同时作业。
严禁1个采区(带区)内布置2个对拉工作面或1个对拉面和1个单采面同时组织生产。
5(四)年生产能力6万吨的矿井单翼开采时,最多只能布置1个采煤工作面和2个掘进工作面同时生产;两翼开采时最多只能布置2个采煤工作面和4个掘进工作面同时生产。
5(五)所有矿井采煤工作面均不得采用前进式采煤方法。
突出煤层的回采工作面严禁采用水力采煤法、倒台阶采煤法及其他非正规采煤法。
4(六)按《煤矿安全规程》规定设置专用回风巷,正常情况下,作业人员不得从矿井主要回风系统中进、出(巡检人员除外)。
5(七)采取开采保护层和预抽煤层瓦斯区域防突措施。
突出矿井具备保护层开采条件的,应首先布置开采保护层,不具备保护层开采技术条件的,经济合理时应选择对被保护层有保护作用的极薄煤层乃至软岩作为保护层开采。
煤矿瓦斯治理能力评估标准及评分办法表号:XMGF23-004龙家山煤矿瓦斯治理能力评估标准及评分办法实际得分:序号评估内容评估标准评分办法检查情况标准分得分一、理念先进100 931 瓦斯不治矿无宁日公司总工程师为党委委员、行政第一副职;公司及煤矿设置专职通风副总工程师;突出矿设专职地质副总工;公司和煤矿设置瓦斯、地质管理机构,配齐专业技术管理人员(瓦斯≥15人,地质≥15人)。
总工不是第一副职扣2分;副总工缺一个扣2分;非专职的扣1分;瓦斯、地质机构少一个扣1分,人员不足扣2分10 102 瓦斯事故是可以预防和避免的采面<8m3/t、掘进头<3m3/min下采掘;杜绝3%及以上瓦斯超限,否则公司总经理组织分析、处理,找超限矿矿长、书记警示谈话;公司、矿每周剖析一个矿瓦斯治理工作,公司每月专题会,会上被剖析单位述职。
建立“三级地质保障制度”;建立专业化地质预测预报专业队伍。
采面未实测或达标扣3分;超限未分析或未警示谈话各扣3分;专题会未剖析或未述职均扣3分。
会议、剖析和谈话必须有记录20 203 可保必保,应抽尽抽有条件的必须开采保护层,并做效果考察和有效范围确定;有可能的,必须做试验考察。
地点上:开采层、邻近层、被保护层、采空区、层间裂隙带都应抽采;范围上:高密度、孔距小于抽采直径,钻孔控制设计的全部范围,无盲区;时间上:采前预抽、边采边抽、采后抽;浓度上:高浓抽、低浓抽;高压预抽,二次封孔增压或增透预抽瓦斯;方式上:穿层抽、顺层抽。
可保未保扣3分,开采了未考察,扣2分;应抽地点未抽一处扣1分。
10 104 通风是基础,抽采是重点,防突是关键,监测监控是保障。
通风系统完善、可靠,抽采作为治理瓦斯主要措施,区域抽采先行、达标有效后采掘;防突是关键目的,消突是目的;监控系统完善、运行正常,控制有效。
通风、抽采、防突、监控每项不完善扣2分;管理不善每项扣1分。
10 105 高投入、高素质、强技术、严管理安全投入≥35元/吨,其中瓦斯治理占50%,且满足需要,科技经费占公司销售收入的1~3%;防突、瓦检、安监员工资收入达到所在单位采掘员工平均水平,井下职工人均工资不低于当地人均工资的3倍;井下职工以技术毕业生为主,公司组建打钻、岩巷施工专业化队伍,煤矿组建防突、抽采、通风、揭煤、监控专业化队伍;班队长年轻化、专业化,“一通三防”班队长由职业高中、大学毕业生担任;公司和煤矿选拔“技术拔尖人才”、“技术工人拔尖人才”,并发放津贴;规范管理者的管理行为和操作者的操作行为,关键岗位“手指口述”;强技术、严管理。
瓦斯防治效果分级评价规定————————————————————————————————作者: ————————————————————————————————日期:瓦斯防治效果分级评价规定根据国家能源局《煤矿企业瓦斯防治能力评估管理办法和标准》(国能煤炭[2011]4147号)及黔能源煤炭[2012]56号文件关于煤矿企业瓦斯防治能力评估实施意见,特制定三鑫煤矿瓦斯防治效果分级评价规定。
评价分级一级由公司组织人员对各矿井进行评级,二级由矿成立评级小组对本矿进行瓦斯治理能力进行评级。
评价标准:1、贵州省煤矿企业瓦斯防治能力基本标准(见后附表1)2、瓦斯抽采管理制度(见下抽采制度规定内容)评分标准:1、贵州省煤矿企业瓦斯防治能力基本标准评分说明(见后附表2)一级评分不低于80分,瓦斯防治能力基本达到。
二级评分不低于90分,瓦斯防治效果合格,低于90分的不合格。
一、成立评价机构评价组长:矿长副组长:矿总工程师成员:副矿长,副总工程师、一通三防各科长负责本矿瓦斯防治管理能力与效果评分评级,根据评分评级考核矿级领导与各科室正副职。
二、评价程序:由矿组织先评分评级后申报公司后,由公司组织人员对矿进行瓦斯防治能力与总体评分评级。
贵州省煤矿企业瓦斯防治能力评估标准及评分表基本标准分值评分规定从业经历15煤矿企业具有3年以上高瓦斯、煤与瓦斯突出矿井的煤炭生产年限,或5年以上瓦斯矿井的煤炭生产年限。
作为必备指标,不设分值。
达不到要求,即认定不具备瓦斯防治能力。
煤矿企业董事长或总经理至少1人具有5年以上高瓦斯、煤与瓦斯突出矿井工作经历,或具有5年以上高瓦斯、煤与瓦斯突出矿井的煤矿企业管理工作经历。
作为必备指标,不设分值。
达不到要求,即认定不具备瓦斯防治能力。
煤矿企业总工程师具有5年以上高瓦斯、煤与瓦斯突出矿井安全生产管理经历,或有高瓦斯、煤与瓦斯突出矿井的煤矿企业安全生产管理经历。
5 不具备相应从业经历的不得分。
煤矿企业通风副总工程师、地质测量副总工程师具有5年以上高瓦斯、煤与瓦斯突出矿井相关业务工作经历,或有高瓦斯、煤与瓦斯突出矿井的煤矿企业相关业务工作经历。
大河煤矿瓦斯治理安全质量标准化评分明细表
大河煤矿得分: 月份
说明:1、矿井应建瓦斯抽采系统而未按要求建立的,除在“基本要求”项中扣分外,“瓦斯抽采”项按缺项处理不得分。
2 、低瓦斯矿井可以不采取抽采瓦斯措施的,“瓦斯抽采”项可以直接得分。
3、经有资质单位鉴定不属煤与瓦斯突出矿井的,“防治煤与瓦斯突出”项可以直接得分。
4、位于煤与瓦斯突出矿区的矿井,井下揭露煤层未按规定进行煤与瓦斯突出危险性鉴定的,检查评定时煤层按突出煤层,矿井按突出矿井进行考核评
级。
负责人: 检查人员: 日期: 年月日。
2023年全国职业技能大赛(行业特色赛项)煤矿瓦斯检查(煤矿安全)高职组光学瓦检器故障判断报告表选手赛位号:仪器组别:比赛用时:
裁判签名:日期:
2023年全国职业技能大赛(行业特色赛项)
煤矿瓦斯检查(煤矿安全)高职组光学瓦斯检定器选定及故障判断评分标准表选手赛位号:仪器组别:比赛用时:
裁判签名:
裁判长签名:
日期:
煤矿瓦斯检查(煤矿安全)高职组瓦斯、二氧化碳浓度实测报告表选手赛位号:气样组别:比赛用时:
裁判签名:
裁判长签名:
日期:
煤矿瓦斯检查(煤矿安全)高职组瓦斯、二氧化碳浓度测定评分标准表选手赛位号:气样组别:比赛用时:
煤矿瓦斯检查(煤矿安全)高职组测定瓦斯前准备工作评分标准表选手赛位号:比赛用时:
裁判签字:裁判长签字:。
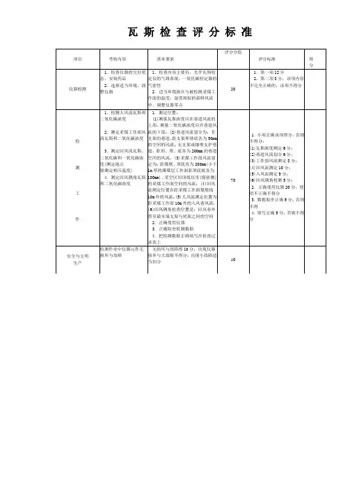
瓦斯检查员技术比武实际操作评分表单位姓名一、瓦斯检查点的设置:1、采煤工作面的瓦斯检查牌板设置在距回风出口30米范围内的回风道中。
采煤工作面的回风巷风流的界定:指距支架和巷底各为50mm的采煤工作面回风巷道空间内的风流。
采煤工作面回风巷风流中的瓦斯和二氧化碳的浓度,应在采煤工作面煤壁线10m以外的采煤工作面的回风巷风流中测定,并取其最大值作为测定结果和处理标准。
采煤工作面的风流界定:指距煤壁、顶、底各为200mm和以采空区的切顶线为界的采煤工作面空间内的风流。
采煤工作面运输巷风流的界定参照回风巷风流的界定。
2、掘进工作面的瓦斯检查牌板的设置:炮掘工作面设置在放炮地点,综掘工作面设置在工作面50米范围内。
巷道风流范围的划定:有支架的巷道距支架和巷道底板各为50mm的巷道空间内的风流,无支架或用锚喷、砌碹支护的巷道距巷道顶、底、帮各为200mm的巷道空间内的风流。
掘进工作面的风流界定:指掘进工作面到风筒出口这一段巷道空间内的巷道风流。
掘进工作面回风巷风流界定:指风筒出口到风流汇合处的这一段巷道空间内的巷道风流。
3、无司机的机电硐室设在回风口处,有司机的设在司机处。
4、(1)、掘进工作面空气温度的测点,应在工作面距迎头2米处的回风流中。
(2)、长壁式采煤工作面空气温度的测点,应在运输巷空间中央距回风道口15米处的风流中。
(3)、机电硐使空气温度的测点,应选在硐室回风道口的回风流中。
(4)、测点不应靠近人体发热或制冷设备,至少0.5米5、矿井总回风、一翼回风和采区回风的巷道风流范围的划定方法与巷道风流划定方法相同。
矿井总回风、一翼回风中的瓦斯和二氧化碳的浓度测定,应在测风站内进行;采区回风道风流中的瓦斯、二氧化碳的浓度测定,应在该采区全部回风流会合后的风流中进行。
采煤工作面放炮地点附近20米范围内的风流即是放炮地点沿工作面煤壁方向的两端各20米范围内的采煤工作面风流。
掘进工作面放炮地点20米范围内的风流即是放炮的掘进工作面向外20米范围内的巷道风流。
瓦斯检查工实操比武评分表
选手姓名:编号:
项目评分标准总分扣分原因实得分
仪器仪表(10分)仪器仪表领取、检
查及调零
未按规定到达和准备扣2分;未带有效证件扣2分;每少一件
器具(记录笔、检查杖、检查手册、检查辅助胶管、棉纱、
粉笔、温度计、计时器)扣1分;仪器出现一处不完好扣1分;
仪器未检查、未描述完好、一项(外观、电路、光路、气路、
药品、精度)扣2分;设置故障不能排除扣2-5分;未进行调
零扣5分;调零操作不正确,一项扣1分。
10分
现场检查(85分)沿途检查
按规定路线检查沿途通风系统设施、防尘系统设施、及监测
监控系统设施设备的运行情况,做好记录。
(未进行风门、防
尘、隔爆、监测、系统设施检查每项扣5分;检查方法不适当
扣1-2分)。
20分工作面瓦斯检查
按岗标对规定工作面地点进行全面瓦斯检查采面进风流、工
作面风流、局部地点、上隅角、回风流等地点。
(一处未进行
CH4、CO2检查和温度测定扣5分,检查操作方法、位置不适当
扣1-2分;探头未进行对照检查扣3分,检查方法、位置不适
当扣1-2分)。
50分问题处理能力现场故障问题未作处理意见扣5分,处理方法不适当扣1-3分。
10分填写黑板、手册
填写黑板和手册(黑板一处未填写、填写不对照、不正确各
扣1分;记录内容缺或错一项扣1-5分)。
5分
交班(5分)上交记录备查将各种记录上交裁判以备查考核。
(少交一项记录扣3分)
5分安全上井按规定路线安全上井。
(未按规定路线上井扣2分)
得分
竞赛办:裁判长:裁判:。
国家能源局关于印发煤矿企业瓦斯防治能力评估管理办法和基本标准的通知国能煤炭〔2011〕414号各产煤省(区、市)煤炭行业管理部门、有关煤矿企业:为加强煤矿企业瓦斯防治能力建设,提高煤矿瓦斯防治水平,促进煤矿安全生产,根据《国务院关于坚持科学发展安全发展促进安全生产形势持续稳定好转的意见》(国发〔2011〕40号)、《国务院办公厅转发发展改革委安全监管总局关于进一步加强煤矿瓦斯防治工作若干意见的通知》(国办发〔2011〕26号),国家能源局组织制定了《煤矿企业瓦斯防治能力评估管理办法》和《煤矿企业瓦斯防治能力基本标准》,现印发给你们,请遵照执行。
附件:一、煤矿企业瓦斯防治能力评估管理办法二、煤矿企业瓦斯防治能力基本标准附件一:煤矿企业瓦斯防治能力评估管理办法第一章总则第一条为加强煤矿企业瓦斯防治能力建设,提高煤矿瓦斯防治水平,促进煤矿安全生产,根据《国务院关于坚持科学发展安全发展促进安全生产形势持续稳定好转的意见》(国发〔2011〕40号)、《国务院办公厅转发发展改革委安全监管总局关于进一步加强煤矿瓦斯防治工作若干意见的通知》(国办发〔2011〕26号),制定本办法。
第二条本办法所称煤矿企业瓦斯防治能力评估,是指煤炭行业管理部门对从事高瓦斯或煤与瓦斯突出矿井生产建设的煤矿企业在瓦斯防治方面的从业经历、管理制度、技术装备、机构人员、资金保障等进行综合评价。
第三条煤矿企业瓦斯防治能力评估工作实行统一管理,分级负责。
国家能源局负责全国煤矿企业瓦斯防治能力评估工作的监督管理,具体负责中央管理企业、跨省(区、市)从事高瓦斯或煤与瓦斯突出矿井生产建设的煤矿企业瓦斯防治能力评估工作。
省级煤炭行业管理部门负责本行政区域内除上款规定以外的煤矿企业瓦斯防治能力评估工作。
第二章评估对象和内容第四条已经从事高瓦斯或煤与瓦斯突出矿井生产建设的煤矿企业,须向煤炭行业管理部门申请瓦斯防治能力评估。
尚未从事高瓦斯或煤与瓦斯突出矿井生产建设的煤矿企业拟建设高瓦斯或煤与瓦斯突出矿井的,须在新建矿井项目核准前向煤炭行业管理部门申请瓦斯防治能力评估。
临汾市煤矿特种作业人员实际操作试卷
井下瓦斯检查工(一)
一、说明
本试卷用于考查考生对操作技能的理解能力和操作的熟练程度,以及安全文明生产意识。
二、考核题目
根据安全技术操作规程的要求,进行瓦斯测定考试。
如考核现场条件不同时,可按实际条件确定考核工作量及方式。
三、考核要求及技术标准
1、了解光学瓦斯检定器的工作原理、用途、构造及技术性能参数。
2、按规程进行检查前的准备工作。
3、按规程的要求进行瓦斯的检查和处理。
4、会进行光学瓦斯检定常见故障辨识与排除方法。
5、会使用和保养光学瓦斯检定器。
6、考试中必须注意不要违反常规安全操作规程。
四、考场要求
1、考生在开考前要穿戴整齐,正确携带仪器等。
2、考生在工作前必须做好准备工作。
3、考试中不得喧哗、观望、讯问、不准吸烟、串岗。
五、考核时限及配分
操作时间15分钟,配分100分。
六、评分要求
1、按各项目要求分别打分,并注明扣分的项目。
2、总分为100分。
临汾市煤矿特种作业人员实际操作考核评分表
井下瓦斯检查工 (一)。
煤矿瓦斯防治评标准评分表————————————————————————————————作者:————————————————————————————————日期:2煤矿瓦斯防治领导小组办公室主任会议暨煤矿企业瓦斯防治能力评估工作座谈会材料之二煤矿企业瓦斯防治能力评估基本标准评分说明国家能源局煤炭司2012年3月23日3煤矿企业瓦斯防治能力基本标准评分说明序号基本标准分值相关规定评分方法评分规定备注一从业经历15(一)煤矿企业具有3年以上高瓦斯、煤与瓦斯突出矿井的煤炭生产年限,或5 年以上瓦斯矿井的煤炭生产年限。
查阅企业概况中关于煤炭生产年限的说明和瓦斯等级鉴定批复复印件。
多个层级的煤矿企业所属从事煤炭生产的分公司和全资、控股子公司煤炭生产年限可不作要求。
煤矿企业注册之日起,所属最早投产的矿井正式生产5年以上,或所属最早投产的高瓦斯、煤与瓦斯突出矿井正式生产3年(以瓦斯等级鉴定批复结果为准)以上的,符合煤炭生产年限要求。
煤炭生产年限计算说明:没有发生兼并重组的煤矿企业,按最早投产的矿井计算生产年限。
非煤企业-过兼并重组首次进入煤炭行业组建新的煤矿企业,从兼并重组之日起计算煤炭生产年限。
煤矿企业之间兼并重组后组建新的煤矿企业的,其所属的全资和控制子公司煤炭生产年限,可作为煤矿企业煤炭生产年限连续计算。
2011年12月26曰前,已有高瓦斯和煤与瓦斯突出矿井生产的煤矿企业和巳有高瓦斯和煤与瓦斯突出矿井经政府投资主管部门正式核准的煤矿企业,煤炭生产年限达不到标准要求的,鉴于此类企业在本办法下发前巳经从事高瓦斯和煤与瓦斯突出矿井生产或建设,煤炭生产年限不作为必备指标。
2011年12月26曰后开始从事高瓦斯和煤与瓦斯突出矿井生产建设的煤矿企业,煤炭生产年限必须达到标准要求。
4(二)煤矿企业董事长或总经理至少1人具有5年以上高瓦斯、煤与瓦斯突出矿丼的管理工作经历,或具有5年以上高瓦斯、煤与瓦斯突出矿丼的煤矿企业管理工作经历。
四川省“十二五”煤矿瓦斯综合治理工作体系建设评估标准及评分办法煤矿矿井名称:年月日章节小项及标准标准分评分办法得分备注第一章、采掘布局合理一、优化生产布局。
矿井、采区和工作面设计要满足瓦斯治理的需要,优先开采保护层和实施区域预抽。
30(一)采用斜井开拓或暗斜井开拓的矿井至少设置3个井筒,其中1个井筒为混合运输井兼作入风和安全出口,1个井筒为正常情况下为人员进出通道兼作入风和安全出口,1个井筒为回风井兼作安全出口。
采用平硐开拓的矿井只设2个井筒时,其中1个井筒为混合运输井兼作入风和正常情况下人员进出通道, 1个为回风井兼作安全出口。
4必备条件,一条不符合要求本大项不得分。
(二)生产矿井必须至少有2个能行人的通达地面的安全出口,井下每一个水平到上一个水平和各个采区都必须至少有2个便于行人的安全出口,并与通达地面的安全出口相连接。
3(三)一个采区内同一煤层的一翼最多只能布置1个回采工作面和2个掘进工作面同时作业;一个采区内同一煤层双翼开采或多煤层开采的,该采区最多只能布置2个回采工作面和4个掘进工作面同时作业。
严禁在采煤工作面范围内再布置另一采煤工作面同时作业。
严禁1个采区(带区)内布置2个对拉工作面或1个对拉面和1个单采面同时组织生产。
5(四)年生产能力6万吨的矿井单翼开采时,最多只能布置1个采煤工作面和2个掘进工作面同时生产;两翼开采时最多只能布置2个采煤工作面和4个掘进工作面同时生产。
5(五)所有矿井采煤工作面均不得采用前进式采煤方法。
突出煤层的回采工作面严禁采用水力采煤法、倒台阶采煤法及其他非正规采煤法。
4(六)按《煤矿安全规程》规定设置专用回风巷,正常情况下,作业人员不得从矿井主要回风系统中进、出(巡检人员除外)。
5(七)采取开采保护层和预抽煤层瓦斯区域防突措施。
突出矿井具备保护层开采条件的,应首先布置开采保护层,不具备保护层开采技术条件的,经济合理时应选择对被保护层有保护作用的极薄煤层乃至软岩作为保护层开采。
保护层选择符合《保护层开采技术规范》(AQ1050-2008)要求。
4二、 优化巷道布置,简化生产系统,明确开采顺序,合理确定工作面参数,合理集中生产,实现安全高效。
30(一)煤矿主要运输巷、主要回风巷应布置在岩层中,优先选用锚(网)喷支护方式,严禁无支护或使用木支护。
4 一条巷道不符合规定扣一分,扣完为止。
(二)煤与瓦斯突出矿井在同一突出煤层的同一区段的集中应力影响范围内,不得布置2个工作面相向回采或掘进。
突出煤层的掘进工作面,应避开本煤层或临近煤层采煤工作面的应力集中范围。
5 必备条件,一条不符合要求本大项不得分。
(三)高瓦斯矿井、煤与瓦斯突出矿井的巷道布置必须为瓦斯抽采创造有利条件,突出危险煤层无法开采保护层的,应优先采用底(顶)板穿层网格钻孔预抽煤层瓦斯的区域防突措施。
底(顶)板巷层位选择原则上相对于被保护煤巷平面位置内(外)错不大于50米,距突出煤层法向距离至少20米。
8(四)近距离煤层群开采顺序,正常情况下采用下行式开采;特殊情况下,经论证下部煤层的开采不影响上部煤层的完整性,可采用上行式开采。
4(五)极薄煤层炮采工作面长度不得大于80m ,机采工作面长度不得大于100m ,采煤工作面支护后空间不得低于0.6m 。
4一个工作面不合要求不得分(六)积极采用新技术、新工艺,大力推进小型煤矿机械化,全面实施煤矿安全高效矿井建设。
小型煤矿采煤机械化和掘进装载机械化程度,到2012年底分别达到45%和70%以上,到2015年底分别达到55%和80%以上。
5采、掘机械化程度每差1%扣一分,扣完为止三、严格按照批准的生产能力编制矿井年度和月度生产计划,合理组织生产。
突出矿井应当做好防突工程的计划和实施,将防突的预抽煤层瓦斯、保护层开采等工程与矿井采掘部署、工程接替等统一安排,使矿井的开拓区、抽采区、保护层开采区和突出煤层(或被保护层)开采区按比例协调配置,确保在突出煤层采掘前区域防突措施到位。
5必备条件,不符合要求本大项不得分。
四、矿井主要通风系统、瓦斯治理技术、开采工艺等发生变化时,应立即进行生产能力复核,并依据复核结果组织生产,严禁超能力生产。
5不及时复核本项不得分五、坚持正规开采。
22 (一)矿井根据资源自然条件选择正规采煤方法。
缓倾斜煤层带区布置时使用倾斜长壁采煤法,采区布置时使用走向长壁采煤法。
倾斜、急倾斜(倾角约为35度-55度)薄及中厚煤层可使用俯伪斜走向长壁分段密集采煤法。
急倾斜突出煤层开采适合采用伪倾斜正台阶、掩护支架采煤法,无突出危险煤层,在没有解决支护材料的情况下,暂时保留倒台阶采煤法。
7必备条件,一条不符合要求本大项不得分。
(二)采煤工作面必须形成全风压通风系统,保持至少两个安全出口,严禁采用局扇通风采煤。
5 (三)开采三角煤、残留煤柱,不能保持2个安全出口时,必须制定安全措施,报企业主要负责人审批。
3 (四)严格按规定淘汰树枝状、巷柱式、多支巷等落后和非正规采煤方法和工艺。
5 六、加强生产准备,矿井开拓煤量、准备煤量、回采煤量达到规定要求(其中煤与瓦斯突出矿井增加保护煤量),保持水平、采区和采掘工作面的正常接替。
8一个煤量不合要求本项不得分合计100第二章、通风可靠一、矿井配备满足安全生产需要的主要通风机。
主要通风机应按照《煤矿安全规程》的规定安装、使用、检查、维护并实现双回路供电。
主要通风机房必须有直通矿调度室的电话,严禁主要通风机房兼作他用,主要通风机的运转应由专职司机负责。
10主要通风机不能满足安全生产需要或无双回路扣25分,未按规定检查维护或无电话一处扣2分。
二、巷道断面满足通风、行人、运输需要。
矿井主要运输巷、主要回风巷的净高不得低于2米,采区上、下山和平巷的净高不得低于1.8米。
8一处不合要求扣4分三、矿井总风量、采掘工作面和各供风场所的配风量达到设计要求、满足安全生产的需要。
建立测风制度,按规定测定矿井风量。
8一处不合要求扣8分,测风制度不完善或不按规定测风一次抽4分。
四、矿井有完整独立的通风系统。
改变全矿井通风系统时,要编制通风设计及安全措施,并履行报批手续。
巷道贯通按《煤矿安全规程》相关规定严格执行。
8矿井无完善独立通风系统扣25分,一处无报批手续或措施扣4分。
五、采区实行分区通风。
采、掘工作面应实行独立通风,通风系统中杜绝不符合《规程》规定的串联通风、扩散通风、采煤工作面利用局部通风机通风等现象。
严禁突出煤层突出危险区域采掘工作面回风直接切断其他工作面唯一安全出口现象。
10一处不合要求扣25分。
六、高瓦斯矿井、有煤(岩)与瓦斯(二氧化碳)突出危险矿井的每个采区和开采容易自燃煤层的采区,必须设置至少1条专用回风巷。
低瓦斯矿井开采煤层群和分层开采采用联合布置的采区,必须设置1条专用回风巷。
采区进、回风巷必须贯穿整个采区,严禁一段进风、一段回风。
8一处不合要求扣25分。
七、矿井通风阻力合理。
矿井每三年至少进行一次通风阻力测定。
矿井转入新水平生产或改变一翼通风系统后,必须重新进行矿井通风阻力测定。
矿井总回风量在3000 m3/min以下的矿井,阻力不得超过1500 Pa,总回风量在3000-5000 m3/min 的矿井,阻力不得超过2000 Pa, 总回风量在5000-10000 m3/min的矿井,阻力不得超过2500 Pa, 总回风量在1000-20000 m3/min的矿井,阻力不得超过2940 Pa。
8一处不合要求扣25分。
八、各地点空气成分、风速符合《煤矿安全规程》规定。
矿井有效风量率不低于87%。
回风巷道失修率不高于7%,严重失修率不高于3%;主要进风巷道实际断面不小于设计断面的2/3。
8一处不合要求扣2分。
九、采煤工作面采用“U”型、“H”型、“Y”型等正规通风方式,并确保风量充足。
采用沿空留巷和“Y”型、“H”型通风的回采工作面,通风系统应安全、稳定、可靠,并制定后备通风预案。
8一处不合要求扣2分。
十、有瓦斯涌出的掘进工作面局部通风机必须采用三专(专用开关、专用电缆、专用变压器)供电,并配备安装同等能力的备用局部通风机,能自动切换,实现双风机双电源;所有掘进工作面必须安设瓦斯电闭锁和风电闭锁装置,局部通风机必须实行24小时专人管理,不得随意停开。
8一处不合要求扣2分。
十一、按规定设置和管理风门、风桥、密闭等通风设施及构筑物,并保持完好。
8一处不合要求扣2分。
十二、矿井井下爆炸材料库、机电硐室等按规定设置独立通风系统。
8一处不合要求本小项不得分。
合计100第三章抽采达标一、建立完善矿井瓦斯抽采系统。
所有高瓦斯矿井,必须建立地面固定抽采瓦斯系统或井下移动瓦斯抽采系统,并实施矿井瓦斯抽采工作。
煤与瓦斯突出矿井必须建立地面固定瓦斯抽采系统。
15应建未建瓦斯抽采系统扣25分二、瓦斯抽采系统按规定设置和完善安全装置、计量检测装置以及放水排渣装置。
地面瓦斯抽采泵站必须采用双回路电源供电,井下临时抽采站必须采用“三专”(专用变压器、专用开关、专用线路)供电。
10一处不合格本小项不得分三、瓦斯抽采系统能力满足矿井瓦斯抽采的需要,矿井瓦斯抽采率达到规定要求。
矿井内各瓦斯抽采地点抽采负压、浓度达到设计要求。
15一处不合格本小项不得分四、结合矿井年度、季度、月度生产、建设计划编制瓦斯综合抽采计划,将瓦斯抽采计划与矿井生产计划统一下达、统一管理、统一考核,保证抽、掘、采平衡。
15无计划不得分,管理、考核不到位扣10分。
五、编制采区、采掘工作面瓦斯抽采设计,瓦斯治理工程不欠账。
钻场、钻孔、管路、瓦斯专用巷等瓦斯治理工程与采掘工作面同时设计、超前施工。
10一处不合格本小项不得分六、矿井应采用穿层抽、顺层抽、采空区抽、边掘边抽等综合抽采方式,利用一切可能的空间和条件充分抽采煤层瓦斯。
有条件的矿井应积极推广地面钻井、大直径钻孔、水平长钻孔、专用巷道、深孔爆预裂破、水力割缝等新技术新工艺抽采煤层瓦斯。
10一处不完善扣5分。
七、强化矿井瓦斯抽采管理,建立瓦斯抽采达标自我评估体系,完善矿井瓦斯抽采相关图纸、记录、台帐。
矿井瓦斯抽采效果达到《煤矿瓦斯抽采基本指标》的要求,突出矿井还应达到《防治煤与瓦斯突出规定》的要求。
15缺一项记录、图纸扣3分,一个采、掘面不达标本项不得分。
八、积极推进瓦斯综合利用工程,以多种形式利用瓦斯,变抽放为抽采,以抽保用、以用促抽。
瓦斯抽采稳定在100万m3/a的矿井应有瓦斯综合利用规划并组织实施。
10未按规定利用本项不得分第四章监控有效一、按照《煤矿安全监控系统及检测仪器使用管理规范》(AQ1029-2007)的要求布置、安装和管理煤矿安全监控系统,并确保系统可靠,连续运行。
煤矿安全监控系统实现与县(市)级以上区域煤矿安全监测监控系统联网。
20未安装监控系统扣25分,缺一个探头扣5分,运行不正常或未联网扣10分。