上海市中考物理汇编-电学实验
- 格式:doc
- 大小:3.44 MB
- 文档页数:9
2008-2019年上海中考物理真题汇编6:电学实验1 (2019年上海中考真题)小华同学做“用电流表、电压表测电阻”实验,现有电源(电压为3伏且保持不变)、待测电阻R x 、电流表、电压表、电健各一个,滑动变阻器有A 、B 、C 三个(分别标有“5Ω 2A ”字样、“10Ω 2A ”字样、“50Ω 1A ”字样),以及导线若干。
小华实验时选取其中一个滑动变阻器,正确连接电路,且使滑动变阻器的滑片在中点附近,闭合电键时各电表示数如图10(a )、(b )所示,并记录第一组数据。
继续移动滑片,当电压表示数在如图(a )的基础上偏转两格后,记录第二组数据,此时小华发现电压表、电流表偏转角度相同。
求:①电压表的量程是______伏。
②计算说明实验中电流表的量程。
③根据记录的第二组数据,计算出此时待测电阻R x 的阻值。
①电压表的量程是0-3伏。
②(a )图中,电压表选用小量程,分度值为0.1V ,电压表示数为1.4V ,(b )图中,若电流表选用大量程,分度值为0.1A ,电流为1.4A ;若选用小量程,分度值为0.02A ,电流为0.28A ;根据串联电路电压的规律,变阻器的电压为:3V-1.4V=1.6V ,0 若电流表选用大量程,由欧姆定律,变阻器连入电路的电阻:R 滑中=U 滑/I 大=1.6V/1.4A ≈1.14Ω,变阻器电阻为2×1.14Ω=2.28Ω,与题中所给的变阻器的规格差别较大; 若电流表选用小量程,由欧姆定律,变阻器连入电路的电阻:R 滑中=U 滑/I 小=1.6V/0.28A ≈5.71Ω,变阻器电阻为2×5.71Ω=11.4Ω,与题中所给的10Ω 2A 变阻器的相吻合;故电流表选用小量程0-0.6A ;③R x =U x /I x =1.6V/0.32A =5Ω或R x =U x /I x =1.2V/0.24A =5Ω。
2 (2018年上海中考真题)现有电源(2V ,4V ,6V ,8V ,10V ,12V 六档)、电流表、电压表和电键各2个,滑动变阻器“20Ω 2A ”、 待测小灯(标有2.2V 字样)、待测电阻各一个,以及导线若干。
【备考】上海市初三九年级物理中考电学实验汇编一、中考物理电学实验1.归纳式探究——研究电子在电场中的偏转:如图1,给两块等大、正对、靠近的平行金属加上电压,两板之间就有了电场。
若将电子沿着平行于两板的中线方向入射到电场中,电子就会发生偏转。
若两板间距为d,板长为L,所加的电压为U,电子入射初速度为v0,离开电场时偏移的距离为y,则经研究得到如下数据:次数d/m L/m U/V v0/(m·s-1)y/m14×10-20.2401×107 3.6×10-228×10-20.2401×107 1.8×10-234×10-20.1401×1070.9×10-248×10-20.21601×1077.2×10-258×10-20.22402×107 2.7×10-2(1)y=k__________,其中k=_________(填上数值和单位)。
本实验在探究影响电子离开电场时偏移的距离时,运用了_________法;(2)相同情况下,电子的入射速度越大,偏移距离越________。
它们间的关系可以用图像2中的图线________表示;(3)现有两块平行相对的长度为5cm,间距为1cm的金属板,为了让初始速度为3×107m/s 的电子从一端沿两板间中线方向入射后,刚好能从另一端的金属板边缘处射出,需要加_____V的电压。
2.某小组同学通过自学得知:在两种金属组成的回路中,如果使两个接触点的温度不同,便在回路中将会出现电流.为了验证和探究其中规律,该小组利用铁丝和铜丝两种导线组成图(a)所示的闭合回路,并将相连的两个交叉点A、B分别置于烧杯中和酒精灯上方.做了如图(a)、(b)、(c)、(d)所示的四次实验.请仔细观察图中的装置、操作和现象,归纳得出初步结论.(1)分析比较图中(a)(b)两图中的装置、操作和现象,归纳得出初步结论:当相互连接的两种金属丝的材料不变时,接触点之间的温度差越小,电路中的电流________.(2)分析比较图中(a)(c)两图[或(b)(d)两图],发现当相互连接的两种金属丝的材料相同,金属导线接触点之间的温度差也相同,且用酒精灯对金属导线中部进行加热时,闭合回路中的电流表示数________(选填“变大”、“不变”或“变小”).据此可得出初步结论:当相互连接的两种金属丝的材料相同,金属导线接触点之间的温度差也相同时,电路中的电流大小与金属导体中部温度高低________.3.实验小组用如图1所示的电路来探究并联电路中电流的关系,其实验思路如下∶接好电路后,把电流表分别接入到A、B、C三处,测出第一组数据;为了防止个别偶然因素的影响,他们采用以下两种方法之一来重复实验,并完成第二次和第三次测量:方法一∶改变电源电压方法二∶更换其中一条支路中的灯泡(规格不同)(1)如图2是某同学连接的并联电路的局部图,某次实验中,测量完干路电流之后,某同学想测量通过L1的电流,为接入电流表,a、b、c、d四个接点中最方便的导线拆接点是________点,同时注意,在拆接电路时,开关必须________。
上海同济大学实验学校初三九年级物理中考物理电学实验汇编一、电压电阻中考物理电学实验1.小明手边有6节同种型号的新锂电池(电池电压相同)和一个电流表,他想知道把这些电池串联起来接入长度为480m、横截面积为64mm2的电阻丝A时通过的电流是多少,他想到:通过电阻丝的电流大小与电池节数、电阻丝的长度、横截面积、材料都有关系。
于是他就对由同种材料组成的不同规格的电阻丝样品进行了测试,实验数据如下:电池节数n/节横截面积S/mm2长度l/m电流I/A2 1.64 1.64 3.2320.81 1.6160.22 1.6160.440.8320.2(1)分析数据可知,电阻丝中通过电流大小与电阻丝的长度成______,与电阻丝的横截面积成______。
(填“正比”或“反比”)(2)经过对样品数据的分析,得出把电阻丝A接入6节该锂电池做为电源的电路中时通过的电流为______A。
2.有一个低压电源的电压在 30 V~36 V 间,小明要测量出它的电压(设电源电压保持不变),除了待测电源,手边有一个量程为 0~15 V 的一块电压表,及四个阻值已知的电阻,分别为R1(0.01 Ω)、R2(20 Ω)、R3(30 Ω)和R4(30 kΩ)各一个,一个开关及若干导线,请合理选择以上器材,测出电源电压。
要求:(1)在虚线框中画出实验电路图;(____)(2)写出实验步骤及所需测量的物理量________;(3)写出电源电压的表达式(用已知量和测量量表示)。
U= ______。
3.如图所示,小刚在探究“串联电路的电压特点”时,将两盏标有“2.5V 0.3A”的小灯泡串联起来到电源两端.突然,原来正常发光的两盏灯同时熄灭.(1)关于这两盏灯的故障判断,小刚给出了四种猜测:A .一盏灯断路,另一盏灯完好B .一盏灯短路,另一盏灯完好C .一盏灯断路,另一盏灯短路D .两盏灯同时被烧断四个猜想中,可能性最大的是________(2)如果这两盏灯熄灭的原因是其中的一盏灯有故障.现有①规格相同的灯泡;②符合要求的电压表;③符合要求的电流表;④一根导线.从它们中间选择一种器材来检测故障,你认为不适用的是?________和________(填序号).你的理由是________.(3)故障排除后,小刚测出的数据如下表.得出结论:①串联电路中的总电压等于各部分电路两端的电压总和.②串联电路中各部分电压两端的电压相等.请你对上述结论分别进行评估:根据串联电路的电压特点结论________(①/②)是错误的.请你分析说明形成错误结论的原因?________.4.一实验小组用如图所示的器材探究“串联电路的电压关系”。
上海历年中考真题汇编:伏安法电学实验1、(1996上海中考)某同学在做“测定小灯泡功率”的实验中,所用电源的电压为6伏,小灯泡的额定电压为3.8伏。
在测定小灯泡的额定功率时,该同学发现实验所用电压表的0~15伏量程档坏了,而0~3伏量程档完好,实验所用的其他器材也都完好。
在不更换实验器材的条件下,这位同学想了一个巧妙的办法测出了小灯泡的额定功率。
请画出该同学的实验电路图,并简要说明判断小灯泡是否正常发光的方法和理由。
2、(1997上海中考)某同学在做“测定小灯泡功率”的实验中,所用滑动变阻器的阻值范围为0~20欧,额定电流为2安,灯泡上标的字样模糊。
他按图21所示的电路图正确连接电路进行实验。
实验时,他把滑片P 从B 向A 移动,观察灯泡发光情况,发现滑片P 移到中点附近某位置时,灯泡发光正常。
此时电压表V 1、V 和电流表A 的示数如图22所示。
请你读出三只电表的示数,求出该同学测得小灯泡的额定功率。
图21图223、(1998上海中考)某同学用导线把电源(电压为4.5伏)、电键、电流表、标有“20Ω2A”字样的滑动变阻器、小灯泡连成串联电路进行实验,其中灯泡上只有所标“0.2A”(指小灯正常工作电流)字样清晰可见。
闭合电键后,他调节滑动变阻器的滑片位置,使小灯正常发光,这时,他发现滑片的位置恰好在中点上(即滑动变阻器连入电路的电阻为10欧)。
经过思考、分析,该同学得出了小灯泡的额定功率。
(1)请画出该同学的实验电路图。
(2)简要说明该同学如何判定小灯是正常发光的。
(3)求出小灯泡的额定功率。
4、(1999上海中考43)某同学在“测定小灯泡功率”的实验中,所用电源的电压为6伏,滑动变阻器标有“20Ω2A”字样,灯泡上标的字样模糊,但其额定电压可能是2.2伏或3.8伏。
他按图18所示的电路进行实验。
实验时,他调节滑动变阻器滑片P的位置,观察小灯的发光情况,当他认为小灯接近正常发光时,如图19置恰好在中点(即滑动变阻器连入电路的电阻为10欧)。
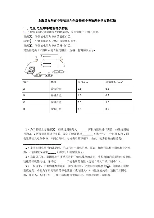
上海民办华育中学初三九年级物理中考物理电学实验汇编一、电压电阻中考物理电学实验1.在探究影响导体电阻大小的因素时,同学们作出了如下猜想:猜想①:导体的电阻与导体的长度有关;猜想②:导体的电阻与导体的横截面积有关;猜想③:导体的电阻与导体的材料有关。
实验室提供了如图所示的4根电阻丝,规格、材料如表所示:编号材料长度/cm横截面积/mm2A镍铬合金0.50.5B镍铬合金 1.00.5C镍铬合金0.5 1.0D锰铜合金0.50.5(1)为了验证上述猜想①,应该选用编号为________两根电阻丝进行实验;如果选用编号为A、C两根电阻丝进行实验,是为了验证猜想________(填序号);分别将A和D两电阻丝接入电路中M、N两点间时,电流表示数不相同,由此,初步得到的结论是:____________________________。
(2)小丽在探究同样的课题时,手边只有一根电阻丝,那么,她利用这根电阻丝和上述电路,不能够完成猜想______(填序号)的实验验证。
(3)在最近几年,我国城乡许多地区进行了输电线路的改造,将原来细的铝质输电线换成较粗的铝质输电线,这样就________了输电线的电阻(选填“增大”或“减小”)。
(4)一般说来,所有物体都有电阻,探究过程中,又有同学提出猜想④:电阻还可能跟温度有关。
小明为了研究物质的导电性能(或电阻大小)与温度的关系,连接了如图电路,开关S1、S2闭合后,分别用酒精灯给玻璃心柱、细铁丝加热。
请回答:a.在玻璃心柱温度不断升高而发红的过程中,看到L1灯泡从不发光到发光,且亮度逐渐变亮,说明玻璃的导电性能随温度升高而_______(选填“变强”、“变弱”或“不变”);b.在细铁丝温度不断升高而发红的过程中,看到L2灯泡亮度逐渐变暗,说明铁丝的电阻随温度升高而_________ (选填“变大”“变小”或“不变”)2.徐宁同学设计了如图所示的电路图,进行“探究导体电阻大小与导体长度的关系”的实验,在A、B间接入下表中待研究的电阻丝,电源电压U恒定,忽略温度对灯丝电阻的影响(电阻丝用电阻符号表示):序号材料长度横截面积1锰铜合金丝L S2镍铬合金丝L S3镍铬合金丝L2S4镍铬合金丝2L S(1)徐宁应选择序号为_________的两根电阻丝来进行实验探究.(2)她正确选择后,将电阻丝分别接入A、B间,闭合开关,通过观察电流表示数大小来比较电阻丝电阻的大小,这种研究方法叫__________.实验中,两次电流表指针均有偏转,但第一次的示数大于第二次的示数,说明第一次接入的电阻丝阻值__________(选填“较大”或“较小”);(3)若实验过程中只有一根粗细均匀的锰铜合金丝可供选择,那么她能否利用上述电路研究电阻大小与导体横截面积的关系?____________(选填“能”或“不能”).3.小刚同学在探究串联电路电压规律的实验中,提出了猜想:串联电路中各用电器两端的电压相等,总电压等于各部分电压之和。
上海上海中学初三九年级物理中考物理电学实验汇编一、电压电阻中考物理电学实验1.在“探究串联电路电压特点”的实验中:(1)某次测量时,电压表的示数如图所示,则此时灯L1两端的电压为_____V;(2)某同学在测量了灯L1两端的电压后,断开开关,然后将AE导线的A端松开,接到D接线柱上,测量灯L2两端的电压,这一做法存在的问题是_____;(3)闭合开关S后,发现灯L1发光,L2不发光。
同学们有以下几种猜想:①灯L2灯丝断了;②灯L2的灯座短路;③灯L2也工作,但L2中电流比L1中电流小。
以上猜想中正确有_____(填序号)。
2.在探究决定电阻大小因素的实验中(温度不变):甲同学的猜想是:电阻可能与导体的材料有关;乙同学的猜想是:电阻可能与导体的长度有关;丙同学的猜想是:电阻可能与导体的横截面积有关。
金属丝代号材料长度/m横截面积/mm2A镍铬0.50.1B镍铬0.50.2C锰铜0.50.1D锰铜0.8(1)现有两种金属材料制成的各种不同规格的金属丝,规格如上表。
选用导线A和C进行实验,可以探究______(选填“甲”“乙”或“丙”)同学的猜想。
要想探究丙同学的猜想应该选用______(选上面表格中导线字母代号)两根导线进行实验。
要想探究电阻可能与导体的长度有关,则表格空白处应填______mm2;(2)小华设计了如图甲所示电路。
为判断a、b两点间导线电阻的大小,小华应注意观察______的变化,具体指明该方案存在的不足是:______,容易烧坏电流表和电源;(3)小刚设计了如图乙所示电路,该电路中灯泡的作用有哪些?①______,②______;(4)小刚想用图乙的电路进一步验证“在电压相同时,流过导体的电流跟电阻成反比”,于是选用了几个阻值不同的定值电阻分别先后接入a、b两点间。
你认为小刚的方案是否可行?请加以解释?______。
3.小刚和小强在组成串并联电路的实验中.(1)在连接电路过程中,开关应该是__________的.(2)小刚连接了如图所示电路,如果合上开关,两个灯泡都将__________ (选“发光””不发光”),出现__________现象.(3)小刚想将电路全部拆散,重新连接.小强认为只需拆除c这一根导线,就能成为两灯_______联的正确电路.小强将多余的c导线拆除以后,闭合开关S时,小电灯L1、L2都不亮.用一段导线的两端接触A、B两点时,两灯都不亮;接触C、D两点时,两灯也不亮;接触E、F两点时,只有灯L1亮.对此,下列判断中正确的是__________ (A.灯L1开路B.灯L2开路C.开关S开路D.灯L2短路)(4)小强认为,在小刚连接的电路中,如果将某根导线的一端移接到另一位置,电路就能成为两灯并联的正确电路了.请在图中要移接的导线上打上“×”号,并画出改动后的导线.(______)4.某实验小组探究金属丝电阻大小与长度的关系,他们取一段粗细均匀的金属丝拉直连接在A、B接线柱上,在金属丝上安装一个可滑动的金属夹P.实验室还提供了下列器材:电压表、电流表、电池组(电压 3 V)、滑动变阻器(20 Ω 2 A)、刻度尺、开关和导线若干.(1)为了测量AP段的电阻R,他们连接了如图甲所示的电路,连接电路时,开关应_______.(2)某次实验中测得电压表的读数为 2.1V,电流表指针偏转如图乙所示,则电流表的读数为I= _______A,此时金属丝的电阻R= _______Ω.(3)实验中移动金属夹P,分别测出AP段的长度l和对应的电压电流值,并计算出电阻值R,其中l和R的数据如下表:l/cm304050607080R/Ω 2.1 2.8 3.5 4.2 4.9 5.6分析表中数据,可知_______.(4)小军同学认为,由于电源电压没有超过电压表所选量程的最大值,因此在闭合开关前,可以将变阻器的滑片置于任意位置.你认为他的想法是_______(填“正确”或“错误”)的,理由是:_______.5.小王做探究导体电阻大小与那些因素有关的实验,下表是某实验小组在实验中所用导体的相关物理量的记录:(1)要探究导体电阻大小与材料是否有关,应选用________、________两根导体. (2)要探究导体电阻大小与横截面积是否有关,应选用________、________两根导体. (3)如选用了A、D两根导线进行实验,则要探究导体电阻大小与________是否有关,(4)通过表格中数据的分析,可以得出的结论是导体的电阻与导体的________、________、________有关.(5)这个实验中涉及到的主要研究方法,和下列哪个实验的研究方法是一样的(_______)A.用水流的形成来类比电流的形成B.用一条带箭头的直线表示光的传播路线和方向C.研究压力作用效果与压力、受力面积的关系D.用刻度尺直接测量一张纸的厚度测不出来,可以测出100张纸的厚度,然后除以100求出.6.在阅读有关“超导现象”资料之后.小宇同学运用逆向思维的方法提出问题:金属导体的电阻随温度升高而变大吗?于是小宇设计出如图所示的实验装置.实验时缓慢给线圈加热.实验过程中,采用镍铬合金、康铜合金、锰铜合金制作的线圈各做了一次.(1)观察到随着线圈的温度升高,灯泡渐渐变暗,电流表的示数_____________.(2)通过实验得出的结论:金属导体的电阻随温度的升高而_______________.(3)小宇为什么要采用镍铬、康铜、锰铜各做一次?_______________.(4)在家庭电路中,刚打开电灯时,灯泡容易烧坏,原因是:(______)A.刚开灯时灯丝的温度低、电阻小、电流小; B.刚开灯时灯丝的温度低、电阻小、电流大C.刚开灯时灯丝的温度低、电阻大、电流小; D.刚开灯时灯丝的温度高、电阻大、电流小7.“探究串联电路的电压关系”的实验电路如图甲所示.(1)为了使探究得出的结论具有普遍意义,L1、L2应该选择_____(选填“相同”或“不相同”)的小灯泡.(2)小明根据图甲连接好电路,闭合开关,电压表示数如图乙所示,为了使实验结果更准确,接下来他应该_____.(3)测出L1两端的电压后,小明断开开关,准备拆下电压表,改装在B、C之间.小聪认为小明的操作太麻烦,只需将与A点相连的导线改接到C点即可.小聪的办法是否正确?_____.为什么?_____.(4)测量完成后,进行小组交流讨论,如表选录了四个小组的数据,你认为这些数据是否合理?_____.理由是_____.8.在探究“导体的电阻跟哪些因索有关”的问题时,老师引导同学们做了如下实验:(1)猜想:导体电阻可能与导体长度、横截面积、______、______有关.(2)由于猜想有多个因素影响电阻大小,应当运用________法去研究每一个因素对电阻大小的影响.(3)实验时,同学们用下图甲的实验装置分别把a、b、c、d四根金属丝接入电路A、B两点之问,探究情况如下表:当选用______两根金属丝,可探究导体电阻跟导体长度的关系,得到的结论是:_____________.(4)小明小组还做了如图乙所示的实验,这是为了探究导体电阻与______的关系.(5)实验中同学们发现:在电源电压一定时,由于所选电阻丝的阻值相差太小,灯泡亮度变化不明显.对这种现象你认为可采取什么措施:_____________________________.(6)同学们想继续探究导体电阻与导体横截面积之间的定量关系,为此他们将a、b两根金属丝串联接入电路(如图丙所示),则当发现电压表示数U1:U2接近______时,可以初步判定:在导体的材料和长度相同的条件下,导体的电阻与其横截面积成反比.二、欧姆定律中考物理电学实验9.某同学利用如图甲所示的电路探究电流与电阻的关系,实验中电源电压保持不变,选用的5个定值电阻的阻值分别为5Ω、10Ω、15Ω、20Ω和25Ω,滑动变阻器的规格为“30Ω1.5A”。
上海市西中学初三九年级物理中考电学实验汇编一、中考物理电学实验1.演绎式探究﹣﹣﹣探究点电荷的电场强度如果带电体间的距离比它们的大小大得多,这样的带电体可以看成是点电荷.(1)实验发现,带电量分别为q1、q2的两个点电荷距离为r时,它们之间的作用力F=k,其中k为常量,当q1和r一定时,F与q2之间的关系图象可以用他图甲中的图线来表示.(2)磁体周围存在磁场,同样,电荷周围也存在磁场.电场对放入其中的电荷产生电场力的作用.点电荷q1和q 2之间的作用力实际是q1(或q2)的电场对q2(或q1)的电场力.物理学中规定:放入电场中某一点的电荷受到的电场力F跟它的电量q的比值,叫做该点的电场强度,用E表示,则E= .如图乙所示,在距离点电荷Q为r的A点放一个点电荷q,则点电荷q受到的电场力F= ,点电荷Q在A点产生的电场强度E A= .(3)如果两个点电荷同时存在,它们的电场会相互叠加,形成合电场.如图丙所示,两个互成角度的电场强度E1和E2,它们合成后的电场强度E用平行四边形的对角线表示.如图丁所示,两个点电荷Q分别放在A、B两点,它们在C点产生的合电场强度为E合.请推导证明:E合=.2.实验桌上有如下器材:满足实验要求的电源、电流表、电压表、开关、滑动变阻器各一个,若干个不同阻值的定值电阻和足够多的导线。
小华想用实验桌上的器材证明:“当通过导体的电流一定时,导体的电阻越大,导体两端的电压越大”,为此他设计的实验电路如图所示。
(1)请写出他的实验步骤;(2)设计一个实验数据记录表格。
3.在真空中两个点电荷间存在相互作用力,探究其影响因素的实验数据如表:序号甲电荷的电荷量1/Cq乙电荷的电荷量2/Cq甲、乙两电荷之间的距离甲乙两电荷之间的相互作用力/m r /N F1 8110-⨯ 8210-⨯ 0.3 5210-⨯2 8110-⨯8110-⨯0.3 5110-⨯3 8310-⨯8210-⨯ 0.1 55410-⨯ 4 8310-⨯8210-⨯0.2 513.510-⨯5 8210-⨯8110-⨯0.2 54.510-⨯ 68410-⨯8310-⨯0.3(1)分析表中数据可知,若要使两个点电荷之间的作用力增大,可以采用_____的方法。
上海罗店中学初三九年级物理中考电学实验汇编一、中考物理电学实验 1.进一步探究电容器是电气设备中的重要元件,是储存电荷的装置。
通常简称其容纳电荷的本领为电容,用字母C 表示,单位为法拉,用字母F 表示。
两个相距很近又彼此绝缘的平行金属板形成一个最简单的电容器,在电路中用表示。
(1)如图,闭合开关,电容的两个极板将带等量异种电荷,这个过程叫电容器充电。
充电过程中,经过开关的电流方向是______(选填“从A 到B ”或“从B 到A ”)。
改变电源电压,电容器所带电荷量Q 也发生改变,实验数据如下表。
电压U /V 2 8 2电荷量Q /C 4×10-3 6×10-3 2×10-3 5×10-3 电容C /F2×10-30.75×10-31×10-32×10-3(2)分析数据可知,电容C 与电容器两端电压U 及电荷量Q 的关系式为:C=______。
(3)请把表格补充完整______。
(4)电容的大小不是由带电量或电压决定的,常见的平行板电容器,电容决定式为SC dε=(ε是一个常数,S 为极板面积,d 为极板间距离)。
多电容器串联时,121111=nC C C C ++…,(C 表示总电容,C 1、C 2.……C n 表示各电容器的电容)。
现有两个极板面积分别为S 1、S 2,极板间的距离分别为d 1、d 2的平行板电容器串联接到电压为U 的电源上,则总电容C =______,总共能够储存的电荷量为______。
2.如图所示是课本上的几个小实验,请根据要求填空.(1)在图甲所示实验中,将烧瓶内的水加热至沸腾后移去火焰,水停止沸腾.迅速塞上瓶塞,把烧瓶倒置并向瓶底浇冷水,此时会观察到________的现象,这是由一于在瓶底浇冷水后,液面上方________,导致液体的沸点降低所致.(2)图乙是小明制作的“浮沉子”.为观察到小瓶在水中的浮沉现象,大瓶瓶盖应该________(旋紧/拧开);为使漂浮于水面上的小瓶子下沉,小明应________ (松开/捏紧)手指.(3)如图丙所示,将一根针插在绝缘底座上,把折成V字形的铝箔条水平架在针的顶端,制成一个简单的验电器.当用带电的橡胶棒先靠近静止的铝箔条左端,再靠近其右端时会观察到铝箔条________(均被吸引/均被排斥/一次被吸引,另一次被排斥).此实验中,通过铝箔条的转动可推断橡胶棒的带电情况,这种实验方法是________(控制变量法/转换法/理想实验法).3.小明利用铅笔芯和鳄鱼夹制作了简易调光灯,装置如图甲所示.(1)甲图中有一处明显错误是;改正后,闭合开关,改变鳄鱼夹M、N之间距离,发现灯泡亮度会发生变化,这一现象说明导体的电阻与导体的有关.(2)小明用一个LED灯替换铅笔芯,与小灯泡串联后接入电路(如图乙).闭合开关S1,发现LED灯亮而小灯泡L不亮.针对这种现象,同学们提出了以下猜想:猜想一:小灯泡L处发生短路猜想二:LED灯电阻很大导致电路电流很小为了验证猜想,小组同学进行如下实验:实验一:将一根导线并联在图乙电路中LED灯的两端,此时LED灯,小灯泡L (填“亮”或“不亮”).根据观察到的现象说明猜想一是错误的.实验二:利用电流表和电压表,按图丙所示的电路对LED灯的电阻进行测量.闭合开关依次移动滑动变阻器的滑片,获得多组数据如下表.实验次数电压(伏)电流(毫安)电阻(欧)11.412116.721.614114.3 31.816112.5…………实验二中,某次测量时电压表示数如图丁所示,此时电压表读数为 V,实验时滑动变阻器的滑片逐渐向端移动(填“a”或“b”).经分析,结果支持猜想二,从而导致小灯泡的实际功率太(填“大”或“小”),不足以支持发光.4.酸甜多汁的水果不仅可以为我们的身体提供营养,还可以发电呢!小梦将接有导线的铜片和铝片插入橙子中,一个水果电池就做成了,如图所示。
上海江湾初级中学初三九年级物理中考电学实验汇编一、中考物理电学实验1.归纳式探究——研究电子在电场中的偏转:如图1,给两块等大、正对、靠近的平行金属加上电压,两板之间就有了电场。
若将电子沿着平行于两板的中线方向入射到电场中,电子就会发生偏转。
若两板间距为d,板长为L,所加的电压为U,电子入射初速度为v0,离开电场时偏移的距离为y,则经研究得到如下数据:次数d/m L/m U/V v0/(m·s-1)y/m14×10-20.2401×107 3.6×10-228×10-20.2401×107 1.8×10-234×10-20.1401×1070.9×10-248×10-20.21601×1077.2×10-258×10-20.22402×107 2.7×10-2(1)y=k__________,其中k=_________(填上数值和单位)。
本实验在探究影响电子离开电场时偏移的距离时,运用了_________法;(2)相同情况下,电子的入射速度越大,偏移距离越________。
它们间的关系可以用图像2中的图线________表示;(3)现有两块平行相对的长度为5cm,间距为1cm的金属板,为了让初始速度为3×107m/s 的电子从一端沿两板间中线方向入射后,刚好能从另一端的金属板边缘处射出,需要加_____V的电压。
2.图甲是安装在木板正面的部分电路,其中a、b、c、d是穿越木板的接线柱,两个灯座的两端分别接在两个接线柱上,安装两个相同的小灯泡L1、L2木板背面的部分接线柱之间有导线相连着,从而使木板正背两面的电路组成一个完整的电路。
闭合开关通电后,两灯都能正常发光。
(1)小明说出了判断两灯是串联还是并联的正确方法:用手将其中一个小灯泡取掉,若另一灯泡仍发光,则说明两灯的连接方式是______________,否则是____________;(2)小丽在电源和开关之间串联接入电流表,闭合开关,两灯亮,电流表示数如图乙所示,可初步判断通过灯L1的电流可能是_________,也可能是_____________。
上海兰生复旦初三九年级物理中考电学实验汇编一、中考物理电学实验1.某小组同学通过自学得知:在两种金属组成的回路中,如果使两个接触点的温度不同,便在回路中将会出现电流.为了验证和探究其中规律,该小组利用铁丝和铜丝两种导线组成图(a)所示的闭合回路,并将相连的两个交叉点A、B分别置于烧杯中和酒精灯上方.做了如图(a)、(b)、(c)、(d)所示的四次实验.请仔细观察图中的装置、操作和现象,归纳得出初步结论.(1)分析比较图中(a)(b)两图中的装置、操作和现象,归纳得出初步结论:当相互连接的两种金属丝的材料不变时,接触点之间的温度差越小,电路中的电流________.(2)分析比较图中(a)(c)两图[或(b)(d)两图],发现当相互连接的两种金属丝的材料相同,金属导线接触点之间的温度差也相同,且用酒精灯对金属导线中部进行加热时,闭合回路中的电流表示数________(选填“变大”、“不变”或“变小”).据此可得出初步结论:当相互连接的两种金属丝的材料相同,金属导线接触点之间的温度差也相同时,电路中的电流大小与金属导体中部温度高低________.2.在用电压表、电流表测量小灯泡电功率的实验中,灯泡上标有“2.5V”的字样.(1)测量小灯泡电功率的实验的原理是______________;小张根据电路图连接如图甲所示的实验电路,小王检查后发现有一根导线连接有错误,请你在这根导线上打“×”,并用笔画线代表导线,画出正确的连线。
___(2)电路改正后,小张闭合开关,发现灯泡不亮,电流表无示数,而电压表示数接近3V,取下灯泡,两表的示数仍然不变,出现故障的原因可能是____________________。
(3)故障排除后,开始进行实验,小王根据测出的数据,在图乙中画出了小灯泡的电流、电压变化的关系图像,由此可以判断,小灯泡的额定功率为______W。
此次实验中,使用滑动变阻器的目的是_________________。
上海建平实验中学初三九年级物理中考电学实验汇编一、中考物理电学实验 1.进一步探究电容器是电气设备中的重要元件,是储存电荷的装置。
通常简称其容纳电荷的本领为电容,用字母C 表示,单位为法拉,用字母F 表示。
两个相距很近又彼此绝缘的平行金属板形成一个最简单的电容器,在电路中用表示。
(1)如图,闭合开关,电容的两个极板将带等量异种电荷,这个过程叫电容器充电。
充电过程中,经过开关的电流方向是______(选填“从A 到B ”或“从B 到A ”)。
改变电源电压,电容器所带电荷量Q 也发生改变,实验数据如下表。
电压U /V 2 8 2电荷量Q /C 4×10-3 6×10-3 2×10-3 5×10-3 电容C /F2×10-30.75×10-31×10-32×10-3(2)分析数据可知,电容C 与电容器两端电压U 及电荷量Q 的关系式为:C=______。
(3)请把表格补充完整______。
(4)电容的大小不是由带电量或电压决定的,常见的平行板电容器,电容决定式为SC dε=(ε是一个常数,S 为极板面积,d 为极板间距离)。
多电容器串联时,121111=nC C C C ++…,(C 表示总电容,C 1、C 2.……C n 表示各电容器的电容)。
现有两个极板面积分别为S 1、S 2,极板间的距离分别为d 1、d 2的平行板电容器串联接到电压为U 的电源上,则总电容C =______,总共能够储存的电荷量为______。
2.图甲是安装在木板正面的部分电路,其中a 、b 、c 、d 是穿越木板的接线柱,两个灯座的两端分别接在两个接线柱上,安装两个相同的小灯泡L 1、L 2木板背面的部分接线柱之间有导线相连着,从而使木板正背两面的电路组成一个完整的电路。
闭合开关通电后,两灯都能正常发光。
(1)小明说出了判断两灯是串联还是并联的正确方法:用手将其中一个小灯泡取掉,若另一灯泡仍发光,则说明两灯的连接方式是______________,否则是____________;(2)小丽在电源和开关之间串联接入电流表,闭合开关,两灯亮,电流表示数如图乙所示,可初步判断通过灯L1的电流可能是_________,也可能是_____________。
电学实验杨浦:30. 小华做“测定小灯泡的电功率”实验,现有电源(有3伏、4.5伏,6伏可选)、待测小灯(标有“0.28A”字样)、电压表、电流表、滑动变阻器、电键及导线若干.小华连接电路,进行实验,闭合电键后,在移动变阻器的滑片的过程中,电压表的示数从2.4伏逐渐减小至零,电流表示数变化范围为0.12安~0.24安,小灯亮度虽随之变化,但是一直较暗.①你认为小华的实验中存在的问题是:①__________________;②____________________.②经过思考后,小华仅对实验器材略作调整,然后闭合电键,继续实验,发现当小灯正常发光时,电压表和电流表的示数的乘积为0.616瓦.实验中,小华判断小灯正常发光的依据是:____________,此时的电源电压为___________伏,小灯的额定功率为__________瓦.答案:奉贤:25.小杨同学在做“测定小灯泡的电功率”实验时,实验器材齐全并完好,其中电源电压为6伏且不变,待测小灯泡L标有“4.5V”字样,且有规格为“20Ω 1A”和“50Ω 2A”的两种滑动变阻器可选.他正确串联实验器材,闭合电键并逐步移动滑片P的位置,观察电压表及电流表的示数,并记录实验数据,部分实验数据如表所示.①小杨同学实验中选用的滑动变阻器为____(9)___, 理由是____(10)___.②根据表中的信息可求得的小灯泡最暗时电源的电功率为(11)瓦.③根据表中的信息计算出小灯泡L的额定功率.(需写出计算过程)__(12)_____答案:宝山、嘉定:26.小姜同学在做“用电流表、电压表测电阻”实验,现有电压不变的电源,待测电阻R x,电流表、电压表(0~15V档损坏),滑动变阻器(标有“20Ω 2A”字样),电键及导线若干.实验中,小姜同学先依据实验原理设计了实验所用电路图,如图16(a)所示.当小姜同学将滑片移至最右端后闭合电键后,电压表示数为2.0伏,电流表示数为0.20安;接着他将滑片P向左移至中点时,电压表示数为3.0伏,电流表示数如图16(b)所示.实验序号电压(伏)电流(安)… 4.5 0.16… 3.0 0.18… 1.5 0.20⑴.请在图16(a)所示电路的〇里填上适当的电表符号,使之成为正确的电路.⑵.要使待测电阻两端电压大于3伏,继续完成实验,小姜同学接着进行的操作是:___________________________________________________________________.⑶.当他操作完成后,发现电流表示数为0.4安时,电压表示数如图16(c)所示.请将上述测得的三组数据填写在下表中,并计算出电阻.(计算电阻时,精确到0.1欧.)______答案:崇明:25.小王做“测定小灯泡电功率”实验,现有电源(电压保持不变)、待测小灯、电压表、电流表、滑动变阻器(“20Ω 1A”)、电键及导线若干,其中待测小灯上只有所标“0.17A”(指小灯正常工作电流)字样清晰可见.他连接电路,闭合电键,接着他移动滑片,发现电流表示数始终不变且小于 0.17A,电压表示数始终为 2.4V;他经过思考分析,在没有更换实验器材的情况下重新正确连接电路,并规范操作,闭合电键发现电流表、电压表示数分别为 0.12 安和 3.6 伏,当滑片恰好移动到中点位置时(即接入电路的阻值为10Ω),小灯正常发光.(1)请说明小王判断小灯正常发光的理由:(9);P(a)R x R′S(b) (c)图16物理量实验序号电压U x(伏)电流I x(安)电阻R x(欧)电阻R x平均值(欧)123(2)小王第一次连接电路错误之处的原因是(10)(选填“A. 变阻器接入电路的接法不正确;B. 电压表接入电路的位置不正确;C. 电流表接法不正确”),电源电压为(11)伏, 小灯泡的额定功率为(12)答案:黄浦:26.小华同学做“测定小灯泡的电功率”实验,所用器材齐全且完好.电源电压有2、4、6和8伏四档,待测小灯为标有“2.5V”、“4.5V”字样中的一个,滑动变阻器有“10Ω 2A”和“5Ω 3A”两种规格.小华选用电源的电压为6伏档,正确连接电路且使变阻器连入电路中的电阻最大,闭合电键时,小灯发光较刺眼,两电表指针所处位置如图15(a)、(b)所示.①判断所用滑动变阻器的规格并说明理由. (13)②为了完成实验,小华拟对已有的电源档位或滑动变阻器规格进行调整,请分析其可行性,并写出具体的调整方案. (14)③调整好后,小华重新按正确方法进行实验.当小灯正常发光时,电流表指针所处位置如图15(c)所示.请通过计算求出小灯的额定功率. (15)答案:金山:26.在做“用电流表、电压表测电阻”的实验中,甲、乙两同学所用器材完全相同且齐全,测定同一规格的电阻.他们均正确串联电路,闭合电键前都将滑动变阻器的滑片置于一端,并将电压表并联在电路中.闭合电键,观察到甲、乙两同学的电压表示数之差为2伏,然后乙同学将滑片移至变阻器另一端时,观察到电压表示数与甲最初的电压表示数之差仍为2伏.下表为乙同学的实验数据.(1)请画出乙同学的实验电路图(15).(a)(b)(c)图15实验序号电压表的示数(V)电流表的示数(A)1 2.5 0.32(2)根据相关信息,计算说明电源电压为(16)伏.(3)根据相关信息,计算出待测电阻的阻值(17)(写出解题过程)答案:静安:26.小红同学做“测定小灯泡的电功率”实验,实验器材齐全且完好,电源电压为8伏,待测小灯上只有“0.3A”(指小灯正常工作电流)字样清晰可见.小红将小灯、电流表、滑动变阻器以及电键等串联接入电路后,再将电压表并联在小灯两端.闭合电键后,在移动变阻器滑片的过程中,发现电流表、电压表的示数始终没有发生变化,其示数如图15(a)、(b)所示.小红经过思考,重新连接电路并实验,当小灯正常发光时,观察到电压表的示数如图15(c)所示.图15(c)①写出小红判断小灯泡正常发光的依据.②根据相关信息,通过计算和说明求滑动变阻器的最大阻值R变.③根据相关信息,通过计算和说明求小灯的额定电功率P额.答案:闵行:26某兴趣小组在进行测定小灯泡额定功率实验时,可用的实验器材有:标有“0.2安”字样的小灯泡、3节新干电池、标有“10欧1安”和“5欧1安”的滑动变阻器、电压表、电流表、电键和导线若干,所有器材均完好.他们第一次选择了3节新干电池和标有“5欧 1安”的变阻器及其它相关器材进行实验,实验电路连接正确、步骤规范,但在实验过程中发现无法完成实验.接着,他们更换了部分器材,使用2节新干电池和标有“10欧 1安”的变阻器重新进行了第二次实验,但在实验过程中发现依旧无法完成实验.然后他们经商量,对器材又做了一定的调整,最后顺利地完成了实验.(1)请画出正确的实验电路图. (12)(2)请分析他们第一次实验时无法完成实验的原因是:(13) .(3)该小灯泡的额定功率应介于(14)瓦至(15)瓦之间.答案:普陀:26.某实验小组做“测定小灯泡的电功率”实验,所用器材包括电源(电压为2伏的整数倍)、小灯泡(标有0.3A字样)、电流表、电压表、滑动变阻器、电键以及若干导线.正确连接电路后,当滑片P在某一端时,闭合电键S,观察到电压表示数为2伏,电流表示数为0.2安;当滑片P从某一端向另一端移动约1/3距离时,观察到电压表示数为2.8伏,电流表示数为0.24安;继续移动滑片P,当小灯泡正常发光时,电压表示数如图13所示.①实验过程中用到的电源电压U和滑动变阻器的最大阻值(14) .(需写出计算过程)②为了能精准测得小灯正常发光时电功率,小组讨论后设计了如下方案:将电压表V并在小灯泡两端,移动滑片P,使电压表示数为3伏;保持滑片P位置不变,断开电键,将电压表V并在滑动变阻器两端;继续移动滑片P,当小灯正常发光时,读出电压表示数.图13老师看了该方案后,建议做进一步完善.请你帮助他们补充完整:(15) .答案:青浦:25.小华同学做“测定小灯泡的电功率”实验,现有电源(电压不变)、待测小灯(标有“0.28A”字样)、电流表、电压表(只有0~3伏完好)、滑动变阻器(标有“20Ω2A”字样)、电键以及导线若干.他正确连接电路并按规范操作,闭合电键后,两电表的示数如图13(a)、(b)所示.他移动变阻器的滑片,小灯接近正常发光时,发现电路无法正常工作.他经过思考后认为在无需更换元件的情况下重新连接电路或许也可以完成实验任务,于是他先改变变阻器滑片P的位置,使电压表的指针满偏,然后在不改变滑片P的情况下重新连接电路后再次实验,当小灯泡正常发光时,电压表示数如图13(c)所示.①.小华同学所用的电源电压为伏.(需写出计算过程)②.他“重新连接电路前,先改变变阻器滑片P的位置,使电压表的指针满偏”的目的是: .③.请根据相关信息计算出小灯的额定功率 .(需写出计算过程)答案:徐汇:25.小徐做“测定小灯泡的电功率”实验,现有电源(电压为定值)、待测小灯泡(标有“4V”字样)、电流表、电压表〔只有0~3伏档完好)、滑动变阻器A、B(A标有“10Ω 1A”字样、B标有“20Ω 1A"字样)、电键及导线若干.他选用其中一个滑动变阻器正确连接电路后进行实验,当移动变阻器滑片至某一位置时,发现电压表、电流表的示数如图15(a)、(b)所示他经过思考,重新连接电压表后进行实验,将新测得的三组数据记录在下表中,①小徐在实验中选用的滑动变阻器是 (选填“A ”或“B ”),重新接入电压表时,他把电压表接在 选填“cd ”或“ef ”)位置.②实验中小徐观察到小灯三次的发光亮度不同,因此他在“亮度”这一列填写了“较暗、较亮、最亮”,他经过判断后确认实验序号 时小灯泡恰好正常发光,他判断的依据是 ,小灯的额定电功率P 额为 瓦. 答案:长宁:25.小华做“测定小灯泡的电功率”实验,实验器材有若干节新干电池、待测小灯(标有“4.5V”字样)、电流表、电压表、滑动变阻器、导线若干和电键.他正确连接电路,并将滑片置于一端.闭合电键后,将电压表和电流表示数记录在了右表的序号1中.然后他将滑片分别移到变阻器中间某处和另一端,并将电压表和电流表示数记录在右表中.①小华在实验中存在的可能问题是:_________(写出一种可能情况即可);②小华实验中所用滑动变阻器的最大阻值为__________欧.③经过思考,小华只在原先电路中增加两节干电池,就完成了实验.他实验步骤正确,闭合电键时发现:电压表的示数恰好为 4.5伏.请根据相关信息,求小灯泡的额定功率.___________(本小题需写出计算过程)(11电压电流电功率(伏)(安)(瓦)13.00.222 2.60.2032.10.18序号答案:虹口:26.小华做“测定小灯泡的电功率”实验,已知小灯泡的功率不超过1瓦.现有电源(电压为1.5伏的整数倍且保持不变)、待测小灯泡(如图14所示)、电流表、电压表、滑动变阻器、电键及导线若干.小华连接电路进行实验,由于小灯上所标额定电压模糊不清,他思考后移动变阻器的滑片使电压表的示数分别为3.5伏、2.5伏和1.5伏,并记录相应的电流表示数.实验数据如下表所示.① 请画出小华连接的实验电路图.________(用2B 铅笔在答题纸的相应位置作图)② 请根据相关信息,求出电源电压U 及小灯泡的额定功率P 额._________ 答案:26.①略②根据题目相关信息可判断:电压表并联在滑动变阻器两段, 小灯正常发光时,U 滑为3.5伏;若U =6.0伏,则U 灯=U -U 滑=2.5伏 P 额=U 额I 额=2.5伏×0.3安=0.75瓦 若U =9.0伏,则U 灯=U -U 滑=5.5伏 P 额=U 额I 额=5.5伏×0.3安=1.65瓦,舍去松江:26.小华做“测定小灯泡电功率”实验,所用器材如下:电源(电压保持不变)、电流表、电压表(0~15伏量程损坏)、滑动变阻器、待测小灯(标有“0.2A”字样)、电键S 以及导线若干.小华先正确串联实验器材,然后将电压表并联在电路中.闭合电键后,移动变阻器的滑片,将测得数据记录在下表中.小华在分析、思考后,换用“50Ω 2A ”字样的滑动变阻器,重新正确串联电路,并将电压表并联在合适的电路两端,且实验步骤正确.闭合电键S 后,观察到此时电流表、电压表的示数为0.1安、1.0伏.物理量 实验序号电压U x (伏) 电流I x(安) 13.5 0.30 2 2.5 0.38 31.50.43图14①测定小灯泡电功率的实验原理是:(14) .②判断小灯泡正常发光的方法是:(15) .③求:小灯泡的额定功率(16) .(请写出计算过程)答案:浦东新区:25.在“测定小灯泡的电功率”实验中,电源电压为2伏的整数倍,滑动变阻器上标有“10Ω 2A”字样,小灯标有“2.2V”、“3.8V”字样.小娜同学从两个小灯中选用一个进行实验,连接好电路后,先把滑片移到变阻器的一端,闭合电键,观察到电流表示数如图9(a)所示;然后移动滑片使小灯正常发光;继续移动滑片到滑动变阻器的中点位置时,电流表示数如图9(b)所示,电压表示数的两次变化量恰好相同,电流表示数的两次变化量也相同.①小灯正常发光时的电流为 (9) 安;②所用的电源电压为 (10) 伏;③小灯标有“ (11) ”字样;④小灯的额定功率为 (12) 瓦.答案:(9)0.30; (10)6; (11)3.8V; (12)1.14.。