基槽开挖测量记录表
- 格式:doc
- 大小:57.50 KB
- 文档页数:5
基坑(槽)土方开挖方式基槽放线:根据房屋主轴线控制点,首先将外墙轴线的交点用木桩测设在地面上,并在桩顶钉上铁钉作为标志。
房屋外墙轴线测定以后,再根据建筑物平面图,将内部开间所有轴线都一一测出。
最后根据中心轴线用石灰在地面上撒出基槽开挖边线。
同时在房屋四周设置龙门板(图 1.27)或者在轴线延长线上设置轴线控制桩(又称引桩,见图1.28),以便于基础施工时复核轴线位置。
附近若有已建的建筑物,也可用经纬仪将轴线投测在建筑物的墙上。
恢复轴线时,只要将经纬仪安置在某轴线一端的控制桩上,瞄准另一端的控制桩,该轴线即可恢复。
图1.27 龙门板的设置1—龙门板;2—龙门桩;3—轴线钉;4—角桩;5—灰线钉;6—轴线控制桩(引桩)图1.28 轴线控制桩(引桩)平面布置图为了控制基槽开挖深度,当快挖到槽底设计标高时,可用水准仪根据地面±0.00 水准点,在基槽壁上每隔2~4 m 及拐角处打一水平桩,如图1.29 所示。
测设时应使桩的上表面离槽底设计标高为整分米数,作为清理槽底和打基础垫层控制高程的依据,如图1.30 所示。
图1.29 基槽底抄平水准测量示意图图1.30 基坑定位高程测设示意图基坑开挖分两种情况:一是无支护结构基坑的放坡开挖,二是有支护结构基坑的开挖。
1.无支护结构基坑放坡开挖工艺采用放坡开挖时,一般基坑深度较浅,挖土机可以一次开挖至设计标高,所以在地下水位高的地区,软土基坑采用反铲挖土机配合运土汽车在地面作业。
如果地下水位较低,坑底坚硬,也可以让运土汽车下坑,配合正铲挖土机在坑底作业。
当开挖基坑深度超过 4 m 时,若土质较好,地下水位较低,场地允许,有条件放坡时,边坡宜设置阶梯平台,分阶段、分层开挖,每级平台宽度不宜小于1.5 m。
在采用放坡开挖时,要求基坑边坡在施工期间保持稳定。
基坑边坡坡度应根据土质、基坑深度、开挖方法、留置时间、边坡荷载、排水情况及场地大小确定。
放坡开挖应有降低坑内水位和防止坑外水倒灌的措施。
给水排水管道工程施工及验收规范(G B50268-2008)分项工程检验批质量验收记录表沟槽(基坑)土方开挖直线顶管管道施工沟槽(基坑)支护曲线顶管管道施工沟槽(基坑)回填)垂直顶升管道施工管道基础盾构管片制作1钢管接口连接盾构管片制作2金属类管道铺设盾构管片制作3钢管(水泥砂浆)内防护层盾构掘进和管片安装1钢管(环氧涂料)内防护层盾构掘进和管片安装2钢管外防护层盾构施工钢筋混凝土二次衬砌钢管阴极保护浅埋暗挖管道的土层开挖球墨铸铁管接口连接浅埋暗挖管道的初期衬砌1钢筋混凝土类接口连接浅埋暗挖管道的初期衬砌2钢筋混凝土类管道铺设浅埋暗挖管道的防水层化学建材管接口连接浅埋暗挖的二次衬砌柔性管道铺设定向钻施工管道管渠基础地基夯管施工管道管渠模板沉管基槽浚挖及管基处理管渠钢筋制作组对拼装管道沉放管渠现浇混凝土预制钢筋混凝土管节制作管渠变形缝钢筋混凝土管节接口预制加工管渠构件预制预制钢筋混凝土管的沉放管渠预制构件安装沉管的稳管及回填管渠砖石砌筑桥管管道安装1工作井围护结构桥管管道安装2工作井(沉井)模板现浇混凝土井室工作井(沉井)钢筋加工砖砌井室工作井(沉井)钢筋安装预制拼装井室工作井沉井制作雨水口及支、连管安装(雨水吸支、连管安装)工作井下沉及封底管道支墩安装工作井井内结构沟槽(基坑)土方开挖检验批质量检验记录表 A.0.1 编号:010001□□注:1、本表由施工项目专业质量检查员填写,监理工程师(建设单位项目技术负责人)组织项目专业质量检查员等进行验收,并应按上表进行记录。
沟槽(基坑)支护检验批质量检验记录表 A.0.1 编号:010002□□注:1、本表由施工项目专业质量检查员填写,监理工程师(建设单位项目技术负责人)组织项目专业质量检查员等进行验收,并应按上表进行记录。
沟槽(基坑)回填检验批质量检验记录表 A.0.1 编号:010003□□注:1、本表由施工项目专业质量检查员填写,监理工程师(建设单位项目技术负责人)组织项目专业质量检查员等进行验收,并应按上表进行记录。
A4
土方路基挖方工程报验申请表
施工测量放线报验单工程名称:
施工测量放线记录
测量:记录:计算:复核:项目技术负责人:
水准测量记录
施工单位:
监理单位:
测量:记录(计算):复核:日期:
表式C5-1-2
G2-1-1 土方(基槽)开挖施工检验批质量检验记录表
验项先填写“检验批主控项目计数检验记录表”(G1-1-1),然后将计数检验结果填写在本表相应的检查结果栏内;检验批一般项目计数检验数据较多、本表空格不够填写的项,可填写“检验批一般项目计数检验记录表”(G1-1-2),
将该表作为本表的附页。
路基(路面)宽度、横坡、边坡检查表。
四川省雅安至康定高速公路工程项目隧道洞身开挖现场质量检验表承包单位:中铁二十局第二工程有限公司合同号: C14监理单位:北京交科工程咨询有限公司编号:检表10.6。
2四川省雅安至康定高速公路工程项目洞身开挖分项工程关键工序交验单承包单位:中铁二十局第二工程有限公司合同号: C14监理单位:北京交科工程咨询有限公司编号:监表:46四川省雅安至康定高速公路工程项目隧道开挖地质调查原始记录表承包单位:中铁二十局第二工程有限公司合同号: C14 监理单位:北京交科工程咨询有限公司编号:隧道记录表施工单位检查人:日期: 专业监理工程师:日期备注:岩性指标栏岩石力学强度指标必要时做四川省雅安至康定高速公路工程项目隧道洞身开挖自检表承包单位:中铁二十局第二工程有限公司合同号: C14 监理单位:北京交科工程咨询有限公司编号:四川省雅安至康定高速公路工程项目隧道边樯基础检查记录表承包单位: 中铁二十局第二工程有限公司合同号: C14 监理单位:北京交科工程咨询有限公司编号:四川省雅安至康定高速公路工程项目水准测量记录表承包单位: 中铁二十局第二工程有限公司合同号: C14 监理单位:北京交科工程咨询有限公司编号:工程名称: ZK78+240~ZK80+658大柏牛隧道左线 ZK80+610~ZK80+658洞身开挖(Z5j)工程部位:检测日期:四川省雅安至康定高速公路工程项目全站仪平面位置检测表承包单位:中铁二十局第二工程有限公司合同号: C14监理单位:北京交科工程咨询有限公司编号:工程名称:K75+717~K76+279前碉2号隧道右线 K76+264~K76+279洞身开挖(Z5j)桩号及工程部位: 日期:。
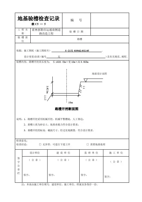
基槽开挖测量记录表工程名称舞钢海文国际金融商业中心日期年月日(金融楼B)验线依照及内容:甲方供给的图纸,设计院的更改及地质勘探报告。
基础垫层底标高开挖至— 7.680米。
基础平面及剖面图:原地面-5.95-7.77-7.76-7.78-5.97-7.76-7.77-7.78-7.75-7.76-7.77项目专业质检员:专业技术负责人:年月日施工单位检查建议专业监理工程师:年月日监理单位建议建设单位项目专业技术负责人:年月日建设单位建议基槽开挖丈量记录表工程名称舞钢海文国际金融商业中心日期年月日(金融楼 A)验线依照及内容:甲方供给的图纸,设计院的更改及地质勘探报告。
基础垫层底标高开挖至—7.680 米。
基础平面及剖面图:-7.77-7.78-776 5.95原地面-7.76-7.75-7.75 5.96-7.74-7.73-7.73施工单位检查建议项目专业质检员:专业技术负责人:年月日监理单位建议专业监理工程师:年月日建设单位建议建设单位项目专业技术负责人:年月日基槽开挖丈量记录表工程名称舞钢海文国际金融商业中心年月日日期(大商业)验线依照及内容:甲方供给的图纸,设计院的更改及地质勘探报告。
基础垫层底标高开挖至— 5.88 米。
基础平面及剖面图:-7.4-7.35-6.6-5.95原地面-7.4-7.45-6.7-5.96-5.92-5.94-5.94-5.96-5.95-5.94-5.96-5.95-5.94-5.96-5.95-5.96-5.97-5.96-5.95-5.93-5.94-5.93-5.97-5.98-5.97-5.96-5.95-5.94-6.55-5.98-5.96-5.95-5.94-6.54施工单位检查建议项目专业质检员:专业技术负责人:年月日监理单位建议专业监理工程师:年月日建设单位建议建设单位项目专业技术负责人:年月日基槽开挖丈量记录表工程名称舞钢海文国际金融商业中心日期年月日(酒店)验线依照及内容:甲方供给的图纸,设计院的更改及地质勘探报告。
《工程定位测量记录》填写说明与依据一、表格解析1.提文时限定位完成后2d内提交2.填写要点(1)“工程名称”与施工图纸中的图签一致。
(2)“图纸编号”填写施工图纸编号,如总平面、首层建筑平面、基础平面。
(3)“施测日期、复测日期”按实际日期填写。
(4)“坐标依据、高程依据“是由测绘院或建设单位提供,应以市规划委员会打桩坐标为标准。
在填写时要写明点位编号,且与交桩资料中的点位编号一致。
(5)“使用仪器“栏应将经纬仪、水准仪等仪器的名称,型号、出厂编号标注清楚。
(6)“闭合差“一般应满足三级精度I<1/10000:h≤正负6根号nmm的要求(n为测站数)。
(7)“仪器测定日期”指由法定检测单位校准日期。
(8)“定位抄测示意图”具体要求:1)应将建筑物位置线,重要控制轴线、尺寸及指北针方向、现场标准水准点、坐标点、红线桩、周边原有建筑物、道路等采用适当比例会制在此栏内。
2)坐标、高程依据要标注引出位置,并标出它与建筑物的关系。
3)特殊情况下,可不按比例,只画示意图,但要标出主要轴线尺寸,同时须注明±0.000绝对高程。
(9)“抄测结果”栏必须填写复测的具体数字,不能只写“合格”或“不合格”,应根据监理单位要求由施工(测量)单位采用计算机打印。
(10)签字栏中“技术负责人”为项目总工;“专业测量负责人”为施测单位主管;“复测人”是指施测单位的上一级测量人员。
“施测人”是指定位仪器操作者。
二、填写依据1.规范名称《工程测量规范》(GB50026)2.相关要求(1)一般规定。
1)放线和基础施工测量的主要内容包括;建筑物的定位放线、桩基施工测量、基槽(坑)开挖中的放线与超平、建筑物的基础放线、±0.000一下的测量放线与超平等。
2)建筑物定位放线和基础施工测量前应收集以下测量成果资料。
①城市规划单位提供的城市测量平面控制点或建筑红线桩点、高程控制点。
②建筑场区平面控制网和高程控制网。
日期
本表由建设单位、施工单位、城建档案馆各保存一份。
工程名称××综合楼签
字
栏建设(监理)单位 经检查:1-11/A-B 轴为基底控制轴线,垫层标高(误差:-1mm ),基槽开挖的断面尺寸(误差:+2mm ),坡度边线、坡度等各项指标符合设计要求、《建筑工程测量规程》(DBJ01-21-95)及本工程《施工测量方案》规定,可进行下道工序施工。
×××××建筑工程公司基槽平面、剖面简图:
专业技术负责人
×××检查意见:
专业质检员施测人××××××
验线依据及内容:
施工测量单位
编号基槽验线记录
表C3-2
依据:1、施工图纸(图号××)设计变更/洽商(编号××);
2、《建筑工程施工测量规程》(DBJ01-21-95);
3、本工程《施工测量方案》;
4、定位轴线控制网。
内容:根据主控轴线和基底平面图,检验建筑物基底外轮廓线、集水坑(电梯井坑)、垫层标高、基槽断面尺寸及边坡坡度(1:0.5)等。
质量评定检测记录表
工程材料、设备、半成品进场报验表
主要施工设备进场报审表
分项/分部工程质量报验单
施工单位各一份。
分项、分部工程不合格时,应发《不合格工程项目通知》。
工程验收申请表
工程名称: 编号:
造林密度、成活率施工自检记录表
测量人: 项目负责人: 检测日期:年月日
测量人:项目负责人: 检测日期:年月日
测量人:项目负责人:检测日期:年月日
小鱼鳞坑整地施工自检记录表
测量人: 项目负责人:检测日期:年月日
种草出苗率施工自检记录表
测量人:项目负责人:检测日期:年月日
工程现场记录汇总表
施工单位:填报时间年月日
工程竣工报验单
表号: A17 编号:
检验/试验记录登记表
砌石工程施工记录
地基异常现象处理记录
基槽检查记录
工程砌石检查记录
回弹仪检验混凝土、砂浆强度报告
隐蔽工程检查记录工程编号:
质量评定表
表A.1 土沟槽开挖及基础处理单元工程质量评定表
表A.2
表A.3 干砌石单元工程质量评定表
表A.8
表A。
9 排(截)水沟渠单元工程质量评定表
表A。
10
表A.11 造林(乔木林、灌木林)单元工程质量评定表
表A。
12 人工种草单元工程质量评定表
表A.13 分部工程质量评定表
表A。
7。
2.1。
3引测座标点、水准点,建立局域控制测量网1、座标点从现场场地的实际情况来看,整个基槽采取大开挖,现场可用场地较狭小。
所以布设的控制点要求通视,便于保护施工方便.根据设计图纸、施工组织设计对楼层进行网状控制,兼顾±0.000以上施工,确定控制控轴线为: 1幢1-A、1-M轴是通轴线,控制点为1—1轴交1-A轴、1-M轴交1-1轴;1-9轴交1-M轴、1-9轴交1—A,设置井字形控制线。
第一步,施测时,首先,采用经纬仪置于“规6点”,对中整平,后视照准“规2点",前视“规8点",校核测绘院提供的这几点相对距离、夹角是否符合.第二步,采用50m长钢尺施测方法,测设各楼座的定位点,测读各楼座定位点的距离与施工图纸尺寸是否符合,复查校核各楼座数据。
至此,建立本工程各楼座测量的控制轴线网。
轴线投测允许偏差:主轴线间距允许偏差(mm)相临轴线±3L ≤30m±530m〈L≤60m ±1060m〈L≤90m ±15L 〉90m±20控制轴线投测完毕后,依据施工图纸及施工洽商,首先放样其它设计轴线,并检查校核,满足施工规范要求后,依次放样柱、墙、门窗等,弹墨线,用红油漆标注。
主体结构为“钢尺垂直传递法".项目允许误差(mm)每层±3高度(H)H≤30m ±5 30m<H≤60m±10 60m〈H≤90m ±15 90m<H≤120m ±20120m<H≤150m±252。
2。
3轴线及高程点放样程序1)基础工程2)地下结构工程3)地上结构施工2.3基础测量放线轴线投测1)土方开挖:由于本工程基础土方为中国建筑西南勘察设计研究院有限公司开挖,同时以此控制槽的开挖尺寸和边坡坡度.在垫层混凝土浇筑之前,测量检查以前土方开挖情况,确认要开挖的,开挖前根据控制桩放出槽边上口线,在挖出工作面后,先钉出距槽边1米控制桩,以此控制槽的开挖尺寸和边坡坡度。
工程编号:分项工程名称施工测量工程地点电房类型建筑面积m2工序检验项目性质质量标准施工单位自检结果定位放线控制桩测关键根据建(构)筑物的主轴线设控制桩。
桩深度应超过冰冻土层。
主要建(构)筑物不应少于3个平面控制桩精度关键应符合二级导线的精度要求,主厂房和输煤系统建筑物还应符合现行有关标准的规定高程控制桩精度关键应符合三等水准的精度要求全站仪定位精度关键应符合现行有关标准的规定监理验收意见:验收单位质量验收结论签名班组年月日施工队年月日项目部年月日监理年月日工程编号:Q/分项工程名称基础开挖工程地点电房类型建筑面积m2工序检验项目性质质量标准施工单位自检结果基础开挖持力层关键应符合设计要求边坡、表面坡度关键应符合设计要求和现行有关标准的规定标高偏差柱基、基坑、基槽关键0~-50(0~-45)mm挖方场地平整人工关键±30(25)mm机械关键±50(45)mm管沟关键0~-50(0~-45)mm地(路)面基层关键0~-50(0~-45)mm长度、宽度(由设计中心线向两边量)偏差柱基、基坑、基槽关键+200~-50(+150~-45)mm挖方场地平整人工关键+300~-100(+250~-80)mm机械关键+500~-150(+450~-100)mm管沟关键+100~0(+80~0)mm监理验收意见:验收单位质量验收结论签名班组年月日施工队年月日项目部年月日监理年月日。
检验/试验记录登记表表号:C 3 编号:工程名称合同编号序号检验试验项目名称取样日期取样人见证人使用部位检验试验单位报告编号报告返回日期试验结果备注记录人:造林密度、成活率施工自检记录表工程名称:编号:小斑号样方编号样方位置样方尺寸(m2)(长×宽)林种株距(m)行距(m)总数(株)造林密度(坑/hm2)成活数(株)成活率(%)备注检测结果统计设计造林密度坑/hm2,造林成活率要求在80%以上,共检测样方个,其中合格样方个,合格率%。
测量人:项目负责人:检测日期:年月日种草出苗率施工自检记录表工程名称:编号:小斑号样方编号样方位置样方尺寸(m2)(长×宽)草种成活数(株)备注检测结果统计种草出苗率要求不低于30株/m2,共检测样方个,其中合格样方个,合格率%。
测量人:项目负责人:检测日期:年月日基槽隐蔽工程检查记录工程名称、标段:编号:单位工程名称分部工程名称单元工程名称、编号检查验收日期基壁土、岩层分布情况及走向(附示意图)槽底土质情况(说明槽底土质类别,有无扰动情况)开挖面情况(说明坡度是否平整,有无反坡及陡于设计坡度情况)基槽实际尺寸序号长(m)宽(m)深(m)坡度(%)槽底标高(m)检查验收意见:施工单位代表:年月日专业监理工程师:年月日建设单位现场代表:年月日表 1 沟槽开挖及基础处理施工质量验收检验记录表单位工程名称、编码分部工程名称、编码单元工程部位、编码施工日期年月日检测日期年月日施工单位名称工程量检查、测量人记录人项次检查项目检查记录1沟槽开挖2基础处理土方3 石方4 开挖面项次检测项目质量标准检测记录1 2 3 4 5 6 7 8 9 101 标高土方设计:允许偏差0~+5cm石方设计:允许偏差-10~+20cm2宽(边线范围)、深土方设计:允许偏差0~+10cm石方设计:允许偏差0~+30cm附图和说明表2 坝(墙、堤)体浆砌石施工质量验收检验记录表单位工程名称、编码分部工程名称、编码单元工程部位、编码施工日期年月日检测日期年月日施工单位名称工程量检查、测量人记录人项次检查项目检查记录1 原材料2 砂浆配合比3 砌筑4 勾缝项次检测项目质量标准设计值检测记录1 2 3 4 5 6 7 8 9 101 砌石结构尺寸允许偏差为设计尺寸的±4%2 表面平整度用2m直尺测量,凹凸±2cm3 轴线位置允许偏差小于1cm4 标高允许偏差±1.5cm附图和说明表3 截(排)水沟渠施工质量验收检验记录表单位工程名称、编码分部工程名称、编码单元工程部位、编码施工日期年月日检测日期年月日施工单位名称工程量检查、测量人记录人项次检查项目检查记录1 △土质沟渠2△浆砌石(砼)沟渠原材料3 砌(浇)筑工艺及取样4 表面外观5 顺接工程项次检测项目质量标准设计值检测记录1 2 3 4 5 6 7 8 9 101 沟渠断面尺寸宽不低于设计的5%40cm高30cm2 沟渠底坡度不低于设计的10%≥0.3%3 沟渠坡面平整度用2m靠尺凸凹<2cm附图和说明表4 消力池施工质量验收检验记录表单位工程名称、编码分部工程名称、编码单元工程部位、编码施工日期年月日检测日期年月日施工单位名称工程量检查、测量人记录人项次检查项目检查记录1 △水泥、砂、石料质量、规格2 工程位置3 工程结构4 外观质量项次检测项目质量标准设计值检测记录1 2 3 4 5 6 7 8 9 101 池体断面尺寸长不低于设计的5%宽深2 砌石结构厚度允许偏差±10%3 表面平整度凸凹<2cm附图和说明表5 沉沙池施工质量验收检验记录表单位工程名称、编码分部工程名称、编码单元工程部位、编码施工日期年月日检测日期年月日施工单位名称工程量检查、测量人记录人项次检查项目检查记录1 △工程位置2 砌体材料3 墙体砌筑4 池壁厚度项次检测项目质量标准设计值检测记录1 2 3 4 5 6 7 8 9 101 池体断面尺寸长不低于设计的5%宽深2 表面缝宽无宽度在1.2cm以上、长度在0.5m以上的连续缝3 进出口尺寸进口允许偏差:设计尺寸的±5%出口附图和说明表6 削坡施工质量验收检验记录表单位工程名称、编码分部工程名称、编码单元工程部位、编码施工日期年月日检测日期年月日施工单位名称工程量检查、测量人记录人项次检查项目检查记录1 削坡形式2 排水设施3 生物护坡项次检测项目质量标准设计值检测记录1 2 3 4 5 6 7 8 9 101 削坡坡比允许偏差为设计值的±5%2 排水渠断面尺寸宽允许偏差为设计尺寸的±5%深附图和说明表7护坡施工质量验收检验记录表单位工程名称、编码分部工程名称、编码单元工程部位、编码施工日期年月日检测日期年月日施工单位名称工程量检查、测量人记录人项次检查项目检查记录1 填筑(含垫层或岸坡)2 断面尺寸,基础埋置深度及砂、石料料质3 干砌石、浆砌石砌筑;抛石、摆石护坡与坝体填筑4 勾缝项次检测项目质量标准设计值检测记录1 2 3 4 5 6 7 8 9 101 表面平整度干砌允许偏差不大于5cm2 浆砌允许偏差不大于3cm3厚度干砌允许偏差为设计±5cm4 浆砌允许偏差为设计±5cm附图和说明表8浆砌石护坡(框格护坡)施工质量验收检验记录表单位工程名称、编码分部工程名称、编码单元工程部位、编码施工日期年月日检测日期年月日施工单位名称工程量检查、测量人记录人项次检查项目检查记录1 △水泥、砂、石料质量、规格2 砂浆配合比3 △框格布置4 砌筑5 勾缝6 △框格整地、植草项次检测项目质量标准设计值检测记录1 2 3 4 5 6 7 8 9 101 砌石厚度允许偏差为设计±5cm2 表面平整度用2m靠尺凸凹不超过3cm附图和说明单位工程名称、编码分部工程名称、编码单元工程部位、编码施工日期年月日检测日期年月日施工单位名称工程量检查、测量人记录人项次检查项目检查记录1 渣场拦挡措施2 渣体碾压整平并进行边坡处理3 渣体排水设施4 渣场覆土及恢复项次检测项目质量标准设计值检测记录1 2 3 4 5 6 7 8 9 101 渣体边坡修整不大于自然稳定边坡1:1.752 顶面平整平整后顶面坡度小于5º3 覆土厚度不低于设计厚度30cm附图和说明单位工程名称、编码分部工程名称、编码单元工程部位、编码施工日期年月日检测日期年月日施工单位名称工程量检查、测量人记录人项次检查项目检查记录1 排水情况整体布局2 地面平整及边坡处理3 耕作层回填项次检测项目质量标准设计值检测记录1 2 3 4 5 6 7 8 9 101 边坡修整不大于自然稳定边坡1:1.752田面长度、宽度不低于设计的±300mm3 田间标高不低于设计的±30mm4 耕作层覆土厚度不低于设计厚度mm附图和说明表11 排洪导墙、护岸(护底)施工质量验收检验记录表单位工程名称、编码分部工程名称、编码单元工程部位、编码施工日期年月日检测日期年月日施工单位名称工程量检查、测量人记录人项次检查项目检查记录1 △水泥、砂、石料质量、规格2 △砂浆配合比3 反滤层4 伸缩缝、排水管安装5 砌筑6 勾缝项次检测项目质量标准设计值检测记录1 2 3 4 5 6 7 8 9 101 砌石厚度允许偏差为设计±10%2 表面平整度用2m靠尺凸凹<5cm3 坡脚标高允许偏差+5cm,-10cm4 齿墙深度允许偏差±5cm附图和说明单位工程名称、编码分部工程名称、编码单元工程部位、编码施工日期年月日检测日期年月日施工单位名称工程量检查、测量人记录人项次检查项目检查记录1 位置2 拦挡墙基面3 摆放4装土袋(包)充填度5 装土袋(包)封口项次检测项目质量标准设计值检测记录1 2 3 4 5 6 7 8 9 101单个装土袋(包)尺寸不小于设计尺寸(cm)长宽2 垂直度(H为2m以下时)向内倾斜坡比≥0.25H²(m)3 平整度凸凹不超过10cm附图和说明单位工程名称、编码分部工程名称、编码单元工程部位、编码施工日期年月日检测日期年月日施工单位名称工程量检查、测量人记录人项次检查项目检查记录1 △工程位置2 △工程结构3 外观质量4 护砌质量项次检测项目质量标准设计值检测记录1 2 3 4 5 6 7 8 9 101 池体断面尺寸长不低于设计的10%宽深2 进出口尺寸进口允许偏差:设计尺寸的±5%出口附图和说明表14 临时截(排)水沟渠道施工质量验收检验记录表单位工程名称、编码分部工程名称、编码单元工程部位、编码施工日期年月日检测日期年月日施工单位名称工程量检查、测量人记录人项次检查项目检查记录1 工程布设2 △工程结构3 外观质量项次检测项目质量标准设计值检测记录1 2 3 4 5 6 7 8 9 101截(排)水沟断面宽允许偏差为设计尺寸的±5%深2 截(排)水沟边坡边坡不陡于设计参数3 排水式截水沟与排水沟平均比降允许偏差为±10%4 消能和防冲措施结构尺寸允许偏差:±10%附图和说明表15 覆盖施工质量验收检验记录表单位工程名称、编码分部工程名称、编码单元工程部位、编码施工日期年月日检测日期年月日施工单位名称工程量检查、测量人记录人项次检查项目检查记录1 覆盖材料2 覆盖材料检查情况3覆盖面检查情况4 搭接方式5 搭接与边缘压镇项次检测项目质量标准设计值检测记录1 2 3 4 5 6 7 8 9 101 搭接坡度≤5°(坡比1:11.43)搭接长度不小于50cm2 搭接坡度5°~30°不小于60cm 搭接坡度≥30°(坡比1:1.73)不小于80cm附图和说明表16 水土保持林(乔、灌、经济林)施工质量验收检验记录表单位工程名称、编码分部工程名称、编码单元工程部位、编码施工日期年月日检测日期年月日施工单位名称工程量检查、测量人记录人项次检查项目检查记录1 整地2 △苗木3 栽植4 籽播植苗项次检测项目质量标准设计值检测记录1 2 3 4 5 6 7 8 9 101 成活率允许偏差:不小于85%2 株间距造林密度允许偏差:灌木林±10%,乔木林±5%,经济林±3%3 混交林配比允许偏差:±5%附图和说明表17 人工种草施工质量验收检验记录表单位工程名称、编码分部工程名称、编码单元工程部位、编码施工日期年月日检测日期年月日施工单位名称工程量检查、测量人记录人项次检查项目检查记录1 种子2 整地3 播种项次检测项目质量标准设计值检测记录1 2 3 4 5 6 7 8 9 101 成苗数允许偏差:不小于30株/m²或设计的±5%,2 △覆盖度允许偏差:不小于80%或设计的±5%。