外檐幕墙工程施工工艺流程图
- 格式:docx
- 大小:12.31 KB
- 文档页数:1
幕墙主梁安装顺序图竖料进出钢弦张紧决定竖料间隔决定水平钢弦线竖料钢弦线进出位置决定竖料靠近决定竖料左右决定连接件垂直(纵向)钢弦线1预埋件竖料主眼安装顺序竖料间隔决定基准定位决定竖料高度竖料进出位置决定竖料高度决定1342定位决定竖料高度水平钢弦线连接件垂直(纵向)钢弦线预埋件板432锚固件竖料预埋件决定竖料间隔决定3定尺2预埋件连接件竖料左右决定竖料左右决定竖料水平仪幕墙工程玻璃幕墙施工方法(图示)1、幕墙主梁安装顺序2、标准节点及三维图如下:隐框玻璃幕墙安装完成图玻璃板块3、施工测量放线(1)复核土建结构标高线的正确性①以土建的±0.0标高为基准,利用水平仪、50米长卷尺及适当重量的重物,复核土建标高的正确性。
②如发现土建标高不准确,应另作标记,并应有“幕墙专用”的标识,并将复核情况上报总包单位及监理。
(2)确定幕墙施工测量放线的基准层①用经纬线仪、50米长卷尺复核土建基准点、线的角度、距离、如发现偏差进行均差处理。
②当测量时应注意考虑温度、拉尺对测量结果的影响,应进行适当的修正。
③当发现测量结果有较大偏差时,应及时上报总包单位及监理公司,进行联合测量、纠偏。
(3)以复核过的基准点或基准线为依据,做出转接件施工所需的辅助测量线。
(4)以正确的控制线及主体结构图进行结构边缘尺寸的复核,如发现超差现象及时上报总包进行剔凿,以免影响板块。
4、转接件的安装转接件安装的质量与否关系到幕墙安装质量的一个重要环节。
该部分工作还应包含埋板的预埋处理,防雷的连接等。
埋件与连接件进行焊接固定。
埋板偏差的需先按设计要求处理,无埋板的需进行后埋件处理,确保安全、经济又能满足相关规范要求。
埋件与转接件安装如下图所示:5、龙骨安装(1)幕墙立柱安装:幕墙立柱是通过螺栓与转接件连接固定。
安装时,将竖立柱按节点图放入两连接件之间,在竖立柱与两侧转接件相接触面放置防腐垫片,穿入连接螺栓,并按要求垫入平、弹垫,调平,拧紧螺丝。
幕墙工程施工工艺1 工艺流程:墙面放线→安装连接件→安装幕墙立柱→幕墙横梁安装→横梁立柱调整紧固→安装石材→打胶→伸缩缝处理→板面清理施工前按照设计图进行测量,并进行二次排板,排板经设计同意后方可进行施工。
2.操作工艺2.1 墙面放线(1) 测量放线应与主体结构测量放线相配合,水平标高要逐层从地面引上,以免误差累积。
应沿楼板外檐弹出墨线定出幕墙立面基准线。
从基准线外反一定距离为幕墙立面,以此线为基准确定立柱的前后位置,从而决定整片幕墙的立面位置。
(2) 根据建筑轴线基准线及石材规格尺寸,用经纬仪投测,将立柱垂直位置线弹到主体结构上。
(3) 待立柱垂直位置线弹设完毕,根据水平标高基准线及石材规格尺寸,再将横梁水平位置线弹在主体结构墙面上,形成墙面分格线。
2.2 安装连接件:先在立柱上安装连接件,再将连接件点焊在主体结构预埋钢板上。
2.3 幕墙立柱安装:以墙面分格线为准,利用柱上连接件调整好立柱位置,立柱的垂直度可由垂直检测尺控制,位置调整准确后,才能将铁码正式焊接在预埋铁件上。
上下立柱之间应有不小于 15mm 的缝隙,并应采用芯柱连接。
芯柱总长度不应小于400mm。
芯柱与立柱应紧密接触。
芯柱与立柱之间应采用不锈钢螺栓固定(《金属与石材幕墙工程技术规程》JGJ 133—2001 第 5.7.2 条)。
2.4 幕墙横梁安装:同一层的横梁安装应由下向上进行。
横梁一般是分段在立柱中嵌入连接,横梁两端的连接件安装在立柱的预定位置上,暂时不要固定。
横梁在制作下料时应稍微缩短下料长度,使其与立柱接头处有一定间隙,以适应建筑挠度变形或温度变形的影响。
横梁应通过角码、螺钉或螺栓与立柱连接,角码应能承受横梁的剪力。
螺钉直径不得小于 4 mm,每处连接螺钉数量不应少于 3 个,螺栓不应少于 2 个。
横梁与立柱之间应有一定相对位移能力(《金属与石材幕墙工程技术规程》JGJ 133—2001 第 5.6.6 条)。
2.5 幕墙横梁、立柱的调整与紧固:立柱、横梁全部就位以后,应再做一次整体检查,对局部不合格的地方做最后调整,使整幅幕墙的安装位置达到设计要求。
23456789101112隐框幕墙和窗工艺流程图文明施工重新制作规范的“三板一图”,于4 月10 前完成。
做好宣传鼓舞工作,应在现场大门,塔吊等位置挂设安全质量标牌。
在其他醒目位置部位挂设安全及防火标牌。
设吸烟室(拟定在现场会议室),其他部位严禁吸烟。
加强现场平面管理,现场施工料具码放必须按阶段性指定位置,码放整齐,该成方的成方,该码垛的码垛。
加强现场用火管理,未经项目经理批准,任何人不得擅自动火。
按“三清”、“六好”要求定期进行文明施工检查。
此项工作由项目经理负责组织,一般每月一次。
派专人清扫厕所,经常扫除,定期扫除,定期洒专用药物,宿舍区由组长负责各自卫生区的清扫,以保证职工有一个良好的居住环境。
食堂要坚持卫生责任制,确保饮食卫生。
对食堂外的垃圾进行一次清除,以后要定期清除。
第一章雨期施工技术措施表演池、鲸鱼池、2 号工作间及地下通道施工均可赶上雨期,因而必须采取必要的雨期施工措施。
每次搅拌混凝土前,对砂、石含水率进行现场测定,并相应调整用水量,确保配合比的准确。
浇筑混凝土时(尤其是表演池池壁),因配备塑料薄膜以防临时降雨,以尽可能保证浇筑混凝土连续施工。
如确因突然大雨无法继续施工时,则因留置后浇带(不是施工缝),然后按后浇带做法处理。
表演池底板、池壁的混凝土浇筑时间应根据阶段性天气预报安排,避开降雨天气。
对于尚未进行基础施工的坑壁,进入六月份后要用塑料薄膜覆盖,以防因雨水冲刷造成塌方。
对于表演池观众厅基础处(最南面的三个)已出现边坡裂处安排人尽早清除,以防降雨,引起塌方。
备潜水泵、离心泵各两台,降雨后及时抽走基抗内积水。
鲸鱼池北边基抗边缘进入六月份后须培土挡水,以防外面积水流入基坑。
六月上旬进行一次现场用电线路及机械设备全面检查以确保雨期施工安全。
如需在水泥库外面码垛放水泥时,垛底面必须高出地面300mm,且排水通畅,垛子顶面必须铺塑料薄膜一层,且备足苫布,以防水泥受淋变质,露天码存放的水泥最长时间不得超过7d,局部受潮结块水泥,不得用于结构工程。
幕墙工程施工流程表一、准备阶段1. 项目立项:项目业主确定幕墙工程项目后,需进行项目立项,确定项目的具体范围、工程量及施工要求。
2. 招标及选型:业主通过招标的方式选择幕墙工程承包商,承包商需要根据招标文件制定施工方案和报价。
3. 签订合同:业主与承包商达成一致后签订施工合同,约定工程质量、工期、费用等相关事项。
4. 安全管理:承包商需制定施工安全计划,确保施工过程中的安全。
二、设计确认1. 设计审查:承包商需将施工图纸提交给相关部门进行审查,确认设计方案与实际施工要求的一致性。
2. 确认材料:根据设计图纸和规范要求,选择适当的幕墙材料,并与业主确认。
3. 基础设计:安装幕墙需要坚固的基础支持,承包商需设计并确认基础结构。
三、材料采购1. 材料选购:承包商根据设计要求和施工方案确定幕墙所需材料,确保市场上供应的材料质量。
2. 材料验收:材料到达现场后需进行验收,检查其质量和数量是否符合要求。
四、施工前期准备1. 现场勘察:施工前需对施工现场进行勘察,了解地形、周边环境等情况。
2. 现场布置:布置施工区域、搭建施工设施、保障人员安全等工作。
五、施工过程1. 预制构件加工:根据设计图纸和尺寸要求,对幕墙构件进行加工。
2. 安装结构:根据设计施工方案,安装幕墙的主体结构。
3. 安装玻璃:安装幕墙玻璃,注意玻璃的稳固及密封性。
4. 密封胶施工:对幕墙的连接缝、边角进行密封处理,保证幕墙的防水性。
5. 补充配件:安装幕墙所需的零部件,包括玻璃夹具、钢结构等。
六、质量检验1. 施工过程把控:对施工过程中的关键节点进行监控,确保施工质量。
2. 合格证明:完成相应工程后,进行严格的质量检验,获得相应的合格证明。
七、验收及保养1. 业主验收:业主和相关部门对幕墙工程进行验收,确认工程质量符合要求。
2. 保养维护:业主需做好日常保养工作,定期检查幕墙的结构及密封情况,确保幕墙的长久使用。
综上所述,幕墙工程的施工是一个复杂的过程,需要在不同阶段严格按照规范要求进行施工,确保工程质量和安全。
1、建筑物外檐:1.1墙砖粘贴:1.1.1排砖:1)按设计图纸及结构实际尺寸进行外檐排砖设计,弹控制线,凡阴阳角部位必须采用整砖。
2)不允许出现小于1/2砖,窗间墙、阴阳角处要做到一致对称。
(参看效果图)鹰嘴1.1.2砖缝砖缝采用1:1水泥砂浆或封闭胶勾成凹缝,勾缝凹进砖面2~3mm,操作时,应先勾水平缝再勾竖缝。
水平缝与竖缝相交点做成“×”字,勾缝表面应平整光滑。
1.2外檐挑沿滴水线做法:1.2.1外檐面砖滴水做法窗膀与旋脸上面相交的面砖切割成直角梯形,上、下边长相差15~20mm,旋脸做成锐角,形成鹰嘴。
15~20做做法1.2.2抹水泥滴水做法腰檐、装饰线突出墙面宽度<60mm做鹰嘴;≥60mm做滴水线(槽)。
滴水线(槽)宽、深各10mm。
20室外30距檐边和窗膀的距离见图。
1.2.3在檐下先抹40~60㎜翻边,在其中部镶贴10×10mm塑料分格条。
1.2.4外檐悬挑部位不翻边时,可直接预埋10×10mm塑料条。
塑料条转角处剪成“八”字对角.室内旋脸1.3散水做法:1.3.1散水与外墙面断缝,打封闭胶或灌沥青砂。
断缝宽度一致,胶面平整、光滑。
断缝宽度:20mm。
1.3.2散水拐角处均设置断缝,注封闭胶或沥青砂。
1.3.3室外台阶、坡道、散水等部位,应与建筑物主体断开设缝,缝应宽窄一致、顺直,缝中填柔性材料。
20mm 15080 20mm1.4沉降观测点做法:1.4.1设置位置:结构墙柱、变形缝两端及建筑物转角处,每隔8~12m 均匀设置一个。
1.4.2沉降标牌设置:统一采用建工总承包公司制定的标准,牌镶嵌在沉降观测点上方、居中,牌下边距沉降标外边缘50㎜.。
天津建工总包 沉降观测点(XX 工程)NO :X天津建工总包沉降标牌式样坡道缝中填柔性材料201.5铝板幕墙做法及要求:1.5.1胶缝平、顺、直宽窄一致按结构实际尺寸进行排版,不允许出现小于1/2板宽的铝板进行饰面。
外檐装修工程施工方案11.12.1 预埋件的埋设方案一、工艺流程图二、基本操作说明1、熟悉图纸安装作业人员在接到图纸后,先要对图纸进行熟悉了解,主要了解以下几个方面内容:1)图纸的页数及图号图幅2)对图纸内容进行全面的了解3)找出设计的主导尺寸(分格),不同调整尺寸和可调节尺寸4)对图纸进行质疑5)制定预埋施工方案和技术交底6)明确转角及异形处的处理方法7)对照土建图纸验证施工方案及设计2、在施工现场找准预埋区域针对不同部位的实际情况,首先在现场上要找准预埋铁的区域,这首先要了解幕墙安装区域,有的部位是全部幕墙,则整个工程就是全区域,有的只是局部有幕墙,则区域就是局部的。
3、找出定位轴线将图纸中标明的定位轴线与实际施工现场进行对照找出定位轴线的准确位置,定位轴线的作用有:1)帮助确定幕墙的起讫点2)验收安装是否准确3)调整误差,确定误差调整范围4、找出定位点根据在现场查找的准确定位轴线,根据图纸中提供的有关内容,确定定位点;定位点数量不得少于两点,确定定位点时要反复测量,一定要保证定位准确无误。
5、抄水平用水准仪对两个定位点确定水平位置。
水准仪要按规范使用(使用方法略),首先水准仪定位时要考虑安全,定点间距离大致相同,水准仪要摆正放稳,不能出现移动、错位等现象,要注定正确使用和保管好水准仪。
6、找水平线在找出定位点位置抄平后,在定位点间拉水平线,水平线可选用细钢丝线,同时用紧线器收紧,保证钢丝线的水平度。
7、测量误差在水平线拉好后,对所在工作面进行测量。
主要进行水平方向的测量,同时检查各轴线(定位轴线)间的误差。
通过测量出的结果分析产生误差的原因,核对有关规范(施工)对误差允许值的要求,在规定误差范围内的,可消化误差,超过误差范围应与土建方或甲方协商解决。
8、调整误差对在规范允许范围内的误差进行调整时,要求每一定位轴线间的误差,在本定位轴线间消化,误差在每个分格间分摊小于2mm,如超过此范围,请书面通知公司设计部进行设计调整。
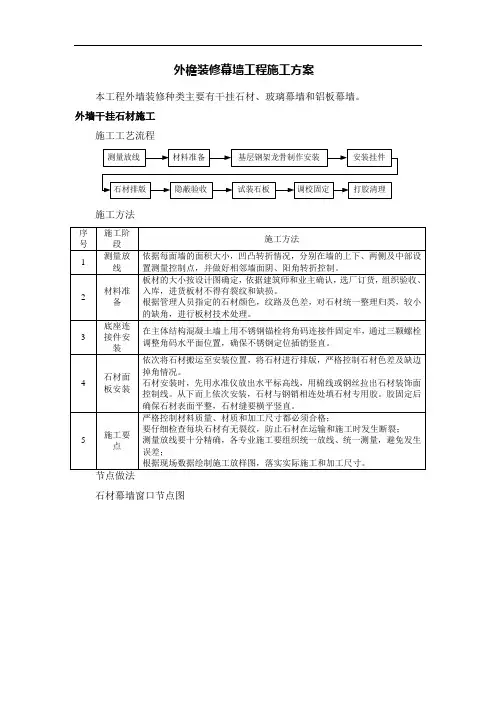
外檐装修幕墙工程施工方案本工程外墙装修种类主要有干挂石材、玻璃幕墙和铝板幕墙。
外墙干挂石材施工施工工艺流程施工方法石材幕墙窗口节点图玻璃幕墙装饰工程工程概况本幕墙装饰工程由主主楼外幕墙和裙房楼幕墙,单元式LOW-E钢化中空玻璃幕墙。
幕墙装饰工程的重点和难点工程重点本工程主楼的玻璃幕墙的单元板块设计关系到外幕墙的防水性能,单元板的设计关系到幕墙的维护,测量放线关系到幕墙的安装精度;且石材幕墙玻璃幕墙和局部铝板幕墙同时施工,中间过程交叉作业,需要合理安排施工时间,本工程主楼工期紧,垂直运输量大、合理组织吊运才能保证幕墙的顺利施工。
因此,幕墙单元板设计、测量放线、合理组织幕墙板块吊运是本工程的重点。
工程难点本工程幕墙的施工以主主楼幕墙为主线,中间穿插裙楼幕墙的安装。
所有的幕墙板块、连接配件、框架式幕墙的主次龙骨、百叶等均在工厂进行加工,现场安装。
单元式幕墙板块利用单轨式吊装设备及辅助工具(如吊篮等)进行安装;裙楼幕墙、主楼1-4层幕墙用双排钢管架安装。
幕墙安装安装方法本工程主要采用框架式幕墙,层高为4200mm,玻璃板块较小,玻璃与副框间连接注胶在工厂进行,现场安装。
龙骨和玻璃用施工电梯运输,利用吊篮进行安装,龙骨从下向上安装,玻璃从上向下安装。
施工工艺流程施工工艺流程示意图如下:土建结构体的测量:幕墙安装公司应根据土建提供的轴线和标高为依据,进行复测工作。
高度、水平度、铅垂线测量:用水准仪从±0.000为基准,测出各楼层周长边的平整度,用水平尺、水准仪测出各转接件的横向和纵向水平度,在楼层外立面处分层固定悬挂20kg重捶的50M钢卷尺,静置后用等高法分别测量,算出各楼层的实际标高和建筑结构实际总高度,高度标志用油漆记录在立柱或剪力墙的同一位置处,在幕墙安装完毕之前,此高度标志必须予以保护不被消除破坏,标高测量误差:层与层之间≤±3mm,总标高≤±20mm。
铅垂方向用铅垂仪在基准轴的位置放铅垂线,测出楼板的出入误差,并确定控制线。
门窗生产加工工艺流程及说明1、生产任务书:分公司每个月都制定一个当月工程计划表,生产在接收到此计划之后,根据生产情况,制定相应的生产任务书,具体内容包括:工程名称、加工种类、樘数、面积、图纸收发记录以及型材到货、用料情况等。
2、编制生产计划:在生产任务书下发到车间之后,参照设计下发的图纸、定额,以生产任务书为准,编制生产计划,确定具体的生产周期,以及完成时间。
3、编制加工工艺:在接收到分公司图纸后,工艺组将在规定的时间内根据设计说明、节点图、大样图、五金配置表以及定额等编制工艺单、型材优化单以及玻璃单,并针对不同工程的差异性与各分公司的设计及时联系和沟通,完成编制工艺单工作。
4、工艺文件审核:在完成工艺单的编制工作之后,工艺单、优化单等将通过工艺组其他成员及领导的审核,在确保准确无误的情况下,下发到车间,并确保此过程在最有效的时间内完成。
5、安排生产:在工艺单下发到车间之后,车间将根据生产计划安排车间班组生产,并安排工艺设计人员跟车间班组长进行技术交底。
6、选料:安排生产之后,将优化单将下发到下料组,下料组将根据优化单开始选料。
选料的过程中如若发现料有不符合设计节点图要求,或者表面有划伤的,下料组将第一时间与工艺设计沟通联系,确保所切的型材为设计有效型材。
7、下料:参照工艺图纸的下料长度,角度及型材代号进行下料,即将6M长的型材原材料根据设计优化单的下料尺寸进行切割(个别的料,由于型材利用率的问题,不是6米的)。
下料过程中每种尺寸单独码放,粘贴标识,批料不少于20%的标识,首尾件检查,码放整齐。
下料后应保证端角,长度在公差允许范围内(一般端角45度不超过±15',长度公差不超过±0.5MM)。
8、切割窗框:按照图纸要求,对选好的框料进行切割,切割过程中注意优化单中标明的长度、角度、切割数量,及一些特殊要求。
切好的料确保其清洁,无毛刺。
9、框铣序:按照国家规范、图纸技术交底要求对框料进行工艺孔、排水孔进行加工。
外檐幕墙工程施工工艺流程图
外檐幕墙工程施工工艺流程图
1、半隐、全隐框玻璃幕墙工艺流程图
2、铝塑板幕墙工艺流程图
测量、放线→调整和补充埋件→确认主体结构轴线和各面中心线→以中心线为基准向两侧排基准锚固件位置→按图纸位置要求安装钢龙骨框→校正精调→安装锚固件→校正精调→锚固件永久固定→安装横向钢框→安装保温岩棉→安装铝塑板→加固嵌缝注胶→清洁整理→检查验收
3、铝合金断热窗工艺流程图
测量、放线→确认窗安装标高、位置线→安装固定框连接片→按安装要求安装固定框→安装木楔等临时固定件→调整窗框水平进出位置→窗框四周填充发泡剂→安装可开启窗扇玻璃→填充泡沫棒并注胶→清洁整理→检查验收
感谢您的阅读!。
外墙装饰施工工艺1、工艺流程:2、墙面放线:⑴测量放线与主体结构测量放线相配合,水平标高要逐层从地面引上,以免误差累积。
沿楼板外檐弹出墨线定出立面基准线。
从基准线外反一定距离为幕墙立面,以此线为基准确定立柱的前后位置,从而决定整片墙的立面位置。
⑵根据建筑轴线基准线及石材规格尺寸,用经纬仪投测,将立柱垂直位置线弹到主体结构上。
⑶待立柱垂直位置线弹设完毕,根据水平标高基准线及石材规格尺寸,再将横梁水平位置线弹在主体结构墙面上,形成墙面分格线。
3、安装连接件:先在立柱上安装连接件,再将连接件点焊在主体结构预埋钢板上。
4、立柱安装:以墙面分格线为准,利用柱上连接件调整好立柱位置,立柱的垂直度可由垂直检测尺控制,位置调整准确后,才能将铁码正式焊接在预埋铁件上。
上下立柱之间有不小于15mm的缝隙,并采用芯柱连接。
芯柱总长度不小于400mm。
芯柱与立柱紧密接触。
芯柱与立柱之间采用不锈钢螺栓固定(《金属与石材幕墙工程技术规程》JGJ 133—2001第5.7.2条)。
5、横梁安装:同一层的横梁安装由下向上进行。
横梁一般是分段在立柱中嵌入连接,横梁两端的连接件安装在立柱的预定位置上,暂时不要固定。
横梁在制作下料时稍微缩短下料长度,使其与立柱接头处有一定间隙,以适建筑挠度变形或温度变形的影响。
横梁通过角码、螺钉或螺栓与立柱连接,角码能承受横梁的剪力。
螺钉直径不得小于4mm,每处连接螺钉数量不少于3个,螺栓不少于2个。
横梁与立柱之间有一定相对位移能力(《金属与石材幕墙工程技术规程》JGJ 133—2001第5.6.6条)。
6、横梁、立柱的调整与紧固:立柱、横梁全部就位以后,再做一次整体检查,对局部不合格的地方做最后调整,使整幅墙的安装位置达到设计要求。
最后对临时焊接件进行正式焊接,紧固连接螺栓,对没有防松措施的螺栓均需点焊防松。
所有焊缝清理干净并做防锈处理。
7、石材面板安装:⑴石材面板干挂安装一般采用自下而上的顺序作业。
外檐幕墙工程施工工艺流程图
外檐幕墙工程施工工艺流程图
1、半隐、全隐框玻璃幕墙工艺流程图
2、铝塑板幕墙工艺流程图
测量、放线→调整和补充埋件→确认主体结构轴线和各面中心线→以中心线为基准向两侧排基准锚固件位置→按图纸位置要求安装钢龙骨框→校正精调→安装锚固件→校正精调→锚固件永久固定→安装横向钢框→安装保温岩棉→安装铝塑板→加固嵌缝注胶→清洁整理→检查验收
3、铝合金断热窗工艺流程图
测量、放线→确认窗安装标高、位置线→安装固定框连接片→按安装要求安装固定框→安装木楔等临时固定件→调整窗框水平进出位置→窗框四周填充发泡剂→安装可开启窗扇玻璃→填充泡沫棒并注胶→清洁整理→检查验收。