振动诊断标准
- 格式:doc
- 大小:180.50 KB
- 文档页数:12
振动测试标准振动测试是指在一定的条件下对被测物体进行振动激励并测量其振动响应的一种测试方法。
振动测试可以用于对产品的可靠性进行评估,也可以用于对产品的性能进行验证。
在进行振动测试时,需要严格按照相关的标准进行操作,以确保测试结果的准确性和可靠性。
首先,振动测试的标准主要包括测试方法、测试设备、测试环境、测试要求等内容。
在进行振动测试时,需要根据具体的测试目的和被测物体的特性选择合适的测试方法,同时还需要选择适当的测试设备和测试环境。
此外,还需要根据产品的使用环境和要求来确定测试的具体要求,以保证测试结果符合实际应用的需要。
其次,振动测试的标准还包括了测试过程中的数据采集、分析和报告要求。
在进行振动测试时,需要对测试过程中产生的数据进行准确的采集和记录,并对数据进行详细的分析,以得出准确的测试结果。
同时,还需要按照标准的要求对测试结果进行报告,以便后续的分析和应用。
另外,振动测试的标准还涉及到了测试的安全和保护要求。
在进行振动测试时,需要确保测试人员和设备的安全,同时还需要保护被测物体不受损坏。
因此,标准中也包括了相关的安全和保护要求,以保证测试的顺利进行和测试结果的准确性。
总的来说,振动测试的标准对于保证测试的准确性和可靠性起着非常重要的作用。
只有严格按照标准进行操作,才能得到符合实际应用需要的测试结果,从而为产品的设计和改进提供可靠的依据。
因此,在进行振动测试时,需要充分理解和遵守相关的标准要求,以确保测试的有效性和可靠性。
在实际的振动测试工作中,我们需要根据具体的测试对象和测试要求选择合适的标准,并严格按照标准的要求进行操作。
只有这样,才能得到准确可靠的测试结果,为产品的设计和改进提供有力的支持。
同时,还需要不断学习和掌握最新的振动测试标准,以适应不断变化的市场需求和技术发展。
通过不断提高自身的专业水平,才能更好地开展振动测试工作,为产品的可靠性和性能提供保障。
综上所述,振动测试标准对于保证测试的准确性和可靠性至关重要。
震动测试标准震动测试是指在一定条件下对产品进行振动试验,以评估产品在运输、使用和储存过程中对振动环境的适应能力,以及产品结构的可靠性和稳定性。
在不同的行业和领域中,对于产品的震动测试标准也有所不同,接下来将对一些常见的震动测试标准进行介绍。
1. 国际标准。
国际上常用的震动测试标准包括ISO 16750(汽车电子设备振动试验)、ISO 13355(航空航天产品振动试验)、ISO 10819(手套振动性能测试)等。
这些标准是由国际标准化组织制定的,具有全球通用性,适用于各种不同的产品和行业。
2. 行业标准。
不同行业有着各自的震动测试标准,例如汽车行业的JIS D 1601、航空航天行业的RTCA DO-160、电子产品行业的IEC 60068等。
这些标准是由各行业的专业组织或协会制定,针对特定行业的产品特点和使用环境进行了详细规定,具有针对性和实用性。
3. 国家标准。
各个国家也会根据自身的国情和产业发展制定相应的震动测试标准,例如中国的GB/T 2423.10(电工电子产品环境试验第2部分,试验Fa,振动(固定频率))等。
这些标准是在考虑国家实际情况和行业需求的基础上制定的,具有一定的局部性和适用性。
4. 企业标准。
一些大型企业也会根据自身的产品特点和质量要求,制定企业标准来进行震动测试,以确保产品的质量和可靠性。
这些标准通常是在国际、行业和国家标准的基础上进行了细化和补充,更加贴近企业产品的实际情况。
总结。
不同的震动测试标准适用于不同的产品和行业,选择合适的标准进行测试对于评估产品的可靠性和稳定性至关重要。
在进行震动测试时,需要根据产品的特点和使用环境选择相应的标准,并严格按照标准要求进行测试,以确保产品在实际使用中能够经受住各种挑战和考验。
同时,不断完善和更新震动测试标准,也是提高产品质量和竞争力的重要手段。
第十章参考标准为了方便现场诊断查找使用,我们把收集到的各类有代表性的诊断标准,按照国际标准化组织、国际电工委员会、相关国家标准和诊断对象分类列出,同时把属于同类设备的有关标准排列在一起,它们在数值上可能有些差异,我们可以根据诊断对象的具体情况参照选用。
在每个标准后面,以“注”的形式简要说明了该标准的主要特点、约束条件及应用范围。
第一节国际标准化组织(ISO)的相关标准文件一、可予采用的国际标准ISO 1925机械振动——平衡——名词术语ISO 1940(全部)机械振动——刚性转子的平衡品质要求ISO 2017-1机械振动与冲击——弹性安装系统——第一部分:主动与被动隔离的应用ISO 2041振动与冲击——名词术语ISO 2954旋转与往复机器的机械振动——对振动烈度测量仪的要求ISO 5348 机械振动与冲击——加速度计的机械安装ISO 7919(全部),非往复机械的振动——在转轴上的测量及评价准则ISO 8528-9由往复式内内燃机驱动的交流发电机组——第九部分:机械振动的测量与评定ISO 8569机械振动与冲击——振动与冲击对室内敏感设备影响的测量与评价ISO 10816(全部),机械振动——在非旋转部件上测量和评价机器的机械振动ISO 11342:1998,机械振动——挠性转子机械平衡的方法与准则ISO 13372,机器的状态监测及诊断——名词术语ISO 13373-1,机器的状态监测及诊断——振动状态监测与诊断——第一部分:总则ISO 13379,机器的状态监测及诊断——数据解释及诊断技术的一般指南ISO 14694,工业风机——平衡品质与振动水平技术要求ISO 14695,工业风机——风机振动的测量方法ISO 17359,机器的状态监测与诊断——一般指南ISO 18436,机器的状态监测及诊断——个人培训及认证的必要条件——部分1:对认证机构及认证过程的要求。
二、旋转机械振动诊断标准表10-1 机械振动诊断标准(ISO 2372和ISO 3945)注:1.IS02372振动标准中,把诊断对象分为4个等级:I级:小型机械,15kW 以下电动机等;Ⅱ级:中型机械,15~75kW电动机等;Ⅲ级:刚性安装的大型机械(600~12000 r/min);Ⅳ级:柔性安装的大型机械(600~12000 r/min)。
第十章参考标准为了方便现场诊断查找使用,我们把收集到的各类有代表性的诊断标准,按照国际标准化组织、国际电工委员会、相关国家标准和诊断对象分类列出,同时把属于同类设备的有关标准排列在一起,它们在数值上可能有些差异,我们可以根据诊断对象的具体情况参照选用。
在每个标准后面,以“注”的形式简要说明了该标准的主要特点、约束条件及应用范围。
第一节国际标准化组织(ISO)的相关标准文件一、可予采用的国际标准ISO 1925机械振动——平衡——名词术语ISO 1940(全部)机械振动——刚性转子的平衡品质要求ISO 2017-1机械振动与冲击——弹性安装系统——第一部分:主动与被动隔离的应用ISO 2041振动与冲击——名词术语ISO 2954旋转与往复机器的机械振动——对振动烈度测量仪的要求ISO 5348 机械振动与冲击——加速度计的机械安装ISO 7919(全部),非往复机械的振动——在转轴上的测量及评价准则ISO 8528-9由往复式内内燃机驱动的交流发电机组——第九部分:机械振动的测量与评定ISO 8569机械振动与冲击——振动与冲击对室内敏感设备影响的测量与评价ISO 10816(全部),机械振动——在非旋转部件上测量和评价机器的机械振动ISO 11342:1998,机械振动——挠性转子机械平衡的方法与准则ISO 13372,机器的状态监测及诊断——名词术语ISO 13373-1,机器的状态监测及诊断——振动状态监测与诊断——第一部分:总则ISO 13379,机器的状态监测及诊断——数据解释及诊断技术的一般指南ISO 14694,工业风机——平衡品质与振动水平技术要求ISO 14695,工业风机——风机振动的测量方法ISO 17359,机器的状态监测与诊断——一般指南ISO 18436,机器的状态监测及诊断——个人培训及认证的必要条件——部分1:对认证机构及认证过程的要求。
二、旋转机械振动诊断标准表10-1 机械振动诊断标准(ISO 2372和ISO 3945)注:1.IS02372振动标准中,把诊断对象分为4个等级:I级:小型机械,15kW 以下电动机等;Ⅱ级:中型机械,15~75kW电动机等;Ⅲ级:刚性安装的大型机械(600~12000 r/min);Ⅳ级:柔性安装的大型机械(600~12000 r/min)。
医疗设备振动标准
对于医疗设备振动标准,具体的要求会因设备类型和用途而有所不同。
以下是一些常见的振动标准和要求:
1. 医用电动床:根据国家及行业标准,医用电动床的振动幅度应小于,频率范围为。
在正常使用条件下,医用电动床应能保持稳定性和可靠性,确保患者的安全和使用效果。
2. 医用输液泵:根据相关标准,医用输液泵在15分钟内应保持稳定,无异常振动和噪音。
此外,泵的重复性误差应小于±5%,以确保给药量的准确性和可靠性。
3. 医用监护仪:对于医用监护仪,其振动要求根据不同类型的监护仪而有所不同。
一些高端的多功能医用监护仪可能会对振动提出更高的要求,以确保设备的稳定性和数据的准确性。
4. 医用诊断设备:例如医用超声、核磁共振、X光机等诊断设备,它们对振动的要求也非常高。
这些设备在设计和制造时应采取一系列减振措施,以确保图像质量和诊断的准确性。
总之,对于医疗设备振动标准的要求非常高,以确保设备的稳定性和可靠性,以及患者的安全和使用效果。
因此,医疗设备制造商应严格遵守相关标准和要求,确保设备的质量和性能。
机械设备振动监测参数及标准一、振动诊断标准的制定依据1、振动诊断标准的参数类型通常,我们用来描述振动的参数有三个:位移、速度、加速度。
一般情况下,低频振动采用位移,中频振动采用速度,高频振动采用加速度。
诊断参数在选择时主要应根据检测目的而选择。
如需要关注的是设备零部件的位置精度或变形引起的破坏时、应选择振动位移的峰值,因为峰值反映的是位置变化的极限值;如需关注的是惯性力造成的影响时,则应选择加速度,因为加速度与惯性力成正比;如关注的是零件的疲劳破坏则应选择振动速度的均方根值,因为疲劳寿命主要取决于零件的变形能量与载荷的循环速度,振动速度的均方根值正好是它们的反映。
2、振动诊断标准的理论依据各种旋转机械的振动源主要来自设计制造、安装调试、运行维修中的一些缺陷和环境影响。
振动的存在必然引起结构损伤及材料疲劳。
这种损伤多属于动力学的振动疲劳。
它在相当短的时间产生,并迅速发展扩大,因此,我们应十分重视振动引起的疲劳破坏。
美国的齿轮制造协会(AGMA)曾对滚动轴承提出了一条机械发生振动时的预防损伤曲线,如下图所示。
图中可见,在低频区(10Hz 以下),是以位移作为振动标准,中频(10~1000Hz )是以速度作为振动标准,而在高频区(1KHz 以上)则以加速度作为振动标准。
理论证明,振动部件的疲劳与振动速度成正比,而振动所产生的能量与振动的平方成正比。
由于能量传递的结果造成了磨损好其他缺陷,因此,在振动诊断判定标准中,是以速度为准比较适宜。
而对于低频振动,,主要应考虑由于位移造成的破坏,其实质是疲劳强度的破坏,而非能量性的破坏。
但对于1KHz 以上的高频振动,则主要考虑冲击脉冲以及原件共振的影响。
3、振动诊断标准的分类根据标准制定方法的不同,振动诊断标准通常分为三类。
1)绝对判断标准它是根据对某类设备长期使用、观察、维修与测试后的经验总结,并在规定了正确的方法后制定的,在使用时必须掌握标准的适用范围和测定方法。
震动测试标准震动测试是指在一定的振动条件下,对被测物体进行振动试验,以评估其在振动环境下的性能和可靠性。
震动测试标准是为了规范和统一震动测试的方法和要求,以确保测试结果的准确性和可比性。
下面将介绍几种常见的震动测试标准及其应用范围。
1. MIL-STD-810。
MIL-STD-810是美国国防部制定的军用设备环境工程考核试验方法和指南的标准。
它包括了多个部分,其中包括了关于振动测试的要求。
该标准适用于军用设备的振动环境试验,对于军事装备的可靠性和稳定性具有重要意义。
2. IEC 60068。
IEC 60068是国际电工委员会发布的关于环境试验的标准系列之一。
其中的第2-6部分涉及了振动环境试验的方法。
这些标准适用于各种类型的设备和产品的振动环境试验,包括工业设备、电子产品、航空航天设备等。
3. GB/T 2423。
GB/T 2423是中国国家标准化管理委员会发布的关于环境试验方法的标准。
其中的第10部分是关于振动(冲击)试验方法的规定。
该标准适用于各种产品在运输、储存、使用过程中所受到的振动环境试验。
4. ISO 16750。
ISO 16750是国际标准化组织发布的关于道路车辆电子设备振动环境试验的标准。
该标准适用于道路车辆上使用的电子设备,包括了振动试验的方法和试验条件。
5. ASTM D4728。
ASTM D4728是美国材料和试验协会发布的关于土工试验的标准。
其中包括了土工材料在振动条件下的试验方法和要求,适用于土工材料的振动环境试验。
综上所述,不同的行业和领域对于振动测试的要求各不相同,因此需要根据具体的产品和应用场景来选择适合的振动测试标准。
在进行振动测试时,应严格按照相应的标准要求进行,以确保测试结果的准确性和可靠性。
同时,也需要根据实际情况对标准进行合理的调整和补充,以满足特定产品的振动测试需求。
希望本文能够帮助您更好地了解和应用震动测试标准。
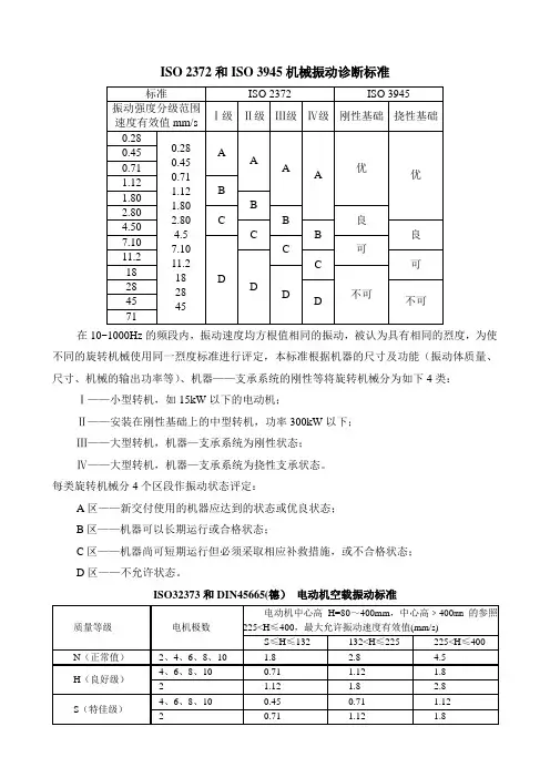
ISO 2372和ISO 3945机械振动诊断标准在10~1000Hz的频段内,振动速度均方根值相同的振动,被认为具有相同的烈度,为使不同的旋转机械使用同一烈度标准进行评定,本标准根据机器的尺寸及功能(振动体质量、尺寸、机械的输出功率等)、机器——支承系统的刚性等将旋转机械分为如下4类:Ⅰ——小型转机,如15kW以下的电动机;Ⅱ——安装在刚性基础上的中型转机,功率300kW以下;Ⅲ——大型转机,机器—支承系统为刚性状态;Ⅳ——大型转机,机器—支承系统为挠性支承状态。
每类旋转机械分4个区段作振动状态评定:A区——新交付使用的机器应达到的状态或优良状态;B区——机器可以长期运行或合格状态;C区——机器尚可短期运行但必须采取相应补救措施,或不合格状态;D区——不允许状态。
ISO32373和DIN45665(德)电动机空载振动标准注:1.本标准把电动机按其中心高度(H)分为三个类型,中心高度越大,振动阈值越大。
2.电动机状态判别分为三个等级:正常、良好、特佳。
3.本标准是指电动机在空转(不带负荷)条件下的阈值。
4.诊断参数为速度有效值(Vrms)。
Y 系列电动机空载振动、速度允许值在线运行电动机的允许振动极限值风机和泵的振动速度有效值与振动位移幅值换算公式:ffVVV Sfftf 225.0222===πωΛ式中 S Λ——位移峰值振幅(㎜);Vf——频率为f 的振动速度有效值(㎜/s );ωt——角频率(f πω2=)(Hz ); f——振动频率(Hz )。
轴承允许使用温度标准:GB3215-824.4.1 泵工作期间,轴承最高温度不超过80 标准:JB/T5294-913.2.9.2 轴承温升不得超过环境温度40,最高温度不得超过80标准:JB/T6439-924.3.3 泵在规定工况下运转时,内装式轴承处外表面温度不应高出输送介质温度20,最高温度不高于80。
外装式轴承处外表面温升不应高处环境温度40。
手臂振动病诊断标准一、职业史手臂振动病患者通常有长时间使用振动工具的职业史,如使用电动工具、锤击工具、割草机等。
职业史是诊断手臂振动病的重要线索之一。
二、临床症状手臂振动病患者可能出现以下临床症状:1.手臂疼痛:患者可能会出现手臂的疼痛,特别是在使用振动工具后加重。
2.手臂无力:患者可能会感到手臂无力,影响日常生活和工作。
3.手指麻木:患者可能会感到手指的麻木和刺痛。
4.局部多汗:患者可能会在手臂的局部区域出现多汗。
5.其他症状:患者还可能出现肌肉萎缩、手部精细动作障碍等症状。
三、体征1.肌肉萎缩:长时间使用振动工具可能导致手臂肌肉萎缩,特别是在手腕和前臂的肌肉。
2.神经系统检查:神经系统检查可能发现手部的感觉和运动功能异常。
四、实验室检查1.血液检查:血液检查可能发现贫血、白细胞减少等症状,但这不是特异性的表现。
2.尿常规检查:尿常规检查可能发现蛋白尿、管型尿等症状,但这不是特异性的表现。
五、影像学检查1.X线检查:X线检查可能发现骨关节的退行性改变,但这不是特异性的表现。
2.超声检查:超声检查可能发现肌肉和神经的异常,但这不是特异性的表现。
六、鉴别诊断1.其他疾病:需要与腕管综合征、颈椎病等疾病进行鉴别诊断。
2.职业性疾病:需要与工作相关性手部皮肤病等疾病进行鉴别诊断。
七、病程记录病程记录是诊断手臂振动病的重要依据之一,需要详细记录患者的职业史、临床症状、体征、实验室检查和影像学检查结果等信息。
同时,需要记录患者的治疗过程和预后情况。
八、治疗及预后评估1.治疗:手臂振动病的治疗主要包括休息、药物治疗、物理治疗和手术治疗等。
根据患者的具体情况选择合适的治疗方法。
2.预后评估:根据患者的具体情况和治疗效果,对患者的预后进行评估。
一般来说,早期诊断和治疗可以改善患者的预后。
振动监测参数及标准(一)振动监测参数及标准引言振动监测是一种重要的技术手段,用于检测机械设备的运行状况和健康状态。
准确的振动监测参数和标准可以帮助我们及时发现设备的故障和异常,从而采取相应的维修和保养措施。
振动监测参数以下是一些常用的振动监测参数:•振动速度(Velocity):用来描述振动的快慢程度,通常以毫米/秒(mm/s)为单位。
•振动加速度(Acceleration):用来描述振动的强弱程度,通常以米/秒平方(m/s²)为单位。
•振动位移(Displacement):用来描述振动的位移程度,通常以毫米(mm)为单位。
•振动频率(Frequency):用来描述振动的周期,通常以赫兹(Hz)为单位。
振动监测标准为了对振动进行有效监测和分析,我们需要参照一些标准来判断振动参数是否达到预期的要求。
以下是一些常用的振动监测标准:•ISO10816:国际标准化组织(ISO)制定的用于评估旋转机械振动的标准。
该标准将设备分为不同的振动等级,以帮助判断设备的运行状况。
•API618:美国石油学会(API)制定的用于评估压缩机振动的标准。
该标准主要针对石油和天然气工业中的压缩机设备。
•ISO13373:ISO制定的用于检测、诊断和监测机械故障的振动监测标准。
该标准提供了一套完整的振动分析方法和技术。
振动监测的应用振动监测在许多行业中都有广泛的应用,以下是一些典型的应用场景:•工业生产设备:通过对生产设备的振动进行监测,可以准确判断设备的健康状态,及时发现故障,避免生产中断和损失。
•交通工具:对交通工具如汽车、飞机等的振动进行监测,可以提前发现潜在故障,确保交通安全。
•建筑结构:对建筑结构的振动进行监测,可以判断建筑的安全性和稳定性,并及时采取相应的维修措施。
总结振动监测参数和标准对于保障设备的正常运行和安全性至关重要。
只有通过准确的监测和判断,才能提前发现故障,避免生产事故的发生。
希望本文对您了解振动监测参数及标准有所帮助。
故障诊断的参考标准为了获得最佳的诊断效果,在机械设施诊断的过程中应当建立设施的故障报警门限参考标准,现将国际上通用的标准列出如下:1、 IS02372常用机械设施的IS02372振动标准在国际标准IS02372中规定了转速为10—200r∕s的机器在10—1000Hz的频率范围内机械振动猛烈度的范围,它将振动速度有效值从0∙ll∏ιπι∕s(人体刚有振动的感觉)到71mm∕s的范围内分为15个量级,相邻两个烈度量级的比约为1: 1.6,即相差4dB。
这是由于对于大多数机器的振动来说4dB之差意味着振动响应有了较大的变化。
有了振动烈度量级的划分就可以用它表示机器的运行质量。
为了便于有用,将机器运行质量分成四个等级:A级一一机械设施正常运转时的振级,此时称机器的运行状态“良好”。
B级一一已超过正常运转时的振级,但对机器的工作量尚无显著的影响,此种运行状态是“容许”的。
C级一一机器的振动已经到了相当猛烈的强度,导致机器只能牵强维持工作,此时机器的运行状态称为“可容忍”的。
D级一一机器的振动能已达到使机器不能运转工作,此种机器的振级是不允许的。
明显,不同的机械设施由于工作要求、结构特点、动力特性、功率容量、尺寸大小以及安装条件等方面的区分,其对应于各等级运行状态的振动烈度范围必定是各不相同的。
所以对各种机械设施是不能用同一标准来衡量的,但也不行能对每种机械设施特地制定一个标准。
为了便于有用,IS02372将常用的机械设施分为六大类,令每一类的机械设施用同一标准来衡量其运行质量。
机械设施分类状况如下[14]:第一类:在其正常工作条件下与整机连接成整体的发动机和机器的零件(如15kw以下的发动机)。
其次类:设有专用基础的中等尺寸的机器(如15—75kw的发电机)及刚性固定在专用基础上的发动机和机器(300kw以下)。
第三类:安装在测振方向上相对较硬的、刚性的和重的基础上的具有旋转质量的大型原动机和其它大型机器。
振动测量方法和标准振动测量是一种用于评估机械设备运行状况和故障诊断的重要工具。
通过测量机械设备产生的振动信号,可以获得有关设备结构的信息以及潜在故障的迹象。
正确选择适当的振动测量方法和遵循相应的标准,对于准确评估设备状况和制定维护计划至关重要。
本文将探讨振动测量方法和标准的相关内容。
1、振动测量方法1.1 加速度传感器加速度传感器是一种广泛用于振动测量的传感器。
它可以测量垂直方向和水平方向的加速度。
该传感器将振动转化为电信号,进而分析并显示振动特性。
加速度传感器具有高频响应和较低的成本,适用于连续振动监测和机械故障诊断。
1.2 速度传感器速度传感器可以测量振动的速度。
它适用于低频振动测量和对振动的整体评估。
速度传感器可以直接测量振动,并提供振动速度的输出信号。
与加速度传感器相比,速度传感器具有较低的灵敏度和频率响应,但在某些应用中仍然具有一定的实用价值。
1.3 位移传感器位移传感器可以测量振动的位移。
它适用于低频振动测量和对机械设备结构变化的评估。
位移传感器可以直接测量振动的位移,并提供相应的输出信号。
位移传感器通常具有较低的频率响应和较高的灵敏度,适用于对振动幅值的精确测量。
2、振动测量标准2.1 ISO 10816系列标准ISO 10816系列标准是振动测量中最常用的国际标准之一。
该系列标准规定了振动测量的一般要求,以及根据不同类型的机械设备和应用的振动限值。
这些标准提供了一种测量和评估机械设备振动水平的一般方法,并提供了用于判断机械设备运行状况的准则。
2.2 ASME标准ASME标准适用于美国机械工程师学会制定的振动测量标准。
这些标准更加具体和详细,适用于各类机械设备和应用。
ASME标准提供了更为细致的振动测量方法和评估准则,有助于更准确地判断设备的运行状况,并制定相应的维护计划。
2.3 DIN标准DIN标准是德国国家标准组织制定的振动测量标准。
这些标准被广泛用于欧洲地区。
DIN 标准与ISO标准相似,提供了一种测量和评估机械设备振动的方法和准则。
前言本标准的第6.1条为推荐性的,其余为强制性的。
根据《中华人民共和国职业病防治法》制定本标准。
自本标准实施之日起,原标准GB4869-1985与本标准不一致的,以本标准为准。
在接触手传(局部)振动的职业活动中,可发生手臂(局部)振动病。
为了保护接触者的身体健康,有效地防治手臂振动病,曾发布GB4869-1985。
修订后的标准采用手臂振动病的名称;分级标准改为轻度、中度和重度三级;取消了甲皱微循环、两点分辨觉和深度觉的检查;采用改进的冷水复温试验和振动觉阈值检查方法。
本标准的附录A是资料性附录,附录B、附录C是规范性附录。
本标准由中华人民共和国卫生部提出并归口。
本标准由济宁医学院负责起草。
参加起草单位有山西医科大学、铁道部劳动卫生研究所、辽宁省劳动卫生职业病防治研究所、山东省劳动卫生职业病防治研究所、广西壮族自治区职业病防治研究所、广西壮族自治区卫生防疫站和河南省劳动卫生职业病防治研究所。
本标准由中华人民共和国卫生部负责解释。
职业性手臂振动病诊断标准Diagnostic Criteria of Occupational Hand-Arm Vibration DiseaseGBZ 7-2002手臂振动病是长期从事手传振动作业而引起的以手部末梢循环和/或手臂神经功能障碍为主的疾病,并能引起手臂骨关节-肌肉的损伤。
其典型表现为振动性白指。
1 范围本标准规定了职业性手臂振动病的诊断标准和处理原则。
本标准适用于职业活动中长期从事手传振动作业而发生的手臂振动病。
2 规范性引用文件下列文件中的条款通过本标准的引用而成为本标准的条款。
凡是注日期的引用文件,其随后所有的修改单(不包括勘误的内容)或修订版均不适用于本标准,然而,鼓励根据本标准达成协议的各方研究是否可使用这些文件的最新版本。
凡是不注日期的引用文件,其最新版本适用于本标准。
GBZ76 职业性急性化学物中毒性神经系统疾病诊断标准GB/T16180 职工工伤与职业病致残程度鉴定3 诊断原则具有长期从事手传振动作业的职业史,出现手臂振动病的主要症状和体征,结合末梢循环功能、周围神经功能检查,参考作业环境的劳动卫生学调查资料,进行综合分析,并排除其他病因所致类似疾病,方可诊断。
精心整理机械设备振动监测参数及标准一、振动诊断标准的制定依据1、振动诊断标准的参数类型通常,我们用来描述振动的参数有三个:位移、速度、加速度。
一般动时的预防损伤曲线,如下图所示。
(因此,在3、振动诊断标准的分类根据标准制定方法的不同,振动诊断标准通常分为三类。
1)绝对判断标准它是根据对某类设备长期使用、观察、维修与测试后的经验总结,并在规定了正确的方法后制定的,在使用时必须掌握标准的适用范围和测定方法。
目前应用较广的振动标准有:ISO 2372 《机器振动的评价标准基础》ISO 3945 《振动烈度的现场测定与评定》机器振动烈度:在机器表面的重要位置上沿垂向、纵向、横向(轴承沿轴向、径向)所测得的振动速度的最大有效值。
对于振动速度为V(t)=V p cosωt的间谐振动,其振动速度有效值用下式计算:V rm=√1/T∫T V2(t)dt式中,T—间谐振动的周期,T=2π/ω实际上,振动速度V=20~30mm/s的有效值可用具有平方检波特性的电子仪器测量并直接显示。
因此,在应用时是很方便的。
ISO 2732中规定了转速为600~12000rpm的机器在10~200H Z的频率范围内机械振动烈度的范围,它将振动速度有效值从0.11mm/s(人体刚有振动的感觉)到71mm/s的范围内分为15个两级。
相邻两个烈度量级之比约为1量。
但是,也不可能对每种机械设备专门制定一个标准。
为了便于实用,ISO 2372将常用机械设备分为6大类,使每一类的机械设备用同一标准衡量其运行质量。
第一类——在正常条件下,发动机与机器连接成一整体的设备(15Kw 以下的发动机)。
第二类——设有专用基础的中等尺寸的设备(15~75KW的发动机,如螺杆压缩机)及刚性固定在专用基础上的发动机及设备(300KW以下,如闪底泵)。
第三类——安装在测振方向上相对较硬的、刚性的和重的较大旋转质量的大型原动机和其他大型设备(如主风机)。
要求各单位在离心泵的振动监测过程中,参照上表序号4、7、10数据。
第十章参考标准
为了方便现场诊断查找使用,我们把收集到的各类有代表性的诊断标准,按照国际标准化组织、国际电工委员会、相关国家标准和诊断对象分类列出,同时把属于同类设备的有关标准排列在一起,它们在数值上可能有些差异,我们可以根据诊断对象的具体情况参照选用。
在每个标准后面,以“注”的形式简要说明了该标准的主要特点、约束条件及应用范围。
第一节国际标准化组织(ISO)的相关标准文件
一、可予采用的国际标准
ISO 1925机械振动——平衡——名词术语
ISO 1940(全部)机械振动——刚性转子的平衡品质要求
ISO 2017-1机械振动与冲击——弹性安装系统——第一部分:主动与被动隔离的应用
ISO 2041振动与冲击——名词术语
ISO 2954旋转与往复机器的机械振动——对振动烈度测量仪的要求
ISO 5348 机械振动与冲击——加速度计的机械安装
ISO 7919(全部),非往复机械的振动——在转轴上的测量及评价准则
ISO 8528-9由往复式内内燃机驱动的交流发电机组——第九部分:机械振动的测量与评定
ISO 8569机械振动与冲击——振动与冲击对室内敏感设备影响的测量与评价
ISO 10816(全部),机械振动——在非旋转部件上测量和评价机器的机械振动
ISO 11342:1998,机械振动——挠性转子机械平衡的方法与准则
ISO 13372,机器的状态监测及诊断——名词术语
ISO 13373-1,机器的状态监测及诊断——振动状态监测与诊断——第一部分:总则
ISO 13379,机器的状态监测及诊断——数据解释及诊断技术的一般指南ISO 14694,工业风机——平衡品质与振动水平技术要求
ISO 14695,工业风机——风机振动的测量方法
ISO 17359,机器的状态监测与诊断——一般指南
ISO 18436,机器的状态监测及诊断——个人培训及认证的必要条件——部分1:对认证机构及认证过程的要求。
二、旋转机械振动诊断标准
表10-1 机械振动诊断标准(ISO 2372和ISO 3945)
注:1.IS02372振动标准中,把诊断对象分为4个等级:I级:小型机械,15kW 以下电动机等;Ⅱ级:中型机械,15~75kW电动机等;Ⅲ级:刚性安装的大型机械
(600~12000 r/min);Ⅳ级:柔性安装的大型机械(600~12000 r/min)。
2.A、B、C、D及“优”、“良”、“可”、“不可”代表对设备状态的评价等级: A—良好,B—允许,C—较差、D—不允许。
3.采用ISO 2372标准时,要考虑被诊断设备的功率大小,基础型式,转速范围等约束条件;采用ISO 3945标准时,要考虑基础特性。
4.标准ISO 2372和ISO 3945所采用的诊断参数均为速度有效值(Vrms)。
支承基础分刚性与柔性两类,我国原机械工业部的相关标准中规定,当支承系统的一阶固有频率低于机组的主激振频率(指轴的转频)时属于柔性基础,反之则
属于刚性基础。
三、电动机振动标准
电动机也属于旋转机械。
它是一种原动机,为它制定了专用标准后,便于单机检测,也有利于加强对电动机的维护管理。
国际标准化组织制订的ISO 2373标准和德国标准DIN45665,在内容上是相同的,故合并列于表10—2。
表10-2 电动机振动标准(ISO 2373和DIN45665)
注:1.本标准把电动机按其中心高度(H)分为三个类型,中心高度越大,振动阈值越大。
2.电动机状态判别分为三个等级:正常、良好、特佳。
3.本标准是指电动机在空转(不带负荷)条件下的阈值。
4.诊断参数为速度有效值(V rms)。
第二节国际电工委员会(IEC)的相关标准
表10-3 国际电工委员会(IEC)推荐的汽轮机振动标准
注: 1.本标准按转速将汽轮机分为五种类型,随转速增大:汽轮机允许振幅减小。
2.表中分别列出两种测量方式的标准值,即:测量轴承与测量轴,轴振动允许值约为轴承振动的2倍。
3.诊断参数为位移峰峰值。
第三节相关的国家、行业标准
一、我国国家标准、行业标准
1、大型旋转机械振动烈度现场评定标准(GB 11347一1989)
表10-4 大型旋转机械振动烈度现场评定标准(GB 11347—1989)
注:1.GB 11347-1989国家标准将诊断对象按其基础特性分为两类:刚性支承与挠性支承。
2.本标准适用于转速为10~200 r/s的大型旋转机械。
3.对机械的状态评价分为A、B、C、D 4个等级:
A:新支付使用的机器;
B:机器可以长期运行;
C:机器尚可短期运行;
D:停机,不允许运行。
4.本标准诊断参数为速度有效值(Vrms)。
2、往复机械振动标准(GB/T7777—2003)
表10-5 往复式活塞压缩机机械振动测量与评价(GB/T7777—2003)
注:本标准按压缩机的结构型式把往复式压缩机分为5种类型,规定了各类压缩机振动烈度的允许最大值。
诊断参数为速度有效值(Vrms)。
3、通风机振动检测及其限值标准(中华人民共和国机械行业标准JB/T8689-1998)
表10-6 通风机振动检测及其限值(JB/T8689-1998)
注:支承系统的一阶固有频率低于机组的主激振频率(指轴的转频)时属于柔性支承,反之则属于刚性支承。
二、德国工程师协会标准VDI 2056
表10-7 VDI 2056机械振动诊断标准
注:1.VDI 2056振动标准把机器类型分为4类:
K类——小型电动机,原动机与工艺机单独传动,功率不超过15kW;
M类——中型电动机功率为15~75kW,,如用专门底座,功率可达300kW;
G类——大型电动机,原动机和工作机,安装在刚性和重型基础上;
T类——大型原动机,大型涡轮发电机组等,安装在刚性很小的结构底座上。
2.对设备状态评价分为4个等级:“良好”、可用”、“还允许”、“不允许”。
3.采用本标准主要考虑机器的功率大小及基础、底座特性等因素。
4.诊断参数为速度有效值(Vrms)。
三、英国标准BS4675
表10-8 BS4675机械振动诊断标准
注:1.BS4675振动标准把诊断对象分为K、M、G、T 4组,其意义与VDl2056振动标准中的字母意义相同。
2.对设备状态的评价分为4个等级;“好”、“可以”、“还可以”、“不允许”。
3.采用本标准时,先要根据机器的功率大小,基础型式将其归入某一组,再将测值与标准对照判别其状态。
4.BS4675振动标准的诊断参数为速度有效值(Vrms)。
四、摘自加拿大政府文件CDA/MS/NVSH107 “维护振动极限”
表10-9轴承振动测量值的机器状态判据(10~10000Hz)
注:1.本标准确定的频率范围较宽,所包括的机器类型较多,因此适用范围较广。
2.标准除着重考虑功率(hp—马力)因素外,还考虑了转速、工作寿命、机器的新旧程度等多种因素,准确性较大,可作为制定相对标准的参考。
①长寿命为1 000~10 000 hp
②短寿命约为l00—l 000 hp
③达到此值时,应进行检查,同时要进行倍频分析并与下一行的数据进行比较。
④任柯一个倍频程分量达到此值时应立即进行修理。
⑤速度参考值 V0=10-6 mm/s,V为实际速度,Vdb = 20 log(V/Vo)。
⑥以振动速度有效值为准的振动烈度允许值mm/s
五、部分引进设备振动标准
改革开放以来,许多企业从国外引进了大批设备,设备制造厂家一般都提供了这些设备的振动标准,表10-10、表10-11介绍部分引进设备的诊断标准供参考。
表10-10 部分从日本引进设备振动标准
注:1、这些设备的振动标准主要考虑了转速这个因素。
2、诊断参数为峰—峰值(D p-p)。
3、检测应遵循的条件:测点在轴承或其附近位置。
表10-11 日本制造厂为宝钢引进设备提供的部分振动标准
注:1.本表所列全部是风机的振动标准。
考虑的相关因素有:转速、功率、测点位置及设备的作业场地等,这也是参考使用表中数据时应当考虑的。
2.判断参数为位移峰—峰值(D p-p)。
六、管道振动速度判断标准
1984年加拿大梅特矿业公司提出了管道和机器的振动速度现场判断标准。
表10-12 管道和机器振动速度现场判据V rms单位:mm/s
注:1.本标准着重考虑了测点位置选择,可作为现场初步评估。
2.本标准把管道和机器的振动状态分为三个等级:“可接受”、“恶化”和“危险”。
3.诊断参数为速度有效值(Vrms)。
七、金属切削机床振动标准
表10-13 部分金属切削机床振动标准(美国)
注:1.本标准规定:测量位置在轴承的垂直和水平方向;测定转速以规定的验收转速或加工使用转速条件下测量。
2.不同的机床类型其判别阈值不同。
3.诊断参数为振动位移(峰—峰值D p-p)。
(注:文档可能无法思考全面,请浏览后下载,供参考。
可复制、编制,期待你的好评与关注)。