机械原理课程设计指导书
- 格式:doc
- 大小:1.60 MB
- 文档页数:10
机械原理课程设计指导书机械原理课程设计指导书一、前言机械原理课程是机械工程专业的重要课程之一,为学生提供了理解和掌握机械基本原理的基础。
在课程设计中,学生需要根据所学知识,选题设计机械结构或进行机械元件的计算。
本指导书针对机械原理课程设计,旨在对学生进行详细的指导,帮助学生顺利完成设计任务。
二、课程设计要求1.任务简介本次设计任务要求学生根据机械原理课程所学知识,选择一个机械结构或元件进行设计。
设计内容应包括机械结构或元件的图纸绘制、力学计算、材料选用及性能参数的计算等内容。
设计过程中应体现出完整的设计思路和严谨的设计方法。
2.任务要求(1)设备或结构选题应具有一定代表性和创新性,难度适宜。
(2)选题应能够反映机械原理课程所掌握的理论和方法。
(3)设计过程中应注意结论的严谨性、数据的准确性和完整性。
(4)设计过程中应充分发挥专业知识和专业技能。
(5)设计文档应包括设计思路、图纸、计算过程、结论及评价等内容。
三、设计流程1.选题在设计之前,需首先明确设计对象。
学生需要根据自己的兴趣和所学知识,选择一个机械结构或元件进行设计。
选题要求符合任务要求,具有一定的代表性和创新性。
2.方案设计选定设计对象之后,学生需要进行方案设计。
首先需要明确设计目标和要求,包括结构尺寸、负荷等方面的要求。
其次,要根据目标要求,选择合适的材料和工艺,并确定适当的加工精度。
3.图纸绘制图纸是机械结构或元件制作的重要依据,学生需要根据设计方案绘制相关图纸。
图纸应包括整体图、局部图、零配件图等内容,并注明尺寸、标注、公差等要素。
4.力学计算机械结构或元件的承载能力是设计过程中重点考虑的问题之一。
学生需根据机械原理课程所学知识,进行结构的力学计算,分析机械结构或元件的受力情况,并评估其承载能力。
5.材料选用及性能参数计算材料对机械性能的影响非常重要,学生需要根据设计要求,选择合适的材料,并计算材料的性能参数,如强度、韧性、硬度等。
机械原理课程设计指导书本课程设计分为以下三大类型:平面连杆机构的设计及运动分析,变位齿轮机构设计及分析,凸轮机构设计及分析。
总工作时间需在一周至一周半内集中进行,再结合计算机辅助设计。
由于编者水平有限,书中难免存在错误或不足之处,恳请多者指正。
目录第一章绪论(1)第二章平面连杆机构的运动分析与综合(7)第三章齿轮机构传动设计(10)第四章凸轮机构运动分析及设计(15)参考文献(20)第一章绪论一、机械原理课程设计的目的机械原理课程是培养学生教育较小机械系统运动方案设计初步能力的技术基础课。
课程设计则是学生学习机械原理的重要实践环节。
一般在机械原理课程设计学完后集中进行。
它的目的在于进一步巩固和加深所学理论知识,并将它们应用于实际机构的分析研究中。
通过课程设计这一环节,使学生更好地掌握和加深理解本课程的基本理论和方法,进一部提高学生查阅技术资料、绘制工程图和应用计算机的能力。
在课程设计中,要重视培养学生创新设计的能力。
以达到教学大纲中要求“培养工程师必备的一些基本技能”训练的目的。
机械原理课程设计的基本目的是:1. 进一步巩固和加深学生所学的理论知识,并将它们应用于实际机构的分析研究和设计中,培养学生开发和创新机械产品的能力。
2. 培养学生运用理论知识独立解决有关本课程实际问题的能力,使学生对于机械的运动学、动力学的分析和设计有一较完整和系统的概念。
3. 使学生掌握机械运动、动力分析和设计的图解方法,以及借助于计算机进行运动、动力分析和设计的解析方法。
4. 进一步提高学生的计算、绘图、表达和使用技术资料的能力。
二、机械原理课程设计的任务和内容机械原理课程设计的任务是:学生在规定时间内完成教师指定的机构设计课题,进而对机构的性能进行分析和科学评价。
将自己的设计研究成果编写成计算说明书一份(10页以上),绘制出设计图(A1)一张。
机械原理设计的内容是:1.按照机械的几何、运动、动力、轨迹等性能要求进行低副机构的尺度综合或高副机构的廓线设计。
一、课程设计的意义、内容及步骤随着生产技术的不断发展,机械产品种类日益增多,对产品的机械自动化水平也越来越高,因此,机械设备设计首先需要进行机械运动方案的设计和构思、各种传动机构和执行机构的选用和创新设计。
本指导书旨在根据高校工科本科《机械原理课程教学基本要求》的要求:结合一个简单的机械系统,综合运用所学理论和方法,使学生能受到拟定机械运动方案的初步训练,并能对方案中某些机构进行分析和设计,针对某种简单机器(即工艺动作过程较简单)进行机构运动简图设计。
设计过程指从明确设计任务到编制技术文件为止的整个设计工作的过程,该过程一般来讲包括四个阶段:1)明确设计任务和要求;2)原理方案设计;3)技术设计;4)施工设计。
本次设计的主要内容主要完成前两个任务,完成的步骤如下;二、机械原理课程设计的基本要求1.设计结果体现创新精神。
2.方案设计阶段以小组为单位,组织学生参观讨论,分析机器的结构、传动方式、工作原理,给出至少两种运动方案,并对其进行比较,从中选出最优方案。
3.方案确定以后,进行机构尺寸综合和机构运动分析时,每个学生的参数不同,独自设计。
若发现尚未达到工作要求,应审查方案,调整机构的尺寸,重新进行设计。
4.每个学生绘制一张图纸,应包括机械系统运动方案简图和机械运动循环图,一两个主要机构的运动分析及设计程序。
5.写一份设计说明书,最后进行答辩。
6.成绩的评定。
课程设计的成绩单独评定。
应以设计说明书、图样和在答辩中回答问题的情况为依据,参考设计过程中的表现,由指导教师按五级计分制(优、良、中、及格、不及格)进行评定。
二、机械运动简图设计内容1.功能分解机器的功能是多种多样的,但每一种机器都要完成某一工艺动作过程。
将机械所需完成的工艺动作过程进行分解,即将总功能分解为多个功能元,在机械产品中就是将工艺动作过程分解为若干个执行动作。
设计者必须把动作过程分解为几个独立运动的分功能,然后用树状功能图来描述,使机器的总的功用及各分功能一日了然。
机械原理课程设计指导书四冲程内燃机设计一. 已知条件: 在图示的四冲程内燃机中活塞行程 H = (mm ) 活塞直径 D= (mm ) 活塞移动导路相对于曲柄中心的距离 e= (mm ) 行程速比系数 K=连杆重心2c 至A 点的距离 2AC l = 系 数 AB l (mm) 曲柄重量 1Q = (N) 连杆重量 2Q = (N) 活塞重量 3Q = (N) 连杆通过质心轴2c 的转动惯性半径c ρ 2c ρ= 系数AB l 2(m 2m ) 曲柄的转速 n 1= (rpm) 发动机的许用速度不均匀系数 [δ]=曲柄不平衡的重心到O 点的距离 OC l = OA l (mm ) 开放提前角:进气门:-10°;排气门: -32° 齿轮参数:m=3.5(mm ); α=20°;a h *=12Z ='2Z =14; 3Z ='3Z =72 ;1Z =36示功图见P10图2所示。
二.设计任务1. 机构设计按照行程速比系数K 及已知尺寸决定机构的主要尺寸,并绘出机构运动简图(4号图纸)。
(凸轮要计算出装角后才画在该图上) 2. 选定长度比例尺作出连杆机构的位置图以活塞在最高位置时为起点,将曲柄回转一周按顺时针方向分为十二等分,然后找出活塞在最低位置时和活塞速度为最大时的曲柄位置(即曲柄旋转一周共分十五个位置)并作出机构各位置时的机构位置图,求出滑快的相对位移。
3. 作出机构15个位置的速度多边形求出这15个位置的BA V 、2C V 、B V 、ω2的数值,并列表表示。
(表一) 4. 作出机构的15个位置的加速度多边形求出15个位置的n BA a 、t BA a 、BA a 、2α 、2C a 、B a 的数值,并列表表示。
(表二)5.用直角坐标作滑快B 点的位移曲线B S =B S (φ),速度曲线)(ϕB B V V =及加速度曲线)(ϕB B a a =。
第一章牛头刨床总体设计(作图法)任务书一、机械原理课程设计的目的:机械原理课程设计是高等工业学校机械类专业学生第一次较全面的机械运动学和动力学分析与设计的训练,是本课程的一个重要实践环节。
其基本目的在于:(1)、进一步加深学生所学的理论知识,培养学生独立解决有关本课程实际问题的能力。
(2)、使学生对于机械运动学和动力学的分析设计有一较完整的概念。
(3)、使学生得到拟定运动方案的训练,并具有初步设计选型与组合以及确定传动方案的能力。
(4)、通过课程设计,进一步提高学生运算、绘图、表达、运用计算机和查阅技术资料的能力。
二、机械原理课程设计的任务:机械原理课程设计的任务是对机械的主体机构(连杆机构、凸轮机构、齿轮机构以及其他机构)进行设计和运动分析、动态静力分析,并根据给定机器的工作要求,在此基础上设计凸轮、齿轮;或对各机构进行运动分析。
要求学生根据设计任务,绘制必要的图纸,编写说明书。
三、机械原理课程设计的方法:机械原理课程设计的方法大致可分为图解法和解析法两种。
图解法几何概念较清晰、直观;解析法精度较高。
根据教学大纲的要求,本设计主要应用图解法进行设计。
1设计题目:牛头刨床1.)为了提高工作效率,在空回程时刨刀快速退回,即要有急会运动,行程速比系数在1.4左右。
2.)为了提高刨刀的使用寿命和工件的表面加工质量,在工作行程时,刨刀要速度平稳,切削阶段刨刀应近似匀速运动。
2、牛头刨床机构简介牛头刨床是一种用于平面切削加工的机床,如图4-1。
电动机经皮带和齿轮传动,带动曲柄2和固结在其上的凸轮8。
刨床工作时,由导杆机构2-3-4-5-6带动刨头6和刨刀7作往复运动。
刨头右行时,刨刀进行切削,称工作行程,此时要求速度较低并且均匀,以减少电动机容量和提高切削质量,刨头左行时,刨刀不切削,称空回行程,此时要求速度较高,以提高生产率。
为此刨床采用有急回作用的导杆机构。
刨刀每切削完一次,利用空回行程的时间,凸轮8通过四杆机构1-9-10-11与棘轮带动螺旋机构(图中未画),使工作台连同工件作一次进给运动,以便刨刀继续切削。
机械原理课程设计指导书题Ⅰ 四冲程内燃机设计一. 已知条件: 在图示的四冲程内燃机中活塞行程 H = (mm ) 活塞直径 D= (mm ) 活塞移动导路相对于曲柄中心的距离 e= (mm ) 行程速比系数 K=连杆重心2c 至A 点的距离 2AC l = 系 数 AB l (mm) 曲柄重量 1Q = (N) 连杆重量 2Q = (N) 活塞重量 3Q = (N) 连杆通过质心轴2c 的转动惯性半径c ρ 2c ρ= 系数AB l 2(m 2m ) 曲柄的转速 n 1= (rpm) 发动机的许用速度不均匀系数 [δ]=曲柄不平衡的重心到O 点的距离 OC l = OA l (mm ) 开放提前角:进气门:-10°;排气门: -32° 齿轮参数:m=3.5(mm ); α=20°;a h *=12Z ='2Z =14; 3Z ='3Z =72 ;1Z =36示功图见P10图2所示。
二.设计任务1. 机构设计按照行程速比系数K 及已知尺寸决定机构的主要尺寸,并绘出机构运动简图(4号图纸)。
(凸轮要计算出装角后才画在该图上) 2. 选定长度比例尺作出连杆机构的位置图以活塞在最高位置时为起点,将曲柄回转一周按顺时针方向分为十二等分,然后找出活塞在最低位置时和活塞速度为最大时的曲柄位置(即曲柄旋转一周共分十五个位置)并作出机构各位置时的机构位置图,求出滑快的相对位移。
3. 作出机构15个位置的速度多边形求出这15个位置的BA V 、2C V 、B V 、ω2的数值,并列表表示。
(表一) 4. 作出机构的15个位置的加速度多边形求出15个位置的n BA a 、t BA a 、BA a 、2α 、2C a 、B a 的数值,并列表表示。
(表二)5.用直角坐标作滑快B 点的位移曲线B S =B S (φ),速度曲线)(ϕB B V V =及加速度曲线)(ϕB B a a =。
2023年机械原理课程设计书篇一:机械原理课程设计教学大纲《机械原理》教案适用班级:机本开课时间: 20 -20 学年第学期教学方式:多媒体教学附件: 1、机械原理课程设计教案2、机械原理课程教学大纲3、机械原理教学设计一览表4、机械原理教学进度表5、机械原理学习指南6、机械原理MCAI教案(单行本)7、班级情况一览表机电工程学院8月第一章绪论(1)总课次:1第二章机构的结构分析(3)第三章机构的性能分析(1)总课次:4篇二:《机械原理》教案(2)机械原理课程设计大纲课程类别:必修学时:1周课程性质:集中实践教学学分:2 适用专业:机械设计制造及其自动化执笔人: __一、基本目的与任务机械原理课程设计是工科院校学生在大学期间利用已学过的知识第一次比较全面的、具有实际内容和意义的课程设计,也是机械原理课程的一个重要的实践教学环节。
机械原理课程设计是将知识转化为能力的桥梁,其主要目的是进一步巩固和加深学生所学的理论知识,并将其系统化;培养学生综合运用所学知识独立解决实际问题的能力和初步培养学生进行创新设计的能力;使学生初步掌握机械运动方案设计,并在机构分析与综合方面受到一次比较全面的训练。
二、教学基本内容通过对某种简单机器(它的工艺动作过程比较简单)的分析,进行机械运动简图的设计,其中包括机器动能分析、工艺动作过程确定、执行机构的选择、机械运动方案的评定、机构尺度综合等。
具体内容包括:按照给定的机械总功能要求,分解成子功能进行机构的选型和组合;设计该机械系统的几种运动方案,对各运动方案进行对比和选择;对选定方案中的机构——连杆机构、凸轮机构、齿轮机构、其他常用机构及组合机构进行分析和设计;制定机构运动循环图;画出机构运动简图。
每个学生应完成的设计工作量:1、机械运动简图、主要机构装配图一张(A1或A2图纸)2、零件工作图一至两张(A3或A4图纸)3、设计说明书一份三、教学要求1、机械总功能的分解根据所要设计的机械总功能要求,选定机械的工作原理并进行功能分解。
机械原理课程设计指导书四冲程内燃机设计一. 已知条件: 在图示的四冲程内燃机中活塞行程 H = (mm ) 活塞直径 D= (mm ) 活塞移动导路相对于曲柄中心的距离 e= (mm ) 行程速比系数 K=连杆重心2c 至A 点的距离 2AC l = 系 数 AB l (mm) 曲柄重量 1Q = (N) 连杆重量 2Q = (N) 活塞重量 3Q = (N) 连杆通过质心轴2c 的转动惯性半径c ρ 2c ρ= 系数AB l 2(m 2m ) 曲柄的转速 n 1= (rpm) 发动机的许用速度不均匀系数 [δ]=曲柄不平衡的重心到O 点的距离 OC l = OA l (mm ) 开放提前角:进气门:-10°;排气门: -32° 齿轮参数:m=3.5(mm ); α=20°;a h *=12Z ='2Z =14; 3Z ='3Z =72 ;1Z =36示功图见P10图2所示。
二.设计任务1. 机构设计按照行程速比系数K 及已知尺寸决定机构的主要尺寸,并绘出机构运动简图(4号图纸)。
(凸轮要计算出装角后才画在该图上) 2. 选定长度比例尺作出连杆机构的位置图以活塞在最高位置时为起点,将曲柄回转一周按顺时针方向分为十二等分,然后找出活塞在最低位置时和活塞速度为最大时的曲柄位置(即曲柄旋转一周共分十五个位置)并作出机构各位置时的机构位置图,求出滑快的相对位移。
3. 作出机构15个位置的速度多边形求出这15个位置的BA V 、2C V 、B V 、ω2的数值,并列表表示。
(表一) 4. 作出机构的15个位置的加速度多边形求出15个位置的n BA a 、t BA a 、BA a 、2α 、2C a 、B a 的数值,并列表表示。
(表二)5.用直角坐标作滑快B 点的位移曲线B S =B S (φ),速度曲线)(ϕB B V V =及加速度曲线)(ϕB B a a =。
机械原理课程设计说明书学生姓名:学号:201141100系别:机械工程学院专业班级:机械设计制造及其自动化1班指导教师:教授起止时间:2013年12月23—27日东莞理工学院目录第一章内容介绍1-1 机构简介 (1)1-2 设计数据 (1)1-3 机构简图 (2)第二章六杆机构设计2-1 设计内容 (3)2-2 设计数据 (4)2-3 设计运动分析 (5)第三章凸轮设计3-1 设计内容 (7)3-2 图解法设计 (7)3-3 凸轮机构的计算机辅助设计 (10)第一章内容介绍1.机构简介压床是应用广泛的锻压设备,用于钢板矫直、压制零件等。
如图所示为某压床的运动示意图。
其中,六杆机构ABCDEF为其主体机构,电动机经联轴器带动减速器的三对齿轮(z l-z2, z3-z4, z5-z6)将转速降低,然后带动压床执行机构(六杆机构ABCDEF)的曲柄1转动,六杆机构使滑块5克服阻力F r而上下往复运动,实现冲压工艺。
为了减小主轴的速度波动,在曲轴A上装有飞轮,在曲柄轴的另一端装有供润滑连杆机构各运动副用的油泵凸轮。
2.设计数据: 设计数据见表1和表2。
表1 六杆机构的设计数据表2 凸轮机构的设计数据参数转角θ(度) 序号偏距e(mm)基圆半径r(mm)滚子半径rr(mm)行程h (mm)推程运动角δ( )远休止角01δ( )回程运动角'δ( )近休止角02δ( )0 1 19 37 10 60 10 30 150 30 120 602 20 38 10 40 10 35 140 60 90 703 21 39 10 30 10 60 140 0 150 7030 4 22 40 5 30 8 60 140 0 150 705 23 41 5 60 8 30 90 50 150 706 24 42 5 60 12 30 90 50 220 045 7 25 43 5 60 12 30 130 10 220 08 26 44 15 50 12 30 150 30 120 609 27 45 15 50 10 40 120 60 120 6060 10 28 46 15 50 10 40 180 0 180 011 29 47 10 45 10 40 180 0 180 012 30 48 10 45 6 50 120 90 90 6013 31 49 10 45 6 50 180 20 160 0(为一偏置直动滚子从动件盘形凸轮机构。
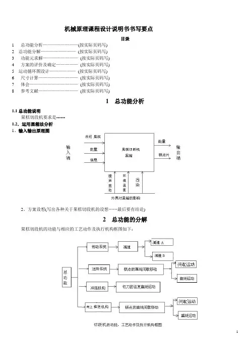
机械原理课程设计说明书书写要点目录1 总功能分析————————(按实际页码写)2 总功能分解————————(按实际页码写)3 功能元求解————————(按实际页码写)4 方案的评价及确定—————(按实际页码写)5 运动循环图设计——————(按实际页码写)6 尺寸计算—————————(按实际页码写)7 体会———————————(按实际页码写)8 参考文献—————————(按实际页码写)1 总功能分析1.1总功能说明果糕切段机要求是……1.2.运用黑箱法分析1、输入输出原理图2、方案设想(写出各种关于果糕切段机的设想……最后要有结论)2 总功能的分解果糕切段机的功能与相应的工艺动作及执行机构框图如下:上图中减速功能中减速比的分析:带传动比范围i v = 2~4,齿轮传动比范围i齿= 2~6,则总传动比最大i总=4×6=24本题中,初选电机转速720r/min,生产率30次/min,则总传动比i总=720/30=24,故需要A、B两档减速。
3 功能元求解3.1形态矩阵精压机运动方案选择矩阵由上表所列矩阵可知,可能的运动方案数目为N= 4= 种.3.2初定方案综上经分析、评价,先从表中选出两种方案:方案一:A1+B4+C2+D3+E2带传动机构→齿轮机构→连杆机构→不完全齿轮+连杆机构→凸轮机构方案二:A1+B1+C1+D1+E1带传动机构→带传动机构→凸轮机构→槽轮+连杆机构→槽轮+连杆机构(绘出两种方案机构示意图)4 方案的评价及确定(斜体字部分不需要抄在说明书中)1)机械运动方案的评价指标及其评价体系(1)机构的评价指标机械运动方案是由若干个执行机构组成的。
在方案设计阶段,对于每一机构应建立合理的、有效的评价指标。
从机构和机械运动方案的选择和评定的要求来看,主要应满足五个方面的17项性能指标,具体见下表。
2)各项评价指标进行评价量化(1)由于实际评价较难量化,因此可采用五档评价量值(2)几种典型机构的评价指标的初步评定按两种机构量化值之和除2进行评价。
第一章概述第一节机械原理课程设计的目的和任务一、课程设计的目的机械原理课程是培养学生具有进行机械系统运动方案设计初步能力的技术基础课。
课程设计则是机械原理课程重要的实践环节。
其基本目的是:(1)通过课程设计,综合运用机械原理课程的理论和实践知识,分析和解决与本课程有关的实际问题,并使所学知识进一步巩固、加深;(2)使学生得到拟定运动方案的训练,并具有初步机械选型与组合以及确定传动方案的能力,培养学生开发和创新机械产品的能力;(3)使学生对运动学和动力学的分析与设计有一较完整的概念;(4)通过课程设计,进一步提高学生运算、绘图、表达、运用计算机和查阅有关资料的能力。
二、课程设计的任务机械原理课程设计的任务一般分为以下几部分:(1)根据机械的工作要求,进行机构的选型和组合;(2)设计该机械系统的几种运动方案,对各种方案进行对比和选择,确定运动方案;(3)对选定方案中的机构(凸轮机构、连杆机构、齿轮机构、其它常用机构、组合机构等)进行设计和分析;(4)拟定、绘制机构运动循环图;(5)设计飞轮;进行机械动力分析与设计。
第二节机械原理课程设计的内容和方法一、课程设计的内容为了培养学生开发和创新机械产品的能力,根据高等学校工科本科《机械原理课程教学基本要求》对课程设计的基本要求,其内容应包括以下三个方面:(1)机械方案的设计与选择;(2)机构运动的分析和设计;(3)机械动力的分析与设计。
为了保证课程设计的基本内容,以及一定的综合性和完整性,课程设计选题的原则为:(1)一般包括三种基本机构-凸轮机构、连杆机构和齿轮机构的分析和综合;(2)应具有多个执行机构的运动配合关系,包括运动循环图的分析和设计;(3)运动方案的选择和比较。
二、课程设计的方法机械原理课程设计的方法一般分为图解法和解析法。
图解法是运用基本理论中的基本关系式,用作图求解的方法求出其结果。
这种方法具有几何概念清晰、直观的特点,可定性用来检查解析计算的正确性。
第一章概述§1-1 机械原理课程设计的目的机械原理课程设计是高等工业学校机械类专业学生第一次较全面的机械运动学和动力学分析与设计的训练,是机械原理课程的一个重要教学环节。
其目的在于进一步巩固学生所学的理论知识,培养学生独立解决有关本课程实际问题的能力,使学生对于机械运动学和动力学分析与设计有一个较完整的概念,具有进行机械运动方案分析的能力。
§1-2 机械原理课程设计的的任务机械原理课程设计的任务是根据所给题目进行机械运动方案分析、运动分析、动态静力分析,并根据给定机器的工作要求,在此基础上对各机构进行运动设计。
要求学生根据设计任务,绘制必要的图纸,编制计算程序和编写计算说明书等。
§1-3 机械原理课程设计的方法运用教材中机械传动系统方案设计的内容,用运动循环图等,进行机械运动方案设计,绘出相应的机构运动简图;运用教材中各有关章节的分析方法(解析法),进行机构的运动分析。
第二章机械运动方案设计机械运动方案没计的过程大致是:首先,设计者将给出的运动要求(包括输入、输出量之间的函数关系或工艺动作要求等等)及外部的各种约束条件,分解成各个基本运动、动作及其限制条件;然后,定出能完成这些基本运动或动作功能的相应的机构;再按分解成各基本运动、动作时确定的关系合成各种方案;必要时应画出协调这些机构运动先后运动顺序的机构运动循环图;对这些方案进行机构的尺度设计(定尺寸);对这些方案进行性能分析。
最后,对方案进行评价,以选择一种“最佳”的方案。
组成方案与对方案进行尺度设计、性能分析,在某种程度是并行进行的。
§2-1基本运动和机构的基本功能任何复杂的运动过程总是由一些最基本的运动合成的。
基本运动的形式有:单向转动、单向移动、往复摆动、往复移动,间歇运动等。
任何复杂的机构组合系统可以认为是由一些基本机构组合而成的。
这些机构有高副机构(齿轮、凸轮等机构)、低副机构(如铰链四杆机构)和多自由度机构(如差动轮系、铰链五杆机机构、四杆移动副机构等等)。
模切机运动方案拟定及传动系统设计---机械原理与机械设计课程设计指导书一、机械原理与机械设计课程设计的目的和任务机械原理课程设计与机械设计课程设计是机械类学生第一次进行的机械运动原理设计(或机械运动的方案设计)和传动系统(或传动装置)结构设计,前者是强调对已学各种机构的分析和综合,而后者则是强调传动零件的设计计算及其相应的结构设计。
它们都是培养学生初步掌握机械设计方法所不可缺少的一个重要教学环节。
以往这两个课程设计缺乏明确的联系,学生缺乏整机设计的概念。
本课程设计试图通过对一台简单的机械设备,由方案设计到结构设计(限于时间,只能对传动系统中的一部分进行设计计算和相应的结构设计),力求让学生对整机设计有一个系统的和完整的概念。
通过这一实践性的教学环节,让学生接触和了解工程技术的实际,并对学生进行较为系统的设计方法训练,以期通过这一实践环节培养学生对已学的基础知识:如制图、力学、机械制造基础、机械原理、机械设计等课程的综合运用能力,并结合具体实际对学过的内容适当予以深化和扩展,在实际运用中培养学生融汇贯通的能力。
让学生初步树立正确的设计观点,掌握通用的设计方法,提高计算、制图、使用参考资料和运用计算机的能力。
在设计过程中要求学生积极思考,广为涉猎,在继承前人成熟经验的基础上大胆创新。
本次课程设计的任务是:1)画出机械的运动简图2#图纸一张2)机械工作循环图4#图纸一张3)主体机构运动分析、力分析计算结果一份4)传动系统设计装配图0#或1#图纸一张5)零件工作图(计算机绘图)3#图纸二张6)设计计算说明书一份课程设计结束后,需进行一次答辩,以考核学生在本次课程设计中表现出的知识运用能力、制图能力、计算能力以及综合分析问题的能力。
二、半自动平压模切机(以下简称模切机)简介2.1课题说明模切机是印刷、包装行业压制纸盒、纸箱等纸制品的专用设备,该机可对各种规格的纸板和厚度在6mm以下的瓦楞纸板进行压痕、切线。
机械原理课程设计指导书前言机械原理是机械专业学生一门技术基础课。
其教学目的是使学生掌握关于机构结构学、机构运动学、机器动力学的基本理论知识,初步具有这些方面的分析和综合能力,并得到必要的基本技能训练。
机械原理教学的基本要求中规定了机械原理课程设计的主要内容,这些内容是:平面机构运动分析、平面机构动态静力分析、平面连杆机构设计、齿轮机构设计、轮系以及飞轮转动惯量的确定等。
机械设计大体可分为三大步骤:一、总体设计,包括绘制机器运动系统图、绘制机构运动简图,运动及动力分析,速度调节及某些重要构件的尺寸参数的确定;二、部件结构与强度设计,包括根据强度设计机器零、部件,绘制机器装配图;三、零件工作图设计。
机械原理就是要赋予学生总体设计的基本理论和基本技能的课程。
机械原理课程设计就是训练这种基本技能的教学环节。
后两步骤则是机械零件和其他课程所需要达到的目的。
机械原理课程设计还将会为学生提供一个将课堂知识予以巩固加深的机会,因此课程设计中个别知识可能超出书本知识范围。
为了使学生顺利地进行课程设计,特编写《机械原理课程设计指导书》供学生参考使用。
本书是在编者1989年编写《机械原理课程设计指导书》的基础上编写的。
根据几年来的使用经验,对原内容做了适当的删节和调整。
在设计指导书中,规定的工作量较大,需要学时较多,因此,指导教师可根据实际学时具体安排,对工作量适当调整,作适当删节,可用图解法,可用解析法或者二法并用。
课程设计的成绩作为一门考查课计分,记入学生档案。
编者2007.10目录第一章牛头刨床总体设计任务书 (1)1-1设计的目的和任务 (1)1-2牛头刨床基本机构的组成和工作性能简介 (1)1-3设计题目........................................................................................ 错误!未定义书签。
1-4设计任务的分配(作图法) (3)1-5设计的已知数据及要求 (4)第二章牛头刨床总体设计(作图法)指导书 (6)2-1摆动导杆机构运动分析 (6)2-2摆动导杆机构动态静力分析 (7)2-3飞轮转动惯量计算 (9)2-4飞轮机构设计方法 (10)2-5飞轮机构设计(参考[2]) (10)2-6摇杆机构设计指导(略) (10)2-7螺旋机构设计指导(略) (10)第三章用解析法进行机构运动分析及动态静力分析 (11)3-1 数学模型的建立 (11)3-2 程序编制 (23)第四章设计计算说明书与学时安排要求 (26)4-1计算说明书的要求 (26)4-2作图法课程设计的准备工作和绘图要求 (26)4-3 进度学时安排 (27)参考文献 (27)1 牛头刨床总体设计的任务1.1 设计的目的和任务本设计的目的在于巩固和加深机械原理课程中课堂所讲授的基础理论和基本技能,培养学生进行机构分析和机构设计的能力,力求使所学知识通过课程设计而系统化,为机械设计奠定基础。
机自081专用机械原理课程设计指导书六杆插床机构运动分析吴海涛改编机电工程学院2008年6月机械原理课程设计指导书--六杆插床机构分析一、课程设计的目的机械原理课程设计是高等工科院校机械类专业学生第一次较全面的机械运动学和动力学分析与设计的训练,其目的在于进一步加深学生所学的理论知识,培养学生独立解决有关实际问题的能力,使学生对于机械动力学与运动学的分析与设计有一较完整的概念。
二、课程设计的内容与步骤1、插床机构简介与设计数据插床机构由齿轮、导杆和凸轮等组成,如图1-1所示(齿轮、凸轮未画出)。
电动机经过减速装置,使曲柄1转动,再通过导杆机构使装有刀具的滑块沿导路y-y作往复运动,以实现刀具切削运动,并要求刀具有急回运动。
刀具与工作台之间的进给运动,是由固结于轴O2上的凸轮驱动摆动从动杆和其它有关机构(图中未画出)来完成的。
插床设计数据如表1-1所示。
图1-1 插床机构及其运动简图表1-1 插床设计数据表2、插床机构的设计内容与步骤(1)导杆机构的设计与运动分析已知行程速比系数K,滑块冲程H,中心距L O2O3,比值l BC/l O3B,各构件重心S的位置,曲柄每分钟转数n1。
要求设计导杆机构,作机构各个位置的速度和加速度多边形,作滑块的运动线图,以上内容与后面动态静力分析一起画在2号图纸上(见参考图例1)。
步骤1)设计导杆机构。
按已知数据确定导杆机构的各未知参数,其中滑块5导路y-y的位置可根据连杆4传力给滑块5的最有利条件来确定,即y-y应位于B点所画圆弧高的平分线上(见参考图例1)。
2)作机构运动简图。
选取长度比例尺μl(m/mm),按表1-2所分配的加速度位置用粗线画出机构运动简图。
曲柄位置的作法如图1-2;取滑块5 在下极限时所对应的曲柄位置为起始位置1,按转向将曲柄圆周十二等分,得12个曲柄位置,位置5对应于滑块5处于上极限位置。
再作出开始切削和终止切削所对应的5ˊ和12ˊ两位置。
共计14个机构位置,可以14个学生为一组。
机械原理课程设计书一、课程目标知识目标:1. 让学生掌握机械原理的基本概念,如力、运动、能量等,并能够准确描述其相互关系。
2. 使学生了解并掌握机械装置的构造、工作原理及其应用。
3. 引导学生理解并掌握简单机械系统运动学、动力学的基本分析方法。
技能目标:1. 培养学生运用数学、物理知识解决机械原理问题的能力。
2. 培养学生动手制作、实验操作和观察分析机械装置的能力。
3. 培养学生团队协作、沟通表达和解决问题的能力。
情感态度价值观目标:1. 激发学生对机械原理学科的兴趣,培养其探究精神和创新意识。
2. 培养学生严谨的科学态度和良好的学习习惯,使其具备持续学习的动力。
3. 引导学生认识到机械原理在生活中的应用,培养其关注社会、服务社会的责任感。
课程性质分析:本课程为初中物理机械原理部分,旨在让学生了解和掌握机械原理的基本知识,培养其动手操作和解决问题的能力。
学生特点分析:初中学生正处于好奇心强、求知欲旺的年龄阶段,对新鲜事物充满兴趣,但注意力容易分散,需要教师引导。
教学要求:1. 注重理论与实践相结合,提高学生的动手实践能力。
2. 创设情境,激发学生兴趣,引导学生主动探究。
3. 关注个体差异,因材施教,提高教学质量。
二、教学内容1. 简单机械原理:包括杠杆、轮轴、滑轮、斜面等基本概念和分类,以及它们的优缺点和实际应用。
教材章节:第二章第一节《简单机械》2. 机械运动分析:介绍机械运动的基本形式,如直线运动、曲线运动、圆周运动等,以及相应的运动学参数。
教材章节:第二章第二节《机械运动》3. 动力学基础:阐述力、质量、加速度等基本概念,以及牛顿三定律。
教材章节:第二章第三节《动力学基础》4. 机械能转化:探讨机械能的转化规律,如势能、动能的相互转化,以及能量守恒定律。
教材章节:第二章第四节《机械能转化》5. 机械装置案例分析:分析典型的机械装置,如自行车、汽车、起重机等,了解其工作原理和构造。
教材章节:第二章第五节《机械装置案例分析》教学进度安排:第一周:简单机械原理第二周:机械运动分析第三周:动力学基础第四周:机械能转化第五周:机械装置案例分析教学内容确保科学性和系统性,结合课程目标,注重理论与实践相结合,以培养学生的动手操作和解决问题的能力。
机械原理课程设计指导书
四冲程内燃机设计
一.
已知条件: 在图1所示的四冲程内燃机中(不同方案对应不同数据,见数据分配表) 活塞行程 H = (mm ) 活塞直径 D= (mm ) 活塞移动导路相对于曲柄中心的距离 e= (mm ) 行程速比系数 K=
连杆重心2c 至A 点的距离 2AC l = 系 数 AB l (mm) 曲柄重量 1Q = (N) 连杆重量 2Q = (N) 活塞重量 3Q = (N) 连杆通过质心轴2c 的转动惯性半径c ρ 2c ρ= 系数AB l 2(m 2m ) 曲柄的转速 n 1= (rpm) 发动机的许用速度不均匀系数 [δ]=
曲柄不平衡的重心到O 点的距离 OC l = OA l (mm ) 开放提前角:
进气门:-10°;排气门: -32° 齿轮参数:
m=3.5(mm ); α=20°;a h *=1
2Z ='
2Z =14; 3Z ='3Z =72 ;1Z =36
示功图见P9图2所示。
二.设计任务
1. 机构设计
按照行程速比系数K 及已知尺寸决定机构的主要尺寸,并绘出机构运动
简图(4号图纸)。
(凸轮要计算出装角后才画在该图上) 2. 选定长度比例尺作出连杆机构的位置图
以活塞在最高位置时为起点,将曲柄回转一周按顺时针方向分为十二等
分,然后找出活塞在最低位置时和活塞速度为最大时的曲柄位置(即曲柄旋转一周共分十五个位置)并作出机构各位置时的机构位置图,求出滑快的相对位移。
3. 作出机构15个位置的速度多边形
求出这15个位置的BA V 、2C V 、B V 、ω2的数值,并列表表示。
(表一) 4. 作出机构的15个位置的加速度多边形
求出15个位置的n BA a 、t BA a 、BA a 、2α 、2C a 、B a 的数值,并列
表表示。
(表二)
5.用直角坐标作滑快B 点的位移曲线B S =B S (φ),速度曲线)(ϕB B V V =及加速度曲线)(ϕB B a a =。
(把以上2、3、4、5作在一张2号图纸上)
6. 动态静力分析(1号图纸)
求出机构在各位置时各运动副的反力及应加于曲柄OA 的平衡力矩
b M (每人完成五个位置)各种数据均要列表表示:
(1) 将各个位置的2I P 、2I M 、3I P 等数值列于表三。
(2) 列出各个位置的t
R 12的计算公式,并计算出其数值。
(3) 将各个位置的'p 、n R 12、t R 12、12R 、03R 、23R 等数值列于
表四。
(4) 将各个位置的01R 、b M 等数值列于表五 (5) 将各个位置的'p 、b p 、'b M 等数值列于表六
(6) 将'b M 与b M 进行比较,计算出它们的误差,把结果列于表
七。
7. 用直角坐标作出b M =b M (φ)曲线。
(用方格纸绘制) (b M 统一用“动态静力分析”所求得的值)
8. 计算当不考虑机构各构件的质量和转动惯量时的飞轮转动惯量F J 。
9. 计算发动机功率。
10. 用图解法设计凸轮Ⅰ、Ⅱ的实际轮廓曲线(3号图纸)
11. 绘制内燃机的工作循环图(4号图纸)。
根据工作循环图及曲柄的位置,求出凸轮的安装角,把凸轮画在机构运动简图上。
12. 最后,将设计过程写成20页左右的详细说明书。
三.设计步骤及注意问题
1.求连杆及曲柄的长度
设连杆的长度为l 、曲柄长度为r
r l OB -=∴I
r l OB +=
11
180+-︒
=K K θ θ∴ 可求 θ
sin 2H
CB R I =
= 22)()(CE OC OE -= =22)()(DE CD OC -- =22)(e CD R --
)1()(22----------------+=+e OF r l 2H OE OF +
= OC
OE
1
sin -=α θαδ-=
)2(2
sin
2-------------------=-δ
R r l
联立(1)、(2)式求解,可求出连杆的长度l 及曲柄的长度r.
2.曲柄回转一周共分为15个位置
当活塞在最高位置时为起点,曲柄A 点的编号为A 。
,由A 。
点开始,顺时针方向把圆等分为12等分,得A 。
、1A 、2A 、……,11A 等点。
当滑快在最低位置时,曲柄上A 点的编号为'6A 。
可近似认为,当曲柄在OA '2和OA '
9位置时,滑快B 的速度为最大值。
注:括号内的编号在分析力时才使用。
3.动态静力分析步骤
(1) 计算活塞上的气体压力
F p p i ⋅=' (N )
F —活塞的面积(cm 2) (2) 求作用于构件上的惯性力 2I p =22c a m ⋅- (N )
2
22C C m J ρ⋅=
B I a m P ⋅-=3 (N ) (3) 出活塞上受力的大小及方向
3'3Q P P P I
++=
(4) 把作用在构件2上的反力R 12分解为n R 12和t
R 12取∑B M =0,求
出t
R 12
(5) 以构件2、3为示力体,取∑=,0F 求出n
R 12和03R (6) 以构件3为示力体,取∑=,0F
求出23R
(7) 以构件1为示力体,(构件1的重力忽略不计),取∑=,0F
求
出01R ,再由∑0M =0,求出b M 。
(8) 用一张4号图纸大小的方格纸作出b M =b M (φ)曲线。
4.飞轮转动惯量的确定
(2) 在本课程设计中,决定飞轮的转动惯量时,不考虑机构各构
件的质量和转动惯量。
(3) 把b M =b M (φ)曲线作为d M =d M (φ)曲线(驱动力矩曲
线)
3=
b
M μ
规定:当b M 与1ω的方向一致时为负,画在横坐标的下方。
当b M 与1ω的方向相反时为正,画在横坐标的上方。
(在本课程设计中,1ω的方向为顺时针)
(4) 以b M 的平均值作为阻抗力矩r M (常数)。
这是因为在周期性
的速度波动中,一个波动周期内的输入功等于输出功。
即
0=∆=-E r d ωω
(a )首先求出下列各单元的面积:
1f 、2f 、3f 、4f 、5f 、6f
(b )求出阻抗力矩(r r M M =(φ))的纵坐标H :
)(6
54321mm L
f f f f f f H +++++=
注意:ⅰ) 1f ,2f ……6f 表示各单元的面积,单位为mm 2,
在横坐标之下为负值,在横坐标之上为正值。
ⅱ)H 的单位为毫米,当乘上比例尺b M μ之后,才得
出r M 之值。
(c )根据求出的H 值,作出r M =r M (φ)阻抗力矩曲线(现
为水平线)
(5) 求出下列各单元的面积:
'1f 、'2f 、'3f 、'4f 、'5f 、'6f 、'7f
在阻抗力矩曲线之上的面积表示盈功,在阻抗力矩曲线之下
面积表示亏功。
盈功为正,亏功为负值。
(6) 根据上面各单元的面积求相应的功
Φ⋅⋅=μμB M f W '11 Φ⋅=μμb M f W '44 Φ⋅⋅=μμb M f W '77 Φ⋅⋅=μμb M f W '22 Φ⋅=μμb M f W '55 Φ⋅⋅=μμb M f W '33 Φ⋅⋅=μμb M f W '66 (7) 求出在各个位置上功的累积变化量W ∆
=∆a W ……(Nm ) =∆d W …… (Nm ) =∆b W ……(Nm ) =∆e W …… (Nm ) =∆c W ……(Nm ) =∆f W …… (Nm ) =∆g W ……(Nm )
根据上面各值找出
=m ax W …… (Nm ) =m i n W …… (Nm )
(8) 求出最大盈亏功max W ∆
max W ∆=min max W W -=……(Nm )
(8) 根据许用不均匀系数[δ],求出等效构件上所需的等效转动惯
量:
[]
()2
2m
a x
m kg W J m
e ⋅∆=
δω (60
21
n m
πω=
) (9)确定飞轮的转动惯量:
c F e J J J +=
按题意: 不考虑各构件的质量和转动惯量。
∴ c J 可忽略不挤 ∴
e F J J ≈
5.计算发动机功率
)(7501
6021HP n L M N b M r ⨯⨯⨯⨯⨯=
Φμμ
6.排气凸轮(凸轮Ⅱ)的轮廓设计
(1) 升程角为60°,回程角为60°,远停程角为10°。
(2)选择升程和回程的运动规律。
(3)用图解法设计凸轮Ⅱ的轮廓曲线。
需打印出δ-s 曲线以及凸轮的轮廓曲线。
7. 以曲柄作为定标构件,曲柄每转两周为一工作循环。
画出各执行机构在位置上协调配合工作的循环图。
图1四冲程内燃机机构运动简图比例:1:4
单位:mm
图2。