管工国家职业技能鉴定标准.
- 格式:doc
- 大小:233.50 KB
- 文档页数:16
管工国家职业标准1. 职业概况1.1 职业名称管工。
1.2 职业定义操作专用机械设备,进行金属及非金属管子加工和管路安装、调试、维护与修理的人员。
1.3 职业等级本职业共设五个等级,分别为:初级(国家职业资格五级)、中级(国家职业资格四级)、高级(国家职业资格三级)、技师(国家职业资格二级)、高级技师(国家职业资格一级)。
1.4 职业环境室内,室外,常温。
1.5 职业能力特征具有一定的学习能力,较强的空间感和计算能力,准确的分析、推理、判断能力,手指、手臂灵活。
1.6 基本文化程度初中毕业。
1.7 培训要求1.7.1 培训期限全日制职业学校教育,根据其培养目标和教学计划确定。
晋级培训期限:初级不少于180标准学时;中级不少于200标准学时;高级不少于250标准学时;技师不少于210标准学时;高级技师不少于210标准学时。
1.7.2 培训教师培训初、中级的教师应具有本职业高级以上职业资格证书;培训高级的教师应具有本职业技师以上职业资格证书或相关专业中级专业技术职务任职资格;培训技师的教师应具有本职业高级技师职业资格证书2年以上或相关专业中级专业技术职务任职资格;培训高级技师的教师应具有本职业高级技师职业资格证书3年以上或相关专业高级专业技术职务任职资格。
1.7.3 培训场地设备标准教室及具有必要设备的技能训练场所。
1.8 鉴定要求1.8.1 适用对象从事或准备从事本职业的人员。
1.8.2 申报条件——初级(具备以下条件之一者)(1)经本职业初级正规培训达规定标准学时数,并取得毕(结)业证书。
(2)连续从事本职业工作2年以上。
(3)从事本职业学徒期满。
——中级(具备以下条件之一者)(1)取得本职业初级职业资格证书后,连续从事本职业工作2年以上,经本职业中级正规培训达规定标准学时数,并取得毕(结)业证书。
(2)取得本职业初级职业资格证书后,连续从事本职业工作3年以上。
(3)连续从事本职业工作6年以上。
中华人民共和国管道工技术等级标准一、职业定义:使用机具,进行管道工程的安装、调试、维修和管网系统测试。
二、适用范围:管道工程安装、检测、维修。
三、技术等级线:设初、中、高三级。
初级管道工一、知识要求:1.识图的基本知识,看懂简单施工图、水泵房配管图与软化水流程图、配管图。
2.常用管材、附件、器具、阀门、填料、垫料的名称、种类、规格及用途。
3.常用机具、量具、仪器的名称、规格、使用和维护方法。
4.非法定计量单位与法定计量单位的换算知识。
5.弯头、三通、管件等展开计算方法。
6.一般设备配管的操作工艺、试压方法、技术要求及设备安装基本知识。
7.管道工程的防腐、防冻和保温知识。
8.一般管子热偎弯的基本知识。
9.了解流量孔板安装和焊接操作的基本知识。
10.了解本职业安全技术操作规程、施工验收规范及质量评定标准。
二、技能要求:1.简单的工业管道安装、设备配管、组对与安装暖气片及吊、支、卡架的制作安装。
2.安装一般的冷热水管、排水管、燃气管、卫生器具、采暖管道和组装暖气片及其水压试验。
3.安装各种快装锅炉及全部配管,并作吹洗、试压和试运转(烘炉、煮炉、调试安全阀)及整理交工资料。
4.简单焊制弯头、三通的放样、制作及管子煨弯(角弯和方胀力)、管道调直。
5.安装疏水器、注水器、油水分离器等管道附件。
6.绘制法兰加工图及法兰划线、钻孔及常用简单工具的制作、淬头和管子收头。
7.安装简单的一次性仪表(流量孔板、温度计、压力表等)。
8.搭拆3m以内的简单脚手架。
中级管道工一、知识要求:1.掌握制图的基本知识,看懂较复杂工业、民用管道施工图和有关的建筑施工图。
2.掌握流体力学和热工学的基本知识及各种计量仪表的使用和安装办法。
3.胀力的作用原理和安装要求,锅炉胀管的操作方法和质量要求。
4.黑色金属、有色金属和非金属管材的材质、性能和选用的一般知识及安装的技术宴求。
5.氧、氢、乙炔、煤气、氨、氟利昂等气、液体的性质及其输送管道的安装工艺特点,管道酸洗、脱脂、吹洗、试压的办法。
国家职业标准:管工杭州市职业技能鉴定中心 2011-06-271.职业概况1.1 职业名称 管工。
1.2 职业定义 操作专用机械设备,进行金属及非金属管子加工和管路安装、调试、维护与修理的人员。
1.3 职业等级 本职业共设五个等级,分别为:初级(国家职业资格五级)、中级(国家职业资格四级)、高级(国家职业资格三级)、技师(国家职业资格二级)、高级技师(国家职业资格一级)。
1.4 职业环境 室内,室外,常温。
1.5 职业能力特征 具有一定的学习能力,较强的空间感和计算能力,准确的分析、推理、判断能力,手指、手臂灵活。
1.6 基本文化程度 初中毕业。
1.7 培训要求1.7.1 培训期限 全日制职业学校教育,根据其培养目标和教学计划确定。
晋级培训期限:初级不少于180标准学时;中级不少于200标准学时;高级不少于250标准学时;技师不少于210标准学时;高级技师不少于210标准学时。
1.7.2 培训教师 培训初、中级的教师应具有本职业高级以上职业资格证书;培训高级的教师应具有本职业技师以上职业资格证书或相关专业中级专业技术职务任职资格;培训技师的教师应具有本职业高级技师职业资格证书2年以上或相关专业中级专业技术职务任职资格;培训高级技师的教师应具有本职业高级技师职业资格证书3年以上或相关专业高级专业技术职务任职资格。
1.7.3 培训场地设备 标准教室及具有必要设备的技能训练场所。
1.8 鉴定要求1.8.1 适用对象从事或准备从事本职业的人员。
1.8.2 申报条件 ——初级(具备以下条件之一者)(1)经本职业初级正规培训达规定标准学时数,并取得毕(结)业证书。
(2)连续从事本职业工作2年以上。
(3)从事本职业学徒期满。
——中级(具备以下条件之一者)(1)取得本职业初级职业资格证书后,连续从事本职业工作2年以上,经本职业中级正规培训达规定标准学时数,并取得毕(结)业证书。
(2)取得本职业初级职业资格证书后,连续从事本职业工作3年以上。
管工国家职业标准1.职业概况1.1职业名称管工。
1.2职业定义操作专用机械设备,进行金属及非金属管子加工和管路安装、调试、维护与修理的人员。
1.3职业等级本职业共设五个等级,分别为:初级(国家职业资格五级)、中级(国家职业资格四级)、高级(国家职业资格三级)、技师(国家职业资格二级)、高级技师(国家职业资格一级)。
1.4职业环境室内,室外,常温。
1.5职业能力特征具有一定的学习能力,较强的空间感和计算能力,准确的分析、推理、判断能力,手指、手臂灵活。
1.6基本文化程度初中毕业。
1.7培训要求1.7.1培训期限全日制职业学校教育,根据其培养目标和教学计划确定。
晋级培训期限:初级不少于180标准学时;中级不少于200标准学时;高级不少于250标准学时;技师不少于210标准学时;高级技师不少于210标准学时。
1.7.2培训教师培训初、中级的教师应具有本职业高级以上职业资格证书;培训高级的教师应具有本职业技师以上职业资格证书或相关专业中级专业技术职务任职资格;培训技师的教师应具有本职业高级技师职业资格证书2年以上或相关专业中级专业技术职务任职资格;培训高级技师的教师应具有本职业高级技师职业资格证书3年以上或相关专业高级专业技术职务任职资格。
1.7.3培训场地设备标准教室及具有必要设备的技能训练场所。
1.8鉴定要求1.8.1适用对象从事或准备从事本职业的人员。
1.8.2申报条件——初级(具备以下条件之一者)(1)经本职业初级正规培训达规定标准学时数,并取得毕(结)业证书。
(2)连续从事本职业工作2年以上。
(3)从事本职业学徒期满。
——中级(具备以下条件之一者)(1)取得本职业初级职业资格证书后,连续从事本职业工作2年以上,经本职业中级正规培训达规定标准学时数,并取得毕(结)业证书。
(2)取得本职业初级职业资格证书后,连续从事本职业工作3年以上。
(3)连续从事本职业工作6年以上。
(4)取得经劳动保障行政部门审核认定的、以中级技能为培养目标的中等以上职业学校本职业(专业)毕业证书。
《管工》国家职业标准中华人民共和国劳动和社会保障部制定1. 职业概况1.1 职业名称管工。
1.2 职业定义操作专用机械设备,进行金属及非金属管子加工和管路安装、调试、维护与修理的人员。
1.3 职业等级本职业共设五个等级,分别为:初级(国家职业资格五级)、中级(国家职业资格四级)、高级(国家职业资格三级)、技师(国家职业资格二级)、高级技师(国家职业资格一级)。
1.4 职业环境室内,室外,常温。
1.5 职业能力特征具有一定的学习能力,较强的空间感和计算能力,准确的分析、推理、判断能力,手指、手臂灵活。
1.6 基本文化程度初中毕业。
1.7 培训要求1.7.1 培训期限全日制职业学校教育,根据其培养目标和教学计划确定。
晋级培训期限:初级不少于180标准学时;中级不少于200标准学时;高级不少于250标准学时;技师不少于210标准学时;高级技师不少于210标准学时。
1.7.2 培训教师培训初、中级的教师应具有本职业高级以上职业资格证书;培训高级的教师应具有本职业技师以上职业资格证书或相关专业中级专业技术职务任职资格;培训技师的教师应具有本职业高级技师职业资格证书2年以上或相关专业中级专业技术职务任职资格;培训高级技师的教师应具有本职业高级技师职业资格证书3年以上或相关专业高级专业技术职务任职资格。
1.7.3 培训场地设备标准教室及具有必要设备的技能训练场所。
1.8 鉴定要求1.8.1 适用对象从事或准备从事本职业的人员。
1.8.2 申报条件——初级(具备以下条件之一者)(1)经本职业初级正规培训达规定标准学时数,并取得毕(结)业证书。
(2)连续从事本职业工作2年以上。
(3)从事本职业学徒期满。
——中级(具备以下条件之一者)(1)取得本职业初级职业资格证书后,连续从事本职业工作2年以上,经本职业中级正规培训达规定标准学时数,并取得毕(结)业证书。
(2)取得本职业初级职业资格证书后,连续从事本职业工作3年以上。
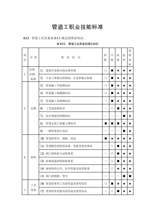
管道工职业技能标准1 一般规定1.1管道工职业环境为室内、外及高空作业并且大部分在常温下工作(个别地区除外),施工中会产生一定的光辐射、烟尘、有害气体和环境噪声。
2 职业技能等级要求2.1 初级管道工应符合下列规定:1 理论知识——了解流体力学和材料力学基础知识。
——了解识图知识。
——熟悉常用工机具、量具的使用和维护方法。
——熟悉量尺基准、读尺测绘、比量下料的知识。
——了解管道的分类知识。
——熟悉常用管道组成件的名称、规格、外观质量标准及用途。
——掌握管道除锈知识和管道涂漆工艺要求。
——掌握冷调、热调、整圆方法。
——掌握管道支架的制作工艺及安装要求。
——掌握室内给、排水管道安装知识。
——熟悉卫生器具安装知识。
——熟悉消防和采暖管道安装要求。
——掌握水表安装要求。
——熟悉散热器、弹簧式压力表、水位计安装要求。
——熟悉排水管道灌水试验的方法、要求。
——掌握卫生器具满水、通水试验的方法、要求。
——熟悉管道冲洗、消毒方法及要求。
——掌握劳保用品种类及用途。
——掌握小跨度脚手架的材料和搭拆方法。
2 操作技能——能够辨识和正确运用常用的管道组成件。
——能够正确使用简单的施工机具、工具、量具,并进行一般维护——能够对金属管进行除锈,进行金属管道的涂漆施工。
——能够进行管道量尺和下料。
——能够进行管道的调直和整圆。
——能够进行一般管道支架的制作、安装。
——能够进行室内给、排水管道、消防管道和采暖管道安装。
——能够进行卫生器具安装、铸铁柱型散热器的组对与安装。
——能够安装水表、弹簧式压力表和水位计。
——能够进行室内排水管道灌水试验。
——能够进行卫生器具满水、通水试验。
——能够进行室内给水管道的冲洗消毒。
——能够准备和正确使用个人劳保用品。
——能够搭拆3m以内的简单脚手架。
2.2 中级管道工应符合下列规定:1 理论知识——熟悉流体力学和材料力学基础知识。
——熟悉室内给、排水施工图、采暖管道施工图识图知识,管道轴测图常识。
管工国家职业标准一、职业概述。
管工是指在建筑工地、市政工程、管道运输等领域从事管道安装、维护、修理和管理工作的专业人员。
管工需要具备一定的机械操作技能和管道安装维护知识,能够熟练使用相关工具和设备进行工作。
管工的工作需要具备一定的安全意识和责任心,能够按照相关标准和规范进行操作,确保管道的安全和正常运行。
二、岗位职责。
1.负责管道安装、维护和修理工作,包括管道的布置、连接、固定和密封等;2.进行管道的检测和排除故障,确保管道的正常运行;3.负责管道材料和设备的选购和管理,做好相关记录和报告;4.参与管道工程的设计和施工方案的制定,确保工程质量和安全;5.负责管道工程现场的管理和协调,确保施工进度和安全生产;6.进行相关安全培训和教育,提高员工的安全意识和技能水平。
三、能力要求。
1.具备一定的机械操作技能和管道安装维护知识,能够熟练使用相关工具和设备进行工作;2.具备较强的动手能力和团队合作精神,能够适应高强度的工作环境;3.具备一定的安全意识和责任心,能够按照相关标准和规范进行操作;4.具备一定的沟通和协调能力,能够与其他部门和单位进行有效的沟通和协调;5.具备一定的管理能力和组织协调能力,能够有效管理现场工作和人员。
四、培训要求。
1.参加相关的管道安装维护培训,掌握相关的技能和知识;2.参加相关的安全生产培训,提高安全意识和应急处理能力;3.参加相关的管理培训,提高管理能力和组织协调能力;4.参加相关的职业技能鉴定,取得相关的职业资格证书。
五、发展前景。
随着城市化进程的加快和基础设施建设的不断扩大,管工的需求将会持续增加。
未来,管工将会成为一个非常紧俏的职业,具有很好的发展前景。
同时,随着技术的不断更新和工程施工的不断发展,管工的工作内容和技能要求也将会不断提高,相应的薪资待遇也将会得到提高。
六、总结。
作为一个国家职业标准,管工是一个非常重要的职业,对于城市建设和基础设施建设起着至关重要的作用。
管道工职业技能标准(最终定稿)第一篇:管道工职业技能标准管道工职业技能标准1.职业序号:13—0222.专业名称:管道工程3.职业名称:管道工4.职业定义:使用机具,进行管道工程的安装、调试、维修和管网系统调试。
5.适用范围:管道工程安装、检测、维修。
6.技能等级:设初、中、高三级。
7.学徒期:二年半。
其中培训期一年半,见习期一年。
一、初级管道工知识要求(应知):1.识图的基础知识,看懂简单施工图,水泵房配管图与软化水流程图、配管图。
2.常用管材、附件、器具、阀门、填料、垫料的名称、种类、规格及用途。
3.常用机具、量具、仪器的名称、规格、使用和维护方法。
4.非法定计量单位与法定计量单位的换算知识。
5.弯头、三通、管件等展开计算方法。
6.一般设备配管的操作工艺、试压方法、技术要求及设备安装基础知识。
7.管道工程的防腐、防冻和保温知识。
8.一般管子热煨的基础知识。
9.了解流量孔板安装和焊接操作的基础知识。
10.了解本职业安全技术操作规程、施工验收规范及质量评定标准。
操作要求(应会):1.简单的工业管道安装、设备配管、组对与安装暖气片及吊、支、卡架的制作安装。
2.安装一般的冷热水管、排水管、燃气管、卫生器具、采暖管道和组装暖气片及其水压试验。
3.安装各种快装锅炉及全部配管,并作吹洗、试压和试运转(烘炉、煮炉、调试安全阀)及整理交工资料。
4.简单焊制弯头、三通的放样、制作及管子煨弯(角弯和方补偿器)、管道调直。
5.安装疏水器、注水器、油水分离器等管道附件。
6.绘制法兰加工图及法兰划线、钻孔及常用简单工具的制作、淬头和管子收头。
7.安装简单的一次性仪表(流量孔板、温度计、压力表等)。
8.搭拆3m以内的简单脚手架。
二、中级管道工知识要求(应知):1.掌握制图的基础知识,看懂较复杂工业、民用管道施工图和有关的建筑施工图。
2.掌握流体力学和热学的基础知识及各种计量仪表的使用和安装办法。
3.补偿器的作用原理和安装要求,锅炉胀管的操作方法和质量要求。
管工国家职业技能标准说明
管工国家职业技能标准是指用于管工职业培训和评价的统一标准。
它由国家职业教育与培训委员会制定,旨在规范和提高管工从业者的职业水平和技能素质。
管工国家职业技能标准包括以下几个方面的内容:
1.基本技能要求:包括原理和技术基础、安全操作和事故处理
等方面的知识和技能要求。
2.操作技能要求:包括管线安装、维护和修复等方面的操作技
能要求,要求管工能够熟练地使用工具和设备进行管线的安装和维护。
3.工作质量要求:包括工作效率、准确性、安全性和可靠性等
方面的要求,要求管工在工作中保证工作质量并确保安全。
4.问题识别与解决能力要求:包括故障诊断和解决问题的能力
要求,要求管工能够迅速识别出问题并采取相应措施进行修复。
5.职业道德与素养要求:包括职业道德、职业责任和职业素养
等方面的要求,要求管工具备职业道德素养,能够以客户利益为先,尽职尽责地完成工作。
这些标准是管工职业培训和评价的参考依据,可以帮助培训机构和企业确定培训内容和评价方法,提高培训和评价的效果。
同时,标准也可以作为管工的职业发展参考,帮助管工了解职业发展路径和技能提升要求。
国家职业技能标准(管道工)1.文档目的本文档旨在制定国家职业技能标准,针对管道工这一职业进行详细说明和规范,以帮助培养和提高管道工的技能水平,促进行业发展和工作效率。
2.职业概述管道工是指从事管道安装、维护和修理等工作的专业人员。
他们负责安装和维修各种管道系统,确保其正常运行。
这些管道可以是用于输送液体、气体、电力或其他目的的管道。
管道工需要掌握各种工具和技能,了解相关安全规范和标准,并能够适应各种工作环境和条件。
3.职业要求管道工需要具备以下技能和素质:熟悉各种管道系统的安装、维护和修理方法;精通各种管道材料的特性和使用方法;具备使用相关工具和设备的能力;了解相关安全规范和标准,能有效控制工作风险;具备团队合作和良好沟通能力;具备解决问题和应对突发情况的能力;具备持续研究和不断提升自身技能的意识。
4.工作职责管道工的工作职责包括但不限于以下几个方面:根据工程要求进行管道安装和连接;进行管道维护和修理,确保管道系统的正常运行;检查管道系统的质量和安全性;熟练使用各种工具和设备,如焊接设备、切割工具等;遵守施工安全规范和标准,确保工作安全;协助其他相关工种的工作,如电工、焊工等。
5.职业发展管道工是一个具有广阔职业发展前景的行业。
随着工业和建筑领域的发展,对于管道工的需求将逐渐增加。
在职业发展方面,管道工可以通过以下途径提升自身技能和地位:参加培训课程,研究最新的管道技术和操作方法;积极参与相关行业的认证和资格考试,取得相应职业证书;参与工程项目,积累丰富的实践经验;不断研究和提升自身技能,适应市场需求的变化;建立良好的人际关系和合作伙伴关系,获得更多职业机会。
6.结论国家职业技能标准(管道工)旨在规范和提高管道工的技能水平,推动行业的发展和进步。
管道工作为一个重要的职业,需要具备相关技能和素质,不断学习和实践,才能胜任和发展在这个领域。
为了更好地适应市场需求和推动职业发展,建议相关机构加强培训和认证体系,提供更多的发展机会和支持,以确保管道工的专业素质和职业发展。
管工国家职业标准1. 职业概况1.1 职业名称管工。
1.2 职业定义操作专用机械设备,进行金属及非金属管子加工和管路安装、调试、维护与修理的人员。
1.3 职业等级本职业共设五个等级,分别为:初级(国家职业资格五级)、中级(国家职业资格四级)、高级(国家职业资格三级)、技师(国家职业资格二级)、高级技师(国家职业资格一级)。
1.4 职业环境室内,室外,常温。
1.5 职业能力特征具有一定的学习能力,较强的空间感和计算能力,准确的分析、推理、判断能力,手指、手臂灵活。
1.6 基本文化程度初中毕业。
1.7 培训要求1.7.1 培训期限全日制职业学校教育,根据其培养目标和教学计划确定。
晋级培训期限:初级不少于180标准学时;中级不少于200标准学时;高级不少于250标准学时;技师不少于210标准学时;高级技师不少于210标准学时。
1.7.2 培训教师培训初、中级的教师应具有本职业高级以上职业资格证书;培训高级的教师应具有本职业技师以上职业资格证书或相关专业中级专业技术职务任职资格;培训技师的教师应具有本职业高级技师职业资格证书2年以上或相关专业中级专业技术职务任职资格;培训高级技师的教师应具有本职业高级技师职业资格证书3年以上或相关专业高级专业技术职务任职资格。
1.7.3 培训场地设备标准教室及具有必要设备的技能训练场所。
1.8 鉴定要求1.8.1 适用对象从事或准备从事本职业的人员。
1.8.2 申报条件——初级(具备以下条件之一者)(1)经本职业初级正规培训达规定标准学时数,并取得毕(结)业证书。
(2)连续从事本职业工作2年以上。
(3)从事本职业学徒期满。
——中级(具备以下条件之一者)(1)取得本职业初级职业资格证书后,连续从事本职业工作2年以上,经本职业中级正规培训达规定标准学时数,并取得毕(结)业证书。
(2)取得本职业初级职业资格证书后,连续从事本职业工作3年以上。
(3)连续从事本职业工作6年以上。
2021版国家职业技能标准管工1. 简介2021版国家职业技能标准是根据当前职业技能要求和发展趋势更新的,而管工作为建筑行业中的重要职业,其技能标准的更新对于提高行业整体素质和提升国家建设水平具有重要意义。
2. 技能要求在2021版国家职业技能标准中,管工的技能要求将更加注重对于工程安全、工程质量和环境保护的重视。
对于管道安装、检修、维护的技能要求将更加严格和细致,以确保建筑工程的安全和可持续发展。
3. 培训内容根据2021版国家职业技能标准,管工的培训内容将更加注重对新技术、新材料的学习和掌握,对于新型管道材料的使用和安装技术的培训将成为培训课程的重要内容,以适应建筑行业的发展需求。
4. 个人观点对于2021版国家职业技能标准中的管工技能要求的更新和调整,我认为这是非常必要和积极的举措。
随着建筑行业的日益发展和变化,对于管工职业的技能要求也需要不断更新和提升,以适应新的建筑材料和新的建筑技术的应用。
5. 总结通过对2021版国家职业技能标准中管工职业的深入了解和分析,我们可以看到,对于管工的技能要求将更加注重安全、质量和环保,培训内容将更加注重新技术、新材料的学习,这将有助于提高管工的整体素质和行业的发展水平。
通过这篇文章的撰写,希望您能更加全面、深入地了解2021版国家职业技能标准中管工职业的技能要求和培训内容,以便为您的学习和工作提供有益的参考和指导。
随着科技的不断发展和建筑行业的日益增长,管工的职业技能要求也在不断提升和更新。
2021版国家职业技能标准中管工的技能要求不仅注重传统的管道安装、检修和维护技能,还需要具备更多的新技术应用和环保意识。
在这样的背景下,管工需要不断学习和提升自己的技能水平,以适应建筑行业的需求和发展。
根据2021版国家职业技能标准,管工需要具备更多的安全意识和技能。
建筑工地是一个相对危险的环境,管工在日常工作中需要严格遵守安全操作规定,保障自己和他人的生命安全。
对于管道安装和维护过程中的安全风险,管工需要具备预防和处理的技能,以确保工程施工过程中的安全性。
管工国家职业标准
1. 职业概况
1.1 职业名称
管工。
1.2 职业定义
操作专用机械设备,进行金属及非金属管子加工和管路安装、调试、维护与修理的人员。
1.3 职业等级
本职业共设五个等级,分别为:初级(国家职业资格五级)、中级(国家职业资格四级)、高级(国家职业资格三级)、技师(国家职业资格二级)、高级技师(国家职业资格一级)。
1.4 职业环境
室内,室外,常温。
1.5 职业能力特征
具有一定的学习能力,较强的空间感和计算能力,准确的分析、推理、判断能力,手指、手臂灵活。
1.6 基本文化程度
初中毕业。
1.7 培训要求
1.7.1 培训期限
全日制职业学校教育,根据其培养目标和教学计划确定。
晋级培训期限:初级不少于180标准学时;中级不少于200标准学时;高级不少于250标准学时;技师不少于210标准学时;高级技师不少于210标准学时。
1.7.2 培训教师
培训初、中级的教师应具有本职业高级以上职业资格证书;培训高级的教师应具有本职业技师以上职业资格证书或相关专业中级专业技术职务任职资格;培训技师的教师应具有本职业高级技师职业资格证书2年以上或相关专业中级专业技术职务任职资格;培训高级技师的教师应具有本职业高级技师职业资格证书3年以上或相关专业高级专业技术职务任职资格。
1.7.3 培训场地设备
标准教室及具有必要设备的技能训练场所。
1.8 鉴定要求
1.8.1 适用对象从事或准备从事本职业的人员。
1.8.2 申报条件
——初级(具备以下条件之一者)
(1)经本职业初级正规培训达规定标准学时数,并取得毕(结)业证书。
(2)连续从事本职业工作2年以上。
(3)从事本职业学徒期满。
——中级(具备以下条件之一者)
(1)取得本职业初级职业资格证书后,连续从事本职业工作2年以上,经本职业中级正规培训达规定标准学时数,并取得毕(结)业证书。
(2)取得本职业初级职业资格证书后,连续从事本职业工作3年以上。
(3)连续从事本职业工作6年以上。
(4)取得经劳动保障行政部门审核认定的、以中级技能为培养目标的中等以上职业学校本职业(专业)毕业证书。
——高级(具备以下条件之一者)
(1)取得本职业中级职业资格证书后,连续从事本职业工作3年以上,经本职业高级正规培训达规定标准学时数,并取得毕(结)业证书。
(2)取得本职业中级职业资格证书后,连续从事本职业工作4年以上。
(3)取得高级技工学校或经劳动保障行政部门审核认定的、以高级技能为培养目标的高等职业学校本职业(专业)毕业证书。
——技师(具备以下条件之一者)
(1)取得本职业高级职业资格证书后,连续从事本职业工作3年以上,经本职业技师正规培训达规定标准学时数,并取得毕(结)业证书。
(2)取得本职业高级职业资格证书后,连续从事本职业工作4年以上。
(3)取得本职业高级职业资格证书的高级技工学校毕业生,连续从事本职业工作3年以上。
——高级技师(具备以下条件之一者)
(1)取得本职业技师职业资格证书后,连续从事本职业工作5年以上,经本职业高级技师正规培训达规定标准学时数,并取得毕(结)业证书。
(2)取得本职业技师职业资格证书后,连续从事本职业工作5年以上。
1.8.3 鉴定方式
分为理论知识考试和技能操作考核。
理论知识考试采用闭卷笔试方式;技能操作考核采用实际操作方式。
理论知识考试和技能操作考核均实行百分制,成绩皆达60分以上者为合格。
技师、高级技师还须进行综合评审。
1.8.4 考评人员与考生配比
理论知识考试考评人员与考生配比为1:20,每个标准教室不少于2名考评人员;技能操作考核考评员与考生的配比为l:5,且不少于3名考评员。
1.8.5 鉴定时间
理论知识考试时间为 120 min,技能操作考核时间不少于 240 min。
1.8.6 鉴定场所设备
理论知识考试场所为标准教室;技能操作考核场所应为具备满足鉴定需要的工具和设备的场所。
2. 基本要求
2.1 职业道德
2.1.1 职业道德基本知识
2.1.2 职业守则
(1)热爱工作,忠于职守。
(2)遵章守纪,团结互助。
(3)勤俭节约,关心企业。
(4)钻研技术,勇于创新。
2.2 基础知识。
2.2.1 管工基本常识
2.2.2 管道识图基础知识
2.2.3 常用管材及管件知识
2.2.4 常用阀门及附件知识
2.2.5 常用工具和机具知识
2.2.6 管道安装基本技术
2.2.7 管道敷设与安装要求
2.2.8 建筑给、排水管道系统
2.2.9 采暖管道系统知识
2.2.10 相关工种常识
2.2.11 管工安全操作规程
2.2.12 相关法律、法规知识
(1)劳动法的相关知识。
(2)消防法的相关知识。
(3)环境保护法的相关知识。
(4)质量验收标准的相关知识。
3. 工作要求
本标准对初级、中级、高级、技师、高级技师的技能要求依次递进,高级别包括低级别的要
求。
3.1 初级
3.2 中级
3.4 技师
4. 比重表4.1 理论知识
4.2 技能操作。