实验三 类与对象
- 格式:pdf
- 大小:70.06 KB
- 文档页数:3
实验三类与对象实验目的●掌握类和对象的概念、定义和访问方法●掌握不同类型成员的访问限制●掌握构造函数和析构函数的使用方法实验示例[例3-1] 运用面向对象程序设计方法编写一个程序,计算两个给定长方形的面积,其类中设计一个用于计算两个长方形的总面积成员函数。
解题思路:设计一个类Rect,包含数据成员len(表示长度)、wid(表示宽度),以及求面积的公有成员函数area()、求两个长方形的总面积成员函数addarea(),并设计两个重载的构造函数。
实现步骤:1.新建Win32 Console Application程序项目2.在文件编辑区窗口编写如下程序代码:#include <>#include <>class Rect{float len,wid;public:Rect(){ }; // 判断今天是否为某雇员的生日、、、、、、、、、、、、、、、、、、、、、、、、、、、、、、、、、、、、、、、、、、、、、、、、、、、、、、、、、、、、、、、、、、、、、、、、、、、、、、、、、、、、、、、、、、、、、、、、、、、、、、、、、、、、、、、、、、、、、、、、、、、、、、、、、、、、、、、、、、、、、、、、、、、、、、、、、、#include<>class Date{public:void getdate() // 输出日期,格式:"2000年1月1日"{cout<<y<<"年"<<m<<"月"<<d<<"日";}int getyear() // 返回年份{return y;}int getmonth() // 返回月份{return m;}int getday() // 返回日期{return d;}void setdate(int y1, int m1, int d1) // 设置日期{y=y1;m=m1;d=d1;}private:int y,m,d;};class employee{char name[10];int num;Date birth;public:void set(char a[10],int b){name[10]=a[10];num=b;}void Birth(int y2,int m2,int d2){(y2,m2,d2);}void show(){cout<<"编号为"<<num<<"的雇员生日为";();cout<<endl;}int isBirth(Date a,employee b) // 判断今天是否为某雇员的生日{int mn,my,dn,dy;mn=();my= dn=();dy= if(mn==my&&dn==dy)return 1;elsereturn 0;}};int main(){Date today;(2014,3,27);employee f;("Anna",1);(1992,8,19);();cout<<"今天是";();cout<<endl;if(today,f))cout<<"今天是该雇员的生日。
Java实验三实验报告1一、实验目的本次 Java 实验的主要目的是深入理解和掌握 Java 中的面向对象编程概念,通过实际的编程实践,提高对类、对象、继承、多态等特性的运用能力,同时培养良好的编程习惯和代码规范。
二、实验环境1、操作系统:Windows 102、开发工具:Eclipse IDE for Java Developers三、实验内容1、设计一个名为`Shape` 的抽象类,其中包含一个抽象方法`calculateArea()`用于计算图形的面积。
2、分别创建`Circle`(圆形)、`Rectangle`(矩形)和`Triangle`(三角形)类继承自`Shape` 类,并实现各自的`calculateArea()`方法来计算具体图形的面积。
3、创建一个测试类`TestShapes`,在其中创建不同图形的对象,并调用其计算面积的方法,输出结果。
四、实验步骤1、创建`Shape` 抽象类```javaabstract class Shape {abstract double calculateArea();}```2、创建`Circle` 类继承自`Shape` 类```javaclass Circle extends Shape {private double radius;public Circle(double radius) {thisradius = radius;}@Overridedouble calculateArea(){return MathPI radius radius;}}```3、创建`Rectangle` 类继承自`Shape` 类```javaclass Rectangle extends Shape {private double length;private double width;public Rectangle(double length, double width) {thislength = length;thiswidth = width;}@Overridedouble calculateArea(){return length width;}}```4、创建`Triangle` 类继承自`Shape` 类```javaclass Triangle extends Shape {private double base;private double height;public Triangle(double base, double height) {thisbase = base;thisheight = height;}@Overridedouble calculateArea(){return 05 base height;}}```5、创建测试类`TestShapes````javapublic class TestShapes {public static void main(String args) {Circle circle = new Circle(50);Rectangle rectangle = new Rectangle(40, 60);Triangle triangle = new Triangle(30, 80);Systemoutprintln("圆形的面积:"+ circlecalculateArea());Systemoutprintln("矩形的面积:"+ rectanglecalculateArea());Systemoutprintln("三角形的面积:"+trianglecalculateArea());}}```五、实验结果运行测试类`TestShapes` 后,输出结果如下:```圆形的面积:78539816矩形的面积:240三角形的面积:120```六、实验中遇到的问题及解决方法1、在编写抽象类和子类的代码时,一开始对于抽象方法的定义和实现理解不够清晰,导致代码出现错误。
实验三类与对象专业班级网络1201 学号1218064023 姓名汪枭涵实验学时 2 实验类型验证性实验地点数计学院实验中心实验时间指导老师曹记东实验成绩年月日一、实验目的:理解类与对象的定义,理解封装的含义,掌握数据成员的声明与初始化方法,掌握成员方法的定义、返回值、参数传递的方法。
二、实验内容:用面向对象的思想编写一个简单的计算器,能够实现两个数字的加、减、乘、除运算。
三、实验要求:1.根据需求,用面向对象的方式定义一个计算器类(Calculator);2.由于计算器能对两个数字进行各种运算,所以定义两个成员变量表示两个运算数;3.编写4个成员方法,分别实现加(add)、减(minus)、乘(multiple)、除(divide)四类运算。
4.定义构造函数对成员变量赋初值;5.写出实验报告。
四、实验步骤与结果:(由学生按照实验内容完成)public class Calculator {public static double add(double num1, double num2){return num1 + num2;}public static double minus(double num1, double num2){return num1 - num2;}public static double multiple(double num1, double num2){return num1 * num2;}public static double divide(double num1, double num2){if(num2 != 0){return num1/num2;}return -1;//除数为0,错误}public static void main(String args[]){System.out.println("加法:15 + 5 = " + add(15, 5));System.out.println("减法:15 + 5 = " + minus(15, 5));System.out.println("乘法:15 + 5 = " + multiple(15, 5));System.out.println("除法:15 + 5 = " + divide(15, 5));}}实验结果:总结:通过本次实验,了解了java的开发环境,掌握了NetBeans的使用方法,同时对一些简单的基本JA V A语言的有了进一步的了解和掌握,对JA V A的一些基本语法也明白的很多,但是因为一开始在语法上存在一定的应用缺陷所以导致在实验的过程遇到了一些问题,最终通过和同学的讨论顺利解决了问题。
个人收集整理-ZQ课程名称面向对象程序设计实验项目名称类与对象基础实验(三)学生姓名专业班级学号一. 实验目地和要求.掌握大数处理与类.掌握时间处理类与类、类.掌握异常处理与类二. 实验内容. 编程实现:大整数地数值计算. 编程实现:用大整数求阶乘之和. 编程实现:计算两个日期地天数之差. 编程实现:计算生日信息. 编程实现:数字转换地异常处理三. 实验结果与分析(可将程序运行结果截屏,也可分析运行结果). 编程实现:大整数地数值计算.编写一个应用程序,计算两个大整数地和、差、积和商,并计算一个大整数地因子个数.(部分源码参考讲义)文档来自于网络搜索请分析并回答以下问题:程序源码如下:请将运行结果截图:请比较和地主要区别,并简要说明地主要用途.答:. 编程实现:用大整数求阶乘之和.编写一个应用程序,用计算!…!.要求地值从键盘输入.文档来自于网络搜索请分析并回答以下问题:程序源码如下:请将运行结果截图:. 编程实现:计算两个日期地天数之差.编写应用程序,来计算任意两个日期地天数之差.要求:两个日期用字符串形式输入(比如输入“”表示年月日),需要将日期字符串地年、月、日分别转换为数字形式.文档来自于网络搜索程序源码如下:请将运行结果截图:. 编程实现:生日信息.编写应用程序,计算你地生日还有多少天,你地生日是星期几. 程序源码如下:请将运行结果截图:. 编程实现:数字转换地异常处理.输入两个数,计算两个数想除地结果(考虑除数为地异常情况).程序源码如下:请将运行结果截图:四. 讨论、心得(可写遇到地问题及解决方法,或者对技术地理解等)1 / 1。
上海理工大学光电信息与计算机工程学院《面向对象程序设计实验》实验报告专业姓名学号年级指导教师成绩:教师签字:目录实验一面向对象开发环境C++基础实验二C++语言进阶实验三面向对象高级特性实验成绩细化表实验一面向对象开发环境基础一、实验目的(1)了解C++的开发环境,学会独立使用该系统。
(2)了解在该系统上如何编辑、编译、连接和运行一个C++程序。
(3)通过运行简单的C++程序,初步了解C++源程序的基本组成。
.(4)掌握C++中基本数据类型。
(5)掌握C++中各种运算符的作用、优先级和结合性,能熟练运用各种表达式。
(6)掌握不同数据类型的输入输出。
(7)掌握简单的语法错误的查找和改正方法。
二、实验设备PC机,操作系统Windows 8,开发环境Visual Studio 2010三、实验原理配套教材实验一、实验二四、实验源程序//2-35#include <iostream>#include <iomanip>using namespace std;int main(){int x,y,ans;for(x=1;x<10;x++){for(y=1;y<10;y++){ans=x*y;cout<<x<<"*"<<y<<"="<<setw(2)<<ans<<"";}cout<<endl;}system("pause");return 0;}五、自评良好实验二C++语言进阶一、实验目的(1)熟练掌握if语句、switch语句、for语句、while及do-while语句(2)掌握转移控制语句(3)理解编译预处理(4)掌握函数的定义和调用(5)掌握数组的定义和使用(6)掌握结构和枚举类型的定义方法和使用(7)掌握指针的使用方法及应用(8)掌握指针与数组(9)掌握指针传递和引用传递二、实验设备PC机,操作系统Windows 8,开发环境Visual Studio 2010三、实验原理配套教材实验三、实验五、实验六四、实验源程序//3-2#include<iostream>#include<stdlib.h>using namespace std;int Max1(int a,int b){if(a>b)return(a);elsereturn(b);}int Max1(int a, int b,int c){if(a>b){if(a>c)return(a);}else{if(b>c)return(b);elsereturn(c);}}double Max1(double x,double y){if(x>y)return(x);elsereturn(y);}double Max1(double x,double y,double z) {if(x>y){if(x>z)return(x);}else{if(y>z)return(y);elsereturn(z);}}int main(){int a,b,c;double x,y,z;cout<<"请输入两个整数:";cin>>a>>b;cout<<"最大值为:"<<Max1(a,b)<<endl; cout<<"请输入三个整数:";cin>>a>>b>>c;cout<<"最大值为:"<<Max1(a,b,c)<<endl; cout<<"请输入两个双精度数:";cin>>x>>y;cout<<"最大值为:"<<Max1(x,y)<<endl; cout<<"请输入三个双精度数:";cin>>x>>y>>z;cout<<"最大值为:"<<Max1(x,y,z)<<endl;system("pause");return 0;}//5-14#include<iostream>usingnamespace std;class Boat;class Car{private:int weight;public:Car(int j){ weight=j;}friendint getTotalWeight(Car &aCar,Boat &aBoat);};class Boat{private:int weight;public:Boat(int j){ weight=j;}friendint getTotalWeight(Car &aCar,Boat &aBoat);};int getTotalWeight(Car &aCar,Boat &aBoat){ return aCar.weight+aBoat.weight;}int main(){Car c(10);Boat b(7);cout<<"The total weight is : "<<getTotalWeight(c,b)<<endl; system("pause");return 0;}//6-6#include<iostream>#include<string>usingnamespace std;class Employee{private:char name[30];char stree[30];char city[30];char zip[6];public:Employee();void change_name();void display();};Employee::Employee(){strcpy(name,"lianmeng");strcpy(stree,"piamganjie3hao");strcpy(city,"shanghai");strcpy(zip,"900000");}void Employee::change_name(){cout<<"Enter a name:";cin>>name;}void Employee::display(){cout<<"\n"<<name<<"\t"<<stree<<"\t"<<city<<"\t"<<zip<<"\t"; }int main(){int i;Employee *p=new Employee[5];for(i=0;i<5;i++){p[i].display();}for(i=0;i<5;i++){cout<<"\nnumber"<<i+1<<" : "<<endl;p[i].change_name();}for(i=0;i<5;i++){ p[i].display(); }delete p;system("pause");return 0;}五、自评良好实验三面向对象高级特性一、实验目的(1)掌握类与对象的定义(2)掌握对象成员的访问、构造函数和析构函数(3)理解基类和派生类(4)掌握单一继承和多重继承的定义和使用方法(5)掌握运算符重载程序的编写(6)掌握虚函数的编写和使用(7)掌握流类库与输入/输出;异常处理二、实验设备PC机,操作系统Windows 8,开发环境Visual Studio 2010 三、实验原理配套教材实验四、七、八、十一四、实验源程序//4-8#include<iostream>usingnamespace std;class Dog{public:Dog(int nage=0,int nweight=0){age=nage;weight=nweight;}Dog(Dog &d);inlinevoid showstatus();void setstatus();private:int age,weight;};Dog::Dog(Dog &d){age=d.age;weight=d.weight;}inlinevoid Dog::showstatus(){cout<<"His status is:"<<endl<<"age:"<<age<<"\tweight:"<<weight<<"kg"<<endl; }void Dog::setstatus(){int na,nw;cout<<"Please set age and weight:";cin>>na>>nw;age=na;weight=nw;}int main(){Dog Zangming(19,60);cout<<"Here is a dong Zangming!!"<<endl;Zangming.showstatus();cout<<"Please reset his status!"<<endl;Zangming.setstatus();cout<<"\n\nNow:"<<endl;Zangming.showstatus();system("pause");}//7-6#include<iostream>usingnamespace std;class Mammal{public:Mammal(int a,int w):age(a),weight(w){cout<<"Mammal Constructor called..."<<endl;}~Mammal(){cout<<"Mammal Destructor called..."<<endl;}private:int age;int weight;};class Dog:public Mammal{public:Dog(int a,int w):Mammal(a,w){cout<<"Dog Constructor called..."<<endl;}~Dog(){cout<<"Dog Destructor called..."<<endl;}};int main(){{cout<<"Constructing a Mammal..."<<endl;Mammal mammal(8,12);cout<<endl<<"Constructing a Dog..."<<endl;Dog dog(3,9);cout<<endl<<"Destructing......"<<endl;}system("pause");return 0;}//8-5#include<iostream>usingnamespace std;class Mammal{public:Mammal(){cout<<"Mammal Constructor..."<<endl;} ~Mammal(){cout<<"Mammal Destructor..."<<endl;} virtualvoid speak()=0;};class Dog:public Mammal{public:Dog(){cout<<"Dog Constructor..."<<endl;}~Dog(){cout<<"Dog Destructor..."<<endl;}virtualvoid speak();};void Dog::speak(){cout<<"Dog's sound...."<<endl;}int main(){Dog *pdog=new Dog;pdog->speak();delete pdog;system("pause");return 0;}//11-5#include<fstream>#include<iostream>usingnamespace std;int main(){ofstream file1("test.txt",ios::app);file1<<"已成功添加字符!";file1.close();char ch;ifstream file2("test.txt");while(file2.get(ch))cout<<ch;file2.close();system("pause");return 0;}五、自评良好实验成绩细化表。
java类与对象实验报告Java类与对象实验报告一、引言Java是一种面向对象的编程语言,类和对象是Java编程的基本概念。
在本次实验中,我们将学习和掌握Java类和对象的概念、定义和使用方法,并通过实际的编程实验来加深对这些概念的理解。
二、实验目的1. 理解Java类和对象的概念;2. 学会定义和使用Java类;3. 掌握创建和操作Java对象的方法;4. 熟悉Java类和对象的相关语法和规范。
三、实验过程1. 类的定义在Java中,类是对象的模板,用于描述对象的属性和行为。
我们首先需要定义一个类,以便创建对象。
类的定义包括类名、属性和方法。
属性即对象的特征,方法即对象的行为。
2. 对象的创建通过使用关键字"new",我们可以创建一个类的对象。
对象是类的实例化,每个对象都有自己的属性和方法。
3. 对象的属性和方法对象的属性和方法可以通过对象名加点操作符来访问。
属性可以是基本类型或其他类的对象,方法可以是对象的行为或功能。
4. 构造方法构造方法是一种特殊的方法,用于创建对象时进行初始化操作。
构造方法的名称必须与类名相同,没有返回类型,可以有参数。
5. 封装性封装性是面向对象编程的重要特性之一,它将数据和方法封装在类中,对外部隐藏内部实现细节。
通过使用访问修饰符(private, public, protected)来控制属性和方法的访问权限。
6. 继承继承是面向对象编程的另一个重要特性,它允许我们创建一个新类,并从现有类中继承属性和方法。
通过使用关键字"extends"来实现继承。
7. 多态性多态性是面向对象编程的核心概念之一,它允许我们使用一个父类类型的引用来引用子类的对象。
通过方法的重写和重载来实现多态性。
四、实验结果通过本次实验,我们成功定义了一个Java类,并创建了多个对象。
我们可以通过对象名来访问对象的属性和方法,并对其进行操作。
我们还学习了构造方法的使用,以及封装性、继承和多态性的相关概念。
一、实验目的在本次C++程序设计实验中,主要目的是通过对类和对象的学习和掌握,进一步加深对C++程序设计语言的理解和应用。
通过具体的实验操作,提高学生的编程能力和解决问题的能力,培养学生的动手能力和团队协作精神。
二、实验内容1. 掌握类的概念和基本语法,包括类的定义、成员变量、成员函数等;2. 熟悉对象的概念和使用方法,了解对象的初始化和销毁;3. 学习类的继承和派生的知识,掌握继承与派生的语法和使用;4. 能够独立编写包含类和对象的程序,实现各种功能;5. 通过实践项目,提高自己的编程水平,锻炼解决问题的能力。
三、实验过程在实验过程中,首先我们需要了解类和对象的概念,理解类的定义和对象的创建方法。
编写简单的程序进行练习,例如创建一个包含学生信息的类,并实例化对象,调用成员函数来输出学生信息。
也需要深入学习类的继承和派生的知识,理解基类和派生类的关系,掌握虚函数的概念和使用方法。
在实验中,我们编写了多个实例程序来练习类的继承和派生,加深了对这一知识点的理解。
在实验过程中,我们还遇到了一些问题,例如在使用多重继承时需要特别注意类的构造和析构顺序,以及在使用虚函数时需要注意动态绑定的原理等。
通过解决这些问题,我们不断提高了自己的编程水平,加深了对C++语言的理解。
四、实验总结通过本次实验,我们深刻理解了类和对象的概念,掌握了类的定义和对象的创建方法。
在实验中,我们编写了多个功能丰富的程序,包括学生信息管理系统、图形类的继承等。
这些程序不仅巩固了所学的知识,也让我们感受到了编程的乐趣。
通过与同学的讨论和交流,我们也学到了很多新的知识和技巧。
本次实验对我们的帮助很大,让我们更深入地理解了C++程序设计语言,提高了我们的编程水平。
希望在以后的学习和实践中,能够进一步加深对类和对象的理解,不断提高自己的编程能力。
在本次的C++程序设计实验中,我们深入学习了类和对象的概念,并通过实际的编程练习加深了对C++程序设计语言的理解和应用。
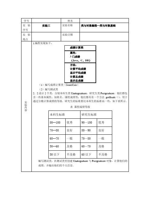
实验三类与对象实验三类与对象1、实验目的1)使用类来封装对象的属性和功能。
2)掌握类变量与实例变量,以及雷方法与实例方法的区别。
3)掌握使用package和import语句。
2、实验内容1)编写一个Java应用程序,该程序中有3各类:Trangle、Lader和Circle,分别用来刻画“三角形”、“梯形”和“圆形”。
具体要求如下:●Trangle类具有类型为double的三个边,以及周长、面积属性,Trangle类具有返回周长、面积以及修改三个边的功能。
另外,Trangle类还具有一个boolean型的属性,该属性用来判断三个数能否构成一个三角形。
●Lader类具有类型为double的上底、下底、高、面积属性,具有返回面积的功能。
●Circle类具有类型为double的半径、周长和面积属性,具有返回周长、面积的功能。
程序模板:AreaAndLength.java请按模板要求,将【代码】提换为Java程序代码。
class Trangle{double sideA,sideB,sideC,area,length;boolean boo;public Trangle(double a, double b, double c){【代码1】//参数a、b、c分别赋值给sideA、sideB、sideC if(【代码2】)//a、b、c构成三角形的条件表达式{ 【代码3】//给boo赋值}else{ 【代码4】//给boo赋值}}double getLength(){ 【代码5】//方法体,要求计算出length的值并返回}public double getArea(){if(boo){double p = (sideA + sideB + sideC) / 2.0;area = Math.sqrt(p * (p – sideA) * (p – sideB) * (p – sideC)); return area;}else{System.out.println(“不是一个三角形,不能计算面积”); return 0;}}public void setABC(double a, double b, double c){【代码6】//参数a、b、c分别赋值给sideA、sideB、sideC if(【代码7】)//a、b、c构成三角形的条件表达式{ 【代码8】//给boo赋值}else{【代码9】//给boo赋值}}}class Lader{double above,bottom,height,area;Lader(double a,double b,double h){ 【代码10】//方法体,将参数a、b、c分别赋值给above、bottom、height }double getArea(){ 【代码11】//方法体,要求计算出area并返回}}class Circle{double radius,area;Circle(double r){ 【代码12】//方法体}double getArea(){ 【代码13】//方法体,要求计算出area并返回}double getLength(){ 【代码14】//getArea方法体的代码,要求计算出length并返回}void setRadius(double newRadius){ radius = newRadius;}}public class AreaAndLength{public static void main(String args[]){double length,area;Circle circle = null;Trangle trangle;Lader lader;【代码15】//创建对象circle【代码16】//创建对象trangle【代码17】//创建对象lader【代码18】//调用Circle方法返回周长并赋值给lengthSystem.out.println(“圆的周长:”+length);【代码19】//调用Circle方法返回面积并赋值给areaSystem.out.println(“圆的面积”+area);【代码20】//调用Trangle方法返回周长并赋值给lengthSystem.out.println(“三角形的周长:”+length);【代码21】//调用Trangle方法返回面积并赋值给areaSystem.out.println(“三角形的面积:“+area);【代码22】//调用Lader方法返回面积并赋值给area;System.out.println(“梯形的面积:”+area);【代码23】//调用Trangle方法设置三个边,要求将三个边修改为12,34,15【代码24】//调用Trangle方法返回面积并赋值给areaSystem.out.println(“三角形的面积:”+area);【代码25】//调用Trangle方法返回周长并赋值给lengthSystem.out.println(“三角形的周长:”+length);}}实验后的练习(1)程序中仅仅省略【代码15】,编译能通过吗?(2)程序中仅仅省略【代码16】,编译能通过吗?(3)程序中仅仅省略【代码15】,运行时出现怎样的异常提示?(4)给Trangle类增加3个方法,分别用来返回3个边:sideA、sideB和sideC(5)让AreaAndLength类中的Circle对象调用方法修改半径,然后输出修改后的半径以及修改半径后的圆的面积和周长。
实验三类与对象(一)一、【实验目的】1、掌握类和对象的定义,并能通过对象调用成员函数完成简单的程序设计2、初步掌握用类和对象编制基于对象的程序。
二、【实验要求】1.硬件基本配置:Intel PentiumIII以上级别的CPU,大于64MB的内存。
2.软件要求:Window 2000操作系统,Visual Studio 6.0或更高版本开发环境。
3.实验学时:2学时4.实现实验内容中的题目。
5.写实验报告三【实验内容】1.1 一圆形游泳池如图所示,现在需在其周围建一圆形过道,并在其四周围上栅栏。
栅栏造价为$35/m,过道造价为$20/m2。
过道宽度为3m,现在给出游泳池半径要求编程计算并栅栏和过道的造价。
(圆周率PI定义为3.14159);另外,对于题目中涉及的“圆”,请使用“类”实现,现规定如下:{public:double Set(double s);// Circle(double s);double Circumference( ) const;double Area( ) const;private:double r;};【输入】输入由键盘输入,共1行,这一行有一个实数r,代表给定的游泳池半径。
【输出】输出共2行cout << "Fencing(栅栏)Cost is $" << FenceCost << endl;cout << "Concrete (过道)Cost is $" << ConcreteCost << endl;【样例输入】5【样例输出】Fencing Cost is $1759.29Concrete Cost is $2450.441.2设计一个做加减乘除基本运算的类,实现在主函数中输入要计算的两个数,通过菜单的形式选择做加减乘除运算后,计算输出相应的计算结果。
实验三类图与状态图的设计【实验目的】掌握在Visio下类图和状态图的设计。
【实验要求】1.通过网上选课系统学习识别类的方法。
2.通过网上选课系统学习识别类之间关系的方法。
3.学习使用Visio绘制类图。
4.通过网上选课系统学习识别对象状态的方法。
5.通过网上选课系统理解对象状态的转换。
6.学习使用Visio绘制状态图。
【实验步骤】一.识别类1.通过实验二中用例图的设计,我们找到了四个参与者:管理员Registrar,学生Student,学生和管理员的父类People,数据库Database。
这些参与者都可以作为类图中的类。
2.识别选课系统中其他的类。
在选课系统中,还能找出哪些类?这些类有哪些属性和操作?二.绘制类图1.绘制类在“模型资源管理器”中,双击“分析模型”中“顶层包”下的静态结构图,此时在绘图区中显示的则是此静态结构图。
按照实验一中给出的方法绘制这四个类,包括这些类的属性和操作。
2.绘制类之间的关系确定类之间是否有关系以及有什么关系。
如果存在“关联”关系,则将“形状”窗口中“UML静态结构”标签页中的“二元关联”图标拖到绘图区,来连接两个类;如果存在“泛化”关系,则将“UML静态结构”标签页中的“泛化”图标拖到绘图区,来连接类;如果存在“聚集”或“组成”关系,则将“UML 静态结构”标签页中的“复合”图标拖到绘图区,来连接类;如果存在“依赖”关系,则将“UML静态结构”标签页中的“依赖关系”图标拖到绘图区,来连接类。
在绘图区中双击这些关系图标,可以打开它们的属性对话框来修改属性。
具体操作可参考实验一。
三.识别课程类(对象)的状态我们考察一个课程类(对象)(Course)的状态变化过程。
课程对象被创建、添加到数据库中。
管理员可以删除、修改课程信息,在某个学期,开设该课程,如果选修人数超过指定人数,就不再允许学生选这门课程。
学期结束,课程的状态终止。
通过上述需求描述,我们能够识别出课程类(对象)的哪些状态?四.绘制状态图1.在“模型资源管理器”的“分析模型”中,右击“课程”类,选择“新建”|“状态图”,这时会新建一个名为“状态图-1”的空白状态图,右击新建的空白状态图节点,选择“重命名”,可对状态图重新命名。
实验要求:对大纲中列出的四个实验要求:1.以面向对象的程序设计思想编程。
2.熟悉面向对象程序设计语言VC++编程环境。
3.在计算机上快速完成程序编写、调试、运行。
分别写出实验报告(三页以上),要求详尽描述根据实验内容要求,自己设计的上机编程源程序和结果,包括关键性截图。
完成实验报告和上交源程序。
备注:1.《计算机应用技术》(专)、《计算机应用基础》(专)、高级语言程序设计(一)(专)要求学生进行上机操作,保留上机操作原程序,每门课程每个学生形成一个文件夹,文件夹以学生准考证号+姓名命名,最后试点院校汇总,刻录光盘上交主考院校;2.《口语》(专)、《口译与听力》(本)要求考生进行现场练习,由试点院校教师录制相关材料,每门课程每个学生形成一个文件夹,文件夹以学生准考证号+姓名命名,最后试点院校汇总,刻录光盘上交主考院校;A45.按照系统成绩单的顺序将上报的学习过程评价成绩材料排序并打捆;6.实践课程考核评估记录表》也需按照成绩单顺序排序,单独上报;7.有平时作业或测试试卷等可放入本人上报的材料中一并打捆上交。
交实验报告时间:10月8日假期后第一天上课,务必把按照要求书写完成,并装订好的实验报告交给我,一定!一定!切记不要耽误!实验一:简单类与对象一、实验目的1、熟悉VC++的编程环境,掌握VC++ 的调试方法。
2、掌握简单的类与对象的定义。
二、实验内容用类定义,输入半径和高,输出圆柱体的底面积和体积。
三、实验要求1、硬件设备:奔腾Ⅱ及以上计算机,局域网。
2、软件环境:WINDOWS XP、VC++。
3、实验课前预习,课后及时完成实验报告。
4、实验过程及记录按题目格式要求填写在代码清单中。
四、代码清单或实验步骤#include<iostream>using namespace std;const float PI=;class Cylinder{private:f loat radius;f loat high;public:C ylinder(){}C ylinder(float r,float h){r adius=r;h igh=h;}v oid setradius(float r){r adius=r;}v oid sethigh(float h){h igh=h;}f loat bottomarea(){r eturn PI*radius*radius;}f loat volumn(){return bottomarea()*high;}};void main(){float r,h;Cylinder onecylinder;cout<<"请输入半径:";cin>>r;cout<<"请输入高:";cin>>h;(r);(h);cout<<"底面积为:"<<()<<endl;cout<<"体积为:"<<()<<endl;}五、实验中出现的问题及解决的方法1、数据类型的兼容问题程序代码:const float PI=;提示将double类型强制赋给float类型的警告解决方法:const float PI=;六、讨论或体会或改进实验的建议这个实验比较简单,较容易的实现了。
实验三类与对象1.实验目的1.掌握类的定义和使用2.掌握类的定义和对象的声明3.复习具有不同访问属性的成员的访问方式4.观察构造函数和析构函数的执行过程5.学习类的组合使用方法6.使用VC++的debug调试功能观察程序流程,跟踪观察类的构造函数、析构函数、成员函数的执行顺序。
2.实验要求1.定义一个CPU类,包含等级(rank)、频率(frequency)、电压(voltage)等属性,有两个公有成员函数run、stop。
其中,rank为枚举类型CPU_Rank,定义为enum CPU_Rank{P1=1,P2,P3,P4,P5,P6,P7},frequency为单位是MHz的整型数,voltage为浮点型的电压值。
观察构造函数和析构函数的调用顺序。
2.定义一个简单的Computer类,有数据成员芯片(cpu)、内存(ram)、光驱(cdrom)等等,有两个公有成员函数run、stop。
cpu为CPU类的一个对象,ram为RAM类的一个对象,cdrom为CDROM类的一个对象,定义并实现这个类。
3. (选做)设计一个用于人事管理的People(人员)类。
考虑到通用性这里只抽象出所有类型人员都具有的属性:number(编号)、sex(性别)、birthday(出生日期)、id(身份证号)等等。
其中“出生日期”定义为一个“日期”类内嵌子对象。
用成员函数实现对人员信息的录入和显示。
要求包括:构造函数和析构函数、拷贝构造函数、内联成员函数、组合。
3.实验内容1.首先定义枚举类型CPU_Rank,例如enum CPU_Rank{P1=1, P2, P3, P4, P5, P6, P7},再定义CPU类,包含等级(rank)、频率(frequency)、电压(voltage)等私有数据成员,定义成员函数run、stop,用来输出提示信息,在构造函数和析构函数中也可以输出提示信息。
在主程序中定义一个CPU的对象,调用其成员函数,观察类对象的构造与析构顺序,以及成员函数的调用。
实验报告三实验三、对象和类〔一〕1.实验目的〔1〕结合面向对象思想掌握类的定义以及类中成员的定义,学会设计自己的类。
〔2〕掌握方法重载、尤其是构造方法的重载,深入理解构造函数的作用与调用时机。
附录2packagech3; publicclassPassValueTest{ privateinti=-100;〔3〕理解this关键字同static关键字的意义,掌握成员变量的具体隐藏实现。
〔4〕理解对象同对象引用间的区别,掌握创立对象与调用对象成员的方法,以及对象作为参数与根本数据类型变量做参数的区别。
publicvoidtest1(intb){b=100;2.实验内容和步骤}上机输入程序并调试运行程序。
编译并运行附件1和附件附录12,观察结果分析其原因。
publicvoidtest2(PassValueTestb){=100;packagech3;}publicclassClassLoadTest{static{System.out.println("classloding");publicvoidtest3(PassValueTestb){b=this;}publicstaticvoidmain(String[]args){}}}结果:原因:publicstaticvoidmain(String[]args){ PassValueTestobj=newPassValueTest(); inttemp=100;obj.test1(temp);System.out.println(temp);o1.nonstaticmethod();obj.test2(obj); StaticTesto2=newStaticTest();System.out.println(obj.i); o2.nonstaticmethod();}obj.i=100; */PassValueTestnewobj=newPassValueTest();obj.test3(newobj); publicvoidnonstaticmethod(){System.out.println(newobj.i);System.out.println("非静态方法被调用");} }}结果:publicstaticvoidstaticmethod(){原因:System.out.println("静态方法被调用");〔2〕编译附件3,分析结果;将“注释这行〞所在的行注释,再将注释的call2方法去掉注}释,再次编译,观察结果分析其原因。
计算机与信息学院实验报告系软件系专业软件工程年级08级成绩姓名学号实验室T312 机号48实验时间2010年11月1日下午3、4节教师签字实验(三)类和对象一、实验目的和要求1.掌握类的构造函数的重载2.深入理解类和对象3.学习NetBeans中UML项目的创建类并生成相应代码的方法二、实验内容和原理设计一个复数类,能够完成复数之间的基本运算,重写方法toString(),使其能输出此复数(形式为:实部 + 虚部i)。
要求设计的复数类必须有三个构造函数,分别为无参数、1个参数和2个参数的构造函数,完成的基本运算包括两个复数的加、减、乘、除法和共轭复数。
三、实验环境1.硬件环境:2.软件环境:JDK1.5四、算法描述及实验步骤1.算法描述(可以用类图、流程图、伪代码或源程序描述)2.实验步骤●创建一个UML项目,并设计类Complex如下图●创建一个Java应用项目●把UML项目中的Complex自动生成代码到Java应用项目中●实现Complex类中的方法●进行编译●进行测试,使用的测试用例:输入:预期输出:…五、调试过程1.编译过程记录算法实现中发现的语法错误及改正以下代码不能实现预期的结果:应该改成如下代码:2.调试过程记录算法实现中发现的逻辑错误及改正,对每个测试用例,记录实际输出,并与预期输出进行比较,如果不同,分析产生错误的原因并改正。
输入:预期输出:实际输出:分析与预期结果一致。
六、实验结果用与测试用例不同的输入数据运行算法,写出得到的结果,并分析结果是否正确。
第一组输入:第二组输入:第一组输出结果:第二组输出结果:结果分析:两组的输出结果都正确。
七、总结不应该一开始就考虑怎么编写代码,而是应该想好其框架。
注意语法上的错误,而逻辑上的错误在改正上有很大的难度,在这方面要多加交流。
附录:import javax.swing.*;public class Complex {private double realPart;private double imaginaryPart;public Complex(){realPart = Double.parseDouble(JOptionPane.showInputDialog("Please enter the realpart:"));imaginaryPart = Double.parseDouble(JOptionPane.showInputDialog("Please enter the imaginarypart:"));}public Complex(double realPart){this.realPart = realPart;this.imaginaryPart = 0;}public Complex(double realPart,double imaginaryPart){this.realPart = realPart;this.imaginaryPart = imaginaryPart;}public double getRealPart(){return this.realPart;}public void setRealPart(double val){realPart = val;}public double getimaginaryPart(){return this.imaginaryPart;}public void setimaginaryPart(double val){imaginaryPart = val;}public Complex plus(Complex complex){Complex c = new Complex(realPart + complex.realPart,imaginaryPart + complex.imaginaryPart);return c;}public Complex minus(Complex complex){Complex c = new Complex(realPart - complex.realPart,imaginaryPart - complex.imaginaryPart);return c;}public Complex times(Complex complex){Complex c = new Complex(realPart * complex.realPart - imaginaryPart * complex.imaginaryPart,realPart * complex.imaginaryPart + imaginaryPart * complex.realPart);return c;}public Complex divideBy(Complex complex){double t = complex.realPart * complex.realPart + complex.imaginaryPart * complex.imaginaryPart;Complex c = new Complex((realPart * complex.realPart + imaginaryPart * complex.imaginaryPart)/t,(imaginaryPart * complex.realPart - realPart * complex.imaginaryPart) / t);return c;}public Complex conjugate(){Complex c = new Complex(realPart,-imaginaryPart);return c;}public String toString(){String str = "";if(realPart != 0 && imaginaryPart > 0)return str+realPart+"+"+imaginaryPart+"i"+"\n";if(realPart != 0 && imaginaryPart < 0)return str+realPart+imaginaryPart+"i"+"\n";if(realPart == 0 && imaginaryPart != 0){return str+imaginaryPart+"i"+"\n";}if(realPart == 0 && imaginaryPart == 0){System.out.println("重新输入:");}return str+realPart+"\n";}public static void main(String[] args){Complex c1 = new Complex();Complex c2 = new Complex();String output = "两个复数:\n"+c1+"\n"+c2+"\n"+"两个复数相加:\n"+c1.plus(c2)+"两个复数相减:\n"+c1.minus(c2)+"两个复数相乘:\n"+c1.times(c2)+"两个复数相除:\n"+c1.divideBy(c2)+"c1的共厄复数:\n"+c1.conjugate()+"c2的共厄复数:\n"+c2.conjugate(); JOptionPane.showMessageDialog(null,output);}}。