40米预制预应力混凝土T梁张拉计算书(攀大2号梁场)
- 格式:doc
- 大小:67.67 KB
- 文档页数:9
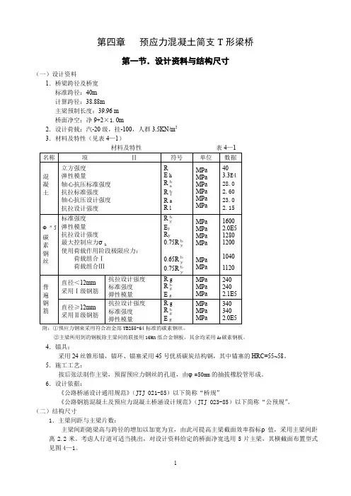
预应力混凝土简支T形梁桥设计计算一. 设计资料及构造布置(一).设计资料1.桥梁跨径反桥宽标准跨径:40m (墩中心距离)主梁全长:39. 96m计算跨径:39. 00m桥面净空:净9m+2X1.0m人行道+2X0. 5m护栏=12m2.设计荷载公路-II级,根据《公路桥涵设计通用规》:均布荷载标准值为q k=10.5X 0.75=8.0kN/m;集中荷载根据线性插应取P『250kN。
计算剪力效应时,上述集中荷载标准值应乘以1.2的系数。
人群载荷标准值为3.0kN/m2,每侧人行柱防撞栏重力作用分别为1. 52kN/m和4. 99kN/m。
3.材料及工艺混凝土:主梁采用C60,栏杆及桥面铺装用C30o预应力钢筋采用《公路钢筋混凝土及预应力混凝土桥涵设计规》(JTG D62-2004)的15.2钢绞线,每束6根,全梁配7束,4t=1860Mpa o普通钢筋直径大于和等于12mm的采用HRB335钢筋,直径小于12nun的均用R235 钢筋。
按后法施工工艺要求制作主梁,采用径70mm,外径77mm的预埋波纹管和夹片锚具。
4.设计依据(1)交通部颁《公路工程技术标准》(JTG B01—2003),简称《标准》(2)交通部颁《公路桥涵设计通用规》(JTG D60-2004),简称《桥规》(3)交通部颁《公路钢筋混凝土及预应力混凝土桥涵设计规》(JTG B62-2004)(4)基本计算数据见下表混凝土的抗压,抗拉标准强度,则:乙=29.6必4,f lk =2. 51 MP a 0(二)横截面布置1.主梁间距与主梁片数主梁间距通常应随梁高与跨径的增大而加宽为经济。
同时加宽翼板对提高主梁截面效率指标很有效,故在许可条件下应适当加宽T梁翼板。
上翼缘宽度一般为1.6〜2. 4m或更宽。
本设计拟取翼板宽为2500mm (考虑桥面宽度)°由于宽度较大,为保证桥梁的整体受力性能,桥面板采用现浇混凝土刚性接头,因此主梁的工作截面有两种:预施应力、运输、吊装阶段的小截面3产1600倾)和运营阶段的大截面(Z?,=2500nim),净-9m+2X1.5m的桥宽选用五片主梁,如下图所示。
40米预应力T梁详细计算书一、设计技术指标及控制条件1、材料弹性模量、钢绞线:钢绞线的标准强度:бk=1860Mpa预应力筋: E p=1.95×105Mpa钢绞线: A p=139mm22、预应力损失参数的取值预应力张拉时,锚具部分的磨阻损失不给予考虑。
从《公路桥涵施工技术规范》附表G-8查得钢绞线与管道壁的摩擦系数u和孔道每米局部偏差对摩擦影响系数k值:取u=0.25 k=0.0015,钢束在锚固时的回缩值按6mm 计算。
3、预应力张拉参数(以一束为例)预应力阶段预应力锚下控制应力:бcom=0.75бkбk=0.75×1860=1395 Mpa4、伸长值计算:理论伸长量△L=P P L/A P E P预应力筋的平均张拉力P p=P【1-e-(kx+μθ)】/(kx+μθ)式中:P P——预应力筋的平均张拉力(N);L——预应力筋的长度(mm);A P——预应力筋的截面面积(mm2);E P——预应力筋的弹性模量(N/mm2);P——预应力筋张拉端的张拉力(N);x——从张拉端至计算截面的孔道长度(m);θ——从张拉端至计算截面曲线孔道部分切线的夹角之和(rad);k——孔道每米局部偏差对摩擦的影响系数,k=0.0015;μ——预应力筋与孔道壁的摩擦系数,u=0.25。
实测伸长量为:△L=△L1+△L2式中:△L1——从初应力至最大张拉应力间的实测伸长值;△L2——初应力σ0时推算的伸长值,采用相邻级的伸长值(如10%σcon→20%σcon张拉力时的实测伸长值);二、预应力钢束的详细计算:现以高家榜大桥右幅第十五中跨第2#40米T梁N1钢束为例计算,两端同时对称、均匀张拉,采用张拉力和引伸量双控,以张拉力为主。
第一段:θ=0根据P p=P【1-e-(kx+μθ)】/(kx+μθ)得:预应力筋的张拉控制应力:P=бk* A y*n=1395*139*8/1000=1551.24KN伸长量的计算预应力P=1551.24-1551.24*10%=1396.12KNP p=P【1-e-(kx+μθ)】/(kx+μθ)=1396.12*【1-e-(0.0015*2.797+0)】/(0.0015*2.797+0)=1396.12*(1-0.9958133)/0.002373=1393.19KN则:两端合力F=1396.12-(1396.12-1393.19)*2=1390.26KN △L =1390.26×103*2.797/1.95×105×106*139*8×10-6=0.0179m 第二段:从张拉端至计算截面曲线孔道部分切线的夹角之和(rad);θ=7°×∏/180=0.122173根据P p=P【1-e-(kx+μθ)】/(kx+μθ)得:预应力筋的张拉控制应力:P=1390.26KNP p=P【1-e-(kx+μθ)】/(kx+μθ)=1390.26*【1-e-(0.0015*7.33+0.25*0.122173)】/0.04153825=1390.26*(1-e-0.04153825)/0.04153825=1361.79KN则:两端合力F=1390.26-(1390.26-1361.79)*2=1333.32KN △L=P P L/A P E P=1333.32×103*7.33/1.95×105×106*139*8×10-6 =0.0451m第三段:θ=0根据P p=P【1-e-(kx+μθ)】/(kx+μθ)得:预应力筋的张拉控制应力:P=1333.32KNP p=P【1-e-(kx+μθ)】/(kx+μθ)=1333.32*【1-e-(0.0015*10.085+0)】/(0.0015*10.085+0)=1333.32*(1-0.750774453)/0.0151275=1323.28KN则:两端合力F=1333.32-(1333.32-1323.28)*2=1313.24KN△L=1313.24×103*10.085/1.95×105×106*139*8×10-6 =0.0611mN1一段伸长量:△L=△L+△L+△L=0.1241(m)=124.1mm 同理,高家榜大桥第十五中跨第2#40米T梁N2、N3、N4预应力筋张拉的计算如上。
40mT梁预应力张拉计算书8、附件8.1 40mT梁预应力张拉计算书8.1.1编制依据1、《新平县大开门至戛洒高速公路两阶段施工图设计》;2、《公路桥涵施工技术规范》(JTJ041-2011);3、《预应力混凝土用钢绞线》(GB/T5224-2003)。
8.1.2材料准备根据设计图纸,该工程所用预应力钢绞线为高强度低松弛7丝捻制的预应力钢绞线,公称直径为15.2mm公称面积为140mm2,标准强度为fpk=1860Mpa,弹性模量Ep=1.95×105,松弛系数为0.3。
8.1.3控制应力及伸长值计算1、张拉控制应力单根锚端张拉控制应力为:δk=0.75fpk=0.75×1860=1395Mpa;单根钢绞线张拉控制力为:P=1395×140/1000=195.3KN,正弯矩钢束主要设计参数如下:40米T梁类别T梁位置钢束编号钢束类型根/束控制拉力KN/束梁体张拉时计算上拱度(mm)边跨(一端简支一端连续)中板N115φS15.22929.514.1N215φS15.22929.5N36φS15.21172边板N116φS15.2312514.1 N216φS15.23125N36φS15.21172中跨(两端连续)中板N113φS15.2253914N213φS15.22539N36φS15.21172边板N115φS15.22929.514N213φS15.22539N36φS15.211722、后张法钢绞线理论伸长值计算公式说明ΔL=⎺pL/ Ap× Ep⎺μθ式中:P--预应力筋张拉端的张拉力,单位:KN。
L--预应力筋长度,单位:mm。
Ep--预应力筋弹性模量,单位:N/mm 2。
Ap--预应力筋截面面积,单位:mm 2。
x —丛张拉端至计算截面的孔道长度,单位:m 。
θ—从张拉端至计算截面曲线孔道部分切线的夹角之和,单位:rad 。
k —孔道每米局部偏差对摩擦的影响系数,取0.0015。
40米T梁预应力张拉作业指导书编制:审核:时间:中铁四局汾柳项目经理部工程部2003年10月1日本标段共有40米预应力空心板梁170片,分别为吆驴沟大桥40片、王家庄沟大桥50片、刘家庄沟大桥50片、张家庄沟大桥30片。
预应力筋采用符合ASTM 416-97a标准的低松弛高强度钢绞线,单根直径15.24mm,面积A=140mm2,标准强度R b y=1860MPa,经实验测定其弹性模量E=2.0×105 MPa。
T型梁的混凝土张拉强度为设计强度的100%,经实验室强度报告认可后,再进行张拉作业。
一、张拉前的准备工作:1、计算钢绞线的理论伸长值:张拉采取张拉控制应力(σcon=0.75×R b y=0.75×1860=1395MPa)与伸长值双控和上拱度校核的方法进行,实际伸长值与理论伸长值误差不大于±6℅,如超出此范围,应查明原因。
2、张拉千斤顶、油压表在施工前进行检查和校验,张拉千斤顶和油压表配套校验,以确定张拉力与压力表之间的关系曲线。
并由校验公式计算出张拉力达到10%、20%和100%时的油表读数,对张拉作业人员进行交底。
当千斤顶使用超过6个月或200次或在使用过程中出现不正常现象或检修以后重新校验。
3、检查锚垫版和孔道:孔道要畅通,无水分和杂物,锚具和锚垫板接触处的焊渣、毛刺、混凝土残渣要清除干净。
4、安装锚具和千斤顶:安装锚具、夹片、限位板、千斤顶、工具锚,调整千斤顶的位置,使千斤顶的张拉力作用线与预应力钢绞线的轴线重合一致。
5、设置张拉操作台和防护板。
制作铁架,张拉前把铁架紧靠在梁两端,千斤顶用倒链悬挂在铁架上,并在距离千斤顶1.5~2.0m 处安装防护板,以防锚具夹片弹出伤人。
二、张拉操作程序:1、纲绞线束张拉顺序:当混凝土强度达到设计值100℅后,开始张拉,张拉的先后次序根据图纸设计说明进行:边跨边梁先张拉N3-N1-N2,然后张拉N4至50%,张拉N5至100%,最后张拉N4至100%;边跨中梁、中跨边梁、中跨中梁都是先张拉N2,再张拉N1,然后张拉N3至50%,张拉N4至100%,最后张拉N3至100% 。
40米装配式预应力混凝土T型梁(先简支后桥面连续梁)上部构造(后张法钢绞线)计算书整体式路基宽21.50米,桥宽2×净-9.50米计算:复核:审核:二○○八年十月本计算以分幅桥梁为例,利用《Dr.Bridge-桥梁博士系统V3.1版》进行验算。
一、设计依据《公路桥涵设计通用规范》(JTG D60-2004)《公路钢筋混凝土及预应力混凝土桥涵设计规范》(JTG D62-2004)二、设计基本资料1.设计荷载:局部加载时采用车辆荷载车辆重力标准值:P k=550kN2.标准跨径L b=40,梁长39.96m3.上部构造先简支后桥面连续混凝土T梁。
4.材料预应力钢绞线采用国家标准:预应力钢绞线1×7-15.20-1860-GB/T5224-2003。
张拉控制应力:腹板束采用σcon=0.72fpk=1339.2Mpa,顶板负弯矩束采用σcon=0.75 fpk =1395Mpa,张拉时采用双控。
锚具:HVM或OVM15系列,连续段预应力为BM15-5型扁锚,锚具采用符合国标GB/T14370-2000《预应力筋用锚具、夹具和连接器》的锚具及其相应配套设备。
普通钢筋:直径≥12mm采用HRB335,直径<12mm采用R235。
钢板:锚头下支承垫板,支座垫板等均采用A3碳素钢。
5.计算方法:1)持久状况承载能力极限状态计算;2)持久状况正常使用极限状态计算;6.桥面净空:净9.75m7.按后张法施工工艺制作主梁。
8.防撞护栏重外侧:(0.69×20×26)/40=8.97kN/m中央分隔带一侧: (0.48×26)/2=6.24KN/m三、主梁跨中截面主要尺寸拟定1.主梁高度 2.50m2.主梁截面细部尺寸(见下图)3.结构离散图见附图14.计算截面的几何特征五、利用《桥梁博士》程序计算的前期工作 1. 本次计算的结构离散图见附图12. 环境的相对湿度:0.83. 环境类别:Ⅰ类;4. 预应力钢筋:弹性模量E p=1.95×105 MPa ,松驰率ρ=0.035,松驰系数ζ=0.3。
杨柳河大桥40米预应力T梁张拉计算书编制:复核:审核:2011年3月15日杨柳河大桥40米预应力T梁张拉计算书一、张拉施工方案我合同段施工的阁丫沟大桥40米T梁预应力钢绞线采用高强度低松弛钢铰线,f pk=1860Mpa,公称直径d=15.2mm,公称面积Ay=139mm2,弹性模量Ey=1.95×105Mpa。
40米T梁正弯矩钢束采用8股、9股,钢束控制张拉力σcon=0.75 f pk=1395Mpa。
锚具采用15-8型、15-9型系列整套锚具,管道成孔采用钢波纹管。
所有锚具及钢绞线按材料检验批量抽检,严禁使用无部级以上级别技术鉴定和产品鉴定的材料。
材料要有厂方提供的质量说明书和出厂时间。
钢铰线要防止生锈和影响水泥粘结的油污。
钢铰线下料采用砂轮切割机按加工长度下料,并以22#铁丝编束。
钢筋绑扎结束,装模前由专人对波纹管进行检查,若有孔眼须用胶布缠好,严禁进浆。
预应力张拉前先试压同条件养护砼试件,主梁达到设计强度85%以上且养护龄期不小于7天方可张拉,钢束张拉时应两端对称、均匀张拉,不得集中张拉,并观察主梁的侧弯情况,张拉前先对张拉千斤顶进行校核。
张拉顺序为:50%N2、N3→100%N1→100%N2、N3→100%N4,张拉程序:0-初始应力(10%σk)-σk(持荷2分钟锚固)。
张拉时实行双控,理论伸长量与实际伸长量相差应控制在-6%~+6%之间,否则应分析原因或重新张拉。
张拉严格控制滑丝和断丝,每束不超过1根,累计全片梁小于1%。
张拉完割除钢铰线头,及时压浆。
张拉时做好施工记录。
二、理论伸长值计算1、理论伸长量计算钢铰线采用15.2mm 单根截面面积139mm2标准强度f pk =1860MPa 弹性模量Ey=1.95×105MPa 管道摩擦系数μ=0.25 管道偏差系数K=0.0015锚下控制应力σcon=0.75×f pk=1860×0.75=1395MPa每股控制张拉力1395×139=193905N4股钢绞线控制张拉力N=193905×4=775620N=775.62KN8股钢绞线控制张拉力N=193905×8=1551240N=1551.24KN9股钢绞线控制张拉力N=193905×9=1745145N=1745.15KN计算公式:P P=P(1-e(kx+μθ))/(kx+μθ)△L=P P×L/AP×EP式中:P P--预应力筋平均张拉力(N)P--预应力筋张拉端的张拉力(N)e—常数(e =2.7183)k—孔道摩擦系数(取0.0015)x—从张拉端至计算截面积的孔道长度(米)μ—孔道偏差系数(取0.2)θ—从张拉端至计算截面积曲线孔道部分切线的夹角之和(rad)L--预应力筋的长度(mm)A P --预应力筋的截面面积(mm2)(取139mm2)E P --预应力筋的弹性模量(取1.95*105N/mm2)计算说明:T梁两端对称张拉,所以采用单端计算的方法进行计算。
40米T梁张拉计算书(T梁后张法张拉过程计算)编制:计算:审核:XXXXXXX有限公司XXXX高速公路XXXX项目经理部二○一七年七月八日预应力钢绞线张拉理论伸长量计算报告一、参考资料1、《公路桥涵施工技术规范》(JTG/T F50-2011)2、《桥涵通用图装配式预应力砼简支T梁30m跨径预应力钢束布置图》3、《江西新华金属制品有限责任公司1x7预应力钢绞线产品质量证明书》4、《预应力钢绞线检测报告》5、《河南精试预应力金属结构检测有限公司千斤顶标定报告》二、预应力钢绞线张拉理论伸长量计算公式计算钢绞线理论伸长值ΔL=(P p L)/(A p E p)式中:Pp——钢绞线的平均张拉力, KNPp=P(1-e-(kx+μθ))/(kx+μθ)P——钢绞线张拉端的张拉力,每股张拉力:0.75x1860x139/1000=193.905KN;N3、N4取1551.24KN;N1、N2、N5取1745.145 KN。
(N3=193.905×8=1551.24,N1=193.905×9=1745.145)。
X——从张拉端至计算截面的孔道长度,(见设计图)Θ——从张拉端至计算截面曲线孔道部分切线的夹角之和(rad)(见设计图)K——孔道每米局部偏差对摩擦的影响系数,金属波纹管取0.0015 μ——钢绞线与孔道壁的摩擦系数,取0.17L——预应力筋的长度(m)(L=X+M)B——工作长度,0.7 m(限位板厚度+千斤顶长及顶后工具锚厚度的和)Ap——钢绞线的截面积,取139mm²(供应商或试验的质量报告书提供)Ep——钢绞线的弹性模量195000MPa(供应商或试验的质量报告书提供)系数k及μ值表计算表(采用分段计算详见附表)计算结果如下:单端工作长度钢束伸长值计算(△L2)根据现场的实际情况,张拉端和工作锚之间有一定距离,我标段预制场中的该段距离为0.70m,忽略工具夹片松弛的影响,且该段的伸长值为:△L2=PL/AyEg=5.01mm最终理论总伸长值计算(△L):N1:△L=2×(140.0+5.01)=290.02mmN2:△L=2×(140.7+5.01)=291.42mmN3:△L=2×(141.9+5.01)=293.82mmN4:△L=2×(139.8+5.01)=289.62mmN5:△L=2×(140.3+5.01)=290.62mm实际伸长值容许(6%)范围如下:N1: 273mm ~ 307mmN2: 274mm ~ 309mmN3: 276mm ~ 311mmN4: 272mm ~ 307mmN5: 273mm ~ 308mm张拉采用两端同时对称张拉,张拉顺序为50%N1、N2、N3——100%N5——100%N11、N2、N3——100%N4,根据已进行标定的油表计算出张拉油表读数如下:张拉油表读数(MPa)三、张拉顺序及张拉油表读数计算1)张拉千斤顶和配套张拉油表经河南精试预应力金属结构检测有限公司标定,并将标定报告交监理工程师审核同意使用,张拉采用两台YDC2500型千斤顶对称同步张拉,张拉顺序为N1—N2—N3—N4—N5,其中N5钢束应对称交替逐级张拉,张拉过程荷载差异不得大于50%锚下张拉控制荷载。
40mT梁钢铰线张拉计算1、φ15.2mm钢铰线:fpk=1860MPa Ep=1.95×105MPaAp=140mm2 δcon =0.75 fpk=1395MPa0 −−→初始应力(0.10δcon ) −−→ (0.20δcon)2min−−−→δconk=0.0015 μ=0.25 2、张拉应力计算1)40mT梁边跨边梁N1:P 1=δcon*11*ApP1=1395*11*140=2148.3 kN N2、N3、N4:P 2 =P3=P4=δcon*9*ApP2 =P3=P4=1395*9*140=1757.7kN中梁N1 、N2、N3:P 1=P2=P3=δcon*9*ApP1=1395*9*140=1757.7 kN N4:P 4=δcon*8*ApP4=1395*8*140=1562.4kN 2)40mT梁中跨边梁N1:P 1=δcon*10*ApP1=1395*10*140=1953 kN N2、N3、N4:P 2 =P3=P4=δcon*7*ApP2 =P3=P4=1395*7*140=1367.1kN中梁N1:P 1=δcon*8*ApP1=1395*8*140=1562.4 kN N2、N3、N4:P 2 =P3=P4=δcon*7*ApP2 =P3=P4=1395*7*140=1367.1kN平均张拉力按此公式进行计算P p =P·(1-e-(kx+μθ))/(KX+μθ),钢绞线有直线段和曲线段,故采用分段计算理论伸长量,预应力钢绞线张拉理论伸长值计算结果见附表(40米T 梁中跨钢绞线理论伸长量见附表1、40米T梁边跨钢绞线理论伸长量见附表2),边跨和中跨钢绞线分段长度计算分别见图1、图2。
3、附后1)张拉计算表2)预应力混凝土钢铰线强度、松弛等试验报告3)千斤顶标定检验报告。
中铁十六局集团第二工程有限公司赣崇高速公路B2合同段项目经理部40m预制T梁张拉计算书中铁十六局集团第二工程有限公司赣崇高速公路B2合同段项目经理部二○一一年七月三十一日40m预制T梁张拉计算书一、工程概况我合同段内共有崇义县玉坑高架桥一、崇义县玉坑高架桥二和崇义县合江口高架桥一、崇义县合江口高架桥二、崇义县合江口高架桥三等五个大桥上部40m跨T梁570片。
T梁浇筑不少于7天,且砼强度达到85%后,采用两端对称张拉钢绞线,张拉次序和程序按设计要求进行,采用钢束延伸量和锚下张拉力双控。
预制T梁采用高强度低松弛预应力钢绞线,符合GB/T5224-2003国家标准,公称直径15.2mm,标准强度为1860Mpa。
边跨主梁共4束钢绞线每束9(10)股,预应力锚具采用15-9(10)型,中跨主梁共4束钢绞线每束7(9)股,预应力锚具采用15-7(9)型,波纹管内径分别采用D内=70mm、D内=80mm和D内=90mm型三种。
墩顶负弯矩钢绞线分6组共32根,预应力锚具采用15-5(6)型,波纹管内径采用D内=55mm和D内=70mm型两种。
单片梁材料用量:HRB335钢筋12吨,预应力钢绞线1.6吨,混凝土50m3左右,单片梁自重138吨左右。
二、预应力筋的理论伸长值计算根据钢绞线材料试验结果,弹性模量取 197000 MPa。
T梁中的N3、N4预应力钢束为既有竖弯又有平弯的空间曲线束,应以空间曲线的包角计算θ值,x亦应取相应空间曲线的弧长。
由于本工程的预应力钢束在平弯方向的曲线段很短,平弯角很小,可按平面直线来计算,经验证,其误差很小。
由于采用两端对称同时张拉,因此只需计N1钢束AD 段示意图(单位:m )CD算出半跨的理论张拉伸长值乘以2倍即可得出钢束的理论张拉伸长值。
以中跨N1钢束计算为例:由设计图纸查得:AB 段长度:X AB = 11.784m BC 段长度:X BC = 7.82m CD 段长度X CD =0.172/2=0.086m经计算曲线BC 段切线夹角θBC =X BC /R= 7.82/80=0.09775 rad , 同理,中跨及边跨N1、N2、N3、N4各切线夹角计算见下表一、表二。
第四章预应力混凝土简支T形梁桥第一节.设计资料与结构尺寸(一)设计资料1.桥梁跨径及桥宽标准跨径:40m计算跨径:38.88m主梁预制长度:39.96 m桥面净空:净9+2×1.0m2.设计荷载:汽-20级,挂-100,人群3.5KN/m23.材料及特性(见表4—1)附:①预应力钢束采用符合冶金部YB255-64标准的碳素钢丝。
②主梁所用到的钢板除主梁间的联接用16Mn低合金钢板,其余均采用A3碳素钢板。
4.锚具:采用24丝锥形锚,锚环、锚塞采用45号优质碳炭结构钢,其中锚塞的HRC=55~58。
5.施工工艺:按后张法制作主梁,预留预应力钢丝的孔道,由φ=50mm的抽拔橡胶管形成。
6.设计依据:《公路桥涵设计通用规范》(JTJ 021-85)以下简称“桥规”《公路钢筋混凝土及预应力混凝土桥涵设计规范》(JTJ 023-85)以下简称“公预规”。
(二)结构尺寸1.主梁间距与主梁片数:主梁间距随梁高与跨径的增加以加宽为宜,由此可提高主梁截面效率指标ρ值,采用主梁间距离2.2米。
考虑人行道可适当挑出,对设计资料给定的桥面净宽选用5片主梁,其横截面布置型式见图4—1。
图4—1 横截面布置型式2.主梁尺寸拟定:(1)主梁高度:预应力混凝土简以梁桥的主梁高跨比通常在1/15~1/25,考虑主梁的建筑高度和预应力钢筋的用量,标准设计的高跨比约在1/17~1/19,由此,主梁高度取用250cm。
(2)主梁腹板的厚度:在预应混凝土梁中腹板内因主拉应力较小腹板的厚度主要由预应力钢束的孔道设置方式决定,同时从腹腔板的稳定出发,腹板的厚度不宜小于其高度的1/15,故取用腹板厚度为16cm,在跨中区段,钢束主要布置在梁的下缘,以形成较大的内力偶臂,故在梁腹板下部设置马蹄,以利数量较多的钢束布置,设计实践表明马蹄面积与截面面积的确良10%~20%为宜,马蹄宽度40cm高38cm。
3.翼板尺寸拟定:翼板的高度由主梁间距决定,考虑主梁间须留湿接缝,故取翼板宽度1.60m,湿接缝宽60cm.。
贵州省江口至瓮安高速公路40米T梁预应力张拉计算书编制:审核:审批:中交第二公路工程局有限公司安江高速公路TJ1B合同段项目经理部2014年9月40米T梁预应力张拉计算书一、相关资料数据安江高速TJ1B项目桥梁上部结构为预应力连续T梁(先简支后结构连续),跨径为40米,T梁总计300片。
预应力钢绞线采用抗拉强度标准值f=1860MPa、公称直径d=15.2mm的低松弛高强度钢绞线,其力学性能指pk标应符合《预应力混凝土用钢绞线》(GB/T5224-2003)的规定。
钢绞线截面积取规范值A=140mm2,弹性模量E p=1.97733×105Mpa,松驰率ρ=0.035,松驰系数ζ=0.3。
预制混凝土强度达到设计强度的85%,组织张拉预应力钢束,钢束采用对称、双控张拉,钢绞线每端工作长度为600mm,锚下控制应力为0.75pk f=1395Mpa。
预制T梁为C50级,所以在张拉钢绞线时不考虑混凝土的弹性变形。
预制T梁正弯矩钢束采用M15-9、M15-8、M15-7圆形锚具及其配套的配件,预应力管道采用圆形金属波纹管。
锚具变形、钢筋回缩取6mm(一端)。
管道摩擦系数:u=0.25,管道偏差系数:k=0.0015。
二、截面积及张拉力计算三、预应力张拉压力表读数计算根据设计变更、修改通知单,钢绞线张拉顺序为:100%N2→100%N3→50%N1左→100%N1右→100%N1左→100%N4。
N1张拉至50%时持荷5分钟。
千斤顶为300T,由贵州省计量测试院依据JJG621-2012液压千斤顶检定规程进行检定并检定合格。
千斤顶1-传感器编号420154 校准方程为Y=48.5X-1.7千斤顶2-传感器编号420155 校准方程为Y=48.3X+6.0按照以上校准方程可计算得到如下表:传感器编号:420154百分比(9股)负荷值(KN)压力示值(Mpa)10% 175.77 3.66 初张拉力20% 351.54 7.28 2倍初张拉力50% 878.85 18.16 持荷5分钟锚固100% 1757.70 36.28 持荷5分钟锚固传感器编号:420155传感器编号:420154传感器编号:420155传感器编号:420154传感器编号:420155四、张拉伸长量计算根据《桥梁施工技术规范》预应力钢绞线张拉理论伸长量计算公式:△L=P P L/A P E P预应力平均张拉力计算公式:P P=P(1-e-(kx+ )/(kx+ )其中:P P——预应力钢绞线平均张拉力(N),L ——预应力钢绞线的长度(mm),A P——预应力钢绞线的截面面积(mm2),E P——预应力钢绞线的弹性模量(N/ mm2),P ——预应力钢绞线张拉端的张拉力(N),X ——从张拉端至计算截面的孔道长度(m),——从张拉端至计算截面曲线孔道部分切线的夹角之和(rad),K ——孔道每米局部偏差对摩擦的影响系数,本次计算取0.0015,——预应力钢绞线与孔道壁的摩擦系数,本次计算取0.25。
40米T梁张拉计算书
一、计算要素
1.梁长L=40m;
2.梁深b=1.6m;
3.梁高h=0.5m;
4.梁断面积A=2.56m2;
5.梁内空腔高度h0=0.15m;
6. 杆件截面积Ag=13.5cm2;
8.泊松比μ=0.3;
9.加荷方式:用水封重力张拉法;
10.预计服张力:
a)水封预计服张力:F=1500kN;
b)结构自重预计服张力:F=300kN;
c)恒荷载预计服张力:F=300kN。
二、梁的抗张强度公式计算
1.水封重力张拉法:
根据抗张强度公式:
张拉力P=(Fb-μAgσssδs)
根据预计服张力F=1500kN,可以得出:
水封重力张拉泌尔梁的抗张强度Ρ≥1500kN,合格。
2.结构自重张拉法:
根据抗张强度公式:
张拉力P=(Fb-μAgσssδs)
根据预计服张力:F=300kN,可以得出:
结构自重张拉泌尔梁的抗张强度P≥300kN,合格。
3.恒荷载张拉法:
根据抗张强度公式:
张拉力P=(Fb-μAgσssδs)。
仁新高速TJ5标首件1#预制梁场预制T梁张拉计算书钢绞线伸长量计算书仁新高速TJ5标合同段项目经理部2016年07月钢绞线伸长量计算一、计算原则1、根据《公路桥涵施工技术规范》(JTG/TF05-2011)标准;2、根据《桥梁公用构造、涵洞通用图》设计图纸要求。
二、计算公式与参数及说明1、已知参数:Φs15.2mm钢绞线:Ep =1.95×105MPa;Ap=139mm2;k=0.0015;μ=0.25;ζ=0.3。
见检测附件;预应力钢绞线采用抗拉强度标准值fpk =1860Mpa,锚下控制应力为0.7fpk,根据锚垫板和千斤顶的机械参数以及张拉预留长度,则工作长度取65cm,顶内工作长度50cm。
图纸要求,钢绞线伸长量为扣除拉力(10%)后的理论计算值。
2、计算公式:1)、P p=P q(1-e-(kx+μθ))/(kx+μθ)P p——预应力筋的平均张拉力(N)P q——预应力筋张拉端的张拉力(N);x——从张拉端至计算截面的孔道长度(m);θ——从张拉端至计算截面的曲线孔道部分切线的夹角之和(rad);k——孔道每米局部偏差对摩擦的影响系数,取k=0.0015;μ——预应力筋与孔道壁的摩擦系数,取μ=0.25。
当预应力筋为直线时P p=P2)、P=σcon ×A ×n(锚下端部张拉力P= P q)σcon——预应力筋张拉端的控制应力σcon =0.70f pk (N/mm2);A——每束预应力筋的截面面积(139mm2);n——同时张拉预应力筋束数;P q——预应力筋张拉端的张拉力。
3)、P z= P q×e-(kx+μθ)P z——经过长度X后预应力筋的终点处张拉力(N);4)、△L= (P p×X)/(A p×E p)△L——理论伸长值(m);X——预应力筋相应的长度(m);A p——钢绞线的截面积(139mm2);E——预应力筋的弹性模量(1.95×105Mpa)。
40m预应力砼连续T梁张拉方案1、材料:采用高强低松弛钢绞线,标准为270级,(ASTM416—92a)公称直径为Φ15.24,公称面积140mm2,极限抗拉强度1860Mpa,张拉控制应力为1395Mpa。
2、钢束:边跨正弯矩钢束:N1→N4分别为9×7Φ5、9×7Φ5、9×7Φ5、7×7Φ5;中跨正弯矩钢束:N1→N4分别为7×7Φ5、7×7Φ5、7×7Φ5、5×7Φ5;负弯矩钢束:N1→N3分别为5×7Φ5、5×7Φ5、5×7Φ5 3、张拉顺序:边跨正弯矩钢束:N1→N4中跨正弯矩钢束:N1→N4负弯矩钢束: N1→N3对称张拉4、张拉程序:0→初应力→σcon(持荷2min锚固)5、张拉控制力N con=σcon×A P=σcon×A×n其中:σcon:张拉控制应力(Mpa)σcon=1395Mpa Ap:钢绞线束总截面积(mm2)Ap=A×nA:单根钢绞线公称面积(mm2)A=140mm2n:组成钢绞线束的钢绞线根数 n=5、7、9 分别算得n=5、7、9时的N con为976.5kN,1367.1kN, 1757.7kN 6、张拉油表读数由回归方程 Y=ax+b→x=(y-b)/a其中 Y:张拉控制力(KN)X:油表读数(Mpa)7、算例千斤顶编号:0301 油压表编号:1139回归方程y=47.837×+5.2045→x=(y-5.2045)/47.837 7根钢绞线读数:10%σcon时y=136.71KN→x=2.75Mpa20%σcon时y=273.4KN→x=5.61Mpa100%σcon时y=1367.1KN→x=28.50Mpa 8、附件1)千斤顶、油表标定报告(6份)2)张拉油表读数一览表(注:钢绞线张拉伸长值按设计值)。
40米预应力T梁预应力张拉计算书编制:谭伟复核:丁甫宏审批:周剑锋2011年9月10日一、张拉施工方案我合同段施工的安子垭大桥40米T梁预应力钢绞线采用高强度低松弛钢铰线,f pk=1860Mpa,公称直径d=15.24mm,公称面积Ay=140mm2,弹性模量Ey=1.95×105Mpa。
40米T梁正弯矩钢束采用8股、9股,钢束控制张拉力σcon=0.75 f pk=1395Mpa。
锚具采用15-8型、15-9型系列整套锚具,管道成孔采用钢波纹管。
所有锚具及钢绞线按材料检验批量抽检,严禁使用无部级以上级别技术鉴定和产品鉴定的材料。
材料要有厂方提供的质量说明书和出厂时间。
钢铰线要防止生锈和影响水泥粘结的油污。
钢铰线下料采用砂轮切割机按加工长度下料。
钢筋绑扎结束,装模前由专人对波纹管进行检查,若有孔眼须用胶布缠好,严禁进浆。
预应力张拉前先试压同条件养护砼试件,主梁达到设计强度85%以上且养护龄期不小于7天方可张拉,钢束张拉时应两端对称、均匀张拉,不得集中张拉,并观察主梁的侧弯情况,张拉前先对张拉千斤顶进行校核。
张拉顺序为:50%N2、N3→100%N1→100%N2、N3→100%N4,张拉程序:0-初始应力(10%σk)-σk(持荷2分钟锚固)。
张拉时实行双控,理论伸长量与实际伸长量相差应控制在-6%~+6%之间,否则应分析原因或重新张拉。
张拉严格控制滑丝和断丝,每束不超过1根,累计全片梁小于1%。
张拉完割除钢铰线头,及时压浆。
张拉时做好施工记录。
二、理论伸长值计算1、理论伸长量计算钢铰线采用15.24mm 单根截面面积140mm2标准强度f pk =1860MPa 弹性模量Ey=1.95×105MPa管道摩擦系数μ=0.25 管道偏差系数K=0.0015锚下控制应力σcon=0.75×f pk=1860×0.75=1395MPa每股控制张拉力1395×140=195300N4股钢绞线控制张拉力N=193905×4=775620N=775.62KN8股钢绞线控制张拉力N=193905×8=1551240N=1551.24KN9股钢绞线控制张拉力N=193905×9=1745145N=1745.15KN计算公式:P P=P(1-e-(kx+μθ))/(kx+μθ)△L=P P×L/AP×EP式中:P P--预应力筋平均张拉力(N)P--预应力筋张拉端的张拉力(N)e—常数(e =2.7183)k—孔道摩擦系数(取0.0015)x—从张拉端至计算截面积的孔道长度(米)μ—孔道偏差系数(取0.2)θ—从张拉端至计算截面积曲线孔道部分切线的夹角之和(rad)L--预应力筋的长度(mm)A P --预应力筋的截面面积(mm2)(取139mm2)E P --预应力筋的弹性模量(取1.95*105N/mm2)计算说明:T梁两端对称张拉,所以采用单端计算的方法进行计算。
40m预应⼒混凝⼟T梁计算书40m 预应⼒混凝⼟T 梁计算书1 概述采⽤交通部公路科学研究所开发的结构计算软件GQJS 并配合⼿算分析40m 简⽀T 梁的结构受⼒,以新规范JTG D60-2004和JTG D62-2004为标准。
拟定合理的结构尺⼨,给出合理的预应⼒钢筋和普通钢筋构造。
2 计算依据及参考《公路桥涵设计通⽤规范》JTG D60-2004《公路钢筋混凝⼟及预应⼒混凝⼟桥涵设计规范》JTG D60-2004 《公路桥涵设计规范》JTJ023-853 计算过程 3.1基本数据跨径:40m ,计算跨径:39.4m ;设计荷载:公路I 级;净宽:2x0.5+11=12m 材料:预应⼒钢筋:17?钢绞线,直径15.2mm ,截⾯⾯积1392mm ,重量1.101kg/m ,强度标准值1860MPa ,强度设计值1260MPa ,控制张拉应⼒0.7518601395con σ=?=MPa 。
弹性模量51.9510? MPa 。
预应⼒钢筋采⽤4根10束15.2j φ(截⾯⾯积为13902mm )的预应⼒钢绞线,预应⼒截⾯⾯积共计55602mm 。
普通钢筋HRB335:强度标准值335MPa ,强度设计值280MPa ,弹性模量5210? MPa 。
受拉区配置6根20φ钢筋,每根截⾯⾯积314.202mm ,共1885.22mm 。
混凝⼟C50:抗压强度标准值32.4MPa ,设计值22.4MPa ,弹性模量43.2510? MPa ,抗拉强度标准值2.65MPa ,设计值1.83MPa 。
3.2 截⾯特性计算跨中截⾯横断⾯布置见下图:预制T 梁截⾯特性如下:3.3内⼒计算3.3.1 荷载横向分布系数计算采⽤刚接梁法计算荷载横向分布系数,采⽤⽼规范的计算⽅法,梁宽采⽤2.4m,共5⽚T梁,⾏车道宽度11m,分别输⼊各⽚梁的抗弯、抗扭惯矩、桥⾯板沿梁长⽅向单位长度的抗弯惯性矩和悬臂长度,采⽤编制程序进⾏计算,结果如下表所⽰:3.3.2 内⼒计算采⽤GQJS程序计算上部结构在各种荷载⼯况下主要控制截⾯的内⼒如下:⼏点说明:1、结构基频=2.838Hz ,汽车荷载冲击系数=0.169;2、现浇段集度=0.650.1826 3.042??=kN/m ;3、防⽔混凝⼟+沥青⾯层集度=0.21224/511.52??=kN/m ;4、防撞护栏集度=(0.419*25.5+0.18)×0.336=10.86*0.336=3.65 kN/m ;5、将现浇段、防⽔混凝⼟+沥青⾯层及防撞护栏作为⼆期恒载施加,集度=18.212 kN/m ;3.4久状况承载能⼒极限状态计算 3.4.1跨中截⾯正截⾯抗弯强度验算:按承载能⼒极限状态进⾏计算,考虑恒载和公路I 级荷载按规范JTG D60-2004第4.1.6条进⾏效应组合,弯矩设计值=14765.75kN.m 。
攀枝花至大理高速公路(四川境)工程项目
40米预制预应力混凝土T梁
张拉计算书
(T梁后张法张拉过程计算)
编制:
计算:
审核:
XXXXXXXXXXX公司
攀大高速公路项目经理部TJ9分部
二○一八年十一月八日
预应力钢绞线张拉理论伸长量计算报告
2号梁场(40米预制T梁)
一、参考资料
1、《公路桥涵施工技术规范》(JTG/T F50-2011)
2、《桥涵通用图装配式预应力砼简支T梁30m跨径预应力钢束布置图》
3、《预应力钢绞线产品质量证明书》
4、《预应力钢绞线检测报告》
5、《攀枝花公路桥梁试验检测有限公司千斤顶、指示器检定报告》
二、预应力钢绞线张拉理论伸长量计算公式
计算钢绞线理论伸长值ΔL=(P p L)/(A p E p)式中:
Pp——钢绞线的平均张拉力, KN
Pp=P(1-e-(kx+μθ))/(kx+μθ)
P——钢绞线张拉端的张拉力,
每股张拉力:0.75x1860x139/1000=193.905KN;
N3、N4取1551.24KN;N1、N2、N5取1745.145 KN。
(N3=193.905×8=1551.24,N1=193.905×9=1745.145)。
X——从张拉端至计算截面的孔道长度,(见设计图)
Θ——从张拉端至计算截面曲线孔道部分切线的夹角之和(rad)(见设计图)
K——孔道每米局部偏差对摩擦的影响系数,金属波纹管取0.0015 μ——钢绞线与孔道壁的摩擦系数,取0.2
L——预应力筋的长度(m)(L=X+M)
B——工作长度,0.7 m(限位板厚度+千斤顶长及顶后工具锚厚度的和)
Ap——钢绞线的截面积,取140mm²(供应商或试验的质量报告书提供)
Ep——钢绞线的弹性模量195000MPa(供应商或试验的质量报告书提供)
系数k及μ值表
计算表(采用分段计算详见附表)计算结果如下:
单端工作长度钢束伸长值计算(△L1,)
根据现场的实际情况,张拉端和工作锚之间有一定距离,我标段预制场中的该段距离为0.70m,忽略工具夹片松弛的影响,且该段的伸长值为:
△L1,=PL/AyEg=5.01mm
最终理论总伸长值计算(△L):
N1:△L=2×(105.3+5.01)=220.62mm
N2:△L=2×(105.3+5.01)=220.62mm
N3:△L=2×(105.2+5.01)=220.42mm
实际伸长值容许(6%)范围如下:
N1: 207mm ~ 234mm
N2: 207mm ~ 234mm
N3: 207mm ~ 234mm
张拉采用两端同时对称张拉,张拉顺序为50%N1——100%N3——100%N1——100%N2,根据已进行标定的油表计算出张拉油表读数如下:
张拉油表读数(MPa)
三、张拉顺序及张拉油表读数计算
1) 张拉千斤顶和配套张拉油表经攀枝花公路桥梁试验检测有限公司标定,并将标定报告交监理工程师审核同意使用,张拉采用两台YCW2500-200型千斤顶对称同步张拉,张拉顺序为N1—N2—N3,其中N3钢束应对称交替逐级张拉,张拉过程荷载差异不得大于50%锚下张拉控制荷载。
张拉顺序示意图如图1:
图1
张拉端锚下至工具锚的距离系指千斤顶后夹片至锚头实测70CM,工具锚后预留钢绞线长度大于15cm(千斤顶采用两台YDC2500型张拉)。
100%бK 时千斤顶张拉力N1取1551.24KN 、N2取1551.24 KN 、N3取1745.145 KN ,对于N1,N2,N3千斤顶加载过程为:0—10%бK (初应力画记号)—20%бK (比照应力量伸长量推算10%бK 伸长量△L2)—50%бK —100%бK 持荷2分钟(量伸长量△L1)。
对于N3为保证钢束应对称交替逐步张拉,张拉过程荷载差异不得大于50%锚下张拉控制荷载。
其张拉过程为:0—10%бK (初应力画记号)—20%бK (比照应力量伸长量推算10%бK 伸长量△L2)—50%бK (对称交替)—100%бK 持荷2分钟(量伸长量△L1)
3 3
1
2
2)对于梁A端张拉:采用(YCW2500-200型千斤顶)标定报告,编号:设备油顶编号512220,对应油表编号为1139(2),使用线性方程:Y=0.102+0.0204x其中式中:x—为压力机读数(KN),Y—为油表读书(MPa);对于梁端B张拉:采用(YCW2500-200型千斤顶)标定报告,编号:设备油顶编号605070,对应油表编号为1139(1),使用线性方程:Y=0.179+0.0201x其中式中:x—为压力机读数(KN),Y—为油表读数(MPa);
N1钢绞线束:
A端10%бK 时的伸长值为11.03mm,20%бK 时的伸长值为22.06mm,50%бK 时的伸长值为55.16mm,100%бK时的伸长值110.31mm。
B端10%бK 时的伸长值为11.03mm,20%бK 时的伸长值为22.06mm,50%бK 时的伸长值为55.16mm,100%бK时的伸长值110.31mm。
N2钢绞线束:
A端10%бK 时的伸长值为11.03mm,20%бK 时的伸长值为22.06mm,50%бK 时的伸长值为55.16mm,100%бK时的伸长值110.31mm。
B端10%бK 时的伸长值为11.03mm,20%бK 时的伸长值为22.06mm,50%бK 时的伸长值为55.16mm,100%бK时的伸长值110.31mm。
N3钢绞线束 :
A端10%бK 时的伸长值为11.02mm,20%бK 时的伸长值为22.04mm,50%бK 时的伸长值为55.11mm,100%бK时的伸长值110.21mm。
B端10%бK 时的伸长值为11.02mm,20%бK 时的伸长值为22.04mm,50%бK 时的伸长值为55.11mm,100%бK时的伸长值110.21mm。
四、张拉时钢绞线实际伸长量的测量方法:
钢绞线实际伸长量的测量方法有多种多样,目前使用较多的是直接测量张拉端千斤顶活塞伸出量的方法,这样的测量方法存在一定的误差,这是因为工具锚端夹片张拉前经张拉操作人员用钢管敲紧后,在张拉到10%σk时因钢绞线受力,夹片会向内滑动,张拉到50%σk时,夹片又会继续向内滑动,这样通过测量千斤顶的伸长量而得到的10%~50%σk的伸长量比钢绞线的实际伸长值长1~2mm,若以10%~50%σk的伸长量作为0%~10%σk的伸长量,那么在0%~50%σk的张拉控制段内,钢绞线的伸长量就有2~3mm的误差。
从50%σk张拉到100%σk时,钢绞线的夹片又有2~3mm的滑动,按最小值滑动量计算单端钢绞线的伸长量就有3~4mm的误差,两侧同时张拉时共计有约6~8mm的误差(误差值的大小取决于工具锚夹片打紧程度)。
因此用测量千斤活塞的方法一般测出来的值都是偏大的。
因此,对于钢束实际伸长值的测量,建议采用量测钢绞线绝对伸长值的方法,而不使用量测千斤顶活塞伸出量的方法,后者测得的伸长值须考虑工具锚处钢束回缩及夹片滑移等影响,尤其是在钢绞线较长,必须进行分级张拉时,更为繁琐,若直接通过测量千顶活塞的伸出量,则误差累计更大。
推荐的测量方法如图2所示,使用一个标尺固定在钢绞线上,不论经过几个行程,均以此来量测分级钢绞线的长度,累计的结果就是初应力与终应力之间的实测伸长值。
图2 总的实测伸长量为:L=A端(△L2+△L1)+B端(△L2+△L1),如实际伸长值L与理论值的误差超过±6%时应停止张拉,查明原因后方可继续张拉。
五、张拉说明:
1、本计算的千斤顶于2017年12月22日标定、如张拉时与其中任何一件设备或者预应力钢材不同,又或设备材料经过重新检验均应按以上公式重新计算。
(千斤顶在使用超过6个月或者使用超过200片应重新标定)。
2、每次张拉前均应对各种数据进行复核,张拉工应以收到的张拉通知书上的内容为准,张拉通知书上有张拉设备的编号、型号,钢绞线束张拉的顺序、数据以及施工员、质检员、技术负责人和监理工程师的签字单为准。
3、张拉时,采用“双控”的方法,即以控制张拉应力并以伸长值校核的双重控制。
如实际伸长值与理论值的误差超过±6%时应停止张拉,查明原因后方可继续张拉。
4、张拉过程中用水准仪对T梁上拱值进行观测和控制。
2017年12月24日。