plc三层电梯控制设计.pdf
- 格式:pdf
- 大小:259.45 KB
- 文档页数:14
学号1350803203《电气控制与PLC》课程设计(2013级本科)题目:三层电梯自动控制系统设计系(部)院:物理与机电工程学院专业:电气工程及其自动化作者姓名:陈泽江指导教师:单乐职称:助教完成日期:2016 年7 月 4 日三层电梯模拟控制一、设计目的1.设计PLC控制的三层电梯模拟控制系统;2.掌握PLC的编程软件及有关指令的使用方法;3. 掌握PLC下位机与上位机通讯、软件调试的方法;4. 培养学生逻辑思维能力、分析问题与解决问题能力。
二、硬件系统设计1.硬件系统组成硬件系统由编程计算机(上位机)、S7-200PLC控制器(下位机、数字量输入/输出点为24入/16出)和三层电梯模拟被控对象等组成,编程计算机(RS232通讯口)和S7-200PLC控制器(RS485通讯口)之间通讯采用PPI通讯模块。
三层电梯模拟被控对象结构示意图如下所示。
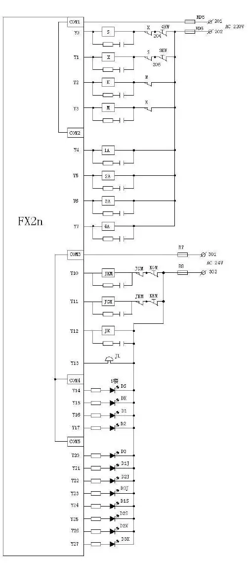
2.定义I/O口地址分配表输入信号输出信号信号元件及作用PLC输入口地址信号元件及作用PLC输出口地址启动/停止带锁按钮一层内选记忆灯L1一层内选按钮K1 二层内选记忆灯L2二层内选按钮K2 三层内选记忆灯L3三层内选按钮K3 一层外呼向上灯UP1一层平层检测KL1 二层外呼向上灯UP2二层平层检测KL2 二层外呼向下灯DL2三层平层检测KL3 三层外呼向下灯DL3一层外选向上按钮U1 上行指示灯二层外选向上按钮U2 下行指示灯二层外选向下按钮D2 一层楼层指示灯SL1三层外选向下按钮 D3 二层楼层指示灯SL2三层楼层指示灯SL3接0V DC 1M 接24V DC 1L、2L、3L3.设计出硬件系统接线图三、控制内容及程序设计(一) 顺序呼叫控制内容1. 设计要求(1) 电梯初始位置在一层;(2) 电梯到达某一层,按下平层检测传感器,层显灯亮,同时层选灯灭;(3) 电梯离开某一层,按下平层检测传感器,层显灯灭;(4) 电梯运行方向用上、下行指示灯标记,电梯上行时,上行指示灯亮;电梯下行时,下行指示灯亮。
宁波理工学院自动控制原理题目三层电梯PLC控制系统设计组员学号班级电子信息工程111班指导老师孙林军一.三层电梯系统控制要求:(1)当轿厢停在一楼时,如果三楼有呼叫,则轿厢直接上升到三楼;如果二楼有呼叫,则轿厢直接上升到二楼;如果二楼和三楼同时有呼叫,则先上升到二楼再到三楼。
(2)当轿厢停在三楼时,如果一楼有呼叫,则轿厢直接下降到一楼;如果二楼有呼叫,则轿厢直接下降到二楼;如果二楼和一楼同时有呼叫,则先下降到二楼再到一楼。
(3)当轿厢停在二楼时,如果一楼有呼叫,则轿厢直接下降到一楼;如果三楼有呼叫,则轿厢直接上升到三楼;如果三楼和一楼同时有呼叫,要看电梯运行方向,原来电梯下行则轿厢先下降到一楼再上升到三楼;原电梯上行,则轿厢先上升到三楼再下降到一楼。
(4)当轿厢停在每一层楼时,停3S后开门,开门6S后关门,再停2S后继续运行。
(5)轿厢运行期间不能开门,轿厢不关门不允许运行。
二.根据以上要求,可分为轿厢上/下行电机、电梯门开/关电机A、电梯门开/关电机B、电梯门开/关电机C等控制对象建立要求表。
(1) 轿厢上/下行电机,控制要求如下图:控制对象轿厢上/下行电机控制方式按下楼层开关,电机启动;轿厢到达指定楼层则电机停止工作条件一楼、二楼、三楼电梯门关闭(2) 电梯门开/关电机A,控制要求如下图:控制对象电梯门开/关电机A控制方式轿厢停在一楼层,3S后启动,启动1S后停止;停止6S后启动,启动1S后停止工作条件(1)轿厢到达一楼层(2)轿厢上/下行电机停止(3) 电梯门开/关电机B,控制要求如下图:控制对象电梯门开/关电机B控制方式轿厢停在一楼层,3S后启动,启动1S后停止;停止6S后启动,启动1S后停止工作条件(1)轿厢到达二楼层(2)轿厢上/下行电机停止(4) 电梯门开/关电机C,控制要求如下图:控制对象电梯门开/关电机C控制方式轿厢停在一楼层,3S后启动,启动1S后停止;停止6S后启动,启动1S后停止工作条件(1)轿厢到达三楼层(2)轿厢上/下行电机停止三.I/O地址分配总表输入继电器中间继电器输出继电器地址功能地址功能地址功能I0.2 一楼呼叫按钮 M20.0 启动电梯到三楼停止 Q4.6 一楼呼叫显示I0.1 二楼呼叫按钮 M20.1 启动电梯到二楼停止 Q4.5 二楼呼叫显示I0.0 三楼呼叫按钮 M20.2 启动电梯到一楼停止 Q4.4 三楼呼叫显示I1.0 开门按钮M0.7 电梯(停止/运行) Q4.3 电梯关门I1.1 关门按钮T1 电梯停止3s后开门Q4.2 电梯开门I0.5 一楼平层开关 T2 电梯停止6s后开门Q4.1 电梯下行I0.4 二楼平层开关 T3 电梯关门2s后运行Q4.0 电梯上行I0.3 三楼平层开关四.电控箱五.程序的编制(1)楼层显示程序如下所示程序段1:一层楼层显示程序段2:二层楼层显示程序段3:三层楼层显示(2)楼层呼叫程序如下所示程序段1:电梯状态变量读入程序段2:一层请求保存,到达停止时请求清除程序段3:二层请求保存,到达停止时请求清除程序段4:三层请求保存,到达停止时请求清除程序段5:电梯变量更新(3)轿厢停止控制程序如下所示程序段1:读入楼层输入和保存楼层请求状态变量程序段2:满足停止条件时停止电梯(4)轿厢上/下行方向控制程序如下图所示程序段1:保存楼层请求、楼层开关状态读入程序段2:当前楼层为1层,方向切换上行程序段3:当前楼层为3层,方向切换上行程序段4:当前楼层为2层且原来上行程序段5:当前楼层为2层且原来下行(5)轿厢开/关门控制程序如下图所示程序段1:自动开门程序段2:手动开门程序段3:自动关门程序段4:手动关门(6)组织管理控制程序如下图所示程序段1:楼层请求程序段2:轿厢停止控制程序段3:轿厢上行/下行程序段4:楼层显示教师评语:。
名称:三层电梯控制系统的设计目录1.课程设计目的 (1)2.课程设计题目和要求 (1)2.1设计题目 (1)2.2控制要求 (1)3.设计内容 (1)3.1PLC的构成 (1)3.2电梯模型PLC控制系统设计 (1)3.3I/O地址分配 (3)3.4I/O接线图 (4)3.5电梯的控制系统设计 (5)3.5.1电梯控制系统实现的功能 (5)3.5.2电梯操作方式 (6)3.5.3控制系统流程图 (9)3.6控制系统梯形图 (10)4.设计总结 (10)参考书目 (10)1.课程设计目的(1)通过对工程实例的模拟,熟练的掌握PLC的编程和程序调试方法。
(2)进一步熟悉PLC的I/O连接。
(3)熟悉水塔水位控制的编程方法。
2.课程设计题目和设计方案2.1设计题目水塔水位控制2.2设计方案3.水塔水位自动控制系统设计3.1水泵电动机控制电路的设计给排水工程中常用三相异步电动机,水泵上的电动机一般都是单向旋转有以下控制。
在水塔水位检测系统中通过水位传感器检测实际水位高度,当水位低于最低水位时间向PLC发出信息启动水泵,经过4分钟检测水塔水位是否提高控制水泵的工作,当水位达到最高水位时间时向PLC发出信息控制信息停止水泵工作。
供水系统的基本原理如图所示,水位闭环调节原理是:通过在水塔中的水位传感器,将水位置变换为电流信号进入PLC,执行较后程序,通过水泵的开关对水塔的水位进行自动控制。
3.2 电梯模型PLC控制系统设计由于电梯的运行是根据楼层和轿厢的呼叫信号、行程信号进行控制,而楼层和轿厢的呼叫是随机的,因此,系统控制采用随机逻辑控制。
即在以顺序逻辑控制实现电梯的基本控制要求的基础上,根据随机的输入信号,以及电梯的相应状态适时的控制电梯的运行。
另外,轿厢的位置是由脉冲编码器的脉冲数确定,并送PLC的计数器来进行控制。
同时,每层楼设置一个接近开关用于检测系统的楼层信号。
为便于观察,对电梯的运行方向以及电梯所在的楼层进行显示,采用LED 和发光管显示,而对楼层和轿厢的呼叫信号以指示灯显示(开关上带有指示灯)。
plc三层电梯控制设计
PLC三层电梯控制系统是指利用PLC(可编程逻辑控制器)将基础元件联合在一起,实现对电梯运行的自动控制。
PLC三层电梯控制设计主要包括硬件系统和软件系统两部分。
一、硬件系统
PLC三层电梯控制硬件系统包括电梯物理设施、控制面板、按钮、PLC主控板、输出板、驱动板等。
其中,电梯物理设施包括电梯轿厢、电梯轿厢门、电梯井道、电梯轿厢平移系统、电梯传感器、电梯限位器等。
控制面板则是用户与电梯系统之间的接口,可以对电梯
进行调控。
按钮则是为了控制电梯的运行,可在轿厢内和轿厢外设置。
PLC主控板是整个
系统的核心部分,负责控制电梯的启动和停止。
输出板和驱动板分别用于控制电机和门锁
的运行。
PLC三层电梯控制软件系统主要包括自动模式和手动模式。
自动模式是指电梯按照预
先设定的路线和规则,自动完成运行任务。
手动模式则是由用户自行操作,控制电梯的运行。
软件系统设计的过程需要遵循以下几步:
1、需求分析
在软件设计前,需要对电梯的运行需求进行详细的分析,包括电梯所处的环境、电梯
的使用人群、电梯的路线规划等。
2、系统设计
根据需求分析的结果,设计PLC的控制逻辑,确定PLC的输入输出状态。
例如,当用
户按下楼层按钮时,PLC将检测到并向电机输出信号,使电梯开始运行。
3、程序编写
接着,将PLC控制逻辑翻译成程序语言,例如LD语言或FBD语言,并将其上传至PLC 中。
4、测试调试
最后,进行测试调试,验证PLC控制逻辑的正确性和系统的可靠性。
PLC课程设计(三层电梯控制系统)系统介绍本篇文档将介绍一个基于PLC的三层电梯控制系统,包括系统的架构、PLC程序设计及硬件实现。
系统架构三层电梯控制系统由三部分组成:电梯控制器、上行电梯和下行电梯。
系统的架构如下图所示:+--------------+| || 控制器(PLC)+----> 上行电梯| |+--------------+||+----------> 下行电梯PLC程序设计状态图PLC程序设计基于电梯的状态图,如下所示:+--------------------++------>| 开门状态 |<-------------+| +--------------------+ || ^ || | |+------------+ +------------+ +----------------+ | 初始状态 |---->| 运行状态 |------->| 初始状态 | +------------+ +------------+ +----------------+ | | || v || +--------------------+ |+-------| 关门状态 |--------------++--------------------+在初始状态下,电梯处于停止状态。
当有请求时,电梯进入运行状态,前往相应楼层。
当到达楼层时,电梯进入开门状态,然后回到初始状态。
如果超过一段时间后没有操作(如10秒),电梯进入关门状态,然后返回初始状态。
PLC程序PLC程序设计与状态图密切相关,如下:M0 --> 延时10秒 --> M1 --> M2| | || v |+---------------> 开门 <---+M3 上行楼层 | 下行楼层| | || v |+------------------运行----+M0~M3是输入信号,表示控制器接收到的外部信号。
摘要现今社会中,经纪发展迅速,高楼大厦,日益增多,高层建筑中,楼层高的有几十层,仅仅是楼梯已无法达到人们的需求,电梯的出现解决了这一难题,所以,电梯的发展也成为了一种趋势,对于电梯控制越来越高,被人们所青睐,成为了高层建筑中的列班车。
人们生活好了,对于安全以及生活舒适度的要求也更高,因而电梯在之后的发展中,也随着这一趋势发展。
对于如何达到乘客乘坐电梯时,既安全又舒适这一问题,电梯的控制要求在电机调速、控制精度、以及调速范围等等,在各个方面提出了更加严格的控制要求。
随着工业需求发展,PLC 也由此诞生,利用PLC控制,为其提供了更为宽广的发展方向。
PLC因工业而生,随着其发展,其体积越来越小、功能也越来越完善、控制效果更加稳定、能够减小外界干扰对其的影响。
具有把机械和电气元器件,集成在一个系统里的功能。
因此,PLC对于电梯的发展,也成为了其操作的关键技术。
关键词:电梯、PLC、继电器ABSTRACTIn the modern society, the rapid development of the brokerage, high-rise buildings, increasingly, high-rise buildings, floors high, dozens of layer is only stairs have been unable to meet the demand of people, the emergence of the elevator solved this difficult problem, therefore, the development of the elevator has also become a kind of trend, for elevator control more and more high, favored by people, became a high-rise building columns in the bus. People living well, also to the requirement of safety and comfort of life is higher, so the elevator in later development, also with the development of this trend. About how to attain the passenger elevator, safe and comfortable this problem, the elevator control requirements in the motor speed and control precision and speed range and so on, puts forward the more strict control requirements in each aspect. Also was born, with the development of industrial demand, PLC control using PLC, provided the development direction of wider. PLC for industry, along with its development, its volume is more and more small, function also more and more perfect, the control effect is more stable, can reduce the influence of interference on the. With the mechanical and electrical components, the function of integrated in a system. Therefore, PLC for the development of the elevator, has become the key technology of its operationKeywords: elevator,PLC,relay目录前言 (1)第一章电梯的概述 (3)1.1电梯的定义 (3)1.2电梯的框架 (3)1.3电器部件 (4)1.4电梯控制系统发展的现状 (6)1.5电梯继电器控制系统的特点及存在问题 (7)1.6电梯技术发展趋势 (8)第二章PLC的概述 (9)2.1定义 (9)2.2功能 (10)2.3特点 (12)2.4 PLC与其他工业控制系统的比较 (16)2.5发展历史 (18)2.6 PLC的现状及发展趋势 (18)第三章三层电梯的设计 (20)3.1控制系统设计的基本原理 (20)3.2控制系统总体设计方案 (20)3.2.1控制要求 (21)3.2.2主电路的系统设计 (22)3.2.3硬件选型 (22)3.2.4电梯的I/O点分配 (24)3.2.5控制流程图 (26)3.2.6程序梯形图 (29)3.2.7程序语句表 (33)第四章程序运行仿真 (38)4.1仿真软件 (38)4.2触摸屏基本介绍 (38)4.3人机界面触摸屏软件的安装 (38)4.4触摸屏仿真画面的建立 (39)4.5 GT Simulater2仿真程序的使用 (40)4.6 程序运行仿真 (40)结束语 (44)参考文献 (45)前言现今社会中,经纪发展迅速,高楼大厦,日益增多,高层建筑中,楼层高的有几十层,仅仅是楼梯已无法达到人们的需求,电梯的出现解决了这一难题,所以,电梯的发展也成为了一种趋势,对于电梯控制越来越高,被人们所青睐,成为了高层建筑中的列班车。
毕业设计(论文)课题名称基于plc的三层电梯控制系统设计基于plc的三层电梯控制系统设计摘要电梯是高层建筑不可缺少的运输工具,用于垂直运送乘客和货物,传统的电梯控制系统主要采用继电器--接触器进行控制,其缺点是触点多,故障率高、可靠性差、维修工作量大等,而采用PLC组成的控制系统可以很好地解决上述问题。
本论文通过讨论电梯控制系统的组成,阐述可编程控制器(PLC)在电梯控制中的应用,采用三菱PLC编程的程序控制方式,提出了三层电梯的PLC控制系统总体设计方案、设计过程、组成,列出了具体的主要硬件电路、电梯的控制梯形图及指令表。
并给出了系统组成框图和程序流程图,在分析、处理随机信号逻辑关系的基础上,提出了PLC的编程方法,设计了一套完整的电梯控制系统方案。
采用本方案实现电梯控制,能够解决继电器——接触器触点多,故障率高、可靠性差、安装调试周期长、维修工作量大、接线复杂等缺点。
使电梯运行更加安全、方便、舒适。
关键词:安全、电梯、PLC、梯形图、系统组成框图第1章电梯概述1.1 引言随着城市建设的不断发展,城市迅速的崛起,高层建筑的不断增多,电梯作为高层建筑中垂直运行的交通工具已与人们的日常生活密不可分。
它是采用电力拖动方式,将载有乘客或货物的轿厢,运行于垂直方向的两根刚性导轨之间,运送乘客和货物的固定式提升设备。
所以,电梯是为高层建筑运输服务的设备,它具有运送速度快、安全可靠、操作简便的优点。
但传统的电梯控制系统主要采用继电器--接触器进行控制,其缺点是触点多,故障率高、可靠性差、维修工作量大等,而采用PLC组成的控制系统可以很好地解决上述问题,使电梯运行更加安全、方便、舒适。
目前电梯的控制普遍采用了两种方式,一是采用微机作为信号控制单元,完成电梯信号的采集、运行状态和功能的设定,实现电梯的自动调度,拖动控制则由变频器来完成;第二种控制方式用可编程控制器取代微机实现信号控制。
从控制方式和性能上来说,这两种方法并没有太大的区别。
(完整)PLC三层电梯自动控制设计编辑整理:尊敬的读者朋友们:这里是精品文档编辑中心,本文档内容是由我和我的同事精心编辑整理后发布的,发布之前我们对文中内容进行仔细校对,但是难免会有疏漏的地方,但是任然希望((完整)PLC三层电梯自动控制设计)的内容能够给您的工作和学习带来便利。
同时也真诚的希望收到您的建议和反馈,这将是我们进步的源泉,前进的动力。
本文可编辑可修改,如果觉得对您有帮助请收藏以便随时查阅,最后祝您生活愉快业绩进步,以下为(完整)PLC三层电梯自动控制设计的全部内容。
河南工业职业技术学院毕业设计(论文)题目:三层楼电梯自动控制专业名称机电一体化学生姓名指导老师 XXX毕业时间 2017年7月目录第一章绪论 (1)1。
1电梯的应用与发展 (1)1.2电梯的发展现状 (2)1。
3研究背景 (2)1.4研究内容 (2)第二章电梯PLC控制方面的简介 (2)2.1 可编程控制器的简介 (3)2。
2 PLC的工作原理 (3)2.3 PLC的功能和优点 (3)2.3。
1 PLC的功能 (3)2.3.2可编程控制器PLC的优点: (3)2。
4 PLC扩展模块与系统扩展 (4)2.4。
1本地I/O与扩展I/O及其寻址 (4)2。
4.2模拟量扩展模块EM231、EM235 (5)第三章设计内容 (5)3。
1总体概要 (5)3.2程序的设计 (5)3。
3电梯控制系统的模拟实验控制面板 (6)3.4程序及过程分析 (7)3.4.1过程分析 (7)3。
4。
2梯形图 (8)程序如下: (8)结论 (20)致谢 (22)参考文献 (23)第一章绪论1.1电梯的应用与发展1854年,在纽约水晶宫举行的世界博览会上,美国人伊莱沙·格雷夫斯·奥的斯第一次向世人展示了他的发明-历史上第一部安全升降梯。
从那以后,升降梯在世界范围内得到了广泛应用。
以奥的斯的名字而命名的电梯公司也开始了她辉煌的旅程。
150年以来,她已经发展成为世界、亚洲和中国领先的电梯公司。
3 三层电梯PLC控制系统设计3.1 电梯的控制要求电梯由安装在各楼层厅门口的呼叫按钮进行呼叫操纵和电梯轿厢内设有楼层内选按钮进行控制,用以选择需停靠的楼层。
楼层指示灯有三个,分别指示电梯当前位置。
运行状态指示灯有两个,分别指示当前电梯运行的状态。
电梯每次运行只响应单一呼叫,例如,电梯停在一层,在三层轿厢外呼叫时,必须按三层呼叫按钮,电梯才响应呼叫(从一层运行到三层),在电梯停止运行前按其他层呼叫按钮均无效,依此类推。
3.2 三层电梯主电路图2 三层电梯主电路图图中L1、L2、L3为三相电源,三相电动机M3~为电梯轿厢上行和下行电动机,由KM7和KM8分别控制电动机正反转从而控制轿厢的上行和下行;M1、M2、M3为电梯开关门控制的直流电动机,分别由接触器KM1~KM6的触点控制;QS1为总开关(刀开关),起隔离电源作用;FU为熔断器,起短路和严重过载保护;FR为热继电器,起过载和断相保护作用。
3.3 输入输出点数分配1. 输入部分:表2 输入接口分配表X1 一层内呼 SB1 X13 一层开门到位 SQ1 X4 一层到位 SQ7 X2 二层内呼 SB2 X14 二层开门到位 SQ2 X5 二层到位 SQ8 X3 三层内呼 SB3 X15 三层开门到位 SQ3 X6 三层到位 SQ9 X23 一层外呼 SB4 X20 一层关门到位SQ4 X10 一层防夹 SQ10 X24 二层外呼 SB5 X21 二层关门到位 SQ5 X11 二层防夹 SQ11 X25 三层外呼 SB6 X22 三层关门到位 SQ6 X12 三层防夹 SQ122.输出部分:表3 输出接口分配表Y1 灯L Y14 一层关门KM4Y2 上升显示L4 Y15 二层关门KM5Y3 下降显示L5 Y16 三层关门KM6Y4 一层到位显示L1 Y13 电梯上升输出KM7Y5 二层到位显示L2 Y17 电梯下降输出KM8Y6 三层到位显示L3 Y11 二层开门KM2Y10 一层开门KM1 Y12 三层开门KM33.4 PLC外围接线图图3 PLC外围接线图3.5 功能指令表概述由于PLC是由取代继电器开始产生并发展起来的,且早期的PLC绝大部分用于顺序控制,于是许多人习惯把PLC看作是继电器、定时器、计数器的集合.把PLC的作用局限地等同于继电控制系统顺控器等,其实PLC就是工业控制计算机PLC系统具有一切计算机控制系统的功能,大型的PLC系统就是当代最先进的计算机控制系统小型的PLC由于运算速度及存贮容量的限制.功能自然稍弱。
1、输入接口:
(1)安全回路
(2)门锁
(3)检修开关
(4)上平层感应器(5)下平层感应器(6)向上按钮
(7)向下按钮
(8)关门按钮
(9)开门按钮
(10)上强迫减速限位(11)下强迫减速限位(12)消号按钮
(13)锁梯钥匙
(14)一楼楼层感应器(15)二楼楼层感应器(16)三楼楼层感应器(17)一楼指令按钮(18)二楼指令按钮(19)三楼指令按钮(20)一楼向上召唤按钮(21)二楼向上召唤按钮2、输出接口
(1)上行接触器
(2)下行接触器
(3)快车接触器
(4)慢车接触器
(5)一级加速接触器
(6)一级减速接触器
(7)二级减速接触器
(8)三级减速接触器
以上为一组:选用交流220V电压的接触器(9)开门继电器
(10)关门继电器
(11)JK继电器
(12)蜂鸣器
(13)向上方向显示
(14)向下方向显示
(15)一楼楼层显示
(16)二楼楼层显示
(17)三楼楼层显示
(18)一楼指令显示
(19)二楼指令显示
(20)三楼指令显示
(22)二楼向下召唤按钮
(21)一楼上召唤显示
(23)三楼向下召唤按钮
(22)二楼上召唤显示
(23)二楼下召唤显示
(24)三楼下召唤显示
以上合并为一组,选用交流24V电压电源。
电梯由安装在各楼层厅门口的上升和下降呼叫按钮进行呼叫操作,其操纵内容为电梯运行方向,L1为一层指示、L2为二层指示、L3为三层指示,SQ1—SQ3为到位行程开关。
电梯上升途中只响应上升呼叫,下降途中只响应下降呼叫,任何反方向的呼叫都是无效的。
例如,电梯停在一层,在三层轿厢外呼叫时,必须按三层上升呼叫按钮,电梯才响应呼叫(从一层运行到三层),按三层下降呼叫按钮无效;反之,若电梯停在三层,在一层轿厢外呼叫时必须按一层下降呼叫按钮,电梯才响应呼叫,按三层上升呼叫按钮无效,依此类推。
过程分析(1)轿厢原停楼层1,楼层3呼叫接通I0.2即接通SQ1,表示轿厢原停楼层1,按SB3,即I0.3接通一下,表示呼叫楼层3,则接通Q0.5,三层呼叫指示灯亮,Q0.4接通,表示电梯上升。
过1秒后,Q0.2接通,底层指示灯亮,3秒后,Q0.2断开则底层指示灯灭。
I0.2断开即SQ1断开,3秒后Q0.1接通,二层指示灯亮,过2秒后Q0.1断开,二层指示灯灭。
又过3秒,到达三层,Q0.0接通,三层指示灯亮,再过2秒,Q0.4断开,上升指示灯灭。
(2)轿厢原停楼层为1,楼层2呼叫接通I0.2即接通SQ1,表示轿厢原停楼层为1,按SB2,即I0.4接通一下,表示呼叫楼层2,则Q0.6接通,二层呼叫指示灯亮,Q0.4接通,表示电梯上升。
过1秒后,Q0.2接通,底层指示灯亮,3秒后,Q0.2断开,则底层指示灯灭。
断开I0.2即断开SQ1,3秒后Q0.1接通,二层指示灯亮,再过2秒,Q0.4断开,上升指示灯灭。
(3)轿厢原停楼层1,楼层2、3同时呼叫接通I0.2即接通SQ1,表示轿厢原停楼层1,同时按SB2、SB3即I0.4、I0.3同时接通一下,表示2、3楼层同时呼叫,则Q0.6、Q0.5都接通,二、三层呼叫指示灯亮,Q0.4接通,表示电梯上升。
过1秒后,Q0.2接通,底层指示灯亮,3秒后Q0.2断开,则底层指示灯灭。
断开I0.2即断开SQ1,3秒后接通I0.1即接通SQ2,1秒后,Q0.1接通,二层指示灯亮,又过2秒后Q0.1断开,二层指示灯灭。
江南大学 PLC 课程设计江南大学物联网工程学院 《电气控制及 PLC》 综合设计报告设计题目: 专 班 姓 学 业: 级: 名: 号:指导教师:二 0 一二年 6 月21日1 / 17江南大学 PLC 课程设计目录1.课程设计目的 ……………………………………………………1 2. 课程设计题目及要求……………………………………………1 3. 三层电梯自动控制 PLC 设计……………………………………4 3.1 控制任务的分析与输入输出点分配………………………43.1.1 电梯的基本结构…………………………………………………………4 3.1.2 电梯的控制任务分析……………………………………………………5 3.1.3 电梯 PLC I/O 配线表…………………………………………………63.2 3.3三层电梯控制原理图…………………………………………6 S7-300 的硬件组态及序……………………………………83.3.1 S7-300 的硬件组态……………………………………………………8 3.3.2 程序设计思路…………………………………………………………123.4操作说明及注意事项…………………………………15总结及体会 参考文献…………………………………………………15 ………………………………………………………172 / 17江南大学 PLC 课程设计1.课程设计目的课程设计的主要目的是通过某一生产设备的电气控制装置的设计实践, 了解一般电气控制系 统设计过程、设计要求、应完成的工作内容和具体设计方法。
通过设计也有助于复习、巩固以往 所学的知识,达到灵活应用的目的。
课程设计应强调能力培养为主, 在独立完成设计任务的同时, 还要注意其他几方面能力的培 养与提高,如独立工作能力与创造力;综合运用专业及基础知识的能力,解决实际工程技术问题 的能力;查阅图书资料、产品手册和各种工具书的能力;工程绘图的能力;书写技术报告和编制 技术资料的能力。
xxxx毕业设计(论文)设计(论文)题目:三层电梯的PLC控制设计姓名学号系部专业年级指导教师2010年4月摘要电梯作为现代高层建筑的垂直交通工具,与人们的工作和日常生活紧密相关,随着人们对其要求的提高,电梯也得到快速发展,其拖动技术已经发展到了调频、调压、调速,其逻辑控制也由PLC代替原来的继电器控制,PLC具有灵活通用、高可靠性、易于编程、使用方便等特点,因此,近年来在工业自动控制、机电一体化、改造传统产业得到普遍应用。
本文首先对电梯系统及可变程序控制器(PLC)、变频器作为比较全面的总结及介绍。
由PLC来实现电梯信号控制、变频器实现变频调速完成了变频器和可编程继电器的选择。
然后是系统硬件开发、完成了变频器的参数设置及PLC的选型、I∕O点数分配以及旋转编码器与PLC的连接。
最后对改造后的电梯系统进行模拟调试。
关键词:电梯;可编程控制器(PLC);继电器;变频器调速ABSTRACTThe elevator as modern high-rise building .the vertical transport and the people′s work ,is closely related to daily life ,as people improve their requirements ,the lift has also been raid development of technology has been developed and drag it to the frequency ,voltage regulator ,governor ,the logic control by the PLC to replace the original relay control .PLC have high reliability ,ease of programming ,ease of use and so on .thus in recent years in industrial automation ,mechanical and electrical integration ,the transformation of traditional industries has been widely used and so on .In this paper ,first to the elevator systematic and the programmable controller(PLC) , the frequency changer has made the quite comprehensive summary and the introduction .Realizes the elevator signal control by PLC ,the frequency changer realizes the frequency conversion velocity modulation ,has completed the frequency changer and the programmable relay′s chose .Is the system hardware development ,has completed frequency changer′s parameter establishment and the PLC shaping ,the I∕O points assignment as well as the revolving encoder and the PLC connection .Finally after transforming the elevator system carries on the simulation debugging .Key word : elevator ;programmable logic controller(PLC) ;relay ;speed converter目录第一章绪论---------------------------------------------------------------------------------------------------------- 5前言 ------------------------------------------------------------------------------------------------------------------- 5电梯的基本知识 -------------------------------------------------------------------------------------------- 5电梯的出现 ------------------------------------------------------------------------------------------------ 5电梯的工作原理---------------------------------------------------------------------------------------- 5电梯的分类 ------------------------------------------------------------------------------------------------------ 6第二章电梯设备------------------------------------------------------------------------------------------------- 8电梯的机械系统的结构框图如下所示 -------------------------------------------------------- 8电梯的组成 ------------------------------------------------------------------------------------------------------ 8电梯参数的计算 -------------------------------------------------------------------------------------------- 11 --------------------------------------------------------------------------------------------------------------------- 11 --------------------------------------------------------------------------------------------------------------------- 12 --------------------------------------------------------------------------------------------------------------------- 13第三章变频器的选择及其参数设计 ------------------------------------------------------------ 14 --------------------------------------------------------------------------------------------------------------------------- 14 --------------------------------------------------------------------------------------------------------------------------- 14变频器选型 ---------------------------------------------------------------------------------------------- 14 MICROMASTER 440 通用型变频器 -------------------------------------------------------- 14 3.3 变频器容量计算------------------------------------------------------------------------------------ 153.4 变频起制动电阻的计算 ----------------------------------------------------------------------- 16第四章 PLC的选择及其硬件开发---------------------------------------------------------------- 17 PLC及其在电梯控制中的应用特点------------------------------------------------------------ 17 PLC控制电梯的优点------------------------------------------------------------------------------------- 18(PLC)的选型 ------------------------------------------------------------------------------------------------ 18 PLC控制系统硬件开发--------------------------------------------------------------------------------- 19井道中的传感器及检测开关的设置----------------------------------------------------------- 21厅外召唤、方向指示及层楼显示器的设计 ---------------------------------------------- 22第五章软件设计---------------------------------------------------------------------------------------------- 24系统结构流程图 -------------------------------------------------------------------------------------------- 24 I/O点数的分配及机型的选择 -------------------------------------------------------------------- 25电梯的开关门控制---------------------------------------------------------------------------------------- 27电梯到层指示控制---------------------------------------------------------------------------------------- 28轿厢外去某层指示控制-------------------------------------------------------------------------------- 29轿厢内去某层指示控制-------------------------------------------------------------------------------- 30电梯的方向选择 -------------------------------------------------------------------------------------------- 31轿厢楼层位置的确定与显示 ------------------------------------------------------------------- 31电梯的启动及变速控制-------------------------------------------------------------------------------- 33结束语 -------------------------------------------------------------------------------------------------------------------- 35致谢 ------------------------------------------------------------------------------------------------------------------------- 36参考文献 ----------------------------------------------------------------------------------------------------------------- 37第一章绪论前言随着现代城市的发展,高层建筑日益增多,电梯成为人们日常生活必不可少的代步工具。
3层电梯PLC控制程序设计1、接线INPUT 00 接传感器输出 S3(第三层到达信号);INPUT 01 接传感器输出 S2(第二层到达信号);INPUT 02 接传感器输出 S1(第一层到达信号);INPUT 03 接(第三层请求下)PB3;INPUT 04 接(第二层请求上)PB4;INPUT 05 接(第二层请求下)PB5;INPUT 06 接(第一层请求上)PB6;INPUT 07 接(去第三层)按键3 输出插孔PC3;INPUT 08 接(去第二层)按键2 输出插孔PC2;INPUT 09 接(去第一层)按键1 输出插孔PC1;INPUT 10 接(开门信号)按键输出插孔PK1;INPUT 11 接(关门信号)按键输出插孔PG1;OUTPUT 00 接第三层到达指示灯FL3;OUTPUT 01 接第二层到达指示灯FL2;OUTPUT 02 接第一层到达指示灯FL1;OUTPUT 03 接 FMQ(蜂鸣器)(电梯开门);OUTPUT 04 接 LED指示灯(电梯关门);OUTPUT 05 接电梯启/停控制端TD;OUTPUT 06 接电梯升/降控制端ZF;OUTPUT 07 接(第三层请求下)指示灯PB03;OUTPUT 08 接(第二层请求上)指示灯PB04;OUTPUT 09 接(第二层请求下)指示灯PB05;OUTPUT 10 接(第一层请求上)指示灯PB06;OUTPUT 11 接(去第三层)按键指示灯PC03;OUTPUT 12 接(去第二层)按键指示灯PC02;OUTPUT 13 接(去第一层)按键指示灯PC01;2、控制要求:首先按动按键 PO8,启动电梯实验区。
(1)开始时,电梯处于任意一层;(2)当有外呼梯信号到来时,电梯响应该呼梯信号,到达该楼层时,电梯停止运行,电梯门打开(开门时蜂鸣器响),延时2S自动开门。
(3)当有内呼梯信号到来时,电梯响应该呼梯信号,到达该楼层时,电梯停止运行,电梯门打开(开门时蜂鸣器响),延时2S自动关门。
1. 三层电梯PLC控制系统设计
1.1实训目的
本次设计是一种电梯PLC控制系统。
电梯是垂直方向的运输设备,是高层建筑中不可缺少的交通运输设备。
它靠电力,拖动一个可以载人或物的轿厢,在建筑的井道导轨上做垂直升降运动,在人们生活中起着举足轻重的作用。
而控制电梯运行的PLC系统也要求越来越高,要求达到电梯运行的“稳、准、快”的运行目的。
该系统主要由PLC、逻辑控制电路组成。
其中包括交流异步电动机、继电器、接触器、行程开关、按钮、发光指示器和变频器组成为一体的控制系统。
整个系统通过PLC、逻辑控制电路对电梯的升降;加、减速;平层;起动、制动控制。
其结构简单、运行效率高、平层精度高、易于理解与掌握。
1.2 实训容和控制要求
工作过程:电梯由安装在各楼层厅门口的呼叫按钮进行操纵,其操纵容为呼叫电梯、运行方向和停靠楼层。
每层楼设有呼叫按钮(一层U1,二层U2,D2,三层D3),指示灯L1指示电梯在一层与二层之间运行、L2指示在二层与三层之间运行、L3指示在三层与二层之间运行、SQ1~SQ3为到位行程开关。
电梯上升途中只响应上升呼叫,下降途中只响应下降呼叫,任何反方向的呼叫均无效。
输出端用输出指示灯的状态来模拟输出设备的状态。
三层楼电梯的自动控制要求如下:
(1)当电梯停于1F或2F时,如果按3F按钮呼叫,则电梯上升到3F,由行程开关SQ3停止;
(2)当电梯停于3F或2F时,如果按1F按钮呼叫,则电梯下降到1F,由行程开关LS1停止;
(3)当电梯停于1F,如果按2F按钮呼叫,则电梯上升到2F,由行程开关
LS2停止;
(4)当电梯停于3F,如果按2F按钮呼叫,则电梯下降到2F,由行程开关LS2停止;
(5)当电梯停于2F,而2F、3F按钮均有人呼叫时,电梯先上升到2F,由LS2控制暂停2S后,继续上升到3F,由LS3停止;
(6)当电梯停于3F,而1F、2F按钮均有人呼叫时,电梯下降到2F,由LS2控制暂停2S后,继续下降到1F,由LS1停止;
(7)在电梯上升途中,任何反方向的下降按钮呼叫均无效;
(8)在电梯下降途中,任何反方向的上升按钮呼叫均无效;
(9)每层楼之间的到达时间应在10s完成,否则电梯停机;
(10)电梯的起始位置和程序的启动、停止运行自行设计。
1.3电梯的结构
1-减速箱2-曳引轮
3-曳引机底座4-导向轮
5-限速器6-机座
7-导轨支架8-曳引钢绳
9-开关碰铁10-紧急开关
11-导靴12-轿架
13-轿门14-安全钳
15-导轨16-绳头组合
17-对重18-补偿链
19-补偿链导轮20-紧置
21-缓冲器22-底坑
23-层门24-呼梯盒
25-层楼指示灯26-随行缆
27-轿壁28-轿操纵箱
29-开门机30-井道传器
31-电源开关32-控制柜
图1.3电梯的结构
1.4 I/O分配表
完成所设定的控制任务所需要的PLC规模主要取决于控制系统对输入,输出点的需求量和控制过程的难易程度。
根据控制要求,对PLC进行I/O配置,具体分配如下:
1数字量输入部分
在电梯控制系统中,要求的输入有运行/维修、上行下行、开关门、楼层选择按钮,以及压力传感器和限位开关输入等一共19个输入点。
输入分配表如表:
表1.4.1数字输入量地址分配
2.模拟量输入部分
在控制系统中,由于需要测量电梯厢的重量是否超过限定围,因此增加了模拟量输出/输出模块采集重量。
具体分配如表:
输入地址输入设备
AIWO 压力传感器
表1.4.2模拟量输入地址分配
3.数字量输出配置
在这个控制系统中,主要输出控制的设备有各种继电器、电动机和一些指示灯等,
共有13个输出点,其具体分配表如下:
表1.4.3数字输入量地址分配
1.5电梯PLC控制系统设计
1.5.1梯形图
(1)电梯运行状态选择程序
按钮的默认状态为I0.0断开,在断开时中间继电器M0.0闭合,不论电梯处于什么位置,电梯直接下行到底层,如果电梯就在底层,则厢门上的限位器传送信号到PLC中,表示电梯已到达目标位置,延迟一段时间后,厢门开启进行维修维护工作。
语句表:
LD I0.0 A M0.6
= M0.1 R M0.3,1 LDN I0.0 = M1.1
= M0.0 TON T38,10 LD M0.0 LD M0.1 = M0.3 A T38 LDB= VB0,1 = M1.2 梯形图程序如下:
图1.5.1 维修状态时的梯形图程序
(2)换速程序
为了保证电梯运行的快速稳定,而且能提供给乘客一个舒适的乘坐的环境,该控制系统采用双速运行的方式。
在电梯启动阶段,既能较快地到达目标楼层,也不会产生较强的不舒适感。
电梯的切换程序如图所示
双速电梯从选向、启动、运行、换速、停车过程
选向:通过比较电梯所在的位置和要到达的位置作比较,大于本电梯所在层,向上行,小于本电梯所在层向下行,起动条件:关门到位,门锁闭合,方向接触器吸合,快车接触器(KKC)吸合,抱闸开闸,通过串接电阻将压启动,经过2秒延时(KA1)吸合后全压运行,电机速度960RP/MIN,当到达所选楼层换速区时发出减速信号接触器(KKC)(KA1)释放,慢车接触器KMC吸合通过串接慢车减速电阻缓冲,经过1秒延时一级减速接触器KA2吸合短接部分缓冲电阻,再经过1秒钟延时二级减速KA3吸合全部短接缓冲电阻此时电动机转速250RP/MIN,爬行到开门区,接触器KMC,KA2,KA3,释放,抱闸失电合闸,开门接触器吸合开门.这就是整个双速电梯的
运行过程.
语句表:
LD M0.1
A M0.2 ;上行运行时
A M1.4
LD I0.7
O I1.0 ;楼层2和楼层3的下层限位器
ALD
= M1.0 ;减速成慢速运行
LD M0.1
A M0.3 ;下行运行时
A M1.4
LD I0.5 ;楼层1和楼层2的上层限位器O I0.6
ALD
= M1.0 ;减速成慢速运行
LD M0.1
A M0.2 ;上行限位器
A M1.4
LD I0.5 ;楼层1和楼层2的上层限位器O I0.6
ALD
= M0.7 ;加速成快速运行
LD M0.1
A M0.3 ;下行运行时
A M1.4
LD I0.7
O I1.0 ;楼层2和楼层3的下层限位器ALD
= M0.7 ;加速成快速运行
. 梯形图程序如下:
.
图1.5.2 电梯换速梯形图程序
(3)门定位程序
在门定位程序中,不仅要利用三个限位器对电梯门进行定位,而且需要对所在楼层的寄存器进行复位处理。
电梯的门定位程序如图所示。
2、语句表
LD I1.1
A I1.2
A I1.3
= M0.6 ;三个限位器全部对准后,门定位完毕
= M1.1 ;抱闸停车
LD M0.1
LPS
A M0.2 ;电梯上运行时
LPS
LD I0.5 ;楼层1的上层限位器
O M2.0
ALD
MOVB 0,VB1
MOVB 0,VB4 ;电梯上行时通过楼层1后,复位楼层1所有的与
上行有关的寄存器
LRD
LD I0.6 ;楼层2的上层限位器
O M2.1
ALD
MOVB 0,VB2
MOVB 0,VB5 ;电梯上行时通过楼层2后,复位楼层2所有的与
;上行有关的寄存器
LPP
AB= VB0,3 ;电梯到顶层
= M2.0
= M2.1
A M0.6
LPP
A M,0.3 ;电梯下行运行时
LPS
LD I1.0 ;楼层3的下层限位器
O M2.2
ALD
MOVB 0,VB3
MOVB 0,VB7 ;电梯下行时通过楼层3后,复位楼3所有的与
下行有关的寄存器
LRD
LD I0.7
O M2.3
ALD
MOVB 0,VB2
MOVB 0,VB6 ;电梯下行时通过楼层2后,复位楼2所有的与
下行有关的寄存器
LPP
AB= VB0,1 ;电梯到达顶层
= M2.2
= M2.3
A M0.6
梯形图程序如下:
图1.5.3 电梯门定位梯形图程序。