机具设备人员报审表
- 格式:doc
- 大小:32.50 KB
- 文档页数:2
CB06 现场组织机构及主要人员报审表(浙江弘大[2012]机人01号)合同名称:六安市霍邱县众兴集等(2)个乡镇众兴集等(6)个村整体推进农村土地整治示范项目(潘集片农地整治)施工II标合同编号:HQPJNZ2012-潘Ⅱ监理机构、发包人各1份。
一、组织机构图二、部门职责及主要人员及分工为优质、高效、安全完成该工程的施工任务,根据项目与施工管理要求,针对本工程特点,成立由公司直接领导的浙江弘大建设工程有限公司六安市霍邱县众兴等(2)个乡镇众兴等(6)个村整体推进农村土地整治示范项目(潘集片农地整治)施工II标项目部,项目部下设工程施工技术部、质检部、财务部、器材设备供应部、安全生产办公室、行政办公室等,选派具有丰富施工经验持二级项目经理资质证的张小红工程师担任本工程项目经理,代表公司全权负责现场施工管理工作和合同的履行,张春华工程师为技术负责人,同时从公司抽调有经验、责任心强,能胜本职工作的技术、经济等方面管理干部和技术熟练、工作态度认真、责任心强、特殊岗位持有上岗证的工人组成项目部的管理层和作业班组,各管理层和作业班组在项目经理直接领导下,各司其职,职责明确,责任到人。
项目部在公司统一领导下开展施工,项目部内部将实行统一组织指挥,统一计划协调,统一现场管理,统一物资供应,统一资金收付,统一质量管理,统一对外联络,做到精心组织、精心施工,科学管理,确保高效优质完成本标段的合同任务。
项目主要管理人员一览表1、各组织职能机构及人员职责与任务项目经理部:是整个施工项目的组织机构,是施工队伍的核心,其职能是受公司委托,按照公司于业主签订的合同要求,全面组织实施,按期优质的完成合同内容,项目经理部下设有各职能科室,建立质量保证体系和安全生产保证体系,项目经理部实行项目经理负责制。
工程施工技术部:负责施工测量放样,制订和下达施工计划,检查督促各施工队按时完成任务,协助进行现场劳动力、机械设备、材料调配工作,对施工现场进行控制,负责施工档案资料的收集、整理、分类、归档及进行技术总结,推广应用新技术、新工艺、新材料、新设备,编制施工组织设计、施工方案、进度计划。
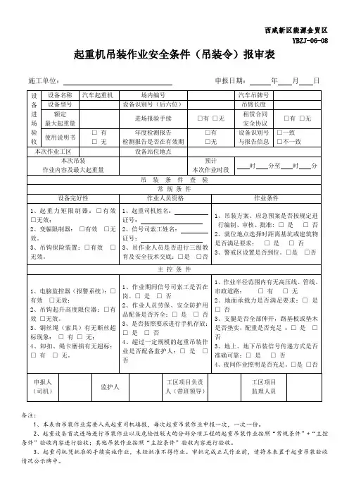
西咸新区能源金贸区
YBZJ-06-08起重机吊装作业安全条件(吊装令)报审表
施工单位:申报日期:年月日
备注:
1、本表由吊装作业需要人或起重司机填报,每次起重吊装作业申报一次,一次一份。
2、起重设备首次进场进行吊装作业以及危险性较大的分部分项工程的起重吊装作业按照“常规条件”+“主控条件”验收内容进行验收;其他吊装作业按照“主控条件”验收内容进行验收。
3、起重司机凭批准的手续实施作业,未经批准不得作业。
审批完成正式作业前,请将本表置于起重吊装验收情况公示牌中。
主要施工机械/工器具/安全防护用品(用具)报审表工程名称:安徽阜阳颍上县花园-六十铺35kV(3758)线路改造工程编号:HL-SAQX3-SG01-002致安徽阜阳颍上县花园-六十铺35kV(3758)线路改造工程监理项目部:现报上拟用于本工程的主要施工机械/工器具/安全防护用品(用具)清单及其检验资料,请查验。
工程进行中如有调整,将重新统计并上报。
器具名称检验证编号数量检验单位有效期至单轮放线滑车/24 扬州虹光电力机具有限公司/导线卡线器/14 安徽送变电工程公司送电分公司/机动绞磨/ 2 扬州市鑫业工具有限公司/紧线器/ 8 扬州虹光电力机具有限公司/抗弯连接器/ 2 常熟市电力机具有限公司/手板葫芦/ 12 扬州虹光电力机具有限公司/标牌/ 4 兴化市永盛电力器材有限公司/速差器/ 14 兴化市永盛电力器材有限公司/接地线/ 16 兴化市永盛电力器材有限公司/网套/ 6 山东德顺工具有限公司/旋转连接器/12 常熟市电力机具有限公司/压接机/ 2 常熟市电力机具有限公司/验电器/ 1 //放线滑车/ 10 广西宏湖水利电业科技发展有限公司/钢丝绳/ 26 江苏巨力钢绳有限公司/起重滑车/ 8 扬州工三电力机具有限公司/卸扣/ 10 扬州工三电力机具有限公司/附件:相关检验证明文件施工项目部(章):项目经理:日期:监理项目部审查意见:监理项目部(章):专业监理工程师:日期:注本表一式3 份,由施工项目部填报,业主项目部、监理项目部各一份,施工项目部留存 1 份百度文库- 让每个人平等地提升自我11。
主要施工机械工器具安全防护用品报审表及附件全集文档(可以直接使用,可编辑实用优质文档,欢迎下载)主要施工机械/工器具/安全防护用品(用具)报审表工程名称:安徽阜阳颍上县花园-六十铺35kV(3758)线路改造工程编号:HL-SAQX3-SG01-002注本表一式3 份,由施工项目部填报,业主项目部、监理项目部各一份,施工项目部留存 1 份安全防护用品(具)验收单表3.3注:1.本验收单作为进场验收登记表附件;2.安全防护用品(具)每批次进场后,应按规定进行验收,购置凭证(复印件)、合格证、质保书、检测报告等资料应附后;3.工具化、定型化的防护设施需验收“*”项。
安全防护用品(具)验收单表3.3注:1.本验收单作为进场验收登记表附件;2.安全防护用品(具)每批次进场后,应按规定进行验收,购置凭证(复印件)、合格证、质保书、检测报告等资料应附后;3.工具化、定型化的防护设施需验收“*”项。
安全防护用品(具)验收单表3.3注:1.本验收单作为进场验收登记表附件;2.安全防护用品(具)每批次进场后,应按规定进行验收,购置凭证(复印件)、合格证、质保书、检测报告等资料应附后;3.工具化、定型化的防护设施需验收“*”项。
安全防护用品(具)验收单表3.3注:1.本验收单作为进场验收登记表附件;2.安全防护用品(具)每批次进场后,应按规定进行验收,购置凭证(复印件)、合格证、质保书、检测报告等资料应附后;3.工具化、定型化的防护设施需验收“*”项。
施工安全防护用品报审表1、本表一式二份,由施工承包单位填报,项目监理机构、施工单位各一份,监理单位、建设单位和安全监督机构及时检查,并以此考核项目监理机构履行安全监理责任情况;2、凡施工现场安全防护用品不将相关资料报项目监理机构进行安全审查的,或审查不合格的,不得投入使用,项目监理机构应签发《安全隐患整改通知单》或《安全隐患暂时停工通知书》。
施工安全防护用品报审表安监A-271、本表一式二份,由施工承包单位填报,项目监理机构、施工单位各一份,监理单位、建设单位和安全监督机构及时检查,并以此考核项目监理机构履行安全监理责任情况;2、凡施工现场安全防护用品不将相关资料报项目监理机构进行安全审查的,或审查不合格的,不得投入使用,项目监理机构应签发《安全隐患整改通知单》或《安全隐患暂时停工通知书》。
编号:编号:端氏-长子输气管道工程(端氏首站-南陈输气站段)二标段施工设备扫描件施工机械设备(扫描件)单位工程名称端氏-长子输气管道工程(端氏首站—南陈输气站段)二标段工程编号JMDZDN分部工程名称ND—GJL工程工程部位沁水县境内75KW发电机合格证扫描人:李树繁日期:2016年4月29日审核人:日期:年月日施工机械设备(扫描件)单位工程名称端氏-长子输气管道工程(端氏首站—南陈输气站段)二标段工程编号JMDZDN分部工程名称ND—GJL工程工程部位沁水县境内75KW发电机合格证扫描人:李树繁审核人:施工机械设备(扫描件)施工机械设备(扫描件)75KW 发电机合格证扫描人:李树繁日期:2016年4月29日审核人:日期: 年 月 日单位工程名称端氏-长子输气管道工程(端氏首站—南陈输气站段)二标段工程编号JMDZDN分部工程名称ND-GJL工程工程部位沁水县境内磨光机合格证扫描人:李树繁日期:2016年4月29日审核人:日期:年月日施工机械设备(扫描件)端氏-长子输气管道工程(端氏首站-南陈输气站段)二标段施工设备扫描件单位工程名称端氏-长子输气管道工程(端氏首站—南陈输气站段)二标段工程编号JMDZDN分部工程名称ND—GJL工程工程部位沁水县境内磨光机合格证扫描人:李树繁日期:2016年4月29日审核人:日期:年月日施工机械设备(扫描件)单位工程名称端氏—长子输气管道工程(端氏首站—南陈输气站段)二标段工程编号JMDZDN分部工程名称ND-GJL工程工程部位沁水县境内风速计合格证施工机械设备(扫描件)施工机械设备(扫描件)电动油泵及焊缝检验尺合格证扫描人:李树繁日期:2016年4月29日审核人:日期: 年 月 日单位工程名称端氏—长子输气管道工程(端氏首站—南陈输气站段)二标段工程编号JMDZDN施工机械设备(扫描件)分部工程名称ND-GJL 工程 工程部位 沁水县境内ZX7—400S-X 电焊机合格证扫描人:李树繁日期:2016年4月29日审核人:日期: 年 月 日单位工程名称端氏—长子输气管道工程(端氏首站-南陈输气站工程编号 JMDZDN段)二标段分部工程名称ND—GJL工程工程部位沁水县境内ZX7—400S-X电焊机合格证扫描人:李树繁日期:2016年4月29日审核人:日期:年月日施工机械设备(扫描件)单位工程名称端氏—长子输气管道工程(端氏首站—南陈输气站段)二标段工程编号JMDZDN分部工程名称ND—GJL工程工程部位沁水县境内ZX7-400S-X电焊机合格证扫描人:李树繁日期:2016年4月29日审核人:日期:年月日施工机械设备(扫描件)单位工程名称端氏-长子输气管道工程(端氏首站-南陈输气站段)二标段工程编号JMDZDN分部工程名称ND-GJL工程工程部位沁水县境内电火花检测仪合格证扫描人:李树繁日期:2016年4月29日审核人:日期: 年月日施工机械设备(扫描件)单位工程名称端氏-长子输气管道工程(端氏首站-南陈输气站段)二标段工程编号JMDZDN分部工程名称ND—GJL工程工程部位沁水县境内电火花检测仪合格证扫描人:李树繁审核人:施工机械设备(扫描件)施工机械设备(扫描件)50KW 发电机合格证扫描人:李树繁日期:2016年4月29日审核人:日期: 年 月 日单位工程名称端氏—长子输气管道工程(端氏首站—南陈输气站段)二标段工程编号JMDZDN施工机械设备(扫描件)分部工程名称 ND —GJL 工程 工程部位 沁水县境内50KW 发电机合格证扫描人:李树繁日期:2016年4月29日审核人:日期: 年 月 日单位工程名称端氏-长子输气管道工程(端氏首站-南陈输气站段)工程编号JMDZDN二标段分部工程名称ND-GJL工程工程部位沁水县境内焊缝检验尺合格证扫描人:李树繁日期:2016年4月29日审核人:日期:年月日施工机械设备(扫描件)端氏-长子输气管道工程(端氏首站-南陈输气站段)二标段施工设备扫描件单位工程名称端氏—长子输气管道工程(端氏首站—南陈输气站段)二标段工程编号JMDZDN分部工程名称ND-GJL工程工程部位沁水县境内喷砂机合格证扫描人:李树繁日期:2016年4月29日审核人:日期: 年月日施工机械设备(扫描件)单位工程名称端氏-长子输气管道工程(端氏首站—南陈输气站段)二标段工程编号JMDZDN分部工程名称ND-GJL工程工程部位沁水县境内空气压缩机扫描人:李树繁审核人:施工机械设备(扫描件)MG-220CC电焊机合格证扫描人:李树繁日期:2016年4月29日审核人:日期:年月日。
施工起重机械设备进场/使用报审表江苏省住房和城乡建设厅监制施工起重机械设备进场/使用报审表江苏省住房和城乡建设厅监制【最新资料Word版可自由编辑!】1Z101000 工程经济1Z101010 资金时间价值的计算及应用P111.利息的计算P112. 资金等值计算及应用P513. 名义利率于有效利率的计算P111Z101020 技术方案经济效果评价P1421.经济效果评价的内容P1422. 经济效果评价指标体系P1823. 投资收益率分析P1924. 投资回收期分析P2225. 财务净现值分析P2426. 财务内部收益率分析P2527. 基准收益率的确定P2628. 偿债能力分析P281Z101030 技术方案不确定分析P3131.不确定性分析P3132.盈亏平衡分析P3333.敏感性分析P381Z101040 技术方案现金流量表的编制P4141.技术方案现金流量表P4242.技术方案现金流量表的构成要素P451Z101050 设备更新分析P5351.设备磨损与补偿P5352.设备更新方案的比选P5553.设备更新方案的比选方法P561Z101060 设备租赁与购买方案的比选分析P6161.设备租赁与购买的影响因素P6162.设备租赁与购买的比选分析P621Z101070 价值工程在工程建设中的应用P6671.提高价值的途径P6772.价值工程在工程建设应用中的实施步骤P711Z101080 新技术、新工艺和新材料应用方案的技术经济分析P78 81.新技术、新工艺和新材料应用方案的选择原则P7982.新技术、新工艺和新材料应用方案的技术分析P7983.新技术、新工艺和新材料应用方案的经济分析P801Z102000 工程财务1Z102010 财务会计基础P8411.财务会计的职能P8412.会计核算的原则P8513.会计核算的基本前提P8614.会计要素的组成和会计等式的应用P881Z102020 成本与费用P9121.费用与成本的关系P9122. 工程成本的确认和计算方法P9323. 工程成本的核算P9924. 期间费用的核算P1051Z102030 收入P10631.收入的分类及确认P10632. 建造(施工)合同收入的核算P1091Z102040 利润和所得税费用P11441.利润的计算P11442.所得税费用的确认P1171Z102050 企业财务报表P12351.财务报表的构成P12352.资产负债表的内容和作用P12453.利润表的内容和作用P12754.现金流量表的内容和作用P12855.财务报表附注的内容和作用P1321Z102060财务分析P13361.财务分析方法P13362.基本财务比率的计算和分析P1351Z102070筹资管理P13971.资金成本的作用及其计算P13972.短期筹资的特点及和方式P14173.长期筹资的特点及和方式P1451Z102080流动资产财务管理P14881.现金和有价证券的财务管理P148 82.应收账款的财务管理P15083.存货的财务管理P1511Z103000 建设工程估价1Z103010 建设工程项目总投资P15311.建设工程项目总投资的组成P15312. 设备及工器具购置费的组成P15513. 工程建设其他费的组成P1581Z103020 建筑安装工程费用项目的组成与计算P16521.按费用构成要素划分的建筑安装工程费用项目组成P165 22.按造价形式划分的建筑安装工程费用项目组成P168 23.建筑安装工程费用计算方法P17024.建筑安装工程计价程序P1741Z103030 建设工程定额P17731.建设工程定额的分类P17732.人工定额的编制P17933.材料消耗定额的编制P18234.施工机械台班使用定额的编制P18435.施工定额和企业定额的编制P18736.预算定额与单位估价表的编制P18937.概算定额与预算指标的编制P1931Z103040 建设工程项目设计概算P19741.设计概算的内容和作用P19742.设计概算的编制依据、程序和步骤P19843.设计概算的编制方法P20044.设计概算的审查内容P2081Z103050 建设工程项目施工图预算P21151.施工图预算编制的模式P21152.施工图预算的作用P21253.施工图预算的编制依据P21354.施工图预算的编制方法P21355.施工图预算的审查内容P2191Z103060 工程量清单编制P22061.工程量清单的作用P22062.工程量清单编制的方法P2221Z103070 工程量清单计价P22771.工程量清单计价的方法P22772.招标控制价的编制方法P23473.投标报价控的编制方法P23874.合同价款的约定P2441Z103080 计量与支付P24781.工程计量P24782.合同价款调整P25083.工程变更价款的确定P26184.施工索赔与现场签证P26485.合同价款期中支付P27386.竣工结算与支付P28087.合同解除的价款结算与支付P2881Z103090 国际工程投标报价P28791.国际工程投标报价的程序P28792.国际工程投标报价的组成P29393.单价分析和标价汇总的方法P299 94.单价分析和标价汇总的方法P299 95.国际工程投标报价的技巧P30296.国际工程投标报价决策的影响因素P305。
此文档下载后即可编辑
主要施工机械设备报审表号:
号:
端氏-长子输气管道工程(端氏首站-南陈输气站段)二标段
施工设备扫描件
施工机械设备(扫描件)
75KW发电机合格证
施工机械设备(扫描件)
75KW发电机合格证
扫描人:李树繁审核人:
施工机械设备(扫描件)
75KW发电机合格证
扫描人:李树繁审核人:
施工机械设备(扫描件)磨光机合格证
施工机械设备(扫描件)
磨光机合格证
施工机械设备(扫描件)
风速计合格证
扫描人:李树繁审核人:
施工机械设备(扫描件)
电动油泵及焊缝检验尺合格证
施工机械设备(扫描件)
ZX7-400S-X电焊机合格证
施工机械设备(扫描件)
ZX7-400S-X电焊机合格证
扫描人:李树繁审核人:
施工机械设备(扫描件)
ZX7-400S-X电焊机合格证
扫描人:李树繁审核人:
施工机械设备(扫描件)电火花检测仪合格证
施工机械设备(扫描件)
电火花检测仪合格证
扫描人:李树繁审核人:
施工机械设备(扫描件)
50KW发电机合格证
扫描人:李树繁审核人:
施工机械设备(扫描件)
50KW发电机合格证
扫描人:李树繁审核人:
施工机械设备(扫描件)
焊缝检验尺合格证
扫描人:李树繁审核人:
施工机械设备(扫描件)喷砂机合格证
施工机械设备(扫描件)
空气压缩机
扫描人:李树繁审核人:
施工机械设备(扫描件)
MG-220CC电焊机合格证
扫描人:李树繁审核人:。
项目部管理人员报审表(可以直接使用,可编辑实用优秀文档,欢迎下载)
项目部管理人员/特种作业人员报审表
项目名称:神华宁煤集团宁东洗煤厂红柳分厂水洗系统地面运输系统安装工程□□□□□□□□□
项目管理人员/特种作业人员名单
施工单位进场安全培训考试成绩统计表
项目管理人员/特种作业人员名单
项目部考核表(项目经理)
安全生产责任制安全目标责任
安全生产责任制安全目标责任
项目部考核表(技术负责人)
安全生产责任制
安全目标责任
安全生产责任制安全目标责任
安全生产责任制安全目标责任
项目部考核表(施工员)
项目经理月度考核细则单位:姓名:年月日
技术员月度考核细则单位:姓名:年月日
质检员月度考核细则单位:姓名:年月日
内业员月度考核细则单位:姓名:年月日
材料员月度考核细则单位:姓名:年月日
保管员月度考核细则
安全员月度考核细则单位:姓名:年月日
工长月度考核细则单位:姓名:年月日
现场电工月度考核细则单位:姓名:年月日。
表B.1.1 工程开工报审表注:1、本表一式4 份,工程监理机构签署审查意见后自留1份,报建设单位1份,返回施工单位2份。
2、报审中的“□〞作为附件附在报审表后,确认后在框内打“√〞。
3、工程监理机构审查要点:工程开工的各项准备工作是否充分;相关的报审手续是否已完成;确认是否具备开工条件。
本表一式 4 份,由承包单位填报,建设管理单位存 1 份,工程监理部存1 份,承包单位存 2 份。
本表一式 4 份,由承包单位填报,建设管理单位存 1 份,工程监理部存1 份,承包单位存 2 份。
中国二十二冶集团资质报审表工程名称:河北建投丰宁关道梁风电场工程编号:GDLFD-ESEY-DWZZ-001本表一式 4 份,由承包单位填报,建设管理单位存 1 份,工程监理部存1 份,承包单位存 2 份。
表B.2.2资质报审表工程名称:编号:致:〔工程监理机构〕经审核,我单位认为 (分包单位/现场实验室/外委试验检测机构)具有承当以下工作内容的资质和能力,可以保证本工程工程按合同的约定进行,我单位承当本工程施工合同的全部责任。
请审查和批准。
附件:□分包单位□分包单位资质证明材料。
□分包单位人员资格证明材料。
□分包单位业绩材料。
□分包工程名称、工程量、分包合同额以及占全部工程比例。
□总包单位对分包单位的管理制度□现场实验室/外委试验检测机构□试验室的资质证明材料□人员资格证明材料□本工程的试验工程及其要求□外委试验范围、法定计量部门对试验设备出具的计量检定证明施工单位〔盖章〕工程经理〔签字〕:年月日工程监理机构审查意见:工程监理机构〔盖章〕总监理工程师〔签字〕:年月日建设单位批准意见:建设单位〔盖章〕:工程代表〔签字〕:年月日注:1、本表一式 4 份,由承包单位填报,建设管理单位存 1 份,工程监理部存1 份,承包单位存 2 份。
2、报审中的“□〞作为附件附在报审表后,确认后在框内打“√〞。
主要材料/构配件/设备供给商资质报审表本表一式 4 份,由承包单位填报,建设管理单位存 1 份,工程监理部存1 份,承包单位存 2 份。