Z5140型立式钻床说明书
- 格式:doc
- 大小:300.00 KB
- 文档页数:24
目录一.主传动的运动设计1.主电机的选定2.转速图的拟定3.齿轮的确定4.齿轮的布置二.传动件的估算与验算1.传动件的估算与验算2•齿轮模数的估算和计算3•轴承选择三.夹具设计1・工艺加工过程2 •设计夹具四致五参考资料1-1主传动的运动设计1.主电机的选定山总体设讣方案可知:Z5140钻床的总功率为4kW,转速为1450 r/min,根据机械设计手选取电机为JO2-32,其外型见下图,其安装尺寸见下表:其螺栓直径为。
2. 转速图的拟定拟定立式钻床的主传动系统的转速图,山总体设汁方按可知:主轴的转速围JB9—59一GB52166GB921 — 66GB7766, 一(4JO3 — 112^JO3 —铀燃图寂豔5(1〜3如注阀) 8(4・5迦肖阳)P匚为31.5〜1400 r/min,异步电动机的转速为1450 r/mino1. 选定公比0中型通用机床,常用的公比e 为1・26或1.41,考虑到适当减小本钻床的相 对速度损 失,选定0二1・41。
=46Z = 1 + -1?A = 1 + -I ^- = 11.8,取 Z=12 lg°lgl.41按标准转速数列为:31, 45, 63, 90, 125, 180, 1250, 355, 500, 710, 1000, 1450r/min o2. 选择结构式1) 确定变速组的数LI 和各变速组中传动副的数LI大多数的机床广泛应用滑移齿轮的变速方式,为了满足结构设计和操纵方便 的要求,通常采用双联或三联滑移齿轮。
该机床的变速围较大,必须经过较长的 传动链减速才能把电动机的转速降到主轴所需的转速,故主轴转速为12级的变 速系统需要2个或3个变速组,即Z=12=4X3,或Z=12=4X2X2-4,或Z=12=3 X2X2o 为了结构紧凑和主轴箱不过分的大,故选取Z=12=4X2X2-4.2) 确定不同传动副数的各变速组的排列次序按着传动顺序,各变速组排列方案有:12=4X2X2-4 12=2X2X4-4 12=2X4X2-4因本钻床在结构上有特殊要求,根据设计要点,应遵守“前多后少”的原则, 选择12=4X2X2-4的方案。
Z5140⽴式钻床的主轴箱及多轴钻削头设计⽬录绪论......................................................... 错误!未定义书签。
1.1⽴式钻床概述 (3)1.2.机械系统课程设计的⽬的 (5)2⽴式钻床的总体设计 (6)2.1 ⽴式钻床的主要技术参数 (6)2.2 ⽴式钻床功能原理设计 (7)2.3 主轴运动参数的确定 (8)2.4 确定切削⽤量 (9)2.5 主轴组件设计 (11)3⽴式钻床的主传动运动设计 (12)3.1主电机的选定 (12)3.2转速图的拟定 (14)3.3确定主轴及各传动轴的计算转速 (20)3.4画主传动系统图 (20)3.5算主轴转速误差 (21)3.6齿轮的确定 (23)3.7齿轮参数的确定 (26)3.8齿轮模数的确定 (27)3.9齿轮的布置 (30)4传动件的验算与估算 (31)4.1传动轴的验算与估算 (31)4.2齿轮模数的验算与估算 (35)4.3轴承的选择 (37)5致谢 (39)6参考⽂献 (40)附录、主轴箱装配图,变速操纵机构装配图、传动轴零件图,齿轮零件图绪论1.1⽴式钻床的概述⽴式钻床是主轴竖直布置且中⼼位置固定的钻床,简称⽴钻。
它主要分为⽅柱⽴钻和圆柱⽴钻两种。
也分为排式⽴钻,多轴⽴式钻床,坐标⽴式钻床,转塔⽴式钻等。
⽴式钻床的⼯作台和主轴箱可沿⽴柱导轨调整位置,以适应不同⾼度的⼯件。
在加⼯⼯件前要调整⼯件在⼯作台上的位置,使被加⼯孔中⼼线对准⼑具轴线。
加⼯时,⼯件固定不动,主轴在套筒中旋转并与套筒⼀起做轴向进给。
由于⽴式钻床的主轴不能在垂直其轴线的平⾯内移动,转孔时要使钻头与⼯件孔的中⼼重合,就必须移动⼯件。
因此,⽴式钻床只适合加⼯中⼩型⼯件,常⽤在机械制造和修配⼯⼚加⼯中、⼩型⼯件的孔。
传动原理图如下:钻削加⼯的运动功能图Z5140A钻床(如图1.1)是由辽宁省丹东市机床有限责任公司研发、⽣产、销售的⽴式钻床,具有精度⾼,刚性好,扭矩⼤,噪声低,变速范围⼴等优点,操作集中,使⽤维修⽅便。
Z5140A Z5150A 型立式钻床使用说明书出厂编号:中华人民共和国宁夏中卫大河机床有限责任公司目录一、机床外观图 (2)二、机床安全注意事项 (2)三、机床主要用途和功能特性 (4)四、机床主要规格与参数 (5)五、机床正确使用的具体说明和步骤 (6)1、吊运与安装 (6)2、机床的操纵 (8)3、机床的传动系统 (11)4、机床的调整 (16)5、机床的润滑 (17)6、机床的滚动轴承 (19)7、电气系统 (21)六、机床的维护保养、故障类型及排除 (28)1、维护保养 (28)2、故障的排除 (28)七、易损件明细表及易损件零件图 (29)1、易损件明细表 (29)2、易损件零件图 (29)公司地址:宁夏中卫市鼓楼西街152号邮编:755000电话:************传真:************电子信箱:*************网址:一、机床外观图图1-1 机床外观图二、机床安全注意事项1、机床在搬运时,依次按包装箱上指定的位置系索,不准倒置、侧置及过大倾斜,不准过大的冲撞和震动,机床吊运时,用钢丝绳和铁棒,吊运机床用的铁棒直径不小于φ30mm,伸出机床两侧的长度不小于300mm。
2、主轴箱升降必须松开镶条的紧固螺栓16(图5-3 操纵手柄),主轴箱升降完毕必须锁紧螺栓,不允许不松螺栓硬摇主轴箱,以免损坏相关的零件。
3、机床主轴没有完全停止转动前,不允许用手去触摸主轴,以免伤人。
4、开车时不得变换转速及进给量,变速必须停车,禁止反接制动,否则将造成齿轮损坏。
5、清洗机床和维修机床打开电柜时,必须关闭机床总电源,否则后果自负。
6、机床切削时,应采取相应的措施,防止铁屑飞溅伤人。
7、不允许在超出机床最大切削参数时进行切削。
8、用退刀楔退刀时,主轴必须退回到原始位置。
9、机床启动前,应检查各手柄的位置是否正确。
10、机床在第一次使用或长时间没有使用时,应先让机床由低、中、高各转速级运转几分钟。
深圳华晶玻璃瓶有限公司工作文件HJ/JC—DL—027共1 页第 1 页版序/改次:E/0立式钻床操作规程--------------------------------------------------- 1.目的:明确立式钻床的操作步骤与方法,确保设备的正常运行及安全。
2.适用范围: 适于Z5140A型立式钻床操作。
3.操作规程3.1 本机床可用于钻孔、扩孔、铰孔、端面、钻沉头孔、攻丝等作业,借助夹具也可以进行镗孔。
钻孔能力∅40mm。
3.2 在使用本机床之前,必须熟悉各操作件的部位和用途。
3.3操纵机床时,应注意下列事项:3.3.1启动机床前应检查各手柄的位置是否正确。
3.3.2机床在第一次使用后长时间没有使用时,应先让机床高速运转几分钟。
3.3.3开车时不得变换主轴转速及进给量。
变速必须停车。
禁止反接制动。
3.3.4机床停止工作时,应切断电源开关。
3.4主轴的启动停止和反转:主轴的启动停止和反转时靠按压按钮实现。
在进行钻孔工作或用按钮操纵主轴正反转时应将选择开关3搬到钻孔位置,当利用攻丝反转机构进行攻螺纹时应搬到攻螺纹位置。
3.5手动、机动和超越进给:将进给主操作手柄逆时针旋转即可实现主轴的手动进给。
将机动进给控制端盖拉出,进给主操作手柄逆时针旋转20º即接通机动进给。
若反转20º则机动进给停止。
在机动进给过程中以高于机动进给速度逆时针转动手柄即得到主轴的超越进给。
3.6机动进给的自动停止:紧固在刻度盘槽中的撞块随手柄一同旋转,当撞块撞开撞销时,进给合子脱开,从而机动进给自动停止,实现钻孔定深。
钻孔的深度可通过刻度盘和标尺的刻度确定。
3.7攻丝自动反转:在主轴箱左侧设有攻丝自动反转机构,使用这个装置攻丝时,应首先敬钻孔攻丝选择开关扳到攻丝位置,然后调整转盘上的撞块(注意有延时)通过操作手柄实现。
3.8工作台的升降:通过回转工作台手柄可调整工作台的高度位置。
3.9主轴箱的升降:松开主轴箱镶条的6个卡紧螺栓,将手柄插入主轴箱左侧的轴头上,回转手柄可调整主轴箱的高度,调整好后再紧固好卡紧螺栓。
毕业论文(设计)论文(设计)题目:专用机床的机构设计(数控多工位立式钻床)姓名学号院系机电工程学院专业机械设计制造及其自动化年级指导教师2015年05 月08 日目录摘要 (1)Abstract (2)第1章数控机床的工作原理与组成 (4)1.1数控机床的工作原理 (4)1.2 数控技术的发展现状与趋势 (4)1.3 我国数控产业现状及发展 (5)第2章机械结构选择 (6)第3章机械传动部件设计 (7)3.1 切削力的计算 (7)3.2 主轴齿轮传动方案确定 (9)3.3 主轴结构设计及计算 (14)3.4 纵向进给运动的分析及计算 (18)第4章纵向进给步进电机加工匹配选择 (20)4.1 纵向进给滚珠丝杠的校核 (20)4.2 横向进给运动的分析及计算 (21)4.3 Z向进给负载分析及计算 (24)4.4 齿轮强度校核 (27)4.5 回转工作台运动的分析计算 (29)第5章齿轮强度校核 (32)5.1 齿面接触疲劳强度计算 (32)5.2滑动导轨的结构 (34)5.3 导轨及齿轮传动间隙调整分析 (39)结论 (41)参考文献 (42)摘要随着先进制造技术的进步与发展,数控加工已成为机加工过程中的一种主流技术。
这一技术的运用提高了机加工过程中工作效率和加工精度。
数控多工位钻床就是提高钻削加工精度和效率的一种很好的机加工工具。
对数控多工位钻床的设计,采用了普通车床设计的步骤和方法,综合考虑数控机床的特点。
从切削力入手确定主轴及电机,到整个机床的结构设计和机床的控制。
最后到对机床初始化程序设计。
所做的工作有,完成数控多工位钻床的资料收集与国、内外现状的调查比较,提出较为可行的方案;完成机床的机械结构设计计算与电气控制系统设计,初步完成控制系统的软硬件设计;提交论文及机械系统的装配与关键零部件的相应图纸及数控系统的硬件图,同时提交电子文档;编写设计计算说明书。
关键词:数控技术;钻床;钻削;程序设计AbstractWith the manufacturing development, numerical control manufacturing has become one of the major advanced technologies. efficiency and accuracy has been improved in application of the technology. Numerical control auto-drilling machine is a kind of the new machine tools that can improve the machining accuracy and efficiency. The paner has designed for Numerical control auto-drilling machine, using design method of the ordinary lathe, and considering the characteristic of the numerical control machine tools synthetically. cutting force has been calculated, the structural and the control system has been designed. Finally, the software routine has been explored.This paner has finished major works:Completed a investigation of internal and external of current situation for numerical control multistage-drilling machine, and compared it, put forward a feasible scheme;Completed the mechanical structural design an calculated and designed the electric control system, and finished the software and hardware of the control system tentatively; Submit thesis and the assembly of mechanical system and hardware picture of key spare part and drawing of numerical control system, submit the electronic file at the same time;Write the specification of designing and calculating, has designed an economy numerical control machine tool.Keywords::numerical control machining;drilling machine;drilling;procedure control前言回首过去的“十一五”规划的五年,机床工具行业之所以能够实现平稳较快发展,得益于全行业在新形势下把握住了“抓创新、调结构、促改革”这一工作主线,使行业面貌有了明显改观。
摘要目前中国企业中机床设备老化,不能满足新技术、新工艺的生产要求。
本文重点介绍Z5140A型台式钻床的数控改装方案和单片机系统设计,将传统的机械与现有的数控技术相结合,使其具有自动进给功能,为企业进行设备的数控化改造提供了一种有效可行的途径。
现有的Z5140A型台式钻床经改造后提高了加工精度,扩大了机床的使用范围,并提高了生产率。
本论文说明了普通钻床的数控化改造的设计过程,较详尽地介绍了Z5140A机械传动部分的设计及数控系统部分的设计。
通过该改造计划,改造后的Z5140A型钻床具备数控机床的精度要求,自动化柔性生产的能力。
机床整体能力达到预期的要求。
Z5140A数控钻床主要用于加工各种孔及平面和曲面的铣削。
它集中了立式钻床和铣床的功能。
数控钻床需要很少人工操作,也没有机械操作元件如手柄、摇把等。
该钻床如同其他CNC钻床,全部工作循环是在微机数控系统控制下实现的。
车削对象改变后,只需改变相应的软件就可适应新的需要。
由于利用的床身、立柱等基础件都是重而坚固的铸造构件,而不是那种焊接构件,改造后的机床性能高、质量好,可以作为新设备继续使用多年。
但是受到原来机械结构的限制,不宜做突破性的改造。
关键词:数控机床;滚珠丝杠;数控系统AbstractAt present,Machine tools made in China is aging and can not meet the requirements of new technologies and new processes of production. This paper focuses on the NC Z5140A-type drill press conversion programs and MCU system design. Combining the traditional machines with the CNC technology, it can realize automatically feed function and provides a feasible and effective way for the enterprise of equipment's transformation with NC.Existing Z5140-type drill press improves the machining accuracy, expands the scope of machine use and increases the productivity after transformation. This paper describes the design process of the transformation of the general drilling with NC, introduces the design of the Z5140A mechanical transmission part and numerical control system part in detail.After the transformation plan, Z5140A-type drill transformed has the accuracy requirement of CNC machine tools and the automatic flexible production capacity. Machine tools achieve the desired overall capacity requirements. Z5140A CNC drilling machine is mainly used for processing a variety of holes and planar and surface milling. It contains the vertical drilling and milling function. CNC drilling and milling machinerequires very little manual operation and no operation of machinery components such as handles, crank and so on. As with other CNC drilling of the drilling machine, all of the cyclic work is completed under the control of the computer numerical control system. As turning object changes, just change the corresponding software to adapt to new needs. Because lathebed, column and other basic items are heavy and casting equipments but not the welded components, machine tools transformed has higher performance and better quality, which can be used as a new equipment for years. However, limited by the mechanical structure of the original, it can not be transformed revolutionarily.Key Word:Numerical Control Machine Tools ; Ball Screw; CNC System目录摘要 ........................................ - 1 -Abstract ...................................... - 2 -1绪论......................................... - 6 -1.1 立式钻床的概述............................................................................................ - 6 -1.2 数控立式钻床的发展.................................................................................... - 6 -1.3 立式钻床数控化改造的市场 ....................................................................... - 8 -1.3.1 机床数控化改造的市场...................................................................... - 8 -1.3.2 立式钻床简介...................................................................................... - 9 -1.4床数控化改造的内容及优缺点 .................................................................. - 10 -1.4.1数控化改造的内容............................................................................. - 10 -1.4.2 立式钻床数控化改造的优缺点........................................................ - 11 -2主传动系统的设计............................ - 12 -2.1 立式钻床数控化改造设计任务 ................................................................. - 12 -2.2 总体方案的确定.......................................................................................... - 13 -2.2.1 Z向步进电机与进给滚珠丝杠的联结 ............................................. - 13 -2.2.2 传动形式的选择................................................................................ - 15 -2.2.3 滚珠丝杠副的参数............................................................................ - 16 -2.2.4 滚珠丝杠副的组成及特点................................................................ - 17 -2.2.5 滚珠丝杠副的典型结构类型............................................................ - 17 -2.2.6 滚珠丝杠的支撑形式选择................................................................ - 19 -2.3 Z向进给滚珠丝杠副的计算与校核 ................................................... - 22 -2.3.1主轴钻削力计算................................................................................. - 22 -2.3.2滚珠丝杠副的选择计算..................................................................... - 23 -2.3.3选择步进电动机................................................................................. - 26 -2.4 电主轴选用、冷却与润滑 ......................................................................... - 30 -2.4.1 电主轴的概述.................................................................................... - 30 -2.4.2 电主轴的冷却与润滑........................................................................ - 33 -2.4.3 电主轴的选用.................................................................................... - 35 -3数控系统电路设计............................ - 37 -3.1绘制系统电气控制的结构框图 .................................................................. - 37 -3.1.1 机床硬件电路有以下几部分组成.................................................... - 38 -3.2 MCS-51单片机简介 ................................................................................... - 38 -3.2.1 8031单片机的基本特性.................................................................... - 38 -3.2.2 8031芯片引脚及其功能介绍......................................................... - 40 -3.3存储器扩展电路设计................................................................................... - 42 -3.3.1 程序存储器的扩展............................................................................ - 42 -3.3.2 数据存储器的扩展............................................................................ - 44 -3.3.3 译码电路设计.................................................................................... - 45 -3.4 I/O接口扩展电路设计 ............................................................................ - 45 -3.4.1 8155通用可编程接口芯片................................................................ - 45 -3.4.2 8255可编程接器芯片........................................................................ - 47 -3.4.3 8255的结构........................................................................................ - 48 -3.5 其它辅助电路设计...................................................................................... - 49 -3.5.1 8031的时钟电路................................................................................ - 49 -3.5.2 越界报警和急停处理电路................................................................ - 49 -3.5.3 复位电路............................................................................................ - 49 -3.5.4 掉电保护电路.................................................................................... - 50 -3.5.5 键盘显示接口电路............................................................................ - 50 -4结论........................................ - 51 -致谢 ............................. 错误!未定义书签。
Z5150型立式钻床说明书目录一、机床外观图 (2)二、机床安全注意事项 (2)三、机床主要用途和功能特性 (4)四、机床主要规格与参数 (5)五、机床正确使用的具体说明和步骤 (6)1、吊运与安装 (6)2、机床的操纵 (8)3、机床的传动系统 (11)4、机床的调整 (16)5、机床的润滑 (17)6、机床的滚动轴承 (19)7、电气系统 (21)六、机床的维护保养、故障类型及排除 (28)1、维护保养 (28)2、故障的排除 (28)七、易损件明细表及易损件零件图 (29)1、易损件明细表 (29)2、易损件零件图 (29)一、机床外观图图1-1 机床外观图二、机床安全注意事项1、机床在搬运时,依次按包装箱上指定的位置系索,不准倒置、侧置及过大倾斜,不准过大的冲撞和震动,机床吊运时,用钢丝绳和铁棒,吊运机床用的铁棒直径不小于φ30mm,伸出机床两侧的长度不小于300mm。
2、主轴箱升降必须松开镶条的紧固螺栓16(图5-3 操纵手柄),主轴箱升降完毕必须锁紧螺栓,不允许不松螺栓硬摇主轴箱,以免损坏相关的零件。
3、机床主轴没有完全停止转动前,不允许用手去触摸主轴,以免伤人。
4、开车时不得变换转速及进给量,变速必须停车,禁止反接制动,否则将造成齿轮损坏。
5、清洗机床和维修机床打开电柜时,必须关闭机床总电源,否则后果自负。
6、机床切削时,应采取相应的措施,防止铁屑飞溅伤人。
7、不允许在超出机床最大切削参数时进行切削。
8、用退刀楔退刀时,主轴必须退回到原始位置。
9、机床启动前,应检查各手柄的位置是否正确。
10、机床在第一次使用或长时间没有使用时,应先让机床由低、中、高各转速级运转几分钟。
11、机床停止工作时,应切断机床供电电源。
12、推荐切削参数表2-1 机床按下表选用参数在实体上钻最大孔径注:⑴、为确保机床正常运转,必须在刀具锋利的条件下工作,如果刀具钝可能超出机床切削范围,有可能损坏机床。
⑵、在实体上钻最大孔时,切削参数不得超出表中推荐的数值,否则有可能损坏机床。
Z5140B型立式钻床安全操作规程1、吊运机床时,必须按《机床吊运图》操作,必须使用专用吊绳、吊环螺栓等设备。
2、使用机床前,必须检查电源接地的可靠性,检查程序的正确性和急停按钮的可靠性。
3、工件和切削刀具必须装夹牢固可靠,不可过量切削。
4、根据被加工材料及钻头直径不同,按照面板表格内容合理选择转速与进给量,以免造成机床损坏。
5、在维修机床前,必须关掉电源开关。
6、使用本机的操作人员必须经过技能培训,具备和使用本机床的能力,方可;维修人员必须具备专业的维修能力;长发者必须戴工作帽。
7、在检查电器设备时,总电源开关及接触器的电源线仍有电压,请注意安全!8、在维修机床时,如需要拆卸主轴平衡装置,请注意安全,小心弹簧伤人。
9、工作时必须有木制脚踏板,长800×宽600×高180㎜,以免滑倒和触电。
10、禁止在机床运转、切削过程中,更换刀具、检验零件、排除故障和清除切屑等不规范的操作!11、禁止操作过程中穿宽松外衣、佩戴有碍操作的饰物,禁止戴手套!12、禁止用煤油、汽油和其他易燃体擦拭机床;禁止用生产压缩控制的装置清理机床!13、禁止在主轴未停止转动时换挡、变速!Z5140B型立式钻床维护与保养一、机床的润滑机床所用的润滑油必须是纯洁无酸性的,不许含有水分和其他杂质。
主轴箱的润滑是由柱塞泵将油吸上,然后经有关喷射到各润滑部位,再由高速旋转的各齿轮飞溅到各工作面上。
主轴箱上盖上部设有注油孔,旋下螺塞即可注油,注油量以在停车状态时油面达到游标高度的一半为准。
回油管也通向该游标,籍以观察润滑系统的工作情况。
箱体下部设有排油孔,换油时,将箱底下部的螺塞旋出,润滑油即可排除。
机床使用10—15天后第一次换油,再经20—25天后换第二次油,以后每隔三个月换一次油。
换油时,应先将旧油放完,再用纯净的煤油清洗后注入清洁的新油。
主轴套筒表面和立柱导轨应每月润滑。
在主轴套上的上下轴轴承部位设有润滑孔,可用黄油枪加注润滑脂,关闭电源开关,小心移开主轴箱正面的面板即可在箱内壁的孔中找到主轴上轴承的润滑孔。
辽宁工业大学专业课程设计说明书题目:立式钻床有级变速主传动系统设计院(系):机械工程与自动化学院专业班级:机设121班学号:120106083学生姓名:王晓龙指导教师:霍绪尧教师职称讲师起止时间:2015年12月14日—1月15日辽宁工业大学专业课程设计任务书院(系):机械工程与自动化学院教研室:机械设计教研室目录第一章绪论 (5)1.1 立钻的用途 (5)1.2 立钻的现状 (5)第二章立钻的总体方案 (5)2.1主要参数与数据 (5)2.2变速装置的作用 (5)第三章立钻变速装置的设计计算 (6)3.1主要参数 (6)3.2电机选择 (6)3.3转速图设计 (6)3.4齿数选择 (7)3.5模数选择 (7)3.6变速装置的传动系统图 (8)3.7变速方法选用及有关说明 (9)3.8变速装置的结构设计 (9)3.9齿轮的校核 (10)3.10轴的校核 (11)第四章立钻变速装置装配图 (13)4.1操作方法说明 (13)4.2润滑方法说明 (13)4.3装配与维修说明 (13)第五章结论 (14)参考文献 (15)第一章绪论1.1 立钻的用途立钻用于钻孔外,还可以扩张、钻沉头、锪端面、铰孔、攻丝等1.2 立钻的现状立钻有方柱立钻和圆柱立钻两种,还有排式、多轴坐标和转塔等多种变型。
①排式钻床:一般由2~6个立柱和主轴箱排列在一个公用底座上,各主轴顺次加工同一工件上的不同孔或分别进行各种孔加工工序,可节省更换刀具的时间,用于中小批量生产。
②多轴立式钻床:机床的多个主轴可根据加工需要调整轴心位置,由主轴箱带动全部主轴转动,进行多孔同时加工,用于成批生产。
③坐标立式钻床:在方柱立钻上加可纵、横移动的十字工作台而成,可按坐标尺寸进行钻削。
④转塔立式钻床:多采用程序控制或数字控制,使装有不同刀具的转塔头自动转位、主轴自动改变转速和进给量,工件自动调整位置,实现多工序加工的自动化循环。
第二章立钻的总体方案2.1主要参数与数据立式钻床参数型号:Z5140最大钻孔直径: (mm) 40主轴中心线至导轨面距离:(mm)335主轴行程:(mm)250主轴箱行程(手动):(mm)200进给量(级):(mm/rev)0.056-1.8/9工作台行程:(mm)560×480主轴端面至工作台距离:(mm)7502.2变速装置的作用变速装置是传动系统中非常重要的组成部分。
Z5140B-1立式钻床
成海立式深孔钻床系列介绍
1. Z5140B、z5150系列方柱立式钻床是万能型通用机床。
机床的最大钻孔直径为Z5140B:¢40mm;Z5150B:¢40mm(在50-60kgf/mm的钢材上,在布氏硬度HB=220的铸铁上,钻孔能力分别为¢40mm、¢50mm)
2.Z5140B、z5150B为固定工作台;Z5140B-1、Z5150B-1为十字工作台。
3.本机床除用于钻孔外,还可以扩孔、钻沉头孔、锪端面、铰孔、攻丝等。
4.本机床效率高、刚性好、精度高、噪音低、变速范围广。
如工作台为十字工作台的,则工作台能纵横、升降手动进给。
5.操纵集中,外形新颖,使用维修方便,适用于修理工具等单件小批生产的车间,若配以钻夹具,也适用于成批生产的车间。
Z5150系列/z5140系列立式钻床功能及特点:
1.方柱立式钻床、机床由主轴箱、立柱、底座、工作台等主要部分组成。
机床要求布置足够的加强筋板,保证机床具有足够强度、刚性和高稳定性。
结构先进可靠。
2.电机采用国内知名品牌,主轴轴承、丝杆、主要电器元件、主要液压元器件采用当今市场上质量较高的主流产品。
3.主轴系统有高性能的传动精度和刚性,主轴各级变速机构灵敏可靠。
4. 操作系统集中,工人使用方便快捷,维修方便。
5. 主轴攻丝能实现自动反转,自动进给、定程切削。
Z5140B-1立式钻床
2102青岛展会现场拍摄图片。
立式数控加工中心使用说明书第一章操作面板一、环境设置1、电源:AC200/220V±10% 50/60Hz±2%2、空气压力源:0.4~0.8MPa 600L/min(大气压)以上露点温度-20℃以下,参考规格:ISO8573-1品质等级ISO1.5.1:最大粒子径0.0001mm以下,最大加压下露点7℃以下,最大油分浓度:0.01mg/m3以下。
3、温度差:±2℃4、温度变化:1℃/30min5、温度:20~24℃6、湿度:75%以下7、粉尘:0.3mg/m3以下二、准备检查机床设备:机床、电脑、集线器、网线、编程软件、刀柄、刀具、夹具;1、检查机床气压、主轴冷却油、导轨润滑油等情况。
在气压方面,机床侧面气动装置处观察。
右下侧主气压表读数应为0.5Mpa。
2、启动和关闭机床启动:把机床电源总开关置于ON处,电源指示灯变亮;按下面板CONTROL POWER ON,等待开机画面显示完。
关机:把三轴移至行程中间位置,按下面板POWER OFF,机床会在几分钟后自动关闭。
关机时请不要按紧急开关,以免主轴漏油。
3、开机后的热机运动机床热身运动是为了让主轴和各运动轴的受热膨胀均匀,润滑充分!程序操作为:将旋钮旋至EDIT模式,选择PROG模式,在屏幕上输入热机程式(各机床的行程不同,程式也稍有不同,举例如下)O****;G91G28Z0;G91G28X0Y0;S12000M03G91G01F3000 X-600. Y-350. Z-150.;X300Z50;G02J175.0;M99;不同型号的机床,行程不同,请事先阅读说明书,了解具体的尺寸。
将旋钮旋至MEMORY模式,按循环启动按钮执行程序,热机一般为15-30分钟左右。
三、操作面板1、EMERGENCY紧急按钮在紧急情况下用此按钮停机,所有机器动作停止:包括X、Y、Z轴移动、进给;主轴转动、换刀动作及冷却液供应等。
此按钮按下后,恢复只要向右旋转按钮就会自动弹起。
目录1引言 (5)1.1钻削原理简介 (5)1.2钻削加工的特点 (7)2钻床简介 (8)2.1分类 (8)2.2常用钻床简介 (8)2.3检验标准 (10)2.4检验项目 (10)2.5操作规程 (11)3Z5140B立式钻床简介 (12)3.1用途及特性 (12)3.2主要规格与参数 (12)3.3传动系统 (14)3.4操作件的操作方法 (15)4Z5140B立式钻床的安装和检查 (19)4.1安装 (19)4.2检查 (19)5Z5140B立式钻床的操作规程 (29)6Z5140B立式钻床的维护 (32)7Z5140B立式钻床的维修件测绘 (34)7.1绘图软件介绍 (34)7.2润滑图及零件图测绘(见附图) (39)8小结 (39)9参考文献 (39)摘要本设计以常州科教城Z5140B方柱立式钻床为背景,根据科教城现有资金和技术力量的发展战略,规划出对立式钻床验收、使用与维护规程的研究制订方案。
首先分析钻床的大体情况,然后着手对立式钻床的详细分析。
对立式钻床的用途、特性、使用、维护、检查和安装等方面进行研究。
再用AutoCAD软件将其基本形状画出来。
通过这一设计,方便操作者规范使用和维护、检修人员的检查,为科教城节约资金和提高使用效率。
关键词:立式钻床性能及系统验收使用维护规程 AutoCAD摘要本设计以常州科教城Z5140B方柱立式钻床为背景,根据科教城现有资金和技术力量的发展战略,规划出对立式钻床验收、使用与维护规程的研究制订方案。
首先分析钻床的大体情况,然后着手对立式钻床的详细分析。
对立式钻床的用途、特性、使用、维护、检查和安装等方面进行研究。
再用AutoCAD软件将其基本形状画出来。
通过这一设计,方便操作者规范使用和维护、检修人员的检查,为科教城节约资金和提高使用效率。
关键词:立式钻床性能及系统验收使用维护规程 AutoCAD引言本设计以立式钻床为背景,根据机床是国民经济中具有战略意义的基础工业,规划出立式钻床验收、使用与维护规程的研究与制定。
Z5150型立式钻床说明书目录一、机床外观图 (2)二、机床安全注意事项 (2)三、机床主要用途和功能特性 (4)四、机床主要规格与参数 (5)五、机床正确使用的具体说明和步骤 (6)1、吊运与安装 (6)2、机床的操纵 (8)3、机床的传动系统 (11)4、机床的调整 (16)5、机床的润滑 (17)6、机床的滚动轴承 (19)7、电气系统 (21)六、机床的维护保养、故障类型及排除 (28)1、维护保养 (28)2、故障的排除 (28)七、易损件明细表及易损件零件图 (29)1、易损件明细表 (29)2、易损件零件图 (29)一、机床外观图图1-1 机床外观图二、机床安全注意事项1、机床在搬运时,依次按包装箱上指定的位置系索,不准倒置、侧置及过大倾斜,不准过大的冲撞和震动,机床吊运时,用钢丝绳和铁棒,吊运机床用的铁棒直径不小于φ30mm,伸出机床两侧的长度不小于300mm。
2、主轴箱升降必须松开镶条的紧固螺栓16(图5-3 操纵手柄),主轴箱升降完毕必须锁紧螺栓,不允许不松螺栓硬摇主轴箱,以免损坏相关的零件。
3、机床主轴没有完全停止转动前,不允许用手去触摸主轴,以免伤人。
4、开车时不得变换转速及进给量,变速必须停车,禁止反接制动,否则将造成齿轮损坏。
5、清洗机床和维修机床打开电柜时,必须关闭机床总电源,否则后果自负。
6、机床切削时,应采取相应的措施,防止铁屑飞溅伤人。
7、不允许在超出机床最大切削参数时进行切削。
8、用退刀楔退刀时,主轴必须退回到原始位置。
9、机床启动前,应检查各手柄的位置是否正确。
10、机床在第一次使用或长时间没有使用时,应先让机床由低、中、高各转速级运转几分钟。
11、机床停止工作时,应切断机床供电电源。
12、推荐切削参数表2-1 机床按下表选用参数在实体上钻最大孔径注:⑴、为确保机床正常运转,必须在刀具锋利的条件下工作,如果刀具钝可能超出机床切削范围,有可能损坏机床。
⑵、在实体上钻最大孔时,切削参数不得超出表中推荐的数值,否则有可能损坏机床。
Z5150型立式钻床说明书目录一、机床外观图 (2)二、机床安全注意事项 (2)三、机床主要用途和功能特性 (4)四、机床主要规格与参数 (5)五、机床正确使用的具体说明和步骤 (6)1、吊运与安装 (6)2、机床的操纵 (8)3、机床的传动系统 (11)4、机床的调整 (16)5、机床的润滑 (17)6、机床的滚动轴承 (19)7、电气系统 (21)六、机床的维护保养、故障类型及排除 (28)1、维护保养 (28)2、故障的排除 (28)七、易损件明细表及易损件零件图 (29)1、易损件明细表 (29)2、易损件零件图 (29)一、机床外观图图1-1 机床外观图二、机床安全注意事项1、机床在搬运时,依次按包装箱上指定的位置系索,不准倒置、侧置及过大倾斜,不准过大的冲撞和震动,机床吊运时,用钢丝绳和铁棒,吊运机床用的铁棒直径不小于φ30mm,伸出机床两侧的长度不小于300mm。
2、主轴箱升降必须松开镶条的紧固螺栓16(图5-3 操纵手柄),主轴箱升降完毕必须锁紧螺栓,不允许不松螺栓硬摇主轴箱,以免损坏相关的零件。
3、机床主轴没有完全停止转动前,不允许用手去触摸主轴,以免伤人。
4、开车时不得变换转速及进给量,变速必须停车,禁止反接制动,否则将造成齿轮损坏。
5、清洗机床和维修机床打开电柜时,必须关闭机床总电源,否则后果自负。
6、机床切削时,应采取相应的措施,防止铁屑飞溅伤人。
7、不允许在超出机床最大切削参数时进行切削。
8、用退刀楔退刀时,主轴必须退回到原始位置。
9、机床启动前,应检查各手柄的位置是否正确。
10、机床在第一次使用或长时间没有使用时,应先让机床由低、中、高各转速级运转几分钟。
11、机床停止工作时,应切断机床供电电源。
12、推荐切削参数表2-1 机床按下表选用参数在实体上钻最大孔径注:⑴、为确保机床正常运转,必须在刀具锋利的条件下工作,如果刀具钝可能超出机床切削范围,有可能损坏机床。
⑵、在实体上钻最大孔时,切削参数不得超出表中推荐的数值,否则有可能损坏机床。
⑶、当机床常年处于重负荷状态工作时,选用的进给量值应比表中推荐值略小。
表2-2优质高速钢钻头和丝锥进行钻孔和攻丝时推荐切削用量表注:(1)本表适用于Z5140A机型,Z5150A机型可参照操作面板上的推荐值选取。
(2)表中n---主轴转速(r/min) s---进给量(mm/r)(3)当机床常年处于重负荷状态工作时,选用的进给量值应比表中推荐值略小。
三、机床主要用途和功能特性Z5140A、Z5150A型立式钻床是孔系加工的通用机床。
机床的钻孔能力为:机床型号Z5140A Z5150A材料钻孔能力铸铁(HB=220)φ40mm φ50mm钢(σb=600Mpa)φ40mm φ50mm 本机床除用于钻孔外,还可以扩孔、铰孔、钻沉头孔、锪端面、攻丝等,借助于辅具也可以进行镗孔加工。
本机床总体高度低,刚性好,精度高,噪音低,变速范围广,操纵集中,造型新颖,使用维修方便,适用于多品种、维修型小批量生产企业,若配以钻夹具也适用于批量生产的企业。
本机床几何精度检验和工作精度检验符合GB/T4019.1-4019.2《方柱立式钻床精度》检验标准的规定。
机床备有维修备件图册,供用户选购。
五、机床正确使用的具体说明和步骤1、吊运与安装拆箱后应按图5-1所示,用铁棒,钢丝绳吊运,吊运机床用的铁棒直径不小于φ30毫米,在机床两侧伸出的长度不小于300毫米,钢丝绳与机床表面间应垫以软木或毡垫。
机床安装前,须按图5-2所示做好地基,地基凝固后,不准有空隙和裂缝,在浇铸地基时,须予留四个截面为100×100平方毫米,深240毫米的地脚螺栓孔,并按图示位置留下截面直径100毫米,深80毫米的坑,以备当工作台降到最低位置时,升降丝杠伸出底座时用。
还应予留一个400×300毫米,深300毫米的坑,清洁冷却液用。
机床安装时应在靠近地脚螺栓处垫上4个宽60~80毫米,角度小于5度的垫铁,将机床套上地脚螺栓置于垫铁上,用水平仪在纵横方向找平,再浇灌水泥,待水泥凝固后,将地脚螺栓的螺母缓慢而均匀地拧紧,使机床安装水平误差不大于0.04/1000。
接上电源线及地线,用干净布蘸煤油擦去机床的防锈油层、灰尘及脏物等,给导轨和主轴套表面涂上润滑油,向主轴箱内注入20号机械油,并检查各紧固螺钉是否拧紧,冷却油管是否接好,便可试车。
图5-1 机床吊运图图5-2 地基图2、机床有操纵在熟悉本机床前,必须熟悉各操作件的部位和用途。
图5-3 操纵手柄图表5-1 操纵手柄明细表2.1、操纵机床时,应注意下列事项:1)、机床在工作前,须先将主轴箱镶条紧固螺栓16松开,然后编号名称和用途编号名称和用途编号名称和用途1 机床电源开关 8 机动进给控制端盖 15 主轴箱升降手柄2 主轴正转、停止、反转按钮 9 定程切削撞块 16 主轴箱夹紧螺栓3 钻孔、攻丝选择开关 10 进给结合子离合撞块 17 工作台升降手柄4 冷却泵通断选择开关 11 结合子复位手柄 18 调整冷却液用活栓5 主轴变速手柄 12 主轴进给刻度盘 19 照明灯开关6 进给变速手柄 13 滚花螺塞20 平衡弹簧调整螺栓7 进给主操作手柄14 攻丝自动反转撞块盘把主轴箱调整到所需位置,锁紧镶条使主轴箱紧固在立柱上。
2)、第一次使用或长时间没有使用时,应先将润滑油注入主轴箱内,先让机床由低、中、高各转速空运转几分钟。
3)、起动机床前,应检查各手柄的位置是否正确。
4)、开车时,不得变换主轴转速及进给量,变速必须停车。
禁止反接制动。
为减小冲击,操作时,必须先按停止开关,再点动反转开关,实现主轴急停。
5)、机床停止工作时,应切断机床总电源开关。
2.2、主轴的起动、停止和反转:主轴的起动、停止和反转是靠按压按钮来实现。
在进行钻孔工作或用按钮操纵主轴正反转时,应将选择开关3旋转到钻孔位置;当利用攻丝反转机构进行攻螺纹时应将旋钮旋转到攻丝位置,反转按钮能自锁,实现正常攻丝加工。
选择开关在攻丝位置时,若要实现钻孔的反转,应将攻丝撞块装在死区,使撞块不起作用,否则主轴无法工作。
2.3、手动进给:由机动进给转换为手动进给时,先将操纵手柄7顺时针旋转20°并将端盖8向里推进,再将操纵手柄7逆时针旋转,即可实现主轴的手动进给。
2.4、机床进给和超越进给:将端盖8向外拉出,操纵手柄7逆时针旋转20°,即接通机动进给。
若将手柄7再反向旋转20°,则机动进给停止。
在机动进给过程中,若以高于机动进给速度,逆时针回转手柄7,即得到主轴的超越进给。
2.5、机动进给的自动停止:用螺栓紧固在刻度盘12槽中的撞块9,随手柄7一同旋转,当撞块9撞开撞销10时,进给结合子脱开,从而机动进给自动停止,实现了钻孔定深。
钻孔的予定深度,可通过刻度盘12和标尺上的刻度确定,脱开后的结合子可通过向下搬动手柄11复位。
2.6、攻丝自动反转:在主轴箱左侧设有攻丝自动反转机构,其简图如图5-4。
使用这个装置攻丝时,应首先将钻孔攻丝选择开关3旋转到攻丝位置,并使水平轴处于手动状态,然后调整转盘1上的撞块2和5(图5-4,注意有延时)通过操作主操纵手柄7实现,当撞块2顺时针旋转压合触头4时,延时一秒,主轴自动反转实现攻丝定深;当主轴退回到初始位置时,撞块5压合触头3使主轴由反转经过延时变为正转,以进行再次加工。
在不使用这套装置时,应将撞块2和5移到极限位置,防止无益的碰撞触头。
也可以通过操纵按钮的正反转进行攻螺纹(注意有延时),但此时必须把转换开关3(图5-3)旋转到钻孔工作位置,以防止电气动作的干涉。
由于受到电动机本身性能的限制,机床主轴起动和换向的频率不能过高,这一点在利用攻丝反转机构进行攻丝作业时必须引起操作者的注意。
图5-4 攻丝自动反转机构图2.7、工作台的升降:通过回转工作台升降手柄17(图5-3)可将工作台调整到所需位置。
2.8、主轴箱的升降:松开主轴箱镶条上的六个夹紧螺栓16,将手柄17插入主轴箱左侧轴头15上,回转手柄可调整主轴箱的高度,调好位置后必须紧固螺栓16。
2.9、主轴转速和进给量的变换(见图5-3):主变速和进给变速均采用单手柄操纵,左侧手柄5变换主轴转速,右侧手柄6变换进给量。
主变速手柄可在前后或左右回转,各转动四个位置,其中左起第三个位置是“0”位。
在检验及更换刀具时,将主变速手柄转至“0”位,用手回转主轴较为轻便。
进给变速手柄可在前后或左右回转,各转动三个位置,相对应的主轴转速和进给量数值可在面板上的变速标牌中读出。
2.10、冷却液的控制:将冷却液转换开关4旋转到供水位置时,冷却泵随主轴的正转起动而工作,随主轴的停止而停止。
不需要冷却液时可将开关4旋转到不供水位置(冷却泵装在立柱的下方)。
2.11、退刀:本机床随机附件中备有专用回转卸刀扳手,将卸刀扳手插入主轴退刀孔的园弧中逆时针回转卸刀扳手,即可轻松地退出主轴锥孔中的刀具。
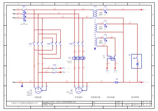
3、机床的传动系统机床具有下列主要运动(参看图5-5;表5-2)。
3.1、主轴旋转运动:由主轴箱顶部的主电动机(1430转/分,3kw)经橡皮圈柱销联轴节和齿轮1、2将旋转运动传给轴Ⅰ,再经轴Ⅰ上的四联滑移齿轮3、4、5、6传给轴Ⅱ上的固定齿轮7、8、10、11,由轴Ⅱ上的固定齿轮9、10将运动传给轴Ⅲ上的三联滑移齿轮中的13、14、再由12、13将运动传给空心轴Ⅳ上的固定齿轮16、17,空心轴Ⅳ通过花键孔将运动传给主轴,使主轴获得12级转速。
3.2、主轴的进给运动:由Ⅳ轴上的齿轮15经半轴Ⅴ上的齿轮18、19传给Ⅵ轴上的固定齿轮20,再由Ⅵ轴上的三联滑移齿轮21、22、23传给Ⅶ轴上的固定齿轮24、27、28,再由Ⅶ轴上的固定齿轮25、26、28将运动传给Ⅷ轴上的三联滑移齿轮29、30、31,由齿轮32、33,蜗杆34,蜗轮35,水平轴36传给主轴套齿条37,使主轴获得9级进给量。
3.3、主轴箱和工作台的移动:转动手柄15(图5-3),通过蜗杆43,蜗轮44可使齿轮45在固定于立柱的齿条46上旋转,使主轴箱升降。
工作台升降是靠转动手柄17(图5-3)升降,手柄经伞齿轮47、48使丝杆49在丝杠座50中回转而实现工作台的升降。
装在水平轴端的齿轮40,经齿轮41连接凸轮圆柱弹簧机构,平衡主轴重量。
装在水平轴上的齿轮38,经内齿轮39带动刻度盘旋转,控制钻孔深度。
齿轮40经内齿轮42带动撞块圆盘,实现攻丝自动反转的控制。
图5-5 传动系统图表5-2 齿轮、齿条、蜗轮、丝杠、螺母明细表(见图5-5)续表5-2 齿轮、齿条、蜗轮、丝杠、螺母明细表(见图5-5)续表5-2 齿轮、齿条、蜗轮、丝杠、螺母明细表(见图5-5)*:蜗杆、丝杠、螺母之外径。
4、机床的调整4.1、保险结合子的调整:调整进给保险结合子时,应首先拆下主轴箱右侧盖上的滚花螺塞13(图5-3)从窗口中可找到蜗杆轴上部的螺母,旋转螺母即可实现结合子保险抗力的调整。