钢箱梁工地焊接质量控制措施
- 格式:docx
- 大小:53.20 KB
- 文档页数:8
钢箱梁施工焊接及焊缝质量控制发表时间:2017-03-28T14:28:23.530Z 来源:《北方建筑》2016年12月第35期作者:赵晋宇[导读] 钢箱梁施工技术不仅仅有效地保障了其工程的质量和后期运行的安全性。
云南公投建设集团有限公司摘要:由于我国地貌多样,地势高低突出,在道路施工过程中,往往需要建设一些大型的桥梁工程,随着科学技术的发展,传统的桥梁施工技术已经难以满足当前大型长跨度桥梁施工的需求,钢箱梁施工技术是现今道路施工的主要技术之一,因此,本文将以云南省G4216华坪至丽江高速公路大理连接线工程(大理段)为例,对钢箱梁施工焊接及焊缝质量控制进行详细分析研究。
关键词:钢箱梁;施工焊接;焊缝;质量控制前言钢箱梁施工技术不仅仅有效地保障了其工程的质量和后期运行的安全性,同时对于加快工程施工进度也有很大的帮助,但是,在钢箱梁施工作业中,焊接及焊缝质量控制是其关键部分,施工中必须引起高度重视。
1.工程概述云南省G4216华坪至丽江高速公路大理连接线工程(大理段)一合同段起点是大理州止点是宾川县。
起止桩号为:K0+000~K18+062.391,路线长度18.062391公里。
桥梁宽度:15.5m+2×0.5m(单幅),设计时速100KM/h。
本标段有三座钢箱梁,分别为大理东立交E匝道2号桥(EK0+764.500),G匝道1号桥(GK0+297.177),G匝道2号桥(GK0+585.5)。
三联钢箱梁均采取同样的结构形式,钢箱梁等截面布置,梁高1.72m,悬臂长2.0m,为单向双室截面,顶板为正交异形桥面板,标准段板厚16mm,中支点横梁局部加厚至24mm,端支点横梁局部加厚至24mm;底板标准段14mm,中支点横梁加厚至24mm,端支点横梁局部加厚至24mm;顶、底板均设置倒T型肋,肋间距350mm,腹板设置纵向加劲肋,钢箱梁材料均为Q345D。
2.钢箱梁施工焊接准备工作2.1 主要施工焊接材料的准备在钢箱梁施工焊接作业中,其主要材料为钢材和焊接材料,为了确保焊接质量,施工技术人员需要对进入现场的钢材的生产厂家、参数、性能进行检查,并且在确定其质量之后方可进入施工现场,焊接材料的型号、种类及方法是确保焊接质量的关键因素,因此需要结合工艺评定试验结果来选择合适的焊接材料及方法,下表表1为各种焊接材料对应标准规定。
钢箱梁质量通病防治1.1 钢箱梁质量通病防治措施1.1.1 制作焊接质量控制为控制焊接变形,可以采取以下措施:1.分步组装、分步焊接,预制反变形,控制焊接顺序;2.选择小间隙、小坡口焊接,并采用能量小的焊接方法;3.在制造过程中积累各类焊缝的实测数据,以便更准确地预留焊接收缩量;4.采用多个节段总体组装及预拼装的制造方案;5.采用以胎架为外胎、以横隔板为内胎的方案。
为控制U肋与顶、底板间角焊缝熔透深度,可采取以下措施:1.采用CO2自动焊在船形位置焊接顶板单元的U肋角焊缝;2.在批量生产中,按规定抽查该焊缝的熔透深度,控制其质量;3.在桥上U肋嵌补件角焊缝处于仰焊位置,挑选技术较好的焊接人员进行施焊。
1.1.2 锚箱吊点纵距、横距的精度控制为保证吊点间的纵距和横距的精度,可采取以下措施:1.从组装顺序和焊接顺序入手,减少吊点定位后的焊接量;2.横梁位置的板单元除封箱顶板外,其余均组焊完成后再定位纵梁单元;3.以吊点中的为主要定位基准,微调横梁与内腹板之间的焊接间隙;4.在桥位节段定位时以锚箱中心位置为基准。
1.1.3 桥梁线型的控制为控制桥梁线型,可采取以下措施:1.采用多节段连续总装的方案,每轮总装不少于3个节段;2.在总拼时,预设置焊接收缩量和预拱度,以保证钢箱梁成桥线型;3.总拼胎架按照桥梁的成桥线型加设工艺量的线型制作;4.在整体总装完成后,在各节段端口制作现场测量控制点,供现场监控节段的三维位置;5.预留复位段参与下一轮次梁段的整体预拼装以确保桥梁线型的连续性;6.合拢段在现场测得长度数据后,再进行配切;7.采用场内组焊好的匹配装置进行匹配就位;8.焊接时选择合适的焊接顺序。
1.1.4 构件的运输控制为保证构件的运输质量,可采取以下措施:1.成立项目运输组,统一调度,确保各项工作有序、高效、优质地完成运输任务;2.对运输沿途路线进行实地勘测,确保所有构件可通过各个桥涵、立交桥、限高设施等;3.配置充足的人员、备用车辆,以应对临时突发情况,为人员配备对讲机、手机等通讯设备,车辆配备GPS设备,保证构件运行轨迹实时随时可查;4.根据现场吊装要求,及时发运,保证构件均按时到现场,所有构件均随运输携带完善齐全的质保资料,以便构件进场后按时吊装;5.所有构件根据吊装顺序按类型、按批次进行包装发运。
钢箱梁加工制作过程中的质量控制措施范本1:一、质量控制措施的目的质量控制措施的目的在于确保钢箱梁加工制作过程中的质量符合相关标准和规范要求。
通过严格的质量控制,可以保证钢箱梁的稳定性、安全性和持久性。
二、材料选用1. 钢材选用:选择符合国家标准的优质钢材,确保材料的力学性能和耐久性。
2. 表面处理:对钢材进行除锈、喷涂等表面处理,防止锈蚀和腐蚀。
三、加工工艺1. 切割加工:采用先进的切割设备,确保切割精度和尺寸准确性。
2. 弯曲加工:根据设计要求,使用专业的弯曲设备对钢材进行弯曲加工。
3. 焊接加工:采用高质量的焊接材料和技术,确保焊缝牢固、无裂纹等质量问题。
4. 表面处理:对焊缝和切割面进行打磨、除锈等表面处理,提高表面质量。
四、尺寸检测1. 使用精密测量仪器进行尺寸检测,确保钢箱梁的几何尺寸符合设计要求。
2. 进行全尺寸检测,包括长度、宽度、高度等多个尺寸参数。
五、外观质量检验1. 检查焊缝表面是否平整、连续,并无明显的缺陷和裂纹。
2. 检查表面喷涂是否均匀、光滑,无气泡和剥落现象。
六、质量记录和追踪1. 建立质量记录档案,记录每个环节的质量检验数据和评价结果。
2. 追踪质量问题并采取相应纠正措施,确保质量问题得到及时解决。
附件:1. 相关材料供应合同和质量检验证明。
2. 制作工艺流程图。
3. 检验记录表。
法律名词及注释:1. 国家标准:指由国家有关机构制定的标准,对产品质量和安全性进行规范。
2. 质量记录档案:指记录和保存制造过程中质量控制措施和结果的文件。
范本2:一、质量控制措施的目的为确保钢箱梁加工制作过程中的质量符合预期标准,延长使用寿命,提高安全性能等,需要采取一系列质量控制措施。
二、原材料验证1. 质量合规:采购钢材时,需根据规定检查合格证和检验报告,确保质量符合要求。
2. 化学成分检验:进行化学成分测试,以确定钢材是否符合技术要求。
3. 强度和韧性检验:利用拉伸试验、冲击试验等方法,对钢材进行强度和韧性测试。
大型桥梁钢箱梁工地现场焊接技术与质量控制措施发布时间:2022-12-21T07:38:21.210Z 来源:《城镇建设》2022年16期8月作者:姜维军翁巍强[导读] 在市场经济发展中,对交通运输更加需求,加上科学技术的发展,更多大型姜维军翁巍强摘要:在市场经济发展中,对交通运输更加需求,加上科学技术的发展,更多大型桥梁建设工程开始产生。
在实施施工过程中,因工艺技术水平的提升,钢箱梁施工技术越来越成熟,被广泛使用在大型桥梁建设中,能够保障桥梁施工的安全稳定进行。
在钢箱梁施工过程中,一般都会分段进行预制,再由现场焊接方式实现最终的拼接。
但是,大型桥梁钢箱梁施工难度非常高,容易产生各种变形问题,导致对焊接过程的质量达标程度更加关注。
因此,在钢箱梁施工过程中,只有提升现场焊接效率,并且对变形因素实施合理控制后,才能有效实现钢箱梁施工质量目标。
关键词:钢箱梁;工地现场;焊接技术;质量控制引言:在交通建设事业高速发展中,桥梁建设工程增多,并且更多桥梁呈现出大跨度、长距离等特点,这对施工技术提出了更高要求[1]。
在长期桥梁施工实践中,施工企业逐步对钢箱梁施工技术进行完善,促使该技术使用的越来越熟练,并且大量使用跨度大、距离长的桥梁施工工程中。
但是,钢箱梁因外观特征、结构设计等因素,只能在预制工厂完成分段预制件,并且在施工场地中实现焊接作业,促使其形成整体[2]。
不同施工场地地质环境不同、焊接条件也不同,这就会受到内外部因素的影响,造成焊接质量下降,从而产生变形问题,给施工企业带来巨大的经济损失[3]。
因此,应当对现场焊接过程进行分析,加大焊接质量管理,消除影响因素的干扰,降低焊接过程变形风险,以此实现施工项目质量目标。
一、大型桥梁钢箱梁工地现场焊接技术在钢箱梁焊接作业中,针对各个部件焊接需要使用衬垫焊接技术,并且需要结合施工情况进行合理调整,有效提升焊接精度[4]。
因此,针对不同部分的焊接位置采取的焊接技术是不同的,所使用的焊接步骤也是不同的。
钢箱梁施工焊接、焊缝质量控制1、钢箱梁施工焊接1.1 施工前准备1.1.1 编制施工工艺方案1.1.2 购买焊接材料和设备1.1.3 进行材料检验1.1.4 安排施工人员并进行培训1.1.5 搭建施工场地1.2 焊接前准备1.2.1 清理钢箱梁表面1.2.2 检查钢箱梁的尺寸和形状1.2.3 检查焊接设备和工具的完好性1.2.4 预热焊接区域1.2.5 选择适当的焊接方法和焊丝1.2.6 进行焊缝设计1.3 焊接施工1.3.1 进行焊接前的验证试焊1.3.2 进行焊接工艺评定1.3.3 进行焊接工艺记录1.3.4 进行焊接质量控制1.3.5 进行焊接工艺优化1.4 焊接后处理1.4.1 进行焊缝的后续处理和修复1.4.2 进行非破坏检测1.4.3 进行焊接缺陷评定和记录1.4.4 进行焊接区域的防腐处理附件:焊接工艺记录表、焊接质量控制流程图法律名词及注释:1. 施工工艺方案:指针对具体施工项目制定的详细工作方案,包括施工流程、技术要求等内容。
2. 焊接材料:指用于焊接过程中需要使用的材料,如焊丝、焊剂等。
3. 材料检验:指对焊接材料进行检测和评估,保证符合相关标准和规范要求。
4. 施工人员:指进行钢箱梁焊接工作的专业人员,需要具备相关的焊接技能和证书。
5. 施工场地:指进行焊接作业的暂时工作场所,需要符合安全、环保要求。
6. 焊接工艺评定:指根据具体施工条件和要求,对焊接工艺进行验证和评估,确保焊接质量。
7. 非破坏检测:指通过无损检测技术对焊接区域进行检测和评估,寻觅潜在的焊接缺陷。
2、焊缝质量控制1. 引言1.1 写明本文档的目的和重要性1.2 简要介绍焊缝质量控制的概念和作用2. 焊缝质量控制前的准备工作2.1 编制焊接工艺方案2.2 准备焊接材料和设备2.3 进行焊接前的准备工作,如钢材表面处理、焊缝设计等2.4 安排专业人员进行焊接工作,并进行培训3. 焊缝质量控制的方法和措施3.1 选择适当的焊接方法3.2 控制焊接电流和电压3.3 控制焊接速度和角度3.4 保证焊接接头的质量3.5 注意焊缝的保护和防腐处理4. 焊缝质量控制的检测和评估4.1 进行焊缝的目测检查4.2 进行焊缝的尺寸和形状的测量4.3 进行焊缝的无损检测4.4 进行焊缝的力学性能测试4.5 对焊缝进行质量评定和记录5. 焊缝质量控制的后续处理5.1 对焊缝的缺陷进行修复5.2 进行焊缝的后续处理,如砂光、打磨等5.3 进行焊缝区域的防腐处理附件:焊接工艺方案模板、焊缝质量控制记录表法律名词及注释:1. 焊缝质量控制:指在焊接过程中,通过一系列方法和措施,保证焊缝的质量符合相关标准和规范要求。
钢箱梁缺陷及整改措施钢箱梁是一种常见的桥梁结构,它具有承载能力强、稳定性好等优点,被广泛应用于桥梁建设中。
然而,在使用过程中,钢箱梁也存在一些缺陷,如焊接缺陷、腐蚀等问题,这些缺陷会对桥梁的安全性和使用寿命产生不利影响。
为了保证桥梁的正常运行和使用安全,需要采取相应的整改措施。
本文将从五个大点出发,详细阐述钢箱梁缺陷及整改措施。
一、焊接缺陷1.1 焊接接头质量不合格1.2 焊接接头缺乏有效的防腐措施1.3 焊接接头存在裂纹针对焊接缺陷,应采取以下整改措施:2.1 加强焊接工艺控制,确保焊接接头质量2.2 对焊接接头进行防腐处理,延长使用寿命2.3 定期对焊接接头进行检测,及时修复裂纹二、腐蚀问题2.1 表面腐蚀2.2 内部腐蚀针对腐蚀问题,应采取以下整改措施:2.1 定期对钢箱梁进行表面清洁和防腐处理2.2 加强桥梁维护,防止水分渗透导致内部腐蚀三、疲劳损伤3.1 车辆荷载引起的疲劳损伤3.2 温度变化引起的疲劳损伤3.3 振动引起的疲劳损伤针对疲劳损伤,应采取以下整改措施:3.1 加强桥梁荷载监测,控制车辆荷载3.2 采用合适的桥梁材料和结构设计,减轻温度变化和振动对桥梁的影响3.3 定期对桥梁进行疲劳检测,及时修复损伤部位四、变形问题4.1 桥梁变形超过设计限值4.2 桥梁变形不均匀针对变形问题,应采取以下整改措施:4.1 加强桥梁变形监测,及时采取支撑和加固措施4.2 对桥梁进行定期维护和检测,修复不均匀变形部位五、其他缺陷5.1 设计缺陷5.2 施工质量问题针对其他缺陷,应采取以下整改措施:5.1 加强桥梁设计的合理性和完整性,减少设计缺陷5.2 加强施工过程的质量控制,确保施工质量符合要求综上所述,钢箱梁缺陷及整改措施是确保桥梁安全和使用寿命的重要环节。
通过加强焊接质量控制、防腐处理、定期检测和维护等措施,可以有效减少缺陷对桥梁的影响,保障桥梁的正常运行和使用安全。
同时,合理的设计和施工质量控制也是预防缺陷的关键。
钢箱梁焊接质量控制措施1、编制依据1.1 设计文件《桥梁工程设计说明及图纸》设计交底及图纸会审记录。
1.2 有关规范及标准《公路工程技术标准》(JTG B01-2003)《公路桥涵设计通用规范》(JTG D60-2004)《公路桥涵施工技术规范》(JTG/T F50-2011)2、编制范围本方案针对XXX桥梁工程—主桥钢箱梁焊接工程编制。
3、工程概况XXX为跨径35m+4x50m+35m的拱结构支撑的钢连续箱梁桥。
4、工作内容钢箱梁工地焊接主要包括梁段环缝对接、梁段纵缝对接、嵌补段对接。
梁段环缝对接系指顶板、底板、腹板横向对接焊缝。
纵缝焊接和环缝焊接完成后,再进行结构嵌补段焊接,有U形肋嵌补段、球扁钢嵌补段、T型肋补段、I型钢补段等。
还有加劲板、封板等焊接。
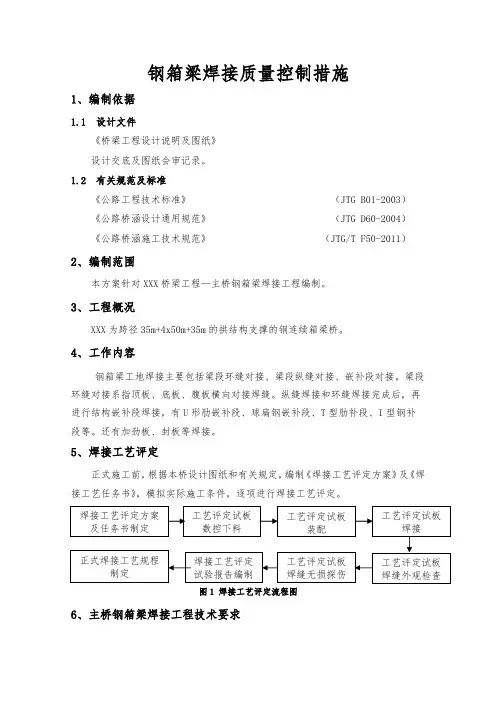
5、焊接工艺评定正式施工前,根据本桥设计图纸和有关规定,编制《焊接工艺评定方案》及《焊接工艺任务书》,模拟实际施工条件,逐项进行焊接工艺评定。
图1 焊接工艺评定流程图6、主桥钢箱梁焊接工程技术要求(1)加工单位对其首次采用的钢材、焊接材料、焊接接头形式、焊接方法等应进行焊接工艺评定,并根据评定报告确定焊接工艺作为指导生产性文件,并报监理工程师认可;(2)对焊缝集中、刚性较强节点编制焊接程序,将焊接应力降到最低限度;(3)焊条使用前需经350°C~400°C烘焙二小时,焊剂使用前须经250°C 左右烘焙二小时,然后存放在恒温箱中,施焊时焊条、焊剂应放在焊条保温筒中,防止受潮;(4)施焊前,焊工应复查焊件接头质量和焊区的处理情况,当不符合要求时,应经修整合格后方可施焊;(5)焊接时,焊工遵守焊接工艺,不得自由施工及在焊道外的母材上引弧;(6)焊接应采用双数焊工从中间逐渐向外,左右进行,以保证构件自由收缩;(7)多道多层焊应连续施工,每层焊道焊毕后应及时清理检查,清除缺陷后再焊;多层焊起落点相互错开,角焊缝转角处要连续施焊;(8)埋弧自动焊在所有对接焊缝的两端设置引弧和熄弧板,引弧板的坡口形式、材料与工件相同;埋弧自动焊在施工过程中不应断弧,如发生断弧应按照规定将停弧处刨成1:5的坡度后,再继续搭接50mm进行施焊,焊接应搭接圆润一致;(9)焊缝出现裂纹时,焊工不得擅自处理,应查明原因确定修补工艺后方可进行处理。
主桥钢箱梁焊接质量控制措施摘要:本文详细介绍了主桥钢箱梁焊接质量控制的重要性以及采取的措施。
针对焊接过程中可能出现的质量问题,提出了相应的解决方案。
通过加强质量控制,可有效提高主桥钢箱梁的焊接质量,确保结构的安全可靠。
1. 引言主桥钢箱梁是大型桥梁建设中常用的结构形式之一,焊接是其制造过程中的重要环节。
焊接质量的好坏直接关系到钢箱梁的结构安全和使用寿命。
因此,为了确保主桥钢箱梁焊接质量的可靠性,必须采取相应的控制措施。
2. 质量控制措施2.1. 人员素质培训钢箱梁焊接工艺涉及到焊工、焊接操作人员等多个角色。
为了提高焊接质量,应加强人员素质培训。
焊工应具备相应的资质证书,并且必须熟悉焊接工艺规程和操作规范。
除焊接工外,其他焊接操作人员也需要经过培训,确保他们掌握相关工艺和操作要点。
2.2. 材料选用和预处理在主桥钢箱梁的焊接过程中,选用合适的焊材是至关重要的。
钢材应符合相关标准,并且需要进行检测,以确保其质量合格。
此外,还应对焊接前的钢材进行预处理,包括除锈和清洁,以去除表面杂物和氧化物,提高焊接接头的质量。
2.3. 工艺规程制定制定合理的工艺规程对于实现优质的焊接质量至关重要。
工艺规程应详细描述焊接过程中的每个步骤,包括电弧焊接设备的设置、焊接材料的选择以及焊接参数的确定等。
通过制定合理的工艺规程,可以确保焊接过程的稳定性和可控性。
2.4. 焊接设备的维护和检测焊接设备的维护和检测对于保证焊接质量同样十分重要。
焊接设备应定期进行检测和校准,以确保其正常工作。
同时,需要进行设备的维护和保养,包括清洁焊接设备、更换损坏的配件等。
通过对焊接设备的维护和检测,可以减少设备故障对焊接质量的不良影响。
2.5. 焊后检测和评定焊接完成后,需要进行焊后检测和评定。
焊后检测包括对焊缝的外观检查、尺寸检查以及无损检测等。
通过对焊缝的细致检查,可以发现并及时修复焊接质量问题,确保焊接接头的质量合格。
3. 解决质量问题的方案针对焊接过程中可能出现的质量问题,应采取相应的解决方案。
跨铁路桥钢箱梁工程焊接施工质量控制摘要:某公路跨铁路桥因下行电力电网密集,为确保足够的上跨空间和结构轻质性,根据结构设计其主跨采用钢箱梁结构,钢箱梁在钢厂预制后运抵施工现场进行拼装。
对于钢结构箱梁,其焊接质量直接关系到结构整体稳定性和安全性,因此本文主要从钢箱梁的焊接选材及质量控制方面予以探析,并附带其详细过程说明供类似工程质量监控参考。
关键词:跨铁路桥钢箱梁质量控制Entities of the large bridge piers under the action of sunlight simulation analysis of temperature field and temperature stressJIANG ShuoOuyang zhifeng( Project construction headquarters of Guang Zhou railway train base, 511400, Guang Zhou ,China.)Abstract:TKey words: The highway across the railway bridge for downlink power grid, in order to ensure the enough across space and light structure, according to the structure design of the mainspan adopts steel box girder structure, steel box girder assembled arrived after steel prefabricated construction field. For steel box girder, the welding quality is directly related to the structure of the overall stability and safety, therefore this article mainly from the viewpoint of welding material selection and quality control of steel box girder, and the detailed process with quality control reference for other similar projects.Key words: quality control across the railway bridge steel box girder1、概述本公路上跨铁路桥主桥是钢混结构,钢梁采用Q345C材质,桥长130m,宽13.45*2道,分左右两部分,共20个分段。
钢箱梁施工质量的控制第一篇:钢箱梁施工质量的控制最新【精品】范文参考文献专业论文钢箱梁施工质量的控制钢箱梁施工质量的控制摘要:笔者结合工程实例及多年的工作经验,阐述了钢箱梁施工质量控制,以供交流。
关键词:钢箱梁;材料;放样;焊接工艺;涂装;现场施工Abstract: the author combined with the engineering practice and experience, this paper describes the construction quality control of steel box girder, for the exchange of.Keywords: steel box girder; materials; lofting; welding process; coating; site construction中图分类号:TU71文献标识码:A文章编号:2095-2104(2013) 概况我司承建的猎德大桥系统工程北延线金穗路~黄埔大道节点第二标段,跨线桥共有两联普通钢筋混凝土箱梁,这两联连续梁均处在标准段与加宽段之间,故平面上均为异形梁。
其中,Z0~Z4轴箱梁为26.8~35.46m,Z7~Z10轴箱梁为26.0 ~27.25m,梁高均为1.6m。
Z0~Z4轴箱梁接NE匝道及WN匝道段采用与匝道相似的断面形式,均为单箱单室箱梁。
Z7~Z10轴箱梁由于变宽段长度不大,基本处在标准段内,箱梁通过局部调整每室宽度来实现渐变。
箱梁标准断面采用单箱双室斜腹板现浇普通钢筋砼连续梁,单侧翼板长2.5m,箱梁顶板厚22cm。
腹板的厚度随着剪力的增大而从跨中向止点逐渐加大,边斜腹板厚度为45~60cm,中腹板厚度为35~50cm。
底板的厚度随跨中向支点逐渐增大,边斜腹板厚度为45~60cm,中腹板厚度为35~50cm。
底板的厚度随着负弯矩的增大而逐渐从跨中向支点逐渐加大,厚度为22~35cm。
悬索桥钢箱梁工地焊接工艺与质量控制摘要:悬索桥钢箱梁工地焊接不同于工厂制造,施工环境严酷,工地焊接质量、精度控制十分关键。
文中结合宜昌长江公路大桥工程实际,主要介绍了钢箱梁工地焊接工艺、焊接精度控制以及焊缝质量控制采取的措施和效果。
关键词:钢箱梁;工地焊接;工艺与质量控制1 概述宜昌长江公路大桥是一座跨度为960m的全焊加劲钢箱梁悬索桥,主梁两端竖向支座中心长度为955.8m,全桥共80个梁段,分为长12.06m的标准节段76个,长7.332m的端头节段2个,长13.488m的跨中节段2个。
主桥行车道主梁为扁平流线型全焊加劲钢箱梁结构,结构全宽30m,中心梁高3m,顶板宽22m,上斜腹板宽1.2m,人行道悬臂梁宽2.8m,底板宽18m,下斜腹板宽3.2m。
桥面设有双向向外对称2%的横坡,人行道设有向内1.5%的横坡(图1)。
图1 钢箱梁横断面图(单位:cm)2 工地焊接主要工作内容及特点2.1 工地焊接主要工作内容钢箱梁工地焊接主要包括梁段环缝对接、嵌补段对接。
梁段环缝对接系指面板、底板、上斜腹板、下斜腹板、人行道板纵向对接焊缝。
环缝焊接完成后,再进行结构嵌补段焊接,有U 形肋嵌补段、球扁钢嵌补段、路缘石嵌补段。
全桥环缝79条,长度为4470m;U形肋2844件,长度为6428m;球扁钢6478件,长度7256m。
2.2 工地焊接的特点工地焊接不同于工厂焊接,工地焊接属高空野外作业,焊接质量受风吹、日晒、雨淋、大雾等不利自然气候因素影响,加之钢箱梁箱体内通风差以及高空作业,施工作业环境严酷;而另一方面,工地焊接直接影响成桥线型和总体质量控制,这就要求必须严格制定工地焊接工艺及其实施细则,采取有效措施,高标准地保证焊接质量。
3 工地焊接工艺宜昌长江公路大桥钢箱梁采用分段制造,梁段间连接为全焊结构。
为了保证工地焊接精度和焊缝质量,针对宜昌长江公路大桥工地焊接具体条件,先后制定了《宜昌长江公路大桥钢箱梁梁段工地装焊施工组织设计》、《宜昌长江公路大桥钢箱梁梁段工地焊接装配工艺规程》、《宜昌长江公路大桥钢箱梁梁段工地焊接工艺细则》。
大型桥梁钢箱梁施工现场焊接技术与质量控制措施摘要:大型钢结构箱梁现场组装及焊接过程中,细节的控制是提升施工质量的关键。
本文介绍了大型桥梁钢箱梁施工现场焊接的关键技术及注意事项。
从施工前的准备、安装施工过程中的焊接实施、施工后的质量检查三个环节探讨大型桥梁钢箱梁现场施工的质量控制措施。
旨在为大型钢箱梁现场施工质量管理提供一些参考。
关键词:大型桥梁;钢箱梁;现场焊接技术;质量控制管理引言新中国成立以来,中国的桥梁建筑迈向了现代化、大型化的步伐,施工材料也向混凝土、钢筋等现代化材料转变。
随着我国桥梁跨径的增大,钢结构材料因其重量轻、韧性好、塑形高、强度高、材质均匀等优点而被广泛应用于大型桥梁中。
大型钢箱梁桥梁施工技术在现代桥梁施工中的应用充分体现了桥梁建筑大型化、钢材应用普遍化、施工技术进步化的发展特征。
其中大型桥梁钢箱梁现场安装及焊接技术对现场管理的要求极高。
由于大型桥梁钢箱梁现场组装及焊接的工序复杂、跨度大,施工过程中任何的细节问题、精度偏差、质量缺陷等,都会给桥梁工程整体质量埋下安全隐患。
现阶段大型桥梁钢箱梁的应用已经非常普遍。
研究大型桥梁钢箱梁工地现场焊接技术与质量控制措施对提升大型钢箱梁桥梁施工水平有着重要的意义。
一、大型桥梁钢箱梁工地现场焊接技术及注意事项(一)现场焊接的关键技术1.焊接接头类型目前常见的大型钢箱梁焊接头类型有对接接头、角接接头两种。
焊接接头焊接部位包括:库U形肋与顶、底板与坡口角接、横隔板立位对接、横隔板与顶板接板的横位对接、顶与底板的对接、斜顶板与人行道面板部位、斜顶板与顶板自然坡口熔透角等。
2.焊接技术及质量控制要点(1)U形肋与顶板坡口角接焊缝的焊接与变形控制先对焊接工艺做评定试验,确定最优坡口形式、焊接参数及焊丝。
再采用线能量较小的药芯焊丝采用二氧化碳其他保护自动焊接技术进行焊接。
焊接控制板单元过程中应确保U形肋对接位置符合设计要求,并采用焊接反变形胎架做好焊接过程中的变形控制。
主桥钢箱梁焊接质量控制措施摘要:钢箱梁是桥梁建设中常用的构造形式之一,其连接部分的焊接质量对于桥梁的整体结构安全至关重要。
本文将探讨和介绍主桥钢箱梁焊接质量控制的措施,包括焊工的培训和资质要求、焊接材料的选择、焊接工艺参数的控制等方面。
1. 引言主桥钢箱梁是在桥梁建设中广泛采用的重要构造形式之一。
它不仅具有较高的承载能力和结构稳定性,还能有效地降低桥梁的自重。
在主桥钢箱梁的制作过程中,焊接是连接梁片和梁肋的主要工艺,其焊接质量的控制对于桥梁的结构安全至关重要。
2. 焊工的培训和资质要求为了保证焊接的质量,首先需要对焊工进行专业的培训和资质要求。
焊工应具备相应的技术知识和经验,熟悉焊接工艺,并持有相应的焊接操作证书。
此外,焊工还应定期接受技术培训,更新知识和技能,以适应不断发展的焊接技术。
3. 焊接材料的选择在主桥钢箱梁的焊接过程中,需要选择适合的焊接材料,以确保焊接接头的强度和耐腐蚀性。
常用的焊接材料包括焊丝和焊剂。
焊丝的选择应根据梁片和梁肋的材料进行匹配,同时考虑焊接后的强度和韧性要求。
焊剂的选择应符合相关标准和规范要求,并进行质量检测,确保其符合要求。
4. 焊接工艺参数的控制焊接工艺参数的控制是确保焊接质量的关键。
焊接工艺参数包括焊接电流、电压、焊接速度、预热温度等。
这些参数的选择需要根据梁片和肋板的材料特性、焊接方法和焊接要求进行合理确定。
焊接工艺参数的控制应在焊接过程中严格执行,并进行实时监测和记录,以便后续的质量控制和问题分析。
5. 焊接质量检测方法为了确保主桥钢箱梁焊接质量,需要进行焊接质量检测。
常用的焊接质量检测方法包括目视检测、超声波检测、磁粉检测等。
目视检测是最简单且常用的检测方法,通过肉眼观察焊缝是否存在裂。
钢箱梁施工质量控制程序及要点钢箱梁施工监理控制程序及要点一、施工准备阶段监理质量控制程序及要点:1、审查审批施工组织设计,以及各专项施工方案、安全方案。
2、施工测量、胎架焊接拼装3、原材料抽检试验,落实试验计划二、临时支墩、压重区支撑质量控制程序及要点:1、基础施工三、板单元制造监理质量控制程序及要点:1、检查原材料生产厂家的资质、生产许可证、生产能力及生产设备情况。
2、检查用于购件(半成品)的原材料的相关质量保证资料、检查原材料的规格是否满足设计要求。
3、检查生产厂家参与生产的特殊工种(如:焊工类)是否具备相应级别的技能资格证(如:钢板焊接应由四级以上技工进行)。
四、梁段、大节段制造监理质量控制程序及要点:1、检查进场材料、构件的相关质量保证资料(焊材材合格证、钢板合格证、厂家自检试验资料等)。
2、检查进场材料、构件的规格、尺寸、直径、直顺度、圆度、完整性、喷漆、编号等外观质量是否满足设计及规范要求。
3、对进场的材料、构件按照规范要求进行监理抽样检验,委托有相应资质实验室试验(原材料构件性能常规试验,构件焊接无损探伤试验等)。
4、审查钢箱梁专项施工方案、网架施工安全技术交底、施工单位下发的施工技术交底;检查参与现场拼装焊接的施工人员是否具备相应焊工技能资格证及焊接能力。
5、拼装过程中,检查拼装的顺序安排是否合理;检查焊接用焊条是否满足设计及规范要求。
6、焊接前,分批检查验收杆件管材坡口成型情况。
7、焊接过程中,检查焊缝中的外观质量是否符合要求,发现问题及时责令整改或暂停。
8、焊缝部位分批检查验收外观质量及焊缝内部质量,其中杆、球对接焊缝无损探伤检验抽样数量不少于焊缝的总量的20%,取样部位由设计与施工单位协商确定,焊缝质量达到二级焊缝要求。
9、通过焊缝验收后,方可允许进行焊缝部位的打磨、喷漆。
五、运输、吊装监理质量控制程序及要点:1、分块构件在吊装前,必须通过最后的检查、验收方可进行,检查纵、横向边长、支撑点高程/间距、挠度观测点布置等)。
钢箱梁焊接质量控制措施1.1焊接质量控制措施1.1.1 焊工(包括定位焊工)必须通过考试并取得资格证书,只能从事资格证书中认定范围内的工作。
1.1.2 焊接工艺必须根据焊接工艺评定报告编制,施焊时应严格执行焊接工艺,焊接工艺评定应符合《铁路钢桥制造规范》TB10212-2009附录C的规定。
1.1.3 焊接材料应通过焊接工艺评定确定;焊剂、焊条必须按产品说明书烘干使用;焊剂中的赃物、焊丝上的油绣等必须清除干净;C02气体纯度应大于99.99%。
1.1.4 焊接工作应在室内进行,施焊环境湿度应小于80%;焊接底合金钢的环境湿度应低于5℃,焊接普通碳素钢不应低于0℃;主要杆件应在组装后24h内焊接。
1.1.5 如果杆件在露天焊接时,必须采取防风和防雨措施;主要杆件应在组装后12h内焊接;当杆件的待焊部位结露或被雨淋后,要采取相应的措施去除水分和浮绣。
1.1.6 焊接前必须彻底清除待焊(包括定位焊)区域内的有害物;焊接时严禁在母材的非焊接部位引弧,焊接后应清理焊缝表面的熔渣及两侧的飞溅。
1.1.7 焊前预热温度应通过焊接性试验和焊接工艺评定确定;预热范围一般为焊缝每侧100mm以上,距焊缝30~50mm范围内测温。
焊工施焊时应做焊接记录,记录的内容包括杆件号、焊缝部位、焊缝编号、焊接参数、操作者、焊接日期等。
1.1.8 定位焊应符合以下要求:1)顶位焊缝应距设计焊缝端部30mm以上,其长度为50~100mm;间距为400~600mm,厚板(50mm以上)和薄板(8mm 以下)应缩短定位焊间距;顶位焊缝的焊脚尺寸不得大于设计焊脚尺寸的1/2.2)焊缝不得有裂纹、夹渣、焊瘤等缺陷,对于开裂的定位焊,必须先查明原因,然后再清楚开裂的焊缝,并在保证杆件尺寸正确的条件下补充顶位焊。
1.1.9 埋弧自动焊必须在距设计焊缝端部80mm以外的引板上起、熄弧。
1.1.10 埋弧自动焊缝焊接过程中不应断弧,如有断弧则必须将停弧处刨成1:5斜坡,并搭接50mm再引弧施焊,焊后搭接处应修磨匀顺。
钢箱梁吊装焊接工艺改进及质量控制措施摘要:钢箱梁是由工字钢、槽钢等钢材制作而成的一种钢结构桥梁,是目前桥梁结构中应用最广泛的一种形式。
钢箱梁具有自重轻、强度高、安装方便、运输灵活、跨度大等优点,在桥梁建设领域中得到了广泛的应用。
然而,钢箱梁虽然得到了较大发展。
但是,现存的钢箱梁制造技术仍然相对落后,生产效率较低,产品质量也有待进一步提高。
基于此,本文对钢箱梁吊装焊接工艺的改进方法和质量控制措施进行了简要研究。
关键词:钢梁箱;吊装焊接;工艺质量在桥梁结构中,钢箱梁的吊装和焊接是最为关键的环节,吊装与焊接技术直接关系到桥梁的安全性和平稳性。
而常规的钢箱梁焊接技术在施工过程中极易出现焊缝应力超标而引起构造损毁的情况,这就严重降低了桥梁的坚固程度,所以正确的吊装与焊接技术是加快工程进度和确保施工质量的要点。
当前,尽管有些检测方法已较为完善,但仍存在着测量精度不高、不能连续检测、判定结果模糊、产生危害大、步骤繁琐、难以实现对复杂构件的无损探测等问题,这就需要进一步对检测技术进行研究、更新。
1.钢箱梁吊装焊接工艺分析和改进1.1加劲梁线形在对某桥梁施工项目进行实验研究后,根据相应的图表数据可发现,中跨节段的梁段线性表呈“凹形”,且前后梁高均大于中部梁段,在第一期焊缝焊接作业后,线性开始大幅提高,这时梁体与中部梁体之间的标高差距缩小。
当指定梁段吊装完毕以后,节段的线性同样呈现出一条凹形曲线,之后高程差会依据后续两次的吊装焊接施工作业,而出现先降低后提升的变化,而当将指定的梁段进行最后一次吊装焊接施工后,梁段的线性变化趋势就会从“凹形”变为“凸形”,并使得焊接前的线性与焊接后的线性保持了一致。
1.2截面开口宽度通过对各焊接过程中横断面开口间距的分析,制作了各阶段横断面开口间距的数据变化图表。
由此可以看出:对指定梁段的初始吊装结束后,横断面开口间距呈现出中部大两端小的特点。
在第一期焊接结束后,会降之强行降低至0;再次吊装后,横断面开口间距仍旧保持原有特点,但开口间距开始缩小。
主线2号桥钢箱梁现场焊接控制要点及存在问题主线2号桥钢箱梁现场焊接焊缝有:纵隔板对接焊缝、顶板对接焊缝、底板对接焊缝、侧板对接立焊缝。
焊接时应按以下要求进行控制,以保证焊件焊缝质量。
一、焊前控制要点:1、对接焊口平整及错口要符合规范要求(在±2mm以内)。
问题:现场发现个别处错口较大,不满足规范要求2、焊缝坡口形式及角度要符合焊接工艺评定要求。
问题:现场发现坡口及角度不规整,坡口未进行打磨等3、焊缝坡口间最小距离要符合规范要求(在6~10mm之间)。
问题:现场发现焊缝间距有的过宽,有的过小,过小的应把坡口开到满足规范要求的距离4、焊缝位置校正码板及防焊接变形措施要到位。
问题:码板尺寸厚度及间距不均匀,造成固定刚度不均匀,不利于变形的控制5、焊缝打磨要到位(打磨范围:每侧30~50mm),达到露出金属光泽并且光滑平整。
打磨后要及时施焊。
问题:现场发现焊缝有未打磨及打磨不干净的现象,左幅桥应严格按照要求进行打磨6、焊缝端头引弧板、熄弧板要加到位,以保证端头焊缝质量。
为确保焊缝质量,在焊缝始终端安装引、熄弧板,引、熄弧板长度,手工焊大于35mm,埋弧焊100~150mm。
去除引、熄板时,用火焰切割,然后用砂轮打磨光顺。
7、需加试板位置焊前要加到位。
8、钢箱梁主焊缝焊接一般为单面焊、双面成型,焊前应在坡口背面贴严、贴牢工艺规定的陶质衬垫。
问题:现场有焊缝间隙较大,下面垫有钢板的现象,焊后应去掉下垫钢板,并打磨平整二、焊接过程控制要点:1、严格按照焊接工艺评定要求进行施焊。
为了保证主线2号桥焊接质量,对梁体结构的焊接根据母材材质及结构特点等选用焊接方法、焊接材料,进行焊接工艺评定试验,当焊接接头性能达到要求后,方可采用。
问题:未发现进行焊接工艺评定和制定施焊方案,存在施焊随意现象2、焊接所用的焊剂、焊条必须按产品说明书烘干使用;焊剂中的脏物、焊丝上的油锈等必须清除干净;CO2气体纯度应大于99.5%。
钢箱梁焊接质量控制措施1、编制依据1.1 设计文件《桥梁工程设计说明及图纸》设计交底及图纸会审记录。
1.2 有关规范及标准《公路工程技术标准》(JTG B01-2003)《公路桥涵设计通用规范》(JTG D60-2004)《公路桥涵施工技术规范》(JTG/T F50-2011)2、编制范围本方案针对XXX桥梁工程—主桥钢箱梁焊接工程编制。
3、工程概况XXX为跨径35m+4x50m+35m的拱结构支撑的钢连续箱梁桥。
4、工作内容钢箱梁工地焊接主要包括梁段环缝对接、梁段纵缝对接、嵌补段对接。
梁段环缝对接系指顶板、底板、腹板横向对接焊缝。
纵缝焊接和环缝焊接完成后,再进行结构嵌补段焊接,有U形肋嵌补段、球扁钢嵌补段、T型肋补段、I型钢补段等。
还有加劲板、封板等焊接。
5、焊接工艺评定正式施工前,根据本桥设计图纸和有关规定,编制《焊接工艺评定方案》及《焊接工艺任务书》,模拟实际施工条件,逐项进行焊接工艺评定。
图1 焊接工艺评定流程图6、主桥钢箱梁焊接工程技术要求(1)加工单位对其首次采用的钢材、焊接材料、焊接接头形式、焊接方法等应进行焊接工艺评定,并根据评定报告确定焊接工艺作为指导生产性文件,并报监理工程师认可;(2)对焊缝集中、刚性较强节点编制焊接程序,将焊接应力降到最低限度;(3)焊条使用前需经350°C~400°C烘焙二小时,焊剂使用前须经250°C 左右烘焙二小时,然后存放在恒温箱中,施焊时焊条、焊剂应放在焊条保温筒中,防止受潮;(4)施焊前,焊工应复查焊件接头质量和焊区的处理情况,当不符合要求时,应经修整合格后方可施焊;(5)焊接时,焊工遵守焊接工艺,不得自由施工及在焊道外的母材上引弧;(6)焊接应采用双数焊工从中间逐渐向外,左右进行,以保证构件自由收缩;(7)多道多层焊应连续施工,每层焊道焊毕后应及时清理检查,清除缺陷后再焊;多层焊起落点相互错开,角焊缝转角处要连续施焊;(8)埋弧自动焊在所有对接焊缝的两端设置引弧和熄弧板,引弧板的坡口形式、材料与工件相同;埋弧自动焊在施工过程中不应断弧,如发生断弧应按照规定将停弧处刨成1:5的坡度后,再继续搭接50mm进行施焊,焊接应搭接圆润一致;(9)焊缝出现裂纹时,焊工不得擅自处理,应查明原因确定修补工艺后方可进行处理。
焊缝同一位置不得出现二次以上返修,超过二次时,应按返修工艺进行;(10)本桥焊缝等级分类:一级焊缝:除二级焊缝之外的焊缝(采用等强度焊接)。
二级焊缝:飘带部分焊缝、横隔板和加劲板可以采用二级焊缝(但支座附近和拱梁结合区附近的横隔板、加劲肋的焊缝采用一级焊缝);(11)焊缝的检查:焊缝的外形尺寸、质量等级及缺陷分级应符合现行的有关国家规范、规程、质检标准的有关规定;对一级焊缝超声波探伤有疑问的部分用X 射线复查,射线探伤、焊缝质量按有关国家规范、规程、质检标准的有关规定执行;二级焊缝进行磁粉探伤及检查,凡出现缺陷磁粉迹痕均作返修处理。
7、钢箱梁焊接的管理措施7.1焊接人员培训严把焊工岗前练习、考试关;选派技术过硬、有经验的焊工担任每批、次焊工岗前练习的指导教师,针对每个焊工的实际情况制定岗前练习重点,将主观焊接缺陷消除在焊工岗前练习中,使每个上岗的合格焊工都成为工程的放心焊工。
焊接专业人员服务于施工现场,向技术高、有经验的老师傅学习,及时掌握工程情况,使编制的焊接作业指导书、焊接工艺卡具有可操作性。
分项工程技术交底中,采取集体宣贯、重点辅导、互问互答等方式,使每个参加交底的焊接、热处理作业人员掌握安全、质量、技术要求,并于确认。
加强团队精神,树立集体荣誉感;在分项工程施工过程中,开展互教、互学、互帮、互检活动,共同提高焊接质量。
7.2焊接设备配置焊接分项工程开工时,检查所涉及的焊机/热处理机的计量检定合格证、计量检定有效期、焊接设备与分项工程的适应性、性能状况、接地等安全状况。
在分项工程施工过程中,发现相关焊接/热处理设备、器具、仪表有异常情况,应立即汇报班组长。
7.3焊接材料的管理7.3.1 保管1)设置焊接材料一级库和焊接材料二级库,焊接材料进厂验收合格后存放于焊材一级库;使用单位凭材料领用单从一级库领取焊材后,存放于二级库;二级库负责负责焊材的烘焙、发放及焊接材料的回收。
2)焊接材料库房应保持干燥、通风并配置必要的去湿、增温设备;应设置温度计、湿度计,室内温度不低于5℃,相对湿度低于60%;焊材库房工作人员每天必须分阶段记录焊条间内的干、湿温度和相对湿度。
3)焊接材料必须存放于离地、离墙30cm以上,并按批号、牌号、规格分类存放,并挂牌标识。
不锈钢的焊接材料应隔离单独存放,避免被污染。
4)焊丝入库后应存放在干燥通风环境中。
不要随意打开防潮包装,一旦打开应尽快用完。
在堆放焊丝时应小心不要弄坏防潮包装。
焊丝存放时间不宜过长。
7.3.2 烘焙1)焊条烘焙,采用专用的带自动控制温度的烘箱,宜采取用多少烘多少,随烘随用的原则,烘干后在室外露放时间不超过四小时,焊条在烘箱中叠起层数Φ4mm不超过3层,Φ3.2mm不超过五层。
烘干箱必须带有排潮装置。
2)烘焙焊条时,禁止将焊条突然放进高温炉内,或从高温炉内突然取出冷却,防止焊条因骤冷骤热而产生药皮开裂脱皮现象。
焊条重新烘干次数,不得超过2次。
3)烘箱上的仪器、仪表应定期检验,检定证书在有效期内。
7.3.3 发放使用焊工领取焊条后应仔细核对,如有疑问应及时向管理员提出;领取焊条确认后,立即放入焊条保温筒内,随用随取。
7、焊接工艺措施7.1焊前的质量预防措施1)项目开工时,班组长确定适合的施工人员,施焊焊工严格履行焊前练习及考试手续。
2)焊接技术负责人认真执行焊接规范,结合实际情况编制详细的作业指导书、工艺、焊接参数恰当准确。
3)焊接技术负责人根据施工作业指导书向有关人员进行技术交底。
4)施工焊工严格按作业指导书和技术交底进行施工,在现场对照技术交底,认真执行工艺参数。
5)施工中使用的焊接材料符合国家标准,具有出厂合格证明,不合格的坚决退货,严把焊材进货关。
6)焊工凭技术交底单到焊条库房领用焊材。
7)环境温度低于焊接的下限温度时坚决停止施工。
8)焊前严把对口质量关,按要求验收对口质量后,焊工方可施焊。
焊件在组装前必须将焊口或焊缝表面及附近母材内、外壁10至15毫米范围内的油、漆、垢、锈等清理干净,直至发出金属光泽。
焊件对口时应做到内壁齐平,如有错口,要求对接单面焊局部错口值不应超过壁厚的10%,且不大于1mm;对接双面焊局部错口值不超过焊件厚度的10%,且不大于3mm。
焊口的局部间隙过大时,应设法修整到规定尺寸,严禁在间隙内加填塞物。
7.2施工中间过程控制1)焊接技术负责人深入现场,进行技术指导和监督焊接工艺的执行情况,核对技术参数,对不符合的施工项目责令立即停工整顿,并给予经济处罚。
2)焊工引弧时,只能在坡口内引弧,严禁在被焊工件表面引弧、试电流或随意焊接临时支撑物,高合金钢材表面不得焊接对口用卡具。
3)焊件点固焊时,焊接材料、焊接工艺、焊工和预热温度等都与正式施焊一样,点固焊后检查每个焊点的质量,如有缺陷应立即清除,重新进行点焊。
大口径焊口采用填加物方法点固,去除临时点固物时,不损伤母材,并将残留焊疤清除干净、打磨修整。
4)焊工工器具齐全,施焊过程中,无论焊口或是焊缝,必须逐层清理,有缺陷或粘焊条(丝),必须设法清除。
5)焊工使用的电焊线要完整,严禁裸露,在移动施工位置时,要注意焊钳切勿接触焊件和设备。
6)焊工在焊口或焊缝焊完后,要对每一道焊口或焊缝进行自检,发现气孔、夹渣、咬边、裂纹等表面缺陷,应立即剔除并修补,使表面质量达到优良。
7)对于需要热处理的焊口,要求焊前预热、焊后及时进行高温回火处理。
热处理过程中,严格按照技术交底的工艺参数进行,控制温度和时间。
7.3焊后的跟踪检验、反馈保证1)焊口焊完,及时进行“三检”无损检验。
若焊缝无损检验不合格,填写焊口返修通知单,向焊接队提供焊口编号、缺陷位置和尺寸。
焊接队接到焊口返修通知单后,应在一个工作日内返修完毕。
2)焊接技术负责人将检验结果进行分析总结,对出现的问题及时分析原因,拿出对策,解决问题和指导以后的工作,避免出现类似的问题。
3)技术负责人、班组长参与金相结果的原因分析,以利于今后各自职责范围内有针对性地工作。
4)制定明确的质量计划,在计划、布置落实施工计划的同时、制定、布置、落实质量计划。
8、常见焊接缺陷及质量控制9、质量检验与评定施工质量验收,实行自检、专业公司复检和质检科验收的三级质量检查验收制度:焊工对施工质量负责,及时对焊接接头表面质量进行自检并做好记录,发现焊口表面缺陷超标应及时处理;各安装项目公司质检员对班(组)提交的焊接自检记录和实体质量进行复查,检验合格后,及时填写《受监焊口一次合格率报表》报分公司质量管理科进行三级验收;若检验、检测不合格应及时反馈至施工班组,进行焊口返修处理;要求安装项目公司专职质检员随时掌握施工情况,并根据质量情况有针对性的进行重点检查,帮助班(组)解决施工质量问题;根据《受监焊口一次合格率报表》及施工记录,进行三级检验、评定质量等级。
10、安全文明施工10.1 安全保证措施(1)作业前,二氧化碳气体应先预热15分钟,开气时。
操作人员必须站在瓶嘴的侧面。
(2)作业前,应检查并确认焊丝的进给机构、电线的连接部分、二氧化碳的供应系统合乎要求。
(3)二氧化碳气体瓶宜放在阴凉处,其最高温度不得超过30℃,并应放置牢靠,不得靠近热源。
(4)焊接操作及配合人员必须按规定穿戴劳动防护用品。
并必须采取防止触电、高空坠落、瓦斯中毒和火灾等事故的安全措施。
(5)现场使用的电焊机,应设有防雨、防潮、防晒的机棚,并应装设相应的消防器材。
10.2 文明施工(1)对施工人员进行文明施工教育,加强职工的文明施工意识。
(2)实行区域管理,划分责任范围,定期进行文明施工检查。
(3)切实加强火源管理。
施工现场禁止吸烟,电、气焊及焊接作业时应清理周围的易燃物,消防工具要齐全,动火区域要安放灭火器,并定期检查。
(4)废料要及时清理,并在指定地点堆放,保证施工场地的清洁和施工道路的畅通。
(5)做好成品的外观及形体保护,减少污染。
(6)场容整洁,宣传标志、安全标志醒目。
11、结束语本主桥钢箱梁焊接施工难度大,质量、精度要求高,必须针对性制订工艺规程,采用有效措施,解决各种问题对焊接质量的影响,保证钢箱梁焊接精度及焊缝外观和内在质量。