艾默生变频器参数调试
- 格式:doc
- 大小:19.00 KB
- 文档页数:6
英国艾默生公司的ES变频器参数一.参数说明:#0号菜单:0.00密码1000保存参数;1233恢复出厂值;1253更改变频器控制模式;0.01最低速度 00.02最高速度 1500rpm0.03加速斜率 0.5cm/s20.04减速斜率 0.5cm/s20.05给定模式选择 Pr (数字量入)0.06电流限 175%(CL闭环);200%(SEV同步)0.12参数选择 0(0号菜单选择)0.13电机额定转速 1470rpm0.14电梯额定速度 1000mm/s0.15 V1 75mm/s检修半速0.16 V20.17 V3 50mm/s爬行速度0.18 V4 150mm/s检修速度0.19 V5 800mm/s单层速度0.20 V6 1000mm/s 双层速度0.21 V7 1000mm/s 多层速度0.22停车减速斜率 1500mm/s20.23启动S曲线 500mm/s30.24运行S曲线 1000mm/s30.25停车S曲线 1000mm/s30.29编码器脉冲数 10240.40自整定 1(静态整定);2(旋转整定)0.41载波频率 6KHZ0.42电机极数 4按照电机铭牌设0.43同步电机相位角同步电机自整定得出0.44电机额定电压 380V按照电机铭牌设0.45电机额定速度 1470rpm按照电机铭牌设0.46电机额定电流 25A按照电机铭牌设0.47电机额定频率 50HZ按照电机铭牌设0.48控制模式 CL.Vect(闭环);OPEN.Loop(开环);SerVo(同步)必须在0.00中输入密码1253才能修改0.48参数#2号菜单2.02斜坡使能 ON(1)2.03斜坡保持 OFF(0)2.04斜坡方式选择 FAST(1)2.10加速斜率选择器 22.11加速斜率 0.5cm/s2(等同于0.03)2.20减速斜率选择器 22.21减速斜率 0.5cm/s2(等同于0.04)#3号菜单3.24控制模式CL.Vect(闭环);OPEN.Loop(开环);SerVo(同步)(等同于0.48)3.34编码器脉冲数 1024(等同于0.29)3.36编码器电压 0(5V);1(8V);2(15V)3.38编码器类型 0(Ab)差分编码器;9(SC.EndAt)海德汉1313编码器;3.41编码器自动检测 ON(1)#4号菜单4.05运行电流限值 2004.06再生电流限值 2004.07对称电流限值 2004.11转矩方式选择 4(带力矩补偿的方式)4.12电流给定滤波器1 4ms (降低电机噪音)4.13电流环比例增益默认值4.14电流环积分增益默认值4.15热时间常数默认值#5号菜单5.06电机额定频率 50HZ 按照电机铭牌设(等同于0.47)5.07电机额定电流 25A按照电机铭牌设(等同于0.46)5.08电机额定速度 1470rpm按照电机铭牌设 (等同于0.45) 5.09电机额定电压 380V按照电机铭牌设(等同于0.44) 5.10电机功率因数异步电机自整定得出5.11电机极数 4按照电机铭牌设(等同于0.42)5.18载波频率 6KHZ5.33千转马达电压根据铭牌计算出#8号菜单8.10 31号端子取反选择 0(不取反) 1(取反)8.11 24号端子取反选择 1(取反)8.12 25号端子取反选择 08.13 26号端子取反选择 08.14 27号端子取反选择 08.15 28号端子取反选择 08.16 29号端子取反选择 08.17 41,42号端子取反选择 08.18 22号端子取反选择 18.21 24号端子功能选择 10.02变频器运行8.22 25号端子输入源 18.38多段速38.23 26号端子输入源 18.37多段速28.24 27号端子输入源 19.44正转(18.45=1可以改变正反转)8.25 28号端子输入源 18.44反转(18.45=1可以改变正反转)8.26 29号端子输入源 18.36多段速18.27 41,42号端子功能选择 10.01变频器正常(故障输出) 8.28 22号端子功能选择 0.00 24V电源输出8.29变频器端子功能选择 1(0:0V输入有效; 1:24V 输入有效)8.31 24号端子输入(出)选择 1(0:输入; 1:输出) 8.32 25号端子输入(出)选择 0(0:输入; 1:输出)8.33 26号端子输入(出)选择 0(0:输入; 1:输出)#18号菜单18.11 V1 75mm/s检修半速 (等同于0.15)18.12 V2 (等同于0.16)18.13 V3 50mm/s爬行速度 (等同于0.17)18.14 V4 150mm/s检修速度 (等同于0.18)18.15 V5 800mm/s单层速度 (等同于0.19)18.16 V6 1000mm/s 双层速度 (等同于0.20)18.17 V7 1000mm/s 多层速度 (等同于0.21)18.18启动优化速度 6mm/s (改善启动舒适感)18.23磁场建立阀值 60018.25运行比例增益 2000(高速P)18.26运行积分增益 500(高速I)18.27启动比例增益 30000(低速P)18.28启动积分增益 1200(低速I)18.29电机额定转速 1470rpm (等同于0.13)18.30电梯额定速度 1000mm/s (等同于0.14)18.42多段速给定选择类型 OFF(0) OFF(0):二进制 ON (1):一对一给定18.45正转和反转方向取反 OFF(0) ON(1)取反18.48切换增益选择 ON(1)设为1,则分段有效,18.25-18.28起作用18.49惯量补偿 ON(1)#19号菜单19.11增益转换时间 2000ms19.13停车减速斜率 1500mm/s2 (等同于0.22)19.14启动S曲线 500mm/s3 (等同于0.23)19.15运行S曲线 1000mm/s3 (等同于0.24)19.16停车S曲线 1000mm/s3 (等同于0.25)19.17启动优化加加速度 10mm/s3 (从零速到启动优化速度的加速度)19.25制动器打开延时 500(制动器打开到速度命令给出的时间)19.26运行方向设置 ON(1)双方向输入 OFF(0单方向输入)19.27减速比的分母 119.28启动优化时间 1000ms19.29曳引轮直径 400mm (根据现场轮子实际尺寸)19.30减速比分子 119.34电流环滤波时间常数 OFF(0) ON(1):4.12参数有效19.44顺时针方向(反转) OFF(0)#20号菜单20.01软件版本20.02软件运行标志20.10钢丝绳绕法 2 1=1/1;2=2/1;二.电机自整定:1.电机处于空载状态;2.短接使输入,输出接触器和抱闸接触器吸合;3.设置参数#0.40=2;4.给变频器使能和方向信号;5.按键盘上的“RUN”键,曳引机会缓缓转动,变频器交替显示AUTO TUNE;6.当变频器显示“STOP”,去除使能和方向信号;7.#0.40自动归0;8.在#0.00菜单中输入1000,保存自整定参数;9.自整定参数保存在:异步电机:#5.10(功率因数);同步电机:#0.43 (相位角);三.编码器设置(ESCT 系列变频器)1.哼斯勒HENGSTLER EDE 2048.58-1601 需设置一下参数:3.33 变频器编码器转位范围0~16 设为03.34 编码器脉冲数20483.35 编码器单转通讯分辨率 143.38 编码器类型 Ssi2. 哼斯勒HENGSTLER RF538192/F190A 需设置一下参数3.34编码器脉冲数81923.38编码器类型 Ab.Servo3.海德汉HIDENHAIN 1313编码器3.38编码器类型 0(Ab)差分编码器;9(SC.EndAt)海德汉1313编码器;3.41编码器自动检测 ON(1)四.调试步骤:0.40自整定 1(静态整定);2(旋转整定)0.41载波频率 6KHZ(注意)0.42电机极数按照电机铭牌设0.44电机额定电压按照电机铭牌设0.45电机额定速度按照电机铭牌设0.46电机额定电流按照电机铭牌设0.43同步电机相位角同步电机自整定自行得出1.06 电机额定转速按照电机铭牌设rpm3.02 变频器运行中电机反馈转速rpm4.01 变频器运行中电机反馈电流幅值(A)5.17 变频器检测定子电阻值5.24 自整定瞬态电感18.12电梯额定速度按照电机铭牌设(mm/s)18.13电梯额定速度按照电机铭牌设rpm18.29电机额定转速按照电机铭牌设(mm/s)18.30电梯额定速度按照电机铭牌设(mm/s)19. 29 曳引机曳引轮的直径(mm)按照电机铭牌设20.10 钢丝绳绕法按照电机铭牌设五.简易控制外接端子接法:端子编号接线含义22公用端子26快速27正转28反转29慢速30使能六.本公司使用同步曳引机调试步骤:确定并调好编码器型号及控制模式【SerVo(同步)】→0.42→0.44→0.45→0.46→0.47→1.06→18.12→18.13→18.29→18.30→19.29→20.10→0.40改为2→【开启使能+方向键(正转或反转)】→【当0.40变为0时】→关掉【使能+方向键(正转或反转)】→一次开启慢速+方向键(正转或反转)+使能+快速(此时电机已经在正常运行)!→记录下4.01、5.02、5.01、5.03、5.17、5.24、5.24的值。
艾默生EV1000系列变频器常用参数设置功能码名称设定范围0:数字给定1,LED键盘显示单元∧、∨调节1:数字给定2,端子UP/DN调节2:数字给定3,串行口给定3:VCI模拟给定(VCI-GND)4:CCI模拟给定(CCI-GND)5:端子脉冲(PULSE)给定6:LED键盘显示单元电位计给定0.00~9.99下限频率(F013)~上限频率(F012)0:LED键盘显示单元运行命令通道1:端子运行命令通道2:串行口运行命令通道0:正转1:反转1.00~650.0Hz0.0(自动)0.1%~30.0%0.1~3600S0.1~3600S15:变频器运行准备完成(RDY)LED个位:AO1便置选择0:0~10V或0~20mA1:2~10V或4~20mALED个位:AO2便置选择0:0~10V或0~20mA1:2~10V或4~20mA0.0~200.0%0.0~200.0%0~126127为广播地址2~140.4~999.9kW0.1~999.9A0:不动作1:普通电机(带低速补偿)最小单位出厂设置更改F000频率给定通道选择10○F101 F002给定通道增益运行频率数字给定运行命令通道选择运转方向设定最大输出频率基本运行频率保留转矩提升加速时间减速时间继电器输出功能选择0.010.01Hz250Hz○○F00310F004 F005 F006 F008F009F010 F011F71210.01Hz0.1%0.1S0.1S150.00Hz50.00Hz0.020.0S20.0S15○××○○○×Max(50.00,上限频率)~650.0Hz0.01HzF729模拟输出范围选择100○F730 F731 FF01 FH00 FH01 FH02FL00AO1输出增益AO2输出增益本机地址电机机数电机额定功率电机额定电流电机过载保护方式选择0.1%0.1%120.1kW0.1A150.0%50.0%14机型确定机型确定1○○×××××2:变频电机(不带低速补偿)FL01电机过载保护系数20.0~110.0%0:全部参数允许被改写1:除设定频率(F002)和本功能码外,其他功能码参数禁止被改写2:除本功能码外,全部禁止改写0:无动作1:清除记录(FL14~FL19)2:恢复出厂值(FL14前、F008和FH00除外)0.1%100%×FP01参数写入保护○FP02参数初始化10×。
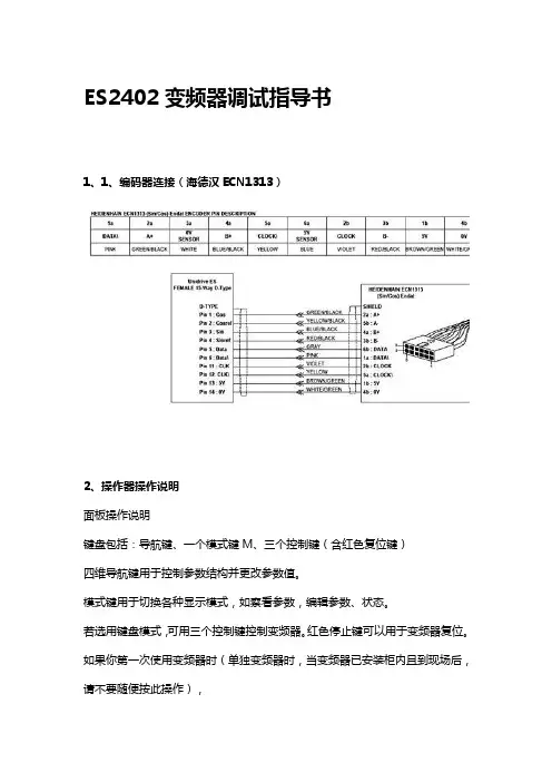
ES2402变频器调试指导书1、1、编码器连接(海德汉ECN1313)2、操作器操作说明面板操作说明键盘包括:导航键、一个模式键M、三个控制键(含红色复位键)四维导航键用于控制参数结构并更改参数值。
模式键用于切换各种显示模式,如察看参数,编辑参数、状态。
若选用键盘模式,可用三个控制键控制变频器。
红色停止键可以用于变频器复位。
如果你第一次使用变频器时(单独变频器时,当变频器已安装柜内且到现场后,请不要随便按此操作),变频器恢复出厂值方法:方法是=1233(欧洲标准),然后按红色复位键改变控制模式方法:将=1253(欧洲标准),按红色复位键,然后从OPEN LP更改到SERVO。
按复位键(红色)显示所有菜单方法:=L2,按M键,将=1000,按红色复位键保存软件版本查询:改变模式并恢复出厂值(菜单15到20除外):=1255,按红色复位键3、自学习步骤一、自学习前准备工作:1、使主机脱离负载。
2、通过短接线路的方法,使变频器输出接触器和抱闸打开,同步主机保证封星短接线已经断开,(如3、果满足检修条件,可以不用短接线路,直接按检修上行或下行信号控制器会输出变频器输出接触器,方向及使能信号、抱闸信号)4、设定参数=SERO(闭环伺服)控制模式。
5、确定在变频器的扩展模块槽2上插入编码器分频卡(UniversalEncoder Plus),变频器的扩展模块槽见说明书。
设定参数=06、在连接编码器前最好检查一下参数(变频器提供给编码器的电源电压),出厂缺省值=5V。
预防该参数修改后损坏编码器。
7、连接编码器,把编码器的接口连到变频器的15针编码器的输入口上(而不是PG卡的15针插口),并固定。
8、把参数调到菜单(速度反馈),人为的正、反转动主机同时监控一下菜单界面,是否有正、反速度反馈,若没有的情况下请检修编码器的接线是否正确。
二、开始自学习1、在确认完第一步并没有故障前提下,开始准备进行自学习。
2、确认以下问题a、未给出变频器使能信号(端子31);b、再次确认编码器参数:⑴编码器类型根据实际情况设定;⑵编码器电压根据实际情况设定;⑶编码器每转脉冲数根据实际情况设定;c、再次确认电机铭牌额定值:⑴电机额定电流根据实际情况设定;⑵电机额定电压根据实际情况设定;⑶电机极数根据实际情况设定。
艾默生EV2000系列变频器常用参数设置艾默生EV2000系列变频器是一种先进的电能调节设备,可根据负载需求自动调整电机的运行速度和输出功率。
为了使变频器能够正常工作,需要对其进行一些常用参数的设置。
以下是EV2000系列变频器的常用参数设置方法:1.额定电压和额定频率:首先需要设置变频器的额定电压和额定频率,这些参数通常可以在电机的标牌上找到。
将这些参数设置到变频器中,以确保变频器与电机的额定工作参数相匹配。
2.输出电压和频率:根据应用需求,需要设置变频器的输出电压和频率。
这些参数可以通过变频器的前面板或者调试软件来设置。
通常情况下,输出电压需要根据电机的额定电压来设置,而输出频率需根据需要进行调整。
3.额定电流和过载保护:根据电机的额定电流设置变频器的额定电流。
额定电流设置过低可能导致电机无法正常工作,而设置过高可能会导致电机过载。
另外,还需要设置过载保护参数,以保护电机在过载情况下不会受到损坏。
4.加速和减速时间:设置变频器的加速和减速时间,以控制电机的启停过程。
加速时间用于控制电机从停止状态到达额定转速的时间,而减速时间用于控制电机从工作状态到停止状态的时间。
这些参数的设置通常需要根据具体的应用需求来确定。
5.刹车方式和刹车电阻:如果需要使用刹车功能,需要设置变频器的刹车方式和刹车电阻。
刹车方式通常分为内部刹车和外部刹车两种,内部刹车是通过变频器内部的电路实现的,而外部刹车则是通过外部设备来实现的。
刹车电阻用于吸收电机的余能,以确保电机在刹车过程中不会受到过电压的损害。
6.控制模式和控制信号:设置变频器的控制模式和控制信号,以确保其能够按照预期进行工作。
常见的控制模式有V/F控制和矢量控制,而常用的控制信号有开关量信号和模拟量信号等。
根据具体的应用需求,选择适合的控制模式和控制信号。
7.保护功能和报警设置:根据需要设置变频器的保护功能和报警设置,以确保电机在异常情况下能够及时报警并采取相应的保护措施。
艾默生变频器参数调试:0.00:密码1000保存参数;1233恢复出厂值;125 3更改变频器控制模式;0.01:最低速度00.02:最高速度1850rpm0.03:加速斜率0.3cm/s20.04:减速斜率0.3cm/s20.05:给定模式选择Pr数字量0.06:电流限200%0.12:参数选择0 (0号菜单选择)0.13:电机额定转速1850rpm0.14:电梯额定速度1000mm/s0.15:V1 50mm/s 检修半速0.16:V20.17:V3 30mm/s 爬行速度0.18:V4 150mm/s 检修速度0.19:V5 480mm/s 单层速度0.20:V6 550mm/s 双层速度0.21:V7 550mm/s 多层速度0.22:停车减速斜率200mm/s20.23:启动S曲线200mm/s30.24:运行S曲线700mm/s30.25:停车S曲线700mm/s30.29:1024 编码器脉冲数(相当与3.34)0.42:4POLE (相当与5.11)0.43:0.88 (相当与5.10)0.44:340V (相当与5.09)0.45:1850RPM (相当与5.08)0.46:56A (相当与5.07)0.47:64HZ (相当与5.06)0.48:CL UECT闭环2.02:斜坡使能ON(1)2.03:斜坡保持OFF(0)2.04:斜坡方式选择FAST(1)2.10:加速斜率选择器 22.11:加速斜率0.3cm/s2(等同于0.03)2.20:减速斜率选择器 22.21:减速斜率0.3cm/s2(等同于0.04)3.24:0(闭环)3.34:1024(编码器脉冲数)3.36:5V(编码器电压)3.38;AB(编码器类型:差分AB相)3.42:4(编码器滤波“如果现场编码器干扰很大可以设定最大不要大于8”)3.43:1500(编码器脉冲数最大给定值)3.41:编码器自动检测ON(1)4.05:运行电流限值2004.06:再生电流限值2004.07:对称电流限值2004.12:电流给定滤波器1 4ms (降低电机噪音) 4.13:电流环比例增益默认值4.14:电流环积分增益默认值4.15:热时间常数默认值4.24:用户设电流限值2005.06:64HZ电机频率5.07:56A电机电流5.08:1850rpm电机转速5.09: 340v电机电压5.10:0.88电机功率因数5.11:4POLE电机级数5.18:8 PWM开关频率选择8.10:0FF 31号端子取反8.11:OFF 24号端子取反8.12:OFF 25号端子取反8.13:OFF 26号端子取反8.14:OFF 27号端子取反8.15:OFF 28号端子取反8.16:OFF 19号端子取反8.17:0N 41,42号端子取反8.18:ON 22号端子取反8.21:10.02 24号端子功能选择变频器运行8.22:18.38 25号端子功能选择多段速38.23:18.37 26号端子功能选择多段速28.24:19.44 27号端子功能选择正转(不可以改变)8.25:18.44 28号端子功能选择反转(不可以改变)8.26:18.36 29号端子功能选择多段速18.27:10.01 41,42号端子功能选择变频器正常/故障输出8. 28: 0.00 22号端子功能24V电压输出8. 29: ON 变频器端子功能选择(OFF:OV输入有效ON:24V输入有效)8. 31: ON 24号端子输入(出)功能选择(OFF:输入ON:输出)8. 32: OFF 25号端子输入(出)功能选择(OFF:输入ON:输出)8. 33: OFF 26号端子输入(出)功能选择(OFF:输入ON:输出)16.17: OFF “现场使用了选件卡“分频脉冲到主板上的卡”需要设为OFF,否则报SL2.ER故障”16.24: 3.2916.25: 0.1024(编码器分频输出值“现场干扰大时可以设小使用”)如果不设定数据主板没有脉冲出入16.26: 1.638418.11:V1 50mm/s 检修半速(等同于0.15)18.12:V2 (等同于0.16)18.13:V3 30mm/s 爬行速度(等同于0.17)18.14:V4 150mm/s 检修速度(等同于0.18)18.15:V5 480mm/s 单层速度(等同于0.19)18.16:V6 550mm/s 双层速度(等同于0.20)18.17:V7 550mm/s 多层速度(等同于0.21)18.18:启动优化速度10mm/s (改善启动舒适感)18.23:磁场建立阀值50018.25:运行比例增益700 (高速P)18.26:运行积分增益300 (高速I)18.27:启动比例增益1300 (低速P)18.28:启动积分增益500 (低速I)18.29:电机额定转速1850rpm (等同于0.13)18.30:电梯额定速度1000mm/s (等同于0.14)18.42:多段速给定选择类型OFF(0)二进制18.45:正转和反转方向取反OFF(0)18.48:切换增益选择ON(1) 设为1,则分段有效,18.25-18.28起作用18.49:惯量补偿ON(1)19.11:增益转换时间2000ms19.13:停车减速斜率200mm/s2 (等同于0.22)19.14:启动S曲线200mm/s3 (等同于0.23)19.15:运行S曲线700mm/s3 (等同于0.24)19.16:停车S曲线700mm/s3 (等同于0.25)19.17:启动优化加加速度10mm/s3 (从零速到启动优化速度的加速度)19.25:制动器打开延时500 (制动器打开到速度命令给出的时间)19.26:运行方向设置ON(1)双方向输入19.27:减速比的分母119.28:启动优化时间1000ms19.29:曳引轮直径900mm (根据现场轮子实际尺寸)19.30:减速比分子4319.34:电流环滤波时间常数OFF(0) ON(1):4.12参数有效。
艾默生E变频器调试指导书HEN system office room 【HEN16H-HENS2AHENS8Q8-HENH1688】E S2402变频器调试指导书1、1、编码器连接(海德汉ECN1313)2、操作器操作说明面板操作说明键盘包括:导航键、一个模式键M、三个控制键(含红色复位键)四维导航键用于控制参数结构并更改参数值。
模式键用于切换各种显示模式,如察看参数,编辑参数、状态。
若选用键盘模式,可用三个控制键控制变频器。
红色停止键可以用于变频器复位。
如果你第一次使用变频器时(单独变频器时,当变频器已安装柜内且到现场后,请不要随便按此操作),变频器恢复出厂值方法:方法是=1233(欧洲标准),然后按红色复位键改变控制模式方法:将=1253(欧洲标准),按红色复位键,然后?从OPEN LP更改到SERVO。
按复位键(红色)显示所有菜单方法:=L2,按M键,将=1000,按红色复位键保存软件版本查询:改变模式并恢复出厂值(菜单15到20除外):=1255,按红色复位键3、自学习步骤一、自学习前准备工作:1、使主机脱离负载。
2、通过短接线路的方法,使变频器输出接触器和抱闸打开,同步主机保证封星短接线已经断开,(如3、果满足检修条件,可以不用短接线路,直接按检修上行或下行信号控制器会输出变频器输出接触?器,方向及使能信号、抱闸信号)4、设定参数=SERO(闭环伺服)控制模式。
5、确定在变频器的扩展模块槽2上插入编码器分频卡(UniversalEncoder??Plus),变频器的扩展模块槽见说明书。
设定参数=06、在连接编码器前最好检查一下参数(变频器提供给编码器的电源电压),出厂缺省值=5V。
预防该参数修改后损坏编码器。
7、连接编码器,把编码器的接口连到变频器的15针编码器的输入口上(而不是PG卡的15针插口),并固定。
8、把参数调到菜单(速度反馈),人为的正、反转动主机同时监控一下菜单界面,是否有正、反速度反馈,若没有的情况下请检修编码器的接线是否正确。
艾默生变频器参数调试艾默生变频器是一种能够调控电机运行频率和电压的设备,广泛应用于工业控制系统中。
参数调试是使用变频器的重要环节,通过调试参数可以实现对电机的精确控制,提高设备的效率和稳定性。
本文将介绍艾默生变频器参数调试的关键步骤和注意事项。
一、参数调试前的准备工作1.检查变频器和电机的连接,确保电气连接正确无误。
2.查阅变频器的使用说明书,了解变频器的基本参数和功能设置。
二、变频器参数调试的基本步骤1.设置变频器的基本参数:将检查变频器的型号、电源电压、电机功率等基本参数,并根据需求进行设置。
2.调整速度控制参数:在参数设置菜单中,设置速度控制模式,并进行相应的参数调整。
通常有PID参数、速度限制等设置选项,根据实际情况进行调整。
3.调整转矩控制参数:如果需要进行转矩控制,可以根据具体需求进行调整。
转矩控制参数通常包括转矩增益、转矩限制等。
4.调整电机保护参数:为了保护电机和变频器,需要设置相应的保护参数,如过载保护、过温保护等。
根据电机的额定参数和实际工况进行设置。
5.运行测试和优化:完成参数设置后,进行运行测试,观察电机的运行情况和性能表现,并根据观察结果进行参数优化。
三、参数调试的注意事项1.在参数调试过程中,一般建议逐步调整参数,并进行测试验证。
不宜一次性调整所有参数。
2.在参数调试过程中,注意观察电机的运行情况,如振动、噪声等异常现象。
及时排查原因并进行参数调整。
3.根据电机的额定参数和实际工况进行参数设置,避免过载运行和过度检测。
4.注意变频器和电机的温度,确保在正常范围内运行。
过高的温度可能导致设备损坏。
5.参数调试结束后,及时保存参数设置。
在后续运行中,可以根据需要进行微调和修改。
总结:艾默生变频器参数调试是使用变频器的重要环节,通过参数调试可以实现电机的精确控制,并提高设备的效率和稳定性。
参数设置应根据电机的额定参数和实际工况进行调整,并根据观察结果进行优化。
在调试过程中要注意观察电机的运行情况和温度,并及时进行排查和调整。
艾默生变频器同步电机调试指导一、电机自学习:第一步、检查控制柜接线第二步、编码器接线1、按照编码器接口定义(厂家提供)与同步机变频器编码器接口定义接线:同步机变频器编码器接口定义:15针接口正/余弦编码器U/V/W编码器1A+A+2A-A-3B+B+4B-B-5Z+Z+6Z-Z-7C+U+8C-U-9D+V+10D-V-11W+12W-13+5V+5V14GND GND152、确认编码器接线正确第三步、调整以下变频器参数功能码名称设定范围设定参考值备注F0.02操作方式0-50键盘操作F0.05电梯额定速度0.100-4.00m/s 1.00由电梯额定梯速决定F0.06最大输出频率50-400Hz50和电机相同F1.00编码器脉冲数0-99992500由实际编码器决定,不能设为01F1.01电机类型选择0:异步电机1:同步电机2:保留F1.02电机功率0.4-999.9KW11F1.03电机额定电压1~变频器额定电压3802系列:220V4系列:380VF1.04电机额定电流0.1~999.9A23.5F1.05电机额定频率 1.00Hz~400.0Hz50调谐时保持50HZ,调协后改为实际值F1.06电机额定转速1~9999r/min960F1.07曳引机机械参数10.0~600068很重要计算公式如下:F1.07=3.14*D/I*绕绳方式其中:D:曳引轮直径(mm)I:减速比绕绳方式:根据实际电梯配置设定F1.08电机过载保护方式选择0:不动作1:普通电机2:变频电机2F1.10电机自动调谐保护0:禁止功能码F1.11操作1:允许功能码F1.11操作1F1.11电机自动调谐进行0,1,2由0-1时开始调谐,调谐结束时自动变为0由0-2时启用调谐宏操作,调谐结束时自动变为1参照说明书第30页“4.3.6参数调谐”F4.52编码器选择0:ABZ编码器1:UVW编码器2:SIN/COS编码器1注:调谐参数存放在F1.12---F1.17,FA.04---FA.07:SIN/COS编码器信号的幅值和零偏,FA.03:调谐时磁极初始角度。
艾默生E S变频器调试指导书TPMK standardization office【 TPMK5AB- TPMK08- TPMK2C- TPMK18】E S2402变频器调试指导书1、1、编码器连接(海德汉ECN1313)2、操作器操作说明面板操作说明键盘包括:导航键、一个模式键M、三个控制键(含红色复位键)四维导航键用于控制参数结构并更改参数值。
模式键用于切换各种显示模式,如察看参数,编辑参数、状态。
若选用键盘模式,可用三个控制键控制变频器。
红色停止键可以用于变频器复位。
如果你第一次使用变频器时(单独变频器时,当变频器已安装柜内且到现场后,请不要随便按此操作),变频器恢复出厂值方法:方法是0.00=1233(欧洲标准),然后按红色复位键改变控制模式方法:将0.00=1253(欧洲标准),按红色复位键,然后0.48从OPEN LP更改到SERVO。
按复位键(红色)显示所有菜单方法:0.49=L2,按M键,将0.00=1000,按红色复位键保存软件版本查询:20.01改变模式并恢复出厂值(菜单15到20除外):0.00=1255,按红色复位键3、自学习步骤一、自学习前准备工作:1、使主机脱离负载。
2、通过短接线路的方法,使变频器输出接触器和抱闸打开,同步主机保证封星短接线已经断开(如3、果满足检修条件,可以不用短接线路,直接按检修上行或下行信号控制器会输出变频器输出接触器,方向及使能信号、抱闸信号)4、设定参数0.48=SERO(闭环伺服)控制模式。
5、确定在变频器的扩展模块槽2上插入编码器分频卡(Universal Encoder Plus),变频器的扩展模块槽见说明书。
设定参数16.17=06、在连接编码器前最好检查一下参数3.36(变频器提供给编码器的电源电压),出厂缺省值3.36=5V。
预防该参数修改后损坏编码器。
7、连接编码器,把编码器的接口连到变频器的15针编码器的输入口上(而不是PG卡的15针口),并固定。
E S2402变频器调试指导书1、1、编码器连接(海德汉ECN1313)2、操作器操作说明面板操作说明键盘包括:导航键、一个模式键M、三个控制键(含红色复位键)四维导航键用于控制参数结构并更改参数值。
模式键用于切换各种显示模式,如察看参数,编辑参数、状态。
若选用键盘模式,可用三个控制键控制变频器。
红色停止键可以用于变频器复位。
如果你第一次使用变频器时(单独变频器时,当变频器已安装柜内且到现场后,请不要随便按此操作),变频器恢复出厂值方法:方法是0.00=1233(欧洲标准),然后按红色复位键改变控制模式方法:将0.00=1253(欧洲标准),按红色复位键,然后?0.48从OPEN LP更改到SERVO。
按复位键(红色)显示所有菜单方法:0.49=L2,按M键,将0.00=1000,按红色复位键保存软件版本查询:20.01改变模式并恢复出厂值(菜单15到20除外):0.00=1255,按红色复位键3、自学习步骤一、自学习前准备工作:1、使主机脱离负载。
2、通过短接线路的方法,使变频器输出接触器和抱闸打开,同步主机保证封星短接线已经断开,(如3、果满足检修条件,可以不用短接线路,直接按检修上行或下行信号控制器会输出变频器输出接触?器,方向及使能信号、抱闸信号)4、设定参数0.48=SERO(闭环伺服)控制模式。
5、确定在变频器的扩展模块槽2上插入编码器分频卡(Universal Encoder??Plus),变频器的扩展模块槽见说明书。
设定参数16.17=06、在连接编码器前最好检查一下参数3.36(变频器提供给编码器的电源电压),出厂缺省值3.36=5V。
预防该参数修改后损坏编码器。
7、连接编码器,把编码器的接口连到变频器的15针编码器的输入口上(而不是PG卡的15针插口),并固定。
8、把参数调到3.02菜单(速度反馈),人为的正、反转动主机同时监控一下菜单界面,是否有正、反速度反馈,若没有的情况下请检修编码器的接线是否正确。
艾默生变频器参数调试:0.00:密码1000保存参数;1233恢复出厂值;125 3更改变频器控制模式;0.01:最低速度00.02:最高速度1850rpm0.03:加速斜率0.3cm/s20.04:减速斜率0.3cm/s20.05:给定模式选择Pr数字量0.06:电流限200%0.12:参数选择0 (0号菜单选择)0.13:电机额定转速1850rpm0.14:电梯额定速度1000mm/s0.15:V1 50mm/s 检修半速0.16:V20.17:V3 30mm/s 爬行速度0.18:V4 150mm/s 检修速度0.19:V5 480mm/s 单层速度0.20:V6 550mm/s 双层速度0.21:V7 550mm/s 多层速度0.22:停车减速斜率200mm/s20.23:启动S曲线200mm/s30.24:运行S曲线700mm/s30.25:停车S曲线700mm/s30.29:1024 编码器脉冲数(相当与3.34)0.42:4POLE (相当与5.11)0.43:0.88 (相当与5.10)0.44:340V (相当与5.09)0.45:1850RPM (相当与5.08)0.46:56A (相当与5.07)0.47:64HZ (相当与5.06)0.48:CL UECT闭环2.02:斜坡使能ON(1)2.03:斜坡保持OFF(0)2.04:斜坡方式选择FAST(1)2.10:加速斜率选择器 22.11:加速斜率0.3cm/s2(等同于0.03)2.20:减速斜率选择器 22.21:减速斜率0.3cm/s2(等同于0.04)3.24:0(闭环)3.34:1024(编码器脉冲数)3.36:5V(编码器电压)3.38;AB(编码器类型:差分AB相)3.42:4(编码器滤波“如果现场编码器干扰很大可以设定最大不要大于8”)3.43:1500(编码器脉冲数最大给定值)3.41:编码器自动检测ON(1)4.05:运行电流限值2004.06:再生电流限值2004.07:对称电流限值2004.12:电流给定滤波器1 4ms (降低电机噪音) 4.13:电流环比例增益默认值4.14:电流环积分增益默认值4.15:热时间常数默认值4.24:用户设电流限值2005.06:64HZ电机频率5.07:56A电机电流5.08:1850rpm电机转速5.09: 340v电机电压5.10:0.88电机功率因数5.11:4POLE电机级数5.18:8 PWM开关频率选择8.10:0FF 31号端子取反8.11:OFF 24号端子取反8.12:OFF 25号端子取反8.13:OFF 26号端子取反8.14:OFF 27号端子取反8.15:OFF 28号端子取反8.16:OFF 19号端子取反8.17:0N 41,42号端子取反8.18:ON 22号端子取反8.21:10.02 24号端子功能选择变频器运行8.22:18.38 25号端子功能选择多段速38.23:18.37 26号端子功能选择多段速28.24:19.44 27号端子功能选择正转(不可以改变)8.25:18.44 28号端子功能选择反转(不可以改变)8.26:18.36 29号端子功能选择多段速18.27:10.01 41,42号端子功能选择变频器正常/故障输出8. 28: 0.00 22号端子功能24V电压输出8. 29: ON 变频器端子功能选择(OFF:OV输入有效ON:24V输入有效)8. 31: ON 24号端子输入(出)功能选择(OFF:输入ON:输出)8. 32: OFF 25号端子输入(出)功能选择(OFF:输入ON:输出)8. 33: OFF 26号端子输入(出)功能选择(OFF:输入ON:输出)16.17: OFF “现场使用了选件卡“分频脉冲到主板上的卡”需要设为OFF,否则报SL2.ER故障”16.24: 3.2916.25: 0.1024(编码器分频输出值“现场干扰大时可以设小使用”)如果不设定数据主板没有脉冲出入16.26: 1.638418.11:V1 50mm/s 检修半速(等同于0.15)18.12:V2 (等同于0.16)18.13:V3 30mm/s 爬行速度(等同于0.17)18.14:V4 150mm/s 检修速度(等同于0.18)18.15:V5 480mm/s 单层速度(等同于0.19)18.16:V6 550mm/s 双层速度(等同于0.20)18.17:V7 550mm/s 多层速度(等同于0.21)18.18:启动优化速度10mm/s (改善启动舒适感)18.23:磁场建立阀值50018.25:运行比例增益700 (高速P)18.26:运行积分增益300 (高速I)18.27:启动比例增益1300 (低速P)18.28:启动积分增益500 (低速I)18.29:电机额定转速1850rpm (等同于0.13)18.30:电梯额定速度1000mm/s (等同于0.14)18.42:多段速给定选择类型OFF(0)二进制18.45:正转和反转方向取反OFF(0)18.48:切换增益选择ON(1) 设为1,则分段有效,18.25-18.28起作用18.49:惯量补偿ON(1)19.11:增益转换时间2000ms19.13:停车减速斜率200mm/s2 (等同于0.22)19.14:启动S曲线200mm/s3 (等同于0.23)19.15:运行S曲线700mm/s3 (等同于0.24)19.16:停车S曲线700mm/s3 (等同于0.25)19.17:启动优化加加速度10mm/s3 (从零速到启动优化速度的加速度)19.25:制动器打开延时500 (制动器打开到速度命令给出的时间)19.26:运行方向设置ON(1)双方向输入19.27:减速比的分母119.28:启动优化时间1000ms19.29:曳引轮直径900mm (根据现场轮子实际尺寸)19.30:减速比分子4319.34:电流环滤波时间常数OFF(0) ON(1):4.12参数有效。
艾默生变频器调试方案一,在启用一台新变频器时,首先应按照以下操作步骤对变频器及电机进行初始化准备工作。
第一步,对电机的基本数据进行变频器登陆:进入参数目录F1,分别输入:机械传动比 F1.00(严格按照实际减速比输入)额定功率 F1.01电机额定电压 F1.02电机额定电流 F1.03电机额定频率 F1.04电机额定转速 F1.05然后,进行电机调谐,选择允许调谐(F1.09设为[1]),进行并启动调谐(F1.10设为[1]),按‘ENTER’确认后,提示‘RUN’调谐,这时,按下‘RUN’等待一分钟,(期间可看到,电机自动运行并停止的一个过程,其主要完成的是参数F1.11—F1.16的设置),当操作面板上显示‘调谐结束’这时既表示调谐成功可进行下一步操作。
第二步,根据实际设置变频器的用途、基本参数及功能设置:1.外部开关量端子功能设置:卷径复位(X1) F5.01 [12--卷径复位1]卷径复位后卷径值为初始卷径1(F8.12)所设定,2.外部模拟量端子设置:AI1电压输入选择 F6.00 (张力设定)AI2电压电流输入选择 F6.01 (速度设定)AI3电压输入选择 F6.02 (反馈输入,这里反馈信号范围最小应为5V变化,若变化幅度较小,变频器则不能有效识别,则不利于调试。
)(注:要严格检查所输入信号,确保信号准确,稳定,损耗最小,无干扰现象。
)3.收放卷模式设置:收卷 F8.00 [0]放卷 F8.00 [1]4.基本参数:根据实际(机械设计要求)设置以下参数:最大卷径 F8.09空芯卷径 F8.10初始卷径 F8.11 [0]--初始卷径1(F8.12—[100])线速度输入选择 FC.00 (根据实际,假设AI2为线速度输入,其值设为2)最大线速度 FC.03 (根据实际,机械设计线速度)最小线速度 FC.04 (根据实际,一般为最大线速度1/5--1/4,)二,几种控制模式的选择和主要参数组态设置A,张力闭环控制方案1(线速度模式)闭环矢量 F0.02 [1]张力控制选择 F3.06 [1](闭环张力控制模式1)反馈量选择 F7.02 [2](AI3)比例增益1 F7.03 [10—20]积分时间1 F7.04 [0.5--1.5]微分时间1 F7.05 [0](无)比例增益1 F7.06 [10—20]积分时间1 F7.07 [0.5--1.5]微分时间1 F7.08 [0](无)采样周期 F7.09 [0]PID参数调整依据 F7.10 [0]卷径计算 F8.08 [1](为了方便调试,在未调整好PID参数前,先不要加入此卷径计算。
爱默生变频器调试说明一、电机自学习:第一步:检查接线无误第二步:调整以下变频器参数第三步:曳引机脱开负载第四步:打开抱闸电机可自由旋转第五步:闭合主输出接触器(在主输出接触器控制电路允许闭合的情况下,在电机开始自学习时变频器会自动输出主接触器吸合信号)第六步:将F1.11设为“1”后,按操作面板“RUN”键自学习开始,显示屏上显示“正在调谐”。
等待调谐结束显示屏上显示“自动调谐结束”。
(调谐过程中,如果出现异常可以按STOP/RESET终止调谐。
此时电机参数无效。
)二、检修运行第一步、检查变频器接线第三步、检查所有安全回路第四步、开始检修运行第五步、观察造作键盘七段显示电梯速度,与参数(F3.19)设定值是否相等,如果不等请调换编码器A相、B相接线。
三、井道自学习第一步:检查门区、上下限位、上下强迫减速信号、旋转编码器第二步:将电梯检修运行到底层低于门区位置关好门第三步:调整以下参数第四步:查看“F9.03”当前楼层是否为1,如不为1时用短接线先短接变频器COM端子与X1端子再与X2端子短接,然后查看当前楼层是否为1第五步:将微机设为自学习状态,电梯开始自动向上运行,运行到顶层自动停止。
自学习完毕。
第六步:查看“F4.09-F4.57)楼层高度脉冲数是否正确,如不正确重复以上操作。
四、快车试运行第一步:检查变频器Y1、Y2端子接线是否正确。
第二步、将电梯检修开关旋到正常位置,电梯位于自动状态,选层开始运行。
(注:先不要运行首层和顶层,先在中间层试运行)第三步:先试单层快车运行,再试多层运行。
查看减速点通过信号是否正常。
如果不正常调整“F4.02-F4.06”。
五:舒适感调整调整以下参数六:平层调整七:上下强迫减速的调整第一步:设定以下参数第二步:调整强迫减速开关位置(开关安装位置1.2倍额定梯速)第三步:调整F3.22得到所需要的强迫减速距离(应小于强迫减速开关安装距离)第四步:调整F7.11运行的到顶层、底层换速时有台阶感。
艾默生变频器参数调试:0.00:密码1000保存参数;1233恢复出厂值;125 3更改变频器控制模式;0.01:最低速度00.02:最高速度1850rpm0.03:加速斜率0.3cm/s20.04:减速斜率0.3cm/s20.05:给定模式选择Pr数字量0.06:电流限200%0.12:参数选择0 (0号菜单选择)0.13:电机额定转速1850rpm0.14:电梯额定速度1000mm/s0.15:V1 50mm/s 检修半速0.16:V20.17:V3 30mm/s 爬行速度0.18:V4 150mm/s 检修速度0.19:V5 480mm/s 单层速度0.20:V6 550mm/s 双层速度0.21:V7 550mm/s 多层速度0.22:停车减速斜率200mm/s20.23:启动S曲线200mm/s30.24:运行S曲线700mm/s30.25:停车S曲线700mm/s30.29:1024 编码器脉冲数(相当与3.34)0.42:4POLE (相当与5.11)0.43:0.88 (相当与5.10)0.44:340V (相当与5.09)0.45:1850RPM (相当与5.08)0.46:56A (相当与5.07)0.47:64HZ (相当与5.06)0.48:CL UECT闭环2.02:斜坡使能ON(1)2.03:斜坡保持OFF(0)2.04:斜坡方式选择FAST(1)2.10:加速斜率选择器 22.11:加速斜率0.3cm/s2(等同于0.03)2.20:减速斜率选择器 22.21:减速斜率0.3cm/s2(等同于0.04)3.24:0(闭环)3.34:1024(编码器脉冲数)3.36:5V(编码器电压)3.38;AB(编码器类型:差分AB相)3.42:4(编码器滤波“如果现场编码器干扰很大可以设定最大不要大于8”)3.43:1500(编码器脉冲数最大给定值)3.41:编码器自动检测ON(1)4.05:运行电流限值2004.06:再生电流限值2004.07:对称电流限值2004.12:电流给定滤波器1 4ms (降低电机噪音) 4.13:电流环比例增益默认值4.14:电流环积分增益默认值4.15:热时间常数默认值4.24:用户设电流限值2005.06:64HZ电机频率5.07:56A电机电流5.08:1850rpm电机转速5.09: 340v电机电压5.10:0.88电机功率因数5.11:4POLE电机级数5.18:8 PWM开关频率选择8.10:0FF 31号端子取反8.11:OFF 24号端子取反8.12:OFF 25号端子取反8.13:OFF 26号端子取反8.14:OFF 27号端子取反8.15:OFF 28号端子取反8.16:OFF 19号端子取反8.17:0N 41,42号端子取反8.18:ON 22号端子取反8.21:10.02 24号端子功能选择变频器运行8.22:18.38 25号端子功能选择多段速38.23:18.37 26号端子功能选择多段速28.24:19.44 27号端子功能选择正转(不可以改变)8.25:18.44 28号端子功能选择反转(不可以改变)8.26:18.36 29号端子功能选择多段速18.27:10.01 41,42号端子功能选择变频器正常/故障输出8. 28: 0.00 22号端子功能24V电压输出8. 29: ON 变频器端子功能选择(OFF:OV输入有效ON:24V输入有效)8. 31: ON 24号端子输入(出)功能选择(OFF:输入ON:输出)8. 32: OFF 25号端子输入(出)功能选择(OFF:输入ON:输出)8. 33: OFF 26号端子输入(出)功能选择(OFF:输入ON:输出)16.17: OFF “现场使用了选件卡“分频脉冲到主板上的卡”需要设为OFF,否则报SL2.ER故障”16.24: 3.2916.25: 0.1024(编码器分频输出值“现场干扰大时可以设小使用”)如果不设定数据主板没有脉冲出入16.26: 1.638418.11:V1 50mm/s 检修半速(等同于0.15)18.12:V2 (等同于0.16)18.13:V3 30mm/s 爬行速度(等同于0.17)18.14:V4 150mm/s 检修速度(等同于0.18)18.15:V5 480mm/s 单层速度(等同于0.19)18.16:V6 550mm/s 双层速度(等同于0.20)18.17:V7 550mm/s 多层速度(等同于0.21)18.18:启动优化速度10mm/s (改善启动舒适感)18.23:磁场建立阀值50018.25:运行比例增益700 (高速P)18.26:运行积分增益300 (高速I)18.27:启动比例增益1300 (低速P)18.28:启动积分增益500 (低速I)18.29:电机额定转速1850rpm (等同于0.13)18.30:电梯额定速度1000mm/s (等同于0.14)18.42:多段速给定选择类型OFF(0)二进制18.45:正转和反转方向取反OFF(0)18.48:切换增益选择ON(1) 设为1,则分段有效,18.25-18.28起作用18.49:惯量补偿ON(1)19.11:增益转换时间2000ms19.13:停车减速斜率200mm/s2 (等同于0.22)19.14:启动S曲线200mm/s3 (等同于0.23)19.15:运行S曲线700mm/s3 (等同于0.24)19.16:停车S曲线700mm/s3 (等同于0.25)19.17:启动优化加加速度10mm/s3 (从零速到启动优化速度的加速度)19.25:制动器打开延时500 (制动器打开到速度命令给出的时间)19.26:运行方向设置ON(1)双方向输入19.27:减速比的分母119.28:启动优化时间1000ms19.29:曳引轮直径900mm (根据现场轮子实际尺寸)19.30:减速比分子4319.34:电流环滤波时间常数OFF(0) ON(1):4.12参数有效。
艾默生变频器参数调试:
0.00:密码1000保存参数;1233恢复出厂值;1253更改变频器控制模式;
0.01:最低速度0
0.02:最高速度1850rpm
0.03:加速斜率0.3cm/s2
0.04:减速斜率0.3cm/s2
0.05:给定模式选择Pr数字量
0.06:电流限200%
0.12:参数选择0 (0号菜单选择)
0.13:电机额定转速1850rpm
0.14:电梯额定速度1000mm/s
0.15:V1 50mm/s 检修半速
0.16:V2
0.17:V3 30mm/s 爬行速度
0.18:V4 150mm/s 检修速度
0.19:V5 480mm/s 单层速度
0.20:V6 550mm/s 双层速度
0.21:V7 550mm/s 多层速度
0.22:停车减速斜率200mm/s2
0.23:启动S曲线200mm/s3
0.24:运行S曲线700mm/s3
0.25:停车S曲线700mm/s3
0.29:1024 编码器脉冲数(相当与3.34)
0.42:4POLE (相当与5.11)
0.43:0.88 (相当与5.10)
0.44:340V (相当与5.09)
0.45:1850RPM (相当与5.08)
0.46:56A (相当与5.07)
0.47:64HZ (相当与5.06)
0.48:CL UECT闭环
2.02:斜坡使能ON(1)
2.03:斜坡保持OFF(0)
2.04:斜坡方式选择FAST(1)
2.10:加速斜率选择器2
2.11:加速斜率0.3cm/s2(等同于0.03)
2.20:减速斜率选择器2
2.21:减速斜率0.3cm/s2(等同于0.04)
3.24:0(闭环)
3.34:1024(编码器脉冲数)
3.36:5V(编码器电压)
3.38;AB(编码器类型:差分AB相)
3.42:4(编码器滤波“如果现场编码器干扰很大可以设定最大不要大于8”)
3.43:1500(编码器脉冲数最大给定值)
3.41:编码器自动检测ON(1)
4.05:运行电流限值200
4.06:再生电流限值200
4.07:对称电流限值200
4.12:电流给定滤波器1 4ms (降低电机噪音) 4.13:电流环比例增益默认值
4.14:电流环积分增益默认值
4.15:热时间常数默认值
4.24:用户设电流限值200
5.06:64HZ电机频率
5.07:56A电机电流
5.08:1850rpm电机转速
5.09: 340v电机电压
5.10:0.88电机功率因数
5.11:4POLE电机级数
5.18:8 PWM开关频率选择
8.10:0FF 31号端子取反
8.11:OFF 24号端子取反
8.12:OFF 25号端子取反
8.13:OFF 26号端子取反
8.14:OFF 27号端子取反
8.15:OFF 28号端子取反
8.16:OFF 19号端子取反
8.17:0N 41,42号端子取反
8.18:ON 22号端子取反
8.21:10.02 24号端子功能选择变频器运行
8.22:18.38 25号端子功能选择多段速3
8.23:18.37 26号端子功能选择多段速2
8.24:19.44 27号端子功能选择正转(不可以改变)
8.25:18.44 28号端子功能选择反转(不可以改变)
8.26:18.36 29号端子功能选择多段速1
8.27:10.01 41,42号端子功能选择变频器正常/故障输出
8. 28: 0.00 22号端子功能24V电压输出
8. 29: ON 变频器端子功能选择(OFF:OV输入有效ON:24V输入有效)
8. 31: ON 24号端子输入(出)功能选择(OFF:输入O N:输出)
8. 32: OFF 25号端子输入(出)功能选择(OFF:输入O N:输出)
8. 33: OFF 26号端子输入(出)功能选择(OFF:输入O N:输出)
16.17: OFF “现场使用了选件卡“分频脉冲到主板上的
卡”需要设为OFF,否则报SL2.ER故障”
16.24: 3.29
16.25: 0.1024(编码器分频输出值“现场干扰大时可以设小使用”)如果不设定数据主板没有脉冲出入
16.26: 1.6384
18.11:V1 50mm/s 检修半速(等同于0.15)
18.12:V2 (等同于0.16)
18.13:V3 30mm/s 爬行速度(等同于0.17)
18.14:V4 150mm/s 检修速度(等同于0.18)
18.15:V5 480mm/s 单层速度(等同于0.19)
18.16:V6 550mm/s 双层速度(等同于0.20)
18.17:V7 550mm/s 多层速度(等同于0.21)
18.18:启动优化速度10mm/s (改善启动舒适感)
18.23:磁场建立阀值500
18.25:运行比例增益700 (高速P)
18.26:运行积分增益300 (高速I)
18.27:启动比例增益1300 (低速P)
18.28:启动积分增益500 (低速I)
18.29:电机
额定转速1850rpm (等同于0.13)
18.30:电梯额定速度1000mm/s (等同于0.14)
18.42:多段速给定选择类型OFF(0)二进制
18.45:正转和反转方向取反OFF(0)
18.48:切换增益选择ON(1) 设为1,则分段有效,18.2 5-18.28起作用
18.49:惯量补偿ON(1)
19.11:增益转换时间2000ms
19.13:停车减速斜率200mm/s2 (等同于0.22)
19.14:启动S曲线200mm/s3 (等同于0.23)
19.15:运行S曲线700mm/s3 (等同于0.24)
19.16:停车S曲线700mm/s3 (等同于0.25)
19.17:启动优化加加速度10mm/s3 (从零速到启动优化速度的加速度)
19.25:制动器打开延时500 (制动器打开到速度命令给出的时间)
19.26:运行方向设置ON(1)双方向输入
19.27:减速比的分母1
19.28:启动优化时间1000ms
19.29:曳引轮直径900mm (根据现场轮子实际尺寸)
19.30:减速比分子43
19.34:电流环滤波时间常数OFF(0) ON(1):4.12参数有效。